Research on Asymmetrical Operation of Multilevel Converter-Type Solid-State Transformers Based on High-Frequency Link Interconnection
Abstract
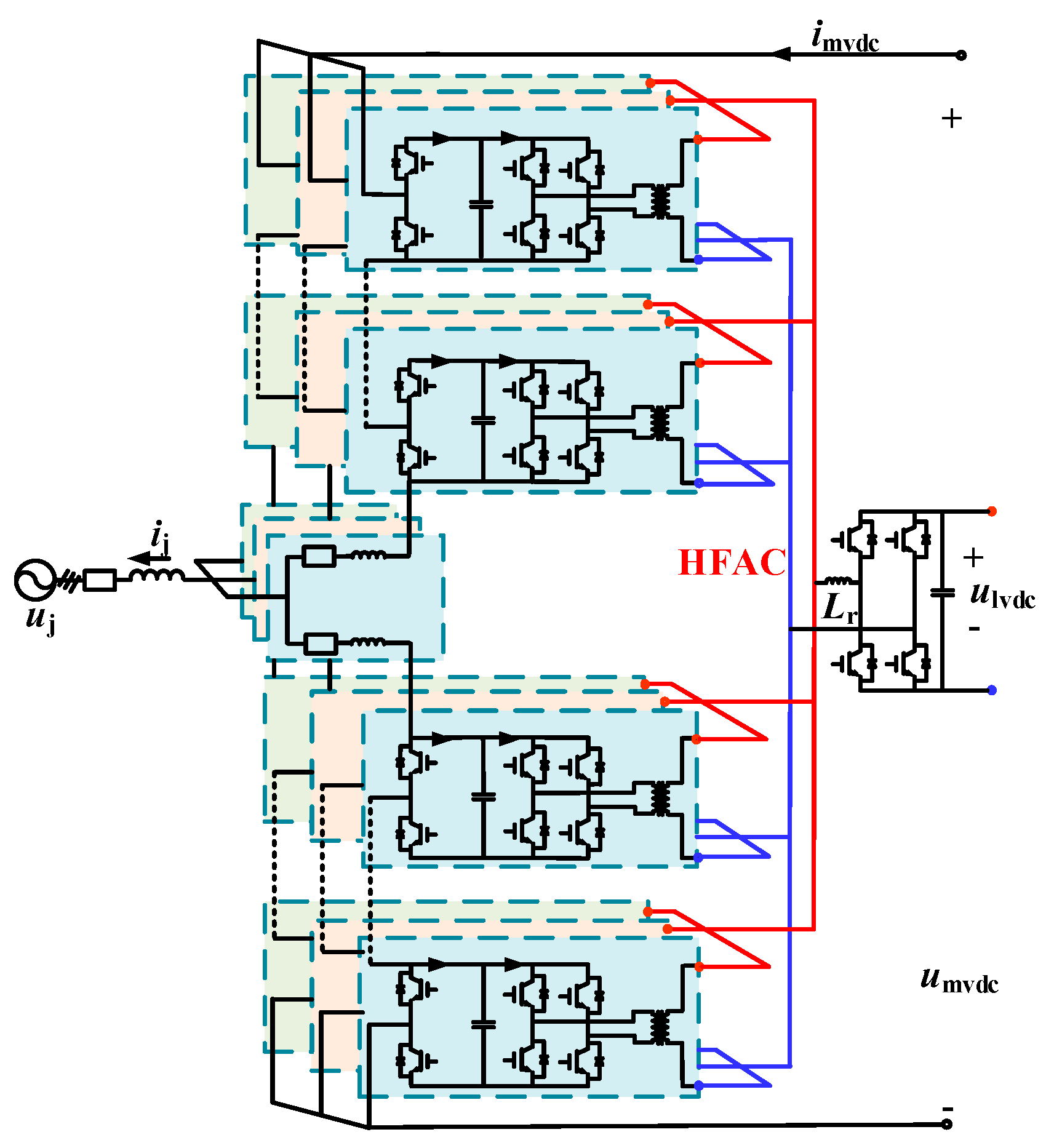
1. Introduction
1.1. State-of-the-Art SM Capacitor Lightweight Methods for MMC-SSTs
1.2. Contribution
2. Analysis of SM Current under Both Symmetric and Asymmetric Operation
2.1. Generation Principle of Fluctuating Power under Symmetric Operation
2.2. Fluctuating Power Decoupling Method in the Literature [18]
2.3. Analysis of SM Current under Asymmetric Operation
3. Current Characteristics of SM under Asymmetric Operation
4. Analysis of Asymmetric Fault Ride-through Capability of MMC-SST
4.1. Impact on HFL
4.2. Impact on SM Voltage and MVDC Current with Input AC Current Control
4.3. Performance of Three-Phase Voltage Unbalanced Operation
5. Capacitance Constraint of SM in Asymmetric Operation
6. Experimental Verification
6.1. Asymmetric Operation Verification
6.2. Dynamic Performance Verification
7. Conclusions
Author Contributions
Funding
Data Availability Statement
Conflicts of Interest
References
- Rodrigues, N.; Cunha, J.; Monteiro, V.; Afonso, J.L. Development and Experimental Validation of a Reduced-Scale Single-Phase Modular Multilevel Converter Applied to a Railway Static Converter. Electronics 2023, 12, 1367. [Google Scholar] [CrossRef]
- Meng, X.; Hu, G.; Liu, Z.; Wang, H.; Zhang, G.; Lin, H.; Sadabadi, M.S. Neural Network-Based Impedance Identification and Stability Analysis for Double-Sided Feeding Railway Systems. IEEE Trans. Transp. Electrif. 2024. [Google Scholar] [CrossRef]
- Xie, D.; Lin, C.; Deng, Q.; Lin, H.; Cai, C.; Basler, T.; Ge, X. Simple Vector Calculation and Constraint-Based Fault-Tolerant Control for a Single-Phase CHBMC. IEEE Trans. Power Electron. 2024. [Google Scholar] [CrossRef]
- Lin, H.; Cai, C.; Chen, J.; Gao, Y.; Vazquez, S.; Li, Y. Modulation and Control Independent Dead-Zone Compensation for H-Bridge Converters: A Simplified Digital Logic Scheme. IEEE Trans. Ind. Electron. 2024, 71, 15239–15244. [Google Scholar] [CrossRef]
- Lin, X.; Wu, C.; Yao, W.; Liu, Z.; Shen, X.; Xu, R.; Sun, G.; Liu, J. Observer-Based Fixed-Time Control for Permanent-Magnet Synchronous Motors With Parameter Uncertainties. IEEE Trans. Power Electron. 2023, 38, 4335–4344. [Google Scholar] [CrossRef]
- Siemaszko, D.; Carpita, M. Continuous Time Simulation and System-Level Model of a MVDC Distribution Grid Including SST and MMC-Based AFE. Electronics 2024, 13, 2193. [Google Scholar] [CrossRef]
- Zhou, J.; Sun, X.; Zhao, T.; Mu, Q.; Guo, X. An Improved One-Dimensional Space Vector Modulation for Three-Phase Five-Level Cascaded H-Bridge Inverters. In Proceedings of the 2023 IEEE Energy Conversion Congress and Exposition (ECCE), Nashville, TN, USA, 29 October–2 November 2023; pp. 3349–3354. [Google Scholar]
- Ali, S.; Bogarra, S.; Khan, M.M.; Taha, A.; Phyo, P.P.; Byun, Y.-C. Prospective Submodule Topologies for MMC-BESS and Its Control Analysis with HBSM. Electronics 2023, 12, 20. [Google Scholar] [CrossRef]
- Wang, J.; Han, X.; Ma, H.; Bai, Z. Analysis and Injection Control of Circulating Current for Modular Multilevel Converters. IEEE Trans. Ind. Electron. 2019, 66, 2280–2290. [Google Scholar] [CrossRef]
- Pou, J.; Ceballos, S.; Konstantinou, G.; Capella, G.; Agelidis, V. Control strategy to balance operation of parallel connected legs of modular multilevel converters. In Proceedings of the 2013 IEEE International Symposium on Industrial Electronics, Taipei, Taiwan, 28–31 May 2013; pp. 1–7. [Google Scholar]
- Debnath, S.; Qin, J.; Saeedifard, M. Control and Stability Analysis of Modular Multilevel Converter Under Low-Frequency Operation. IEEE Trans. Ind. Electron. 2015, 62, 5329–5339. [Google Scholar] [CrossRef]
- Zhou, J.; Zhang, J.; Wang, J.; Zang, J.; Shi, G.; Feng, X.; Cai, X. Design and Control of Power Fluctuation Delivery for Cell Capacitance Optimization in Multiport Modular Solid-State Transformers. IEEE Trans. Power Electron. 2021, 36, 1412–1427. [Google Scholar] [CrossRef]
- Teng, J.; Sun, X.; Liu, X.; Zhao, W.; Li, X. Power Mismatches Elimination Strategy for MMC-Based Photovoltaic System and Lightweight Design. IEEE Trans. Power Electron. 2023, 38, 11614–11629. [Google Scholar] [CrossRef]
- Huang, X.; Wang, Z.; Kong, Z.; Xiong, J.; Zhang, K. Modular Multilevel Converter with Three-Port Power Channels for Medium-Voltage Drives. IEEE J. Emerg. Sel. Top. Power Electron. 2018, 6, 1495–1507. [Google Scholar] [CrossRef]
- Teng, J.; Sun, X.; Zhang, M.; Zhao, W.; Li, X. Low-Capacitance CHB-Based SST Based on Resonant Push–Pull Decoupling Channel. IEEE Trans. Ind. Electron. 2024, 71, 2477–2488. [Google Scholar] [CrossRef]
- Diab, M.; Massoud, A.; Ahmed, S.; Williams, B. A modular multilevel converter with ripple-power decoupling channels for three phase MV adjustable-speed drives. IEEE Trans. Power Electron. 2019, 34, 4048–4063. [Google Scholar] [CrossRef]
- Wang, Z.; Teng, J.; Zhang, M.; Bu, Z.; Lin, X.; Qi, L.; Zhao, W.; Li, X.; Sun, X. Common-Mode Voltage Suppression Strategy for CHB-Based Motor Drive Based on Topology and Modulation Optimization. IEEE Trans. Power Electron. 2024. [Google Scholar] [CrossRef]
- Bu, Z.; Teng, J.; Sun, X.; Pan, Y.; Pan, Y. Low Frequency Voltage Ripples Decoupling with Switched-Capacitor Conversion For an MMC-based SST. IEEE Trans. Ind. Electron. 2022, 69, 11293–11303. [Google Scholar] [CrossRef]
- Lin, H.; Chung, H.; Shen, R.; Xiang, Y. Enhancing Stability of DC Cascaded Systems With CPLs Using MPC Combined With NI and Accounting for Parameter Uncertainties. IEEE Trans. Power Electron. 2024, 39, 5225–5238. [Google Scholar] [CrossRef]
- Alam, M.; Muttaqi, K.; Bouzerdoum, A. Characterizing voltage sags and swells using three-phase voltage ellipse parameters. IEEE Trans. Ind. Electron. 2015, 51, 2780–2790. [Google Scholar] [CrossRef]
- Shi, X.; Wang, Z.; Liu, B.; Liu, Y.; Tolbert, L.; Wang, F. Characteristic investigation and control of an MMC-based HVDC system under single line-to-ground fault conditions. IEEE Trans. Power Electron. 2015, 30, 408–421. [Google Scholar] [CrossRef]
- Li, S.; Wang, X.; Yao, Z.; Li, T.; Peng, Z. Circulating current suppressing strategy for MMC-HVDC based on nonideal proportional resonant controllers under unbalanced grid conditions. IEEE Trans. Power Electron. 2015, 30, 387–397. [Google Scholar] [CrossRef]
- Liang, Y.; Liu, J.; Zhang, T.; Yang, Q. Arm current control strategy for MMC-HVDC under unbalanced conditions. IEEE Trans. Power Deliv. 2017, 32, 125–134. [Google Scholar] [CrossRef]
- Yang, Q.; Qin, J.; Saeedifard, M. Analysis, detection, and location of open-switch submodule failures in a modular multilevel converter. IEEE Trans. Power Deliv. 2016, 31, 155–164. [Google Scholar] [CrossRef]
- Prieto-Araujo, E.; Junyent-Ferre, A.; Clariana-Colet, G.; GomisBellmunt, O. Control of MMCs under singular unbalanced voltage conditions with equal positive and negative sequence components. IEEE Trans. Power Syst. 2017, 32, 2131–2141. [Google Scholar] [CrossRef]
- Ali, M.; Farooq, A.; Khan, M.Q.; Khan, M.M.; Mihet-Popa, L. Analysis of Asymmetric Hybrid Modular Multilevel Topology for Medium-Voltage Front-End Converter Applications. Energies 2023, 16, 1572. [Google Scholar] [CrossRef]
- Wang, S.; Qin, S.; Yang, P.; Sun, Y.; Zhao, B.; Yin, R.; Sun, S.; Tian, C.; Zhao, Y. Research on the New Topology and Coordinated Control Strategy of Renewable Power Generation Connected MMC-Based DC Power Grid Integration System. Symmetry 2021, 13, 1965. [Google Scholar] [CrossRef]
- de Souza, V.R.F.B.; Barros, L.S.; Costa, F.B. Modular Multilevel Converter for Low-Voltage Ride-Through Support in AC Networks. Energies 2021, 14, 5314. [Google Scholar] [CrossRef]
- Liu, Z.; Li, G.; et. A Multi-Frequency DQ Impedance Measurement Algorithm for Single-Phase Vehicle-Grid System in Electrified Railways. IEEE Trans. Veh. Technol. 2022, 71, 1372–1383. [Google Scholar] [CrossRef]
- Meng, X.; Zhang, Q.; Liu, Z.; Hu, G.; Liu, F.; Zhang, G. Multiple Vehicles and Traction Network Interaction System Stability Analysis and Oscillation Responsibility Identification. IEEE Trans. Power Electron. 2024, 39, 6148–6162. [Google Scholar] [CrossRef]





















| Parameters | Value | |
|---|---|---|
| Rated active power/P | 5 kW | |
| MVDC voltage/uMVDC | 750 V | |
| MVAC voltage/ux | 375 V | |
| LVDC voltage/uLVDC | 250 V | |
| Fundamental AC frequency/f | 50 Hz | |
| CPS PWM frequency/fSM | 2 kHz | |
| Arm inductance/Larm | 2.5 mH | |
| Capacitance of SM/C | 85 μF | |
| Number of SMs per arm/n | 3 | |
| Transformer turns ratio/nt | 1:1 | |
| HFL switching frequency/f1 | 20 kHz | |
| MMC voltage controller | proportional gain | 0.176 |
| integral gain | 35.2 | |
| MMC current controller | proportional gain | 5.3 |
| integral gain | 113.3 | |
| HFL voltage controller | proportional gain | 0.02 |
| integral gain | 655 | |
| MMC-SST in [18] | This Article | |
|---|---|---|
| SM capacitance | 35 μF | 85 μF |
| Reduction compared to traditional MMC-SST | 93.6% | 84.5% |
| SM voltage fluctuation rate under symmetric operation | ±4% | ±1.6% |
| SM voltage fluctuation rate under asymmetric operation | ±16.7% | ±3.6% |
Disclaimer/Publisher’s Note: The statements, opinions and data contained in all publications are solely those of the individual author(s) and contributor(s) and not of MDPI and/or the editor(s). MDPI and/or the editor(s) disclaim responsibility for any injury to people or property resulting from any ideas, methods, instructions or products referred to in the content. |
© 2024 by the authors. Licensee MDPI, Basel, Switzerland. This article is an open access article distributed under the terms and conditions of the Creative Commons Attribution (CC BY) license (https://creativecommons.org/licenses/by/4.0/).
Share and Cite
You, Y.; Yu, M.; Fan, X.; Qi, L.; Teng, J. Research on Asymmetrical Operation of Multilevel Converter-Type Solid-State Transformers Based on High-Frequency Link Interconnection. Electronics 2024, 13, 4043. https://doi.org/10.3390/electronics13204043
You Y, Yu M, Fan X, Qi L, Teng J. Research on Asymmetrical Operation of Multilevel Converter-Type Solid-State Transformers Based on High-Frequency Link Interconnection. Electronics. 2024; 13(20):4043. https://doi.org/10.3390/electronics13204043
Chicago/Turabian StyleYou, Yanfei, Minli Yu, Xintao Fan, Lei Qi, and Jiaxun Teng. 2024. "Research on Asymmetrical Operation of Multilevel Converter-Type Solid-State Transformers Based on High-Frequency Link Interconnection" Electronics 13, no. 20: 4043. https://doi.org/10.3390/electronics13204043
APA StyleYou, Y., Yu, M., Fan, X., Qi, L., & Teng, J. (2024). Research on Asymmetrical Operation of Multilevel Converter-Type Solid-State Transformers Based on High-Frequency Link Interconnection. Electronics, 13(20), 4043. https://doi.org/10.3390/electronics13204043

