Research and Development Review of Power Converter Topologies and Control Technology for Electric Vehicle Fast-Charging Systems
Abstract
1. Introduction
2. Electric Vehicle Fast-Charging Technology and System Structure
2.1. Charging Level of Electric Vehicles
2.2. Electric Vehicle Fast-Charging System Architecture
3. Charging Interface and Technical Specifications
4. Front-Stage AC/DC Converter Topologies
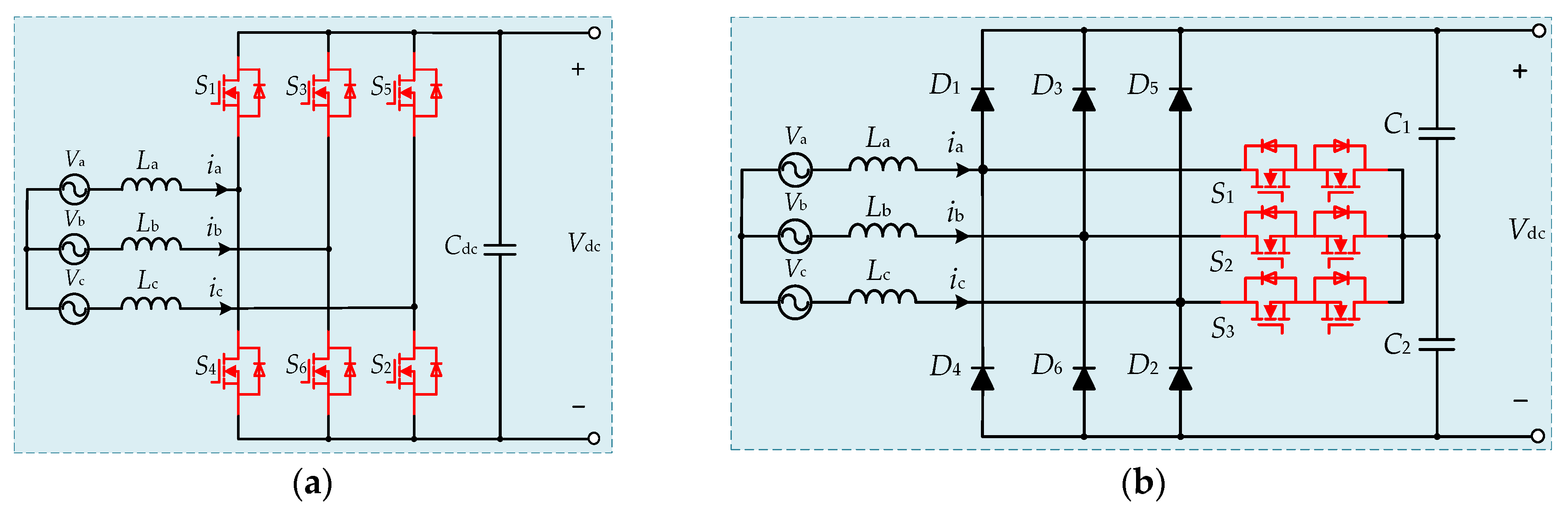
4.1. Three-Phase Boost-Type Rectifier Topologies
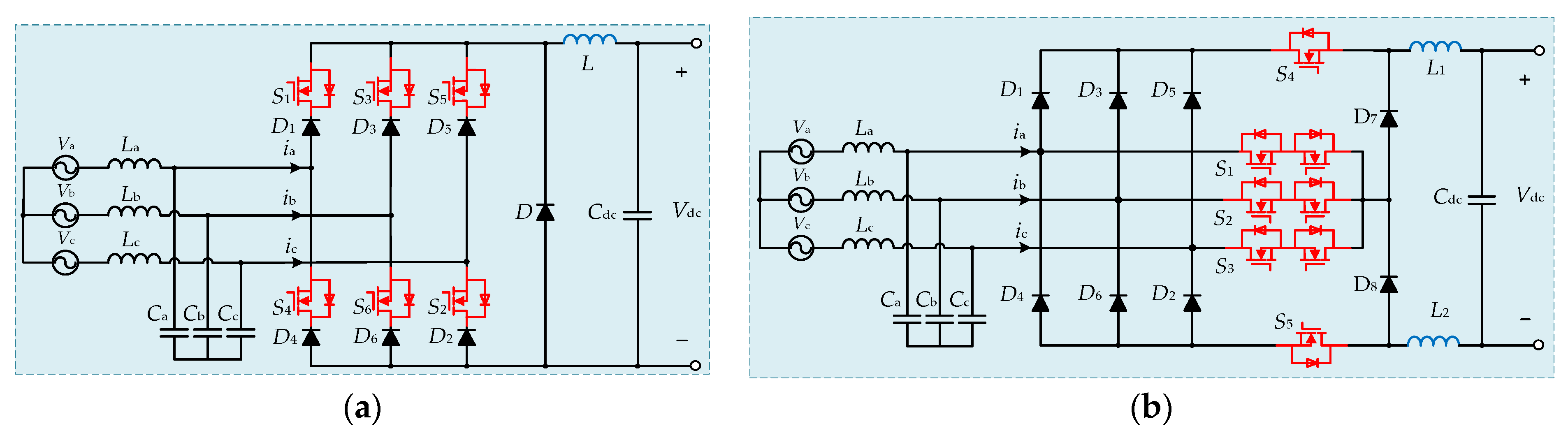
4.2. Three-Phase Buck-Type Rectifier Topologies
4.3. Multilevel Converter Topologies
5. Rear-Stage DC/DC Converter Topologies
5.1. Non-Isolated DC/DC Converter Topologies
5.2. Isolated DC/DC Converter Topologies
6. Front-Stage AC/DC Converter Control Technology
6.1. Three-Phase Boost-Type Rectifier Control Technology
6.2. Three-Phase Buck-Type Rectifier Control Technology
6.3. Multilevel Converter Control Technology
7. Rear-Stage DC/DC Converter Control Technology
7.1. Non-Isolated Converter Control Technology
7.2. Isolated Converter Control Technology
8. Impact of High-Power Fast Charging on Power Batteries
8.1. Factors Influencing Fast Charging of Power Batteries
- SEI Film Growth.
- 2.
- Anode Lithium Precipitation.
- 3.
- Polarization Effect.
- 4.
- Thermal Characteristics.
- 5.
- The influence of the charging current on the battery.
8.2. Fast-Charging Method of Power Batteries
- Pulse Charging.
- 2.
- Multi-stage constant-current charging.
- 3.
- Positive and negative pulse charging.
- 4.
- Optimal fast-charging strategy.
8.3. The Influence of the Battery Management System on Power Batteries
9. Development Trends
9.1. Trends in Charging Infrastructure
9.2. Future Trends in Electric Vehicles
10. Conclusions
Author Contributions
Funding
Data Availability Statement
Conflicts of Interest
References
- Yu, D.M.; Yang, C.; Jiang, L.R.; Li, T.Y.; Yan, G.G.; Gao, F.K.; Liu, H.N. Review on Safety Protection of Electric Vehicle Charging. Proc. Chin. Soc. Elect. Eng. 2022, 42, 2145–2164. [Google Scholar]
- James, D.; Keith, B. Electric vehicles, Battery Capacity, Charger Power, Access to Charging and the Impacts on Distribution Networks. eTransportation 2020, 4, 100059. [Google Scholar]
- IEA. Global EV Outlook 2022. IEA: Paris, France, 23 May 2022. Available online: https://www.iea.org/reports/global-ev-outlook-2022 (accessed on 12 January 2023).
- IEA. Global Electric Car Stock, 2010–2021. IEA: Paris, France, 23 May 2022. Available online: https://www.iea.org/data-and-statistics/charts/global-electric-car-stock-2010-2021 (accessed on 12 January 2023).
- Tong, M.H.; Cheng, M.; Xu, Z.H.; Wen, H.H.; Hua, W.; Zhu, X.Y. Key Issues and Solutions of Integrated On-Board Chargers for Electric Vehicles. Trans. China Electrotech. Soc. 2021, 36, 5125–5142. [Google Scholar]
- Khan, I.; Iqbal, A.; Sanjeevikumar, P.; Mitolo, M.; Shahidehpour, M.; Gueerero, J.M.; Holm-Nielsen, J.B.; Lam, J.; Marzband, M. Guest Editorial: Fast, Superfast, and Ultra-Superfast Intelligent and Smart Charging Solutions for Electric Vehicles. IEEE Trans. Ind. Appl. 2022, 58, 5518–5519. [Google Scholar] [CrossRef]
- Vasiladiotis, M.; Rufer, A. A Modular Multiport Power Electronic Transformer with Integrated Split Battery Energy Storage for Versatile Ultrafast EV Charging Stations. IEEE Trans. Ind. Electron. 2015, 62, 3213–3222. [Google Scholar] [CrossRef]
- IEA. Fast Publicly Available Chargers, 2015–2021. IEA: Paris, France, 23 May 2022. Available online: https://www.iea.org/data-and-statistics/charts/fast-publicly-available-chargers-2015-2021 (accessed on 12 January 2023).
- IEA. Slow Publicly Available Chargers, 2015–2021. IEA: Paris, France, 23 May 2022. Available online: https://www.iea.org/data-and-statistics/charts/slow-publicly-available-chargers-2015-2021 (accessed on 12 January 2023).
- Rizwan, K.M.; Saad, A.M.; Adil, S.; Asghar, J. A Comprehensive Review on Electric Vehicles Charging Infrastructures and Their Impacts on Power-Quality of the Utility Grid. eTransportation 2019, 1, 100006. [Google Scholar]
- Tao, Y.C.; Qiu, J.; Lai, S.Y.; Sun, X.Z.; Zhao, J.H. Adaptive Integrated Planning of Electricity Networks and Fast Charging Stations Under Electric Vehicle Diffusion. IEEE Trans. Power Syst. 2023, 38, 499–513. [Google Scholar] [CrossRef]
- Tim, U.; Jeppe, R.; Bach, A.P.; Seyedmostafa, H. Electric Vehicle Charging Infrastructure Planning for Integrated Transportation and Power Distribution Networks: A Review. eTransportation 2022, 12, 100163. [Google Scholar]
- Ding, M.; Shi, S.L.; Pan, H.; Wang, M.; Yao, Y.L. Planning of AC/DC Hybrid Microgrid with Integration of Electric Vehicles Charging Load. Autom. Electr. Power Syst. 2018, 42, 32–38+81. [Google Scholar]
- Jahnes, M.; Zhou, L.; Eull, M.; Wang, W.Z.; Preindl, M. Design of a 22-kW Transformerless EV Charger with V2G Capabilities and Peak 99.5% Efficiency. IEEE Trans. Ind. Electron. 2023, 70, 5862–5871. [Google Scholar] [CrossRef]
- Jan, E.; Martin, Z.J.; Tatiana, G.; Mattia, M. Energy Management of a Multi-Battery System for Renewable-Based High Power EV Charging. eTransportation 2022, 14, 100198. [Google Scholar]
- Trivedi, N.; Gujar, N.S.; Sarkar, S.; Pundir, S.P.S. Different Fast Charging Methods and Topologies for EV Charging. In Proceedings of the 2018 IEEMA Engineer Infinite Conference (eTechNxT), New Delhi, India, 13–14 March 2018; pp. 1–5. [Google Scholar]
- Franzese, P.; Pasquale, A.D.; Iannuzzi, D.; Pagano, M. Electric Ultra Fast Charging Stations: A Real Case Study. In Proceedings of the 2021 AEIT International Annual Conference (AEIT), Milan, Italy, 4–8 October 2021; pp. 1–6. [Google Scholar]
- Li, Q.F.; Shi, Y.; Kang, J.Y.; Feng, L.L. A novel high-power ZVZCS three-level DC-DC converter is presented. J. Power Supply 2022, 20, 34–44. [Google Scholar]
- Vuchev, S.A. Analytical Investigation of Converter for Electric Vehicle Fast Charging. In Proceedings of the 2018 IX National Conference with International Participation (ELECTRONICA), Sofia, Bulgaria, 17–18 May 2018; pp. 1–4. [Google Scholar]
- Mishra, S.; Sahu, L.K.; Tiwari, A.K.; Chander, A.H. Modelling of Electric Vehicle Direct Current Fast Charging Station. In Proceedings of the 2021 Asian Conference on Innovation in Technology (ASIANCON), PUNE, India, 27–29 August 2021; pp. 1–5. [Google Scholar]
- Anzola, J.; Aizpuru, I.; Arruti, A. Non-Isolated Partial Power Converter for Electric Vehicle Fast Charging Stations. In Proceedings of the 2020 IEEE 11th International Symposium on Power Electronics for Distributed Generation Systems (PEDG), Dubrovnik, Croatia, 28 September–1 October 2020; pp. 18–22. [Google Scholar]
- Camurca, L.; Pereira, T.; Hoffmann, F.; Liserre, M. Analysis, Limitations, and Opportunities of Modular Multilevel Converter-Based Architectures in Fast Charging Stations Infrastructures. IEEE Trans. Power Electron. 2022, 37, 10747–10760. [Google Scholar] [CrossRef]
- Zheng, L.; Kandula, R.P.; Divan, D. Multiport Control With Partial Power Processing in Solid-State Transformer for PV, Storage, and Fast-Charging Electric Vehicle Integration. IEEE Trans. Power Electron. 2023, 38, 2606–2616. [Google Scholar] [CrossRef]
- Ahmad, A.; Qin, Z.; Wijekoon, T.; Bauer, P. An Overview on Medium Voltage Grid Integration of Ultra-Fast Charging Stations: Current Status and Future Trends. IEEE Open J. Ind. Electron. Soc. 2022, 3, 420–447. [Google Scholar] [CrossRef]
- Li, C.B.; Mi, G.X.; Li, X.; Liu, W.Q. An High-power Electric Vehicle Quick Charger. Power Electron. 2016, 50, 99–101. [Google Scholar]
- Gao, X.; Carne, G.D.; Andresen, M.; Bruske, S.; Pugliese, S.; Liserre, M. Voltage-Dependent Load-Leveling Approach by Means of Electric Vehicle Fast Charging Stations. IEEE Trans. Transp. Electr. 2021, 7, 1099–1111. [Google Scholar] [CrossRef]
- Kabir, M.E.; Assi, C.; Alameddine, H.; Antoun, J.; Yan, J. Demand-Aware Provisioning of Electric Vehicles Fast Charging Infrastructure. IEEE Trans. Veh. Technol. 2020, 69, 6952–6963. [Google Scholar] [CrossRef]
- SAE International. Electric Vehicle and Plug in Hybrid Electric Vehicle Conductive Charge Coupler; SAE International: Warrendale, PA, USA, 2017. [Google Scholar]
- Srdic, S.; Lukic, S. Toward Extreme Fast Charging: Challenges and Opportunities in Directly Connecting to Medium-Voltage Line. IEEE Electr. Mag. 2019, 7, 22–31. [Google Scholar] [CrossRef]
- Purgat, P.; van der Blij, N.H.; Qin, Z.; Bauer, P. Partially Rated Power Flow Control Converter Modeling for Low-Voltage DC Grids. IEEE J. Emerg. Sel. Top. Power Electron. 2020, 8, 2430–2444. [Google Scholar] [CrossRef]
- Sharma, G.; Sood, V.K.; Alam, M.S.; Shariff, S.M. Comparison of Common DC and AC Bus Architectures for EV Fast Charging Stations and Impact on Power Quality. eTransportation 2020, 5, 100066. [Google Scholar] [CrossRef]
- Ronanki, D.; Kelkar, A.; Williamson, S.S. Extreme Fast Charging Technology-Prospects to Enhance Sustainable Electric Transportation. Energies 2019, 12, 3721. [Google Scholar] [CrossRef]
- Safayatullah, M.; Elrais, M.T.; Ghosh, S.; Rezaii, Z.; Batarseh, I. A Comprehensive Review of Power Converter Topologies and Control Methods for Electric Vehicle Fast Charging Applications. IEEE Access 2022, 10, 40753–40793. [Google Scholar] [CrossRef]
- Yilmaz, M.; Krein, P.T. Review of Battery Charger Topologies, Charging Power Levels, and Infrastructure for Plug-In Electric and Hybrid Vehicles. IEEE Trans. Power Electron. 2013, 28, 2151–2169. [Google Scholar] [CrossRef]
- IEEE Application Guide for IEEE Std 1547TM; IEEE Standard for Interconnecting Distributed Resources with Electric Power Systems. IEEE: New York, NY, USA, 2009.
- Zhen, Z.J.; Meng, X.F. State of the Art and Research of the Charging Coupler Standards in China and Aboard. Chin. J. Automot. Eng. 2012, 2, 1–7. [Google Scholar]
- International Electrotechnical Commission. Plugs, Socket-Outlets, Vehicle Connectors and Vehicle Inlets-Conductive Charging of Electric Vehicles-Part 3: Dimensional Compatibility and Interchangeability Requirements for d.c. and a.c./d.c. Pin and Contact-Tube Vehicle Couplers: IEC 62196-3:2014; IEC: Geneva, Switzerland, 2014. [Google Scholar]
- SAE International. Combined Charging System 1.0 Specification-CCS 1.0. CCS 1.0; SAE International: Warrendale, PA, USA, 2012. [Google Scholar]
- CHAdeMO Association. Technical Specifications of Quick Charger for the Electric Vehicle: CHAdeMO 1.0.0; CHAdeMO Association: Tokyo, Japan, 2012. [Google Scholar]
- National Technical Committee of Auto Standardization. Connection Set for Conductive Charging of Electric Vehicles-Part 3: DC Charging Coupler: GB/T 20234.3-2015; Standards Press of China: Beijing, China, 2016. [Google Scholar]
- Khaligh, A.; D’Antonio, M. Global Trends in High-Power On-Board Chargers for Electric Vehicles. IEEE Trans. Veh. Technol. 2019, 68, 3306–3332. [Google Scholar] [CrossRef]
- ChAdeMO Association. Technical Paper of High-Power Charger for Electric Vehicles for ChAdeMO 3.0/Chaoji Type 2; CHAdeMO Association: Tokyo, Japan, 2020. [Google Scholar]
- Yong, J.Y.; Ramachandaramurthy, V.K.; Miao, T.K.; Selvaraj, J. Experimental Validation of a Three-Phase Off-Board Electric Vehicle Charger with New Power Grid Voltage Control. IEEE Trans. Smart Grid 2018, 9, 2703–2713. [Google Scholar] [CrossRef]
- Kesler, M.; Kisacikoglu, M.C.; Tolbert, L.M. Vehicle-to-Grid Reactive Power Operation Using Plug-In Electric Vehicle Bidirectional Offboard Charger. IEEE Trans. Ind. Electron. 2014, 61, 6778–6784. [Google Scholar] [CrossRef]
- Yildirim, D.; Ozturk, S.; Cadirci, I.; Ermis, M. All SiC PWM Rectifier-based Off-board Ultrafast Charger for Heavy Electric Vehicles. IET Power Electron. 2020, 13, 483–494. [Google Scholar] [CrossRef]
- Monteiro, V.; Ferreira, J.C.; Nogueiras, M.A.A.; Couto, C.; Afonso, J.L. Experimental Validation of a Novel Architecture Based on a Dual-Stage Converter for Off-Board Fast Battery Chargers of Electric Vehicles. IEEE Trans. Veh. Technol. 2018, 67, 1000–1011. [Google Scholar] [CrossRef]
- Ma, Z.Y.; Xu, D.H.; Li, R.; Du, C.R.; Zhang, X. A Novel DC-Side Zero-Voltage Switching (ZVS) Three-Phase Boost PWM Rectifier Controlled by an Improved SVM Method. IEEE Trans. Power Electron. 2012, 27, 4391–4408. [Google Scholar] [CrossRef]
- Kolar, J.W.; Friedli, T. The Essence of Three-Phase PFC Rectifier Systems—Part I. IEEE Trans. Power Electron. 2013, 28, 176–198. [Google Scholar] [CrossRef]
- Adhikari, J.; IV, P.; Panda, S.K. Reduction of Input Current Harmonic Distortions and Balancing of Output Voltages of the Vienna Rectifier Under Supply Voltage Disturbances. IEEE Trans. Power Electron. 2017, 32, 5802–5812. [Google Scholar] [CrossRef]
- Ding, W.L.; Zhang, C.H.; Gao, F.; Duan, B.; Qiu, H. A Zero-Sequence Component Injection Modulation Method with Compensation for Current Harmonic Mitigation of a Vienna Rectifier. IEEE Trans. Power Electron. 2019, 34, 801–814. [Google Scholar] [CrossRef]
- Song, W.Z.; Xing, F.X.; Yan, H.; Empringham, L.; De Lillo, L.; Wheeler, P.; Li, J.; Zhong, Y.R. A Hybrid Control Method to Suppress the Three-Time Fundamental Frequency Neutral-Point Voltage Fluctuation in a VIENNA Rectifier. IEEE J. Emerg. Sel. Top. Power Electron. 2016, 4, 468–480. [Google Scholar] [CrossRef]
- Rajendran, G.; Vaithilingam, C.A.; Naidu, K.; Oruganti, K.S.P. Energy-efficient Converters for Electric Vehicle Charging Stations. SN Appl. Sci. 2020, 2, 583. [Google Scholar] [CrossRef]
- Cittanti, D.; Gregorio, M.; Bossotto, E.; Mandrile, F.; Bojoi, R. Full Digital Control and Multi-Loop Tuning of a Three-Level T-Type Rectifier for Electric Vehicle Ultra-Fast Battery Chargers. Electronics 2021, 10, 1453. [Google Scholar] [CrossRef]
- Rajendran, G.; Vaithilingam, C.A.; Misron, N.; Naidu, K.; Ahmed, M.R. Voltage Oriented Controller Based Vienna Rectifier for Electric Vehicle Charging Stations. IEEE Access 2021, 9, 50798–50809. [Google Scholar] [CrossRef]
- Ditze, S.; Ehrlich, S.; Weitz, N.; Sauer, M.; Aßmus, F.; Sacher, A.; Joffe, C.; Seßler, C.; Meißner, P. A High-Efficiency High-Power-Density SiC-Based Portable Charger for Electric Vehicles. Electronics 2022, 11, 1818. [Google Scholar] [CrossRef]
- Zhao, S.S.; Borovic, U.; Silva, M.; Garcia, O.; Oliver, J.A.; Alou, P.; Cobos, J.A.; Pejovic, P. Modified VIENNA Rectifier III to Achieve ZVS in All Transitions: Analysis, Design, and Validation. IEEE Trans. Power Electron. 2021, 36, 13404–13422. [Google Scholar] [CrossRef]
- Mallik, A.; Khaligh, A. Comparative Study of Three-phase Buck, Boost and Buck-boost Rectifier Topologies for Regulated Transformer Rectifier Units. In Proceedings of the 2015 IEEE Transportation Electrification Conference and Expo (ITEC), Dearborn, MI, USA, 14–17 June 2015; pp. 1–7. [Google Scholar]
- Chen, Q.; Xu, J.P.; Tao, Z.Y.; Ma, H.B.; Chen, C. Analysis of Sector Update Delay and Its Effect on Digital Control Three-Phase Six-Switch Buck PFC Converters with Wide AC Input Frequency. IEEE Trans. Power Electron. 2021, 36, 931–946. [Google Scholar] [CrossRef]
- Stupar, A.; Friedli, T.; Minibock, J.; Kolar, J.W. Towards a 99% Efficient Three-Phase Buck-Type PFC Rectifier for 400-V DC Distribution Systems. IEEE Trans. Power Electron. 2012, 27, 1732–1744. [Google Scholar] [CrossRef]
- Ries, L.K.; Soeiro, T.B.; Ortmann, M.S.; Heldwein, M.L. Analysis of Carrier-Based PWM Patterns for a Three-Phase Five-Level Bidirectional Buck plus Boost-Type Rectifier. IEEE Trans. Power Electron. 2017, 32, 6005–6017. [Google Scholar] [CrossRef]
- Wen, F.; Yuan, J.; Wickramasinghe, K.S.; Mayer, W.; Shabani, J.; Tutuc, E. Epitaxial Al-InAs Heterostructures as Platform for Josephson Junction Field-Effect Transistor Logic Devices. IEEE Trans. Electron Devices 2021, 68, 1524–1529. [Google Scholar] [CrossRef]
- Guo, B.; Wang, F.; Aeloiza, E. A Novel Three-phase Current Source Rectifier with Delta-type Input Connection to Reduce the Device Conduction Loss. IEEE Trans. Power Electron. 2016, 31, 1074–1084. [Google Scholar] [CrossRef]
- Lei, J.X.; Feng, S.; Zhao, J.F.; Chen, W.; Wheeler, P.; Shi, M.M. An Improved Three-Phase Buck Rectifier Topology with Reduced Voltage Stress on Transistors. IEEE Trans. Power Electron. 2020, 35, 2458–2466. [Google Scholar] [CrossRef]
- Chen, Q.; Xu, J.P.; Zeng, F.; Huang, R.; Wang, L. An Improved Three-Phase Buck Rectifier with Low Voltage Stress on Switching Devices. IEEE Trans. Power Electron. 2021, 36, 6168–6174. [Google Scholar] [CrossRef]
- Zhao, Y.F.; Yu, F.; Song, Q.G.; Zhu, Z.N.; Zhou, Y.C. A High Power Three-phase Buck Power Factor Correction Circuit with Low Switching Stress. Proc. Chin. Soc. Elect. Eng. 2021, 41, 318–325+421. [Google Scholar]
- Soeiro, T.B.; Friedli, T.; Kolar, J.W. Design and Implementation of a Three-Phase Buck-Type Third Harmonic Current Injection PFC Rectifier SR. IEEE Trans. Power Electron. 2013, 28, 1608–1621. [Google Scholar] [CrossRef]
- Friedli, T.; Hartmann, M.; Kolar, J.W. The Essence of Three-Phase PFC Rectifier Systems-Part II. IEEE Trans. Power Electron. 2014, 29, 543–560. [Google Scholar] [CrossRef]
- Ahmed, M.A.; Dasika, J.D.; Saeedifard, M.; Wasynczuk, O. Interleaved Swiss Rectifiers for Fast EV/PHEV Battery Chargers. In Proceedings of the 2014 IEEE Applied Power Electronics Conference and Exposition-APEC 2014, Fort Worth, TX, USA, 16–20 March 2014; pp. 3260–3265. [Google Scholar]
- Olarescu, N.-V.; Ancuti, M.-C.; Sorandaru, C.; Musuroi, S.; Svoboda, M.; Hedes, A.; Popovici, D.; Wienmann, M. Performances/efficiency Analysis for High Efficiency Three-phase Buck-type PFC Rectifiers. In Proceedings of the 2015 17th European Conference on Power Electronics and Applications (EPE’ 15 ECCE-Europe), Geneva, Switzerland, 8–10 September 2015; pp. 1–9. [Google Scholar]
- Schrittwieser, L.; Leibl, M.; Haider, M.; Thony, F.; Kolar, J.W.; Soeiro, T.B. 99.3% Efficient Three-Phase Buck-Type All-SiC SWISS Rectifier for DC Distribution Systems. IEEE Trans. Power Electron. 2019, 34, 126–140. [Google Scholar] [CrossRef]
- Zhang, B.F.; Xie, S.J.; Li, Z.Y.; Zhao, P.C.; Xu, J.M. An Optimized Single-Stage Isolated Swiss-Type AC/DC Converter Based on Single Full-Bridge with Midpoint-Clamper. IEEE Trans. Power Electron. 2021, 36, 11288–11297. [Google Scholar] [CrossRef]
- Wong, C.S.; Liu, J.W.; Cao, L.L.; Loo, K.H. A SWISS-Rectifier-Based Single-Stage Three-Phase Bidirectional AC-DC Inductive-Power-Transfer Converter for Vehicle-to-Grid Applications. IEEE Trans. Power Electron. 2023, 38, 4152–4166. [Google Scholar] [CrossRef]
- Abarzadeh, M.; Khan, W.A.; Weise, N.; Al-Haddad, K.; EL-Refaie, A.M. A New Configuration of Paralleled Modular ANPC Multilevel Converter Controlled by an Improved Modulation Method for 1 MHz, 1 MW EV Charger. IEEE Trans. Ind. Appl. 2021, 57, 3164–3178. [Google Scholar] [CrossRef]
- Reis, F.E.U.; Torrico-Bascope, R.P.; Tofoli, F.L.; Bezerra, L.D. Bidirectional Three-Level Stacked Neutral-Point-Clamped Converter for Electric Vehicle Charging Stations. IEEE Access 2020, 8, 37565–37577. [Google Scholar] [CrossRef]
- Tan, L.C.; Wu, B.; Venkata, Y.; Rivera, S.; Guo, X.Q. Effective Voltage Balance Control for Bipolar-DC-Bus-Fed EV Charging Station with Three-Level DC-DC Fast Charger. IEEE Trans. Ind. Electron. 2016, 63, 4031–4041. [Google Scholar] [CrossRef]
- Rivera, S.; Wu, B.; Kouro, S.; Yaramasu, V.; Wang, J.C. Electric Vehicle Charging Station Using a Neutral Point Clamped Converter with Bipolar DC Bus. IEEE Trans. Ind. Electron. 2015, 62, 1999–2009. [Google Scholar] [CrossRef]
- Choi, S.; Saeedifard, M. Capacitor Voltage Balancing of Flying Capacitor Multilevel Converters by Space Vector PWM. IEEE Trans. Power Deliv. 2012, 27, 1154–1161. [Google Scholar] [CrossRef]
- Stillwell, A.; Candan, E.; Pilawa-Podgurski, R.C.N. Active Voltage Balancing in Flying Capacitor Multi-Level Converters with Valley Current Detection and Constant Effective Duty Cycle Control. IEEE Trans. Power Electron. 2019, 34, 11429–11441. [Google Scholar] [CrossRef]
- Wen, F.; Shabani, J.; Tutuc, E. Josephson Junction Field-Effect Transistors for Boolean Logic Cryogenic Applications. IEEE Trans. Electron Devices 2019, 12, 5367–5374. [Google Scholar] [CrossRef]
- Viatkin, A.; Ricco, M.; Mandrioli, R.; Kerekes, T.; Teodorescu, R.; Grandi, G. A Novel Modular Multilevel Converter Based on Interleaved Half-Bridge Submodules. IEEE Trans. Ind. Electron. 2023, 70, 125–136. [Google Scholar] [CrossRef]
- Abronzini, U.; Attaianese, C.; Monaco, M.D.; Tomasso, G.; D’Arpino, M. Optimal Control for CHB Multi-Level Converter with Integrated ESS for EV Ultra-Fast Charging Station. In Proceedings of the 2018 IEEE International Conference on Electrical Systems for Aircraft, Railway, Ship Propulsion and Road Vehicles & International Transportation Electrification Conference (ESARS-ITEC), Nottingham, UK, 7–9 November 2018; pp. 1–6. [Google Scholar]
- Zheng, T.; Wang, K.; Zheng, Z.D.; Pang, J.P.; Li, Y.D. Review of Power Electronic Transformers Based on Modular Multilevel Converters. Proc. Chin. Soc. Elect. Eng. 2022, 42, 5630–5649. [Google Scholar]
- Heydari-doostabad, H.; O’Donnell, T. A Wide Range High Voltage Gain Bidirectional DC-DC Converter for V2G and G2V Hybrid EV Charger. IEEE Trans. Ind. Electron. 2022, 69, 4718–4729. [Google Scholar] [CrossRef]
- Gupta, C.; Das, M. Multiphase Interleaved DC-DC Converter for Fast Charging Application of Electric Vehicles. In Proceedings of the 2022 IEEE 16th International Conference on Compatibility, Power Electronics, and Power Engineering (CPE-POWERENG), Birmingham, UK, 29 June–1 July 2022; pp. 1–6. [Google Scholar]
- Kang, T.; Kim, C.; Suh, Y.; Park, H.; Kang, B.; Kim, D. A Design and Control of Bi-Directional Non-Isolated DC-DC Converter for Rapid Electric Vehicle Charging System. In Proceedings of the 2012 Twenty-Seventh Annual IEEE Applied Power Electronics Conference and Exposition (APEC), Orlando, FL, USA, 5–9 February 2012; pp. 14–21. [Google Scholar]
- Alharbi, M.A.; Alcaide, A.M.; Dahidah, M.; P, M.R.; Ethni, S.; Pickert, V.; Leon, J.I. Rotating Phase Shedding for Interleaved DC-DC Converter-Based EVs Fast DC Chargers. IEEE Trans. Power Electron. 2023, 38, 1901–1909. [Google Scholar] [CrossRef]
- Tan, L.C.; Wu, B.; Sebastian, R.; Yaramasy, V. Comprehensive DC Power Balance Management in High-Power Three-Level DC-DC Converter for Electric Vehicle Fast Charging. IEEE Trans. Power Electron. 2016, 31, 89–100. [Google Scholar] [CrossRef]
- Tan, L.C.; Zhu, L.; Wu, B. An Integrated Inductor for Eliminating Circulating Current of Parallel Three-Level DC-DC Converter-Based EV Fast Charger. IEEE Trans. Ind. Electron. 2016, 63, 1362–1371. [Google Scholar] [CrossRef]
- Zhou, L.W.; Jahnes, M.; Eull, M.; Wang, W.Z.; Preindl, M. Control Design of a 99% Efficiency Transformerless EV Charger Providing Standardized Grid Services. IEEE Trans. Power Electron. 2022, 37, 4022–4038. [Google Scholar] [CrossRef]
- Yan, Z.X.; Zeng, J.; Lin, W.J.; Liu, J.F. A Novel Interleaved Nonisolated Bidirectional DC-DC Converter with High Voltage-Gain and Full-Range ZVS. IEEE Trans. Power Electron. 2020, 35, 7191–7203. [Google Scholar] [CrossRef]
- Lee, B.K.; Kim, J.P.; Kim, S.G.; Lee, J.Y. A PWM SRT DC/DC Converter for 6.6-kW EV Onboard Charger. IEEE Trans. Ind. Electron. 2016, 63, 894–902. [Google Scholar] [CrossRef]
- Ryu, S.H.; Kim, D.H.; Kim, M.J.; Kim, J.S.; Lee, B.K. Adjustable Frequency–Duty-Cycle Hybrid Control Strategy for Full-Bridge Series Resonant Converters in Electric Vehicle Chargers. IEEE Trans. Ind. Electron. 2014, 61, 5354–5362. [Google Scholar]
- Vu, H.N.; Choi, W. A Novel Dual Full-Bridge LLC Resonant Converter for CC and CV Charges of Batteries for Electric Vehicles. IEEE Trans. Ind. Electron. 2018, 65, 2212–2225. [Google Scholar] [CrossRef]
- Wei, Y.Q.; Luo, Q.M.; Du, X.; Altin, N.; Nasiri, A.; Alonso, J.M. A Dual Half-Bridge LLC Resonant Converter with Magnetic Control for Battery Charger Application. IEEE Trans. Power Electron. 2020, 35, 2196–2207. [Google Scholar] [CrossRef]
- Musavi, F.; Craciun, M.; Gautam, D.S.; Eberle, W.G.; Dunford, W. An LLC Resonant DC-DC Converter for Wide Output Voltage Range Battery Charging Applications. IEEE Trans. Power Electron. 2013, 28, 5437–5445. [Google Scholar] [CrossRef]
- Shen, Y.X.; Zhao, W.H.; Chen, Z.; Cai, C.C. Full-bridge LLC Resonant Converter with Series-parallel Connected Transformers for Electric Vehicle On-board Charger. IEEE Access 2018, 6, 13490–13500. [Google Scholar] [CrossRef]
- Wei, Y.Q.; Luo, Q.M.; Mantooth, A. Hybrid Control Strategy for LLC Converter with Reduced Switching Frequency Range and Circulating Current for Hold-Up Time Operation. IEEE Trans. Power Electron. 2021, 36, 8600–8606. [Google Scholar] [CrossRef]
- Li, H.R.; Zhang, Z.L.; Wang, S.D.; Tang, J.C.; Ren, X.Y.; Chen, Q.H. A 300-kHz 6.6-kW SiC Bidirectional LLC Onboard Charger. IEEE Trans. Ind. Electron. 2020, 67, 1435–1445. [Google Scholar] [CrossRef]
- Zhao, L.; Pei, Y.Q.; Wang, L.L.; Pei, L.; Cao, W.; Gan, Y.M. Design Methodology of Bidirectional Resonant CLLC Charger for Wide Voltage Range Based on Parameter Equivalent and Time Domain Model. IEEE Trans. Power Electron. 2022, 37, 12041–12064. [Google Scholar] [CrossRef]
- Min, J.; Ordonez, M. Bidirectional Resonant CLLC Charger for Wide Battery Voltage Range: Asymmetric Parameters Methodology. IEEE Trans. Power Electron. 2021, 36, 6662–6673. [Google Scholar] [CrossRef]
- Lee, B.K.; Kim, J.P.; Kim, S.G.; Lee, J.Y. An Isolated/Bidirectional PWM Resonant Converter for V2G(H) EV On-Board Charger. IEEE Trans. Veh. Technol. 2017, 66, 7741–7750. [Google Scholar] [CrossRef]
- Yan, Y.; Bai, H.; Foote, A.; Wang, W.B. Securing Full-Power-Range Zero-Voltage Switching in Both Steady-State and Transient Operations for a Dual-Active-Bridge-Based Bidirectional Electric Vehicle Charger. IEEE Trans. Power Electron. 2020, 35, 7506–7519. [Google Scholar] [CrossRef]
- Shao, S.; Chen, H.; Wu, X.K.; Zhang, J.M.; Sheng, K. Circulating Current and ZVS-on of a Dual Active Bridge DC-DC Converter: A Review. IEEE Access 2019, 7, 50561–50572. [Google Scholar] [CrossRef]
- Xue, L.X.; Shen, Z.Y.; Boroyevich, D.; Mattavelli, P.; Diaz, D. Dual Active Bridge-Based Battery Charger for Plug-in Hybrid Electric Vehicle with Charging Current Containing Low Frequency Ripple. IEEE Trans. Power Electron. 2015, 30, 7299–7307. [Google Scholar] [CrossRef]
- Vazquez, N.; Liserre, M. Peak Current Control and Feed-Forward Compensation of a DAB Converter. IEEE Trans. Ind. Electron. 2020, 67, 8381–8391. [Google Scholar] [CrossRef]
- Assadi, S.A.; Matsumoto, H.; Moshirvaziri, M.; Nasr, M.; Zaman, M.S.; Trescases, O. Active Saturation Mitigation in High-Density Dual-Active-Bridge DC-DC Converter for On-Board EV Charger Applications. IEEE Trans. Power Electron. 2020, 35, 4376–4387. [Google Scholar] [CrossRef]
- Tran, D.; Vu, N.; Choi, W. A Quasi-Resonant ZVZCS Phase-Shifted Full-Bridge Converter with an Active Clamp in the Secondary Side. Energies 2018, 11, 2868. [Google Scholar] [CrossRef]
- Lim, C.Y.; Jeong, Y.; Moon, G.W. Phase-Shifted Full-Bridge DC-DC Converter with High Efficiency and High Power Density Using Center-Tapped Clamp Circuit for Battery Charging in Electric Vehicles. IEEE Trans. Power Electron. 2019, 34, 10945–10959. [Google Scholar] [CrossRef]
- Shi, K.M.; Zhang, D.L.; Gu, Y. Interleaved Current-Driven Phase-Shift Full-Bridge Converter with Magnetic Integration and Voltage Doubler Rectifiers. IEEE Trans. Power Electron. 2018, 33, 8308–8321. [Google Scholar] [CrossRef]
- Liu, G.H.; Wang, B.X.; Liu, F.; Wang, X.Y.; Guan, Y.S.; Wang, W.; Wang, Y.J.; Xu, D.G. An Improved Zero-Voltage and Zero-Current- Switching Phase-Shift Full-Bridge PWM Converter With Low Output Current Ripple. IEEE Trans. Power Electron. 2023, 36, 3419–3432. [Google Scholar] [CrossRef]
- Yang, Y.Z.; Li, H.J.; Wu, C.; Xu, J.Z.; Bi, Y.X.; Zhao, Y. An Improved Control Scheme for Reducing Circulating Current and Reverse Power of Bidirectional Phase-Shifted Full-Bridge Converter. IEEE Trans. Power Electron. 2022, 37, 11620–11635. [Google Scholar] [CrossRef]
- Escudero, M.; Meneses, D.; Rodriguez, N.; Morales, D.P. Modulation Scheme for the Bidirectional Operation of the Phase-Shift Full-Bridge Power Converter. IEEE Trans. Power Electron. 2020, 35, 1377–1391. [Google Scholar] [CrossRef]
- Guo, Z.Q.; Zhu, Y.Q.; Sha, D.S. Zero-Voltage-Switching Asymmetrical PWM Full-Bridge DC-DC Converter with Reduced Circulating Current. IEEE Trans. Ind. Electron. 2021, 68, 3840–3853. [Google Scholar] [CrossRef]
- Rasool, H.; Verbrugge, B.; Jaman, S.; Abramushkina, E.; Geury, T.; El Baghdadi, M.; Hegazy, O. Design and Real-Time Implementation of a Control System for SiC Off-Board Chargers of Battery Electric Buses. Energies 2022, 15, 1434. [Google Scholar] [CrossRef]
- Parvez, M.; Mekhilef, S.; Tan, N.M.L.; Akagi, H. Model Predictive Control of a Bidirectional AC-DC Converter for V2G and G2V Applications in Electric Vehicle Battery Charger. In Proceedings of the 2014 IEEE Transportation Electrification Conference and Expo (ITEC), Dearborn, MI, USA, 15–18 June 2014. [Google Scholar]
- Alfaro, C.; Guzman, R.; de Vicuña, L.G.; Miret, J.; Castilla, M. Dual-Loop Continuous Control Set Model Predictive Control for a Three-phase Unity Power Factor Rectifier. IEEE Trans. Power Electron. 2021, 37, 1447–1460. [Google Scholar]
- Jiao, R.; Zhu, J.; Ma, L.F.; Zhao, Y.T.; Zhang, B.Q.; Ding, Y.F.; Gong, C.; Yang, S. Dead-beat Instantaneous Power Control for Off-board Charger of Electric Vehicle for V2G Application. Int. J. Hydrogen Energy 2017, 42, 18174–18180. [Google Scholar] [CrossRef]
- Wei, R.; Liu, Z.J.; Zhou, K.; Xu, L.; Xu, B.W. Frequency Control in Distribution Feeders Based on Bidirectional V2G Converter for EV. In Proceedings of the 2017 IEEE Conference on Energy Internet and Energy System Integration (EI2), Beijing, China, 26–28 November 2017; pp. 1–5. [Google Scholar]
- Song, W.Z.; Yu, F.; Dai, Z.H.; He, Z.X.; Yu, H.; Xing, F.X.; Yan, H. Proportional resonant current control strategy with load current feed-forward control for VIENNA rectifier. Electr. Mach. Control 2019, 23, 76–83. [Google Scholar]
- Nair, H.S.; Lakshminarasamma, N. An Improved FS-MPC Algorithm for Vienna Rectifier Based EV Chargers. In Proceedings of the 2020 IEEE Transportation Electrification Conference & Expo (ITEC), Chicago, IL, USA, 23–26 June 2020; pp. 1103–1108. [Google Scholar]
- Li, X.; Sun, Y.; Wang, H.; Su, M.; Huang, S.D. A Hybrid Control Scheme for Three-Phase Vienna Rectifiers. IEEE Trans. Power Electron. 2018, 33, 629–640. [Google Scholar] [CrossRef]
- Xu, G.J.; Wang, C. Control Strategy for Neutral-point Voltage Balance of Three-phase VIENNA Rectifier Based on One-cycle Control. J. Power Sup. 2018, 16, 9–15. [Google Scholar]
- Dang, C.L.; Tong, X.Q.; Song, W.Z. Discrete Sliding Mode Control Strategy for A Three-phase Boost-type VIENNA Rectifier with the CB-PWM. IEEJ Trans. Electr. Electron. Eng. 2020, 15, 607–615. [Google Scholar] [CrossRef]
- Zhang, M.; Yuan, Y.; Sun, X.; Zhang, Y.; Li, X. Harmonic Resonance Suppression Strategy of the Front-End Vienna Rectifier in EV Charging Piles. IEEE Trans. Power Electron. 2023, 38, 1036–1053. [Google Scholar] [CrossRef]
- Guo, Q.; Liu, H.P.; Peng, D.L.; Liu, Q.; Zhang, Y. A Multi-loop Control Strategy and Parameter Design for Current-source PWM Rectifiers. Proc. Chin. Soc. Elect. Eng. 2015, 35, 1193–1202. [Google Scholar]
- Huang, R.; Xu, J.; Chen, Q.; Guo, X.; Cao, H. Reconstructed Phase Voltages Based Power Following Control for Three-Phase Buck Rectifier Under Unbalanced Phase Voltages and Wide AC Input Frequency. IEEE Trans. Power Electron. 2023, 38, 2022–2031. [Google Scholar] [CrossRef]
- Chen, Q.; Xu, J.P.; Huang, R.; Wang, W.S.; Wang, L. A Digital Control Strategy with Simple Transfer Matrix for Three-Phase Buck Rectifier Under Unbalanced AC Input Conditions. IEEE Trans. Power Electron. 2021, 36, 3661–3666. [Google Scholar] [CrossRef]
- Cortes, P.; Vancu, M.F.; Kolar, J.W. Swiss Rectifier Output Voltage Control with Inner Loop Power Flow Programming (PFP). In Proceedings of the 2013 IEEE 14th Workshop on Control and Modeling for Power Electronics (COMPEL), Salt Lake City, UT, USA, 23–26 June 2013; pp. 1–8. [Google Scholar]
- Jia, Q.; Qi, Y.C.; Xiong, X.; Ma, P.W. Research and Implementation of SWISS Rectifier Based on Fuzzy PI Control. In Proceedings of the 2018 3rd International Conference on Mechanical, Control and Computer Engineering (ICMCCE), Huhhot, China, 14–16 September 2018; pp. 31–36. [Google Scholar]
- Schrittwieser, L.; Kolar, J.W.; Soeiro, T.B. Novel SWISS Rectifier Modulation Scheme Preventing Input Current Distortions at Sector Boundaries. IEEE Trans. Power Electron. 2017, 32, 5771–5785. [Google Scholar] [CrossRef]
- Chen, R.R.; Yao, Y.; Zhao, L.; Xu, M. Inhibiting Mains Current Distortion for SWISS Rectifier—A Three-phase Buck-type Harmonic Current Injection PFC Converter. In Proceedings of the 2015 IEEE Applied Power Electronics Conference and Exposition (APEC), Charlotte, NC, USA, 15–19 March 2015; pp. 1850–1854. [Google Scholar]
- Sha, D.S.; Xu, G.; Xu, Y.X. Utility Direct Interfaced Charger/Discharger Employing Unified Voltage Balance Control for Cascaded H-Bridge Units and Decentralized Control for CF-DAB Modules. IEEE Trans. Ind. Electron. 2017, 64, 7831–7841. [Google Scholar] [CrossRef]
- Abronzini, U.; Attaianese, C.; D’Arpino, M.; Di Monaco, M.; Rufer, A.; Tomasso, G. Dead Time and Non-linearities Compensation for CHB Multi-level Converters with Integrated ESS Feeding EV’s Ultra-fast Charging Stations. In Proceedings of the 2016 International Conference on Electrical Systems for Aircraft, Railway, Ship Propulsion and Road Vehicles & International Transportation Electrification Conference (ESARS-ITEC), Toulouse, France, 2–4 November 2016; pp. 1–5. [Google Scholar]
- Drobnic, K.; Grandi, G.; Hammami, M.; Mandrioli, R.; Ricco, M.; Viatkin, A.; Vujacic, M. An Output Ripple-Free Fast Charger for Electric Vehicles Based on Grid-Tied Modular Three-Phase Interleaved Converters. IEEE Trans. Ind. Appl. 2019, 55, 6102–6114. [Google Scholar] [CrossRef]
- Tesaki, K.; Hagiwara, M. Control and Experimental Verification of a Bidirectional Non-isolated DC-DC Converter Based on Switched-Capacitor Converters. IEEE Trans. Power Electron. 2021, 36, 6501–6512. [Google Scholar] [CrossRef]
- Razani, R.; Mohamed, Y.A.R.I. Model Predictive Control of Non-Isolated DC/DC Modular Multilevel Converter Improving the Dynamic Response. IEEE Open J. Power Electron. 2022, 3, 303–316. [Google Scholar] [CrossRef]
- Schuck, M.; Pilawa-Podgurski, R.C.N. Ripple Minimization Through Harmonic Elimination in Asymmetric Interleaved Multiphase DC-DC Converters. IEEE Trans. Power Electron. 2015, 30, 7202–7214. [Google Scholar] [CrossRef]
- Awasthi, A.; Bagawade, S.; Jain, P.K. Analysis of a Hybrid Variable Frequency-Duty Cycle Modulated low-Q LLC Resonant Converter for Improving Light-Load Efficiency for Wide Input Voltage Range. IEEE Trans. Power Electron. 2021, 36, 8476–8493. [Google Scholar] [CrossRef]
- Feng, W.Y.; Lee, F.C.; Mattavelli, P. Simplified Optimal Trajectory Control (SOTC) for LLC Resonant Converters. IEEE Trans. Power Electron. 2013, 28, 457–466. [Google Scholar] [CrossRef]
- Fei, C.; Li, Q.; Lee, F.C. Digital Implementation of Light-Load Efficiency Improvement for High-Frequency LLC Converters with Simplified Optimal Trajectory Control. IEEE J. Emerg. Sel. Top. Power Electron. 2018, 6, 1850–1859. [Google Scholar] [CrossRef]
- Moon, S.C.; Chiu, C.H. Hybrid-Mode PFM Control for LLC Resonant Converter. IEEE Trans. Power Electron. 2022, 37, 274–284. [Google Scholar] [CrossRef]
- Chen, J.B.; Yang, C.Y.; Tang, S.Z.; Zou, J.J. A High Power Interleaved Parallel Topology Full-Bridge LLC Converter for Off-Board Charger. IEEE Access 2021, 9, 157790–157799. [Google Scholar] [CrossRef]
- Park, H.P.; Jung, J.H. PWM and PFM Hybrid Control Method for LLC Resonant Converters in High Switching Frequency Operation. IEEE Trans. Ind. Electron. 2017, 64, 253–263. [Google Scholar] [CrossRef]
- Kim, J.H.; Kim, C.E.; Kim, J.K.; Lee, J.B.; Moon, G.W. Analysis on Load-Adaptive Phase-Shift Control for High Efficiency Full-Bridge LLC Resonant Converter Under Light-Load Conditions. IEEE Trans. Power Electron. 2016, 31, 4942–4955. [Google Scholar]
- Wu, H.F.; Zhan, X.H.; Xing, Y. Interleaved LLC Resonant Converter with Hybrid Rectifier and Variable-Frequency Plus Phase-Shift (VFPPS) Control for Wide Output Voltage Range Applications. IEEE Trans. Power Electron. 2017, 32, 4246–4257. [Google Scholar] [CrossRef]
- Hou, N.; Li, Y.W. Overview and Comparison of Modulation and Control Strategies for Non-Resonant Single-Phase Dual-Active-Bridge Dc-Dc Converter. IEEE Trans. Power Electron. 2020, 35, 3148–3172. [Google Scholar] [CrossRef]
- Bai, H.; Nie, Z.L.; Mi, C.T. Experimental Comparison of Traditional Phase-Shift, Dual-Phase-Shift, and Model-Based Control of Isolated Bidirectional DC-DC Converters. IEEE Trans. Power Electron. 2010, 25, 1444–1449. [Google Scholar] [CrossRef]
- Segaran, D.; Holmes, D.G.; McGrath, B.P. Enhanced Load Step Response for a Bidirectional DC-DC Converter. IEEE Trans. Power Electron. 2013, 28, 371–379. [Google Scholar] [CrossRef]
- Oggier, G.G.; Ordonez, M.; Galvez, J.M.; Luchino, F. Fast Transient Boundary Control and Steady-State Operation of the Dual Active Bridge Converter Using the Natural Switching Surface. IEEE Trans. Power Electron. 2014, 29, 946–957. [Google Scholar] [CrossRef]
- Song, W.S.; Hou, N.; Wu, M.Y. Virtual Direct Power Control Scheme of Dual Active Bridge DC-DC Converters for Fast Dynamic Response. IEEE Trans. Power Electron. 2018, 33, 1750–1759. [Google Scholar] [CrossRef]
- Jeung, Y.C.; Lee, D.C. Voltage and Current Regulation of Bi-directional Isolated Dual Active Bridge DC-DC Converters based on Double-Integral Sliding Mode Control. IEEE Trans. Power Electron. 2019, 34, 6937–6946. [Google Scholar] [CrossRef]
- Jin, S.; Chen, L.; Zhou, Z.H. Discrete Extended-Phase-Shift Control for Dual-Active-Bridge DC–DC Converter with Fast Dynamic Response. IEEE Trans. Ind. Electron. 2023, 70, 5662–5673. [Google Scholar]
- Mishra, D.; Singh, B.; Panigrahi, B.K. Adaptive Current Control for a Bidirectional Interleaved EV Charger with Disturbance Rejection. IEEE Trans. Ind. Appl. 2021, 57, 4080–4090. [Google Scholar] [CrossRef]
- Shih, L.C.; Liu, Y.H.; Chiu, H.J. A Novel Hybrid Mode Control for Phase-shift Full Bridge Converter Featuring High Efficiency over Full Load Range. IEEE Trans. Power Electron. 2019, 34, 2794–2804. [Google Scholar] [CrossRef]
- Kanamarlapudi, V.R.K.; Wang, B.F.; Kandasamy, N.K.; So, P.L. A New ZVS Full-Bridge DC-DC Converter for Battery Charging with Reduced Losses Over Full-Load Range. IEEE Trans. Ind. Appl. 2018, 54, 571–579. [Google Scholar] [CrossRef]
- Yao, Y.; Kulothungan, G.S.; Krishnamoorthy, H.S. Improved Circuit Design and Adaptive Burst Mode Control in PSFB Converters for Higher Efficiency Over a Wide Power Range. IEEE Access 2022, 10, 9152–9163. [Google Scholar] [CrossRef]
- Bak, Y.; Lee, Y.J.; Lee, K.B. Dynamic Characteristic Improvement of Phase-Shift Full-Bridge Center-Tapped Converters Using a Model Predictive Control. IEEE Trans. Ind. Electron. 2022, 69, 1488–1497. [Google Scholar] [CrossRef]
- Saeed, J.; Wang, L.P.; Fernando, N. Model Predictive Control of Phase Shift Full-Bridge DC-DC Converter Using Laguerre Functions. IEEE Trans. Contr. Syst. Technol. 2022, 30, 819–826. [Google Scholar] [CrossRef]
- Darcovich, K.; Recoskie, S.; MacNeil, D.D.; Darcovich, A. Operational intra-cycle temporal and current mode effects on battery capacity loss. eTransportation 2022, 13, 100185. [Google Scholar] [CrossRef]
- Zhang, Z.G.; Zhang, T.; Tang, A.H. A review of fast charging methods for vehicle lithium batteries under healthy conditions. J. Southwest Univ. (Nat. Sci. Ed.) 2022, 44, 194–206. [Google Scholar]
- Du, Q.; Zhang, Y.M.; Tian, S. The formation mechanism and formation process of SEI film in lithium ion battery. Power Supply Technol. 2018, 42, 1922–1926. [Google Scholar]
- Yang, X.; Wang, C.Y. Understanding the Trilemma of Fast Charging, Energy Density and Cycle Life of Lithium-Ion Batteries. J. Power Sources 2018, 402, 489–498. [Google Scholar] [CrossRef]
- Zhou, X.; Zhou, P.; Zheng, Y.J.; Han, X.B.; Zhu, Z.Y.; Liu, J.H.; Yang, Y.H.; Xue, G. Lithium-ion battery wide temperature range lithium-free fast charging strategy. J. Automot. Saf. Energy Sav. 2020, 11, 397–405. [Google Scholar]
- Zhang, B.H.; Chen, M.; Yang, D.M. Investigation of the polarization effect in lithium iron phosphate battery for electric vehicles. In Proceedings of the 2014 IEEE Conference and Expo Transportation Electrification Asia-Pacific (ITEC Asia-Pacific), Beijing, China, 31 August–3 September 2014; pp. 1–5. [Google Scholar]
- Di, Y.M.; Jiae, Y.; Daejin, P.; Cho, J. Dynamic Frequency and Duty Cycle Control Method for Fast Pulse-Charging of Lithium Battery Based on Polarization Curve. In Proceedings of the 2015 Ninth International Conference on Frontier of Computer Science and Technology, Dalian, China, 26–28 August 2015; pp. 40–45. [Google Scholar]
- Liu, L.; Wang, F.; Fan, B.; He, X.; Ren, S. The application of thermal characteristics method in the study of fast charging performance of power battery. Power Supply Technol. 2018, 42, 365–366+372. [Google Scholar]
- Jaguemont, J.; Abdel-Monem, M.; Omar, N.; Mierlo, J.V.; Bossche, P.V.D. Thermal Effect of Fast-Charging Profiles on Lithium-Ion Batteries. In Proceedings of the 2018 21st International Conference on Electrical Machines and Systems (ICEMS), Jeju, South Korea, 7–10 October 2018; pp. 2127–2132. [Google Scholar]
- Du, J.Y.; Sun, Y.Z. The Influence of High Power Charging on the Lithium Battery Based on Constant and Pulse Current Charging Strategies. In Proceedings of the 2020 IEEE Vehicle Power and Propulsion Conference (VPPC), Gijon, Spain, 18 February 2020; pp. 1–7. [Google Scholar]
- Yin, P.X.; Wang, N.; Shang, Y.L.; Gu, P.W.; Duan, B.; Zhang, C.H. Study on the Effect of High Temperature and High-Current Rate on Fast Charging of Lithium-ion Batteries. In Proceedings of the 2021 40th Chinese Control Conference (CCC), Shanghai, China, 26–28 July 2021; pp. 5841–5846. [Google Scholar]
- Duru, K.K.; Karra, C.; Venkatachalam, P.; Betha, S.A.; Madhavan, A.A.; Kalluri, S. Critical Insights into Fast Charging Techniques for Lithium-Ion Batteries in Electric Vehicles. IEEE Trans. Device Mater. Reliab. 2021, 21, 137–152. [Google Scholar] [CrossRef]
- Chen, C.L.; Wei, Z.B.; Knoll, A.C. Charging Optimization for Li-Ion Battery in Electric Vehicles: A Review. IEEE Trans. Transp. Electr. 2022, 8, 3068–3089. [Google Scholar] [CrossRef]
- Huang, X.R.; Liu, W.J.; Acharya, A.B.; Meng, J.H.; Teodorescu, R.; Stroe, D. Effect of Pulsed Current on Charging Performance of Lithium-Ion Batteries. IEEE Trans. Ind. Electron. 2022, 69, 10144–10153. [Google Scholar] [CrossRef]
- Huang, X.R.; Liu, W.J.; Meng, J.H.; Li, Y.Y.; Jin, S.Y.; Teodorescu, R.; Stroe, D. Lifetime Extension of Lithium-ion Batteries with Low-Frequency Pulsed Current Charging. IEEE J. Emerg. Sel. Top. Power Electron. 2023, 11, 57–66. [Google Scholar] [CrossRef]
- Wu, X.G.; Xia, Y.L.; Du, J.Y.; Gao, X.J.; Nikolay, S. Multi-Stage Constant Current Charging Strategy Based on Multi-Objective Current Optimization. IEEE Trans. Transp. Electr. 2022; Early Access. [Google Scholar]
- Ding, Z.Y.; Iam, I.W.; Ieong, C.F.; Lam, C.S. A Bivariate Control Strategy on Inductive Power Transfer Converter for Multi-Stage Constant Current Charging. In Proceedings of the IECON 2022 48th Annual Conference of the IEEE Industrial Electronics Society (ACIIES), Brussels, Belgium, 17–20 October 2022; pp. 1–5. [Google Scholar]
- Wu, T.Z.; Lu, C.D.; Huang, Z.Y. A method to improve the energy utilization rate of lithium battery pulse charging. Power Supply Technol. 2020, 44, 1775–1778+1799. [Google Scholar]
- Ye, M.; Gong, H.R.; Xiong, R.; Mu, H. Research on the Battery Charging Strategy with Charging and Temperature Rising Control Awareness. IEEE Access 2018, 6, 64193–64201. [Google Scholar] [CrossRef]
- Jeon, S.U.; Park, J.W.; Kang, B.K.; Lee, H.J. Study on Battery Charging Strategy of Electric Vehicles Considering Battery Capacity. IEEE Access 2021, 9, 89757–89767. [Google Scholar] [CrossRef]
- Nuamkoksung, P.; Buayai, K.; Kongjeen, Y.; Bhumkittipich, K.; Kerdchen, K.; Mithulananthan, N. Impact of Fast Charging on Lithium-ion Battery in Electric Vehicle Application. In Proceedings of the 2020 8th International Electrical Engineering Congress (IEECON), Chiang Mai, Thailand, 4–6 March 2020; pp. 1–4. [Google Scholar]
- Mishra, S.; Swain, S.C.; Samantaray, R.K. A Review on Battery Management system and its Application in Electric vehicle. In Proceedings of the 2021 International Conference on Advances in Computing and Communications (ICACC), Kakkanad, India, 21–23 October 2021; pp. 1–6. [Google Scholar]
- Piao, N.; Gao, X.N.; Yang, H.C.; Guo, Z.Q.; Hu, G.J.; Cheng, H.M.; Li, F. Challenges and development of lithium-ion batteries for low temperature environments. eTransportation 2022, 11, 100145. [Google Scholar] [CrossRef]
- Kumar, P.; Rankin, G.; Pattipati, K.R.; Balasingam, B. Model-Based Approach to Long Term Prediction of Battery Surface Temperature. IEEE J. Emerg. Sel. Top. Ind. Electron. 2023, 4, 389–399. [Google Scholar] [CrossRef]
- Peng, X.B.; Garg, A.; Zhang, J.; Shui, L. Thermal management system design for batteries packs of electric vehicles: A survey. In Proceedings of the 2017 Asian Conference on Energy, Power and Transportation Electrification (ACEPT), Singapore, 24–26 October 2017; pp. 1–5. [Google Scholar]
- Liu, Y.; Zhang, C.P.; Jiang, J.C.; Zhang, L.J.; Zhang, W.G.; Wang, L.Y. Deduction of the transformation regulation on voltage curve for lithium-ion batteries and its application in parameters estimation. eTransportation 2022, 12, 100164. [Google Scholar] [CrossRef]
- Zhao, L.H.; Qin, P.L. Accurate SOC Prediction and Monitoring of Each Cell in a Battery Pack Considering Various Influencing Factors. IEEE Tran. Ind. Electr. 2023, 70, 1025–1035. [Google Scholar] [CrossRef]
- Xiong, R.; Zhang, Y.Z.; Wang, J.; He, H.W.; Peng, S.M.; Pecht, M. Lithium-Ion Battery Health Prognosis Based on a Real Battery Management System Used in Electric Vehicles. IEEE Tran. Veh. Technol. 2019, 68, 4110–4121. [Google Scholar] [CrossRef]
- Hecht, C.; Victor, K.; Zurmühlen, S.; Sauer, D.U. Electric vehicle route planning using real-world charging infrastructure in Germany. eTransportation 2021, 10, 100143. [Google Scholar] [CrossRef]
- Jia, L.; Hu, Z.C.; Liang, W.J.; Lang, W.Z.; Song, Y.H. A novel approach for urban electric vehicle charging facility planning considering combination of slow and fast charging. In Proceedings of the 2014 International Conference on Power System Technology, Chengdu, China, 20–22 October 2014; pp. 3354–3360. [Google Scholar]
- Franzese, P.; Patel, D.D.; Mohamed, A.A.; Lannuzzi, D.; Fahimi, B.; Risso, M.; Miller, J.M. Fast DC Charging Infrastructures for Electric Vehicles: Overview of Technologies, Standards, and Challenges. IEEE Trans. Transp. Electrif. 2023, 1, 121–134. [Google Scholar] [CrossRef]
- Parchomiuk, M.; Moradewicz, A.; Gawiński, H. An Overview of Electric Vehicles Fast Charging Infrastructure. In Proceedings of the 2019 Progress in Applied Electrical Engineering (PAEE), Koscielisko, Poland, 17–21 June 2019; pp. 1–5. [Google Scholar]
- Matanov, N.; Zahov, A. Developments and Challenges for Electric Vehicle Charging Infrastructure. In Proceedings of the 2020 12th Electrical Engineering Faculty Conference (BulEF), Varna, Bulgaria, 9–12 September 2020; pp. 1–5. [Google Scholar]
- Trinko, D.; Horesh, N.; Zane, R.; Song, Z.Q.; Kamineni, A.; Konstantinou, T.; Gkritza, K.; Quinn, C.; Bradley, T.H.; Quinn, J.C. Economic feasibility of in-motion wireless power transfer in a high-density traffic corridor. eTransportation 2022, 11, 100154. [Google Scholar] [CrossRef]
- Yuan, N.N.; Yu, Z.Z.; Zhang, Y.F.; Chang, H.J.; Kang, H.W. Review of Electric Vehicle Ultra-Fast DC Charging Station. In Proceedings of the 2022 7th Asia Conference on Power and Electrical Engineering (ACPEE), Hangzhou, China, 15–17 April 2022; pp. 1–9. [Google Scholar]
- IT Home. Audi Launches A6 Avant e-Tron Pure Tram: 700 km Endurance. 2024. Available online: https://www.ithome.com/0/608/135.htm (accessed on 17 March 2022).
- Che, Y. Volkswagen SSP Pure Electric Platform Is Looking Forward to 2025 Production/Coverage of Audi Porsche and other Brands. Available online: https://baijiahao.baidu.com/s?id=1732275172168757738 (accessed on 9 May 2022).
- Tencent. This Paper Analyzes the Battery and Charging Scheme of Modern E-GMP Electric Vehicle Platform. Available online: https://new.qq.com/rain/a/20201207A04AJ800 (accessed on 7 December 2020).
- Tencent. It Is Reported That NIO will Lay Out Million-Yuan Electric Vehicles. Available online: https://new.qq.com/rain/a/20230110A090GH00 (accessed on 10 January 2023).
- Sina Technology. Ideal Automobile Product Planning: Research and Development of High-Voltage Pure Electric Platform, Launch Two Pure Electric SUVs in 2023. Available online: https://finance.sina.com.cn/tech/2021-07-26/doc-ikqcfnca9059959.shtml (accessed on 26 July 2021).
- Sina Automobile. In the Future, There Will Be Three New Models BYD e Platform 3.0 Analysis. Available online: https://auto.sina.com.cn/jishu/2021-09-09/detail-iktzqtyt4867281.shtml (accessed on 9 September 2021).
- Tencent. Chang’an Automobile Issued a New Generation of Super Collector Drive, C385 for the First Time with a Stunning Appearance. Available online: https://new.qq.com/rain/a/20210825A0307R00 (accessed on 25 August 2021).
- Shu, Q.; Wang, Y.F.; Liang, Y. Status and Prospect of Safety Standards for Electric Vehicle Power Battery in China. Automot. Eng. 2022, 44, 1706–1715. [Google Scholar]
- Dixon, J.; Bukhsh, W.; Bell, K.; Brand, C. Vehicle to grid: Driver plug-in patterns, their impact on the cost and carbon of charging, and implications for system flexibility. eTransportation 2022, 13, 100180. [Google Scholar] [CrossRef]
- Darcovich, K.; Recoskie, S.; Ribberink, H.; Michelet, C. The impact of V2X service under local climatic conditions within Canada on EV durability. eTransportation 2021, 9, 100124. [Google Scholar] [CrossRef]
- Liu, S.G.; Ye, Z.X. Progress and Prospect of Electric Vehicle’s V2G Technology. In Proceedings of the 2019 6th International Conference on Information Science and Control Engineering (ICISCE), Shanghai, China, 20–22 December 2019; pp. 412–416. [Google Scholar]























| Charging Type | Charging Location | Specifications | Charging Time (Battery Capacity) | Criterion | ||
|---|---|---|---|---|---|---|
| Voltage/V | Current/A | Power/kW | ||||
| Level 1 | On-board | 120/230 | 12–16 | 1.44–1.92 | 11–36 h (16–50 kWh) | International Electrotechnical Commission (IEC) |
| Level 2 | On-board | 208/240 | 15–80 | 3.1–19.2 | 2–6 h (16–30 kWh) | |
| Level 3 (Fast) | Off-board | 300–600 | ≤400 | 50–350 | ≤30 min (20–50 kWh) | |
| Ultra-fast | Off-board | >800 | >400 | ≥400 | ≈10 min (20–50 kWh) | |
| Manufacturer and Model | Power/kW | Input Voltage/V | Output Voltage/V | Output Current/A | Supported Standards | Peak Efficiency/% | Weight/Ibs |
|---|---|---|---|---|---|---|---|
| EVBox Troniq 100 | 100 | 480 Vac ± 10% | 500 | 200 | CCS Combo 1, CHAdeMO | 95 | 2535 |
| PHIHONG Integrated Type | 120 | 380/480 Vac ± 10% | 200–750 | 240 | GB/T 20234.3 | 93.5 | 528 |
| Tesla Supercharger | 135 | 380–480 Vac | 50–410 | 330 | Super charger | 91 | 1323 |
| EVTEC espresso and charger | 150 | 400 Vac ± 10% | 170–940 | 50–400 | SAE Combo 1, CHAdeMO | 93 | 881 |
| Delta | 200 | 400 Vac ± 10% | 200–1000 | 350–500 | CHAdeMO, CCS | 94 | 992 |
| ABB Terra HP | 350 | 400 Vac ± 10% | 150–920 | 500 | SAE Combo 1, CHAdeMO 1.2 | 95 | 2954 |
| Tritium Veefil PK | 475 | 480 Vac | 920 | 500 | CHAdeMO, CCS | 98.5 | 1540 |
| Standard | Maximum Voltage/V | Maximum Current/A | Maximum Power/kW |
|---|---|---|---|
| CCS Combo 1 | 600 | 200 | 150 |
| CCS Combo 2 | 1000 | 400 | 350 |
| CHAdeMO | 1000 | 400 | 400 |
| GB/T 20234.3 | 1000 | 250 | 250 |
| Tesla Supercharger | 400 | 600 | 250 |
| CHAdeMO 3.0/Chaoji | 1500 | 600 | 900 |
| Investment Section | Specific Content | Cost (USD) |
|---|---|---|
| Charging facilities (including monitoring) | Charging module, box, relay, electricity metering system, etc. | 7300 |
| Distribution side | Box transformers, low-voltage electrical appliances, electric meters, etc. | 6400 |
| Civil construction and materials | Building construction, wires, cables, etc. | 2700–3800 |
Disclaimer/Publisher’s Note: The statements, opinions and data contained in all publications are solely those of the individual author(s) and contributor(s) and not of MDPI and/or the editor(s). MDPI and/or the editor(s) disclaim responsibility for any injury to people or property resulting from any ideas, methods, instructions or products referred to in the content. |
© 2023 by the authors. Licensee MDPI, Basel, Switzerland. This article is an open access article distributed under the terms and conditions of the Creative Commons Attribution (CC BY) license (https://creativecommons.org/licenses/by/4.0/).
Share and Cite
Zhou, K.; Wu, Y.; Wu, X.; Sun, Y.; Teng, D.; Liu, Y. Research and Development Review of Power Converter Topologies and Control Technology for Electric Vehicle Fast-Charging Systems. Electronics 2023, 12, 1581. https://doi.org/10.3390/electronics12071581
Zhou K, Wu Y, Wu X, Sun Y, Teng D, Liu Y. Research and Development Review of Power Converter Topologies and Control Technology for Electric Vehicle Fast-Charging Systems. Electronics. 2023; 12(7):1581. https://doi.org/10.3390/electronics12071581
Chicago/Turabian StyleZhou, Kai, Yanze Wu, Xiaogang Wu, Yue Sun, Da Teng, and Yang Liu. 2023. "Research and Development Review of Power Converter Topologies and Control Technology for Electric Vehicle Fast-Charging Systems" Electronics 12, no. 7: 1581. https://doi.org/10.3390/electronics12071581
APA StyleZhou, K., Wu, Y., Wu, X., Sun, Y., Teng, D., & Liu, Y. (2023). Research and Development Review of Power Converter Topologies and Control Technology for Electric Vehicle Fast-Charging Systems. Electronics, 12(7), 1581. https://doi.org/10.3390/electronics12071581

