41.6 Gb/s High-Depth Pre-Interleaver for DFE Error Propagation in 65 nm CMOS Technology
Abstract
1. Introduction
2. DFE Error Propagation
3. Pre-interleaving Technology
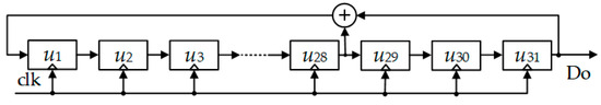
3.1. Architecture and Analysis
3.2. Design of Pre-Interleaver
3.3. Logical Combination
s′38(t) = s26(t)⊕s27(t),
s10(t + 1) = s1(t)⊕s′38(t),
4. Measurement Result
4.1. Results
4.2. Discussion
5. Conclusions and Future Work
Author Contributions
Funding
Data Availability Statement
Conflicts of Interest
Appendix A
| Algorithm A1: Evaluating BER performance with DFE error propagation |
1. Input:
2. Output BER: bit error ratio 3. for i = 1 to m do 4. yi is equalized by n-tap DFE model, generating zi 5. If zi-xi ! = 0 then 6. { error_posi ← i-th error position 7. if brl > brlmax then { brl = 0; zi = xi; } 8. else brl = brl + 1; 9. end if } 10. else 11. { if brl > brlmax then brl = 0; 12. else error_posi ← 0, 13. for k = i − 1 to i-n do sum = ∑weight (error_posk) 14. end for 15. if sum! = 0 then brl = brl + 1; 16. else brl = 0; 17. end if 18. end if } 19. end for 20. BER can be calculated by the expression: weight (Error_pos)/m |
Appendix B
References
- IEEE 802.3 400 GbE Study Group. IEEE Standard for Ethernet Amendment 10: Media Access Control Parameters, Physical Layers, and Management Parameters for 200 Gb/s and 400 Gb/s Operation. 2017. Available online: https://ieeexplore.ieee.org/stamp/stamp.jsp?tp=&arnumber=8207825 (accessed on 15 August 2023).
- Das Sharma, D. A Low-Latency, High-Bandwidth, High-Reliability, and Cost-Effective Interconnect with 64.0 GT/s PAM-4 Signaling. IEEE Micro 2021, 41, 23–29. [Google Scholar] [CrossRef]
- Wang, Z.R.; Gao, J.C.; Flowers, G.T.; Wu, Y.L.; Xie, G.; Lv, Y.H. Modeling and Analysis of Signal Integrity of High-Speed Interconnected Channel with Degraded Contact Surface, IEEE Transactions on Components. Packag. Manuf. Technol. 2019, 9, 2227–2236. [Google Scholar] [CrossRef]
- Bulzacchelli, J.F. Equalization for Electrical Links: Current Design Techniques and Future Directions. IEEE Solid-State Circuits Mag. 2015, 7, 23–31. [Google Scholar] [CrossRef]
- Lu, Y.C.; Zhao, P.C.; Wang, W.Y.; Huang, Z.L.; Wong, H.; Tonietto, D. A Comparative Study of Equalization Schemes for 112G PAM4 Links. In Proceedings of the DesignCon 2019, Santa Clara, CA, USA, 19–31 January 2019. [Google Scholar]
- Chen, J.K.; Gu, Y.Z.; Xu, M.M. A 4.75-64 Gb/s PAM-4 Wireline Transmitter with 3-tap FFE in 28-nm CMOS. In Proceedings of the IEEE International Symposium on Circuits and Systems (ISCAS), Monterey, CA, USA, 21 May 2023; pp. 1–5. [Google Scholar]
- Tang, L.X.; Gai, W.X.; Shi, L.Q.; Xiang, X.; Sheng, K.; He, A. A 32Gb/s 133mW PAM-4 Transceiver with DFE Based on Adaptive Clock Phase and Threshold Voltage in 65nm CMOS. In Proceedings of the IEEE International Solid-State Circuits Conference (ISSCC), San Francisco, CA, USA, 11–15 February 2018; pp. 114–116. [Google Scholar]
- Yang, M.; Shahramian, S.; Shakiba, H.; Wong, H.; Krotnev, P.; Carusone, A.C. Statistical BER Analysis of Wireline links with Non-Binary Linear Block Codes Subject to DFE Error Propagation. IEEE Trans. Circuits Syst. I Regul. Pap. 2020, 67, 284–297. [Google Scholar] [CrossRef]
- Yang, M.; Shahramian, S.; Shakiba, H. A Statistical Modeling Approach for C-encoded High Speed Wireline Links. In Proceedings of the DesignCon 2020, Santa Clara, CA, USA, 28–30 January 2020. [Google Scholar]
- Kim, K.; Kwon, P.; Alon, E. Accurate Statistical BER Analysis of DFE Error Propagation in the Presence of Residual ISI. IEEE Trans. Circuits Syst. II Express Briefs 2022, 69, 619–623. [Google Scholar] [CrossRef]
- Tang, T.; Li, Y.B.; Wang, J. Improved Methods of Decision Feedback Equalization for Error Propagation Prevention. In Proceedings of the IEEE 9th Conference on Industrial Electronics and Applications, Hangzhou, China, 20 October 2014; pp. 1072–1076. [Google Scholar]
- Lu, Y.C.; Wong, H.; Tonietto, D. DFE Error Propagation Characteristics in real 56Gbps PAM4 High-Speed Links with Pre-coding and Impact on the FEC Performance. In Proceedings of the DesignCon 2017, Santa Clara, CA, USA, 31 January 2016–2 February 2017. [Google Scholar]
- Zhang, G. Preliminary Studies on DFE Error Propagation, Precoding, and their Impact on KP4 FEC Performance for PAM4 Signaling Systems, IEEE 802.3 Interim Meeting. 2018. Available online: http://www.ieee802.org/3/ck/public/18_09/zhang_3ck_01a_0918.pdf (accessed on 15 August 2023).
- Wang, T.T.; Wang, Z.F.; Wang, X.Y.; Sun, J.Q.; Ghiasi, A. Analysis and Comparison of FEC Schemes for 200GbE and 400GbE. IEEE Commun. Stand. Mag. 2017, 1, 24–30. [Google Scholar] [CrossRef]
- Zhan, Y.Z.; Hu, Q.S. Effect of DFE Error Propagation and its Mitigation using MUX-based FEC Interleaving for 400 GbE Electrical Link. High Technol. Lett. 2018, 24, 387–395. [Google Scholar]
- Yuan, F.; AL-Taee, A.R.; Ye, A.; Sadr, S. Design Techniques for Decision Feedback Equalization of Multi-giga-bit-per-second Serial Data Links: A state of the art review. IET Circuits Devices Syst. 2014, 8, 118–130. [Google Scholar] [CrossRef]
- Wu, X.; Hu, Q.S. Design of a 6.25Gb/s Adaptive Decision Feedback Equalizer in 0.18μm CMOS Technology. In Proceedings of the IEEE Workshop on Advanced Research and Technology in Industry Applications, Ottawa, ON, Canada, 29–30 September 2014; pp. 1209–1212. [Google Scholar]
- Pan, M.; Feng, J. Design of a Low-Power 20Gb/s 1:4 Demultiplexer in 0.18μm CMOS. Chin. J. Electron. 2015, 24, 71–75. [Google Scholar] [CrossRef]
- Wu, K.Q.; Liga, G.; Lee, J.; Paulissen, L.; Riani, J.; Alvarado, A. DFE State-Tracking Demapper for Soft-Input FEC in 800G Data Center Interconnects. In Proceedings of the European Conference on Optical Communication (ECOC), Basel, Switzerland, 18–22 September 2022; pp. 1–4. [Google Scholar]
- A.Ali, T.; Chen, E.; Park, H.; Yousry, R.; Ying, Y.-M.; Abdullatif, M.; Gandara, M.; Liu, C.-C.; Weng, P.-S. A 460mW 112Gb/s DSP-Based Transceiver with 38dB Loss Compensation for Next-Generation Data Centers in 7nm FinFET Technology. In Proceedings of the IEEE International Solid- State Circuits Conference (ISSCC), San Francisco, CA, USA, 16–20 February 2020; pp. 1–3. [Google Scholar]
- Matsuda, T.; Nishiyama, K.; Seki, T. Data-Centric Transmission with Adaptive FEC for Ultra-Low Latency Resource Sharing in Wide Area. In Proceedings of the European Conference on Optical Communication (ECOC), Basel, Switzerland, 18–22 September 2022; pp. 1–4. [Google Scholar]
- Sasaki, M.; Ikeda, M.; Asada, K. 4-Gb/s Low-Power PRBS Generator with Wave-Pipeline Technique in 0.18-μm CMOS. In Proceedings of the 13th IEEE International Conference on Electronics, Circuits and Systems, Nice, France, 10–13 December 2006; pp. 1007–1010. [Google Scholar]
- Bohorquez, R.G.; Nour, C.A.; Douillard, C. Channel Interleavers for Terrestrial Broadcast: Analysis and Design. IEEE Trans. Broadcast. 2014, 60, 679–692. [Google Scholar] [CrossRef]
- He, C.; Li, B.H.; Chen, X.M. Unconventional Use of SRAM in a 32-bit SOPC System. Astron. Res. Technol. 2013, 10, 42–48. [Google Scholar]
- Cai, C.; Zheng, X.Q.; Chen, Y.; Wu, D.Y. A 1.4-Vppd 64-Gb/s PAM-4 Transmitter with 4-Tap Hybrid FFE Employing Fractionally-Spaced Pre-Emphasis and Baud-Spaced De-Emphasis in 28-nm CMOS. In Proceedings of the IEEE 47th European Solid State Circuits Conference (ESSCIRC), Grenoble, France, 6–9 September 2021; pp. 527–530. [Google Scholar]
- Zhao, Z.; Gu, Y.X.; Fu, Y.H. A High Frequency Accuracy, High Stability and Tunable RC Oscillator. In Proceedings of the IEEE 16th International Conference on Solid-State & Integrated Circuit Technology (ICSICT), Nangjing, China, 25–28 October 2022; pp. 1–3. [Google Scholar]
- Shrestha, R.; Paily, R. Design and Implementation of a Linear Feedback Shift Register Interleaver for Turbo Decoding. In Proceedings of the International Conference on Progress in VLSI Design & Test, Shipur, India, 1–4 July 2012; pp. 30–39. [Google Scholar]
- Zhao, H.; Fan, S.Q.; Chen, L.C.; Song, Y.; Geng, L. A 0.2V-1.8V 8T SRAM with Bit-interleaving Capability. IEICE Electron. Express 2014, 11, 1–8. [Google Scholar] [CrossRef][Green Version]
- Wen, L.; Zhang, Y.J.; Zeng, X.Y. Column-Selection-Enabled 10T SRAM Utilizing Shared Diff-VDD Write and Dropped-VDD Read for Power Reduction. IEEE Trans. Very Large Scale Integr. (VLSI) Syst. 2019, 27, 1470–1474. [Google Scholar] [CrossRef]
- Wen, L.; Liu, Y.; Mo, W.; Zhang, J.; Qi, S.Q.; Lv, J.P.; Zhang, Y.J. A 96kb, 0.36V, Energy-Efficient 8T-SRAM with Column-Selection and Shared Buffer-Foot Techniques for EEG Processor. In Proceedings of the IEEE 13th International Conference on ASIC (ASICON), Chongqing, China, 29 October–1 November 2019; pp. 1–4. [Google Scholar]
- Wen, L.; Cheng, X.; Zhou, K.J.; Tian, S.D.; Zeng, X.Y. Bit-Interleaving-Enabled 8T SRAM with Shared Data-Aware-Write and Reference-Based Sense Amplifier. IEEE Trans. Circuits Syst. II Express Briefs 2016, 64, 643–647. [Google Scholar] [CrossRef]
- Liu, Y.C. 100+ Gb/s Ethernet Forward Error Correction (FEC) Analysis. In Proceedings of the DesignCon 2019, Santa Clara, CA, USA, 29–31 January 2019. [Google Scholar]
- Wu, Y.J.; Li, T.Z.; Shao, Z. An Efficient Design Framework for 2×2 CNN Accelerator Chiplet Cluster with SerDes Interconnects. In Proceedings of the IEEE 5th International Conference on Artificial Intelligence Circuits and Systems (AICAS), Hangzhou, China, 11–13 June 2023; pp. 1–5. [Google Scholar]
- Khairi, A.; Krupnik, Y.; Laufer, A.; Segal, Y.; Cusmai, M.; Levin, I.; Gordon, A.; Sabag, Y.; Rahinski, V.; Lotan, I.; et al. A 1.41-pJ/b 224-Gb/s PAM4 6-bit ADC-Based SerDes Receiver with Hybrid AFE Capable of Supporting Long Reach Channels. IEEE J. Solid-State Circuits 2023, 58, 8–18. [Google Scholar] [CrossRef]
















| Performance | FOM | PBM | PSM | |
|---|---|---|---|---|
| Complexity | Memory (bit) | 120 | 1500 | 1500 |
| MUX | 8 (1-bit) | 8 (1-bit) | 8 (10-bit) | |
| Latency | 120T | 600T | 1000T | |
| Interleaving Gain (dB) | 0.27 | 0.35 | 0.48 | |
| Parameter | Simulation | Measurement |
|---|---|---|
| Technology | 65 nm | 65 nm |
| Power supply | 1.2 V | 1.2 V |
| Frequency | 1 GHz | 1.3 GHz |
| load [1:0] | 1.2 V/0 V | 1.2 V/0 V |
| corner | SS | - |
| Mask | - | Y |
| EDA tools | Virtuous | Agilent J-BERT N4903B, Tsktronix MSO 71254C, DC power supply |
| Technology | Memory Size | Memory Type | Frequency | Supply (V) | Power (mW) | Area (mm2) | |
|---|---|---|---|---|---|---|---|
| This work | 65 nm | 32-row × 40-column | Register | 1.3 GHz | 1.2 | 38.52 a | 0.613 |
| [27] | 130 nm | 1-row × 14-column | Register | 561.498 MHz | 1.2 | 0.495 | 2.72 × 10−3 |
| [28] | 180 nm | 64-row × 16-column | 8T SRAM c | 208 MHz | 1.8 | 5.6 | 0.1367 |
| [29] | 65 nm | 512-row × 11-colunm | 10T SRAM c | 6.25 MHz | 0.5 b | 0.062 | 0.05 |
| [30] | 65 nm | 6 × 256-row × 64-column | 8T SRAM c | 125 KHz | 0.36 b | 5.1 × 10−3 | 0.5781 [31] |
Disclaimer/Publisher’s Note: The statements, opinions and data contained in all publications are solely those of the individual author(s) and contributor(s) and not of MDPI and/or the editor(s). MDPI and/or the editor(s) disclaim responsibility for any injury to people or property resulting from any ideas, methods, instructions or products referred to in the content. |
© 2023 by the authors. Licensee MDPI, Basel, Switzerland. This article is an open access article distributed under the terms and conditions of the Creative Commons Attribution (CC BY) license (https://creativecommons.org/licenses/by/4.0/).
Share and Cite
Zhan, Y.; Li, T.; Zou, X.; Hu, Q.; Li, L.; Zhang, L. 41.6 Gb/s High-Depth Pre-Interleaver for DFE Error Propagation in 65 nm CMOS Technology. Electronics 2023, 12, 3912. https://doi.org/10.3390/electronics12183912
Zhan Y, Li T, Zou X, Hu Q, Li L, Zhang L. 41.6 Gb/s High-Depth Pre-Interleaver for DFE Error Propagation in 65 nm CMOS Technology. Electronics. 2023; 12(18):3912. https://doi.org/10.3390/electronics12183912
Chicago/Turabian StyleZhan, Yongzheng, Tuo Li, Xiaofeng Zou, Qingsheng Hu, Lianming Li, and Lu Zhang. 2023. "41.6 Gb/s High-Depth Pre-Interleaver for DFE Error Propagation in 65 nm CMOS Technology" Electronics 12, no. 18: 3912. https://doi.org/10.3390/electronics12183912
APA StyleZhan, Y., Li, T., Zou, X., Hu, Q., Li, L., & Zhang, L. (2023). 41.6 Gb/s High-Depth Pre-Interleaver for DFE Error Propagation in 65 nm CMOS Technology. Electronics, 12(18), 3912. https://doi.org/10.3390/electronics12183912

