Dual-Layer Inductor Active Equalization Control for Series-Connected Lithium-Ion Batteries Based on SOC Estimation
Abstract
:1. Introduction
2. Materials and Methods
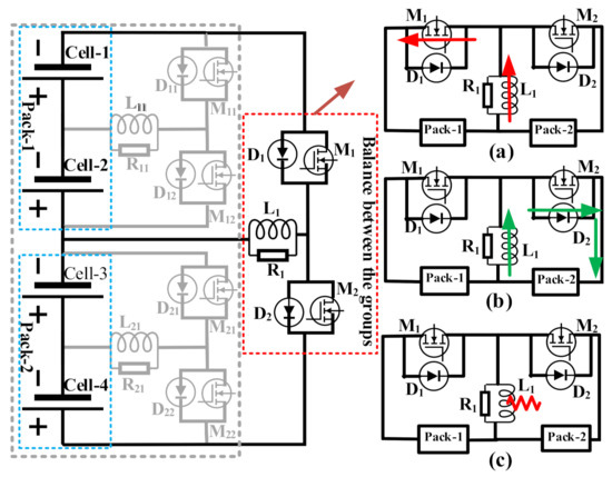
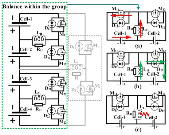
2.1. Double-Layer Inductive Equalization Circuit
2.2. Working Principle of the Equalization Circuit
2.3. SOC Estimation Based on PF Algorithm
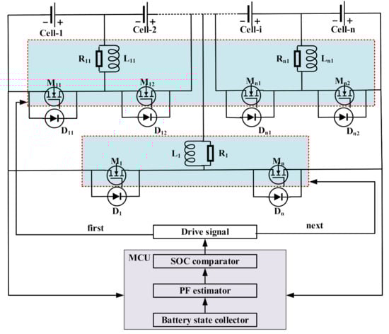
3. Active Balancing Control Strategy for Series-Connected LIBs
4. Results and Discussions
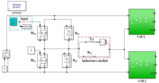
4.1. Equalization in the Static Condition
4.2. Charge and Discharge Equalization
4.3. Performance Comparison of Active Balacing Strategies under Dynamic UDDS Condition
5. Conclusions
Author Contributions
Funding
Acknowledgments
Conflicts of Interest
References
- Ouyang, Q.; Chen, J.; Zheng, J.; Fang, H. Optimal multi objective charging for lithium-ion battery packs: A hierarchical control approach. IEEE Trans. Ind. Inf. 2018, 14, 4243–4253. [Google Scholar] [CrossRef]
- Hu, X.; Yuan, H.; Zou, C.; Zhang, L. Co-estimation of state of charge and state of health for lithium-ion batteries based on fractional-order calculus. IEEE Trans. Veh. Technol. 2018, 67, 10319–10329. [Google Scholar] [CrossRef]
- Duan, B.; Li, Z.; Gu, P.; Zhang, C. Evaluation of battery inconsistency based on information entropy. J. Energy Storage 2018, 383, 50–58. [Google Scholar] [CrossRef]
- Zheng, Y.; Gao, W.; Ouyang, M.; Lu, L.; Han, X. State-of-charge inconsistency estimation of lithium-ion battery pack using mean-difference model and extended Kalman filter. J. Power Sources 2018, 383, 50–58. [Google Scholar] [CrossRef]
- Lv, J.; Song, W.; Lin, S.; Chen, M.; Feng, Z.; Li, Y.; Ding, Y. Influence of equalization on LiFePO4 battery inconsistency. Int. J. Energy Res. 2017, 41, 1171–1181. [Google Scholar] [CrossRef]
- Chen, Y.; Liu, X.; Fathy, H.K.; Zou, J.; Yang, S. A graph-theoretic framework for analyzing the speeds and efficiencies of battery pack equalization circuits. Int. J. Electr. Power Energy Syst. 2018, 98, 85–99. [Google Scholar] [CrossRef]
- Liu, X.; Wan, Z.; He, Y.; Zheng, X.; Zeng, G.; Zhang, J. A unified control strategy for inductor-based active battery equalization schemes. Energies 2018, 11, 405. [Google Scholar] [CrossRef] [Green Version]
- Shang, Y.; Xia, B.; Zhang, C.; Cui, N.; Yang, J.; Mi, C.C. An automatic equalizer based on forward-fly-back converter for series-connected battery strings. IEEE Trans. Ind. Electron. 2017, 64, 5380–5391. [Google Scholar] [CrossRef]
- Lu, J.; Wang, Y.; Li, X. Isolated Bidirectional DC-DC Converter with Quasi-Resonant Zero-Voltage Switching for Battery Charge Equalization. IEEE Trans. Power Electron. 2019, 66, 4388–4406. [Google Scholar] [CrossRef]
- Ye, Y.; Cheng, K. Analysis and Design of zero-current switching switched-capacitor cell balancing circuit for series-connected battery/supercapacitor. IEEE Trans. Veh. Technol. 2018, 67, 948–955. [Google Scholar] [CrossRef]
- Liu, M.; Fu, M.; Wang, Y.; Ma, C. Battery cell equalization via megahertz multiple-receiver wireless power transfer. IEEE Trans. Power Electron. 2018, 33, 4135–4144. [Google Scholar] [CrossRef]
- Peng, F.; Wang, H.; Wei, Z. An LLC-Based Highly Efficient S2M and C2C Hybrid Hierarchical Battery Equalizer. IEEE Trans. Ind. Electron. 2020, 35, 5928–5937. [Google Scholar] [CrossRef]
- Uno, M.; Kukita, A. PWM converter integrating switched capacitor converter and series-resonant voltage multiplier as equalizers for photovoltaic modules and series-connected energy storage cells for exploration rovers. IEEE Trans. Power Electron. 2017, 32, 8500–8513. [Google Scholar] [CrossRef]
- Shang, Y.; Zhang, C.; Cui, N.; Chris, C. A delta-structured switched-capacitor equalizer for series-connected battery strings. IEEE Trans. Power Electron. 2019, 34, 452–461. [Google Scholar]
- Shang, Y.; Cui, N.; Duan, B.; Zhang, C. Analysis and optimization of star-structured switched-capacitor equalizers for series-connected battery strings. IEEE Trans. Power Electron. 2018, 33, 9631–9646. [Google Scholar] [CrossRef]
- Zhang, C.; Shang, Y.; Li, Z.; Cui, N. An interleaved equalization architecture with self-learning fuzzy logic control for series-connected battery strings. IEEE Trans. Veh. Technol. 2017, 66, 10923–10934. [Google Scholar] [CrossRef]
- Dai, H.F.; Wei, X.Z.; Sun, Z.C.; Wang, D.Z. A novel dual-inductor based charge equalizer for traction battery cells of electric vehicles. J. Electr. Power Energy Syst. 2015, 67, 627–638. [Google Scholar] [CrossRef]
- Zeltser, I.; Evzelman, M.; Kuperman, A.; Peretz, M.M. Zero current switching resonant converter based parallel balancing of serially connected batteries string. IEEE J. Emerg. Sel. Top. Power Electron. 2020, 8, 1755–1766. [Google Scholar] [CrossRef]
- Wang, X.; Cheng, K.W.E.; Feng, C.Y. Series-parallel switched capacitor balancing circuit for hybrid source package. IEEE Access 2018, 6, 34254–34261. [Google Scholar] [CrossRef]
- Li, Z.; Shang, Y.; Zhang, C. A pack-to-cell-to-pack battery equalizer with soft-switching based on buck-boost and bidirectional LC resonant converters. In Proceedings of the 2016 IEEE Energy Conversion Congress and Exposition (ECCE), Milwaukee, WI, USA, 18–22 September 2016; pp. 1–7. [Google Scholar]
- Liu, X.T.; Sun, Y.F.; He, Y.; Zheng, X.X. Battery equalization by fly-back transformers with inductance, capacitance and diode absorbing circuits. Energies 2017, 10, 1482. [Google Scholar] [CrossRef] [Green Version]
- Zhang, C.; Jiang, Y.; Cheng, G.; Diao, W.; Zhang, W. Study on battery pack consistency evolutions and equilibrium diagnosis for serial-connected lithium-ion batteries. Appl. Energy 2017, 207, 510–519. [Google Scholar] [CrossRef]
- Ma, Y.; Duan, P.; Sun, Y.; Chen, H. Equalization of Lithium-Ion battery pack based on fuzzy logic control in electric vehicle. IEEE Trans. Ind. Electron. 2018, 65, 6762–6771. [Google Scholar] [CrossRef]
- Ouyang, Q.; Chen, J.; Zheng, J.; Fang, H. Optimal cell-to-cell balancing topology design for serially connected Lithium-Ion battery packs. IEEE Trans. Sustain. Energy 2017, 9, 350–360. [Google Scholar] [CrossRef]
- Zheng, X.; Liu, X.; He, Y. Active vehicle battery balancing scheme in the condition of constant-voltage/current charging and discharging. IEEE Trans. Veh. Technol. 2017, 66, 3714–3723. [Google Scholar] [CrossRef]
- Wang, S.; Kang, L.; Guo, X.; Wang, Z.; Liu, M. A novel layered bidirectional equalizer based on a buck-boost converter for series-connected battery strings. Energies 2017, 10, 1011. [Google Scholar] [CrossRef] [Green Version]
- Xia, B.; Sun, Z.; Zhang, R.; Cui, D.; Lao, Z.; Wang, W.; Sun, W.; Lai, Y.; Wang, M. A comparative study of three improved algorithms based on particle filter algorithms in SOC estimation of lithium ion batteries. Energies 2017, 10, 1149. [Google Scholar] [CrossRef]
- Tulsyan, A.; Tsai, Y.; Gopaluni, R.B.; Braatz, R.D. State-of-charge estimation in lithium-ion batteries: A particle filter approach. J. Power Sources 2016, 331, 208–223. [Google Scholar] [CrossRef]
- Wang, Y.; Zhang, C.; Chen, Z. A method for state-of-charge estimation of LiFePO4 batteries at dynamic currents and temperatures using particle filter. J. Power Sources 2015, 279, 306–311. [Google Scholar] [CrossRef]
- Dong, G.; Wei, J.; Chen, Z. Constrained Bayesian dual-filtering for state of charge estimation of lithium-ion batteries. Int. J. Electr. Power Energy Syst. 2018, 99, 516–524. [Google Scholar] [CrossRef]














| Working Condition | Equalization Time Reduction | Time Reduction |
|---|---|---|
| Static condition | 1829 s | 36.6% |
| Charging 0.5 C | 1661 s | 32.9% |
| Charging 1 | 1711 s | 35.0% |
| Charging 2 | 1687 s | 35.7% |
| Discharging 0.5 C | 1383 s | 27.6% |
| Discharging 0.5 C | 1436 s | 28.8% |
| Discharging 0.5 C | 1402 s | 28.4% |
| UDDS | 240 s | 15.6% |
Publisher’s Note: MDPI stays neutral with regard to jurisdictional claims in published maps and institutional affiliations. |
© 2022 by the authors. Licensee MDPI, Basel, Switzerland. This article is an open access article distributed under the terms and conditions of the Creative Commons Attribution (CC BY) license (https://creativecommons.org/licenses/by/4.0/).
Share and Cite
Liu, X.; Pang, H.; Geng, Y. Dual-Layer Inductor Active Equalization Control for Series-Connected Lithium-Ion Batteries Based on SOC Estimation. Electronics 2022, 11, 1169. https://doi.org/10.3390/electronics11081169
Liu X, Pang H, Geng Y. Dual-Layer Inductor Active Equalization Control for Series-Connected Lithium-Ion Batteries Based on SOC Estimation. Electronics. 2022; 11(8):1169. https://doi.org/10.3390/electronics11081169
Chicago/Turabian StyleLiu, Xiaofei, Hui Pang, and Yuanfei Geng. 2022. "Dual-Layer Inductor Active Equalization Control for Series-Connected Lithium-Ion Batteries Based on SOC Estimation" Electronics 11, no. 8: 1169. https://doi.org/10.3390/electronics11081169
APA StyleLiu, X., Pang, H., & Geng, Y. (2022). Dual-Layer Inductor Active Equalization Control for Series-Connected Lithium-Ion Batteries Based on SOC Estimation. Electronics, 11(8), 1169. https://doi.org/10.3390/electronics11081169

