Next Article in Journal
Batch-Wise Permutation Feature Importance Evaluation and Problem-Specific Bigraph for Learn-to-Branch
Next Article in Special Issue
A Misalignment-Insensitive Hybrid IPT System with Constant Current Output Based on Parameter Optimization
Previous Article in Journal
Interference Signal Feature Extraction and Pattern Classification Algorithm Based on Deep Learning
Previous Article in Special Issue
A Hybrid Inductive Power Transfer System with High Misalignment Tolerance Using Double-DD Quadrature Pads
 
 
Font Type:
Arial Georgia Verdana
Font Size:
Aa Aa Aa
Line Spacing:
Column Width:
Background:
Article

Asymmetric Fault-Tolerant Control of 3-Phase Coupled Buck–Boost Converter

1
State Key Laboratory of Advanced Electromagnetic Engineering and Technology, Huazhong University of Science and Technology, Wuhan 430074, China
2
School of Electrical and Electronic Engineering, Huazhong University of Science and Technology, Wuhan 430074, China
3
Central Southern China Electric Power Design Institute Co., Ltd. of China Power Engineering Consulting Group, Wuhan 430071, China
*
Author to whom correspondence should be addressed.
Electronics 2022, 11(14), 2252; https://doi.org/10.3390/electronics11142252
Submission received: 25 June 2022 / Revised: 12 July 2022 / Accepted: 14 July 2022 / Published: 19 July 2022

Abstract

:
A coupled inductor can optimize the weight of a DC/DC converter while the performance characteristics are complicated. To reduce the influence of system fault and keep the stable operation of the coupled converter, a fault-tolerant strategy is proposed. Firstly, a mathematic model is obtained to compare the difference between a coupled converter and a normal converter. Then, an open-circuit fault process is analyzed for fault detection. To design a proper fault-tolerant control system, transfer functions in asymmetric conditions are analyzed, and the operation of the mode switching is optimized for better a transition process. Finally, the method is verified by simulation and experiment.

1. Introduction

Fault will always occur in a DC/DC converter with the increase in operation time. To improve the reliability of a DC/DC converter, strategies of fault detection and fault-tolerant operation are widely researched. Ref. [1] reviews the commonly used methods of fault diagnosis and tolerant control for the DC microgrid. Converter faults include short-circuit fault (SCF), open-circuit fault (OCF), and component aging, and the corresponding diagnosis technique is classified as hardware-based, model-based, and history-based according to the processing methods of fault signatures, such as current, voltage, and temperature; most of the diagnosis methods can detect the fault in 2 to 4 switching periods. Fault-tolerant schemes are applied to intercept the influence of the fault to avoid cascading failures; fault-tolerant strategy is always based on redundancy, reconfiguration, and modularity of the converter. After detecting and isolating the fault, compensation must be added through the control system to recover the normal operation and output. Ref. [2] shows the fault detection and fault-tolerant control strategy of the PV power generation system; SCF may happen in the low-voltage input port or the high-voltage output port, so input and out currents of sub-modules are sampled to judge whether the fault happens. Fault in the low-voltage port can be easily isolated, while a fault in the high-voltage port would result in damage to the components, so a reconfigurable recovery scheme is proposed to interrupt SCF from rest of the system, and compensation is needed to maintain the high voltage DC bus.
Since the structure is suitable for fault isolation and system reconfiguration in a cascaded modular system [2,3,4,5] and isolated DC/DC converter [6,7,8,9], plenty of research is carried out on their fault detection, fault isolation, and fault compensation. Some research is also conducted on the non-isolated DC/DC converter through applying a special reconfigurable structure. Ref. [10] proposes a two-stage boost converter; after OCF happens in the switch, the other stage of the converter will be adjusted to maintain the output. Ref. [11] compares the difference among a conventional buck–boost converter, a 3-level buck–boost converter, and a 4-to-1 Dickson converter, the reliability of fault tolerance is analyzed and verified. Ref. [12] proposes creating a reconfigurable fault-tolerant structure by combining a buck–boost converter and a buck or boost converter together, and a reliability assessment is performed to show the fault-tolerant capacity. Furthermore, the normal non-isolated DC/DC converter is researched, ref. [13] proposes an online monitoring system for fault diagnosis and aging detection in the common buck–boost converter, fault and aging are analyzed by switch state and calculation of parameters, such as capacitor equivalent series resistance, Rogowski coil sensor output, switch voltage, and so on. Ref. [14] designs a fault detection observer for the buck converter via affine switched systems, a sensor fault can be detected in this system and the system can be reconfigured and stay stable under sensor fault.
Although there is research on the interleaved buck–boost converter or modular buck–boost converter system, buck–boost converters with a coupled inductor or integrated converter are rarely studied. Some research uses the coupled inductor to monitor the circuit state or to eliminate the circulation currents resulted from the interleaving control. Ref. [15] studies fault diagnosis and fault operation strategy for the m-phase interleaved boost converter; a coupled inductor is used to measure the inductor voltage, the fault is detected by logical operation of the switch signals and coupled inductor output, and the control signals are reconfigured to reduce the current ripple after OCF. However, for the coupled buck–boost converter in which the coupled inductor is designed for reducing the volume and weight of the magnetic components, research is still in demand.
Interleaving and coupled inductors are commonly used to reduce the influence of circulation currents and the weight of the magnetic components in fields such as electric vehicle (EV) systems; relative research was conducted in a wide range on the characteristics and control methods. Ref. [16] focuses on the minimum current ripple current design of the multiphase coupled inductor, the influence of the coupling factor and duty cycle on the current ripple is analyzed in a number of different phases, and the coupling factor is optimized according to the range of duty ratio. Ref. [17] proposes a four-phase coupled structure; its steady state and dynamic performance are derived through theoretical analysis and the volume and efficiency are obviously optimized after using the coupling inductor. Ref. [18] uses the inductance of PMSM as the inductance of a DC filter inductor in the on-board charger of an EV; an integrated structure can effectively increase power density of the system.
According to the research, although the coupling method is widely used in the interleaved buck–boost converter, the research conducted is always focused on the structure optimization and parameter design of the coupled inductor, the converter usually operates in the symmetric condition, currents and parameters are the same in each phase, and the asymmetric condition, especially when fault happens, is not taken into consideration.
Magnetic integration can help improve the power density and current ripple, but integration and coupling of different modules will also make the control strategy more complicated, especially for fault happening in one of the phases or modules, which could influence the operation of other modules. In general, the OCF modules cannot operate normally and the SCFs may cause overcurrent in the circuit when the voltage source is short-circuited. To guarantee the security of the power system, the system will shut down if the SCFs happen, and the OCFs can be cut off to maintain the normal operation.
In this paper, a fault-tolerant control strategy is proposed to improve the reliability of s 3-phase coupled buck–boost converter when fault happens, and fault-tolerant control and faults detection of DC/DC converters are researched, including the use of coupled inductors to detect the fault, the optimization of current ripple, and the fault-tolerant control.

2. Mathematical Analysis of 3-Phase Coupled Buck–Boost Converter

In the 3-phase coupled buck–boost converter, the inductors are integrated to decrease the volume and weight, and the magnetic integration brings convenience to the design of the converter, but it will also change the characteristic of the converter due to the coupling. For better control performance, the mathematical model needs to be analyzed.
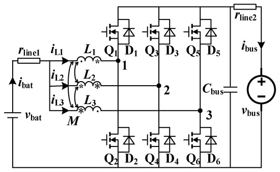
In Figure 1, equivalent topology of the 3-phase coupled buck–boost converter is shown. vbat and vbus represent the voltage of the battery and DC bus, ibat and ibus are currents of the corresponding source or load, resistance rline1 represents the line resistance between the battery and buck–boost converter, rline2 represents the line resistance between the buck–boost converter and DC bus, conductance of the voltage bus can be expressed as Cbus + gbus, gbus is the equivalent conductance of the bus load and can be obtained by the division of vbus and ibus, rline2 should also be considered in the gbus, Q1~Q6 are the switches and D1~D6 are the parallel diodes, points 1~3 are the midpoints of the bridges, L1~L3 are the self-inductances of the coupled inductor, and M is the mutual inductance of the coupled inductor. Dots and asterisks are used to mark the dotted terminals of the 3-phase coupled inductor.
To simplify the calculation, parameters of the coupled inductor are symmetric in analysis, the self-inductance is regarded as L, and the mutual inductance between the windings is regarded as M. Due to the coupling of the inductors, equivalent inductance would change with the change in operation phases. For example, when the converter works in a 3-phase mode, the equivalent inductance is L + 2M, but when the converter works in a 2-phase mode, the equivalent inductance is L + M.

2.1. Current Changing Rate in Normal Status

According to the investigation in the introduction, fault would show different characteristics based on the location and fault types. For example, SCF will always cause overcurrent, but the value of the short-circuit current is determined by the equivalent resistance; if an inductor is involved, the changing ratio of the short-circuit current will also be affected. Common faults, such as OCF and SCF in the I/O port, are widely researched; if fault happens in the input port, either OCF or SCF will cause the fall of inductor currents since the input voltage is 0, and the SCF will also trigger overcurrent protection in the input port. If fault happens in the output port, OCF and SCF can be equivalent to the sudden change in load, and the OCF will result in the increase in the bus capacitor voltage and decrease in the inductor currents, while the influence of the SCF is opposite. In both conditions, the change in current and voltage can be described with the normal mathematical model since the fault mainly changes the input and output voltage of the buck–boost converter. Fault in the bus capacitor path is similar to that of the output port; series and parallel capacitors are always used to provide enough capacitance and withstand voltage, and the OCF will influence the capacitance value and increase the voltage ripple, while the SCF may result in the chain reaction of component failures.
In a multiphase interleaved buck–boost converter, fault also happens in one phase, or between phases, in which case the operation conditions of different phases are asymmetric due to the change in equivalent topology and parameters, influence is even delivered to other phases through magnetic coupling in the coupled converter. Different from the fault in I/O ports, a converter can still work after the fault is cut off in some conditions.
In this paper, only OCF in the switch is considered. Assuming that the upper switch and diode of the path n are Q2n−1 and D2n−1, the lower switch and diode of the path n are Q2n and D2n. Switch function Sn is used to describe the state of path n, value 1 means the inductor is discharging, and value 0 means the inductor is charging. Assume that the OCF in path n can be cut off, the value of Sn will always be 1 in this case, and the current of the OCF phase will fall to 0 after the fault occurs in boost mod. OCF may happen in switch Q2, Q4, or Q6 in this case. To simplify calculations, resistances are ignored, and state functions are shown as Equation (1).
L d i L 1 d t + M d i L 2 d t + M d i L 3 d t = v bat S 1 v bus M d i L 1 d t + L d i L 2 d t + M d i L 3 d t = v bat S 2 v bus M d i L 1 d t + M d i L 2 d t + L d i L 3 d t = v bat S 3 v bus C bus d v bus d t = S 1 i L 1 + S 2 i L 2 + i L 3 g bus v bus
If OCF happens only in Q6, S3 is 1 before the current falls to 0. If OCF happens in Q4 and Q6, S2 and S3 are 1 before the currents fall to 0. Once the current of the faulty phase reaches 0 and the drivers of path n are turned off, the current changing rate will also change in other phases.
Since the faulty state and normal state can be expressed in the same form as Equation (1), the current changing rate is shown in Table 1. Seen from Table 1, the phase current changing rate is limited by voltage and inductance. In the practical system, due to the influence of resistance, the actual current changing rate would be smaller. The changing rate of the current determines current ripple of the switching frequency, and if the current ripple does not exceed a certain proportion of the average current, the current will fall to 0 in several periods.

2.2. Fault Detecting during OCF

As is known from the research, it would only take several periods for fault detection. Assume that the bus voltage and duty ratio remain the same; the general view of phase current is shown in Figure 2. Different colors are used to mark the current and the driver signals of different phases. Usually, red represents phase 1, green represents phase 2, and blue represents phase 3.
After OCF happens in the switch, the current of the faulty phase is obviously affected, while the current of the normal phase would only be influenced slightly. If the load is light enough, the phase current would even fall to 0 before fault is detected, and if synchronous rectification is used, the current of the faulty phase would be negative. By measuring the decrease value and change in duty ratio, diagnosis of the system state can be easily realized based on the mathematic model of the current obtained in Section 2.1.
The change value of the phase current per detection time is relative to the sampling method. In this paper, average current control is applied, and every phase current is sampled twice in one period, and the change in current can be calculated through Table 1. Assume that the switching frequency is fs, the controller needs several switching periods to detect the fault, the detecting interval time is 0.5 Ts, the steady state duty before OCF is D0, and the decrease value of faulty phase current iLn per detection time is ΔiLn/detection, which is expressed as Equation (2).
Δ i Ln / det ection = 1 2 + 2 M L M v bat v bus L + 2 M
In this paper, the max detecting delay is 0.5 Ts after the fault happens. In this period, the duty ratio of the normal phase remains D and the average current also remains the same. Changing rates of the total current and bus voltage are shown in Table 2.
In general, the transformer ratio of the DC/DC converter would not be too large, which means the rising rate of the current is larger than the falling rate. Assuming that the voltage vbus maintains constant when fault happens, and the steady state duty was D before the fault happens. Due to the delay of sampling and ZOH, current control of the normal phase would not response as soon as the fault happens.
To maintain the stability of the input current and output voltage, average values of the total current and bus voltage need to be controlled.
When OCF happens in one phase of the converter, delay of sampling and control would result in control error in the normal phases, the average total current Ibat would not keep constant, and the bus voltage would be affected. Due to the unbalanced operation of the converter, current ripple would also increase.
To eliminate the influence of OCF, compensation needs to be added to the control system. When the fault is detected, ibat and vbus are already changed, but currents of normal phases will not change much because of the controller’s slow response. Seen from Table 2, adjustments of ibat and vbat are related. To maintain the bus voltage, the switch function must be 1 to charge the capacitor, but for maintaining the currents, the switch function must be 0 to increase the currents.

2.3. Fault-Tolerant Operation

After OCF happens in the circuit, depending on the type of OCF path, open circuit faults have different influences. Change in current in the OCF path can be divided into the following situations.
  • Boost function or buck function can work normally.
  • Both boost mode and buck mode are affected by OCF.
For situation 1, OCF happens in the unused path, and unless the working mode changes and the breakdown components are used, OCF does not have an influence on the converter. Additionally, it is difficult to detect the faults.
If faults happen in Q2n−1 or D2n, or both, buck mode will be unable to work. Similarly, if faults happen in Q2n or D2n−1, or both, boost mode will be unable to work. OCF of the switch will result in start failure of power conversion, and OCF of diode causes the current to have a discontinuous and serious voltage spike in the circuit.
If OCF only happens in the diode path, synchronous rectification can be used for the converter using a bidirectional switch to make the current continuous, and boost mode or buck mode can still work in spite of the voltage spike that will occur in the dead time.
After detecting the faults, the OCF phase and current transfer to other phases can be controlled to be quick and smooth.
For situation 2, only if OCF happens in D2n−1 and D2n, and bidirectional switches are used in the converter, the synchronous rectification can make the boost mode and buck mode work. In other conditions, the current would always become discontinuous, which could cause a serious voltage spike in the circuit, resulting in the malfunction of the converter.
OCF will result in current discontinuity and voltage. Because of the leap of current in OCF phase, the controller will start to adjust the output in order to arrive at a new steady operation point, during which time voltage and current cannot keep stable.

3. Fault-Tolerant Operation Control

3.1. Feedforward Control for Fault-Tolerant Operation

Regardless of the complexity degree of calculating the steady state duty after the fault occurs, feedforward can be used to optimize the dynamic process when the working phases change.
Assuming that the steady state duty of the switch Q2n is Dn for the working phases, currents of unworked phases are considered to be 0, in which case the influence can be eliminated or neglected. Phase changing means that there is a change in equivalent inductance, which can also affect the phase current, so as to influence the steady working point. The most intuitive effect is the changing of steady state average phase current ILn and steady state duty Dn. To simplify the analysis, combine rline2 and the load of the motor driver as Gbus.
By using the state space average model of different phases, the steady state currents and voltage can be expressed by corresponding equations.
Steady state currents and bus voltage of the 3-phase operation are shown as Equations (3) and (4), rl represents rline1, currents and bus voltage are affected by resistances and duty.
V bus = 1 D 1 r L 1 + 1 D 2 r L 2 + 1 D 3 r L 3 V bat G bus 1 + r l r L 1 + r l r L 2 + r l r L 3 + 1 D 1 2 r L 1 + 1 D 2 2 r L 2 + 1 D 3 2 r L 3 + D 1 D 2 2 r L 1 r L 2 + D 1 D 3 2 r L 1 r L 3 + D 2 D 3 2 r L 2 r L 3 r l
| I L 1 I L 2 I L 3 | = | G bus + ( 1 D 2 ) ( D 1 D 2 ) r L 2 + ( 1 D 3 ) ( D 1 D 3 ) r L 3 ( 1 D 1 r L 1 + 1 D 2 r L 2 + 1 D 3 r L 3 ) r L 1 G bus + ( 1 D 1 ) ( D 2 D 1 ) r L 1 + ( 1 D 3 ) ( D 2 D 3 ) r L 3 ( 1 D 1 r L 1 + 1 D 2 r L 2 + 1 D 3 r L 3 ) r L 2 G bus + ( 1 D 1 ) ( D 3 D 1 ) r L 1 + ( 1 D 2 ) ( D 3 D 2 ) r L 2 ( 1 D 1 r L 1 + 1 D 2 r L 2 + 1 D 3 r L 3 ) r L 3 | V bus
For a 2-phase operation, the expression is similar; assuming that switches Q5 and Q6 are all turned off, current iL3 is 0, the converter can be equivalent to the 2-phase coupled buck–boost converter, bus voltage is shown as Equation (5).
V bus = 1 D 1 r L 1 + 1 D 2 r L 2 V bat G bus r l r L 2 + r l r L 1 + 1 + 1 D 2 2 r L 2 + 1 D 1 2 r L 1 + D 1 D 2 2 r L 1 r L 2 r l
Currents IL1 and IL2 are shown as Equation (6).
I L 1 I L 2 = G bus + 1 D 2 D 1 D 2 r L 2 1 D 1 r L 1 + 1 D 2 r L 2 r L 1 G bus + 1 D 1 D 2 D 1 r L 1 1 D 1 r L 1 + 1 D 2 r L 2 r L 2 V bus
For 1-phase operation, currents and bus voltage are shown as Equations (7) and (8).
I L 1 = G bus 1 D 1 V bus
V bus = 1 D 1 r L 1 G bus r l r L 1 + 1 + 1 D 1 2 r L 1 V bat
By solving simultaneous linear equations, the steady state feedforward value in different phases can be calculated. For 1-phase operation, steady state duty D is shown as Equation (9), superscript * means the value is reference value of steady state.
D 1 = 1 V bat 2 V bus V bat 2 V bus 2 r l + r L 1 G bus 1 2
In a 2-phase operation, the ratio of the steady state average currents IL1, IL2, IL3, and Ibat is k1:k2:0:1. Steady state duty D is shown as Equation (10).
D 1 = 1 V bat V bus ( r line 1 + k 1 r L 1 ) V bat 2 ( r + k 1 2 r L 1 + k 2 2 r L 2 ) V bus [ 1 G bus ( r + k 1 2 r L 1 + k 2 2 r L 2 ) ( 2 V bus V bat ) 2 ] 1 2 1 D 2 = 1 V bat V bus ( r line 1 + k 2 r L 2 ) V bat 2 ( r + k 1 2 r L 1 + k 2 2 r L 2 ) V bus [ 1 G bus ( r + k 1 2 r L 1 + k 2 2 r L 2 ) ( 2 V bus V bat ) 2 ] 1 2 1
After calculating the state state duty expressions in the 3-phase operation, similar items can be found in the expressions by comparing with Equations (9) and (10), which means it may be possible for the equations to be expressed in a unified form. Assuming that ratio of steady state average currents IL1, IL2, IL3, and Ibat is k1:k2:k3:1, the summation of k1, k2, and k3 is 1, the average current is 0 in the corresponding phase when kn equals 0, then the constant K can be extracted from the steady state duty expressions, as shown in Equation (11).
K = 1 G bus r line 1 + k 1 2 r L 1 + k 2 2 r L 2 + k 3 2 r L 3 2 V bus V bat 2 1 2 1 2 r line 1 + k 1 2 r L 1 + k 2 2 r L 2 + k 3 2 r L 3
Equation (12) shows the unified form of steady state duty expressions for different working phases. After OCF occurs and the converter is being adjusted to the new steady operation point, feedforward of duty can help to maintain the bus voltage and output power, and shorten the time needed to arrive the new steady state working point.
D 1 = 1 V bat V bus r line 1 + k 1 r L 1 K V bat V bus D 2 = 1 V bat V bus r line 1 + k 2 r L 2 K V bat V bus D 3 = 1 V bat V bus r line 1 + k 3 r L 3 K V bat V bus

3.2. Control Object Change during OCF

Since the number of operation phases will change before and after the OCF, design of the control system needs to take the variation in the control object into consideration. For the DC/DC converter in special application scenarios, a small signal model is always used for the calculation of transfer function and judgement of reliability [19,20]. Based on the state space average method, the small signal model can be obtained from state space Equation (1), transfer functions of duty and total current ibat under different a phase operation are shown as Equations (13)–(15).
G d i bat 1 phase = 2 G bus V bus r L G bus + 1 D 2 C bus s 2 G bus + 1 L C bus s 2 r L G bus + 1 D 2 + L G bus + r L C bus r L G bus + 1 D 2 s + 1
G d i bat 2 phase = 4 G bus V bus r L G bus + 2 1 D 2 C bus s 2 G bus + 1 L + M C bus s 2 r L G bus + 2 1 D 2 + L + M G bus + r L C bus r L G bus + 2 1 D 2 s + 1
G d i bat 3 phase = 6 G bus V bus r L G b u s + 3 1 D 2 C bus s 2 G bus + 1 L + 2 M C bus s 2 r L G bus + 3 1 D 2 + L + 2 M G bus + r L C bus r L G bus + 3 1 D 2 s + 1
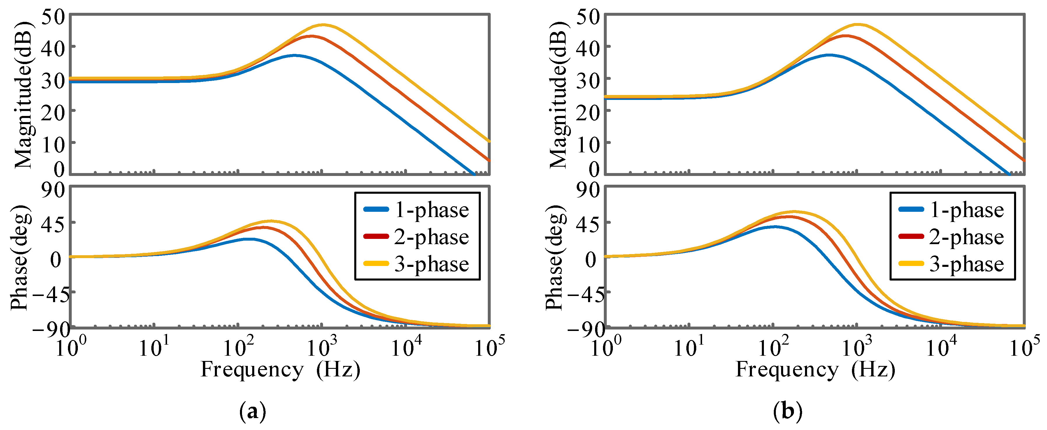
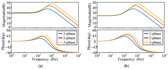
As seen from the Equations (13)–(15), rL is the equivalent resistance between voltage source vbat and the midpoints of the operation phases. If the resistance of the coupled inductor is considered, the value of rL would change according to the number of operation phases. Due to the coupling of different phases, the phase currents can influence each other. For a different number of operation phases, the difference of the influence is reflected in the transfer function. For analyzing the dynamic performance of the control object, transfer functions of different phases are compared together with the same output current, and the bode characteristic of the converter is as shown as Figure 3.
The bode diagram shows the differences caused by phases change, in a low-frequency band, the differences are slight and the value is affected by the load, in a high-frequency band, the differences increase with the frequency. Differences in gains would bring a control error when the working phases change, which also affects the dynamic performance.
To maintain the output power in boost mode, the voltage and current must be stable in the process of phase change, which means the voltage control and current control must have a well-designed dynamic performance to quickly adjust the control variables.
Seen from the transfer functions, characteristics of gain and phase are close in the low-frequency band, which means only the cut-off frequency of the designed control system was limited. Although smaller open-loop bandwidth will result in slower dynamic performance, the feedforward proposed in the previous section can improve the dynamic characteristics and eliminate the bad influences.
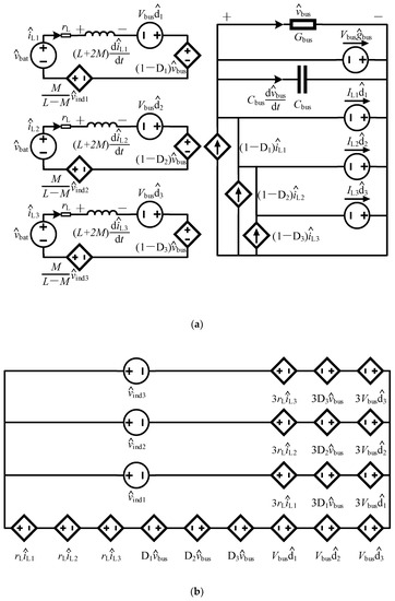
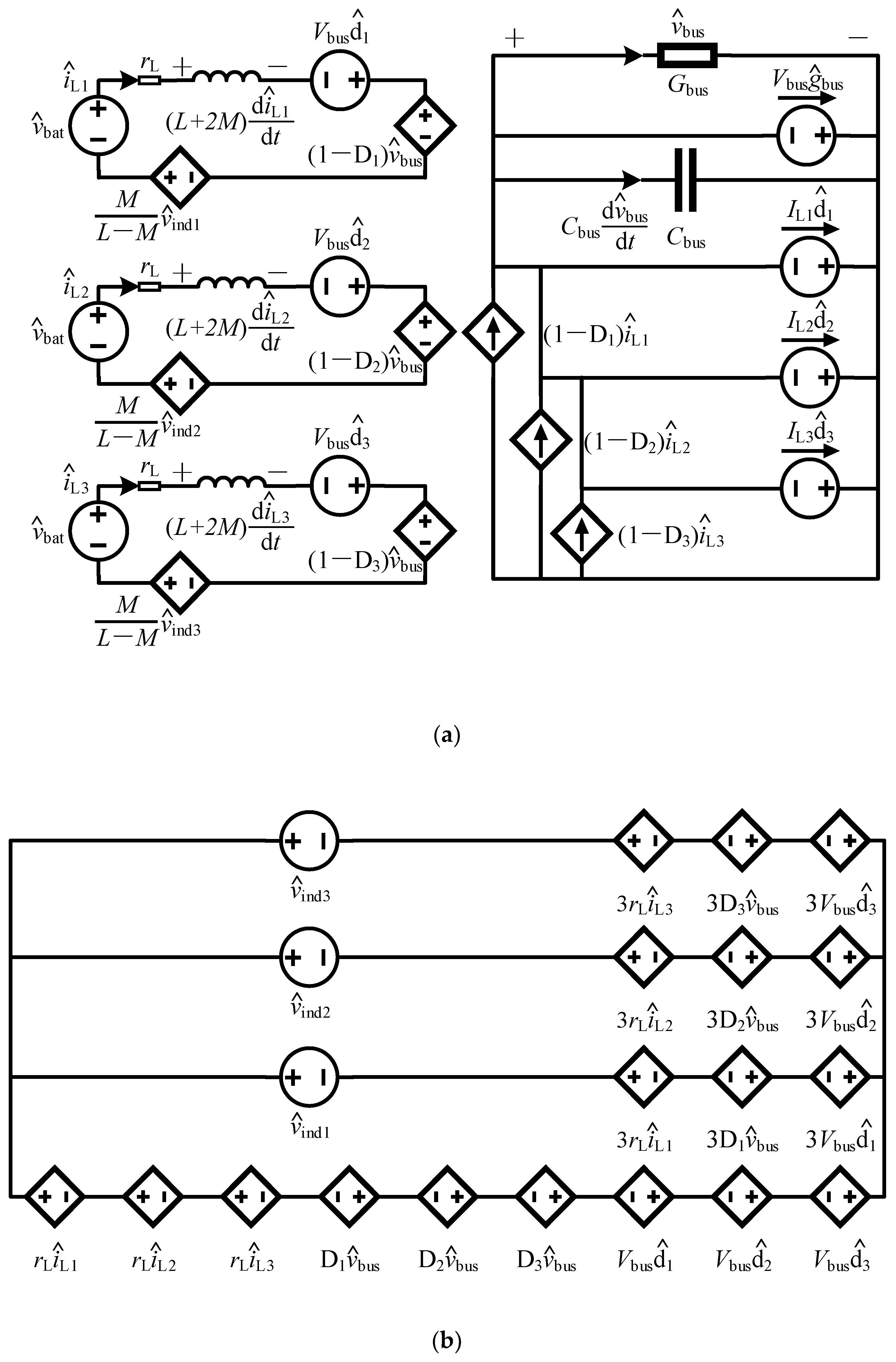
Gbus is the equivalent conductance of the bus load at the steady operation point, and the value is determined by the load. In a small signal model, influence of the load can be divided into two parts as shown in Figure 4.
Figure 4a shows the small signal equivalent circuit of the input and output variables, and Figure 4b shows the relationship of induced voltage vind and other small signal variables in the coupled inductor. Seen from Figure 4, bus load gbus consists of the steady state value Gbus and small signal component gbus. When the load changes around the steady state operation point, Gbus can be seen as constant, and only the disturbance of gbus needs to be eliminated.
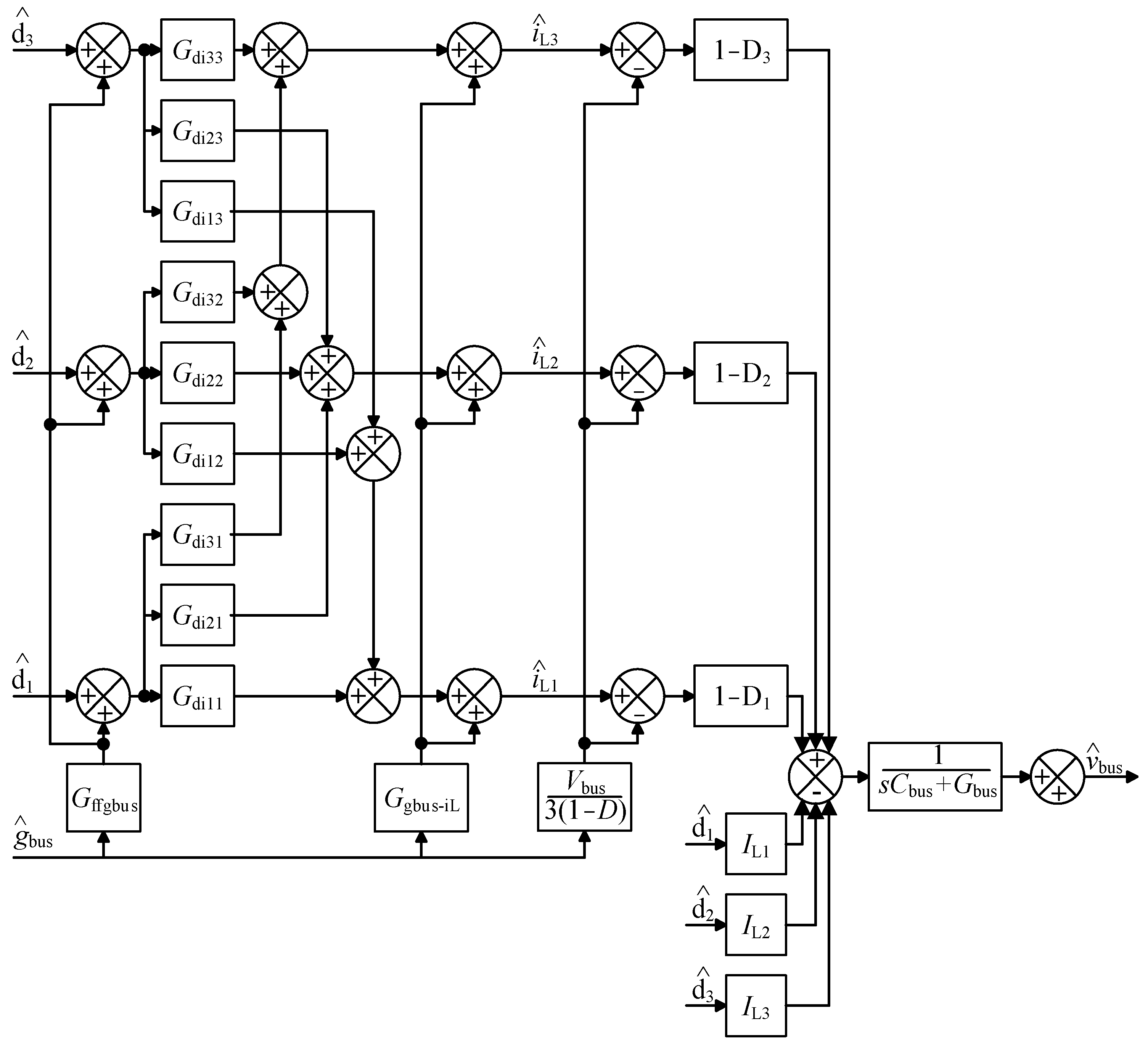
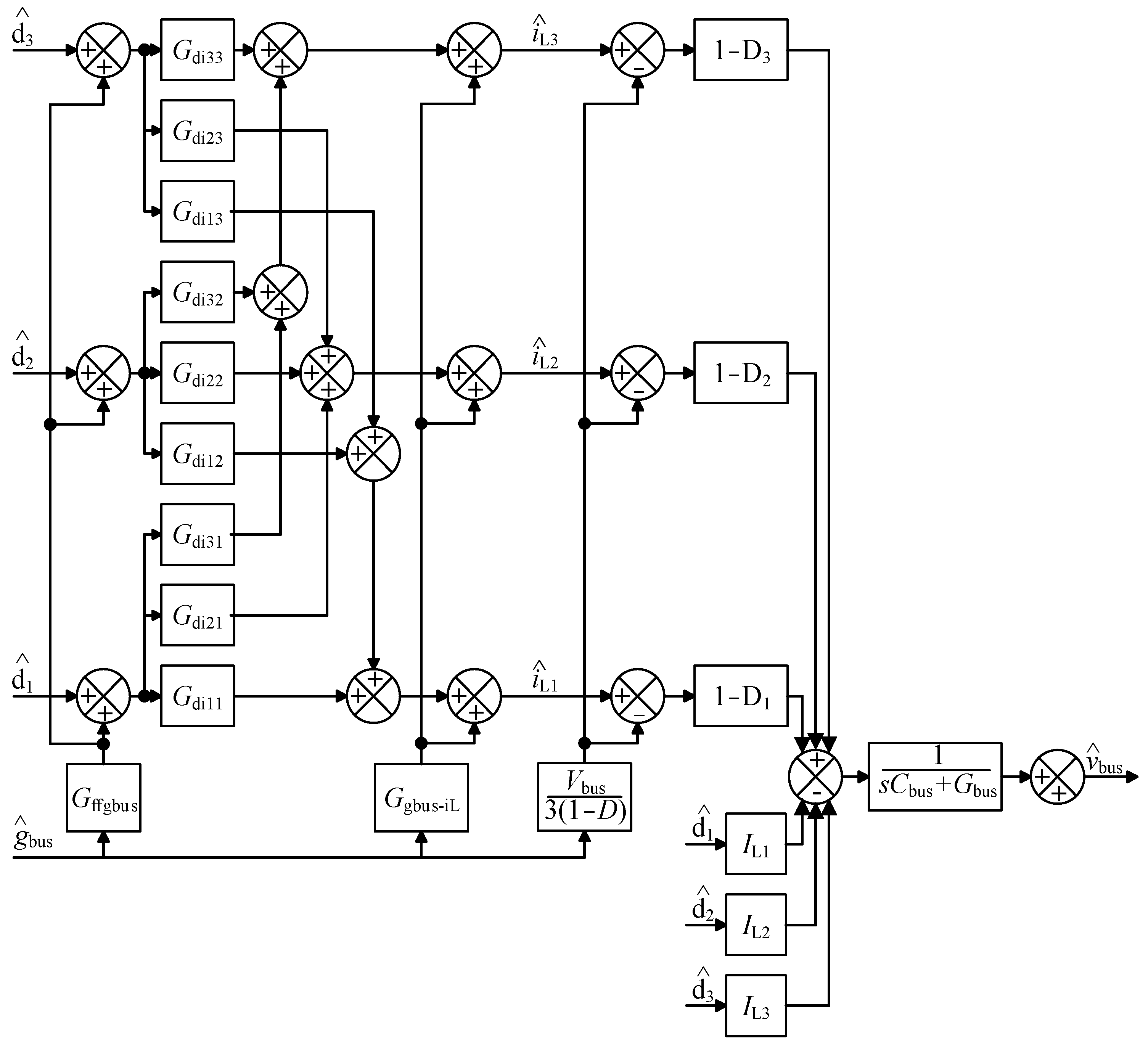
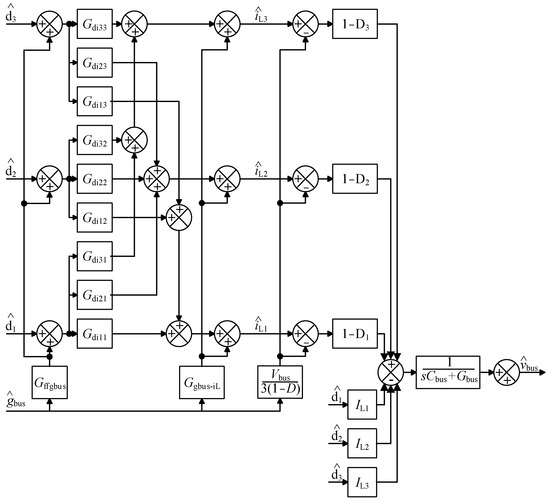
A useful strategy is still the feedforward. Since the small signal model is obtained, transfer function of gbus and duty ratio d can be calculated. As seen in Figure 5, Gffgbus and Ggbus-iL are the feedforward transfer functions, Gdi11 ~ Gdi11 are transfer functions of phase duty ratio d1 ~ d3 and phase current iL1 ~ iL3. By introducing Gffgbus and Ggbus-iL into the control system, disturbance of gbus can be eliminated.

3.3. Current Control during OCF

Since bode diagrams of different phases only overlap in the low-frequency band, response of the controller would be slow when the faults happen.
As shown in Figure 6, after feedforward compensation is added, the adjustment would take less time, but in the falling stage of the faulty phase current, current ibat and voltage vbus are still different from the steady state values. To better improve the dynamic performance, modulation can be modified in the phase changing process. For faulty phase n, current decrease per period is shown in Equation (16).
Δ i Ln / period = v bat v bus 2 D M L M v bus L + 2 M
Δ i bat / period = 3 v bat 3 v bus + 2 D v bus L + 2 M
Since the falling time of the faulty phase current changes with voltages and inductances, the current of the faulty phase may fall to 0 before the fault is detected. If the current falls to 0 before the fault is detected, feedforward value can be added directly to the control. Due to the quick attenuation of faulty current, the feedforward value could just select the corresponding value before and after the fault is detected. If the current is large enough, and it does not fall to 0 when the fault is detected, better dynamic performance could be exhibited. Because current ibat is required to return to the reference value before iLn falls to 0 and keep stable, the duty cycles needed can be calculated by Equation (18).
Δ i 0 + Δ i bat Δ i bat / period I n Δ i Ln Δ i Ln / period
ΔiLn is determined by the sampling of iLn and the calculation of the current in one period. The compensation value D could select the value shown in Equation (19) before iLn falls to 0 and then change to the stable state value.
D v bat v bus Δ i 0 + Δ i bat 3 I Ln Δ i Ln 2 v bus M L M Δ i 0 + Δ i bat + I Ln Δ i Ln

4. Experiments

To verify the analysis in the previous sections, feedforward is added in the control strategy as shown in Figure 7. PI controller is used in voltage control and phase current control, currents and voltages are sampled to calculate the feedforward value through Equations (5) to (12) according to the operation condition of the converter.
Using the turn-off of the driver signal to simulate OCF, parameters of the coupled inductor and the converter is shown in Table 3. The coupled inductor used for the experiments is shown in Figure 8b, the structure is shown in Figure 8a, and the platform used to verify the OCF control is shown in Figure 8.
The voltage source used in the platform can only supply 1.2 kW at most, and the maximum current is 60 A, so the duty ratio of the steady state operation is limited to less than 0.5.
When only considering the change in transfer functions, although the currents and voltage can be adjusted, there is an obvious decrease and the settling time is long.
Figure 9 shows the results of the experiments. The output voltage is about 35 V, resistance of load is about 0.8 Ω, only PI control is used to control the current and voltage. Detailed parameters of the experiments are shown in Table 4.
Table 4 shows how the duty ratio D affects falling time. Based on the value of D when OCF happens, the falling time can change in a large range. As seen from Table 4, the falling time of the faulty phase current is obviously affected by the duty ratio because the difference between the input voltage and output voltage is low, and so as the current is changing, so even the current is smaller, and the falling time is longer in the small duty ratio.
Current ripple is influenced by the duty ratio and phase difference at the same time, so before the OCF, total current ripple is low when D = 0.3 under the condition of 3-phase interleaving, and after the OCF, total current ripple is low when D = 0.5 under the condition of 2-phase interleaving.
Since the adjustment of the PI controller is slow in the experiment, the duty ratio can be seen to be constant during the OCF. After OCF happens and the working phases change, current iL3 starts to fall to 0. The adjustment of total current ibat is not effective until iL3 reaches 0. When the decrease in the total current is obvious, it takes a longer time for the controller to be stable.
Figure 10 shows the effects of compensation. When compensation is not added, it takes longer than 1ms for the converter to be stable again, and the dynamic performance is terrible, as shown in Figure 8a. After feedforward is added to the control, an extra short time pulse of the duty ratio is added during the OCF to maintain the value of the total input current. It can be seen that the performance is better in Figure 8b, and it only takes 360 ms for the converter to return to the steady state. Obviously, feedforward is useful in the OCF control.

5. Conclusions

This paper analyzes the current change process when OCF occurs and the current is continuous in a 3-phase coupled buck–boost converter, the current change rates of different modes are analyzed, and then the value changes of the total current and phase current are concluded by unified forms. By solving the feedforward value of the steady state working point, feedforward and compensation used to improve the dynamic characteristics are proposed and verified.
The analysis and calculation of the method are correct, but the method is highly related to the accuracy of fault detection, precision of sampling, and ability of calculation. Therefore, it still needs to be furtherly researched for better performance.

Author Contributions

Conceptualization, H.F. (Han Fu); methodology, H.F. (Han Fu); software, H.F. (Han Fu) and J.B.; validation, H.F. (Han Fu) and J.B.; formal analysis, H.F. (Han Fu); investigation, H.F. (Han Fu); resources, D.J.; data curation, H.F. (Han Fu); writing—original draft preparation, H.F. (Han Fu); writing—review and editing, S.D., H.F. (Hao Fu) and Q.L.; visualization, H.F. (Han Fu); supervision, Q.L.; project administration, S.D.; funding acquisition, S.D. All authors have read and agreed to the published version of the manuscript.

Funding

This research was supported by the Major Project for Special Technology Innovation of Hubei Province (2017AAA130), and this work was supported in part by the National Key R&D Program of China under Grant 2018YFB0106300.

Institutional Review Board Statement

The inform consents from patients were not needed and the institutional review board (IRB) reviews were waived based on the institutional policy.

Informed Consent Statement

Additional informed consent was obtained from all individual participants for whom identifying information is included in this article.

Data Availability Statement

Data available on request from the authors. The data that support the findings of this study are available from the corresponding author, [author initials], upon reasonable request.

Acknowledgments

We thank Qu Ronghai, Jiang Dong and Kong Wubin for their help in the construction of the device.

Conflicts of Interest

The authors declare no conflict of interest.

References

  1. Khan, S.S.; Wen, H. A Comprehensive Review of Fault Diagnosis and Tolerant Control in DC-DC Converters for DC Microgrids. IEEE Access 2021, 9, 80100–80127. [Google Scholar] [CrossRef]
  2. Zhuang, Y.; Liu, F.; Zhang, X.; Huang, Y.; Zha, X.; Liu, Z. Short-Circuit Fault-Tolerant Topology for Multiport Cascaded DC/DC Converter in Photovoltaic Power Generation System. IEEE Trans. Power Electr. 2021, 36, 549–561. [Google Scholar] [CrossRef]
  3. Li, T.; Parsa, L. Design, Control, and Analysis of a Fault-Tolerant Soft-Switching DC–DC Converter for High-Power High-Voltage Applications. IEEE Trans. Power Electr. 2018, 33, 1094–1104. [Google Scholar] [CrossRef]
  4. Diao, X.; Liu, F.; Song, Y.; Zhuang, Y.; Xu, M.; Zha, X. Modified Phase-Shifted PWM for Cascaded Half-Bridges of Photovoltaic Application. IEEE Access 2020, 8, 41719–41732. [Google Scholar] [CrossRef]
  5. Ding, R.; Mei, J.; Guan, Z.; Zhao, J. An Input-Series-Output-Series Modular Multilevel DC Transformer With Inter-Module Arithmetic Phase Interleaving Control to Reduce DC Ripples. IEEE Access 2018, 6, 75961–75974. [Google Scholar] [CrossRef]
  6. Tarzamni, H.; Tahami, F.; Fotuhi-Firuzabad, M.; Blaabjerg, F. Improved Markov Model for Reliability Assessment of Isolated Multiple-Switch PWM DC-DC Converters. IEEE Access 2021, 9, 33666–33674. [Google Scholar] [CrossRef]
  7. Costa, L.; Buticchi, G.; Liserre, M. A Fault-Tolerant Series-Resonant DC–DC Converter. IEEE Trans. Power Electr. 2017, 32, 900–905. [Google Scholar] [CrossRef] [Green Version]
  8. Zhao, N.; Liu, J.; Shi, Y.; Yang, J.; Zhang, J.; You, X. Mode Analysis and Fault-Tolerant Method of Open-Circuit Fault for a Dual Active-Bridge DC–DC Converter. IEEE Trans. Ind. Electron. 2020, 67, 6916–6926. [Google Scholar] [CrossRef]
  9. Vinnikov, D.; Chub, A.; Zinchenko, D.; Sidorov, V.; Malinowski, M.; Bayhan, S. Topology-Morphing Photovoltaic Microconverter With Wide MPPT Voltage Window and Post-Fault Operation Capability. IEEE Access 2020, 8, 153941–153955. [Google Scholar] [CrossRef]
  10. Kim, T.; Lee, H.; Kwak, S. Open-Circuit Switch-Fault Tolerant Control of a Modified Boost DC–DC Converter for Alternative Energy Systems. IEEE Access 2019, 7, 69535–69544. [Google Scholar] [CrossRef]
  11. Ashourloo, M.; Namburi, V.R.; Pique, G.V.; Pigott, J.; Bergveld, H.J.; Sherif, A.E.; Trescases, O. Fault Detection in a Hybrid Dickson DC–DC Converter for 48-V Automotive Applications. IEEE Trans. Power Electr. 2021, 36, 4254–4268. [Google Scholar] [CrossRef]
  12. Soon, J.L.; Lu, D.D.; Peng, J.C.; Xiao, W. Reconfigurable Nonisolated DC–DC Converter With Fault-Tolerant Capability. IEEE Trans. Power Electr. 2020, 35, 8934–8943. [Google Scholar] [CrossRef]
  13. Givi, H.; Farjah, E.; Ghanbari, T. A Comprehensive Monitoring System for Online Fault Diagnosis and Aging Detection of Non-Isolated DC–DC Converters’ Components. IEEE Trans. Power Electr. 2019, 34, 6858–6875. [Google Scholar] [CrossRef]
  14. Li, J.; Pan, K.; Su, Q.; Zhao, X. Sensor Fault Detection and Fault-Tolerant Control for Buck Converter via Affine Switched Systems. IEEE Access 2019, 7, 47124–47134. [Google Scholar] [CrossRef]
  15. Liu, Z.; Xu, Z.; Zhang, X. A Novel Real-Time Fast Fault-Tolerance Diagnosis and Fault Adjustment Strategy for m-Phase Interleaved Boost Converter. IEEE Access 2021, 9, 11776–11786. [Google Scholar] [CrossRef]
  16. Kang, T.; Gandomkar, A.; Lee, J.; Suh, Y. Design of Optimized Coupling Factor for Minimum Inductor Current Ripple in DC-DC Converter Using Multiwinding Coupled Inductor. IEEE Trans. Ind. Appl. 2021, 57, 3978–3989. [Google Scholar] [CrossRef]
  17. Huang, J.; Lin, S.; Pan, J.; Zhou, Y. Design and Analysis on Coupling Inductor of Four-Phase Interleaved Parallel Buck-Boost Converter. In Proceedings of the 2021 IEEE 1st International Power Electronics and Application Symposium (PEAS), Shanghai, China, 13–15 November 2021; pp. 1–6. [Google Scholar]
  18. Shi, C.; Tang, Y.; Khaligh, A. A Three-Phase Integrated Onboard Charger for Plug-In Electric Vehicles. IEEE Trans. Power Electr. 2018, 33, 4716–4725. [Google Scholar] [CrossRef]
  19. Yodwong, B.; Guilbert, D.; Kaewmanee, W.; Phattanasak, M. Energy Efficiency Based Control Strategy of a Three-Level Interleaved DC-DC Buck Converter Supplying a Proton Exchange Membrane Electrolyzer. Electronics 2019, 8, 933. [Google Scholar] [CrossRef] [Green Version]
  20. Guilbert, D.; Sorbera, D.; Vitale, G. A stacked interleaved DC-DC buck converter for proton exchange membrane electrolyzer applications: Design and experimental validation. Int. J. Hydrogen Energy 2020, 45, 64–79. [Google Scholar] [CrossRef]
Figure 1. The topology of a 3-phase coupled buck–boost converter.
Figure 1. The topology of a 3-phase coupled buck–boost converter.
Electronics 11 02252 g001
Figure 2. The waveform diagram of the phase current after OCF. (a) Currents diagram when S1 = 0, S2 = 1, S3 = 1 after OCF. (b) Currents diagram when S1 = 0, S2 = 1 after iL3 is 0. (c) Change in phase current. (d) Change in switch function sequence.
Figure 2. The waveform diagram of the phase current after OCF. (a) Currents diagram when S1 = 0, S2 = 1, S3 = 1 after OCF. (b) Currents diagram when S1 = 0, S2 = 1 after iL3 is 0. (c) Change in phase current. (d) Change in switch function sequence.
Electronics 11 02252 g002
Figure 3. Comparison of different phases’ transfer function for ibat. (a) Bode diagram at full load. (b) Bode diagram at ahlf load.
Figure 3. Comparison of different phases’ transfer function for ibat. (a) Bode diagram at full load. (b) Bode diagram at ahlf load.
Electronics 11 02252 g003
Figure 4. Equivalent circuit of 3-phase coupled buck–boost converter. (a) Equivalent relationship of small signal variables. (b) Equivalent induced voltage in coupled inductor.
Figure 4. Equivalent circuit of 3-phase coupled buck–boost converter. (a) Equivalent relationship of small signal variables. (b) Equivalent induced voltage in coupled inductor.
Electronics 11 02252 g004
Figure 5. The control diagram of the feedforward to eliminate the disturbance of the bus load.
Figure 5. The control diagram of the feedforward to eliminate the disturbance of the bus load.
Electronics 11 02252 g005
Figure 6. The schematic diagram after compensation added.
Figure 6. The schematic diagram after compensation added.
Electronics 11 02252 g006
Figure 7. Control strategy of 3-phase coupled buck–boost converter in fault-tolerant operation.
Figure 7. Control strategy of 3-phase coupled buck–boost converter in fault-tolerant operation.
Electronics 11 02252 g007
Figure 8. Platform of 3-phase coupled buck–boost converter. (a) Structure diagram of 3-phase coupled inductor. (b) Coupled inductor used for experiments. (c) Platform for verification.
Figure 8. Platform of 3-phase coupled buck–boost converter. (a) Structure diagram of 3-phase coupled inductor. (b) Coupled inductor used for experiments. (c) Platform for verification.
Electronics 11 02252 g008
Figure 9. Total current ibat, normal phase current iL1, and faulty phase current iL3 when OCF happens under different conditions of duty ratio: (a) D = 0.1; (b) D = 0.3; and (c) D = 0.5.
Figure 9. Total current ibat, normal phase current iL1, and faulty phase current iL3 when OCF happens under different conditions of duty ratio: (a) D = 0.1; (b) D = 0.3; and (c) D = 0.5.
Electronics 11 02252 g009
Figure 10. Changes of duty ratio and currents when OCF happens before and after compensation: (a) phase changes without compensation, number of phase changes from 3 to 2; (b) phase changes without compensation, number of phase changes from 3 to 2.
Figure 10. Changes of duty ratio and currents when OCF happens before and after compensation: (a) phase changes without compensation, number of phase changes from 3 to 2; (b) phase changes without compensation, number of phase changes from 3 to 2.
Electronics 11 02252 g010
Table 1. Phase current changing rate.
Table 1. Phase current changing rate.
S1S2S3 d i L 1 d t d i L 2 d t d i L 3 d t
000 v bat L + 2 M v bat L + 2 M v bat L + 2 M
100 v bat L + M L M v bus L + 2 M v bat + M L M v bus L + 2 M v bat + M L M v bus L + 2 M
010 v bat + M L M v bus L + 2 M v bat L + M L M v bus L + 2 M v bat + M L M v bus L + 2 M
110 v bat L L M v bus L + 2 M v bat L L M v bus L + 2 M v bat + 2 M L M v bus L + 2 M
001 v bat + M L M v bus L + 2 M v bat + M L M v bus L + 2 M v bat L + M L M v bus L + 2 M
101 v bat L L M v bus L + 2 M v bat + 2 M L M v bus L + 2 M v bat L L M v bus L + 2 M
011 v bat + 2 M L M v bus L + 2 M v bat L L M v bus L + 2 M v bat L L M v bus L + 2 M
111 v bat v bus L + 2 M v bat v bus L + 2 M v bat v bus L + 2 M
Table 2. Current changing rate after OCF is cut off.
Table 2. Current changing rate after OCF is cut off.
Fault SwitchesS1S2S3 d i L 1 d t d i L 2 d t d i L 3 d t
Q5Q6001 v bat L + M v bat L + M 0
011 v bat + M L M v bus L + M v bat L L M v bus L + M 0
101 v bat L L M v bus L + M v bat + M L M v bus L + M 0
111 v bat v bus L + M v bat v bus L + M 0
Q3Q4Q5Q6011 v bat L 00
111 v bat v bus L 00
Table 3. Parameters of a 3-phase coupled buck–boost converter.
Table 3. Parameters of a 3-phase coupled buck–boost converter.
ParameterValue
Self-inductanceL1L2L3
101.55 uH108.49 uH100.39 uH
Mutual inductanceM12M13M23
−13.78 uH−10.32 uH−13.36 uH
ResistancerL1rL2rL3
0.38 Ω0.55 Ω0.38 Ω
Design of coupled inductorTurns of coilLength of air gapType
202.5 mmEE 55/28/21*3
Parameters of converterSwitching frequencyBus capacitorSwitch type
20 kHz800 μFFF600R12ME4
Table 4. Parameters of 3-phase coupled buck–boost converter.
Table 4. Parameters of 3-phase coupled buck–boost converter.
Duty RatioInput VoltageTotal Input CurrentOutput VoltageFaulty Current Falling TimeTotal Current RipplePhase Current Ripple
Before OCFAfter OCFBefore OCFAfter OCF
0.133.98 V29.80 A35.86 V610.4 us2 A2.4 A1.6 A1.8 A
0.326.99 V38.40 A35.89 V146.4 us1.4 A3.2 A3.9 A3.9 A
0.519.99 V51.97 A35.19 V115.2 us2.6 A1 A4.5 A4.2 A
Publisher’s Note: MDPI stays neutral with regard to jurisdictional claims in published maps and institutional affiliations.

Share and Cite

MDPI and ACS Style

Fu, H.; Duan, S.; Bao, J.; Jiang, D.; Fu, H.; Li, Q. Asymmetric Fault-Tolerant Control of 3-Phase Coupled Buck–Boost Converter. Electronics 2022, 11, 2252. https://doi.org/10.3390/electronics11142252

AMA Style

Fu H, Duan S, Bao J, Jiang D, Fu H, Li Q. Asymmetric Fault-Tolerant Control of 3-Phase Coupled Buck–Boost Converter. Electronics. 2022; 11(14):2252. https://doi.org/10.3390/electronics11142252

Chicago/Turabian Style

Fu, Han, Shanxu Duan, Junyang Bao, Dong Jiang, Hao Fu, and Qiqi Li. 2022. "Asymmetric Fault-Tolerant Control of 3-Phase Coupled Buck–Boost Converter" Electronics 11, no. 14: 2252. https://doi.org/10.3390/electronics11142252

APA Style

Fu, H., Duan, S., Bao, J., Jiang, D., Fu, H., & Li, Q. (2022). Asymmetric Fault-Tolerant Control of 3-Phase Coupled Buck–Boost Converter. Electronics, 11(14), 2252. https://doi.org/10.3390/electronics11142252

Note that from the first issue of 2016, this journal uses article numbers instead of page numbers. See further details here.

Article Metrics

Back to TopTop