Wake-Up Receivers: A Review of Architectures Analysis, Design Techniques, Theories and Frontiers
Abstract
1. Introduction
2. WuRX Design Specifications
- Power consumption: Since WuRXs are responsible for maintaining continuous listening while the main receiver is in standby mode, power consumption becomes the most critical design constraint. It must be significantly lower than that of the main receiver. For applications where maintenance is scarce, lower power is better, such as assisting sensor communications in remote areas. For scenarios such as smart homes, power consumption limits can be relaxed. Reported power consumption in the literature ranges from several hundred microwatts down to below 1 nanowatt [7,10,11,12,13,14,15]. To reduce power, most WuRX designs operate at supply voltages lower than the nominal voltage of the adopted integrated circuit process, allowing MOS transistors to remain in the subthreshold region. Other common low-power techniques include passive demodulation, duty cycling, and simplified signal processing.
- Sensitivity: Sensitivity determines the minimum signal strength that a WuRX can detect, and thus directly affects its communication range. Ideally, the sensitivity of a WuRX would match that of the main receiver, but due to simplified front end architectures and power constraints, practical WuRX designs typically achieve sensitivities between −60 and −90 dBm [11,14,16,17,18,19,20], with only a few exceptional cases reaching −100 dBm [6,10,21,22]. To improve sensitivity, common techniques include incorporating RF front end gain stages, passive matching networks, and optimized baseband processing circuits.
- Latency and data rate: The primary function of a WuRX is to detect wake-up commands rather than support continuous data communication. Therefore, its latency requirements are generally relaxed and vary depending on the application. Some use cases, such as applications that periodically report device status, can tolerate delays of several seconds [12,23], while others like scenarios involving health and security require a response within a few microseconds [18,24,25]. WuRX latency is typically tied to the data rate, which, similar to conventional receivers, has a direct impact on the achievable sensitivity.
- Interference Tolerance: In crowded RF environments, especially in the ISM bands where many IoT devices operate, the ability to reject in-band and adjacent-channel interference is critical. WuRXs based on non-linear demodulation like envelope detection (ED) are more susceptible to noise and nonlinear distortion [12,13]. In contrast, WuRXs that utilize high-precision local oscillators tend to exhibit stronger interference rejection at the cost of power consumption [10,11]. Another effective approach is using filtering modules, such as high-Q input matching networks or Micro-Electro-Mechanical-Systems (MEMS)-based filters.
- Carrier frequency: The carrier frequency of WuRXs is typically in the sub-GHz range, such as 433 MHz or 915 MHz [1,6,13,14,26], which are commonly used in IoT applications. Some designs also target higher frequencies, such as 2.4 GHz, to leverage existing communication protocols like Wi-Fi, Bluetooth and Zigbee [11,16]. Higher carrier frequencies offer larger effective RF bandwidth, smaller antenna and circuit dimensions, and improved integration density [4]. However, these benefits come at the cost of increased power consumption in gain and filtering circuits, reduced communication range, and lower passive gain due to low-Q inductors typically available at higher frequencies.
- Robustness: Many WuRX circuits operate in the subthreshold region to achieve ultra-low power consumption. However, this operating mode makes them inherently more vulnerable to process, voltage, and temperature (PVT) variations. These issues are particularly critical in applications where the WuRX is expected to function in harsh or maintenance-free environments, requiring robustness against temperature fluctuations. Additionally, for WuRXs powered by energy harvesting systems, supply instability must be carefully considered, as variations in input voltage can further degrade circuit stability and sensitivity.
- Compatibility: Ensuring that the WuRX is compatible with existing communication protocols such as Wi-Fi, Bluetooth, and Zigbee can significantly expand its range of practical applications [11,16]. However, this compatibility often requires additional complexity in the design, such as implementing specific modulation schemes or protocols.
3. Current Mainstream Wake-Up Receiver Architectures
- RF envelope detection architecture;
- On-chip LO architecture;
- Transmitted-LO architecture.
3.1. RF Envelope Detection Architectures
3.2. On-Chip LO Architecture
3.3. Transmitted-LO Architectures
4. Key Techniques in RF Envelope Detection Architecture
4.1. Envelope Detector
4.1.1. Passive ED
4.1.2. Active ED
4.1.3. Matching Network
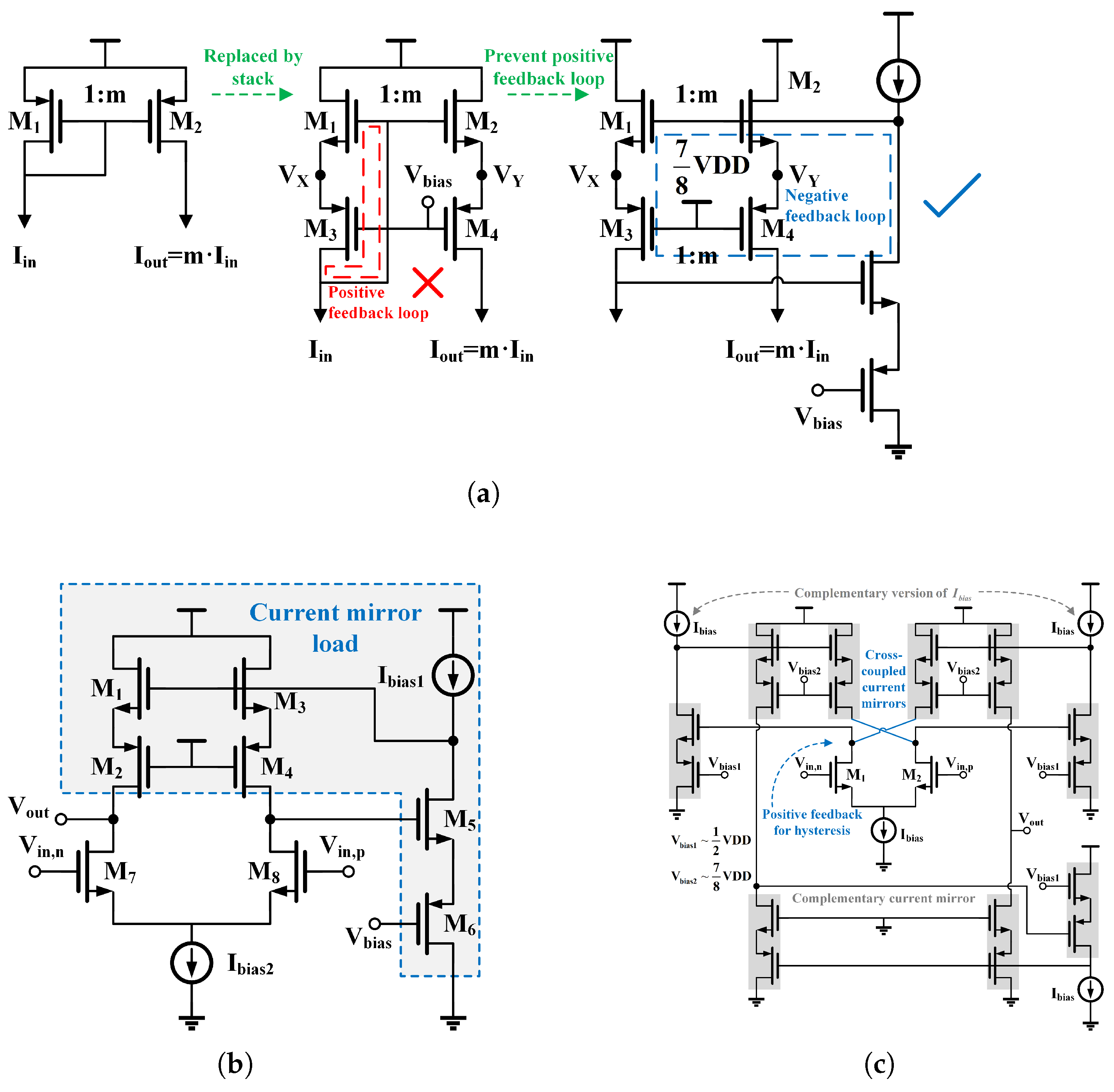
4.2. Baseband Amplifier
4.3. Correlator
4.3.1. Digital Correlator
4.3.2. Analog Correlator
5. Key Techniques in On-Chip LO Architectures
5.1. N-Path Mixer
5.2. Clock Generation
6. Key Techniques in Transmitted-LO Architectures
6.1. Two-Tone Modulation
6.2. CE-OOK
6.3. Spread-Spectrum
7. Other Techniques for Wake-Up Receivers
7.1. Duty Cycling
7.2. Chopper
8. Frontiers of Wake-Up Receiver Design
8.1. Super-Cutoff Operation
8.2. Sub-THz Wake-Up Receiver
8.3. Bi-Directional Communication with Backscatter Modulation
9. Figure-of-Merit for Wake-Up Receivers
- RF envelope detection (ED-first with passive gain and LNA-ED-first): Both of these architectures lack RF filtering, making the impact of noise self-mixing significantly greater than that of signal-noise mixing [13,29,30,41]. In the ED-first architecture, the gain before the ED is provided solely by the passive matching network, which means that baseband noise also limits the achievable sensitivity. Although LNA-ED-first architectures are typically not limited by baseband noise due to the presence of active RF gain, it is important to note that both baseband noise and noise self-mixing scale linearly with . Therefore, both architectures are applicable to the model described in (38) and (40).
- RF envelope detection with filtering (e.g., MEMS): Adding a high-Q MEMS filter allows pre-ED filtering to be narrow enough that convolution (signal-noise mixing) noise dominates, making sensitivity scale with instead [28,32,46,55]. This architecture is applicable to the model described in (39) and (41).
- Transmitted-LO: Since transmitted-LO architectures typically employ two EDs, the multiple stages of nonlinear demodulation make the overall noise behavior quite complex. In most WuRX implementations of transmitted-LO architectures [17,22,36], each frequency conversion stage introduces a small change in bandwidth. Therefore, the is not significantly larger than the , and is likewise not significantly larger than . Under these conditions, signal-noise mixing dominates in both conversion stages, making (39) and (41) applicable. However, there are a few cases where (38) and (40) are more appropriate. For example, when the two-tone spacing is small, the IF bandwidth becomes very narrow and close to DC. In certain extreme scenarios, such as when both ED stages are dominated by noise self-mixing or when the overall system noise is determined primarily by the baseband noise of the second ED stage, the coefficient may even need to be set to 2.5.
10. Conclusions
Author Contributions
Funding
Data Availability Statement
Conflicts of Interest
References
- Mangal, V.; Kinget, P.R. 28.1 A 0.42nW 434MHz −79.1dBm Wake-Up Receiver with a Time-Domain Integrator. In Proceedings of the 2019 IEEE International Solid- State Circuits Conference—(ISSCC), San Francisco, CA, USA, 17–21 February 2019; pp. 438–440. [Google Scholar] [CrossRef]
- Bassirian, P.; Duvvuri, D.; Truesdell, D.S.; Liu, N.; Calhoun, B.H.; Bowers, S.M. 30.1 A Temperature-Robust 27.6nW −65dBm Wakeup Receiver at 9.6GHz X-Band. In Proceedings of the 2020 IEEE International Solid-State Circuits Conference—(ISSCC), San Francisco, CA, USA, 16–20 February 2020; pp. 460–462. [Google Scholar] [CrossRef]
- Gupta, A.; Odelberg, T.J.; Wentzloff, D.D. Low-Power Heterodyne Receiver Architectures: Review, Theory, and Examples. IEEE Open J. Solid-State Circuits Soc. 2023, 3, 225–238. [Google Scholar] [CrossRef]
- Mercier, P.P.; Calhoun, B.H.; Wang, P.H.P.; Dissanayake, A.; Zhang, L.; Hall, D.A.; Bowers, S.M. Low-Power RF Wake-Up Receivers: Analysis, Tradeoffs, and Design. IEEE Open J. Solid-State Circuits Soc. 2022, 2, 144–164. [Google Scholar] [CrossRef]
- Huang, X.; Dolmans, G.; De Groot, H.; Long, J.R. Noise and Sensitivity in RF Envelope Detection Receivers. IEEE Trans. Circuits Syst. II Express Briefs 2013, 60, 637–641. [Google Scholar] [CrossRef]
- Odelberg, T.J.; Im, J.; Wentzloff, D.D. A 2.1mW −109dBm NB-IoT Wake-Up Receiver. In Proceedings of the 2021 IEEE Radio Frequency Integrated Circuits Symposium (RFIC), Atlanta, GA, USA, 7–9 June 2021; pp. 235–238. [Google Scholar] [CrossRef]
- Wang, P.H.P.; Mercier, P.P. A 4.4μW −92/−90.3dBm Sensitivity Dual-Mode BLE/Wi-Fi Wake-up Receiver. In Proceedings of the 2020 IEEE Symposium on VLSI Circuits, Honolulu, HI, USA, 16–19 June 2020; pp. 1–2. [Google Scholar] [CrossRef]
- Liao, X.; Xie, S.; Xu, J.; Liu, L. A 0.4 V, 6.4 nW, −75 dBm Sensitivity Fully Differential Wake-Up Receiver for WSNs Applications. IEEE Trans. Circuits Syst. I Regul. Pap. 2022, 69, 2794–2804. [Google Scholar] [CrossRef]
- Park, J.; Jeon, C.; Minn, D.; Roh, H.; Sim, J.Y. A 6.5nW, −73.5dBm Sensitivity, Cryptographic Wake-Up Receiver with a PUF-Based OTP and Temperature-Insensitive Code Recovery. In Proceedings of the 2023 IEEE Symposium on VLSI Technology and Circuits (VLSI Technology and Circuits), Kyoto, Japan, 11–16 June 2023; pp. 1–2. [Google Scholar] [CrossRef]
- Kim, K.M.; Seok, H.G.; Jung, O.Y.; Choi, K.S.; Yun, B.; Kim, S.; Oh, W.; Jeong, E.R.; Ko, J.; Lee, S.G. A −123-dBm Sensitivity Split-Channel BFSK Reconfigurable Data/Wake-Up Receiver for Low-Power Wide-Area Networks. IEEE J. Solid-State Circuits 2021, 56, 2656–2667. [Google Scholar] [CrossRef]
- Alpman, E.; Khairi, A.; Park, M.; Somayazulu, V.S.; Foerster, J.R.; Ravi, A.; Pellerano, S. 95µW 802.11g/n Compliant Fully-Integrated Wake-up Receiver with −72dBm Sensitivity in 14nm FinFET CMOS. In Proceedings of the 2017 IEEE Radio Frequency Integrated Circuits Symposium (RFIC), Honolulu, HI, USA, 4–6 June 2017; pp. 172–175. [Google Scholar] [CrossRef]
- Shen, X.; Duvvuri, D.; Bassirian, P.; Bishop, H.L.; Liu, X.; Dissanayake, A.; Zhang, Y.; Blalock, T.N.; Calhoun, B.H.; Bowers, S.M. A 184-nW, −78.3-dBm Sensitivity Antenna-Coupled Supply, Temperature, and Interference-Robust Wake-Up Receiver at 4.9 GHz. IEEE Trans. Microw. Theory Tech. 2022, 70, 744–757. [Google Scholar] [CrossRef]
- Yang, Z.; Zhang, H.; Yin, J.; Martins, R.P.; Mak, P.I. An 840-to-970 MHz Multimodal Wake-Up Receiver with a Q-Equalized Antenna-ED Interface and 2-Dimensional Wake-Up Identification. IEEE Trans. Circuits Syst. I Regul. Pap. 2025, 72, 1165–1177. [Google Scholar] [CrossRef]
- Liao, X.; Xie, Y.; Wang, J.; Zhang, S.; Liu, L. A 0.4 V, −77.2 dBm WuRX with Digitalized Loop-Calibration and Temperature-Compensation. IEEE Trans. Microw. Theory Tech. 2024, 72, 6871–6880. [Google Scholar] [CrossRef]
- Mangal, V.; Kinget, P.R. Sub-nW Wake-Up Receivers with Gate-Biased Self-Mixers and Time-Encoded Signal Processing. IEEE J. Solid-State Circuits 2019, 54, 3513–3524. [Google Scholar] [CrossRef]
- Liu, R.; Beevi K.T., A.; Dorrance, R.; Dasalukunte, D.; Kristem, V.; Santana Lopez, M.A.; Min, A.W.; Azizi, S.; Park, M.; Carlton, B.R. An 802.11ba-Based Wake-Up Radio Receiver with Wi-Fi Transceiver Integration. IEEE J. Solid-State Circuits 2020, 55, 1151–1164. [Google Scholar] [CrossRef]
- Ren, H.; Ye, D.; Chen, B.; Gong, W.; Jin, X.; Xu, R.; Lyu, L.; Xu, L.; Shi, C.J.R. A 19-μW Blocker-Tolerant Wake-Up Receiver with −90–dBm Energy-Enhanced Sensitivity. IEEE Trans. Microw. Theory Tech. 2023, 71, 4377–4392. [Google Scholar] [CrossRef]
- Chen, S.; Yuan, C.; Huang, H.; Hou, Y.; Chu, Y.; Zhao, M.; Yu, X.; Huang, X. A 20Kbps 98nW −62.8dBm Sensitivity Wake-up Receiver at 2.4GHz. IEICE Electron. Express 2025, 22, 20240713. [Google Scholar] [CrossRef]
- Moody, J.; Bassirian, P.; Roy, A.; Liu, N.; Pancrazio, S.; Barker, N.S.; Calhoun, B.H.; Bowers, S.M. A −76dBm 7.4nW Wakeup Radio with Automatic Offset Compensation. In Proceedings of the 2018 IEEE International Solid-State Circuits Conference—(ISSCC), San Francisco, CA, USA, 11–15 February 2018; pp. 452–454. [Google Scholar] [CrossRef]
- Dissanayake, A.; Bishop, H.L.; Bowers, S.M.; Calhoun, B.H. A 2.4 GHz-91.5 dBm Sensitivity Within-Packet Duty-Cycled Wake-Up Receiver. IEEE J. Solid-State Circuits 2022, 57, 917–931. [Google Scholar] [CrossRef]
- Zhang, L.; Duvvuri, D.; Bhattacharya, S.; Dissanayake, A.; Liu, X.; Bishop, H.L.; Zhang, Y.; Blalock, T.N.; Calhoun, B.H.; Bowers, S.M. A −102dBm Sensitivity, 2.2μA Packet-Level-Duty-Cycled Wake-Up Receiver with ADPLL Achieving −30dB SIR. In Proceedings of the 2023 IEEE Custom Integrated Circuits Conference (CICC), San Antonio, TX, USA, 23–26 April 2023; pp. 1–2. [Google Scholar] [CrossRef]
- Seok, H.G.; Jung, O.Y.; Dissanayake, A.; Lee, S.G. A 2.4GHz, −102dBm-Sensitivity, 25kb/s, 0.466mW Interference Resistant BFSK Multi-Channel Sliding-IF ULP Receiver. In Proceedings of the 2018 23rd Asia and South Pacific Design Automation Conference (ASP-DAC), Jeju, Republic of Korea, 22–25 January 2018; pp. 319–320. [Google Scholar] [CrossRef]
- Dissanayake, A.; Bishop, H.L.; Moody, J.; Muhlbauer, H.; Calhoun, B.H.; Bowers, S.M. A Multichannel, MEMS-Less −99dBm 260nW Bit-Level Duty Cycled Wakeup Receiver. In Proceedings of the 2020 IEEE Symposium on VLSI Circuits, Honolulu, HI, USA, 16–19 June 2020; pp. 1–2. [Google Scholar] [CrossRef]
- Bialek, H.; Johnston, M.L.; Natarajan, A. A Highly Integrated Distributed Mixer Receiver for Low-Power Wireless Radios. IEEE J. Solid-State Circuits 2023, 58, 3421–3432. [Google Scholar] [CrossRef]
- Mangal, V.; Kinget, P.R. A Wake-Up Receiver with a Multi-Stage Self-Mixer and with Enhanced Sensitivity When Using an Interferer as Local Oscillator. IEEE J. Solid-State Circuits 2019, 54, 808–820. [Google Scholar] [CrossRef]
- Kim, K.M.; Choi, K.S.; Jung, H.; Yun, B.; Xu, J.; Ko, J.; Lee, S.G. A −124-dBm Sensitivity Interference-Resilient Direct-Conversion Duty-Cycled Wake-Up Receiver Achieving 0.114 mW at 1.966-s Wake-Up Latency. IEEE J. Solid-State Circuits 2023, 58, 1667–1680. [Google Scholar] [CrossRef]
- Wang, P.H.P.; Jiang, H.; Gao, L.; Sen, P.; Kim, Y.H.; Rebeiz, G.M.; Mercier, P.P.; Hall, D.A. A 6.1-nW Wake-Up Receiver Achieving −80.5-dBm Sensitivity Via a Passive Pseudo-Balun Envelope Detector. IEEE Solid-State Circuits Lett. 2018, 1, 134–137. [Google Scholar] [CrossRef]
- Jiang, H.; Wang, P.H.P.; Gao, L.; Sen, P.; Kim, Y.H.; Rebeiz, G.M.; Hall, D.A.; Mercier, P.P. 24.5 A 4.5nW Wake-up Radio with -69dBm Sensitivity. In Proceedings of the 2017 IEEE International Solid-State Circuits Conference (ISSCC), San Francisco, CA, USA, 5–9 February 2017; pp. 416–417. [Google Scholar] [CrossRef]
- Yang, Z.; Yin, J.; Yu, W.H.; Zhang, H.; Mak, P.I.; Martins, R.P. A ULP Long-Range Active-RF Tag with Automatic Antenna-Interface Calibration Achieving 20.5% TX Efficiency at −22dBm EIRP, and −60.4dBm Sensitivity at 17.8nW RX Power. In Proceedings of the 2023 IEEE International Solid-State Circuits Conference (ISSCC), San Francisco, CA, USA, 19–23 February 2023; pp. 30–32. [Google Scholar] [CrossRef]
- Moody, J.; Bassirian, P.; Roy, A.; Liu, N.; Barker, N.S.; Calhoun, B.H.; Bowers, S.M. Interference Robust Detector-First Near-Zero Power Wake-Up Receiver. IEEE J. Solid-State Circuits 2019, 54, 2149–2162. [Google Scholar] [CrossRef]
- Wang, P.H.P.; Jiang, H.; Gao, L.; Sen, P.; Kim, Y.H.; Rebeiz, G.M.; Mercier, P.P.; Hall, D.A. A Near-Zero-Power Wake-up Receiver Achieving −69-dBm Sensitivity. IEEE J. Solid-State Circuits 2018, 53, 1640–1652. [Google Scholar] [CrossRef]
- Moody, J.; Dissanayake, A.; Bishop, H.; Lu, R.; Liu, N.; Duvvuri, D.; Gao, A.; Truesdell, D.; Barker, N.S.; Gong, S.; et al. A −106dBm 33nW Bit-Level Duty-Cycled Tuned RF Wake-up Receiver. In Proceedings of the 2019 Symposium on VLSI Circuits, Kyoto, Japan, 9–14 June 2019; pp. C86–C87. [Google Scholar] [CrossRef]
- Pletcher, N.M.; Gambini, S.; Rabaey, J. A 52 μW Wake-Up Receiver with −72 dBm Sensitivity Using an Uncertain-IF Architecture. IEEE J. Solid-State Circuits 2009, 44, 269–280. [Google Scholar] [CrossRef]
- Sun, J.; Yang, C.; Luo, Y.; Dong, S.; Zhao, B. An Interference-Resilient 120-Degree-Apart Pseudo-I/Q BLE-Compliant Wake-Up Receiver Achieving −21dB SIR, −94dBm Sensitivity, and 4-D Wake-Up Signature. In Proceedings of the 2024 IEEE Custom Integrated Circuits Conference (CICC), Denver, CO, USA, 21–24 April 2024; pp. 1–2. [Google Scholar] [CrossRef]
- Wang, P.H.P.; Mercier, P.P. An Interference-Resilient BLE-Compatible Wake-Up Receiver Employing Single-Die Multi-Channel FBAR-Based Filtering and a 4-D Wake-Up Signature. IEEE J. Solid-State Circuits 2021, 56, 416–426. [Google Scholar] [CrossRef]
- Ye, D.; van der Zee, R.; Nauta, B. A 915 MHz 175 μW Receiver Using Transmitted-Reference and Shifted Limiters for 50 dB In-Band Interference Tolerance. IEEE J. Solid-State Circuits 2016, 51, 3114–3124. [Google Scholar] [CrossRef]
- Moosavifar, M.; Im, J.; Wentzloff, D.D. An Interference-Resilient Bit-Level Duty-Cycled ULP Receiver Leveraging a Dual-Chirp Modulation. IEEE J. Solid-State Circuits 2024, 59, 337–348. [Google Scholar] [CrossRef]
- Reyes, L.; Silveira, F. Gain, Signal-to-Noise Ratio and Power Optimization of Envelope Detector for Ultra-Low-Power Wake-Up Receiver. IEEE Trans. Circuits Syst. II Express Briefs 2019, 66, 1703–1707. [Google Scholar] [CrossRef]
- Mercier, P.P.; Chandrakasan, A.P. A Supply-Rail-Coupled eTextiles Transceiver for Body-Area Networks. IEEE J. Solid-State Circuits 2011, 46, 1284–1295. [Google Scholar] [CrossRef]
- Basu, J.; Fassio, L.; Ali, K.; Alioto, M. Picowatt-Power Super-Cutoff Analog Building Blocks and 78-pW Battery-Less Wake-Up Receiver for Light-Harvested Near-Always-On Operation. IEEE J. Solid-State Circuits 2024, 59, 1038–1049. [Google Scholar] [CrossRef]
- Mangal, V.; Kinget, P.R. Clockless, Continuous-Time Analog Correlator Using Time-Encoded Signal Processing Demonstrating Asynchronous CDMA for Wake-Up Receivers. IEEE J. Solid-State Circuits 2020, 55, 2069–2081. [Google Scholar] [CrossRef]
- Ding, L.; Ghosh, A.; Sen, S. 20.11 A Crystal-Less BodyID with an Asynchronous Clockless Leakage-Powered Wake-Up Receiver and Over-the-Channel Clock Recovery. In Proceedings of the 2025 IEEE International Solid-State Circuits Conference (ISSCC), San Francisco, CA, USA, 16–20 February 2025; Volume 68, pp. 368–370. [Google Scholar] [CrossRef]
- Andrews, C.; Molnar, A.C. Implications of Passive Mixer Transparency for Impedance Matching and Noise Figure in Passive Mixer-First Receivers. IEEE Trans. Circuits Syst. I Regul. Pap. 2010, 57, 3092–3103. [Google Scholar] [CrossRef]
- Mirzaei, A.; Darabi, H.; Leete, J.C.; Chang, Y. Analysis and Optimization of Direct-Conversion Receivers with 25% Duty-Cycle Current-Driven Passive Mixers. IEEE Trans. Circuits Syst. I Regul. Pap. 2010, 57, 2353–2366. [Google Scholar] [CrossRef]
- Alghaihab, A.M.; Kim, H.S.; Wentzloff, D.D. Analysis of Circuit Noise and Non-Ideal Filtering Impact on Energy Detection Based Ultra-Low-Power Radios Performance. IEEE Trans. Circuits Syst. II Express Briefs 2018, 65, 1924–1928. [Google Scholar] [CrossRef]
- Jeon, C.; Sim, J.Y. A 2.5-nW Radio Platform with an Internal Wake-Up Receiver for Smart Contact Lens Using a Single Loop Antenna. IEEE J. Solid-State Circuits 2021, 56, 2668–2679. [Google Scholar] [CrossRef]
- Jiang, H.; Wang, P.H.P.; Mercier, P.P.; Hall, D.A. A 0.4-V 0.93-nW/kHz Relaxation Oscillator Exploiting Comparator Temperature-Dependent Delay to Achieve 94-Ppm/°C Stability. IEEE J. Solid-State Circuits 2018, 53, 3004–3011. [Google Scholar] [CrossRef]
- Huang, X.; Ba, A.; Harpe, P.; Dolmans, G.; de Groot, H.; Long, J.R. A 915 MHz, Ultra-Low Power 2-Tone Transceiver with Enhanced Interference Resilience. IEEE J. Solid-State Circuits 2012, 47, 3197–3207. [Google Scholar] [CrossRef]
- Huang, X.; Rampu, S.; Wang, X.; Dolmans, G.; de Groot, H. A 2.4GHz/915MHz 51µW Wake-up Receiver with Offset and Noise Suppression. In Proceedings of the 2010 IEEE International Solid-State Circuits Conference—(ISSCC), San Francisco, CA, USA, 7–11 February 2010; pp. 222–223. [Google Scholar] [CrossRef]
- Huang, X.; Harpe, P.; Dolmans, G.; De Groot, H.; Long, J.R. A 780–950 MHz, 64–146 µW Power-Scalable Synchronized-Switching OOK Receiver for Wireless Event-Driven Applications. IEEE J. Solid-State Circuits 2014, 49, 1135–1147. [Google Scholar] [CrossRef]
- Lee, E.; Khan, M.I.W.; Chen, X.; Banerjee, U.; Monroe, N.; Yazicigil, R.T.; Han, R.; Chandrakasan, A.P. A 1.54-mm2, 264-GHz Wake-Up Receiver with Integrated Cryptographic Authentication for Ultra-Miniaturized Platforms. IEEE J. Solid-State Circuits 2024, 59, 653–667. [Google Scholar] [CrossRef]
- Wang, P.H.P.; Zhang, C.; Yang, H.; Dunna, M.; Bharadia, D.; Mercier, P.P. A Low-Power Backscatter Modulation System Communicating Across Tens of Meters with Standards-Compliant Wi-Fi Transceivers. IEEE J. Solid-State Circuits 2020, 55, 2959–2969. [Google Scholar] [CrossRef]
- Shen, S.; Han, Y.; Li, J.; Jia, Y. A Fully-Integrated Backscatter Modulation System with High Image Rejection and Near Zero Power Wake-up Receiver Offset Cancellation. In Proceedings of the 2024 IEEE Biomedical Circuits and Systems Conference (BioCAS), Xi’an, China, 24–26 October 2024; pp. 1–4. [Google Scholar] [CrossRef]
- Couch, L.W., II. Digital and Analog Communication Systems, 8th ed.; Pearson: Upper Saddle River, NJ, USA, 2001. [Google Scholar]
- Yang, C.; Tang, K.; Gao, H.; Guo, Y.; Jiang, H.; Heng, C.H.; Zheng, Y. An Energy Super-Regenerative Wake-Up Receiver with Interference and Pre-ED Noise Power Suppression. IEEE Trans. Microw. Theory Tech. 2025, 73, 4227–4240. [Google Scholar] [CrossRef]
- Jiang, H.; Wang, P.H.P.; Gao, L.; Pochet, C.; Rebeiz, G.M.; Hall, D.A.; Mercier, P.P. A 22.3-nW, 4.55 cm2 Temperature-Robust Wake-Up Receiver Achieving a Sensitivity of −69.5 dBm at 9 GHz. IEEE J. Solid-State Circuits 2020, 55, 1530–1541. [Google Scholar] [CrossRef]



































Disclaimer/Publisher’s Note: The statements, opinions and data contained in all publications are solely those of the individual author(s) and contributor(s) and not of MDPI and/or the editor(s). MDPI and/or the editor(s) disclaim responsibility for any injury to people or property resulting from any ideas, methods, instructions or products referred to in the content. |
© 2025 by the authors. Licensee MDPI, Basel, Switzerland. This article is an open access article distributed under the terms and conditions of the Creative Commons Attribution (CC BY) license (https://creativecommons.org/licenses/by/4.0/).
Share and Cite
Chen, S.; Yu, X.; Huang, X. Wake-Up Receivers: A Review of Architectures Analysis, Design Techniques, Theories and Frontiers. J. Low Power Electron. Appl. 2025, 15, 55. https://doi.org/10.3390/jlpea15040055
Chen S, Yu X, Huang X. Wake-Up Receivers: A Review of Architectures Analysis, Design Techniques, Theories and Frontiers. Journal of Low Power Electronics and Applications. 2025; 15(4):55. https://doi.org/10.3390/jlpea15040055
Chicago/Turabian StyleChen, Suhao, Xiaopeng Yu, and Xiongchun Huang. 2025. "Wake-Up Receivers: A Review of Architectures Analysis, Design Techniques, Theories and Frontiers" Journal of Low Power Electronics and Applications 15, no. 4: 55. https://doi.org/10.3390/jlpea15040055
APA StyleChen, S., Yu, X., & Huang, X. (2025). Wake-Up Receivers: A Review of Architectures Analysis, Design Techniques, Theories and Frontiers. Journal of Low Power Electronics and Applications, 15(4), 55. https://doi.org/10.3390/jlpea15040055

