Coordination of SRF-PLL and Grid Forming Inverter Control in Microgrid with Solar PV and Energy Storage
Abstract
1. Introduction
2. Schematic Representation of Microgrid
2.1. Proposed Methodology of Microgrid Inverter Controls
2.1.1. Grid following Type Solar PV Fed Inverter
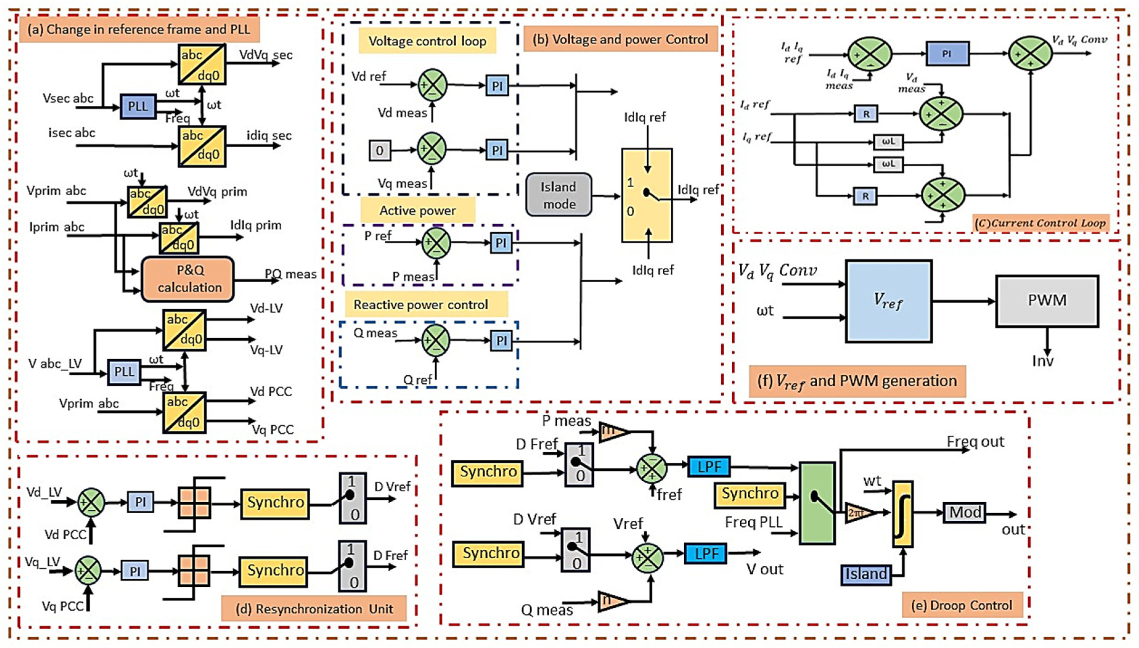
2.1.2. Grid-Forming Type Inverter
- The SCR is calculated by dividing the three-phase short circuit mega volt ampere (MVA) at a given location by the associated renewable source’s megawatt (MW) rating.
- In a case with a low SCR, the renewable source can drastically alter the voltages and frequencies at the POI, suggesting a fragile grid.
- (a)
- Active and reactive power control:
- (b)
- Droop Control
- (c)
- PLL based Resynchronization
- (a)
- Synchronous Reference Frame-PLL:
- (b)
- Double Second-Order Generalized Integrator-PLL
- (c)
- Cascaded Delayed Signal Cancellation-PLL:
3. Description of Test Systems
3.1. Simulation Test System
3.2. Description of Hardware Setup
4. Results and Discussions
- GFM inverter control without PLL based resynchronization;
- GFM inverter control with DSOGI-PLL;
- GFM inverter control with CDSC-PLL;
- GFM inverter control with SRF-PLL;
- Comparison of SRF-PLL in GFL- and GFM-based inverter control.
- Case 1 Grid forming inverter control without PLL-based resynchronization.
- Case 2 GFM inverter control with DSOGI-PLL.
- Case 3 GFM inverter control with CDSC-PLL.
- Case 4 Grid-forming inverter control with SRP-PLL technique.
- Case 5 Comparison of SRF-PLL in GFL- and GFM-based inverter control.
5. Conclusions
Author Contributions
Funding
Data Availability Statement
Acknowledgments
Conflicts of Interest
References
- Shaikh, F.; Joseph, B. Simulation of synchronous reference frame PLL for grid synchronization using Simulink. In Proceedings of the 2017 International Conference on Advances in Computing, Communication and Control (ICAC3), Mumbai, India, 1–2 December 2017; IEEE: Piscataway, NJ, USA, 2017; pp. 1–6. [Google Scholar]
- Nazib, A.A.; Holmes, D.G.; McGrath, B.P. Decoupled DSOGI-PLL for improved three phase grid synchronisation. In Proceedings of the 2018 International Power Electronics Conference (IPEC-Niigata 2018-ECCE Asia), Niigata, Japan, 20–24 May 2018; IEEE: Piscataway, NJ, USA, 2018; pp. 3670–3677. [Google Scholar]
- Hamed, H.A.; Abdou, A.F.; Bayoumi, E.H.; El-Kholy, E.E. Frequency adaptive CDSC-PLL using axis drift control under adverse grid condition. IEEE Trans. Ind. Electron. 2016, 64, 2671–2682. [Google Scholar] [CrossRef]
- Lee, K.-J.; Lee, J.-P.; Shin, D.; Yoo, D.-W.; Kim, H.-J. A novel grid synchronization PLL method based on adaptive low-pass notch filter for grid-connected PCS. IEEE Trans. Ind. Electron. 2013, 61, 292–301. [Google Scholar] [CrossRef]
- Wang, Y.F.; Li, Y.W. Analysis and digital implementation of cascaded delayed-signal-cancellation PLL. IEEE Trans. Power Electron. 2010, 26, 1067–1080. [Google Scholar] [CrossRef]
- Wang, Y.F.; Li, Y.W. Grid synchronization PLL based on cascaded delayed signal cancellation. IEEE Trans. Power Electron. 2010, 26, 1987–1997. [Google Scholar] [CrossRef]
- Golestan, S.; Ramezani, M.; Guerrero, J.M.; Monfared, M. dq-frame cascaded delayed signal cancellation-based PLL: Analysis, design, and comparison with moving average filter-based PLL. IEEE Trans. Power Electron. 2014, 30, 1618–1632. [Google Scholar] [CrossRef]
- Rodriguez, P.; Teodorescu, R.; Candela, I.; Timbus, A.V.; Liserre, M.; Blaabjerg, F. New positive-sequence voltage detector for grid synchronization of power converters under faulty grid conditions. In Proceedings of the 2006 37th IEEE Power Electronics Specialists Conference, Jeju, Republic of Korea, 18–22 June 2006; IEEE: Piscataway, NJ, USA, 2006; pp. 1–7. [Google Scholar]
- Golestan, S.; Monfared, M.; Freijedo, F.D. Design-oriented study of advanced synchronous reference frame phase-locked loops. IEEE Trans. Power Electron. 2012, 28, 765–778. [Google Scholar] [CrossRef]
- Ciobotaru, M.; Teodorescu, R.; Blaabjerg, F. A new single-phase PLL structure based on second order generalized integrator. In Proceedings of the 2006 37th IEEE Power Electronics Specialists Conference, Jeju, Republic of Korea, 18–22 June 2006; IEEE: Piscataway, NJ, USA, 2006; pp. 1–6. [Google Scholar]
- Golestan, S.; Freijedo, F.D.; Vidal, A.; Yepes, A.G.; Guerrero, J.M.; Doval-Gandoy, J. An efficient implementation of generalized delayed signal cancellation PLL. IEEE Trans. Power Electron. 2015, 31, 1085–1094. [Google Scholar] [CrossRef]
- Attou, N.; Zidi, S.-A.; Hadjeri, S.; Khatir, M. A Control Design of Grid-Forming and Grid-Following Inverters with a Seamless Transition in Microgrid. Electroteh. Electron. Autom. 2023, 71, 10–18. [Google Scholar] [CrossRef]
- Sharma, D.; Sadeque, F.; Mirafzal, B. Synchronization of inverters in grid forming mode. IEEE Access 2022, 10, 41341–41351. [Google Scholar] [CrossRef]
- Wang, J.; Pratt, A.; Baggu, M. Integrated synchronization control of grid-forming inverters for smooth microgrid transition. In Proceedings of the 2019 IEEE Power & Energy Society General Meeting (PESGM), Atlanta, GA, USA, 4–8 August 2019; IEEE: Piscataway, NJ, USA, 2019; pp. 1–5. [Google Scholar]
- Song, G.; Cao, B.; Chang, L. Review of Grid-forming Inverters in Support of Power System Operation. Chin. J. Electr. Eng. 2022, 8, 1–15. [Google Scholar] [CrossRef]
- Taul, M.G.; Wang, X.; Davari, P.; Blaabjerg, F. Current limiting control with enhanced dynamics of grid-forming converters during fault conditions. IEEE J. Emerg. Sel. Top. Power Electron. 2019, 8, 1062–1073. [Google Scholar] [CrossRef]
- Fu, X.; Sun, J.; Huang, M.; Tian, Z.; Yan, H.; Iu, H.H.-C.; Hu, P.; Zha, X. Large-signal stability of grid-forming and grid-following controls in voltage source converter: A comparative study. IEEE Trans. Power Electron. 2020, 36, 7832–7840. [Google Scholar] [CrossRef]
- Zacharia, L.; Kyriakou, A.; Hadjidemetriou, L.; Kyriakides, E.; Azzopardi, C.P.; Martensen, N.; Borg, N. Islanding and resynchronization procedure of a university campus microgrid. In Proceedings of the 2018 International Conference on Smart Energy Systems and Technologies (SEST), Seville, Spain, 10–12 September 2018; IEEE: Piscataway, NJ, USA, 2018; pp. 1–6. [Google Scholar]
- Zuo, Y.; Yuan, Z.; Sossan, F.; Zecchino, A.; Cherkaoui, R.; Paolone, M. Performance assessment of grid-forming and grid-following converter interfaced battery energy storage systems on frequency regulation in low-inertia power grids. Sustain. Energy Grids Netw. 2021, 27, 100496. [Google Scholar] [CrossRef]
- Roos, P.A. Comparison of Grid-Forming and Grid-Following Control of VSCs. Independent Thesis Advanced Level (Professional Degree), Uppsala University, Uppsala, Sweden, 2020. [Google Scholar]
- Arif, M.S.; Hasan, M.A. Microgrid architecture, control, and operation. In Hybrid-Renewable Energy Systems in Microgrids; Woodhead Publishing: Cambridge, UK, 2018; pp. 23–37. [Google Scholar]
- Unruh, P.; Nuschke, M.; Strauß, P.; Welck, F. Overview on grid-forming inverter control methods. Energies 2020, 13, 2589. [Google Scholar] [CrossRef]
- Liu, J.; Wang, Z.; Zhu, G.; Xu, H.; Bian, E.; Kang, C. Island operation control strategy for BESS in parallel based on droop control. In Proceedings of the 2017 IEEE Conference on Energy Internet and Energy System Integration (EI2), Beijing, China, 26–28 November 2017; IEEE: Piscataway, NJ, USA, 2017; pp. 1–5. [Google Scholar]
- Ganjian-Aboukheili, M.; Shahabi, M.; Shafiee, Q.; Guerrero, J.M. Seamless transition of microgrids operation from grid connected to islanded mode. IEEE Trans. Smart Grid 2019, 11, 210. [Google Scholar] [CrossRef]
- Bevrani, H.; François, B.; Ise, T. Microgrid Dynamics and Control; John Wiley & Sons: Hoboken, NJ, USA, 2017. [Google Scholar]
- Babu, V.V.; Roselyn, J.P.; Sundaravadivel, P. Multi-objective genetic algorithm based energy management system considering optimal utilization of grid and degradation of battery storage in microgrid. Energy Rep. 2023, 9, 5992–6005. [Google Scholar] [CrossRef]


















| Description | Value |
|---|---|
| Solar PV | 1 MW |
| DC Link Voltage | 750 V |
| Battery | 1 MWh |
| Voltage at point of common coupling | 600 V |
| Inverter | 10 MVA |
| Boost converter | 1.5 MW |
| Bidirectional converter | 1.5 MW |
| Sl. No | Description | Specifications |
|---|---|---|
| 1 | PV Array | 1 MW, 650 V |
| 2 | Load | 1 MW, 600 V |
| 3 | Battery | 1 MW, 920 V |
| 4 | Boost Converter | 1.5 MW, 750 V |
| 5 | Bidirectional Converter | 1.5 MW, 750 V |
| 6 | Inverter | 10 MVA, 950 V |
| Components | Ratings |
|---|---|
| PV module | 1 kW, 200 V |
| Boost converter | 1.5 kW, 300 V |
| Battery rating | 42 Ah, 300 V |
| Bi-Directional converter | 1.5 kW, 300 V |
| DC link voltage | 300 V |
| Grid-side inverter | 10 kVA, 500 V |
Disclaimer/Publisher’s Note: The statements, opinions and data contained in all publications are solely those of the individual author(s) and contributor(s) and not of MDPI and/or the editor(s). MDPI and/or the editor(s) disclaim responsibility for any injury to people or property resulting from any ideas, methods, instructions or products referred to in the content. |
© 2024 by the authors. Licensee MDPI, Basel, Switzerland. This article is an open access article distributed under the terms and conditions of the Creative Commons Attribution (CC BY) license (https://creativecommons.org/licenses/by/4.0/).
Share and Cite
Babu, V.V.; Roselyn, J.P.; Sundaravadivel, P. Coordination of SRF-PLL and Grid Forming Inverter Control in Microgrid with Solar PV and Energy Storage. J. Low Power Electron. Appl. 2024, 14, 29. https://doi.org/10.3390/jlpea14020029
Babu VV, Roselyn JP, Sundaravadivel P. Coordination of SRF-PLL and Grid Forming Inverter Control in Microgrid with Solar PV and Energy Storage. Journal of Low Power Electronics and Applications. 2024; 14(2):29. https://doi.org/10.3390/jlpea14020029
Chicago/Turabian StyleBabu, V. Vignesh, J. Preetha Roselyn, and Prabha Sundaravadivel. 2024. "Coordination of SRF-PLL and Grid Forming Inverter Control in Microgrid with Solar PV and Energy Storage" Journal of Low Power Electronics and Applications 14, no. 2: 29. https://doi.org/10.3390/jlpea14020029
APA StyleBabu, V. V., Roselyn, J. P., & Sundaravadivel, P. (2024). Coordination of SRF-PLL and Grid Forming Inverter Control in Microgrid with Solar PV and Energy Storage. Journal of Low Power Electronics and Applications, 14(2), 29. https://doi.org/10.3390/jlpea14020029

