Influence of Surface Nanocrystallization on Two-Step Pack-Boronizing of AISI 5120 Steel
Abstract
1. Introduction
2. Experimental Procedures
3. Results and Discussion
3.1. Microstructure and Hardness of Sample after SFPB
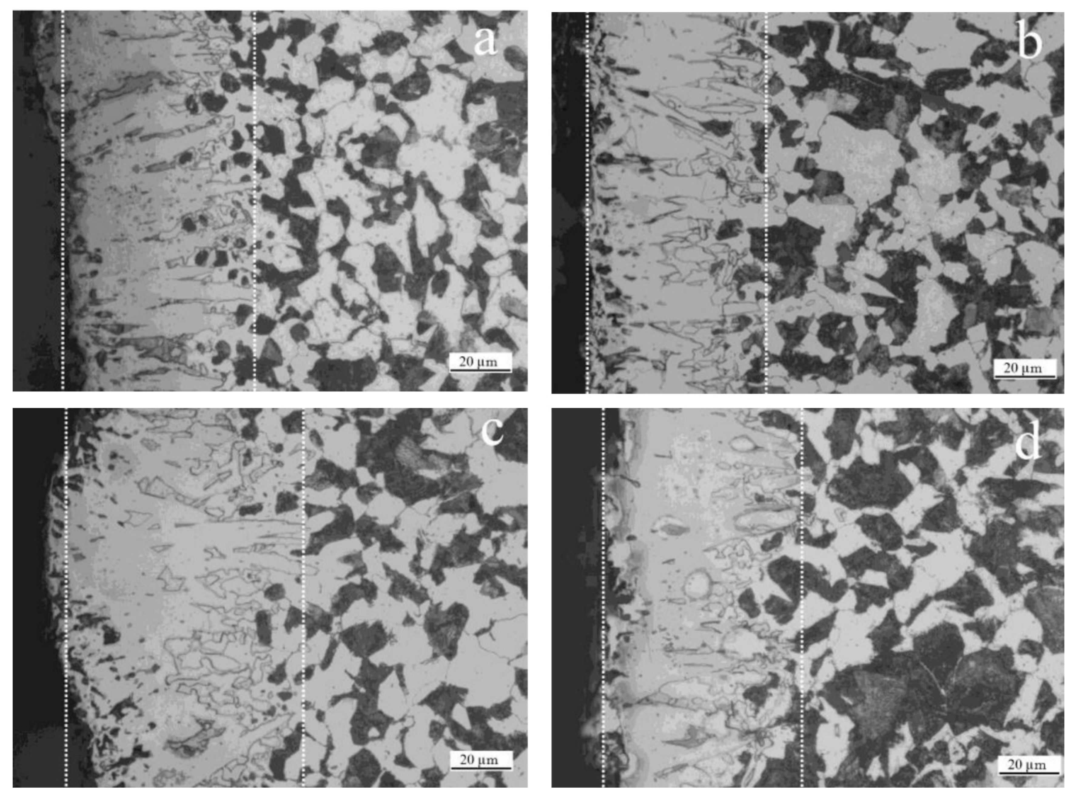
3.2. Characteristics of the Boride Layer for SFPB and Un-SFPB Surfaces
3.3. Phase Constituents and Hardness of Boride Layer
3.4. Formation Mechanism of the Boride Layer
4. Conclusions
Author Contributions
Funding
Institutional Review Board Statement
Informed Consent Statement
Data Availability Statement
Conflicts of Interest
References
- Campos-Silva, I.; Ortiz-Dominguez, M.; Lopez-Perrusquia, N.; Meneses-Amador, A.; Escobar-Galindo, R.; Martinez-Trinidad, J. Characterization of AISI 4140 borided steels. Appl. Surf. Sci. 2010, 256, 2372–2379. [Google Scholar] [CrossRef]
 - Turkmen, I.; Yalamac, E. Growth of the Fe2B layer on sae 1020 steel employed a boron source of H3BO3 during the powder-pack boriding method. J. Alloy. Compd. 2018, 744, 658–666. [Google Scholar] [CrossRef]
 - Kul, M.; Danac, I.; Gezer, S.; Karaca, B. Effect of boronizing composition on hardness of boronized AISI 1045 steel. Mater. Lett. 2020, 279, 128510. [Google Scholar] [CrossRef]
 - Özsoy, A.; Yaman, Y.M. The effect of thermocycling liquid boronizing on the thickness of the boride layer and the transition zone. Scr. Metall. Mater. 1993, 29, 231–236. [Google Scholar] [CrossRef]
 - Kartal, G.; Timur, S.; Sista, V.; Eryilmaz, O.L.; Erdemir, A. The growth of single Fe2B phase on low carbon steel via phase homogenization in electrochemical boriding (PHEB). Surf. Coat. Technol. 2011, 206, 2005–2011. [Google Scholar] [CrossRef]
 - Cimenoglu, H.; Atar, E.; Motallebzadeh, A. High temperature tribological behaviour of borided surfaces based on the phase structure of the boride layer. Wear 2014, 309, 152–158. [Google Scholar] [CrossRef]
 - Sarma, B.; Chandran, K.S.R. Accelerated kinetics of surface hardening by diffusion near phase transition temperature: Mechanism of growth of boride layers on titanium. Acta Mater. 2011, 59, 4216–4228. [Google Scholar] [CrossRef]
 - Kartal, G.; Timur, S.; Eryilmaz, O.L.; Erdemir, A. Influence of process duration on structure and chemistry of borided low carbon steel. Surf. Coat. Technol. 2010, 205, 1578–1583. [Google Scholar] [CrossRef]
 - Taktak, S. Some mechanical properties of borided AISI H13 and 304 steels. Mater. Des. 2007, 28, 1836–1843. [Google Scholar] [CrossRef]
 - Lu, K.; Lu, J. Surface nanocrystallization (SNC) of metallic materials-presentation of the concept behind a new approach. J. Mater. Sci. Technol. 1999, 15, 193–197. [Google Scholar]
 - Pogrebnjak, A.; Ivashchenko, V.; Bondar, O.; Beresnev, V.; Sobol, O.; Załęski, K.; Jurga, S.; Coy, E.; Konarski, P.; Postolnyi, B. Multilayered vacuum-arc nanocomposite TiN/ZrN coatings before and after annealing: Structure, properties, first-principles calculations. Mater. Charact. 2017, 134, 55–63. [Google Scholar] [CrossRef]
 - Balusamy, T.; Narayanan, T.S.N.S.; Ravichandran, K. Effect of surface mechanical attrition treatment (Smat) on boronizing of en8 steel. Surf. Coatings Technol. 2012, 213, 221–228. [Google Scholar] [CrossRef]
 - Balusamy, T.; Narayanan, T.S.N.S.; Ravichandran, K.; Park, I.S.; Min, H.L. Effect of surface mechanical attrition treatment (Smat) on pack boronizing of aisi 304 stainless steel. Surf. Coatings Technol. 2013, 232, 60–67. [Google Scholar] [CrossRef]
 - Yang, H.; Wu, X.; Cao, G.; Yang, Z. Enhanced boronizing kinetics and high temperature wear resistance of H13 steel with boriding treatment assisted by air blast shot peening. Surf. Coatings Technol. 2016, 307, 506–516. [Google Scholar] [CrossRef]
 - Zhang, Y.X.; Yang, J.H.; Ge, L.L.; Zhang, X.; Chen, J.Z. Research on mechanism of surface nanocrystalline layer in 2219 Al alloy induced by supersonic fine particles bombarding. Int. J. Eng. Res. Afr. 2016, 24, 1–8. [Google Scholar]
 - Ge, L.L.; Tian, N.; Lu, Z.X.; You, C.Y. Influence of the surface nanocrystallization on the gas nitriding of Ti-6Al-4V alloy. Appl. Surf. Sci. 2013, 286, 412–416. [Google Scholar]
 - Mei, S.; Zhang, Y.; Zheng, Q.; Fan, Y.; Lygdenov, B.; Guryev, A. Compound boronizing and its kinetics analysis for H13 steel with rare earth CeO2 and Cr2O3. Appl. Sci. 2022, 12, 3636. [Google Scholar] [CrossRef]
 - Cheng, X.; Xie, C. Study on the Mechanism of Rare Earth Elements in Chemical Heat Treatment of Steel. J. Chin. Rare Eart. 1994, 12, 336–339. [Google Scholar]
 - Keddam, M.; Kulka, M.; Makuch, N.; Pertek, A.; Małdziński, L. A kinetic model for estimating the boron activation energies in the FeB and Fe2B layers during the gas-boriding of armco iron: Effect of boride incubation times. Appl. Surf. Sci. 2014, 298, 155–163. [Google Scholar] [CrossRef]
 - Ma, R.N.; Fan, Y.Z.; Cao, X.M.; Wen, M. Influence of micro-addition chromium on the valence electron structure and toughness of Fe2B phase. Appl. Mech. Mater. 2010, 34, 1135–1139. [Google Scholar]
 











Disclaimer/Publisher’s Note: The statements, opinions and data contained in all publications are solely those of the individual author(s) and contributor(s) and not of MDPI and/or the editor(s). MDPI and/or the editor(s) disclaim responsibility for any injury to people or property resulting from any ideas, methods, instructions or products referred to in the content.  | 
© 2023 by the authors. Licensee MDPI, Basel, Switzerland. This article is an open access article distributed under the terms and conditions of the Creative Commons Attribution (CC BY) license (https://creativecommons.org/licenses/by/4.0/).
Share and Cite
Zhang, X.; Tian, N.; Liu, B.; Yuan, Z.; Zhao, R.; Ge, L. Influence of Surface Nanocrystallization on Two-Step Pack-Boronizing of AISI 5120 Steel. Coatings 2023, 13, 1242. https://doi.org/10.3390/coatings13071242
Zhang X, Tian N, Liu B, Yuan Z, Zhao R, Ge L. Influence of Surface Nanocrystallization on Two-Step Pack-Boronizing of AISI 5120 Steel. Coatings. 2023; 13(7):1242. https://doi.org/10.3390/coatings13071242
Chicago/Turabian StyleZhang, Xinyu, Na Tian, Baojian Liu, Zhanwei Yuan, Runze Zhao, and Liling Ge. 2023. "Influence of Surface Nanocrystallization on Two-Step Pack-Boronizing of AISI 5120 Steel" Coatings 13, no. 7: 1242. https://doi.org/10.3390/coatings13071242
APA StyleZhang, X., Tian, N., Liu, B., Yuan, Z., Zhao, R., & Ge, L. (2023). Influence of Surface Nanocrystallization on Two-Step Pack-Boronizing of AISI 5120 Steel. Coatings, 13(7), 1242. https://doi.org/10.3390/coatings13071242
        
