A Game-Based Learning Approach in Digital Design Course to Enhance Students’ Competency †
Abstract
1. Introduction
1.1. Virtual Labs and Simulations
1.2. Gamification and Project-Based Approach
1.3. Asynchronous Videos
1.4. Related Work
1.5. Competency-Based Learning
1.6. Study’s Innovation
1.6.1. The ARCS Model
1.6.2. Malone’s Motivational Model
1.6.3. Educational Strategies
1.6.4. Research Questions
- RQ1.
- What are the students’ learning outcomes in the course?
- RQ2.
- How effective are ready-made digital games in motivating students to be more involved with the course?
- RQ3.
- Is the integration of an online holistic environment in educational process probable to motivate students to learn the course?
- RQ4.
- Is there a statistically significant effect on student’s attention, relevance, confidence, and satisfaction through the integration of an online holistic environment in the educational process of the course?
- RQ5.
- Are there relationships among the attention, relevance, confidence, and satisfaction (ARCS) elements used in the Instructional Materials Motivation Survey (IMMS)?
2. Method
2.1. Procedure
2.1.1. Receiving Feedback
2.1.2. Learning Goals
2.1.3. Tools
2.1.4. Laboratory Experiences
- Educational material with simulation-based activitiesStudents were given on a weekly basis during the semester (12 weeks) an appropriate educational material. It has been divided into six modules, and it was available on the e-class platform. The six modules were: Logic Gates, Arithmetic and Logic Circuits, Multiplexers and Decoders, Flip–Flops, Registers, and Electronic Tic-Tac-Toe. Each module consists of the objectives, which prepare the students for the subject they are called to learn; text, which describes the operation of each logic circuit; logic diagrams, which illustrate the implementation of each logic circuit using Logisim; truth tables, which indicate the output values of each logic circuit with all combinations of input values; learning activities, which must be implemented by students; photos, which illustrate the implementation of each logic circuit using Tinkercad; links to digital electronic circuits, which implement the logic circuits using Tinkercad; and links to short and fast talking instructional videos, which include an audiovisual explanation of each logic circuit.Students were asked to retrieve their theoretical knowledge and realize why they study the theory implementing 34 circuits, interacting with them, and verifying the corresponding truth tables. In addition, it was proposed to them to upload their work on the platform as well as see and comment on their classmate’s work, transmitting their feelings. Social influence and positive recognition have a positive effect on people’s willingness to exercise [62]. The module “Logic Gates” consists of 12 learning activities (Not Gate, And Gate, Or Gate, Xor Gate, Nand Gate, Nor Gate, Not Gate (using Nor Gate), And Gate (using Nor Gate), Or Gate (using Nor Gate), Not Gate (using Nand Gate), And Gate (using Nand Gate), and Or Gate (using Nand Gate)). The module “Arithmetic and Logic Circuits” consists of 10 learning activities (And Bitwise, And Masking, Or Masking, Xor Masking, Half Adder, Full Adder, Half Subtractor, Full Subtractor, 4-Bit Adder/Subtractor, 4-Bit Adder). The module “Multiplexers and Decoders” consists of 2 learning activities (Multiplexer, Binary Decoder). The module “Flip–Flops” consists of 3 learning activities (JK Flip-flop, D Flip-flop, T Flip-flop). The module “Registers” consists of 2 learning activities (SIPO left shift register, SIPO right shift register). The module “Electronic Tic-Tac-Toe” consists of 5 learning activities (Block Circuit, Player Circuit, Winner Circuit, Draw/Win Circuit, Result Circuit).
- Virtual labClive Maxfield, a distinguished contributor to Multimedia Logic, and Brown remarked that one of the best ways to learn something and remember it afterward is by means of hands-on (“fumble and stumble”) experience (1995). Combining a simulation system and a tutoring system can alleviate the disadvantages of having each system operating by itself [63]. Virtual Labs have been designed to facilitate the teaching–learning process for engineering courses at universities and bring the students closer to the real [8]. Using the simulation tools does benefit the students learning the Digital Design [64].Therefore, it was proposed to students to visit links to the Tinkercad platform to compare their work with the 34 circuits of the virtual lab and also buy the required tools in order to organize their personal lab. The provided circuits’ designs have been developed by the author and are freely available for inclusion to other courses under the Creative Commons license. Until this day, the circuits have been shared and used hundreds of times by students and professors around the world. Thus, one of the contributions of this work is the provision of a freely available collection of circuits, fully simulated and tested, for educational purposes.
- Instructional videosShoufan provided an ordered list of factors [65] that affect students’ perception relatively to educational videos of the “Digital Design course” and “Embedded Systems course” which were collected from YouTube. At the top of this list is the quality of explanation followed by the technical presentation, the content, the efficiency, the speaker’s voice and language, and finally, the interestingness of the video. According to [66], short videos during 0–3 min, videos produced with a more personal feel, and videos where instructors speak fairly fast and with high enthusiasm are much more engaging. To maximize student engagement, instructors must plan their lessons specifically for an online video format. Although presentation styles have worked well for centuries in traditional lectures, they are not always suitable for online instructional videos.Therefore, it was proposed to students to visit links to the Loom platform and receive feedback watching 34 corresponding instructional videos. The narrative that accompanies the video demonstration is spoken by a female voice, and the mouse pointer is used in order to highlight screen objects. The narration uses simple language, is detailed, without leaving gaps in explanation, without leaving questions unanswered, synchronizes the simulation process and explanation, and does not provide too much information. The average video length is 1.69 min, and the video length ranges from 0.42 to 3.22 min.
- Game as a capstone projectOne method with which games can be used as educational strategy is to teach the object through game development. The students participated collaboratively in the implementation of digital electronic circuits, which simulates Tic-Tac-Toe as a project. They could use simple digital design tools and integrated circuits but no processor. Projects can fulfill some educational objectives in contrast to lectures. A project can allow a student to explore in depth a topic, become very strongly motivated, and continue the project long after the class is over [67]. In order to complete the gamified project successfully, the students were asked to achieve the following:
- (A)
- Identify the rules of the game. We chose this game because it is already known and has simple rules. This game is played with two players and consists of 9 blocks arranged in 3 rows and 3 columns. Its difference from the classic version is that every time a player selects a block using a dip switch, his color (red or blue) lights up on an RGB LED. Therefore, a player wins the game when three LEDs are lit with the same color in horizontal, vertical, or diagonal order.
- (B)
- Identify constraints of the game. (a) Each player selects one of the 9 blocks using a dip switch, and the confirmation of their selection is indicated by the color of an RGB LED of that block. The blue color corresponds to player_1 and the red one corresponds to player_2. The game starts with player_1. (b) Each block can be selected by only one player. (c) The player should be able to reset the game. (d) An LED must be lit when the game ends with either a draw or a win. (e) In case the game ends with a player’s win, an RGB LED should lit with his corresponding color. (f) The result must be locked in case a player wins.
- (C)
- Divide the game into individual steps.
- (D)
- Identify the required tools, the inputs and the outputs of each step, implement each step of the game, verify its functionality.
- (E)
- Think about the game as a whole through the combination of the individual steps.
- (F)
- Visit links to Tinkercad platform and links to Loom platform.
- Implementation of the game.The implementation of Tic-Tac-Toe (see Appendix A) was analyzed in 5 simpler digital electronic circuits, as shown in Figure 2. The tools that were used as well as the input and the output of each circuit are described below:
- (A)
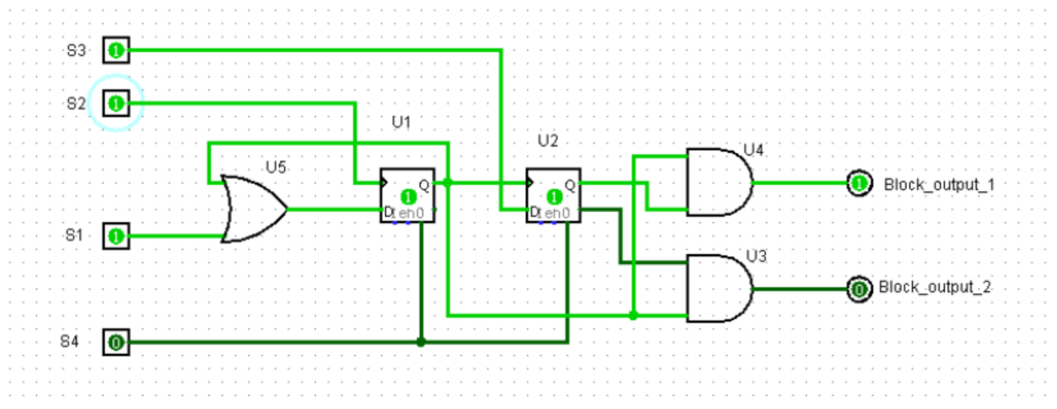
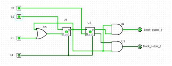
- The 1st step describes the Block circuit. As input, we used (a) a Dip switch (S1) that corresponds to the player’s selection, and if a player switches it from 0 to 1, that indicates that the same player selects this block; otherwise, this block has not been selected by anyone, (b) a Dip switch (S2) that corresponds to the clock, (c) a Dip switch (S3) that corresponds to the player’s turn, if a player switches the (S3) from 0 to 1, that indicates that the player_1 plays and from 1 to 0 indicates that player_2 plays, and (d) a Dip switch (S4) that resets the game if a player switches the (S4) from 0 to 1 where the LED goes out. As output, the block circuit produces block_output_2, which affects the red color of the RGB LEDand block_output_1, which affects the blue color of the RGB led. As shown in Figure 3, switch (S3) has the value 1, so it was the turn of player_1, and switch (S1) has the value 1, so the specific block has been selected by the player, switch (S4) has the value 0, so the game continues, and switch (S2) has changed from value 0 to value 1. Therefore, the blue color of the RGB LED was expected to light up.
- (B)
- The 2nd step describes the Player circuit. The rotation of players is done automatically. As input, we used 9 Dip switches (S5, S6, S7) that correspond to the value of the (S1) in each of the blocks A, B, C, etc. As output, the player circuit produces a sequence where player_output has the value 0 where the LED is off if it is player_1’s turn and player_output has the value 1 where the LED is on if it is player_2’s turn. As shown in Figure 4, two blocks have been selected, so the LED is off. This means that player_2 played last, and it is player_1’s turn.
- (C)
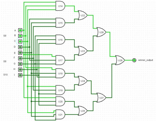
- The 3rd step describes the Winner circuit. It is possible to end the game with or without a winner. That is, a winner exists if the switches have the value 1 at three specific blocks, in one of the cases ABC, DEF, GHI, AEI, CEG, ADG, BEH, or CFI. The winner check is repeated twice: once to check if player_1 won and once to check if player_2 won. As input, we used 9 Dip switches (S8, S9, S10), which correspond to block_output_1 for player_1 and block_output_2 for player_2 at each of the blocks A, B, C, etc. As output, the winner circuit produces winner_output the value 1 in case all three specific switches have the value 1 where the LED is on; otherwise, it produces as winner_output the value 0 where the LED is off. As shown in Figure 5, blocks A, B, and C have been selected, so the LED is on, and the game ends with a winner.
- (D)
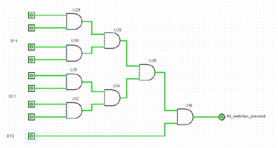
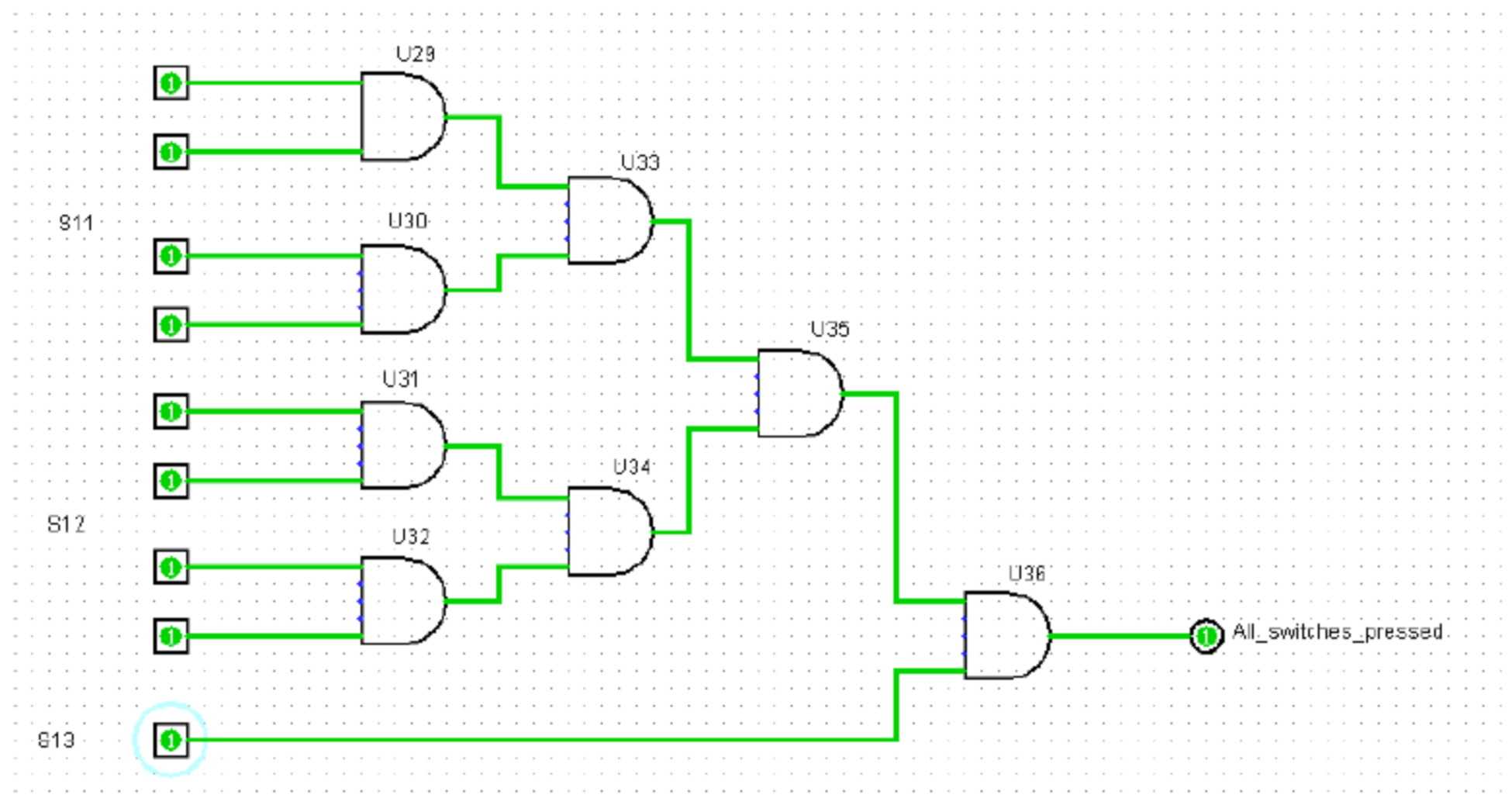
- The 4th step describes the Draw/Win circuit. If all the switches have been selected and all RGB LEDs are on, respectively, it means that there is a draw or a winner. As input, we used 9 Dip switches (S11, S12, S13), which correspond to the value of (S1) in each of the blocks A, B, C, etc. As output, the Draw/Win circuit produces all_switches_pressed the value 1 in case all the switches have the value 1 where the LED is on and all_switches_pressed the value 0 in case not all switches have the value 1 where the LED is off. As shown in Figure 6, all blocks have been selected, so the LED is on. During the implementation of the game, the All_switches_pressed is connected to an LED, which lights up when the game is over.
- (E)
- The 5th step describes the Result circuit. As input, we used Dip switch (S14), which corresponds to the winner_output of player_1 and Dip switch (S15), which corresponds to the winner_output of player_2. As output, the resulting circuit produces final_winner_output1 the value 1 in case player_2 has not won where player_1’s LED is on and final_winner_output2 the value 1 in case player_1 has not won where player_2’s LED is on. As shown in Figure 7, although initially switch (S14) changed to value 1 and then switch (S15) changed to value 1, only player_1’s LED is on. During the implementation of the game, the final_winner_output1 is connected to the blue color of an RGB LED and the final_winner_output2 is connected to the red color. Therefore, the color of the RGB LED will also show the winner.
- The design features that confirm ARCS and Malone’s motivation model are described below. The incompleteness of knowledge through the images illustrating the logic circuits, the speaker’s voice of the instructional videos, and the use of RGB LEDs with color changes in their light can evoke students’ sensory curiosity, and the continuous evolution of circuits’ design can evoke their cognitive curiosity. Students simulate and implement the game imagining that they play the game in a real world with paper and pen. The implementation of the electronic Tic-Tac-Toe consists of five logic circuits, and the combination of the game is not divulged beforehand in order to challenge them to combine the circuits. Additionally, there are module objectives in order to attract students’ attention. The electronic Tic-Tac-Toe offers the opportunity for the student to satisfy his need to implement a game and have a feeling of perceived relevance. Students’ repetitive interaction with the circuits and the instant feedback can increase their self-esteem and build their confidence. Simulating the circuits, the students validate the output and feel satisfaction.
2.2. Participants
2.3. Questionnaires
2.4. Data Analysis
3. Results
3.1. Research Question 1
3.2. Research Question 2
3.3. Research Question 3
- H0: It is probable to use the integration of an online holistic environment in the educational process to motivate students to learn the course.
- H1: It is not probable to use the integration of an online holistic environment in the educational process to motivate students to learn the course.
3.4. Research Question 4
- H0: There is not a statistically significant effect on students’ attention, relevance, confidence, and satisfaction through the integration of an online holistic environment in the educational process of the course.
- H1: There is a statistically significant effect on students’ attention, relevance, confidence, and satisfaction through the integration of an online holistic environment in the educational process of the course.
3.5. Research Question 5
4. Discussion
5. Conclusions
Author Contributions
Funding
Institutional Review Board Statement
Informed Consent Statement
Data Availability Statement
Conflicts of Interest
Appendix A





Appendix B
| 2017 | 2018 | |||||
|---|---|---|---|---|---|---|
| Questions | Opt1 | Opt2 | Opt3 | Opt1 | Opt2 | Opt3 |
| Q1. Have you understood the difference between a digital system and an analog one? | 10.7% | 60.7% | 28.6% | 10.5% | 47.4% | 42.1% |
| Q2. Have you understood the operation of transistors? | 10.7% | 71.4% | 17.9% | 31.6% | 52.6% | 15.8% |
| Q3. Have you understood Boolean algebra? | 3.6% | 14.3% | 82.1% | 0.0% | 10.5% | 89.5% |
| Q4. Have you understood the conversion of numbers into different number systems? | 0.0% | 14.3% | 85.7% | 0.0% | 21.1% | 78.9% |
| Q5. Have you understood whether logic is objective or subjective? | 14.3% | 57.1% | 28.6% | 36.8% | 36.8% | 26.3% |
| Q6. Have you understood the importance of the logic expressions? | 3.6% | 42.9% | 53.6% | 10.5% | 42.1% | 47.4% |
| Q7. Have you understood how a digital circuit is designed? | 0.0% | 39.3% | 60.7% | 0.0% | 15.8% | 84.2% |
| Q8. Have you understood the TTL logic family? | 57.1% | 39.3% | 3.6% | 63.2% | 36.8% | 0.0% |
| Q9. Have you understood in how many ways a circuit can be designed? | 0.0% | 64.3% | 35.7% | 0.0% | 21.1% | 78.9% |
| Q10. Have you understood the logic gates? | 0.0% | 10.7% | 89.3% | 0.0% | 5.3% | 94.7% |
| Q11. Have you understood the equivalent logic gates? | 7.1% | 32.1% | 60.7% | 0.0% | 15.8% | 84.2% |
| Q12. To what extent can you design the truth table of a circuit? | 0.0% | 17.9% | 82.1% | 0.0% | 5.3% | 94.7% |
| 2017 | 2018 | |||||
|---|---|---|---|---|---|---|
| Questions | Opt1 | Opt2 | Opt3 | Opt1 | Opt2 | Opt3 |
| Q13. Have you understood the usefulness of the Karnaugh map? | 0.0% | 17.9% | 82.1% | 0.0% | 0.0% | 100% |
| Q14. To what extent can you distinguish the minterms from the maxterms? | 0.0% | 10.7% | 89.3% | 0.0% | 5.3% | 94.7% |
| Q15. To what extent can you simplify a circuit using the Karnaugh map? | 0.0% | 21.4% | 78.6% | 0.0% | 10.5% | 89.5% |
| Q16. Have you understood what sequential circuits are? | 10.7% | 57.1% | 32.1% | 0.0% | 52.6% | 47.4% |
| Q17. Have you understood the function of Half-Adder/Full Adder? | 10.7% | 50.0% | 39.3% | 15.8% | 57.9% | 26.3% |
| Q18. Have you understood the function of the Decoder/Demultiplexer? | 14.3% | 53.6% | 32.1% | 0.0% | 52.6% | 47.4% |
| Q19. Have you understood what the synchronous circuit is in electronics? | 25.0% | 46.4% | 28.6% | 26.3% | 42.1% | 31.6% |
| Q20. Have you understood the function of the clock in a circuit? | 25.0% | 53.6% | 21.4% | 21.1% | 63.2% | 15.8% |
| Q21. Have you understood how frequency is related to the clock? | 32.1% | 53.6% | 14.3% | 31.6% | 57.9% | 10.5% |
| Q22. Have you understood what memory circuits are? | 39.3% | 35.7% | 25.0% | 26.3% | 57.9% | 15.8% |
| Q23. Have you understood the function of Flip-Flop? | 39.3% | 53.6% | 7.1% | 21.1% | 73.7% | 5.3% |
| Q24. Have you understood the finite-state machine? | 39.3% | 50.0% | 10.7% | 52.6% | 47.4% | 0.0% |
| Q25. Have you understood the process of detection and self-correction in a finite-state machine? | 42.9% | 53.6% | 3.6% | 57.9% | 36.8% | 5.3% |
Appendix C
| 2017 | 2018 | |||||
|---|---|---|---|---|---|---|
| Questions | Option 1 | Option 2 | Option 3 | Option 1 | Option 2 | Option 3 |
| Q1. Did you find the games interesting? | 0.0% | 35.7% | 64.3% | 0.0% | 66.7% | 33.3% |
| Q2.To what extent did the games help | 0.0% | 64.3% | 35.7% | 0.0% | 83.3% | 16.7% |
| you to understand the concepts of the course? | ||||||
| Q3. Do you think that the games motivate | 78.6% | 21.4% | 66.7% | 33.3% | ||
| you to spend more time on the lesson? | ||||||
| Q4. Would you like to have a variety of games? | 92.9% | 7.1% | 83.3% | 16.7% | ||
| Q5. Would you like this educational approach | 100.0% | 0.0% | 100.0% | 0.0% | ||
| to be integrated in other subjects as well? |
Appendix D
| Questions | Cronbach’s Alpha |
|---|---|
| Attention | |
| Q2. There was something interesting at the beginning of the lab that caught my attention. | 0.915 |
| Q8. The virtual lab was enjoyable for me. | 0.924 |
| Q11. The lab was well designed and helped me maintain my focus. | 0.912 |
| Q12. This lab is so confusing that it was difficult for me to keep my attention on it | 0.914 |
| Q15. I did not like the activities of this lab. | 0.913 |
| Q17. The way the lab is organized helped me to keep my attention. | 0.914 |
| Q20. This lab has things that piqued my curiosity, e.g., what other games I could implement. | 0.915 |
| Q22. Repeating some things in this lesson made me bored sometimes. | 0.916 |
| Q24. I learned some things that were unexpected. | 0.918 |
| Q28. The pictures, the interaction with the circuits, and the instructional videos helped me to keep my attention in the lab. | 0.912 |
| Q29. The presentation style of the circuits (using Tinkercad and Loom web application) is boring. | 0.920 |
| Q31. There is a lot of information and texts that are annoying. | 0.915 |
| Relevance | |
| Q6. It is clear to me that the activities of the lab are related to what I already know. | 0.914 |
| Q9. There were pictures and videos that helped me understand that what I learned was important. | 0.924 |
| Q10. The successful completion of this lab was important to me. | 0.914 |
| Q16. The content of this lab is related to my interests. | 0.920 |
| Q18. There are examples of how someone can use his knowledge, e.g., Tic-Tac-Toe implementation. | 0.920 |
| Q23. The content of the lab gives the impression that it is worth knowing. | 0.915 |
| Q26. This lab was not relevant to my needs, because I already knew most of it. | 0.915 |
| Q30. I could relate the content of this lab to things I have seen, done, or thought about in my life. | 0.919 |
| Q33. The content of this lab is useful to me. | 0.913 |
| Confidence | |
| Q1. In the first contact I had with the lab, I had the impression that it would be easy for me. | 0.916 |
| Q3. The simulated circuits in the Tinkercad application were more difficult for me than I would like them to be. | 0.922 |
| Q4. After reading the introductory information of the lab, I felt confident about what I needed to learn in it. | 0.917 |
| Q7. The activities had a lot of information and it was difficult to choose and remember the important points. | 0.919 |
| Q13. As I was performing the activities in this lab, I was sure I could implement them on a board. | 0.921 |
| Q19. The activities in this lab were very difficult. | 0.915 |
| Q25. After working for this lab, I was sure I could pass a test in it. | 0.914 |
| Q34. I could not really understand many things in this lab. | 0.912 |
| Q35. The good organization of the lab helped me to be sure that I can implement the circuits. | 0.913 |
| Satisfaction | |
| Q5. When I completed the activities of the lab, I felt satisfaction. | 0.916 |
| Q14. I really liked this lab and I would like to learn more about Digital Design. | 0.914 |
| Q21. I really enjoyed studying in this lab. | 0.912 |
| Q27. Watching educational videos helped me feel rewarded for my effort, e.g., the verification of the truth tables. | 0.915 |
| Q32. I felt I would successfully complete this lab. | 0.913 |
| Q36. It was a pleasure to work with such a well-designed lab. | 0.913 |
References
- Grauer, M. Information Technology. In International Encyclopedia of the Social & Behavioral Sciences; Smelser, N.J., Baltes, P.B., Eds.; Pergamon: Oxford, UK, 2001; pp. 7473–7476. [Google Scholar] [CrossRef]
- Zhao, Y.; He, Y. Some Key Issues of Teaching Reform about Digital Logic. In Proceedings of the 2012 IEEE Asia-Pacific Services Computing Conference, Guilin, China, 6–8 December 2012; pp. 406–409. [Google Scholar] [CrossRef]
- Chan, C.K.; Luk, L.Y. Academics’ beliefs towards holistic competency development and assessment: A case study in engineering education. Stud. Educ. Eval. 2022, 72, 101102. [Google Scholar] [CrossRef]
- Iglesias-Pradas, S.; Hernández-García, Á.; Chaparro-Peláez, J.; Prieto, J.L. Emergency remote teaching and students’ academic performance in higher education during the COVID-19 pandemic: A case study. Comput. Hum. Behav. 2021, 119, 106713. [Google Scholar] [CrossRef]
- Chien, C.F.; Liao, C.J. From Learning Literature to Online Holistic Education: An Investigation of an Online Holistic Environment for College Students. Int. J. Web-Based Learn. Teach. Technol. 2021, 16, 1–17. [Google Scholar] [CrossRef]
- Potkonjak, V.; Gardner, M.; Callaghan, V.; Mattila, P.; Guetl, C.; Petrović, V.M.; Jovanović, K. Virtual laboratories for education in science, technology, and engineering: A review. Comput. Educ. 2016, 95, 309–327. [Google Scholar] [CrossRef]
- Meneses, G.A. Design of an electronic instrumentation virtual laboratory based on free-open resources. In Proceedings of the 2011 6th Colombian Computing Congress (CCC), Manizales, Colombia, 4–6 May 2011; pp. 1–6. [Google Scholar] [CrossRef]
- Vergara, D.; Fernández-Arias, P.; Extremera, J.; Dávila, L.P.; Rubio, M.P. Educational trends post COVID-19 in engineering: Virtual laboratories. Mater. Today Proc. 2022, 49, 155–160. [Google Scholar] [CrossRef] [PubMed]
- Fromm, J.; Radianti, J.; Wehking, C.; Stieglitz, S.; Majchrzak, T.A.; vom Brocke, J. More than experience?–On the unique opportunities of virtual reality to afford a holistic experiential learning cycle. Internet High. Educ. 2021, 50, 100804. [Google Scholar] [CrossRef]
- Barreda-Ángeles, M.; Hartmann, T. Psychological benefits of using social virtual reality platforms during the covid-19 pandemic: The role of social and spatial presence. Comput. Hum. Behav. 2022, 127, 107047. [Google Scholar] [CrossRef] [PubMed]
- Xu, J.; Lio, A.; Dhaliwal, H.; Andrei, S.; Balakrishnan, S.; Nagani, U.; Samadder, S. Psychological interventions of virtual gamification within academic intrinsic motivation: A systematic review. J. Affect. Disord. 2021, 293, 444–465. [Google Scholar] [CrossRef] [PubMed]
- Morrison, B.B.; Preston, J.A. Engagement: Gaming throughout the Curriculum. In Proceedings of the 40th ACM Technical Symposium on Computer Science Education, Chattanooga, TN, USA, 4–7 March 2009; Association for Computing Machinery: New York, NY, USA, 2009; pp. 342–346. [Google Scholar] [CrossRef]
- Sprint, G.; Cook, D. Enhancing the CS1 student experience with gamification. In Proceedings of the 2015 IEEE Integrated STEM Education Conference, Princeton, NJ, USA, 7 March 2015; pp. 94–99. [Google Scholar] [CrossRef]
- Maia, R.F.; Graeml, F.R. Playing and Learning with Gamification: An in-Class Concurrent and Distributed Programming Activity. In Proceedings of the 2015 IEEE Frontiers in Education Conference (FIE), El Paso, TX, USA, 21–24 October 2015; IEEE Computer Society: Washington, DC, USA, 2015; pp. 1–6. [Google Scholar] [CrossRef]
- Ahmad, A.; Zeshan, F.; Khan, M.S.; Marriam, R.; Ali, A.; Samreen, A. The Impact of Gamification on Learning Outcomes of Computer Science Majors. ACM Trans. Comput. Educ. 2020, 20, 1–25. [Google Scholar] [CrossRef]
- Velaora, C.; Kakarountas, A. Logic Design as an Enabler to Python Programming Language Teaching. In Proceedings of the 2019 Panhellenic Conference on Electronics Telecommunications (PACET), Volos, Greece, 8–9 November 2019; pp. 1–6. [Google Scholar] [CrossRef]
- Ristov, S.; Ackovska, N.; Kirandziska, V. Gamifying the Project in Hardware-based Courses. Int. J. Eng. Pedagog. (iJEP) 2015, 5, 4–11. [Google Scholar] [CrossRef]
- Tlili, A.; Essalmi, F.; Jemni, M. A Mobile Educational Game for Teaching Computer Architecture. In Proceedings of the 2015 IEEE 15th International Conference on Advanced Learning Technologies, Hualien, Taiwan, 6–9 July 2015; pp. 161–163. [Google Scholar] [CrossRef]
- Barata, G.; Gama, S.; Jorge, J.; Goncalves, D. Engaging Engineering Students with Gamification. In Proceedings of the 2013 5th International Conference on Games and Virtual Worlds for Serious Applications (VS-GAMES), Poole, UK, 11–13 September 2013; pp. 1–8. [Google Scholar] [CrossRef]
- Battistella, P.; Gresse von Wangenheim, C. Games for Teaching Computing in Higher Education–A Systematic Review. IEEE Technol. Eng. Educ. (ITEE) 2016, 1, 8–30. [Google Scholar]
- Harper, M.; Miller, J.; Shen, Y. Digi Island: A serious game for teaching and learning digital circuit optimization. In Proceedings of the MODSIM World 2010 Conference, Hampton, VA, USA, 13–15 October 2010; pp. 869–889. [Google Scholar]
- Morsi, R.; Richards, C. BINX: An XNA/XBox 360 educational game for electrical and computer engineers. Consum. Electron. Times 2012, 1, 33–42. [Google Scholar]
- Tang, Y.; Shetty, S.; Chen, X. Educational Effectiveness of Virtual Reality Games Promoting Metacognition and Problem-solving. In Proceedings of the 2012 ASEE Annual Conference & Exposition, San Antonio, TX, USA, 10–13 June 2012; pp. 25.495.1–25.495.7. [Google Scholar] [CrossRef]
- Belfore, L.A.; Adcock, A.B.; Watson, G.S. Introducing Digital Logic and Electronics Concepts in a Game-like Environment. In Proceedings of the 2009 Spring Simulation Multiconference, San Diego, CA, USA, 22–27 March 2009; Society for Computer Simulation International: San Diego, CA, USA, 2009; pp. 1–7. [Google Scholar]
- Srinivasan, V.; Butler-Purry, K.; Pedersen, S. Using Video Games to Enhance Learning in Digital Systems. In Proceedings of the 2008 Conference on Future Play: Research, Play, Share, Toronto, ON, Canada, 3–5 November 2008; Association for Computing Machinery: New York, NY, USA, 2008; pp. 196–199. [Google Scholar] [CrossRef]
- Troussas, C.; Krouska, A.; Sgouropoulou, C. Collaboration and fuzzy-modeled personalization for mobile game-based learning in higher education. Comput. Educ. 2020, 144, 103698. [Google Scholar] [CrossRef]
- Johnson, D.; Deterding, S.; Kuhn, K.A.; Staneva, A.; Stoyanov, S.; Hides, L. Gamification for health and wellbeing: A systematic review of the literature. Internet Interv. 2016, 6, 89–106. [Google Scholar] [CrossRef]
- Lister, C.; West, J.H.; Cannon, B.; Sax, T.; Brodegard, D. Just a Fad? Gamification in Health and Fitness Apps. JMIR Serious Games 2014, 2, e9. [Google Scholar] [CrossRef]
- Vella, K.; Peever, N.; Klarkowski, M.; Ploderer, B.; Mitchell, J.; Johnson, D. Using Applied Games to Engage MHealth Users: A Case Study of MindMax. In Proceedings of the 2018 Annual Symposium on Computer-Human Interaction in Play, Melbourne, Australia, 28–31 October 2018; Association for Computing Machinery: New York, NY, USA, 2018; pp. 511–522. [Google Scholar] [CrossRef]
- Schmidt-Kraepelin, M.; Warsinsky, S.; Thiebes, S.; Sunyaev, A. The Role of Gamification in Health Behavior Change: A Review of Theory-driven Studies. In Proceedings of the 53rd Hawaii International Conference on System Sciences, Maui, HI, USA, 7–10 January 2020; pp. 1256–1265. [Google Scholar] [CrossRef]
- Mullins, J.K.; Sabherwal, R. Gamification: A cognitive-emotional view. J. Bus. Res. 2020, 106, 304–314. [Google Scholar] [CrossRef]
- Baptista, G.; Oliveira, T. Gamification and serious games: A literature meta-analysis and integrative model. Comput. Hum. Behav. 2019, 92, 306–315. [Google Scholar] [CrossRef]
- Aparicio, M.; Oliveira, T.; Bacao, F.; Painho, M. Gamification: A key determinant of massive open online course (MOOC) success. Inf. Manag. 2019, 56, 39–54. [Google Scholar] [CrossRef]
- Beneroso, D.; Robinson, J. Online project-based learning in engineering design: Supporting the acquisition of design skills. Educ. Chem. Eng. 2022, 38, 38–47. [Google Scholar] [CrossRef]
- Ismail, N.; Aziz, N.; Hong, C.; Zainal, M. Assessing Teamwork Value in Project-Based Learning of Capstone Project Course. In Proceedings of the 2019 International Conference on Student and Disable Student Development (ICoSD), Johor, Malaysia, 29 November–1 December 2019; pp. 148–158. [Google Scholar] [CrossRef]
- Malhotra, R.; Massoudi, M.; Jindal, R. An Innovative Approach: Coupling Project-Based Learning and Game-Based Learning Approach in Teaching Software Engineering Course. In Proceedings of the 2020 IEEE International Conference on Technology, Engineering, Management for Societal Impact Using Marketing, Entrepreneurship and Talent (TEMSMET), Bengaluru, India, 10 December 2020; pp. 1–5. [Google Scholar] [CrossRef]
- Bétrancourt, M.; Benetos, K. Why and when does instructional video facilitate learning? A commentary to the special issue “developments and trends in learning with instructional video”. Comput. Hum. Behav. 2018, 89, 471–475. [Google Scholar] [CrossRef]
- Clark, M.J.; Paivio, A. Dual Coding Theory and Education. Educ. Psychol. Rev. 1991, 3, 149–210. [Google Scholar] [CrossRef]
- Expósito, A.; Sánchez-Rivas, J.; Gómez-Calero, M.P.; Pablo-Romero, M.P. Examining the use of instructional video clips for teaching macroeconomics. Comput. Educ. 2020, 144, 103709. [Google Scholar] [CrossRef]
- Kay, R.H. Exploring the use of video podcasts in education: A comprehensive review of the literature. Comput. Hum. Behav. 2012, 28, 820–831. [Google Scholar] [CrossRef]
- Lowenthal, P.; Borup, J.; West, R.; Archambault, L. Thinking Beyond Zoom: Using Asynchronous Video to Maintain Connection and Engagement During the COVID-19 Pandemic. J. Technol. Teach. Educ. 2020, 28, 383–391. [Google Scholar]
- Kaplan-Rakowski, R. Addressing students’ emotional needs during the COVID-19 pandemic: A perspective on text versus video feedback in online environments. Educ. Tech. Res. Dev. 2021, 69, 133–136. [Google Scholar] [CrossRef] [PubMed]
- Borup, J.; West, R.E.; Graham, C.R. Improving online social presence through asynchronous video. Internet High. Educ. 2012, 15, 195–203. [Google Scholar] [CrossRef]
- Shalannanda, W. Digital Logic Design Laboratory using Autodesk Tinkercad and Google Classroom. In Proceedings of the 2020 14th International Conference on Telecommunication Systems, Services, and Applications (TSSA), Bandung, Indonesia, 4–5 November 2020; pp. 1–5. [Google Scholar] [CrossRef]
- Shoufan, A. Lecture-Free Classroom: Fully Active Learning on Moodle. IEEE Trans. Educ. 2020, 63, 314–321. [Google Scholar] [CrossRef]
- Alsadoon, A.; Prasad, P.; Beg, A. Using software simulators to enhance the learning of digital logic design for the information technology students. Eur. J. Eng. Educ. 2017, 42, 533–546. [Google Scholar] [CrossRef]
- Stanisavljevic, Z.; Pavlovic, V.; Nikolic, B.; Djordjevic, J. SDLDS—System for Digital Logic Design and Simulation. IEEE Trans. Educ. 2013, 56, 235–245. [Google Scholar] [CrossRef]
- Velaora, C.; Kakarountas, A. Game-Based Learning for Engineering Education. In Proceedings of the 2021 6th South-East Europe Design Automation, Computer Engineering, Computer Networks and Social Media Conference (SEEDA-CECNSM), Preveza, Greece, 24–26 September 2021; pp. 1–6. [Google Scholar] [CrossRef]
- Clear, A.; Parrish, A.; Impagliazzo, J.; Wang, P.; Ciancarini, P.; Cuadros-Vargas, E.; Frezza, S.; Gal-Ezer, J.; Pears, A.; Takada, S.; et al. Computing Curricula 2020 (CC2020) Paradigms for Global Computing Education; ACM: New York, NY, USA, 2020. [Google Scholar]
- Syal, S.; Nietfeld, J.L. The impact of trace data and motivational self-reports in a game-based learning environment. Comput. Educ. 2020, 157, 103978. [Google Scholar] [CrossRef]
- Lu, X.; Li, Q.; Wang, X. Research on the Impacts of Feedback in Instructional Videos on College Students’ Attention and Learning Effects. In Proceedings of the 2021 IEEE 24th International Conference on Computer Supported Cooperative Work in Design (CSCWD), Dalian, China, 5–7 May 2021; pp. 513–516. [Google Scholar] [CrossRef]
- Martí-Parreño, J.; Galbis-Córdova, A.; Miquel-Romero, M.J. Students’ attitude towards the use of educational video games to develop competencies. Comput. Hum. Behav. 2018, 81, 366–377. [Google Scholar] [CrossRef]
- Noroozi, O.; Dehghanzadeh, H.; Talaee, E. A Systematic Review on the Impacts of Game-Based Learning on Argumentation Skills. Entertain. Comput. 2020, 35, 100369. [Google Scholar] [CrossRef]
- Stone, R.; Cooke, M.; Mitchell, M. Exploring the meaning of undergraduate nursing students’ experiences and confidence in clinical skills using video. Nurse Educ. Today 2019, 86, 104322. [Google Scholar] [CrossRef] [PubMed]
- Keller, J.M. Development and use of the ARCS model of motivational design. J. Instr. Dev. 1987, 10, 2–11. [Google Scholar] [CrossRef]
- Chang, C.S.; Chung, C.H.; Chang, J. Influence of problem-based learning games on effective computer programming learning in higher education. Educ. Technol. Res. Dev. 2020, 68, 2615–2634. [Google Scholar] [CrossRef]
- Donkor, F. Assessment of learner acceptance and satisfaction with video-based instructional materials for teaching practical skills at a distance. Int. Rev. Res. Open Distrib. Learn. 2011, 12, 74–92. [Google Scholar] [CrossRef]
- Malone, T.W. Toward a Theory of Intrinsically Motivating Instruction. Cogn. Sci. 1981, 5, 333–369. [Google Scholar] [CrossRef]
- Malone, T.W.; Lepper, M.R. Making Learning Fun: A Taxonomy of Intrinsic Motivations for Learning; Lawrence Erlbaum Associates: London, UK, 1987; pp. 223–253. [Google Scholar]
- Bloom, B.S.; Engelhart, M.D.; Furst, E.G.; Hill, W.H.; Krathwohl, D.R. Taxonomy of Educational Objectives: Handbook 1 Cognitive Domain; McKAY Company, Inc.: New York, NY, USA, 1956. [Google Scholar]
- Thomas, R.; Izatt, J. A taxomony of Engineering Design tasks and its applicability to university Engineering Education. Eur. J. Eng. Educ. 2003, 28, 535–547. [Google Scholar] [CrossRef]
- Hamari, J.; Koivisto, J. “Working out for likes”: An empirical study on social influence in exercise gamification. Comput. Hum. Behav. 2015, 50, 333–347. [Google Scholar] [CrossRef]
- Petrescu, I.; Păvăloiu, I.B.; Drăgoi, G. Digital Logic Introduction Using FPGAs. Procedia Soc. Behav. Sci. 2015, 180, 1507–1513. [Google Scholar] [CrossRef][Green Version]
- Prasad, P.; Alsadoon, A.; Beg, A.; Chan, A. Incorporating simulation tools in the teaching of digital logic design. In Proceedings of the 2014 IEEE International Conference on Control System, Computing and Engineering (ICCSCE), Penang, Malaysia, 28–30 November 2014; pp. 18–22. [Google Scholar] [CrossRef]
- Shoufan, A. What motivates university students to like or dislike an educational online video? A sentimental framework. Comput. Educ. 2019, 134, 132–144. [Google Scholar] [CrossRef]
- Guo, P.J.; Kim, J.; Rubin, R. How Video Production Affects Student Engagement: An Empirical Study of MOOC Videos. In Proceedings of the 2014 ACM Conference on Learning @ Scale Conference (L@S), Atlanta, GA, USA, 4–5 March 2014; pp. 41–50. [Google Scholar] [CrossRef]
- Wankat, P.; Oreovicz, F. Teaching Engineering; McGraw-Hill: New York, NY, USA, 1993; pp. 1–353. [Google Scholar]
- Rajkumar, R. COVID-19 and mental health: A review of the existing literature. Asian J. Psychiatry 2020, 52, 102066. [Google Scholar] [CrossRef] [PubMed]
- Ralph, B.J.; Woschank, M.; Pacher, C.; Murphy, M. Evidence-based redesign of engineering education lectures: Theoretical framework and preliminary empirical evidence. Eur. J. Eng. Educ. 2022, 47, 1–28. [Google Scholar] [CrossRef]










| Q1. Digital and analog system. | Q11. Equivalent logic gates. | Q21. Clock’s frequency. |
| Q2. Transistors. | Q12. Circuit’s truth table. | Q22. Memory circuits. |
| Q3. Boolean algebra. | Q13. Karnaugh map. | Q23. Flip-Flop. |
| Q4. Number systems. | Q14. Minterms and maxterms. | Q24. Finite-state machine. |
| Q5. Logic (objective or subjective). | Q15. Circuit’s simplification. | Q25. Detection and self-correction |
| Q6. Logic expressions. | Q16. Sequential circuits. | in a finite-state machine. |
| Q7. Digital circuit’s design. | Q17. Half-Adder/Full Adder. | |
| Q8. TTL logic family. | Q18. Decoder/Demultiplexer. | |
| Q9. Ways of circuit’s design. | Q19. Synchronous circuit. | |
| Q10. Logic gates. | Q20. Circuit’s clock. |
| 2017 | 2018 | |||||
|---|---|---|---|---|---|---|
| Option 1 | Option 2 | Option 3 | Option 1 | Option 2 | Option 3 | |
| Students’ Satisfaction | ||||||
| Q1. Interest | 0.0% | 35.7% | 64.3% | 0.0% | 66.7% | 33.3% |
| Q2. Helpfulness | 0.0% | 64.3% | 35.7% | 0.0% | 83.3% | 16.7% |
| Q3. Motivation | 78.6% | 21.4% | 66.7% | 33.3% | ||
| Students’ Willingness | ||||||
| Q4. Integration of a greater variety of games | 92.9% | 7.1% | 83.3% | 16.7% | ||
| Q5. Integration of games in other courses | 100.0% | 0.0% | 100.0% | 0.0% |
| Shapiro–Wilk Normality Test | t-Test (One-Sample) | Mean | |
|---|---|---|---|
| Motivation | 0.635 | 0.000 | 3.7778 |
| Attention | 0.412 | 0.000 | 3.8611 |
| Relevance | 0.210 | 0.000 | 3.9037 |
| Confidence | 0.304 | 0.002 | 3.4741 |
| Satisfaction | 0.766 | 0.000 | 3.8778 |
| Relevance | Confidence | Satisfaction | |
|---|---|---|---|
| Attention | 0.676 ** | 0.799 ** | 0.910 ** |
| Relevance | 0.629 * | 0.725 ** | |
| Confidence | 0.854 ** |
Publisher’s Note: MDPI stays neutral with regard to jurisdictional claims in published maps and institutional affiliations. |
© 2022 by the authors. Licensee MDPI, Basel, Switzerland. This article is an open access article distributed under the terms and conditions of the Creative Commons Attribution (CC BY) license (https://creativecommons.org/licenses/by/4.0/).
Share and Cite
Velaora, C.; Dimos, I.; Tsagiopoulou, S.; Kakarountas, A. A Game-Based Learning Approach in Digital Design Course to Enhance Students’ Competency. Information 2022, 13, 177. https://doi.org/10.3390/info13040177
Velaora C, Dimos I, Tsagiopoulou S, Kakarountas A. A Game-Based Learning Approach in Digital Design Course to Enhance Students’ Competency. Information. 2022; 13(4):177. https://doi.org/10.3390/info13040177
Chicago/Turabian StyleVelaora, Chrysoula, Ioannis Dimos, Sofia Tsagiopoulou, and Athanasios Kakarountas. 2022. "A Game-Based Learning Approach in Digital Design Course to Enhance Students’ Competency" Information 13, no. 4: 177. https://doi.org/10.3390/info13040177
APA StyleVelaora, C., Dimos, I., Tsagiopoulou, S., & Kakarountas, A. (2022). A Game-Based Learning Approach in Digital Design Course to Enhance Students’ Competency. Information, 13(4), 177. https://doi.org/10.3390/info13040177

