Comparative Analysis on AC and DC Distribution Systems for Electric Propulsion Ship
Abstract
:1. Introduction
1.1. Background
1.2. Past Research
2. Methodology
2.1. Step I: Select Reference Ship
2.2. Step II: Data Modification
2.3. Step III: Apply Data to the Testbed System
2.3.1. Test Facility
2.3.2. Generator Engine
2.3.3. Distribution System
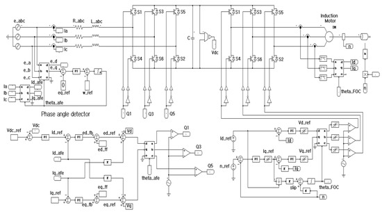
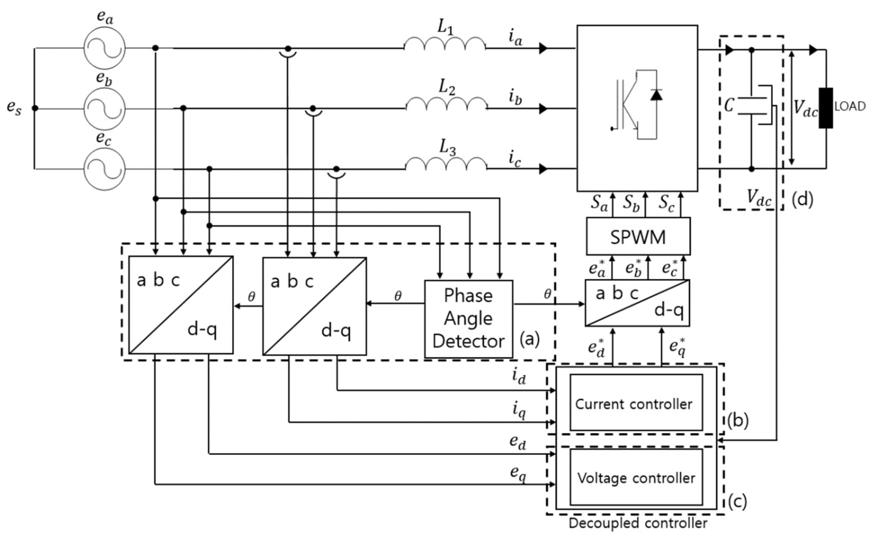
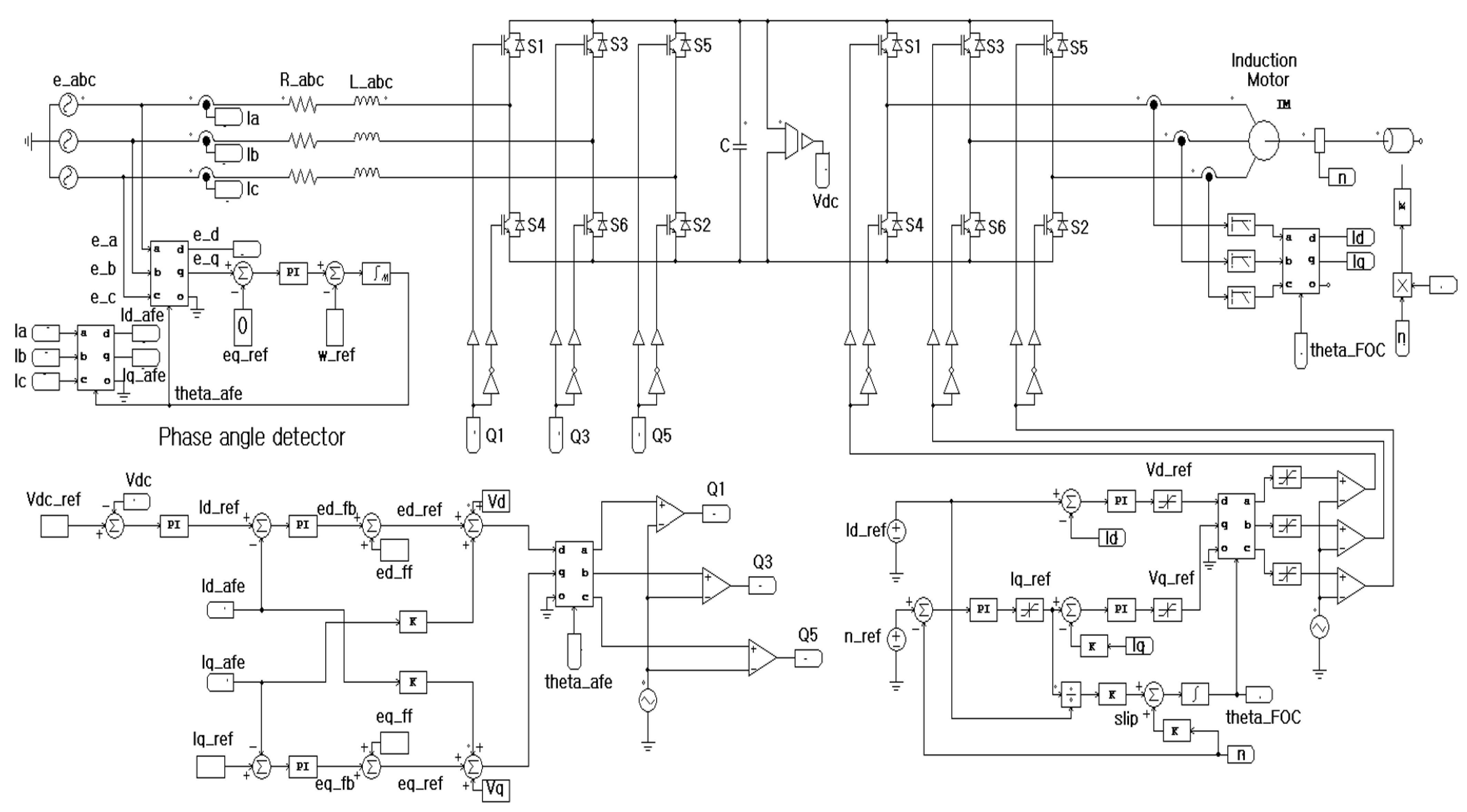
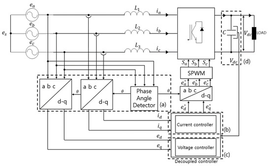
2.3.4. Control Algorithm of AFE Rectifier
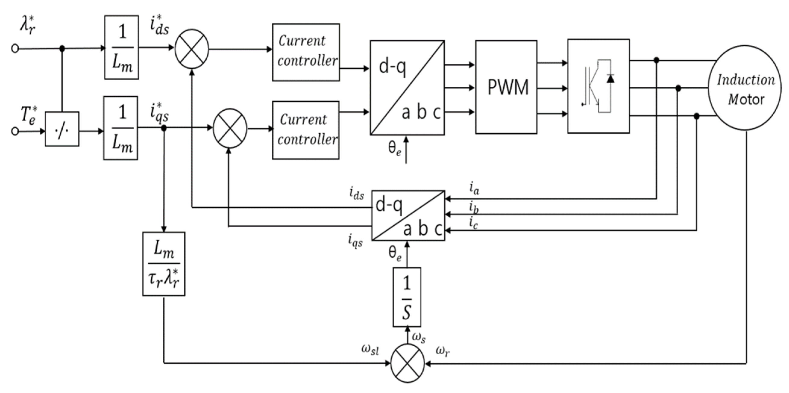
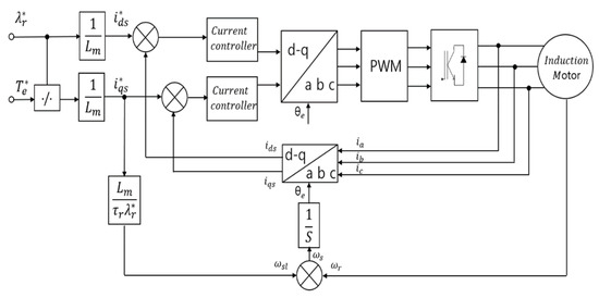
2.3.5. Inverter Drive and Propulsion Motor
2.3.6. Load Bank
2.4. Step IV: Key Key-Value Acquisition
2.5. Step V: Comparative Analysis of the Electrical Characteristic for the AC-DC Distribution System
2.6. Step VI: Economic Feasibility and Environmental Evaluation
2.6.1. Method to Calculate Total Fuel Consumption
2.6.2. Method to Calculate OPEX
2.6.3. Method to Calculate CO2 Emission
2.7. Step VII: Lifecycle Assessment
3. Results
3.1. Electric Characteristic Comparative Analysis in Voltage, Current, Power
3.1.1. Container 5500 TEU Case Ship
3.1.2. Container 13K TEU Case Ship
3.2. Characteristics of Fuel Consumption and Carbon Dioxide Emission according to the Operation Mode
3.2.1. AC Distribution System (Constant Speed Mode)
3.2.2. DC Distribution System (Variable Speed Mode)
3.3. Case Study
3.3.1. Container 5500 TEU
3.3.2. Container 13K TEU
3.4. Preliminary Lifecycle Assessment (LCA) in Response to Climate Change
4. Discussion
5. Conclusions
- (1)
- We found a higher efficiency of the DC distribution system with a variable speed operation mode, which has recently been in demand, over the AC distribution constant speed operation mode, in the low-load and medium-load range. In both scenarios, DC distribution systems with AFE rectifiers and a variable speed engine demonstrated about 10% to 15% improvements in the system efficiency.
- (2)
- In the case of an electric propulsion system, using a constant speed engine showed a relatively significant efficiency reduction in the low-load range that caused system efficiency problems. This can be supplemented by a variable speed engine and by controlling the AFE rectifier to make a constant voltage in DC power. Moreover, it was possible to obtain a stable voltage in the DC distribution system as well as in the AC distribution system.
- (3)
- The DC distribution system in variable speed operation mode with an AFE rectifier showed improved results and trends of 8.9~12.4 [%] in carbon dioxide emissions and fuel consumption compared with the AC distribution system. When the conventional constant speed engine was replaced with a variable speed engine, the efficiency improved by about 10 [%] with a reduction in carbon dioxide emissions.
- (4)
- Preliminary LCA results suggest the significance of developing/applying a DC distribution system for electric propulsion. Indeed, it can be confidently said that a DC distribution system with a variable speed generator engine would reduce lifecycle emission levels as much as by about 10% as given in Figure 22. The DC distribution was also revealed to be effective in response to climate change and cost reductions for electric propulsion marine vessels.
Author Contributions
Funding
Acknowledgments
Conflicts of Interest
References
- United Nations Framework Convention on Climate Change. Available online: https://unfccc.int/resource/docs/convkp/conveng.pdf (accessed on 15 January 2022).
- IMO. Fourth Greenhouse Gas Study 2020; IMO: London, UK, 2021. [Google Scholar]
- IMO. The 76th Session of the Marine Environment Protection Committee, MEPC 76; IMO: London, UK, 2021. [Google Scholar]
- Korea Ministry of Government Legislation, Act on Promotion of the Development and Distribution of Environmentally Friendly Vessels, 1 January 2020. Available online: https://bit.ly/3vrg0zO (accessed on 3 April 2022).
- Ship Technology, Ampere Electric-Powered Ferry. 1 January 2015. Available online: https://www.ship-technology.com/projects/norled-zerocat-electric-powered-ferry/ (accessed on 3 April 2022).
- Research, M. Electric Ship Market by Type (Fully Electric, Hybrid), System, Mode of Operation (Manned, Remotely Operated, Autonomous), Ship Type (Commercial, Defense), Power, Range, Tonnage, End-Use (Linefit and Retrofit), and Region-Global Forecast to 2030. In Advances in Transport Policy and Planning; Academic Press: Cambridge, MA, USA, 2021. [Google Scholar]
- Vantage Market Research, Marine Battery Market, Marine Battery Sourcing and Procurement Market Size to Increase by USD 1.5 Billion By 2028, 2 February 2022. Available online: https://www.vantagemarketresearch.com/industry-report/marine-battery-market-1113 (accessed on 3 April 2022).
- Wärtsilä. Wärtsilä to Deliver World’s First Hybrid Retrofit for Short-Sea Shipping Vessel; Wärtsilä: Helsinki, Finland, 2019. [Google Scholar]
- China Completes Test of Homegrown Electric Cargo Ship; Ship Technology; Springer: Berlin/Heidelberg, Germany, 2020.
- Kim, S.; Jeon, H.; Kim, J. Trend analysis of domestic and international regulations for electric propulsion system. J. Int. Marit. Safety Environ. Aff. Shipp. 2020, 4, 113–121. [Google Scholar] [CrossRef]
- Jeon, H.; Kim, J.; Yoon, K. Large-Scale Electric Propulsion Systems in Ships Using an Active Front-End Rectifier. J. Mar. Sci. Eng. 2019, 7, 168. [Google Scholar] [CrossRef] [Green Version]
- Jeon, H.; Kim, J. Application of Reference Voltage Control Method of the Generator Using a Neural Network in Variable Speed Synchronous Generation System of DC Distribution for Ships. J. Mar. Sci. Eng. 2020, 8, 802. [Google Scholar] [CrossRef]
- Hansen, J.F.; Wendt, F. History and State of the Art in Commercial Electric Ship Propulsion, Integrated Power Systems, and Future Trends. Proceed. IEEE 2015, 103, 2229–2242. [Google Scholar] [CrossRef]
- Kanellos, F.D.; Tsekouras, G.J.; Prousalidis, J. Onboard DC grid employing smart grid technology: Challenges, state of the art and future prospects. IET Electr. Syst. Transp. 2015, 5, 1–11. [Google Scholar] [CrossRef]
- Hammerstrom, D.J. AC Versus DC Distribution SystemsDid We Get it Right? In Proceedings of the 2007 IEEE Power Engineering Society General Meeting, Tampa, FL, USA, 24–28 June 2007; IEEE: Piscataway, NJ, USA, 2007; pp. 1–5. [Google Scholar]
- Planas, E.; Andreu, J.; Garate, J.I.; de Alegría, I.M.; Ibarra, E. AC and DC technology in microgrids: A review. Renew. Sustain. Energy Rev. 2015, 43, 726–749. [Google Scholar] [CrossRef]
- Prenc, R.; Cuculic, A.; Baumgartner, I. Advantages of using a DC power system on board ship. J. Marit. Transp. Sci. 2016, 52, 83–97. [Google Scholar] [CrossRef] [Green Version]
- Van Duijsen, P.J.; Zuidervliet, D.C. Structuring, Controlling and Protecting the DC Grid. In Proceedings of the 2020 International Symposium on Electronics and Telecommunications (ISETC), Timisoara, Romania, 5–6 November 2020; pp. 1–4. [Google Scholar]
- Baran, M.; Mahajan, N. DC distribution for industrial systems: Opportunities and challenges. IEEE Trans. Ind. Appl. 2003, 39, 1596–1601. [Google Scholar] [CrossRef]
- Castellan, S.; Menis, R.; Tessarolo, A.; Sulligoi, G. Power electronics for all-electric ships with MVDC power distribution system: An overview. In Proceedings of the 2014 Ninth International Conference on Ecological Vehicles and Renewable Energies (EVER), Monte-Carlo, Monaco, 25–27 March 2014; IEEE: Piscataway, NJ, USA, 2014; pp. 1–7. [Google Scholar]
- Wenig, S.; Rojas, F.; Schonleber, K.; Suriyah, M.; Leibfried, T. Simulation Framework for DC Grid Control and ACDC Interaction Studies Based on Modular Multilevel Converters. IEEE Trans. Power Deliv. 2016, 31, 780–788. [Google Scholar] [CrossRef]
- Deng, F.; Chen, Z. Control of Improved Full-Bridge Three-Level DC/DC Converter for Wind Turbines in a DC Grid. IEEE Trans. Power Electron. 2013, 28, 314–324. [Google Scholar] [CrossRef]
- Engel, S.P.; Soltau, N.; Stagge, H.; De Doncker, R.W. Dynamic and Balanced Control of Three-Phase High-Power Dual-Active Bridge DC–DC Converters in DC-Grid Applications. IEEE Trans. Power Electron. 2013, 28, 1880–1889. [Google Scholar] [CrossRef]
- Vandoorn, T.L.; Meersman, B.; De Kooning, J.D.M.; Vandevelde, L. Analogy Between Conventional Grid Control and Islanded Microgrid Control Based on a Global DC-Link Voltage Droop. IEEE Trans. Power Deliv. 2012, 27, 1405–1414. [Google Scholar] [CrossRef] [Green Version]
- Berggren, B.; Linden, K.; Majumder, R. DC Grid Control Through the Pilot Voltage Droop Concept—Methodology for Establishing Droop Constants. IEEE Trans. Power Syst. 2014, 30, 2312–2320. [Google Scholar] [CrossRef]
- Wang, S.; Ming, W.; Liu, W.; Li, C.; Loo, C.E.U.; Liang, J. A Multi-Function Integrated Circuit Breaker for DC Grid Applications. IEEE Trans. Power Deliv. 2021, 36, 566–577. [Google Scholar] [CrossRef] [Green Version]
- Khan, Z.W.; Minxiao, H.; Kai, C.; Yang, L.; Rehman, A.U. State of the Art DC-DC Converter Topologies for the Multi-Terminal DC Grid Applications: A Review. In Proceedings of the 2020 IEEE International Conference on Power Electronics, Smart Grid and Renewable Energy (PESGRE2020), Cochin, India, 2–4 January 2020; IEEE: Piscataway, NJ, USA, 2020; Volume PESGRE2020, pp. 1–7. [Google Scholar]
- Li, C.; Liang, J.; Wang, S. Interlink Hybrid DC Circuit Breaker. IEEE Trans. Ind. Electron. 2018, 65, 8677–8686. [Google Scholar] [CrossRef]
- Meyer, C.; Kowal, M.; De Doncker, R.W. Circuit breaker concepts for future high-power DC-applications. In Proceedings of the Fourtieth IAS Annual Meeting. Conference Record of the 2005 Industry Applications Conference, Hong Kong, China, 2–6 October 2005; Volume 2, pp. 860–866. [Google Scholar]
- Bingjian, Y.; Yang, G.; Xiaoguang, W.; Zhiyuan, H.; Longlong, C.; Yunhai, S. A hybrid circuit breaker for DC-application. In Proceedings of the 2015 IEEE First International Conference on DC Microgrids (ICDCM), Atlanta, GA, USA, 7–10 June 2015; IEEE: Piscataway, NJ, USA, 2015; pp. 187–192. [Google Scholar]
- Hansen, J.F.; Lindtjørn, J.O.; Vanska, K.; Abb, O. Onboard DC Grid for enhanced DP operation in ships. In Proceedings of the Dynamic Positioning Conference, Houston, TX, USA, 10–11 October 2017. [Google Scholar]
- Yuan, L.C.; Tjahjowidodo, T.; Lee, G.S.; Chan, R.; Ådnanes, A.K. Equivalent consumption minimization strategy for hybrid all-electric tugboats to optimize fuel savings. In Proceedings of the 2016 American Control Conference (ACC), Boston, MA, USA, 6–8 July 2016; pp. 6803–6808. [Google Scholar]
- Hansen, J.F.; Wendt, F.; Lindtjørn, J.O. Fuel efficient power plant featuring variable speed generation system for DP drilling units. In Proceedings of the Dynamic Positioning Conference, Houston, TX, USA, 11–12 October 2016; pp. 1–13. [Google Scholar]
- Syverud, T.H. Modeling and Control of a DC-Grid Hybrid Power System with Battery and Variable Speed Diesel Generators. Master’s Thesis, Norwegian University of Science and Technology, Trondheim, Norway, 2016. [Google Scholar]
- Kozak, M. New concept of ship’s power plant system with varying rotational speed gensets. In Proceedings of the 58th International Conference of Machine Design Departments, Prague, Czech Republic, 8–10 September 2017. [Google Scholar]
- Luo, L.; Gao, L.; Fu, H. The Control and Modeling of Diesel Generator Set in Electric Propulsion Ship. Int. J. Inf. Technol. Comput. Sci. 2011, 3, 31–37. [Google Scholar] [CrossRef]
- Mobarra, M.; Rezkallah, M.; Ilinca, A. Variable Speed Diesel Generators: Performance and Characteristic Comparison. Energies 2022, 15, 592. [Google Scholar] [CrossRef]
- Kim, Y.-W.; Son, Y.-K.; Ko, S.; Sul, S.-K. Parallel Operation of Permanent Magnet Generators and Diode Rectifiers in Maritime DC Power System Considering Fuel Economy. IEEE Trans. Transp. Electrification 2022, 1. [Google Scholar] [CrossRef]
- Rehmatulla, N.; Calleya, J.; Smith, T. The implementation of technical energy efficiency and CO2 emission reduction measures in shipping. Ocean Eng. 2017, 139, 184–197. [Google Scholar] [CrossRef]
- Yu, W.; Zhou, P.; Wang, H. Evaluation on the energy efficiency and emissions reduction of a short-route hybrid sightseeing ship. Ocean Eng. 2018, 162, 34–42. [Google Scholar] [CrossRef] [Green Version]
- He, Y.; Fan, A.; Wang, Z.; Liu, Y.; Mao, W. Two-phase energy efficiency optimisation for ships using parallel hybrid electric propulsion system. Ocean Eng. 2021, 238, 109733. [Google Scholar] [CrossRef]
- Wang, H.; Boulougouris, E.; Theotokatos, G.; Zhou, P.; Priftis, A.; Shi, G. Life cycle analysis and cost assessment of a battery powered ferry. Ocean Eng. 2021, 241, 110029. [Google Scholar] [CrossRef]
- Hardan, F.; Norman, R.; Tricoli, P. Control and operation of a ship AC/DC microgrid under transient propulsion and manoeuvring load conditions. Int. J. Electr. Power Energy Syst. 2022, 139, 107823. [Google Scholar] [CrossRef]
- Xi, J.; Pei, X.; Niu, L.; Feehally, T.; Wilson, P.; Gu, C.; Zeng, X. A solid-state circuit breaker for DC system using series and parallel connected IGBTs. Int. J. Electr. Power Energy Syst. 2022, 139, 107996. [Google Scholar] [CrossRef]
- Xiao, Z.; Zheng, X.; He, Y.; Tai, N.; Cheng, H.; Shen, J. An additional bus inductance-based protection scheme for shipboard DC zonal electric distribution systems. Int. J. Electr. Power Energy Syst. 2022, 138, 107910. [Google Scholar] [CrossRef]
- Kanellos, F.D.; Prousalidis, J.; Tsekouras, G.J. Optimal Active Power Management in All Electric Ship Employing DC Grid Technology. In Cultural and Tourism Innovation in the Digital Era; Springer Science and Business Media LLC.: Berlin/Heidelberg, Germany, 2017; pp. 271–284. [Google Scholar]
- AlAfnan, H.; Zhang, M.; Yuan, W.; Zhu, J.; Li, J.; Elshiekh, M.; Li, X. Stability Improvement of DC Power Systems in an All-Electric Ship Using Hybrid SMES/Battery. IEEE Trans. Appl. Supercond. 2018, 28, 1–6. [Google Scholar] [CrossRef] [Green Version]
- Choi, D. Numerical Methods for Engineers and Scientists; Haksan Media: Seoul, Korea, 2019; pp. 250–257. [Google Scholar]
- PE. GaBi 4 Software-System and Databases for Life Cycle Engineering Copyright, TM. Stuttgart, Echterdingen. 2018. Available online: http://www.gabi-software.com (accessed on 5 February 2022).






















| Type | Reference (Ship Name, Class, Delivery Year) |
|---|---|
| Generator main power | MS Viking Legend (Car ferry, 2009) |
| MS Viking Prestige (Car ferry, 2011) | |
| MV Jaguar (General cargo ship, 2012) | |
| Absis Dover (PSV, 2012) | |
| Dina Star (PSV, 2013) | |
| Edda Ferd (PSV, 2013) | |
| BB Green (Ferry, 2015) | |
| Damen Eco Liner(Tanker, 2015) | |
| Edda Freya (OSV, 2016) | |
| Harvey Stone (PSV, 2016) | |
| Vision of the Fjords (Car ferry, 2016) | |
| IJ Ferry 60, 61 (Passenger ferry, 2016~17) | |
| NKT Victoria (Cable laying vessel, 2017) | |
| Van Oords Nexus (Cable laying vessel, 2017) | |
| Battery main power | FCS Alsterwasser (Ferry, 2012) |
| Ampere (Car ferry, 2014) | |
| Tycho Brahe and Aurora of HH ferries (Car ferry, 2017) | |
| Elektra (Ferry, 2017) | |
| Guangzhou Shipyard International (Cargo ship, 2017) | |
| E-ferry (Car ferry, 2018) |
| Keywords | Aim | Conclusion | Original Contribution | Research Gap | Ref. |
|---|---|---|---|---|---|
| Ship electric propulsion systems | Review the history and development process of electric-powered ships and predict the future development direction of electric-powered ships | The growth potential for ships applying the DC distribution system is very high. The electric propulsion system can satisfy the increasingly stringent environmental requirements due to the development of related technologies. | The development history of the overall electric propulsion system is mentioned in detail, and the development status of each detailed component and the future development direction is presented. | Description of the overall history and development trend of electric propulsion systems. No modeling or simulation for practical application. Presenting the content in principle | [13] |
| DC grid systems, Power system economics | When a new energy source was applied, the superiority of DC power distribution was theoretically verified by comparing AC and DC distribution in terms of energy conversion efficiency. | It was confirmed that when DC-based systems, such as fuel cells and batteries are applied, energy efficiency is much more advantageous when DC power distribution is used than when AC power distribution is used. | Comparing AC and DC distribution, which have been used for over 100 years, proved that energy efficiency could be improved when DC distribution is applied depending on the energy source. | There is a limitation to simply comparing AC and DC distribution by applying a general theory and presenting the essential contents. | [15] |
| AC grid technology, DC grid technology | According to the distribution types of AC and DC systems to compose a microgrid, functions, advantages, and disadvantages were introduced and analyzed in detail. | Analyze the differences of detailed components according to the distribution type and mention the need and direction of standardization of DC distribution system, power system configuration, and control technology research | This is a study on one, not a survey of a ship’s power system. However, the R&D direction is to apply DC power distribution to actual ships. | Content is limited to the field of onshore distribution. No consideration of maritime characteristics for application to ships | [16] |
| DC grid, Electric power system | Compare the overall contents of the ship’s AC distribution and DC distribution system and describe the need for ship application of the hybrid power system. | The introduction of electric propulsion ships will gradually increase. Applying a hybrid system that involves both a DC distribution system and an existing AC distribution system is necessary. Possibility to be used as a permanent power system in the future | The advantages of the DC power-distribution system and the disadvantages of applying it to an actual ship are mentioned, and the need for solutions is suggested. | A simple comparison of AC distribution and DC distribution by applying general theory. Presenting the content in principle | [17] |
| DC grid, Power control | Comparison of differences in control and protection functions with AC distribution systems and energy efficiency perspectives through structural analysis of DC distribution | Verification of the control performance of the power converter applied to the DC power-distribution system and confirmation of meeting the standard through the test on the function for stability. | Going beyond the comparison of the existing AC and DC distribution, test by configuring small-scale experimental equipment from the point of view of protection of the entire system | As an experimental result using small-scale equipment, it is cha to apply it to an actual electric propulsion ship equipment design only from the system protection point of view. | [18] |
| DC grid, Power electronics | Proposal of interaction and grounding method of power conversion device to apply DC power-distribution system | Through proper design of the DC distribution system, related problems can be solved. The efficiency can be improved through simulation rolling the power converter, and current stability can be secured using the proposed grounding method. Organize the core technologies of power converters and provide solutions. | The simulation proposes a method for controlling a DC power-distribution system’s power converter and suggests that energy efficiency can be improved. | There is a limitation as results were only through simulation. | [19] |
| DC distribution, Integrated power system | Overall technology trend and SST structure proposal for power conversion device applied to electric propulsion ship applying DC distribution. | Organize the core technologies of power converters and provide solutions. | Suggested by composing an appropriate structure for the implementation of SST (Solid State Transformer) applicable to ship DC power-distribution system | A configuration that implements SST is proposed. No tests on the entire electric propulsion system | [20] |
| Multilevel converter modeling, Control system | Simulation for proposal and verification of control topology for modular multilevel converter | A simulation framework for a multi-terminal DC power-distribution system based on a modular multilevel converter is presented. | Verification of universal applicability based on the 5-terminal system through simulation | There is a limitation as results were only through simulation. | [21] |
| DC grid, DC/DC converter control | Presented DC/DC converter with improved performance applicable to DC distribution | Proposed and verified voltage balancing control topology of DC/DC converter to improve wind turbine performance | A low-capacity prototype converter is fabricated and tested, and theoretical analysis is verified. | Low-capacity prototype, there are many differences in the control and protection of the converter depending on the actual capacity. | [22] |
| Converter controller design, control | Analyze the dynamic behavior of a three-phase dual-active bridge DC/DC converter and develop a control topology | The result of resolving voltage imbalance through the proposed converter’s control topology for the steady-state and transient state through experiments. | The proposed control topology is verified by configuring a small experimental device. | Small-scale experimental equipment configuration. Less than actual ship-loaded capacity | [23] |
| DC grid control, Droop control. | Introduction to the concept of voltage droop that can occur during parallel operation of DC power-distribution systems. | The method for voltage droop in parallel is verified by checking the theoretical inference between the rotational inertia of the generator, the capacitor relationship of the DC switchboard, and the theoretical belief between the generator frequency and the DC distribution voltage. | The theoretical contents to prevent voltage droop that may occur during parallel operation of generators are verified through simulation. | There is a limitation as results were only through simulation. | [24] |
| DC Grid Control | Proposal of a method to set the droop constant for the drooping power transformation for voltage control of VSI-based converters | Through the proposed methodology for pilot voltage droop control, it can be concluded that the estimate of voltage deviation is very accurate. | The methodology is derived based on the primary control rule, and the methodology is verified through simulation. | There is a limitation as results were only through simulation. | [25] |
| DC grid protection | Suggestion for semiconductor-based circuit breaker for protection of DC power-distribution system and control of current flow | The simulation of the innovative multifunction integrated DCCB confirmed that it could protect the system while regulating the current value. | Performance verification of the proposed system that regulates grid current through simulation | There is a limitation as results were only through simulation. | [26] |
| Converter control | Review of the main advantages, structure, operating principle, and essential performance of DC/DC converters applicable to DC power-distribution systems | MMC-DAB is proposed by examining the most efficient and advanced DC/DC converter applicable to multi-terminal DC distribution systems. | Proposal of a converter suitable for the overall contents of the DC/DC converter of the DC distribution system and the system | There is a limitation as results were only through simulation. | [27] |
| DC grid circuit breaker modeling, control | Performance verification of interlink hybrid circuit breaker compared to conventional DC distribution system circuit breaker. | Interlink hybrid circuit breaker can achieve the same braking effect with fewer parts, verified through simulation. | Interest in DC circuit breaker is increasing, and circuit breaker with improved performance is proposed and verified through simulation. | There is a limit as results were only through simulation. | [28] |
| DC grid circuit breaker, modeling | Introduces the basic principles related to the control and switching technology of circuit breaker, one of the disadvantages of the DC distribution system, and compares the concepts of various circuit breakers | Provides a technical and economically feasible solution to the circuit breaker, one of the problems to expand the application of the DC power-distribution system | Compare and review various circuit breakers’ technical and economic aspects on the market. | A partial explanation of circuit breakers, in theory, principle content | [29] |
| DC grid circuit breaker modeling, control | The proposal of a circuit breaker capable of blocking fault current within a few milliseconds of circuit breaking is the biggest significant advantage of the DC power-distribution system. | Confirm that the current cut-off time of the circuit is shortened and the current peak value is reduced through the hybrid circuit breaker | Verification of the design principle through simulation for the proposed hybrid circuit breaker | There is a limitation as results were only through simulation. | [30] |
| DC grid, Variable speed engine, fuel saving | Improvement of fuel consumption of DC power-distribution system using variable speed engine generator applicable to DP ships and analysis of advantages of the dynamic performance of propulsion system | When the DC power-distribution system for variable speed engine power is applied, fuel consumption is improved by more than 20%. Various advantages, such as advantageous aspects of maintenance are concluded. | Describe the advantages that can occur when applying the variable speed engine power generation DC distribution system to the OSV vessel to which the DP system is applied, using data from the developer | Verification of contents using developer’s data. The range is limited to the DP system, not the electric propulsion system. | [31] |
| DC gird ECMS control | Analysis of potential benefits arising from the application of ECMS control in hybrid ships equipped with variable speed engine generators | The simulation confirmed that the fuel consumption was reduced by 17.6% when the hybrid-electric propulsion system was applied. | Applied to ships based on the control system used in vehicles | As a system for vehicles, it is not a ship electric propulsion system | [32] |
| Variable-speed engine, Control | Presenting a new solution for variable speed engine power generation that can be applied to DP grade drilling equipment | Identification of fuel savings potential through the study of operating profiles and actual loads on thrusters and generators and verification through simulation | Research progress through simulation on variable speed engine generator applicable to drilling equipment of DP ship | Verification of contents limited to the DP system, not the electric propulsion system, through simulation | [33] |
| Hybrid power systems, DC grid, Control systems | A study to analyze energy efficiency and environmental benefits of the power system of hybrid-electric propulsion vessels | Output, the SFOC result for applied to the hybrid-electric propulsion ship through the modeled simulation and comp it with the case with the battery. | Model the power system of a hybrid-electric propulsion ship through simulation | There is a limitation as results were only through simulation. | [34] |
| Variable-speed engine control | Verification of the performance of the entire system through speed control of variable speed engine machines | Check the results of performance improvement, fuel consumption reduction, and exhaust gas reduction in the system to which the variable speed engine is applied. | Experimental results are derived through a small-scale device configured in the laboratory. | There is a limitation as a result through only simulation. | [35] |
| Speed control, variable speed engine | Analysis of the characteristics of the power system of an electric propulsion ship | Modeling the PID speed control system of a diesel engine and the AVR and excitation control system of a synchronous generator to verify stability, speed, and robustness | Validation of results through simulation modeling | There is a limitation as a result through only simulation. | [36] |
| Energy efficiency | Presenting the latest technological trends of variable-speed engine generators and comparing their performance in terms of fuel consumption reduction, engine life extension, and greenhouse gas emission reduction | Confirmation of reduced fuel consumption and stable output production by applying the proposed system | Comparison of results through simulation modeling | There is a limitation as a result through only simulation. | [37] |
| DC gird control, Parallel operation control | Application of droop control that analyzes and proposes various combinations of electric propulsion systems | The modified droop control was verified by conducting a study on the parallel operation of the system through the combination of a permanent magnet synchronous generator and a DFE rectifier. | Validated through simulation and small-scale experimental testing | Experiments were conducted using simulation and small-scale equipment, but they did not reach the actual ship loading capacity. | [38] |
| Energy Efficiency, CO2 emissions reduction | Research to improve energy efficiency and reduce carbon emissions from ships | Summary of results of current attempts to improve ship’s energy efficiency and reduce CO2 emissions and describe the feasibility of implementing various technologies | Conducted comparative studies on more than 30 energy efficiency and CO2 emission reduction technologies by experts in various fields. Present future research direction through comparison of multiple studies | It is not easy to objectively prove facts by conducting research through experts in each field rather than researching energy efficiency improvement and CO2 emission reduction by constructing actual simulations or experimental devices. | [39] |
| Energy efficiency, Emissions reduction | Confirmation of energy efficiency improvement and emission reduction effect of hybrid-electric propulsion system application | Developed a control system for the hybrid-electric propulsion system and confirmed the effect of reducing fuel consumption and reducing emissions compared to the conventional propulsion system through system modeling, simulation, and experiments | Model the electric propulsion system using the conventional diesel generator and solar power and battery system and conduct comparative research with the existing system after establishing the experimental equipment | Build simulation models and configure small experimental equipment. However, there is a limit as it is a small capacity that is not a scale that applies to ships. | [40] |
| Energy management system, Hybrid electric propulsion | Proposal of energy efficiency optimization method for energy saving and efficiency improvement | Modeling by proposing a control method to optimize energy efficiency through a genetic algorithm | Comparison between modeling results and actual ship’s power system data. | Limitations due to the contrast of computer analysis results and real data for the system proposed in this study. There is no test result by applying the proposed method to a real testbed or ship. | [41] |
| Environmental, economic assessment, Electric propulsion system | The suggestion of advantages and disadvantages of battery-electric powered ships through LCA and LCCA techniques and estimation of ship lifespan and cost | It was confirmed that GHG was reduced by 30% and cost by 15% when battery-powered ships use shore charging. | Objectively present the effect of approaching from the LCA point of view of the conventional electric-powered ship power system and battery electric powered ship. | Limitation of results calculated from data through modeling rather than measured data from actual ships | [42] |
| Ship power system, AC/DC microgrid | Proposal of a power control method to stably operate the ship’s power system even in the event of a sudden change in ship’s propulsion | Propose an AC/DC microgrid system with a supercapacitor system and prove the system’s efficiency through simulation | Conduct research to maintain a stable power system despite various shipload variations by applying a supercapacitor instead of a battery | Simulation modeling is performed to confirm the stability of the ship’s power system, and the results are analyzed. The actual ship’s load change is not tested. | [43] |
| DC circuit breaker, Circuit breaker modeling | As the application of DC power-distribution systems increases, the role of the circuit breaker, a power system protection device, is essential. Proposal of a new circuit breaker using the IGBT series-parallel structure | As the application of DC power-distribution systems increases, the role of the circuit breaker, a power system protection device, is essential. Proposal of a new circuit breaker using the IGBT series-parallel structure | Design a DC circuit breaker, make a 1 KV-scale prototype, and conduct an actual test to check the breaking result | Circuit breakers with 1 KV capacity are currently commercially available and in use. There is a need for research on a circuit breaker with a larger capacity suitable for users’ needs. | [44] |
| Ship distribution system, Protection design | Design a DC power-distribution system, apply it to ships, and propose a new concept of the power-distribution system. | Proposed DC zonal electric distribution systems and verified the speed, reliability, etc. for protection between internal devices through simulation | It deals with simulation results for additional bus inductance-based protection measures. | Control between devices inside the DC distribution system is verified through simulation. No test contents on actual ships | [45] |
| Item | Specification | |
|---|---|---|
| Engine part | Standby power rating | >95 PS |
| Engine type | 4 Stroke, Water-cooled | |
| Revolution | 1800 rpm | |
| Number of cylinders | 6 | |
| Cylinder type | Vertical series | |
| Governor type | Speed control type | |
| Cooling system | Radiator type | |
| Fuel | Diesel | |
| Starting system | DC 24 V battery start | |
| Generator part | Type | Revolving field magnet |
| Standby power rating | 50 kW/62.5 kVA | |
| Prime power rating | 45 kW/56 kVA | |
| Voltage | 440/254 V | |
| Current | 82 A | |
| Phase and wire | Three-phases four-wire | |
| Frequency | 60 Hz | |
| Power factor | 0.8 Lag | |
| Pole | 4 | |
| Revolution | 1800 rpm |
| Rated Capacity | 1100 kW | ||||
|---|---|---|---|---|---|
| Rated Voltage | 3 Phase, 440 V, 60 Hz | ||||
| Current and Resistance Value for Each Capacity | |||||
| Unit Capacity (kW) | Quantity | Synthetic Power (kW) | Unit Current (A) | Unit Resistance | Enclosure Configuration |
| 0.1 | 5 | 0.5 | 0.13 | 1936 Ω | One box |
| 0.2 | 5 | 1.0 | 0.26 | 968 Ω | |
| 0.4 | 5 | 2.0 | 0.52 | 484 Ω | |
| 0.8 | 5 | 4.0 | 1.04 | 242 Ω | |
| 1 | 5 | 5.0 | 1.31 | 193.6 Ω | |
| 2 | 5 | 10.0 | 2.62 | 96.8 Ω | |
| 4 | 5 | 20.0 | 5.24 | 48.4 Ω | |
| 8 | 5 | 40.0 | 10.49 | 24.2 Ω | |
| 16 | 5 | 80.0 | 20.99 | 12.1 Ω | |
| 32 | 5 | 160.0 | 41.98 | 6.05 Ω | |
| 60 | 5 | 300.0 | 78.78 | 3.22 Ω | |
| 100 | 10 | 1000.0 | 107.52 | 1.52 Ω | |
| Item | 13K TEU Scenario | 5500 TEU Scenario |
|---|---|---|
| 1 | DC Converter 1 and 2 voltage | DC Converter 1 and 2 voltage |
| 2 | DC Converter 1 and 2 current | DC Converter 1 and 2 current |
| 3 | DC Converter 1 and 2 power | DC Converter 1 and 2 power |
| 4 | DC link 1 and 2 power | DC link 1 and 2 power |
| 5 | DC power 1 and 2 voltage | DC power 1 and 2 voltage |
| 6 | DC power 1 and 2 current | DC power 1 and 2 current |
| 7 | DC power 1 and 2 power | DC power 1 and 2 power |
| No. of data per item | 4909 data | 5388 data |
| Experiment time | 1 h, 21 m, 49 s | 1 h, 29 m, and 48 s |
| Type of Fuel | Reference | Carbon Content | CF (t-CO2/t-Fuel) |
|---|---|---|---|
| Diesel/Gas Oil | ISO 8217 Grades DMX through DMC | 0.875 | 3.206000 |
| Light Fuel Oil (LFO) | ISO 8217 Grades RMA through RMD | 0.86 | 3.151040 |
| Heavy Fuel Oil (HFO) | ISO 8217 Grades RME through RMK | 0.85 | 3.114400 |
| Liquified Petroleum Gas | Propane Butane | 0.819 0.827 | 3.000000 3.030000 |
| Liquified Natural Gas | 0.75 | 2.750000 |
| Item | Total Output [kWh] | Total Fuel Oil Consumption [kg] | System Efficiency [%] | Total Fuel Cost [USD] | Total CO2 Emission [kg] |
|---|---|---|---|---|---|
| DC | 306.7 | 67.0 | 35.8 | 46.1 | 214.7 |
| AC | 305.5 | 73.6 | 32.4 | 50.7 | 235.9 |
| Deviation | 1.2 | −6.6 | 3.4 | −4.6 | −21.2 |
| Item | Total Output [kWh] | Total Fuel Oil Consumption [kg] | System Efficiency [%] | Total Fuel Cost [USD] | Total CO2 Emission [kg] |
|---|---|---|---|---|---|
| DC | 226.7 | 50.7 | 34.9 | 34.9 | 162.5 |
| AC | 224.5 | 57.9 | 30.3 | 39.9 | 185.7 |
| Deviation | 2.2 | −7.2 | 4.6 | −5.0 | −23.2 |
| Engine Emission | Fuel-Based Factor (tons/Fuel-ton) |
|---|---|
| NOx | 0.057 |
| CO | 0.0074 |
| CH4 | 0.0024 |
| CO2 | 3.17 |
| SOx | 0.002 (=20 × (0.1)% S content |
| PM | 0.00095 |
Publisher’s Note: MDPI stays neutral with regard to jurisdictional claims in published maps and institutional affiliations. |
© 2022 by the authors. Licensee MDPI, Basel, Switzerland. This article is an open access article distributed under the terms and conditions of the Creative Commons Attribution (CC BY) license (https://creativecommons.org/licenses/by/4.0/).
Share and Cite
Kim, S.; Jeon, H. Comparative Analysis on AC and DC Distribution Systems for Electric Propulsion Ship. J. Mar. Sci. Eng. 2022, 10, 559. https://doi.org/10.3390/jmse10050559
Kim S, Jeon H. Comparative Analysis on AC and DC Distribution Systems for Electric Propulsion Ship. Journal of Marine Science and Engineering. 2022; 10(5):559. https://doi.org/10.3390/jmse10050559
Chicago/Turabian StyleKim, Seongwan, and Hyeonmin Jeon. 2022. "Comparative Analysis on AC and DC Distribution Systems for Electric Propulsion Ship" Journal of Marine Science and Engineering 10, no. 5: 559. https://doi.org/10.3390/jmse10050559
APA StyleKim, S., & Jeon, H. (2022). Comparative Analysis on AC and DC Distribution Systems for Electric Propulsion Ship. Journal of Marine Science and Engineering, 10(5), 559. https://doi.org/10.3390/jmse10050559

