A Novel Transformer Network Based on Cross–Spatial Learning and Deformable Attention for Composite Fault Diagnosis of Agricultural Machinery Bearings
Abstract
1. Introduction
- We collected vibration signals of rolling bearings under normal conditions and nine types of faults using a self–built experimental platform. The collected data and three other publicly available datasets were transformed into time–frequency map datasets using continuous wavelet transform (CWT).
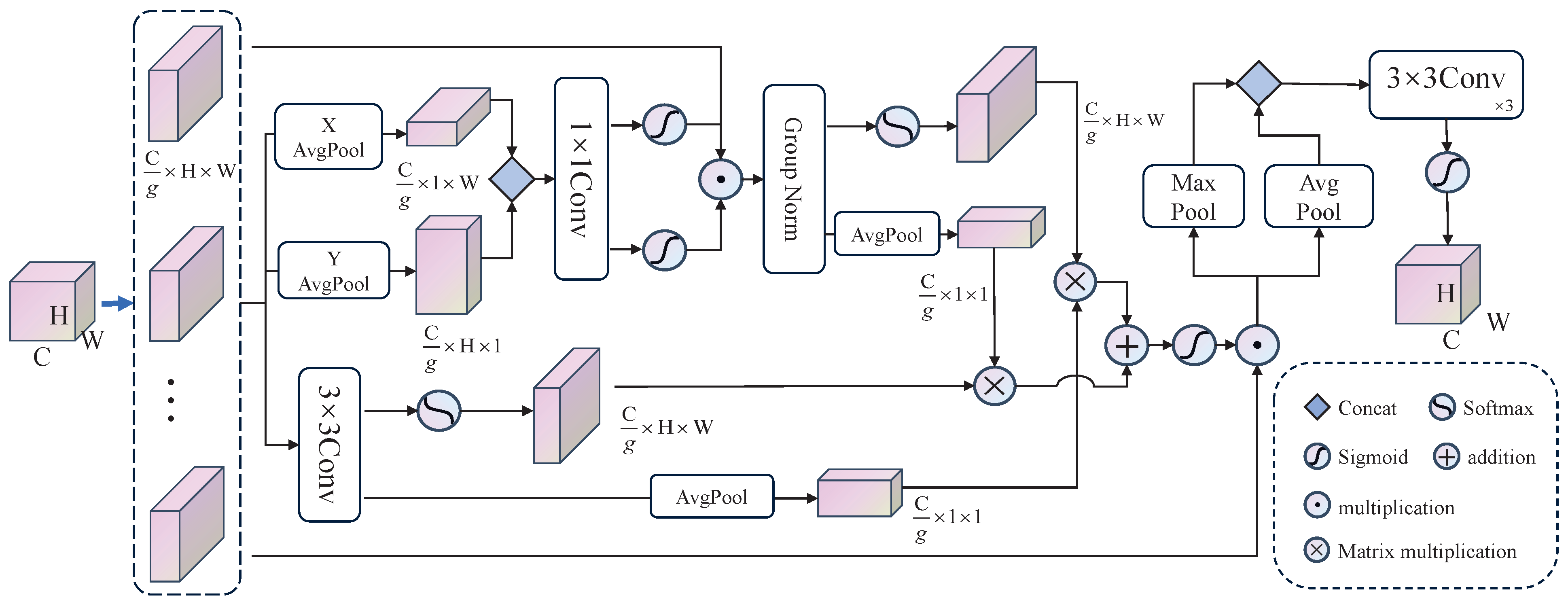
- An efficient feature extraction block was designed to improve the model’s local perception ability, achieve spatial downsampling, and increase the number of feature maps. Meanwhile, efficient multi–scale attention (EMA) is combined with spatial attention to enhance local features through cross–spatial learning, while simultaneously focusing on important channel and position information.
- Swin Transformer is introduced with convertible attention, allowing self–attention modules to focus on relevant fields and capture more information. This fault diagnosis method has high accuracy and strong generalization ability in experiments with multiple datasets.
2. Related Work
2.1. Continuous Wavelet Transform
2.2. Attention Mechanism
2.3. Swin–T Encoder Block
3. Fault Diagnosis Model
3.1. Efficient Feature Extraction Block
3.2. Efficient Multi–Scale Spatial–Cross Attention
3.3. S–D Transformer
3.3.1. Deformable Attention
3.3.2. Encoder Structure
4. Experiments Settings
4.1. Datasets
4.1.1. Self–Collected Bearing Dataset
4.1.2. Public Datasets
4.2. Evaluation Metrics and Parameter Settings
5. Experimental Results and Analysis
5.1. Accuracy Comparison
5.2. Ablation Experiment
5.3. Generalization Performance
6. Conclusions and Future Work
Author Contributions
Funding
Data Availability Statement
Acknowledgments
Conflicts of Interest
References
- Xie, F.; Sun, E.; Wang, L.; Wang, G.; Xiao, Q. Rolling Bearing Fault Diagnosis in Agricultural Machinery Based on Multi-Source Locally Adaptive Graph Convolution. Agriculture 2024, 14, 1333. [Google Scholar] [CrossRef]
- Li, J.; Bao, Y.; Liu, W.; Ji, P.; Wang, L.; Wang, Z. Twins transformer: Cross-attention based two-branch transformer network for rotating bearing fault diagnosis. Measurement 2023, 223, 113687. [Google Scholar] [CrossRef]
- Jia, L.; Chow, T.W.S.; Yuan, Y. GTFE-Net: A Gramian Time Frequency Enhancement CNN for bearing fault diagnosis. Eng. Appl. Artif. Intell. 2023, 119, 105794. [Google Scholar] [CrossRef]
- Fu, W.; Jiang, X.; Li, B.; Tan, C.; Chen, B.; Chen, X. Rolling bearing fault diagnosis based on 2D time-frequency images and data augmentation technique. Meas. Sci. Technol. 2023, 34, 045005. [Google Scholar] [CrossRef]
- Ji, C.; Zhang, C.; Suo, L.; Liu, Q.; Peng, T. Swarm intelligence based deep learning model via improved whale optimization algorithm and Bi-directional long short-term memory for fault diagnosis of chemical processes. ISA Trans. 2024, 147, 227–238. [Google Scholar] [CrossRef] [PubMed]
- Wang, J.; Mo, Z.; Zhang, H.; Miao, Q. A Deep Learning Method for Bearing Fault Diagnosis Based on Time-Frequency Image. IEEE Access 2019, 7, 42373–42383. [Google Scholar] [CrossRef]
- Liu, Z.; Sun, W.; Chang, S.; Zhang, K.; Ba, Y.; Jiang, R. Corn Harvester Bearing Fault Diagnosis Based on ABC-VMD and Optimized EfficientNet. Entropy 2023, 25, 1273. [Google Scholar] [CrossRef] [PubMed]
- Dosovitskiy, A.; Beyer, L.; Kolesnikov, A.; Weissenborn, D.; Zhai, X.; Unterthiner, T.; Dehghani, M.; Minderer, M.; Heigold, G.; Gelly, S.; et al. An Image is Worth 16 × 16 Words: Transformers for Image Recognition at Scale. arXiv 2021, arXiv:2010.11929. [Google Scholar]
- Vaswani, A.; Shazeer, N.; Parmar, N.; Uszkoreit, J.; Jones, L.; Gomez, A.N.; Kaiser, L.; Polosukhin, I. Attention Is All You Need. arXiv 2023, arXiv:1706.03762. [Google Scholar]
- Liu, Z.; Lin, Y.; Cao, Y.; Hu, H.; Wei, Y.; Zhang, Z.; Lin, S.; Guo, B. Swin Transformer: Hierarchical Vision Transformer using Shifted Windows. In Proceedings of the 2021 IEEE/CVF International Conference on Computer Vision (ICCV), Montreal, BC, Canada, 11–17 October 2021; pp. 9992–10002. [Google Scholar] [CrossRef]
- Chen, Z.; Chen, J.; Liu, S.; Feng, Y.; He, S.; Xu, E. Multi-channel Calibrated Transformer with Shifted Windows for few-shot fault diagnosis under sharp speed variation. ISA Trans. 2022, 131, 501–515. [Google Scholar] [CrossRef] [PubMed]
- Wang, H.; Wang, J.; Sui, Q.; Zhang, F.; Li, Y.; Jiang, M.; Paitekul, P. Intelligent Fault Diagnosis Method of Rolling Bearings Based on Transfer Residual Swin Transformer with Shifted Windows. Struct. Durab. Health Monit. 2024, 18, 91–110. [Google Scholar] [CrossRef]
- Xie, F.; Wang, Y.; Wang, G.; Sun, E.; Fan, Q.; Song, M. Fault Diagnosis of Rolling Bearings in Agricultural Machines Using SVD-EDS-GST and ResViT. Agriculture 2024, 14, 1286. [Google Scholar] [CrossRef]
- Guo, M.; Zeng, X.; Chen, D.Y.; Yang, N. Deep-Learning-Based Earth Fault Detection Using Continuous Wavelet Transform and Convolutional Neural Network in Resonant Grounding Distribution Systems. IEEE Sens. J. 2018, 18, 1291–1300. [Google Scholar] [CrossRef]
- Gou, L.; Li, H.; Zheng, H.; Li, H.; Pei, X. Aeroengine Control System Sensor Fault Diagnosis Based on CWT and CNN. Math. Probl. Eng. 2020, 2020, 5357146. [Google Scholar] [CrossRef]
- Pan, X.; Ye, T.; Xia, Z.; Song, S.; Huang, G. Slide-Transformer: Hierarchical Vision Transformer with Local Self-Attention. In Proceedings of the 2023 IEEE/CVF Conference on Computer Vision and Pattern Recognition (CVPR), Vancouver, BC, Canada, 17–24 June 2023; pp. 2082–2091. [Google Scholar] [CrossRef]
- Zhang, J.; Li, X.; Tian, J.; Luo, H.; Yin, S. An integrated multi-head dual sparse self-attention network for remaining useful life prediction. Reliab. Eng. Syst. Saf. 2023, 233, 109096. [Google Scholar] [CrossRef]
- Cordonnier, J.B.; Loukas, A.; Jaggi, M. Multi-Head Attention: Collaborate Instead of Concatenate. arXiv 2020, arXiv:2006.16362. [Google Scholar]
- Han, Y.; Li, C.; Li, T.; Zhang, F. A Multi-task Bearing Fault Diagnosis Method Based on Multi-scale Residual CNN with Dual Attention. In Proceedings of the 2023 18th International Conference on Intelligent Systems and Knowledge Engineering (ISKE), Fuzhou, China, 17–19 November 2023; pp. 374–381. [Google Scholar] [CrossRef]
- Chen, H.; Meng, W.; Li, Y.; Xiong, Q. An anti-noise fault diagnosis approach for rolling bearings based on multiscale CNN-LSTM and a deep residual learning model. Meas. Sci. Technol. 2023, 34, 045013. [Google Scholar] [CrossRef]
- Guo, Y.; Mao, J.; Zhao, M. Rolling Bearing Fault Diagnosis Method Based on Attention CNN and BiLSTM Network. Neural Process. Lett. 2022, 55, 3377–3410. [Google Scholar] [CrossRef]
- Chollet, F. Xception: Deep Learning with Depthwise Separable Convolutions. In Proceedings of the 2017 IEEE Conference on Computer Vision and Pattern Recognition (CVPR), Honolulu, HI, USA, 21–26 July 2017; pp. 1800–1807. [Google Scholar] [CrossRef]
- Yu, F.; Koltun, V. Multi-Scale Context Aggregation by Dilated Convolutions. arXiv 2015, arXiv:1511.07122. [Google Scholar]
- Gao, R. Rethinking Dilated Convolution for Real-time Semantic Segmentation. In Proceedings of the 2023 IEEE/CVF Conference on Computer Vision and Pattern Recognition Workshops (CVPRW), Vancouver, BC, Canada, 17–24 June 2023; pp. 4675–4684. [Google Scholar] [CrossRef]
- Li, Y.; Lu, J.; Chen, H.; Wu, X.; Chen, X. Dilated Convolutional Transformer for High-Quality Image Deraining. In Proceedings of the 2023 IEEE/CVF Conference on Computer Vision and Pattern Recognition Workshops (CVPRW), Vancouver, BC, Canada, 17–24 June 2023; pp. 4199–4207. [Google Scholar] [CrossRef]
- Ouyang, D.; He, S.; Zhan, J.; Guo, H.; Huang, Z.; Luo, M.; Zhang, G.L. Efficient Multi-Scale Attention Module with Cross-Spatial Learning. In Proceedings of the ICASSP—IEEE International Conference on Acoustics, Speech and Processing, Signal, Rhodes Island, Greece, 4–10 June 2023; pp. 1–5. [Google Scholar] [CrossRef]
- Alabdulmohsin, I.; Zhai, X.; Kolesnikov, A.; Beyer, L. Getting ViT in Shape: Scaling Laws for Compute-Optimal Model Design. arXiv 2024, arXiv:2305.13035. [Google Scholar]
- Bao, F.; Nie, S.; Xue, K.; Cao, Y.; Li, C.; Su, H.; Zhu, J. All are Worth Words: A ViT Backbone for Diffusion Models. In Proceedings of the 2023 IEEE/CVF Conference on Computer Vision and Pattern Recognition (CVPR), Vancouver, BC, Canada, 17–24 June 2023; pp. 22669–22679. [Google Scholar] [CrossRef]
- Zhao, W.; Tang, J.; Han, Y.; Song, Y.; Wang, K.; Huang, G.; Wang, F.; You, Y. Dynamic Tuning Towards Parameter and Inference Efficiency for ViT Adaptation. arXiv 2024, arXiv:2403.11808. [Google Scholar]
- Xia, Z.; Pan, X.; Song, S.; Li, L.E.; Huang, G. Vision Transformer with Deformable Attention. In Proceedings of the 2022 IEEE/CVF Conference on Computer Vision and Pattern Recognition (CVPR), New Orleans, LA, USA, 18–24 June 2022; pp. 4784–4793. [Google Scholar] [CrossRef]
- Smith, W.A.; Randall, R.B. Rolling element bearing diagnostics using the Case Western Reserve University data: A benchmark study. Mech. Syst. Signal Process. 2015, 64–65, 100–131. [Google Scholar] [CrossRef]
- Lessmeier, C.; Kimotho, J.K.; Zimmer, D.; Sextro, W. Condition Monitoring of Bearing Damage in Electromechanical Drive Systems by Using Motor Current Signals of Electric Motors: A Benchmark Data Set for Data-Driven Classification. PHM Soc. Eur. Conf. 2016, 3. [Google Scholar] [CrossRef]
- Yaguo, L.; Han, T.; Biao, W.; Li, N.; Tao, Y.; Jun, Y. XJTU-SY Rolling Element Bearing Accelerated Life Test Datasets: A Tutorial. J. Mech. Eng. 2019, 55, 1–6. [Google Scholar] [CrossRef]
- Krizhevsky, A.; Sutskever, I.; Hinton, G.E. ImageNet classification with deep convolutional neural networks. Commun. ACM 2017, 60, 84–90. [Google Scholar] [CrossRef]
- Simonyan, K.; Zisserman, A. Very Deep Convolutional Networks for Large-Scale Image Recognition. arXiv 2014, arXiv:1409.1556. [Google Scholar]
- Szegedy, C.; Vanhoucke, V.; Ioffe, S.; Shlens, J.; Wojna, Z. Rethinking the Inception Architecture for Computer Vision. In Proceedings of the 2016 IEEE Conference on Computer Vision and Pattern Recognition (CVPR), Las Vegas, NV, USA, 27–30 June 2016; pp. 2818–2826. [Google Scholar] [CrossRef]












| Detail | ScD | CWRU | PU | XJTU–SY | Labels |
|---|---|---|---|---|---|
| Pattern | Holder | B007 | K001 | Bearing1_3 | 0 |
| IRP | B014 | K005 | Bearing1_4 | 1 | |
| IRP_ORG | B021 | KA01 | Bearing1_5 | 2 | |
| IRP_ORP | IRO07 | KA03 | Bearing2_1 | 3 | |
| IRP_ORP_H | IRO14 | KA04 | Bearing2_2 | 4 | |
| Normal | IRO21 | KB23 | Bearing2_3 | 5 | |
| ORG | Normal | KB27 | Bearing3_1 | 6 | |
| ORG_H | OR007 | K101 | Bearing3_2 | 7 | |
| ORP | OR014 | KI03 | Bearing3_3 | 8 | |
| ORP_ORG | OR021 | KI07 | Bearing3_4 | 9 | |
| Damage | EDM | EDM | EDM, | Unknown | |
| Drilling, | |||||
| Engraver | |||||
| Location | OR, IR, Holder, None | OR, IR, Ball | OR, IR, None | OR, IR, Holder | |
| Speed | 1600 rpm, | Unknown | 1500 rpm, | 2100 rpm, | |
| 2000 rpm, | 3000 rpm | 2250 rpm, | |||
| 2400 rpm | 2400 rpm | ||||
| Load | None | 2HP | N09_M07_F10 | None |
| Stage | Layer | Output Size [Batch, Channels, Width, Height] | (Kernel Size, Stride, Padding) or Attention Heads |
|---|---|---|---|
| Input | [4, 3, 224, 224] | / | |
| EFE block | DWConv | [1, 96, 112, 112] | (7, 2, 3) |
| MaxPool | [1, 96, 56, 56] | (2, 2) | |
| DConv block | [1, 96, 56, 56] | (3, 1, 2) | |
| DConv block | [1, 96, 56, 56] | (3, 1, 2) | |
| EMSA | / | [1, 96, 56, 56] | / |
| S-D Transformer | Stage 1 | [1, 96, 56, 56] | 3 |
| Stage 2 | [1, 192, 28, 28] | 6 | |
| Stage 3 | [1, 384, 14, 14] | 12 | |
| Stage 4 | [1, 768, 7, 7] | 24 | |
| Classifier | Fully Connected | [1, 10] | / |
| Network Model | Accuracy (%) | F1 (%) | FLOPs (G) | Params (M) |
|---|---|---|---|---|
| AlexNet [34] | 90 | 90 | 0.7 | 57 |
| Vgg [35] | 90.1 | 89.84 | 7.6 | 128 |
| InceptionV3 [36] | 82.95 | 83.02 | 2.85 | 21.8 |
| ViT [8] | 86.65 | 86.38 | 5.3 | 28.9 |
| Swin_t [10] | 92.05 | 92.0 | 4.36 | 27.5 |
| Ours | 94.3 | 94.27 | 4.37 | 26.5 |
| SDA | EFE | EMSA | Accuracy (%) | FLOPs (G) | Params (M) | ![]() |
| - | - | - | 86.65 | 5.3 | 28.9 | |
| ✓ | - | - | 89.7 (+3.05) | 4.2 | 26.3 | |
| ✓ | ✓ | - | 92.5 (+5.35) | 4.35 | 26.594 | |
| ✓ | - | ✓ | 93.15 (+6.5) | 4.24 | 26.38 | |
| ✓ | ✓ | ✓ | 94.3 (+7.65) | 4.37 | 26.596 |
| Datasets | Accuracy (%) | F1 (%) |
|---|---|---|
| CWRU | 99.95 | 99.95 |
| PU | 93.55 | 93.39 |
| XJTU-SY | 99.4 | 99.4 |
Disclaimer/Publisher’s Note: The statements, opinions and data contained in all publications are solely those of the individual author(s) and contributor(s) and not of MDPI and/or the editor(s). MDPI and/or the editor(s) disclaim responsibility for any injury to people or property resulting from any ideas, methods, instructions or products referred to in the content. |
© 2024 by the authors. Licensee MDPI, Basel, Switzerland. This article is an open access article distributed under the terms and conditions of the Creative Commons Attribution (CC BY) license (https://creativecommons.org/licenses/by/4.0/).
Share and Cite
Li, X.; Li, M.; Liu, B.; Lv, S.; Liu, C. A Novel Transformer Network Based on Cross–Spatial Learning and Deformable Attention for Composite Fault Diagnosis of Agricultural Machinery Bearings. Agriculture 2024, 14, 1397. https://doi.org/10.3390/agriculture14081397
Li X, Li M, Liu B, Lv S, Liu C. A Novel Transformer Network Based on Cross–Spatial Learning and Deformable Attention for Composite Fault Diagnosis of Agricultural Machinery Bearings. Agriculture. 2024; 14(8):1397. https://doi.org/10.3390/agriculture14081397
Chicago/Turabian StyleLi, Xuemei, Min Li, Bin Liu, Shangsong Lv, and Chengjie Liu. 2024. "A Novel Transformer Network Based on Cross–Spatial Learning and Deformable Attention for Composite Fault Diagnosis of Agricultural Machinery Bearings" Agriculture 14, no. 8: 1397. https://doi.org/10.3390/agriculture14081397
APA StyleLi, X., Li, M., Liu, B., Lv, S., & Liu, C. (2024). A Novel Transformer Network Based on Cross–Spatial Learning and Deformable Attention for Composite Fault Diagnosis of Agricultural Machinery Bearings. Agriculture, 14(8), 1397. https://doi.org/10.3390/agriculture14081397


