Design and Experiment of the Profiling Header of River Dike Mower
Abstract
1. Introduction
2. Materials and Methods
2.1. Machine Structure and Operational Fundamentals
2.2. Design of Key Components
2.2.1. Design of Lifting Mechanism
2.2.2. Design of Mowing Device
2.2.3. Design of the Profiling Mechanism
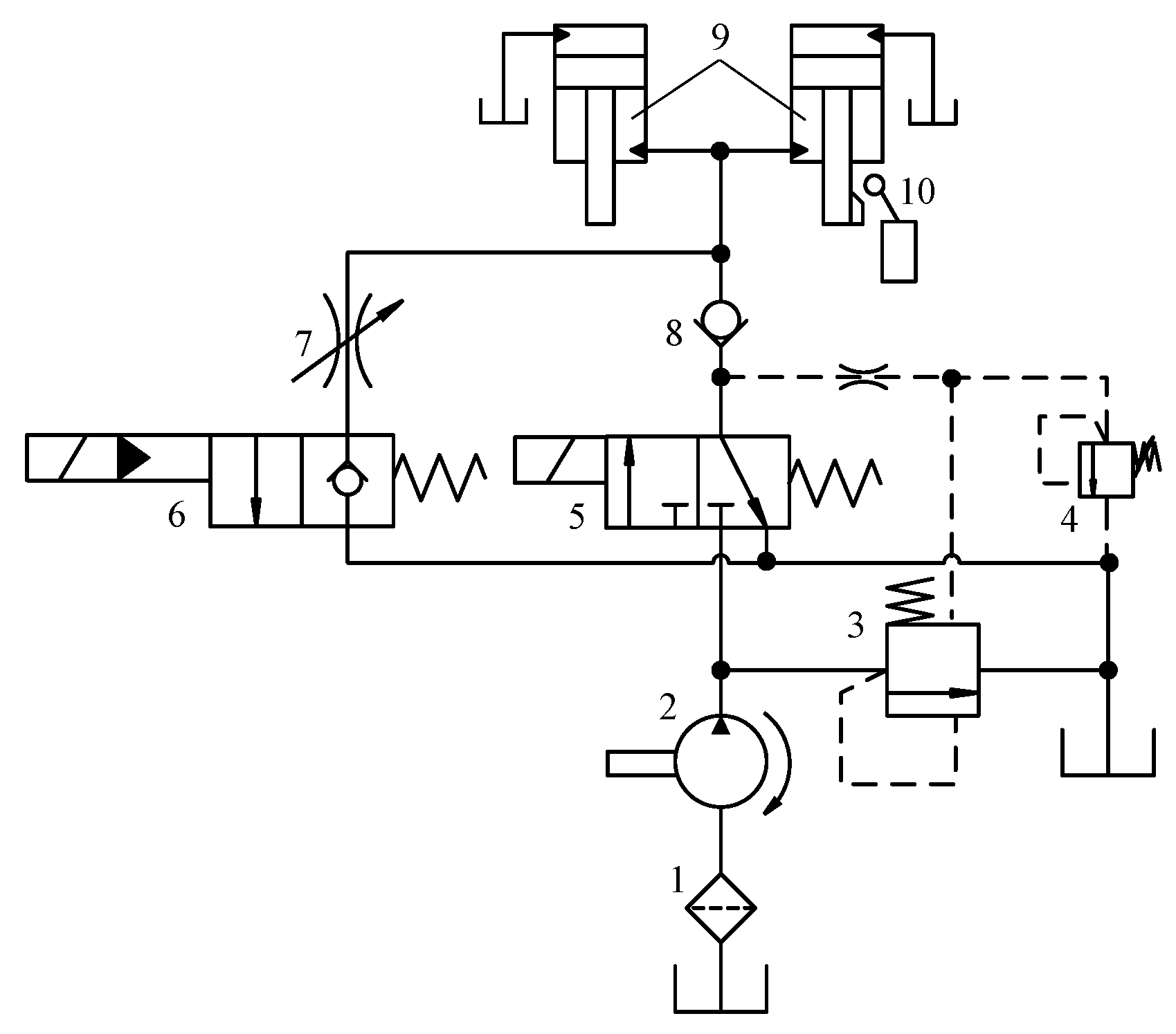
2.2.4. Design of Hydraulic System
2.3. Experiment Scheme
2.3.1. Simulation Experiment
2.3.2. Field Experiment
- Test contents: The specific experiments include verifying the mower’s mowing speed [28], validating mowing productivity [29], testing the uniformity of mowing with and without profiling conditions, and analyzing the effect of the lawn protection boot at three different height adjustment positions during mowing.
- Test equipment: The key component is the prototype mower, other vital equipment includes a smartphone, a tape measure for accurate measurements (DELI with a range of 10 m and precision markings at the millimeter level), an angle gauge for assessing slopes (SOUTHERN JZC-B2 and measuring accuracy 1 Degree), a stopwatch for timing (CASIO HS-70W accurate to 1/100 s), and a marker bar for designation.
- Test methods: For the conduct of the experiment, a five-point sampling technique, also recognized as the diagonal method, is employed. This technique involves the selection of a uniformly spaced grassy area along the bank and the subsequent division of this area into five small rectangular sections arranged diagonally. The centers of four sample points are positioned equidistant from the center point on each diagonal. Each designated sample point encompasses an area of 0.25 square meters. The experiments are conducted on flat terrain and on slopes of 25 degrees, and the duration required for mowing each sample point is meticulously recorded [30,31]. The following is about validation test design:
- (1)
- The experimental design for the mowing speed and productivity:
- (2)
- The experimental design for a mowing height test in three gears of a lawn protection boots:
- (3)
- The experimental design for comparing the uniformity of mowing with and without contour-following conditions on the header:
3. Results and Discussion
3.1. Analysis of Simulation Results
3.2. Analysis of Field Experiment Results
3.2.1. Mower Mowing Speed and Productivity Experiment Verification
3.2.2. Experiment Verification of a Mowing Height Test in Three Gears of Lawn Protection Boots
3.2.3. Comparison Experiment of Mowing Uniformity with and without Profiling of the Header
4. Conclusions
- (1)
- This simulation verifies the functionality of the lifting mechanism by closely analyzing the motion characteristics of the header during the lifting process. Based on this information, we can deduce that the lifting process achieved a peak velocity of 100.8 mm/s and a minimum velocity of 76.1 mm/s. This comprehensive simulation analysis confirms that the design and parameter selections of the header lifting mechanism satisfy the specified design requirements and align with the intended working conditions.
- (2)
- Significantly, the mower maintains a consistent operating speed of 0.85 m/s on both flat and sloping terrain. This velocity falls precisely within the designated range of 0.27 m/s to 2.7 m/s, which is the intended speed for mowing. The findings indicated a significantly greater rate of 4212 m2/h on a 25° incline, while the average mowing efficiency on flat terrain was 3872 m2/h. Notably, both of these averages exceed the minimum stipulated requirement of 3000 m2/h for the mower’s designated mowing productivity, thus fulfilling the designated requirements.
- (3)
- An experiment was conducted to determine the maximum level of gear adjustment for the lawn protection boots. Notably, the height differences between the three gears are only about 2 cm, which meets the design requirement for gear modulation in the boots. When assessing the uniformity of mowing with and without a profiling header, the validation indicates that the former exhibits a slightly greater standard deviation (1.828) compared to the latter (1.497). Essentially, the profiling header adapts to the transformation of river dikes within an acceptable range of variation and meets the design criteria for important factors such as the evenness of mowing.
Author Contributions
Funding
Institutional Review Board Statement
Data Availability Statement
Conflicts of Interest
References
- GB 50286-2013; Code for Design of Embankment Slope Engineering. Ministry of Water Resources of the People’s Republic of China: Beijing, China, 2013.
- 2019 National Water Conservancy Development Statistics Bulletin; Ministry of Water Resources of the People’s Republic of China: Beijing, China, 2019.
- Bátori, Z.; Kiss, P.J.; Tölgyesi, C.; Deák, B.; Valkó, O.; Török, P.; Erdős, L.; Tóthmérész, B.; Kelemen, A. River embankments mitigate the loss of grassland biodiversity in agricultural landscapes. River Res. Appl. 2020, 36, 1160–1170. [Google Scholar] [CrossRef]
- Löbmann, M.T.; Geitner, C.; Wellstein, C.; Zerbe, S. The influence of herbaceous vegetation on slope stability—A review. Earth-Sci. Rev. 2020, 209, 103328. [Google Scholar] [CrossRef]
- Cole, L.J.; Stockan, J.; Helliwell, R. Managing riparian buffer strips to optimise ecosystem services: A review. Agric. Ecosyst. Environ. 2020, 296, 106891. [Google Scholar] [CrossRef]
- Vannoppen, W.; Poesen, J.; Peeters, P.; De Baets, S.; Vandevoorde, B. Root properties of vegetation communities and their impact on the erosion resistance of river dikes. Earth Surf. Process. Landf. 2016, 41, 2038–2046. [Google Scholar] [CrossRef]
- Scheres, B.; Schüttrumpf, H. Investigating the erosion resistance of different vegetated surfaces for ecological enhancement of sea dikes. J. Mar. Sci. Eng. 2020, 8, 519. [Google Scholar] [CrossRef]
- van den Hoven, K.; Grashof-Bokdam, C.J.; Slim, P.A.; Wentholt, L.; Peeters, P.; Depreiter, D.; Koelewijn, A.R.; Stoorvogel, M.M.; van den Berg, M.; Kroeze, C.; et al. Greening the dike revetment with historic sod transplantation technique in a living lab. J. Flood Risk Manag. 2024, 17, e12968. [Google Scholar] [CrossRef]
- Zanetti, C.; Macia, J.; Liency, N.; Vennetier, M.; Mériaux, P.; Provensal, M. Roles of the riparian vegetation: The antagonism between flooding risk and the protection of environments. In Proceedings of the 3rd European Conference on Flood Risk Management FLOODrisk, Lyon, France, 17–21 October 2016; Volume 7, p. 13015. [Google Scholar]
- van der Meer, J.; Steendam, G.J.; Mosca, C.A.; Guzzo, L.B.; Takata, K.; Cheong, N.S.; Eng, C.K.; Lj, L.A.; Ling, G.P.; Siang, C.W.; et al. Wave overtopping tests to determine tropical grass species and topsoils for polder dikes in a tropical country. Coast. Eng. Proc. 2020, 36, 31. [Google Scholar] [CrossRef]
- Orlyanskaya, I.A.; Jhalnin, E.V.; Orlyansky, A.V.; Petenev, A.N.; Kulaev, E.V. Comparative efficiency of segment-finger and rotary mowers for grass cutting. In Proceedings of the AIP Conference Proceedings, Stavropol, Russia, 27–30 September 2021; Volume 2661, p. 070002. [Google Scholar]
- Nishimura, Y.; Yamaguchi, T. Grass Cutting Robot for Inclined Surfaces in Hilly and Mountainous Areas. Sensors 2023, 23, 528. [Google Scholar] [CrossRef] [PubMed]
- Liao, J.C.; Chen, S.H.; Zhuang, Z.Y.; Wu, B.W.; Chen, Y.J. Designing and Manufacturing of Automatic Robotic Lawn Mower. Processes 2021, 9, 358. [Google Scholar] [CrossRef]
- Xiao, M.H.; Zhao, Y.; Wang, H.; Xu, X.; Bartos, P.; Zhu, Y. Design and Test of Hydraulic Driving System for Undercarriage of Paddy Field Weeder. Agriculture 2024, 14, 595. [Google Scholar] [CrossRef]
- Kang, C.Q.; Ng, P.K.; Liew, K.W. The Conceptual Synthesis and Development of a Multifunctional Lawnmower. Inventions 2021, 6, 38. [Google Scholar] [CrossRef]
- Khodke, K.R.; Kukreja, H.; Kotekar, S. Literature Review of Grass Cutter Machine. Int. J. Emerg. Technol. Eng. Res. 2018, 6, 97–101. [Google Scholar]
- Diwakaran, S.; Kumar, M.D.V.; Mohanreddy, P.S.; Rishika, C.; Sreenivasulu, P.; Sivasubramanian, M. Design of an Autonomous Mower with Height Adjustable Cutting Motor. In Proceedings of the 2023 4th International Conference on Signal Processing and Communication (ICSPC), Coimbatore, India, 23–24 March 2023; pp. 348–352. [Google Scholar]
- Kang, C.Q.; Ng, P.K.; Liew, K.W. A TRIZ-Integrated Conceptual Design Process of a Smart Lawnmower for Uneven Grassland. Agronomy 2022, 12, 2728. [Google Scholar] [CrossRef]
- Lei, X.H.; Qi, Y.N.; Zeng, J.; Yuan, Q.C.; Chang, Y.H.; Lyu, X. Development of unilateral obstacle-avoiding mower for Y-trellis pear orchard. Int. J. Agric. Biol. Eng. 2022, 15, 71–78. [Google Scholar] [CrossRef]
- Wu, B.; Wang, D.; Wang, G.; Fu, Z.; Guo, Z.; Gong, Z.; Li, T. Design and Simulation of the Copying Spring of Selfpropelled Mowers. In Proceedings of the 2015 ASABE Annual International Meeting, New Orleans, LA, USA, 26–29 July 2015; p. 152188918. [Google Scholar]
- Zhang, Y.; Tian, L.; Cao, C.; Zhu, C.; Qin, K.; Ge, J. Optimization and validation of blade parameters for inter-row weeding wheel in paddy fields. Front. Plant Sci. 2022, 13, 1003471. [Google Scholar] [CrossRef] [PubMed]
- Sheng, Y.Y.; Tian, C.Y.; Xiao, M.H.; Yao, W.Q.; Wang, Q.Q.; Shi, X.Y. Design and Analysis of a Portable Greenhouse Weeding Machine. J. Comput. Methods Sci. Eng. 2019, 19, 229–241. [Google Scholar] [CrossRef]
- Tian, F.; Xia, K.; Wang, J.; Song, Z.; Yan, Y.; Li, F.; Wang, F. Design and experiment of self-propelled straw forage crop harvester. Adv. Mech. Eng. 2021, 13, 16878140211024455. [Google Scholar] [CrossRef]
- Nkakini, S.; Branly, Y. Design, Fabrication and Evaluation of a Spiral Blade lawn mower. Eur. Int. J. Sci. Technol. 2014, 3, 165–172. [Google Scholar]
- Zhao, L.; Wang, J.; Zhang, Z.W. Research on Parameter Design of Multi-axis Hydrostatic Transmission Vehicle. MATEC Web Conf. 2017, 139, 00215. [Google Scholar] [CrossRef][Green Version]
- Cao, L.; Miao, S. Design of Chinese Cabbage Harvester. In Proceedings of the 2020 IEEE International Conference on Mechatronics and Automation (ICMA), Beijing, China, 13–16 October 2020; pp. 243–248. [Google Scholar]
- Guan, P.; Yang, J. Design and test of a new type of coupling weeder. Int. J. Mech. 2023, 17, 16–24. [Google Scholar] [CrossRef]
- Zhang, L.; Yao, C.; Ying, W.; Luo, S.; Ying, F. Theoretical analysis and design of roller mower straight blade. J. Mech. Sci. Technol. 2024, 38, 3597–3606. [Google Scholar] [CrossRef]
- Pirchio, M.; Fontanelli, M.; Frasconi, C.; Martelloni, L.; Raffaelli, M.; Peruzzi, A.; Gaetani, M.; Magni, S.; Caturegli, L.; Volterrani, M.; et al. Autonomous Mower vs. Rotary Mower: Effects on Turf Quality and Weed Control in Tall Fescue Lawn. Agronomy 2018, 8, 15. [Google Scholar] [CrossRef]
- Iwano, Y.; Hasegawa, T.; Tanaka, A.; Iizuka, K. Development of the trimmer-type mowing system against a slope. In Proceedings of the 2016 International Conference on Advanced Mechatronic Systems (ICAMechS), Melbourne, VIC, Australia, 16 January 2017; pp. 23–28. [Google Scholar]
- Fontanelli, M.; Chiaro, N.D.; Gagliardi, L.; Frasconi, C.; Raffaelli, M.; Peruzzi, A.; Luglio, S.M. Measuring the operative performance of autonomous mowers on slopes. In Proceedings of the 2023 IEEE International Workshop on Metrology for Agriculture and Forestry (MetroAgriFor), Pisa, Italy, 6–8 November 2023; pp. 404–408. [Google Scholar]
- Yan, J.; Gao, L.; Wang, L.; Gong, X. Design, finite element analysis and utility of automatic weeder for port. Coast. Res. 2019, 93, 901–904. [Google Scholar] [CrossRef]
- Peigang, J.; Yinnan, L.; Yang, L. Design and Simulation Analysis of Weeding Machine Chassis Based on CATIA and ADAMS. In Proceedings of the 2023 International Conference on Electronics and Devices, Computational Science (ICEDCS), Marseille, France, 22–24 September 2023; pp. 158–162. [Google Scholar]









| Parameter Name | Parameter Value |
|---|---|
| Engine type | Yanmar 3TNV88 |
| Engine power (kW) | 20 |
| Dimensions length/width/height (mm) | 2900/1570/1000 |
| Mass (kg) | 880 |
| Number of cutter circumferences (blade) | 4 |
| Number of cutter axes (blade) | 9 |
| Mowing range (mm) | 1300 |
| Hydraulic motor type | BMR50 |
| Hydraulic Components | Parameters |
|---|---|
| The cutter rotation hydraulic motor | M4MF37-32 series axial piston hydraulic motor |
| The walking hydraulic motor | BMR50 series hydraulic motor |
| Hydraulic pump | Closed-loop triple gear pump: M4PV28-28S228AR3BJR-557 + 2 HMPZA12RTXGSGAPMM1 |
| Check valve | DIF-L20H1 |
| Oil tank | 250L |
| Type of Material | Density Ρ/kg·m−3 | Modulus of Elasticity E/MPa | Poisson’s Ratio | Strength of Yield σs/MPa |
|---|---|---|---|---|
| Q235 | 7850 | 200,000 | 0.3 | 235 |
| Samples | 1 | 2 | 3 | 4 | 5 |
|---|---|---|---|---|---|
| Level mowing speed/m·s−1 | 0.63 | 0.77 | 0.83 | 1 | 0.91 |
| 25° slope mowing speed/m·s−1 | 0.67 | 0.83 | 1 | 1 | 0.83 |
| Samples | 1 | 2 | 3 | 4 | 5 |
|---|---|---|---|---|---|
| Flat mowing productivity/m2·h−1 | 2925 | 3600 | 3900 | 4680 | 4255 |
| 25° slope mowing productivity/m2·h−1 | 3120 | 4680 | 4680 | 4680 | 3900 |
Disclaimer/Publisher’s Note: The statements, opinions and data contained in all publications are solely those of the individual author(s) and contributor(s) and not of MDPI and/or the editor(s). MDPI and/or the editor(s) disclaim responsibility for any injury to people or property resulting from any ideas, methods, instructions or products referred to in the content. |
© 2024 by the authors. Licensee MDPI, Basel, Switzerland. This article is an open access article distributed under the terms and conditions of the Creative Commons Attribution (CC BY) license (https://creativecommons.org/licenses/by/4.0/).
Share and Cite
Li, M.; Yan, Y.; Tian, L.; Chen, X.; Liu, F. Design and Experiment of the Profiling Header of River Dike Mower. Agriculture 2024, 14, 1188. https://doi.org/10.3390/agriculture14071188
Li M, Yan Y, Tian L, Chen X, Liu F. Design and Experiment of the Profiling Header of River Dike Mower. Agriculture. 2024; 14(7):1188. https://doi.org/10.3390/agriculture14071188
Chicago/Turabian StyleLi, Mingsheng, Yulin Yan, Lin Tian, Xingzheng Chen, and Fanyi Liu. 2024. "Design and Experiment of the Profiling Header of River Dike Mower" Agriculture 14, no. 7: 1188. https://doi.org/10.3390/agriculture14071188
APA StyleLi, M., Yan, Y., Tian, L., Chen, X., & Liu, F. (2024). Design and Experiment of the Profiling Header of River Dike Mower. Agriculture, 14(7), 1188. https://doi.org/10.3390/agriculture14071188
