Design and Verification of Crab Steering System for High Clearance Self-Propelled Sprayer
Abstract
:1. Introduction
2. Materials and Methods
2.1. Design of Crab Steering System
2.1.1. Principle of Crab Steering
2.1.2. Structural Design of Crab Steering Transmission System
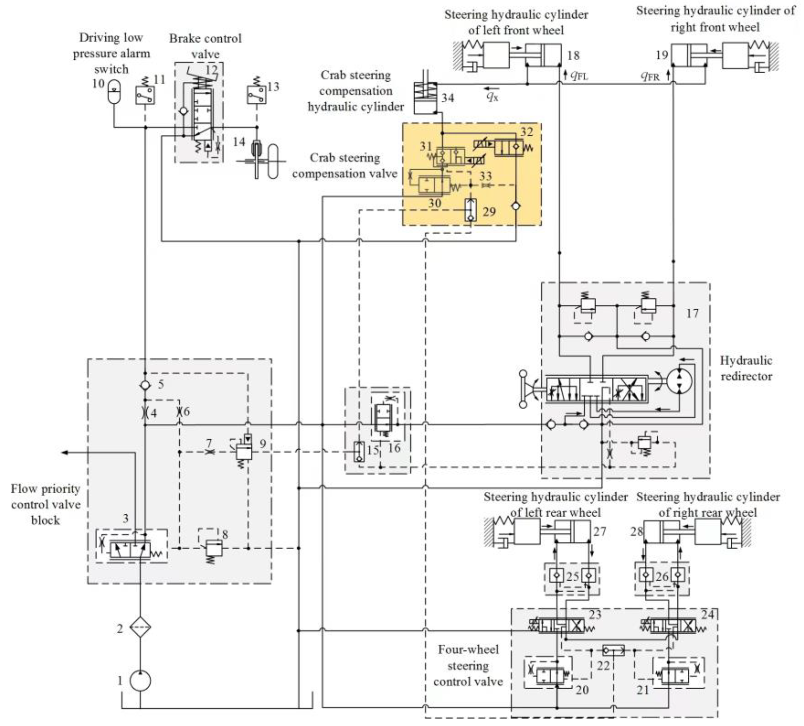
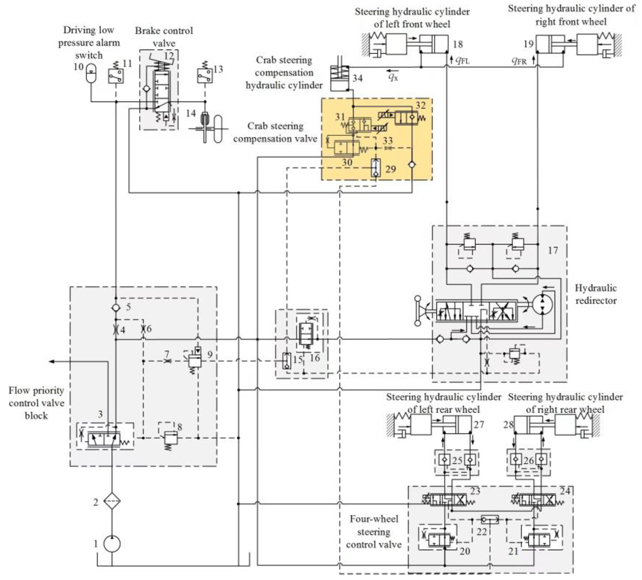
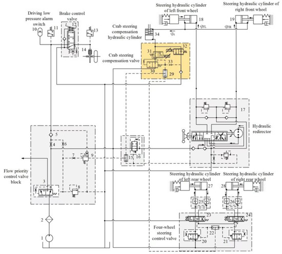
2.1.3. Hydraulic System Design of Crab Steering
2.2. Mathematical Model of Crab Steering System
2.2.1. Mathematical Model of Steering Transmission Mechanism
2.2.2. Mathematical Model of Crab Steering Hydraulic System
2.3. Control Strategy and Method
2.3.1. Control Strategy of Crab Steering
2.3.2. Design of Crab Steering Controller
2.4. Construction of Test Platform
3. Test Verification and Results
3.1. Simulation Test
3.2. Field Test
4. Discussion
4.1. Simulation Test
4.2. Field Test
5. Conclusions
Author Contributions
Funding
Conflicts of Interest
References
- Jiang, Y.; Liu, W.; Huang, C.; Lu, M.; Liu, J.; Cirenzhuoga. Occurrence trend forecast of major crop diseases and insect pests in China in 2020. China Plant Prot. 2020, 2, 37–39. [Google Scholar]
- National Agro-Tech Extension and Service Center. Major crop diseases and insect pests will recur in 2021. China Agri. Prod. News 2021, 04, 16. [Google Scholar]
- He, X. Research and development of crop protection machinery and chemical application technology in China. Chin. J. Pestic. Sci. 2019, 21, 921–930. [Google Scholar]
- Lin, L.; Hou, J.; Wu, Y.; Liu, X. Review and development of high clearance boom sprayer. J. Chin. Agric. Mech. 2017, 38, 38–42. [Google Scholar]
- Xiong, K. Research progress and developmental recommendations on precision spraying technology and equipment in China. Smart Agric. 2020, 2, 133–146. [Google Scholar]
- Yu, J. Development and application of plant protection machinery at home and abroad. SDNJH 2020, 6, 28–31. [Google Scholar]
- Wang, J.; Yang, H.; Hu, L.; Min, F. Research status and development trend of sprayer sprayer. Agric. Mach. Using Maint. 2019, 10, 7–9. [Google Scholar]
- Guo, R. Research on Multifunctional Steering Technology of Aircraft Tractor; Jiangsu University: Zhenjiang, China, 2004. [Google Scholar]
- Sun, W. Study on the Steering System of Airplane Tractor; Chang’an University: Xi’an, China, 2008. [Google Scholar]
- Xu, F. Design of full hydraulic steering system for aircraft tractor. China New Technol. Prod. 2018, 7, 5–6. [Google Scholar]
- Zhang, S.; Zhang, J.; Wei, W. Hydraulic Crab Steering System with Locking Function of Double Steel Wheel Roller. CN Patent 103,452,936 B, 30 November 2016. [Google Scholar]
- Si, G.; Zhang, X. Research on Crab Hydraulic Steering of Vibrating Road Roller. Chin. Hydraul. Pneum. 2006, 9, 24–26. [Google Scholar]
- Yang, F.; Tang, H.; Zhao, X. Analysis and treatment of automatic crab fault of double drum roller. Constr. Mach. Equip. 2017, 48, 33–36+6. [Google Scholar]
- Donaldson, J.; Wong, N. True Crab Steering Apparatus. U.S. Patent 6,371,243 B1, 16 April 2002. [Google Scholar]
- Ye, Y.; He, L.; Zhang, Q. Steering Control Strategies for a Four-Wheel-Independent-Steering Bin Managing Robot. IFAC Pap. OnLine 2016, 49, 39–44. [Google Scholar] [CrossRef]
- Ye, Y.; He, L.; Wang, Z.; Jones, D.; Hollinger, G.A.; Taylor, M.E.; Zhang, Q. Orchard manoeuvring strategy for a robotic bin-handling machine. Biosyst. Eng. 2018, 169, 85–103. [Google Scholar] [CrossRef]
- Zhang, G. Research and Design of Four Wheel Steering System of High Clearance Self-Propelled Platform; Northwest A&F University: Yangling, China, 2016. [Google Scholar]
- Tu, X. Robust Navigation Control and Headland Turning Optimization of Agricultural Vehicles Iowa State University Capstones: Dissertations & Thesis Gradworks. Ph.D. Thesis, Iowa State University, Ames, IA, USA, 2013. [Google Scholar]
- Zong, C.; Liu, J.; Zheng, H.; Song, P.; Zhang, Q. Modeling and Special Conditions Simulation of Electric Vehicle with 4WID/4WIS. Automot. Eng. 2011, 33, 829–833. [Google Scholar]
- Li, W.; Xue, T.; Mao, E.; Du, Y.; Li, Z.; He, X. Design and Experiment of Multifunction Steeering System for High Clearance Self-propelled Sprayer. Trans. Chin. Soc. Agric. Mach. 2019, 50, 141–151. [Google Scholar]
- Dong, E.; Zhang, L. Optimization Design of Hydraulic Steering Mechanism of SGA3550 Truck. Tract. Farm Transp. 2007, 34, 40–41+44. [Google Scholar]
- Dou, L. Development and Research on Wheel Track Adjustable Steering System of High Clearance Self-Propelled Sprayer; Chinese Academy of Agricultural Mechanization Sciences Group Co., Ltd.: Beijing, China, 2012. [Google Scholar]
- Chen, Y.; Mao, E.; Li, W.; Zhang, S.; Song, Z.; Yang, S.; Chen, J. Design and experiment of a high-clearance self-propelled sprayer chassis. Int. J. Agric. Biol. Eng. 2020, 13, 71–80. [Google Scholar] [CrossRef]














| Hydraulic Components | Model | Manufacturer |
|---|---|---|
| Load sensing closed center full hydraulic steering gear | 102S-5T-200-10-E | ZHENJIANG HYDRAULICS Co., Ltd. (Zhenjiang, China) |
| Load sensing pressure compensation flow priority valve | EC10-42-0-N-150 | HYDRAFORCE (Changzhou, China) |
| Differential pressure reducing valve | EC10-32-0-N-80EC1 | HYDRAFORCE |
| Two way hydraulic control check valve | DC08-40-0-N-25 | HYDRAFORCE |
| Two-position three-way proportional valve | SPCL10-32-0-N-12DR | HYDRAFORCE |
| Two-position two-way proportional valve | SP10-20-0-N-12DR | HYDRAFORCE |
| Three-position five-way load sensing electro-hydraulic proportional valve | SP10-58D-0-N-12DR | HYDRAFORCE |
| Relief valve | RV08-20A-0-N-33 | HYDRAFORCE |
| Steering hydraulic cylinder | HSG63/35-300×584-WX | HEFEI CHANGYUAN HYDRAULIC Co., Ltd. (Hefei, China) |
| Parameter | Unit | Index | Parameter | Unit | Index |
|---|---|---|---|---|---|
| Drive mode | / | Four wheel hydraulic drive | Steering mode | / | 2WS/4WS/Crab steering |
| Engine horsepower | hp | 205 | Wheel track | mm | 3200–4000 |
| Vehicle quality | kg | 15,000 | Wheelbase | mm | 4000 |
| Boundary dimension | mm | 8200 × 4200 × 4100 | Ground clearance | mm | ≥2000 |
| Liquid chemical tank volume | L | 3000 | Service brake | / | Clamp plate hydraulic brake |
| Spray amplitude | mm | 28,000 | Parking brake | / | Multi-disc brake in the reducer |
| Speed | km·h−1 | Three speed stepless speed change, the highest: 17; 26; 40 | Boom height | mm | 800–2800 |
| Parameter | Unit | Index | Parameter | Unit | Index |
|---|---|---|---|---|---|
| Ap1 | m3 | 3.316 × 10−3 | dxpv | m | 5.5 × 10−4 |
| Ap2 | m3 | 2.154 × 10−3 | Lx | m | 1.75 × 10−3 |
| Bxz | / | 1.28 × 10−3 | Lxz | m | 1.24 × 10−3 |
| Cet | m3/(Pa·s) | 1 × 10−11 | θxpv | rad | 1.69 |
| Cit | m3/(Pa·s) | 2 × 10−11 | θxz | rad | 0.67 |
| dxz | m | 7.36 × 10−3 | xxzs0 | m | 2.0 × 10−4 |
| dxz1 | m | 1.066 × 10−2 | Vxp0 | L | 3.03 × 10−7 |
| dx1 | m | 1.45 × 10−2 | Vxz0 | L | 2.154 × 10−3 |
| dxpv0 | m | 3.2 × 10−4 |
| Parameter | Average Error (°) | Maximum Error (°) |
|---|---|---|
| Value | 0.139 | 2.75 |
| Parameter | Average Error (°) | Maximum Error (°) |
|---|---|---|
| Right front wheel | 0.265 | 2.380 |
| Left rear wheel | 0.285 | 2.587 |
| Right rear wheel | 0.260 | 2.493 |
Publisher’s Note: MDPI stays neutral with regard to jurisdictional claims in published maps and institutional affiliations. |
© 2022 by the authors. Licensee MDPI, Basel, Switzerland. This article is an open access article distributed under the terms and conditions of the Creative Commons Attribution (CC BY) license (https://creativecommons.org/licenses/by/4.0/).
Share and Cite
Li, W.; Yang, F.; Mao, E.; Shao, M.; Sui, H.; Du, Y. Design and Verification of Crab Steering System for High Clearance Self-Propelled Sprayer. Agriculture 2022, 12, 1893. https://doi.org/10.3390/agriculture12111893
Li W, Yang F, Mao E, Shao M, Sui H, Du Y. Design and Verification of Crab Steering System for High Clearance Self-Propelled Sprayer. Agriculture. 2022; 12(11):1893. https://doi.org/10.3390/agriculture12111893
Chicago/Turabian StyleLi, Wei, Fan Yang, Enrong Mao, Mingxi Shao, Haochen Sui, and Yuefeng Du. 2022. "Design and Verification of Crab Steering System for High Clearance Self-Propelled Sprayer" Agriculture 12, no. 11: 1893. https://doi.org/10.3390/agriculture12111893
APA StyleLi, W., Yang, F., Mao, E., Shao, M., Sui, H., & Du, Y. (2022). Design and Verification of Crab Steering System for High Clearance Self-Propelled Sprayer. Agriculture, 12(11), 1893. https://doi.org/10.3390/agriculture12111893

