Topology Comparison Study of Five-Phase Wound-Field Doubly Salient Fault Tolerant Generators
Abstract
1. Introduction
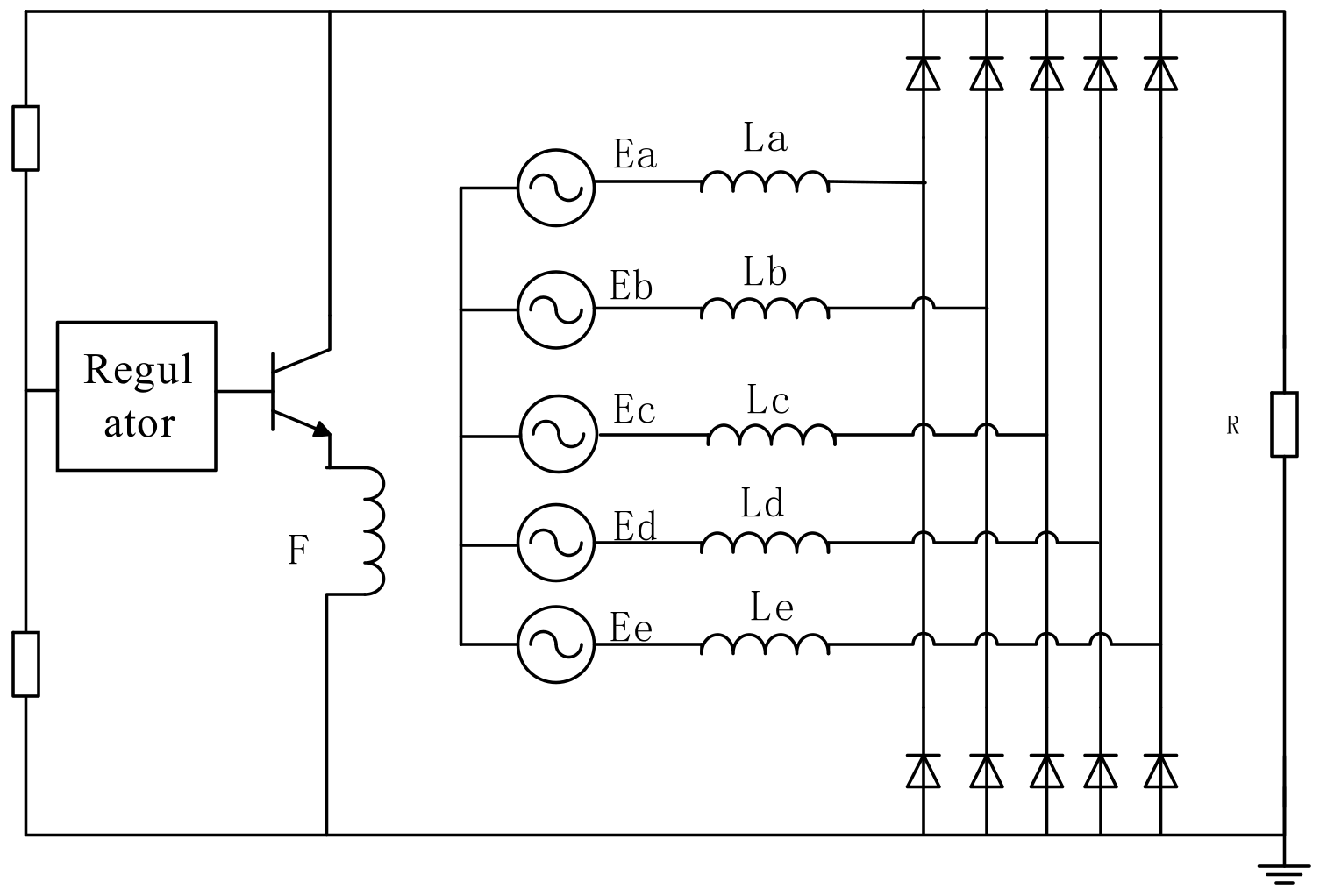
2. Topology and Principle of the Five-Phase WFDSG
3. Comparative Study and Simulation of Five-Phase WFDSG
3.1. WFDSG Design Constraints
3.2. The Comparative Analysis of Two WFDSGs
3.3. Rotor Pole Optimization Considering the Fringing Effect
4. Experimental verification
5. Conclusions
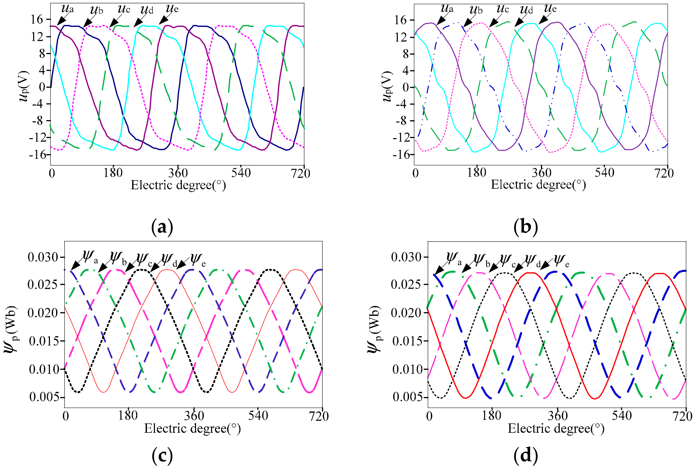
- If the other parameters are equal, the output voltages of Wound-field Doubly Salient Fault Tolerant Generators with different poles are equal if they have the same total turn number of the armature windings. However, the pole to pole leakage effect of the 30/24-pole Wound-field Doubly Salient Fault Tolerant Generator is larger than that of the 20/16-pole, which decreases the flux linkage and the EMF amplitude. Since the number of stator poles is larger than the number of rotor poles, the stator slots are narrower than the rotor slots when the stator and rotor pole arc coefficients are the same, so the equivalent air gap length is also small. Similarly, the narrower the stator slot and the rotor slot, the smaller the equivalent air gap length of the stator slot and the rotor slot, that is, the larger the leakage magnetic flux.
- Considering the core fringing effect, to reduce the cogging torque, as well as the harmonic content of phase flux and electromotive force, the rotor pole arc actual length should be four times the length of the air gap narrower than the ideal pole arc length. Under this circumstance, the five-phase Wound-field Doubly Salient Fault Tolerant Generator studied in this paper has the smallest harmonic content of the flux linkage and no-load electromotive force, and the minimum positioning torque is the ideal design target of the rotor pole arc length.
- Although the total phase turn numbers are the same, the output power of the 30/24-pole Wound-field Doubly Salient Fault Tolerant Generator is smaller than the 20/16-pole one when the output current is smaller than 27A, due to the demagnetisation effect of the armature reaction. Due to the pole to pole leakage flux, the output power of the 30/24-pole Wound-field Doubly Salient Fault Tolerant Generator is larger than the 20/16-pole one when the output current is larger than 27A. The 20/16 pole Wound-field Doubly Salient Fault Tolerant Generator drops sharply due to the large demagnetization effect of the armature reaction because there are more turns of the armature winding around each pole of the 20/16-pole Wound-field Doubly Salient Fault Tolerant Generator. And this verifies the increase in the number of poles will deduce the second air gap and increase the leakage coefficient of the Wound-field Doubly Salient Fault Tolerant Generator.
Author Contributions
Funding
Acknowledgments
Conflicts of Interest
References
- Pescini, E.; De Giorgi, M.G.; Francioso, L.; Sciolti, A.; Ficarella, A. Effect of a micro dielectric barrier discharge plasma actuator on quiescent flow. IET Sci. Meas. Technol. 2014, 8, 135–142. [Google Scholar] [CrossRef]
- Pescini, E.; Francioso, L.; De Giorgi, M.G.; Ficarella, A. Investigation of a Micro Dielectric Barrier Discharge Plasma Actuator for Regional Aircraft Active Flow Control. IEEE Trans. Plasma Sci. 2015, 43, 3668–3680. [Google Scholar] [CrossRef]
- Camplilongo, S.; De Giorgi, M.G.; Ficarella, A.; Pescini, E.; Sciolti, A.; Dilecce, G. Plasma Actuation to Enhance the Flame Stabilization in a Non-Premixed Lean Microburner. In Proceedings of the 1st Workshop on Nanotechnology in Instrumentation and Measurement (NANOFIM), Lecce, Italy, 24–25 July 2015. [Google Scholar]
- Li, W.; Cheng, M. Reliability Analysis and Evaluation for Flux-Switching Permanent Magnet Machine. IEEE Trans. Ind. Electron. 2019, 66, 1760–1769. [Google Scholar] [CrossRef]
- Zhang, Z.; Yu, L.; Wang, Y.; Wang, Y.; Yan, Y. Overview and design methodology of doubly salient brushless dc generators with stator-field winding. IET Electr. Power Appl. 2017, 11, 197–211. [Google Scholar] [CrossRef]
- De Giorgi, M.G.; Ficarella, A.; Lay-Ekuakille, A. Cavitation Regime Detection by LS-SVM and ANN with Wavelet Decomposition Based on Pressure Sensor Signals. IEEE Sensors J. 2015, 15, 5701–5708. [Google Scholar] [CrossRef]
- Francioso, L.; De Pascali, C.; Siciliano, P.; De Giorgi, M.G.; Pescini, E.; Ficarella, A. Aircraft Distributed Flow Turbulence Sensor Network with Embedded Flow Control Actuators. In Proceedings of the 12th IEEE International Conference on Embedded and Ubiquitous Computing, Milano, Italy, 26–28 Aug 2014. [Google Scholar]
- Yepes, A.G.; Doval-Gandoy, J.; Baneira, F.; Toliyat, H.A. Speed Estimation Based on Rotor Slot Harmonics in Multiphase Induction Machines Under Open-Phase Fault. IEEE Trans. Power Electron. 2018, 33, 7980–7993. [Google Scholar] [CrossRef]
- Yepes, A.G.; Doval-Gandoy, J.; Baneira, F.; Toliyat, H.A. Control Strategy for Dual Three-Phase Machines with Two Open Phases Providing Minimum Loss in the Full Torque Operation Range. IEEE Trans. Power Electron. 2018, 33, 10044–10050. [Google Scholar] [CrossRef]
- Naderi, S.B.; Davari, P.; Zhou, D.; Negnevitsky, M.; Blaabjerg, F. A Review on Fault Current Limiting Devices to Enhance the Fault Ride-Through Capability of the Doubly-Fed Induction Generator Based Wind Turbine. Appl. Sci. 2018, 8, 2059. [Google Scholar] [CrossRef]
- Mengoni, M.; Zarri, L.; Tani, A.; Parsa, L.; Serra, G.; Casadei, D. High-Torque-Density Control of Multiphase Induction Motor Drives Operating Over a Wide Speed Range. IEEE Trans. Ind. Electron. 2015, 62, 814–825. [Google Scholar] [CrossRef]
- Yepes, A.G.; Doval-Gandoy, J.; Baneira, F.; Pérez-Estévez, D.; López, O. Current Harmonic Compensation for n-Phase Machines With Asymmetrical Winding Arrangement and Different Neutral Configurations. IEEE Trans. Ind. Appl. 2017, 53, 5426–5439. [Google Scholar] [CrossRef]
- Rizzoli, G.; Mengoni, M.; Zarri, L.; Tani, A.; Serra, G.; Casadei, D. Comparative Performance Evaluation of Full Bridge, H5 and H6 Topologies for Transformer-Less Solar Converters. IET Power Electron. 2019, 12, 22–29. [Google Scholar] [CrossRef]
- Mengoni, M.; Amerise, A.; Zarri, L.; Tani, A.; Serra, G.; Casadei, D. Control Scheme for Open-Ended Induction Motor Drives with a Floating Capacitor Bridge Over a Wide Speed Range. IEEE Trans. Ind. Appl. 2017, 53, 4504–4514. [Google Scholar] [CrossRef]
- El-Refaie, A.M. Motors/generators for traction/propulsion applications: A review. IEEE Veh. Technol. Mag. 2013, 8, 90–99. [Google Scholar] [CrossRef]
- Zhang, X.; Du, Q.; Ma, S.; Geng, H.; Hu, W.; Li, Z.; Liu, G. Permeance Analysis and Calculation of the Double-Radial Rare-Earth Permanent Magnet Voltage-Stabilizing Generation Device. IEEE Access 2018, 6, 23939–23947. [Google Scholar] [CrossRef]
- Wei, J.; Deng, Q.; Zhou, B.; Shi, M.; Liu, Y. The control strategy of open-winding permanent magnet starter-generator with inverter-rectifier topology. IEEE Trans. Ind. Inform. 2013, 9, 983–991. [Google Scholar] [CrossRef]
- Potgieter, J.H.J.; Marguez-Fernandez, F.M.; Fraser, A.G.; McCulloch, M.D. Design optimisation methodology of a high-speed switched reluctance motor for automotive traction applications. In Proceedings of the 8th IET International Conference on Power Electronics, Machines and Drives (PEMD 2016), Glasgow, UK, 19–21 April 2016. [Google Scholar]
- Guy, F.; Anthony, G. Integrated starter generator. IEEE Ind. Appl. Mag. 2009, 15, 26–34. [Google Scholar]
- Sim, J.H.; Ahn, D.G.; Kim, D.Y.; Hong, J.P. Three-Dimensional Equivalent Magnetic Circuit Network Method for Precise and Fast Analysis of PM-Assisted Claw-Pole Synchronous Motor. IEEE Trans. Ind. Appl. 2018, 54, 160–171. [Google Scholar] [CrossRef]
- Dai, W.; Yu, Y.; Hua, M.; Cai, C. Voltage regulation system of doubly salient electromagnetic generator based on indirect adaptive fuzzy control. IEEE Access 2017, 5, 14187–14194. [Google Scholar] [CrossRef]
- Chen, Z.; Wang, H.; Yan, Y. A doubly salient starter-generator with two-section twisted-rotor structure for potential future aerospace application. IEEE Trans. Ind. Electron. 2012, 59, 3588–3595. [Google Scholar] [CrossRef]
- Zhao, Y.; Wang, H.; Li, D.; Qian, R. Comparative Research of Wound Field Doubly Salient Generator with Different Rectifiers. IEEE Trans. Ind. Inform. 2018, 14, 4851–4863. [Google Scholar] [CrossRef]
- Xiao, D.; Shi, L.; Guo, Y.; Han, Z.; Zhou, X. Investigation of the working mechanism and characteristics of dual-mode doubly salient starter generator with variable winding. IET Electr. Power Appl. 2018, 12, 1240–1246. [Google Scholar] [CrossRef]
- Lee, C.H.T.; Chau, K.T.; Liu, C.; Chan, C.C. Overview of magnetless brushless machines. IET Electr. Power Appl. 2018, 12, 1117–1125. [Google Scholar] [CrossRef]
- Yu, L.; Zhang, Z.; Chen, Z.; Yan, Y. Analysis and verification of the doubly salient brushless DC generator for automobile auxiliary power unit application. IEEE Trans. Ind. Electron. 2014, 61, 6655–6663. [Google Scholar] [CrossRef]
- Taras, P.; Li, G.J.; Zhu, Z.Q. Comparative study of fault-tolerant switched-flux permanent-magnet machines. IEEE Trans. Ind. Electron. 2017, 64, 1939–1948. [Google Scholar] [CrossRef]
- Bu, F.; Liu, H.; Huang, W.; Xu, H.; Shi, K. Optimal-Third-Harmonic-Injection-Based Control for Five-Phase Dual-Stator Winding Induction Generator DC Generating System. IEEE Trans. Ind. Electron. 2018, 65, 9124–9134. [Google Scholar] [CrossRef]
- Chinmaya, K.A.; Singh, G.K. Performance evaluation of multiphase induction generator in stand-alone and grid-connected wind energy conversion system. IET Renew. Power Gen. 2018, 12, 823–831. [Google Scholar] [CrossRef]
- Zhao, Y.; Wang, H.; Xiao, L. Investigation of fault-tolerant capability of five-phase doubly salient electromagnetic generator. IET Electr. Power Appl. 2014, 9, 80–93. [Google Scholar] [CrossRef]
- Jun-Hyung, K.; Yuan-Wu, J.; Sang-Moon, H. Analysis of a Vibrating Motor Considering Electrical, Magnetic, and Mechanical Coupling Effect. Appl. Sci. 2019, 9, 1434. [Google Scholar]
- Shi, L.; Zhou, B. Analysis of a new five-phase fault-tolerant doubly salient brushless DC generator. IET Electr. Power Appl. 2016, 10, 633–640. [Google Scholar]
- Cheng, M.; Han, P.; Hua, W. General airgap field modulation theory for electrical machines. IEEE Trans. Ind. Electron. 2017, 64, 6063–6074. [Google Scholar] [CrossRef]
- Francioso, L.; De Pascali, C.; Casino, F.; Siciliano, P.; De Giorgi, M.G.; Campilongo, S.; Ficarella, A. Embedded sensor/actuator system for aircraft active flow separation control. In Proceedings of the XVIII AISEM Annual Conference, Trento, Italy, 3–5 February 2015. [Google Scholar]
- Tang, R. Theory and Design of Modern Permanent Magnet Machines; Mechanical Industry Press: Beijing, China, 2016; p. 298. [Google Scholar]
- Shi, L.; Zhou, B. Armature Reaction Analysis of a New Four-phase Fault-tolerant Doubly Salient Wound-Field Generator. IEEE Trans. Appl. Super. 2016, 26, 0612005. [Google Scholar] [CrossRef]








| Item | 30/24-pole | 20/16-pole | 
|---|---|---|
| Stator/rotor pole number | 30/24 | 20/16 | 
| Number of turns per phase | 6 × 6 | 9 × 4 | 
| Poles wound by an excitation coil | 3 | 2 | 
| Number of turns/excitation winding | 60 × 10 | 60 × 10 | 
| Stator yoke thickness (mm) | 9 | 7.5 | 
| Field slot fill factor (%) | 55.4 | 48.4 | 
| Armature slot fill factor (%) | 26.7 | 30.6 | 
| Rotor pole arc coefficient | 0.5 | 0.45 | 
| Outer diameter of the stator (mm) | 136 | |
| Inner diameter of the stator (mm) | 92 | |
| Air-gap (mm) | 0.3 | |
| Iron stack length (mm) | 40 | |
| Core iron | DW470-50 | 
© 2019 by the authors. Licensee MDPI, Basel, Switzerland. This article is an open access article distributed under the terms and conditions of the Creative Commons Attribution (CC BY) license (http://creativecommons.org/licenses/by/4.0/).
Share and Cite
Shi, L.; An, J.; Zhang, W. Topology Comparison Study of Five-Phase Wound-Field Doubly Salient Fault Tolerant Generators. Appl. Sci. 2019, 9, 2112. https://doi.org/10.3390/app9102112
Shi L, An J, Zhang W. Topology Comparison Study of Five-Phase Wound-Field Doubly Salient Fault Tolerant Generators. Applied Sciences. 2019; 9(10):2112. https://doi.org/10.3390/app9102112
Chicago/Turabian StyleShi, Liwei, Junhao An, and Wenchao Zhang. 2019. "Topology Comparison Study of Five-Phase Wound-Field Doubly Salient Fault Tolerant Generators" Applied Sciences 9, no. 10: 2112. https://doi.org/10.3390/app9102112
APA StyleShi, L., An, J., & Zhang, W. (2019). Topology Comparison Study of Five-Phase Wound-Field Doubly Salient Fault Tolerant Generators. Applied Sciences, 9(10), 2112. https://doi.org/10.3390/app9102112
 
        

 
       