Hybrid Modulation Strategy to Eliminate Current Distortion for PV Grid-Tied H6 Inverter
Abstract
:1. Introduction
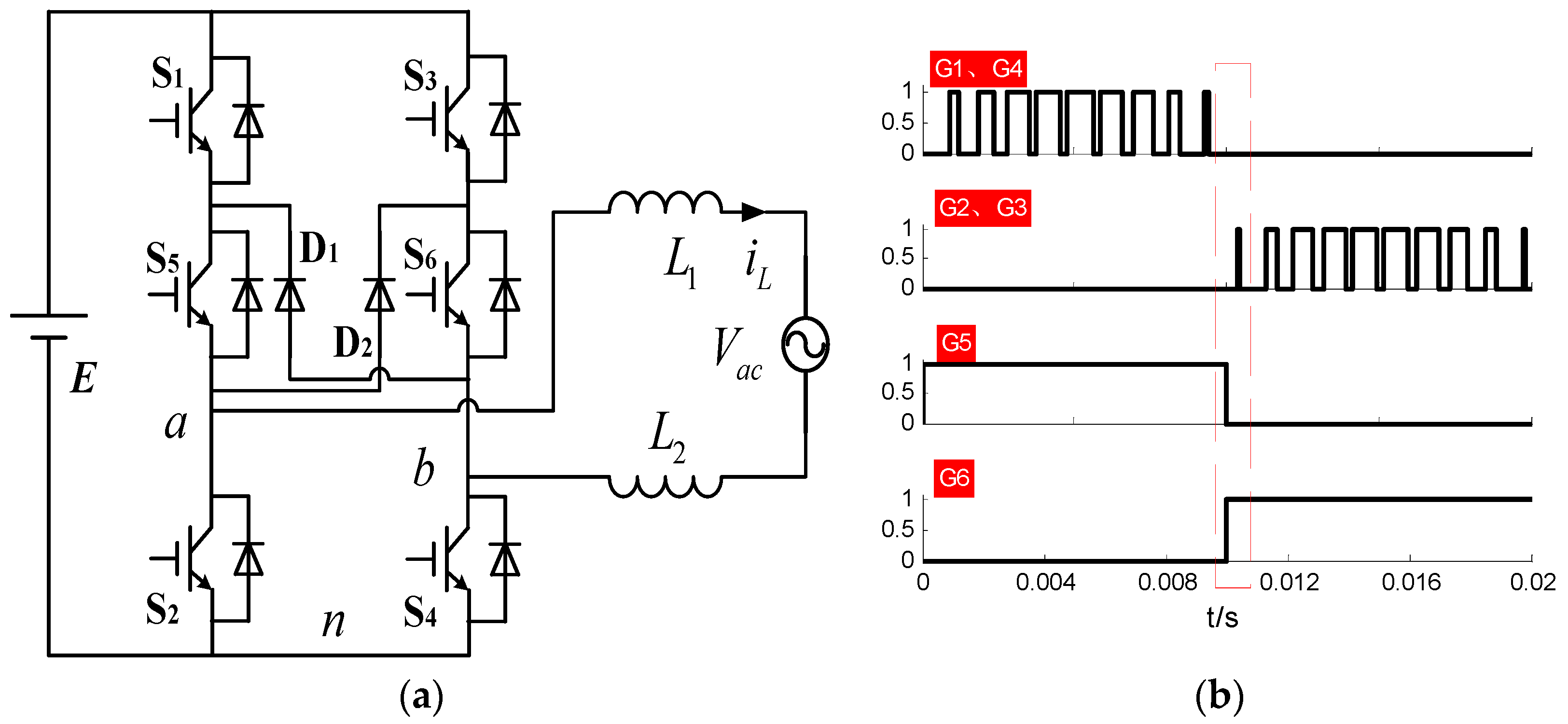
2. H6 Grid-Tied Inverter Operation
Grid Current Distortion and Reactive Power Output
3. Hybrid Modulation Mode under Non-Unity Power Factor
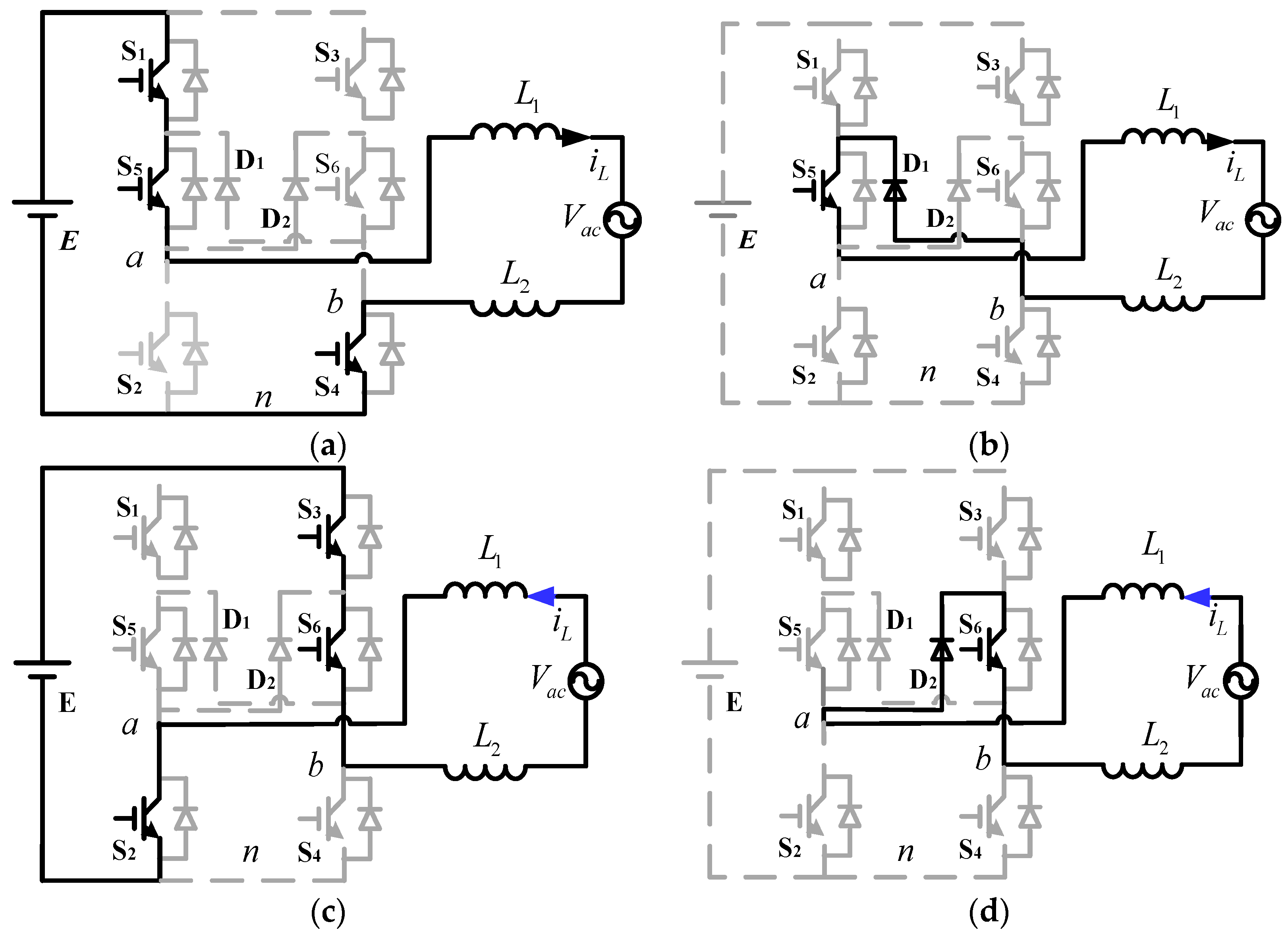
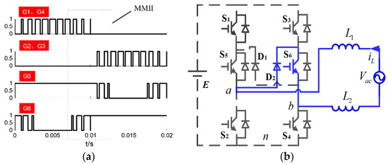
3.1. H6 Grid-Tied Inverter with Modulation Mode II
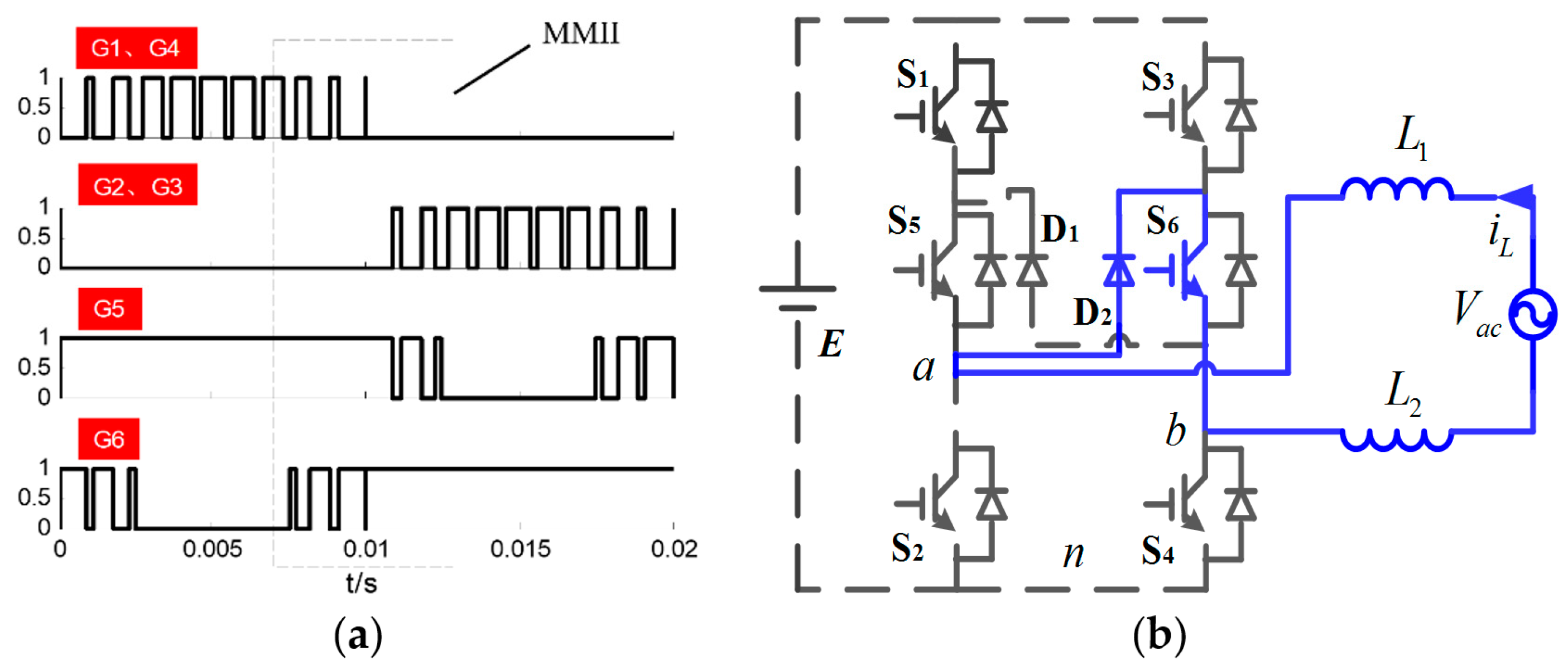
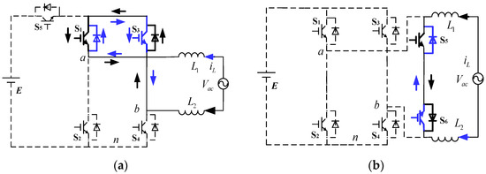
3.2. Hybrid Modulation Mode with H5 and HERIC
4. System Analysis and Control
4.1. Common-Mode Voltage and Leakage Current Analysis
4.2. Filter Inductor Calculation
4.3. Adaptive Current Control under the Full Power Factor
5. Simulation Study
6. Experimental Validation
7. Conclusions
Author Contributions
Funding
Conflicts of Interest
References
- Buticchi, G.; Barater, D.; Lorenzani, E.; Franceschini, G. Digital control of actual grid-connected converters for ground leakage current reduction in PV transformerless systems. IEEE Trans. Ind. Inf. 2012, 8, 563–572. [Google Scholar] [CrossRef]
- VDE. VDE-AR-N 4105:2011-08: Power Generation Systems Connected to the Low-Voltage Distribution Network—Technical Minimum Requirements for the Connection to and Parallel Operation with Low-Voltage Distribution Networks; DIN_VDE Normo: Berlin, Germany, 2011. [Google Scholar]
- Prado, A.C.; Alepuz, S.; Bordonau, J.; Apruzzese, J.N.; Cortés, P.; Rodriguez, J. Model Predictive Current Control of Grid Connected Neutral-Point Clamped Converters to Meet Low Voltage Ride-Through Requirements. IEEE Trans. Ind. Electron. 2015, 62, 1503–1514. [Google Scholar] [CrossRef]
- Li, C.; Sun, Y.; Chen, X. Recommendations to improve power system security: Lessons learned from the Europe blackout on November 4. In Proceedings of the 42nd International Universities Power Engineering Conference (UPEC), Brighton, UK, 4–6 September 2007. [Google Scholar]
- Freddy, T.K.S.; Rahim, N.A.; Hew, W.P.; Che, H.S. Modulation Techniques to Reduce Leakage Current in Three-Phase Transformerless H7 Photovoltaic Inverter. IEEE Trans. Ind. Electron. 2014, 61, 322–331. [Google Scholar] [CrossRef]
- Liou, W.-R.; Villaruza, H.M.; Yeh, M.-L.; Roblin, P. A Digitally Controlled Low-EMI SPWM Generation Method for Inverter Applications. IEEE Trans. Ind. Inf. 2014, 10, 73–83. [Google Scholar] [CrossRef]
- Cavalcanti, M.C. Modulation techniques to eliminate leakage currents in transformerless three phase photovoltaic systems. IEEE Trans. Ind. Electron. 2010, 57, 1360–1368. [Google Scholar] [CrossRef]
- Cavalcanti, M.C.; Farias, A.M.; de Oliveira, K.C.; Neves, F.A.S.; Afonso, J.L. Eliminating leakage currents in neutral point clamped inverters for photovoltaic systems. IEEE Trans. Ind. Electron. 2012, 59, 435–443. [Google Scholar] [CrossRef]
- Barater, D.; Buticchi, G.; Lorenzani, E.; Concari, C. Active common–mode filter for ground leakage current reduction in grid–connected PV converters operating with arbitrary power factor. IEEE Trans. Ind. Electron. 2014, 61, 3940–3950. [Google Scholar] [CrossRef]
- Victor, M.; Greizer, F.; Bremicker, S. Method of Converting a Direct Current Voltage from a Source of Direct Current Voltage, More Specifically from a Photovoltaic Source of Direct Current Voltage, into a Alternating Current Voltage. U.S. Patent 7,411,802B2, 12 August 2008. [Google Scholar]
- Ji, B.; Wang, J.; Zhao, J. High-efficiency single-phase transformerless pv h6 inverter with hybrid modulation method. IEEE Trans. Ind. Electron. 2013, 60, 2104–2115. [Google Scholar] [CrossRef]
- Kotsopoulos, A.; Heskes, P.J.M.; Jansen, M.J. Zero-crossing distortion in grid-connected PV inverters. IEEE Trans. Ind. Electron. 2005, 52, 558–565. [Google Scholar] [CrossRef]
- Araujo, S.; Zacharias, P.; Mallwitz, R. Highly efficient single-phase transformerless inverters for grid-connected photovoltaic systems. IEEE Trans. Ind. Electron. 2010, 57, 3118–3128. [Google Scholar] [CrossRef]
- Xiao, H.; Xie, S.; Chen, Y.; Huang, R. An optimized transformerless photovoltaic grid-connected inverter. IEEE Trans. Ind. Electron. 2011, 58, 1887–1895. [Google Scholar] [CrossRef]
- Zhao, Z.; Xu, M.; Chen, Q.; Lai, J.-S.; Cho, Y. Derivation of boost-buck converter based high-efficiency robust PV inverter. In Proceedings of the IEEE Energy Conversion Congress and Exposition (ECCE), Atlanta, GA, USA, 12–16 September 2010. [Google Scholar]
- Heribert, S.; Christoph, S.; Jurgen, K. Inverter for Transforming a DC Voltage into an AC Current or an AC Voltage. EU Patent 1,369,985A2, 10 December 2003. [Google Scholar]
- Wu, W.; He, Y.; Blaabjerg, F. An LLCL-power filter for single-phase grid-tied inverter. IEEE Trans. Power Electron. 2012, 27, 782–789. [Google Scholar] [CrossRef]
- Vidal, A.; Freijedo, F.; Yepes, A.; Fernandez-Comesana, P.; Malvar, J.; Lopez, O.; Doval-Gandoy, J. Assessment and optimization of the transient response of proportional–resonant current controllers for distributed power generation systems. IEEE Trans. Ind. Electron. 2013, 60, 1367–1383. [Google Scholar] [CrossRef]
- Rodriguez, P.; Luna, A.; Ciobotaru, M.; Teodorescu, R.; Blaabjerg, F. Advanced grid synchronization system for power converters under unbalanced and distorted operating conditions. In Proceedings of the IECON 2006—32nd Annual Conference on IEEE Industrial Electronics, Paris, France, 6–10 November 2006. [Google Scholar]
- Yepes, A.; Freijedo, F.; Doval-Gandoy, J.; Lopez, O. Analysis and design of resonant current controllers for voltage source converters by means of Nyquist diagrams and sensitivity function. IEEE Trans. Ind. Electron. 2011, 58, 5231–5250. [Google Scholar] [CrossRef]
- VDE. Vorausgegangener Norm-Entwurf: E DIN VDE 0126-1-1 (VDE 0126-1-1); VDE: Berlin, Germany, 2005. [Google Scholar]
- IEEE. IEEE Recommended Practice for Utility Interface of Photovoltaic (PV) Systems; IEEE: New York, NY, USA, 2000. [Google Scholar]
- Berasategi, A.; Caba, C.; Alonso, C.; Estibals, B. European efficiency improvement in photovoltaic applications by means of parallel connection of power converters. In Proceedings of the 13th European Conference on Power Electronics and Applications, Barcelona, Spain, 8–10 September 2009. [Google Scholar]
- Kerekes, T.; Teodorescu, R.; Rodriguez, P.; Vazquez, G.; Aldabas, E. A new high-efficiency single-phase transformerless PV inverter topology. IEEE Trans. Ind Electron. 2011, 58, 184–191. [Google Scholar] [CrossRef]
























| Variables | Value | Variables | Value |
|---|---|---|---|
| Rated Power | 4.67 kVA | 52 μs | |
| Capacitor | 1000 μF | 19.2 kHz | |
| E | 400 V | L | 10 mH |
| 220 V | 50 Hz | ||
| 15% Peak Current | 21.22 A | ||
| 19.23 | 1923.1 | ||
| 19.23 | R | 0.2 Ω |
| Controller/(50 Hz) | Magnitude/(dB) | Phase/(°) |
|---|---|---|
| PI | 0.00573 | −1.9 |
| PR | 0.0052 | −0.0146 |
| PIR | −1.42 × 10−6 | −0.0031 |
| Parameter | Value | Parameter | Value |
|---|---|---|---|
| Rated power | 4.67 kW | Capacitor | 1000 μF |
| DC bus voltage | 400 V | Inductors | 2 mH |
| Switching frequency | 19.2 kHz | S1 to S4 | CoolMosIPW60R045CP |
| Grid voltage | 220 V/50 Hz | S5 to S6 | IKW75N60T(IGBT) |
| D1 to D2 | 60EPU06PBF | DSP chip | TMS320F2802 |
© 2018 by the authors. Licensee MDPI, Basel, Switzerland. This article is an open access article distributed under the terms and conditions of the Creative Commons Attribution (CC BY) license (http://creativecommons.org/licenses/by/4.0/).
Share and Cite
Yang, T.; Hao, X.; He, R.; Wei, Z.; Huang, T.; Zhang, Y. Hybrid Modulation Strategy to Eliminate Current Distortion for PV Grid-Tied H6 Inverter. Appl. Sci. 2018, 8, 2578. https://doi.org/10.3390/app8122578
Yang T, Hao X, He R, Wei Z, Huang T, Zhang Y. Hybrid Modulation Strategy to Eliminate Current Distortion for PV Grid-Tied H6 Inverter. Applied Sciences. 2018; 8(12):2578. https://doi.org/10.3390/app8122578
Chicago/Turabian StyleYang, Tao, Xiaoxiao Hao, Ruoxu He, Zhen Wei, Tao Huang, and Yuzhi Zhang. 2018. "Hybrid Modulation Strategy to Eliminate Current Distortion for PV Grid-Tied H6 Inverter" Applied Sciences 8, no. 12: 2578. https://doi.org/10.3390/app8122578
APA StyleYang, T., Hao, X., He, R., Wei, Z., Huang, T., & Zhang, Y. (2018). Hybrid Modulation Strategy to Eliminate Current Distortion for PV Grid-Tied H6 Inverter. Applied Sciences, 8(12), 2578. https://doi.org/10.3390/app8122578

