An Evaluation of Turbocharging and Supercharging Options for High-Efficiency Fuel Cell Electric Vehicles
Abstract
1. Introduction
2. Methodology
2.1. Proton Exchange Membrane Fuel Cell (PEMFC) Model
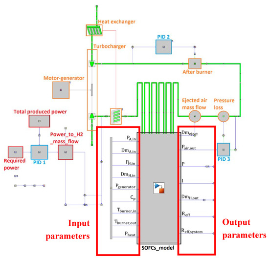
2.2. Solid Oxide Fuel Cell (SOFC) Model
2.3. Compressor and Turbine Scaling Method
2.4. Drive Cycle Simulation
3. Results
3.1. Types of Fuel Cells
3.2. Boosting Options for PEMFCs
3.3. Boosting Options for SOFCs
3.4. PEMFC Powertrain Simulation
3.5. SOFC Powertrain Simulation
4. Conclusions
Author Contributions
Funding
Conflicts of Interest
Nomenclature
| CHP | Combined Heat and Power |
| Pressure loss coefficient | |
| Inlet burner air specific heat capacity | |
| Effective binary diffusivity through the anode support | |
| Effective binary diffusivity through the anode functional layer | |
| Effective binary diffusivity through the cathode current collector | |
| Effective binary diffusivity through the cathode functional layer | |
| Inlet air mass flow | |
| Outlet air mass flow | |
| Ejected air mass flow | |
| Inlet hydrogen mass flow | |
| Outlet hydrogen mass flow | |
| Inlet oxygen mass flow | |
| Outlet oxygen mass flow | |
| Nerst potential | |
| F | Faraday constant |
| FCV | Fuel cell vehicle |
| I | Current |
| ICE | Internal combustion engine |
| i | Current density |
| Anode limiting current density | |
| Cathode limiting current density | |
| iL | Limiting current density |
| Anode support thickness | |
| Anode functional layer thickness | |
| Cathode current collector thickness | |
| Cathode functional layer thickness | |
| Hydrogen molar mass | |
| N | Number of cells |
| P | Stack output power |
| Inlet air pressure | |
| Outlet air pressure | |
| Compressor required power | |
| Produced power by the generator | |
| Inlet hydrogen pressure | |
| Average hydrogen pressure | |
| Hydrogen pressure on the electrolyte surface | |
| Heat power exchanged | |
| PEMFC | Proton exchange membrane fuel cell |
| PID | Proportional–integral–derivative |
| Inlet oxygen pressure | |
| Average oxygen pressure | |
| Oxygen pressure on the electrolyte surface | |
| Psat | Water saturation pressure |
| Inlet water pressure | |
| Water pressure on the electrolyte surface | |
| R | Gas constant |
| Stack electric efficiency | |
| Gas turbine efficiency | |
| System efficiency | |
| Ri | Internal cell resistance |
| SOC | State of charge |
| SOFC | Solid oxide fuel cell |
| T | Operating temperature |
| Inlet burner temperature | |
| Outlet burner temperature | |
| V | Voltage |
| Activation losses | |
| Mass transport losses | |
| Voltage losses | |
| Ohmic losses | |
| WLTP | Worldwide harmonised light vehicle test procedure |
Appendix A





References
- Edenhofer, O.; Pichs-Madruga, R.; Sokona, Y.; Minx, J.C.; Farahani, E.; Kadner, S.; Seyboth, K.; Adler, A.; Baum, I.; Brunner, S.; Erikemeier, P.; et al. Climate Change 2014: Mitigation of Climate Change; Contribution to the Fifth Assessment Report of the Intergovernmental Panel on Climate Change; Cambridge University Press: Cambridge, UK, 2014. [Google Scholar]
- The Union of Concerned Scientists. How Clean Are Hydrogen Fuel Cell Electric Vehicles? The Union of Concerned Scientists: Cambridge, MA, USA, 2014. [Google Scholar]
- Andwari, A.M.; Pesiridis, A.; Rajoo, S.; Martinez-Botas, R.; Esfahanian, V. A review of Battery Electric Vehicle technology and readiness levels. Renew. Sustain. Energy Rev. 2017, 78, 414–430. [Google Scholar] [CrossRef]
- Sugawara, T.; Kanazawa, T.; Imai, N.; Tachibana, Y. Development of Motorized Turbo Compressor for Clarity Fuel Cell; SAE International: Warrendale, PA, USA, 2017. [Google Scholar]
- Pukrushpan, J.T.; Stefanopoulou, A.G.; Peng, H. Control of Fuel Cell Power Systems: Principles, Modeling, Analysis and Feedback Design; Springer: Berlin, Germany, 2004; ISBN 1-85233-816-4. [Google Scholar]
- Cruz Rojas, A.; Lopez Lopez, G.; Gomez-Aguilar, J.F.; Alvarado, V.M. Cinda Luz Sandoval Torres. Control of the air supply subsystem in a PEMFC with balance of plant simulation. Sustainability 2017, 9, 73. [Google Scholar] [CrossRef]
- Fuel Cell Formulary. Available online: http://www.pemfc.de/FCF_A4.pdf (accessed on 21 May 2018).
- Candusso, D. Hybridation du Groupe Électrogène à Pile à Combustible pour L’alimentation d’un Véhicule Électrique. Energie Électrique; Institut National Polytechnique de Grenoble—INPG: Grenoble, France, 2002. [Google Scholar]
- Han, J.; Kokkolaras, M.; Papalambros, P.Y. Optimal design of hybrid fuel cell vehicles. ASME. J. Fuel Cell Sci. Technol. 2008, 5, 041014. [Google Scholar] [CrossRef]
- Jeong, K.S.; Oh, B.S. Fuel economic and life-cycle cost analysis of a fuel cell hybrid vehicle. J. Power Sources 2002, 105, 58–65. [Google Scholar] [CrossRef]
- Rodatz, P.; Paganelli, G.; Sciarretta, A.; Guzzella, L. Optimal power management of an experimental fuel cell/supercapacitors-powered hybrid vehicle. Control Eng. Practice 2004, 13, 41–53. [Google Scholar] [CrossRef]
- Feroldi, D.; Serra, M.; Riera, J. Design and analysis of fuel-cell hybrid systems oriented to automotive applications. IEEE Trans. Veh. Technol. 2009, 58, 4720. [Google Scholar] [CrossRef]
- Zhu, L.; Zhang, L.; Virkar, A.V. A parametric model for solid oxide fuel cells based on measurements made on cell materials and component. J. Power Sources 2015, 291, 138–155. [Google Scholar] [CrossRef]
- Azizi, M.A.; Brouwer, J. Progress in solid oxide fuel cell-gas turbine hybrid power systems: System design and analysis, transient operation, controls and optimization. Appl. Energy 2018, 215, 237–289. [Google Scholar] [CrossRef]
- Electric Supercharger Map, Aeristech. Available online: http://www.aeristech.co.uk/electric-supercharger/ (accessed on 20 April 2018).
- Ernst, B.; Kammeyer, J.; Seume, J.R. Improved map scaling methods for small turbocharger compressors. In Proceedings of the Improved map scaling methods for small turbocharger compressors, Vancouver, BC, Canada, 6–10 June 2011. [Google Scholar]
- Schleer, M.; Abhari, R.S. Influence of geometric scaling on the stability and range of a turbocharger centrifugal compressor. In Proceedings of the ASME Turbo Expo 2005: Power for Land, Sea, and Air, Reno, NV, USA, 6–9 June 2005. [Google Scholar]
- Bell, D.; Zimmerle, D.; Bradley, T.; Olsen, D.; Young, P. Scalable turbocharger performance maps for dynamic state-based engine models. Int. J. Engine Res. 2016, 17, 705–712. [Google Scholar] [CrossRef]
- Office of Energy Efficiency and Renewable Energy. Types of Fuel Cells. Available online: https://www.energy.gov/eere/fuelcells/types-fuel-cells (accessed on 25 April 2018).
- Fuelcell.co.uk, 2000. Available online: http://www.fuelcell.co.uk/proton-exchange-membrane-fuel-cells/ (accessed on 23 April 2018).
- Bossel, U. Rapid startup SOFC modules. Energy Procedia 2012, 28, 48–56. [Google Scholar] [CrossRef]
- Nissan Unveils World’s First Solid-Oxide Fuel Cell Vehicle, Nissan Newsroom, August 2016. Available online: https://newsroom.nissan-europe.com/uk/en-gb/media/pressreleases/148584/nissan-unveils-worlds-first-solid-oxide-fuel-cell-vehicle1 (accessed on 15 May 2018).
- Steve Barrett, Toyota Begins Sales of Sora Fuel Cell Bus, Fuel Cells Bulletin, Volume 2018, April 2018. Available online: https://www.sciencedirect.com/journal/fuel-cells-bulletin/vol/2018/issue/4 (accessed on 5 June 2018).
- Badwal, S.P.S.; Giddey, S.; Kulkarni, A.; Goel, J.; Basu, S. Direct ethanol fuel cells for transport and stationary applications—A comprehensive review. Appl. Energy 2015, 145, 80–103. [Google Scholar] [CrossRef]
- Ceres Power Unveils Latest SteelCell® Advances at Fuel Cell Expo, CeresPower. Available online: http://www.cerespower.com/news/latest-news/ceres-power-unveils-latest-steelcell-advances-at-fuel-cell-expo/ (accessed on 2 July 2018).
- Itoga, M.; Hamada, S.; Mizuno, S.; Nishiumi, H.; Murata, K.; Tonuma, T. Development of Fuel Cell Stack for New FCV. SAE Tech. Pap. 2016, 1, 0529. [Google Scholar]
- Progress in Fuel Cell mCHP. Available online: http://www.h2fcsupergen.com/wp-content/uploads/2013/06/Progress-in-Fuel-Cell-mCHP-Prof-Nigel-Brandon-Imperial.pdf (accessed on 13 July 2018).
- Yu, W.; Sichuan, X.; Ni, H. Air compressors for fuel cell vehicles: An systematic review. SAE Int. J. Alt. Power. 2015, 4, 115–122. [Google Scholar] [CrossRef]
- Walters, M.; Wick, M.; Pischinger, S.; Ogrzewalla, J.; Sehr, A.; Tinz, S. Fuel Cell System Development: A Strong Influence on FCEV Performance; SAE Technical Paper; SAE International: Warrendale, PA, USA, 2018. [Google Scholar]
- Hasegawa, T.; Imanishi, H.; Nada, M.; Ikogi, Y. Development of the Fuel Cell System in the Mirai FCV; SAE Technical Paper; SAE International: Warrendale, PA, USA, 2016. [Google Scholar]
- Ricardo, M.B.; Apostolos, P.; Yang, M.B. Overview of Boosting Options for Future Downsized Engines. Sci. China Technol. Sci. J. 2011, 54, 318–331. [Google Scholar] [CrossRef]
- Feneley, A.J.; Pesiridis, A.; Andwari, A.M. Variable geometry turbocharger technologies for exhaust energy recovery and boosting—A Review. Renew. Sustain. Energy Rev. 2017, 71, 959–975. [Google Scholar] [CrossRef]
- Fischer, T.; Willers, O.W.; Seume, J.R. Preliminary design of a partial admission turbine for waste heat recovery in fuel cells. In Proceedings of the 13th International Conference on Turbochargers and Turbocharging Conference Proceedings, London, UK, 16–17 May 2018; ISBN 978-0-9956263-3-1. [Google Scholar]
- Saisirirata, P. The solid oxide fuel cell (SOFC) and gas turbine (GT) hybrid system numerical model. Energy Procedia 2015, 79, 845–850. [Google Scholar] [CrossRef]
- Assessment of Solid Oxide Fuel Cell Power System for Greener Commercial Aircraft, 2011. Available online: https://www.hydrogen.energy.gov/pdfs/progress11/x_10_chick_2011.pdf (accessed on 13 July 2018).
- McPhail, S.J.; Aarva, A.; Devianto, H.; Bove, R.; Morenoa, A. SOFC and MCFC: Commonalities and opportunities for integrated research. Int. J. Hydrogen Energy 2011, 36, 10337–10345. [Google Scholar] [CrossRef]
- Park, S.K.; Kim, T.S. Comparison between pressurized design and ambient pressure design of hybrid solid oxide fuel cell–gas turbine systems. J. Power Sources 2006, 163, 490–499. [Google Scholar] [CrossRef]
- Buonomano, A.; Calise, F.; d’Accadia, M.D.; Palombo, A.; Vicidomini, M. Hybrid solid oxide fuel cells–gas turbine systems for combined heat and power: A review. Appl. Energy 2015, 156, 32–85. [Google Scholar] [CrossRef]
- Itoga, M.; Hamada, S.; Mizuno, S.; Nishiumi, H.; Murata, K.; Tonuma, T. Development of Fuel Cell Stack for New FCV; SAE International: Warrendale, PA, USA, 2016. [Google Scholar]
- Johnson, K.; Veenstra, M.J.; Gotthold, D.; Simmons, K.; Alvine, K.; Hobein, B.; Houston, D.; Newhouse, N.; Yeggy, B.; Vaipan, A.; et al. Advancements and Opportunities for On-Board 700 Bar Compressed Hydrogen Tanks in the Progression Towards the Commercialization of Fuel Cell Vehicles. SAE Int. J. Alt. Power 2017, 6, 201–218. [Google Scholar] [CrossRef]
- Hong, D.K.; Woo, B.C.; Jeong, Y.H.; Koo, D.H.; Cho, Y.H. The performance analysis of ultra-high speed PM type synchronous motor-generator for micro turbine. World Sci. Adv. Mater. Dev. Perform. 2011. [Google Scholar] [CrossRef]
- Nissan e-NV200 Combi, Electric Vehicle Database. Available online: https://ev-database.uk/car/1117/Nissan-e-NV200-Combi (accessed on 1 August 2018).
- Nissan’s Bio-Ethanol Fuel-Cell EV with 600km Range, Nissan Motor Corporation, August 2016. Available online: https://reports.nissan-global.com/EN/?p=17768 (accessed on 7 August 2018).
- Statistiques Sur Les Prix de l’électricité, Eurostat, June 2017. Available online: http://ec.europa.eu/eurostat/statistics-explained/index.php?title=Electricity_price_statistics/fr (accessed on 19 August 2018).
- Hydrogène: Air Liquide Inaugure une Nouvelle Station à Orly, Automobile Propre, December 2017. Available online: http://www.automobile-propre.com/hydrogene-air-liquide-inaugure-nouvelle-station-orly/ (accessed on 19 August 2018).











| High operating temperature fuel cell | Name of Fuel Cell | Solid Oxide Fuel Cell (SOFC) | Molten Carbonate Fuel Cell (MCFC) | ||
| Electrolyte | Hard, non-porous ceramic | Molten carbonate salt mixture | |||
| Operating Temperature | 600–1100 °C | 650 °C | |||
| Fuel | Pure hydrogen, biogas or light fossil fuel | Hydrocarbon fuels | |||
| Benefits |
|
| |||
| Drawbacks |
|
| |||
| Low operating temperature fuel cell | Name of Fuel Cell | Proton Exchange Membrane Fuel Cell (PEMFC) | Alkaline Fuel Cells (AFCs) | Phosphoric Acid Fuel Cell (PAFCs) | |
| Electrolyte | Solid polymer (acid membrane) | Polymer (alkaline membrane) | Liquid phosphoric acid | ||
| Operating Temperature | 80–100 °C | 100–250 °C | 250–300 °C | ||
| Fuel | Pure hydrogen or methanol/ethanol (direct or indirect) | Pure hydrogen, borohydride, or zinc | Hydrocarbon fuel | ||
| Benefits |
|
|
| ||
| Drawbacks |
|
|
| ||
| Type of Compressors | ![]() Centrifugal | ![]() Roots | ![]() Screw | ![]() Scroll |
|---|---|---|---|---|
| Compactness | ★★★★★ | ★★★ | ★ | ★ |
| Weight | ★★★★ | ★★★ | ★★ | ★★ |
| Temperature rise | ★★★ | ★ | ★★★★ | ★★★ |
| Pulsations, noise | ★★★★ | ★★ | ★★★ | ★★★ |
| Compression | ★★★ | ★★★ | ★★★★ | ★★★★ |
| Cost | ★★★★ | ★★★★★ | ★★ | ★★ |
| Durability | ★★★ | ★★★★ | ★★★ | ★★★ |
| Average rating | 3.7/5 | 3.0/5 | 2.7/5 | 2.6/5 |
| Configuration number | 1 | 2 | 3 |
| Number of cells | 360 | 315 | |
| Air supply system | E-turbocharger | Single-stage compressor | Two-stage compressor |
| Pressure range (bar) | [1.1–2.3] | [1.1–2.2] | [1.1–2.7] |
| Average system electric efficiency (%) | 32.1 | 28.8 | 30.5 |
| Average stack electric efficiency (%) | 61.7 | 61.6 | 61.2 |
| Average compressor/turbine efficiency (%) | 76.8/51.6 | 77.9/– | 60.2/– |
| Driving range (km) for 5.6 kg of hydrogen | 706 | 682 | 681 |
© 2018 by the authors. Licensee MDPI, Basel, Switzerland. This article is an open access article distributed under the terms and conditions of the Creative Commons Attribution (CC BY) license (http://creativecommons.org/licenses/by/4.0/).
Share and Cite
Kerviel, A.; Pesyridis, A.; Mohammed, A.; Chalet, D. An Evaluation of Turbocharging and Supercharging Options for High-Efficiency Fuel Cell Electric Vehicles. Appl. Sci. 2018, 8, 2474. https://doi.org/10.3390/app8122474
Kerviel A, Pesyridis A, Mohammed A, Chalet D. An Evaluation of Turbocharging and Supercharging Options for High-Efficiency Fuel Cell Electric Vehicles. Applied Sciences. 2018; 8(12):2474. https://doi.org/10.3390/app8122474
Chicago/Turabian StyleKerviel, Arthur, Apostolos Pesyridis, Ahmed Mohammed, and David Chalet. 2018. "An Evaluation of Turbocharging and Supercharging Options for High-Efficiency Fuel Cell Electric Vehicles" Applied Sciences 8, no. 12: 2474. https://doi.org/10.3390/app8122474
APA StyleKerviel, A., Pesyridis, A., Mohammed, A., & Chalet, D. (2018). An Evaluation of Turbocharging and Supercharging Options for High-Efficiency Fuel Cell Electric Vehicles. Applied Sciences, 8(12), 2474. https://doi.org/10.3390/app8122474





