Next Article in Journal
After-Effect of Biogas Digestate Used for Growing Seedlings on the Antioxidant System of Tomato (Solanum lycopersicum) Fruits
Next Article in Special Issue
Modeling of Dynamics of Nonideal Mixer at Oscillation and Aperiodic Damped Mode of Driving Member Motion
Previous Article in Journal
An Experimental Study on Physical and Mechanical Properties of Fractured Sandstone Grouting Reinforcement Body Under Freeze–Thaw Cycle
Previous Article in Special Issue
Stabilization of a Class of Fractional-Order Nonlinear Systems Subject to Actuator Saturation and Time Delay
 
 
Font Type:
Arial Georgia Verdana
Font Size:
Aa Aa Aa
Line Spacing:
Column Width:
Background:
Article

Modified Smith Input-Shaper Crane-Controller for Position Control and Sway Reduction

Faculty of Electrical Engineering, Mechanical Engineering and Naval Architecture, University of Split, Rudera Boskovica 32, 21000 Split, Croatia
*
Author to whom correspondence should be addressed.
Appl. Sci. 2025, 15(5), 2804; https://doi.org/10.3390/app15052804
Submission received: 12 February 2025 / Revised: 27 February 2025 / Accepted: 2 March 2025 / Published: 5 March 2025
(This article belongs to the Special Issue Dynamics and Vibrations of Nonlinear Systems with Applications)

Abstract

In this paper, the control structure for a crane system is proposed. It is designed to achieve fast cargo transfer with minimum cargo sway. The proposed control structure reduces the cargo sway generated by the position controller, which accelerates and decelerates cargo to transfer it with minimum time from the start to the desired location. A comparison between results achieved by simulation and experiments in the laboratory is given. Each segment of the proposed control structure is analyzed, and reasons for their use in this control structure are explained. The laboratory model’s parameters are identified to parameterize the position controller and sway-reduction control structure. This control structure uses only the cargo’s position feedback because the main reason for cargo sway, for which a sway reduction is needed, is crane movement, which is controlled by the position controller. Other control structures use two types of feedback, while this proposed control structure uses only one. Because of this, it is also economical.

1. Introduction

Crane systems greatly influence transport, as they are used to load and unload ship containers in the port. The time of loading and unloading of the containers significantly impacts the waiting time of the ships in the port, which depends on the speed of the crane automation system. The tasks imposed on this automation system are transferring cargo from the start to the desired location within a minimum time and maintaining system stability, achieved by maintaining the cargo sway within safe limits.
The cargo transfer includes lifting and lowering the cargo, positioning the cargo, checking the space between adjacent containers, transferring the cargo from the start to the target location, and accelerating and decelerating the cargo. The number of cargo transfers per hour defines the crane speed. The ships’ waiting time can be decreased by increasing the cranes at the terminal or the crane speed.
An increased crane speed negatively affects its stability because it introduces cargo sway. A relevant control system must be installed to achieve fast transfer and eliminate the introduced cargo sway to increase the crane’s speed.
The crane system control methods [1] used by the automation system can be divided into open-loop [2,3], closed-loop [4,5,6,7,8], and hybrid control, which use a combination of open- and closed-loop control [9,10,11,12,13,14] and tuned mass-damper [15,16] for vibration suppression of structures [17,18]. Input shaping is mainly used for open-loop control.
Zhang, Y., and Li, M. [7] propose a scheme for fast point-to-point transportation of a portal crane, focusing on coupled luffing and rotation motions. They use a Bessel curve to design the transportation trajectory and implement a feedforward controller to guide the crane’s movement. A feedback controller is also employed to stabilize motion and minimize swinging during operation.
A Composite Trajectory Tracking control is proposed by Nguyen N. P. et al. [8] to improve crane precision and robustness. It utilizes feedback linearization combined with a generalized variable gain super-twisting sliding mode algorithm to manage disturbances and maintain continuous control.
The nonlinear controller that Wang N. et al. [19] propose is designed using the disturbance decoupling method. This controller addresses the disturbance problem without linearizing the crane model. Young’s inequality is used to handle disturbance terms in the tower crane system. Experimental validation is given.
Tang W. et al. [6] present an adaptive PID control strategy to improve overhead cranes’ positioning and anti-swing capabilities. The adaptive mechanism is achieved by a neural network-based controller and a seagull optimization algorithm to change parameters and initial weights effectively.
A new ADRC-based control method is achieved in [20] by Wang, S. et al. to reduce payload swing in 3D overhead cranes during hoisting and lowering operations, improving nonlinear tracking differentiators and using a nonlinear extended state observer to estimate disturbances in the system; all of these were verified only by the simulation.
A simulation of an open-loop input-shaper controller to control the swing of an overhead crane’s payload is presented in [2] by Awi, A. et al. The study uses MATLAB/Simulink to test several input shaping techniques and evaluate their performance for different payload masses. The ZVDDD controller demonstrated the most significant reduction in payload swing, offering a 91% improvement in both cases, enhancing crane efficiency and safety.
A disturbance–observer-based control approach for overhead crane systems, considering output feedback, input saturation, double-pendulum dynamics, and uncertainties, is developed by Lei, M in the paper [14], It incorporates a disturbance observer, virtual position signal, and Lyapunov function to enhance controller performance and stability. Simulations confirm the approach’s effectiveness and robustness, and theoretical analysis proves the system’s state convergence.
In the paper [21], Zhang, Q. et al. propose an active wave compensation strategy for offshore crane ships, which addresses the challenges of hysteresis and nonlinearity in the compensation platform. To enhance the stability and accuracy of crane operations under wave-induced motion, the method combines PI modelling, backstepping control, and sliding-mode control.
Guo, H. et al. [22] propose a multi-variable state-constrained controller to address control challenges in tower cranes with varying cable lengths. It introduces auxiliary terms to manage actuated and underactuated variables, which ensures precise cargo positioning and suppressing swing. The feasibility and robustness of the method and operational efficiency are validated by a simulation.
A sliding-mode controller to stabilize a gantry crane system and reject external disturbances during transportation, proposed by Zhang, J. et al. [23], was tested within the simulation. Its effectiveness is proven by semigroup theory and asymptotic stability analysis using the Krasovskii–LaSalle principle.
In this paper [24], Xia J. et al. give an amplitude-saturated nonlinear output feedback controller for five-degree-of-freedom (5-DOF) underactuated tower cranes, addressing challenges such as lack of velocity measurement and variable rope length. It aims to improve crane safety and efficiency by ensuring asymptotic stability at the target position, even without velocity feedback. The system’s stability is proven using Lyapunov’s theorem and LaSalle’s invariance principle, and the effectiveness of the proposed control method is experimentally demonstrated.
A time-optimal trajectory planning method for the double-pendulum bridge crane system, addressing the complexities that arise when the load volume or hook weight is significant, is given in [25] by Zhong, K and Qian, Y. Their approach transforms the system’s kinematic model and then converts the optimization problem into a nonlinear programming problem, considering constraints like swing angles, trolley speed, and acceleration limits. The time-optimal trajectory planning method provides effective control performance confirmed by a simulation.
For 5-DOF tower crane systems, a controller that does not rely on velocity signals, addressing key issues like crane swing and vibration, is proposed by Zhang, M. et al. [26]. The controller employs an adaptive output feedback method with online gravity compensation, overcoming challenges such as velocity unavailability, noise amplification, and steady-state error employed by their controller.
In their paper, Jin, X. and Weimin, X. [27] propose a model-free control method for multi-lift overhead cranes, addressing inaccurate modeling and system uncertainty. An iterative learning, a time-varying sliding-mode surface, and adaptive super-twisting are used to improve system convergence, robustness, and performance. Lyapunov stability analysis confirms the system’s stability, and using simulation results, the effectiveness of their synchronization control scheme is verified.
A nonlinear optimal control method for boom cranes mounted on vessels, utilizing Taylor series expansion for linearization, is given by Rigatos, G. [28]. An H-infinity feedback controller is designed, with feedback gains computed using an algebraic Riccati equation at each step. The control approach ensures fast and accurate tracking, with stability proven through Lyapunov analysis.
A nonlinear energy-based controller and Lyapunov-based MPC for shipboard boom cranes addresses state constraints and ship roll influences in the paper [29] by Cao, Yuchi and Li, Tieshan. Barrier Lyapunov functions (BLFs) and a contractive constraint are introduced to improve control performance and ensure stability in the Lyapunov-based MPC. Theoretical analysis guarantees asymptotic stability, and simulation results validate the improved performance of the Lyapunov-based MPC over the energy-based controller.
The importance of using the anti-sway system is given by a human factor study conducted by Martin, Iain A. and Irani, Rishad A. in [30] where participants showed up to 49.1% improvement in tracking desired payload targets when using the anti-sway system in a virtual-reality simulator. It provided motion compensation in two coordinate frames. This paper also emphasizes the importance of an anti-swing algorithm in the crane’s control systems.
Hybrid configurations of input-shaping control (ISC) and fuzzy-logic control (FLC) for tower crane systems to improve positioning and anti-swing control were explored by Alhassan, A.B. et al. in [31]. Three configurations of ISC + FLC were tested, and the results showed a 150% improvement in ISC response and a 72% reduction in oscillation. Compared to full-state feedback controllers, the hybrid ISC + FLC control method is more cost-effective and computationally efficient, using minimal feedback, which is position only.
A fault-tolerant control method for tower cranes is presented by Xia, Jiyu in [32] using an adaptive backstepping technique, overcoming the need for redundant actuators. The fixed-time convergence optimized backstepping controller ensures smooth operation and updates fault parameters in case of sudden faults. Comparison tests demonstrate that the proposed controller performs excellently in position accuracy, swing elimination, and fault tolerance.
Input-shaping techniques for sway control in tower cranes were used in [33] by Ishak, H. et al. with a model derived using the Lagrange equation and validated through simulations. Zero Vibration (ZV) and Zero Vibration Derivative (ZVD) shapers were developed and tested to reduce oscillations during payload hoisting.
Kim, C.W. et al. in paper [15] introduce a control approach for anti-sway in container cranes modelled as a hybrid PDE-ODE system with a flexible cable. Based on Lyapunov’s second method, a control law is derived to suppress transverse vibrations, using time-varying control force and active mass damper. The system’s exponential stability is proven, and simulations show the effectiveness of the proposed control laws in suppressing sway.
A newer study [16] by Hamanaka, K. et al. proposes a vibration suppression feedforward control for stacker cranes, which also uses an active mass damper (AMD). The method aims to match the carriage acceleration with the travel unit acceleration to reduce excessive vibrations during high-speed operation.
This paper presents a control structure that eliminates the sway induced by cargo acceleration and deceleration. It uses the input shaper technique. The input shaper technique has the benefit of reducing the sway but introduces a negative effect on the position controller of the cargo [34]. It introduces a decrease in the phase reserve and shifts the control structure to the unstable region. The negative effect is proportional to the natural frequency of cargo. The proposed structure uses Smith’s predictive algorithm [35], which needed to be modified so that it can be used in a crane to eliminate this adverse effect. This predictive algorithm uses a model of the crane to calculate the control vector one step ahead instead of N steps ahead and inject it into the system. Using this calculation of control is simplified, and cheaper hardware can be used to run this control algorithm. The suggested controller is compared with the PD position controller without the sway reduction to show the impact of acceleration and deceleration on the cargo sway and the PD position controller with the input shaper technique. The advantage of using this predictive algorithm with the input shaper is shown within the simulation and experimentally on the laboratory crane.
Integral performance criteria [36] were used to assess the proposed control structure’s impact on the crane’s dynamics and compare it with the PD controller with and without the input shaper technique.

2. Dynamics of the Crane

Figure 1 shows a bridge crane. It consists of the cart of mass m r , which is moved along the x-axis, and the cargo of mass m p suspended by the ropes, which are modeled with an equivalent rope of length l. The rope’s mass and flexibility are neglected.
In the Cartesian coordinate system, the position of the cargo’s center of mass is described by the equation
r p = x + l sin ( Φ ) l cos ( Φ ) T
To obtain a mathematical model of the crane, the Lagrange function of the mechanical system shown in Figure 1 is formulated
L l r p , d r p d t , t = W k i n W p o t
where W k i n is the total kinetic energy, and W p o t is the total potential energy. The total kinetic energy of the crane is
W k i n = 1 2 m p d d t x + l sin ( Φ ) 2 + 1 2 m p d d t l cos ( Φ ) 2 + 1 2 m r x ˙ 2
and the total potential energy of the crane is
W p o t = m p g l cos ( Φ )
The functional that transforms L l to scalar value is
J l r p , t = t 1 t 2 L l r p ( t ) , d d t r p ( t ) , t d t
By solving the Euler–Laguange equations:
d d t L l x ˙ L l x = f
d d t L l Φ ˙ L l Φ = 0
the cargo trajectory r p ( t ) is obtained which minimizes the functional (5). The cargo crane’s dynamics is described by this trajectory.
A mathematical model of a bridge crane with one degree of freedom is obtained by including Equation (2) in the Euler–Lagrange Equations (6) and (7)
m r + m p x ¨ + l m p Φ ¨ = f
Φ ¨ + ω 2 Φ = 1 l x ¨
The crane actuator (DC motor) additionally introduces
f = ω 1 ω 2 2 K v , e m D c w i a ,
L a , e m d i a , e m d t = u a , e m R a , e m i a , e m ω 1 ω 2 2 K v , e m D c w d x d t ,
where ω 1 / ω 2 is the ratios of the gearboxes, L a , e m is the armature inductance, i a , e m is the armature current, u a , e m is the armature voltage, K v , e m is the voltage constant, R a , e m is the armature resistance, and D c w is the diameter of cart wheels.
By substituting Equations (10) and (11) in Equations (8) and (9) and neglecting the impact of the cargo sway on the cart position l m p Φ ¨ , the equation which describes the cart speed dynamics is obtained:
v r s u e m s = D c w 2 ω 2 ω 1 1 K v , e m s 2 T a , e m T m , e m + T m , e m s + 1 D c w 2 ω 2 ω 1 1 K v , e m T m , e m s + 1 , T a , e m < < T m , e m
where T m , e m = J R a , e m / K v , e m 2 is the mechanical time constant, and T a , e m = L a , e m / R a , e m is the armature constant.
The position dynamics of the cart is described by equation
G P C s = K s m s T m , e m s + 1
where K s m is the proportional gain of the position of the cart.

3. Control Structures for Controlling a Cargo Transfer

The crane control system is tasked with the complex challenge of simultaneously positioning the cargo and reducing its sway. With only one control input, the system’s design is a formidable puzzle. Decoupling these tasks to meet a given percentage is the intellectual challenge at hand.
The position controller is used to accomplish the positioning task, which is usually realized with a linear PD controller. The position control loop is shown in Figure 2.
The PD position controller is implemented by the equation
G P D q 1 = K D + K P T s t + T f T s t + T f T f q 1 K P T f + K D q 1 T s t + T f T f q 1
where K P is proportional gain, K D = K P T D is derivative gain, T f = T D / N is the derivative filter constant, T s t is sample time, and q 1 is the backward shift operator.
This position control system is configured to produce the control signal, bringing the cargo to the desired position with the minimum time. According to the optimal control for the positioning, the control signal that will position the cargo with minimum time is given by bang-bang control [37], which is achieved here using the PD controller. However, this bang-bang control will give the maximum acceleration and deceleration of the cargo, producing the maximum sway angles.
The position control system of the crane cart, without the sway reduction algorithm, is not commonly used in practice. However, it is included in this paper to estimate the sway that would occur in its absence. This analysis is crucial in determining the percentage reduction in sway that can be achieved by the proposed control algorithm, underlining its importance and potential impact.
In real-world applications, it is crucial to reduce the sway angle at the goal location and during transport. To achieve this, the sway reduction algorithm G I S T ( q 1 ) must be an integral part of the position control algorithm, as depicted in Figure 3.
Because the main reason for the cargo sway is the position control of the cargo, the input shaper technique is chosen to reduce the cargo sway.
The input shaping represents the convolution of the control signal with a sequence of impulses
δ I S T ( t ) = i = 1 N B i δ ( t Δ i )
where Δ i is the i-th impulse time, δ is the Dirac delta function, N is the number of the impulses, and B i is the amplitude of the i-th impulse.
The pulses are determined to eliminate system vibrations at precisely known frequencies. This method eliminates cargo oscillations if the system damping and natural frequency are precisely known. Input-shaping methods vary depending on the constraints they use and today there are lots of proposed input-shaping methods depending on the robustness and speed, which are two opposing criteria: ZV (Zero Vibration), ZVD (Zero Vibration and Derivative), ZVDD (Zero Vibration and two Derivatives), etc. The shaped signal at the input shaper output is gained by using convolution of the impulses and input control signal:
y ( t ) = t δ I S T ( t τ ) u ( τ ) = t i = 1 N B i δ ( t τ Δ i ) u ( τ ) d τ = i = 1 N B i u ( t Δ i )
This equation can be transferred to the Laplace domain, and because the first impulse of any input shaping method does not have delay, can be written as
G I S T ( s ) = B 1 + i = 2 N B i e Δ i s
The ZV input shaping used in this paper has only two impulses with time shift Δ . And its amplitude ratio and phase shift are
| G ( j ω ) | = B 1 2 + 2 B 1 B 2 cos ω Δ + B 2 2 ,
and
φ = a r g G j ω = arctan B 2 sin ω Δ B 1 + B 2 cos ω Δ
respectively. Using these equations, the Bode’s amplitude and phase diagram can be drawn, shown in Figure 4 and Figure 5.
This method is a feedforward method, which introduces a problem when incorporated within the position control loop. This can be seen from these Bode’s diagrams. It decreases the closed-loop phase reserve because it introduces the delay in the position control loop. Because of this, it is intended to be implemented outside of a feedback loop.
This delay introduces the oscillation in the position closed loop, and the only way to use this technique in the position control loop is to decrease the proportional gain of the PD controller, which will decrease the desired positioning speed. If the position speed is decreased, then there is no need to use the input shaper technique because the residual sway would be small because of the small acceleration and deceleration of the cargo.
The Smith predictor is indispensable for using the input shaper technique with the same positioning speed. It ensures that the same PD position control parameters from the position control loop without the sway reduction can be used with the input shaper technique, maintaining the speed of the position with the sway reduction.
Neglecting the mechanical constant of the DC motor, the transfer function Equation (13) becomes
G P C s = K s m s
If the sample time is taken to be very small for the transfer function of the closed loop of the Smith predictor according to the disturbance, it can be written in the continuous Laplace domain, which is
G d s = 1 G P D G P C G I S T 1 + G P D G P C G P C G I S T
By using the theorem of the final value, the static error can be obtained for the input shaper ZV and the ideal transfer function of the PD controller (neglecting the PD first-order derivative filter)
lim s 0 G d s = T o s c K s m d 4 + x r 2
The integral action in the dynamics of the crane cart causes the error in the position, which is proportional to the time constant of the cargo sway T o s c , the overall gain of the crane K s m , and the value of the disturbance d. All dynamics that are not modeled, like static and dynamic friction, moving mass effect [38,39] (which some authors take care of within their proposed crane models [40,41]), cable force, etc., are considered with this disturbance.
From (22), it can be seen that there will be a static error if there is a disturbance. Additionally, if there is no friction and the forces are produced by the cargo’s sway, the Smith controller will have an error of position of 50%.
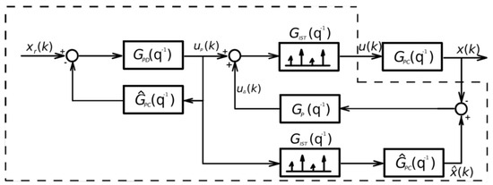
Some modifications must be made to use the Smith predictor, which benefits the cargo crane system positioning. The modification of the Smith predictor and the control structure, proposed to be used for the position and the sway reduction, is given in Figure 6.
This proposed control structure of the crane is made of the position PD controller G P D q 1 with the mathematical model of the position dynamics of the crane cart G P C q 1 , and the error control loop to eliminate the error of the position because of the unmodeled dynamics and the disturbances. Unmodeled dynamics and disturbances are detected by comparing the output position sensor signal of the crane x ( k ) and its mathematical model x ^ ( k ) . For the error controller, the P controller G p q 1 = K P , e is used.
The static error of the proposed modified Smith predictor can be obtained similarly to the Smith predictor, which is
lim s 0 G d s = d K P , e
By modifying the Smith predictor, the position error of 50% is eliminated, leaving only static error, which can be sufficiently reduced by using a significant value of K p , e .
The positioning PD controller is tuned in a way that there is no input shaper between it and the crane. The parameterization is performed like there is a realized closed-position control loop, as shown in Figure 2.

4. Experimental and Simulation Results

4.1. Laboratory Crane

To test the robustness of the proposed algorithm, a laboratory crane was constructed at the University of Split, Faculty of Electrical Engineering, Mechanical Engineering, and Naval Architecture in Croatia. It was implemented using the Texas Instruments TMS320F2812 microcontroller (Dallas, TX, USA), which features a C28x core. Spectrum Digital’s eZdspF2812 (Sugar Land, TX, USA) is the PCB on which this microcontroller is mounted. It has peripheral expansions and JTAG for programming and debugging.
The C28x core incorporates a dual Harvard architecture, providing high throughput for instructions and data. It has several specialized instructions essential for digital signal processing tasks in real-time control applications. The memory used to implement the control algorithm is 256 KB of on-chip FLASH. For dynamically allocated variables and the realization of STOG memory, 36 KB of on-chip SRAM was used together with 128 KB of off-chip SRAM.
The IDE used to implement the proposed control algorithm was Code Composer Studio C2x ezDSP Kit Tools V2 (C2000). It has all the software components needed to write, build, and debug the algorithm in real time using a JTAG connector over a parallel port.
The proposed control algorithm uses one incremental encoder sensor to measure the cart’s position and one DC motor actuator made of power electronics and a DC motor to drive the cart forward and backwards. To record the cart’s position, serial communication is used between the DSP and PC, while the sway is measured using an infrared camera with a marker. The camera calibration is performed using a mechanical angle sway sensor. In Figure 7, the described experimental setup is shown.

4.2. Estimation of Parameters of the Laboratory Crane System

A priori knowledge gained from measurements and the technical data provided by the manufacturer is detailed in Table 1. These measurements were essential for capturing and further evaluating the identified dynamics of the cart’s position and the cargo sway.
The LS (Last Square) offline method was employed to identify the system dynamics. The parametric model used for this purpose was the ARX (AutoRegressive with eXogenous inputs) model, from which the continuous model parameters were obtained (Equations (9), (12), and (13)). All modes of the crane’s dynamics were excited using a PRBS (Pseudo-Random Binary Sequence) signal, shown in Figure 8.
By use of this signal, the PWM cycle of the crane motor was controlled. Identification of the crane parameters was made partially by model fitting and partially by measurement. Parameters which were obtained by measurement are given in Table 1. The response of the position and the angle of the cargo, together with estimated responses, which were calculated with estimated parameters, are given in Figure 9, Figure 10 and Figure 11. Because the dynamics of bridge position has astatism of the first order, the minor error in the estimate of the mechanic time constant of the cart will cause deviation in the estimated cart position from the current cart position over time, which can be seen in Figure 9. Thanks to the error controller of the proposed algorithm, this is not a problem because this error controller will inject the addition signal, bringing the cargo to the goal location within the given position tolerance.
A good fit of the cargo sway and estimated cargo sway obtained by Equations (9) and (13) is shown in Figure 10, while the speed of the cart and estimated speed of the cart obtained by Equation (12) are shown in Figure 11.
A deviation occurs in the angle and speed responses from the estimated ones because of the difference between the estimated and actual parameters. The DC motor’s armature resistance varies from 0.6 Ω to 1.3 Ω according to temperature changes while the motor is working. Another reason for the response deviation is the dynamics, which are not incorporated into the mathematical model. Considering this fact, it is concluded that the estimated parameters describe the laboratory crane well and were used in the proposed control structure. Additionally, the difference between the dynamics described by the model which was used for the proposed control structure and the identified dynamics of the laboratory crane can be seen in the Bode amplitude and phase diagram of the sway dynamics, which takes into account the cart, the DC motor, and the sway dynamics, shown in Figure 12 and Figure 13, respectively.
The diagrams illustrate the differences between the model descriptions and real-time crane dynamics at low frequencies (below 1.5 rad/s) and higher frequencies (above 7 rad/s). The discrepancies observed at lower frequencies are attributed to friction and the cables that transfer energy for cargo transportation, which the cart’s motor must pull.
At frequencies above 7 rad/s, the influence of sensors on cargo sway measurements becomes evident. Sway was measured using two different methods. The first sensor employs a mechanical approach, tracking the angular displacement of the load with a lever connected to a potentiometer. The second sensor utilizes an optical method, assessing the sway angle with a marker and an infrared camera.
The mechanical sensor was used to test other algorithms but was not employed in the algorithm proposed in this paper. Instead, it was used to calibrate the camera, which was used to document the results of the sway measurements.
Resonant frequency of 2.85 rad/s corresponds to the length of the rope from which the cargo hangs. Another spike occurs at 7 rad/s, corresponding to the lever of the mechanical sensor, which has a length of 20 cm.
To assess the discrete model’s accuracy used in the proposed control algorithm realized by using ZOH discretization, which is commonly used in control applications, in Equations (9) and (13), an analysis was made in the frequency domain using standard metrics: MSE (Mean Square Error), RMSE (Root Mean Square Error), bandwidth error, cross-over frequency error of amplitude, and phase frequency responses. The MSE and RMSE values for amplitude are 1.9 × 10−5 and 1.7 × 10−2; for frequency responses, they are 7° and (3°)0.5, respectively. While, the error bandwidth and cross-over frequency are 2.7 × 10−3 rad/s and 0.71526 rad/s, respectively. All the above suggests that the discrete system has good enough accuracy in representing the continuous system’s amplitude and frequency and can be used for this type of application.

4.3. Experimental Verification of the Proposed Control Structure

To see the impact of the proposed control structure on the crane dynamics and to identify the validity of the proposed control structure, several experimental setups were made and compared with the simulation results:
  • Case 1: the PD position controller without sway reduction.
  • Case 2: PD-ZV position control.
  • Case 3: the proposed control structure without the error controller.
  • Case 4: the proposed control structure with the error controller
For all cases, the same reference waveform x r shown in Figure 14 was used to compare the obtained responses. This reference waveform can have a positive or negative influence on the cargo sway. That depends on the moment the change of the reference waveform occurs. The reference waveform x r was chosen to ensure the maximum sway of crane cargo and see the impact of the sway reduction on the cargo sway. The cargo was transferred multiple times between distances of 1 meter in time intervals of 11.64 s, 21.5 s, 31.0 s, 42.77 s, and 53.5 s. These moments of reference change were measured from the first positive edge of the reference.
In all cases, the same PD position controller G P D q 1 was used, which can be seen in Figure 2, Figure 3 and Figure 6. The parameters of the PD position controller given in Table 2 and used in all cases were obtained to achieve the maximum positioning speed of the cargo and the robustness and stability of the position control loop.
In Case 1, only the PD position control was used, and there was no sway reduction algorithm. The control structure used in this case is shown in Figure 2. The responses of the cart position x m , the cart speed n m , the cargo sway Φ m , and the PD controller output u m value are shown and compared with the simulated responses in Figure 14, Figure 15, Figure 16 and Figure 17. Figure 16 shows that in every change of the reference value, the cargo sway increases; i.e., the chosen moments negatively affect the cargo sway. Because there is no sway reduction algorithm in Case 1, the magnitude of the cargo sway, which would exist if the crane control system did not have the sway reduction algorithm, can be seen. These responses in Case 1 are the starting point for the comparison and are further used to see the impact of the proposed control algorithm on the positioning and sway reduction in the cargo.
In Case 2, the input-shaping technique was incorporated within the positioning control loop, while the parameters of the PD position controller were left the same as in Case 1. The ZV method was used for the input shaper technique, and its parameters are given in Table 3. From these responses, Figure 18, Figure 19, Figure 20 and Figure 21, the impact of the input shaper on the position control loop dynamics can be seen by comparing them with the responses of Case 1. It can be seen that the given PD controller cannot be used with the input shaper technique because it introduces a negative effect on the closed control loop. It decreases phase reserve and gives oscillatory responses.
Adjusting the parameters of the position controller, specifically by reducing the positioning speed, can mitigate oscillatory responses that can occur during operation. This adjustment improves the position system’s stability. However, while achieving stable responses is beneficial, this approach may not fully meet the requirements for effective crane positioning. This is because similar stability could be achieved using a position PD controller without incorporating a sway reduction algorithm.
The difference between the measured and simulated position responses resulted from the cart’s wheels skidding because of inadequate friction between the wheels and the surface during operation. These differences were particularly pronounced because the position sensor is mounted directly on the motor shaft, which does not account for the slippage occurring on the wheels. Consequently, this misalignment led to inaccurate readings of the cart’s actual position compared to the expected simulated data.
While the position response exhibits oscillatory behavior due to the input shaper, it positively influences cargo sway reduction, as seen in Figure 16 and Figure 20.
To achieve the same cargo transfer speed as the control structure of Case 1 and to incorporate the shaper technique in the closed control loop, the proposed control structure shown in Figure 6 without the error controller was used in Case 3. The proposed control structure’s responses are in Figure 22, Figure 23, Figure 24 and Figure 25.
The speed of position control, as illustrated in Figure 14 and Figure 22, remains consistent with the parameters established in Case 1, indicating stable performance across both scenarios. In addition, the cargo sway depicted in Figure 16 and Figure 24 has significantly decreased compared to Case 1. This cargo sway reduction suggests improvements in stability and position control.
However, there is a difference between the modeled dynamics and the actual dynamics of the crane cart position, known as the unmodeled dynamics. This difference causes the position error to increase over time, as illustrated in Figure 22. The error is escalating due to the integral action of the cart dynamics. An error controller has been introduced to address this issue in Case 4, and its parameters are detailed in Table 4. The responses of the proposed controller given by measurement and simulation are presented in Figure 26, Figure 27, Figure 28 and Figure 29.
Table 2 and Table 4 clearly illustrate that the gain of the error controller is significantly lower than that of the PD position controller. This difference in gain indicates that the control output of the PD position controller has a leading role in ensuring wanted position dynamics.
In contrast, the error controller operates with a slower response time, which is advantageous because it prevents potential disruptions to the desired dynamic behavior established by the PD position controller. This harmonious interaction is vital for position control and sway reduction, where rapid adjustments can lead to overshooting or oscillations.
Moreover, while the error controller is less aggressive in its control actions, it effectively addresses positioning errors that may arise due to imperfections or inaccuracies in the mathematical modeling of the position dynamics. Doing so helps enhance system stability and reliability without compromising the overall performance established by the PD position controller and input shaper.
When comparing Figure 22 and Figure 26, it becomes apparent that the error controller effectively mitigates the inaccuracies caused by the imperfections in the mathematical model of the position dynamics. This highlights the controller’s role in correcting systematic errors during operation. On the other hand, an analysis of the responses to cargo oscillations (Figure 24 and Figure 28) reveals no significant differences between the two figures, indicating that the controller maintains consistent performance in managing cargo sway reduction.
In contrast, a closer examination of the rotation speed shown in Figure 23 and Figure 27 and the associated control variable shown in Figure 25 and Figure 29 reveals some subtle distinctions. The control signals of the proposed controller, both with and without the error controller (Cases 3 and 4), are depicted in the same Figure 30. To highlight the impact of the error controller, the signals have been enlarged for one cargo transport scenario. It is evident that the error controller has increased the area under the control signal and, with that, reduced the position error.
The integral performance criteria IAE, ITAE, ISE, and ITSE were used to evaluate the impact of the control structures used in these cases on the dynamics of the cart position and the sway reduction. Using these criteria, these dynamics are assessed with a single number. The integral performance criteria for the position dynamics and sway dynamics are shown in Figure 31 and Figure 32, respectively.
A reduction in the position control quality in Case 2 according to Case 1 because of the use of the input shaper technique can be seen from these figures. The position quality reduction is 23% for IAE, 25% for ITAE, 26% for ISE, and 28% for ITSE, while the impact of the input shaper has a positive effect on reducing the cargo sway, which can be seen in Figure 32. According to this figure, the reduction in the sway is 57% for IAE, 61% for ITAE, 80% for ISE, and 83% for ITSE. Although the input shaper degrades the position quality, it positively impacts cargo sway reduction.
According to Case 2, the sway reduction increased where the proposed control structure was introduced. The sway reduction is 87% for IAE, 89% for ITAE, 98% for ISE, and 99% for ITSE. Concerning Case 2, the increase in the sway reduction is up to 30%.
According to IAE, ITAE, ISE, and ITSE, the positioning quality decreases by 3%, 9%, 8%, and 13%, respectively. This decrease is slight, considering there is no position feedback in this proposed control structure in Case 3. However, position estimation is performed using the mathematical model for cart positioning.
An error controller was introduced in Case 4 to address the error in describing the load position dynamics. This controller aims to eliminate the estimation error. With the implementation of the error controller, improvements in position quality are observed compared to Case 3: an 8% enhancement according to IAE, a 14% improvement according to ITAE, a 10% increase according to ISE, and a 15% increase according to ITSE. Additionally, introducing the error controller did not negatively impact sway prevention; it resulted in a positive reduction in sway, showing an improvement of 2% for both IAE and ITAE.

5. Conclusions

Implementing input shaping within the control loop, particularly within the position controller, significantly reduces the system’s phase margin. This reduction occurs due to the additional delay introduced by the input shaper, which can lead to oscillatory behavior and instability in the load positioning dynamics, potentially jeopardizing the system’s accuracy and responsiveness.
A Smith predictor was employed to mitigate these challenges and achieve satisfactory positioning performance while utilizing input shaping. This advanced control strategy was explicitly modified to address this application’s unique requirements. The necessary adjustments to the Smith predictor were thoroughly documented, providing insights into the rationale behind the modifications and their anticipated effects on system stability and performance.
In this paper, a series of experimental and simulation comparisons were conducted with a laboratory crane to evaluate the effectiveness of the proposed control structure. The performance of this structure was assessed against two benchmarks: one control structure that did not incorporate anti-swaying mechanisms and another that included such mechanisms. The data collected revealed that the proposed control structure successfully maintained the original parameters of the position controller while effectively counteracting the adverse effects of input shaping on positioning quality. Notably, it enhanced the anti-swaying capability by approximately 94% for the load and improved positional quality to 82%. This improvement culminated in achieving non-oscillatory position responses, as determined by the integral performance criteria.
The integral performance criteria employed in the analysis measures the system’s overall performance over time, allowing for a comprehensive assessment of both positional accuracy and sway reduction attributable to the proposed control architecture.
Moreover, an essential advantage of the proposed structure lies in its straightforward implementation on microcomputers. The simplicity of this implementation process is a crucial factor that should instill confidence within the audience, empowering them to effectively apply the proposed control structure in the crane systems without significant barriers to entry.

Author Contributions

Conceptualization, D.J. (Danijel Jolevski); methodology, D.J. (Danijel Jolevski); software, D.J. (Danijel Jolevski); validation, D.J. (Damir Jakus); formal analysis, D.J. (Danijel Jolevski); investigation, D.J. (Damir Jakus) and O.B.; resources, D.J. (Danijel Jolevski); data curation, D.J. (Damir Jakus) and O.B.; writing—original draft preparation, D.J. (Danijel Jolevski) and O.B.; writing—review and editing, D.J. (Danijel Jolevski) and O.B.; visualization, D.J. (Danijel Jolevski) and O.B. All authors have read and agreed to the published version of the manuscript.

Funding

This research received no external funding.

Data Availability Statement

The original contributions presented in the study are included in the article; further inquiries can be directed to the corresponding author.

Conflicts of Interest

The authors declare no conflicts of interest.

Nomenclature

The following nomenclature is used in this manuscript:
v r speed of the cart
m r mass of the cart
xposition of the cart
x r reference position of the cart
x m measured position of the cart
x s simulated position of the cart
D c w wheels diameter of the cart
K s m position gain of the cart
x ^ estimated position of the cart
r p center mass of the cargo
Φ sway angle of the cargo
Φ m measured sway angle of the cargo
Φ s simulated sway angle of the cargo
ω natural frequency of the cargo
m p mass of the cargo
fforce
ddisturbance
T o s c cargo sway time constant
llength of rope
W k i n kinetic energy of the system
W p o t potential energy of the system
L l Lagrange function
J l functional
ggravitational acceleration
ttime
L a , e m armature inductance of the motor
R a , e m armature resistance of the motor
u a , e m armature voltage of the motor
i a , e m armature current of the motor
T a , e m armature time constant of the motor
K v , e m voltage constant of the motor
n s simulated the rotation speed of the motor
n m measured the rotation speed of the motor
ω 1 / ω 2 gearboxes ratios of the motor
Jinertia of the motor and cart
T m , e m mechanical time constant of the motor and cart
G P D transfer function of position PD controller
G P C transfer function of cart’s position
G d transfer function of disturbance
G P transfer function of error controller
G ^ P C transfer function of identified position
G I S T transfer function of ZV input shaper
u p position control value
u Δ error control value
uoverall control value
u m measured control value
u s simulated control value
K P proportional gain of the PD controller
K D derivative gain of the PD controller
T s t sample time of the PD controller
T f filter time of the PD controller
Nthe number impulses/samples of PD controller and input shaper
K P , P O S proportional gain of PD position controller
K D , P O S derivative gain of PD position controller
T s t , P O S sample time of PD position controller
N P O S number of samples of PD position controller
K P , e gain of the error controller
T s t , e sample time of the error controller
B i i-th amplitude of impulse
Δ i i-th time of impulse
sLaplace variable
q 1 backward shift operator
δ ( t ) Dirac delta function
IAEintegral of absolute error
ITAEintegral of time multiplied by absolute error
ISEintegral of squared error
ITSEintegral of time multiplied by squared error

References

  1. Ramli, L.; Mohamed, Z.; Abdullahi, A.M.; Jaafar, H.; Lazim, I.M. Control strategies for crane systems: A comprehensive review. Mech. Syst. Signal Process. 2017, 95, 1–23. [Google Scholar] [CrossRef]
  2. Awi, A.A.M.; Zawawi, S.S.N.N.; Ramli, L.; Lazim, I.M. Robust Input Shaping for Swing Control of an Overhead Crane. In Proceedings of the 22nd Asia Simulation Conference, AsiaSim 2023, Langkawi, Malaysia, 25–26 October 2023; Communications in Computer and Information Science. pp. 180–187. [Google Scholar] [CrossRef]
  3. Rome, T.; Adams, C.; Singhose, W. Experimental Comparison of Manual and Automated Crane Control Through Obstacle Fields. In Proceedings of the 2023 IEEE/ASME International Conference on Advanced Intelligent Mechatronics, AIM 2023, Seattle, WA, USA, 28–30 June 2023; Institute of Electrical and Electronics Engineers Inc.: New York, NY, USA, 2023; Volume 2023, pp. 1121–1126. [Google Scholar] [CrossRef]
  4. Zhang, M.; Jing, X.; Zhu, Z. Disturbance employment-based sliding mode control for 4-DOF tower crane systems. Mech. Syst. Signal Process. 2021, 161, 107946. [Google Scholar] [CrossRef]
  5. Ahmad, M.A.; Saealal, M.S.; Zawawi, M.A.; Raja Ismail, R.M.T. Classical angular tracking and intelligent anti-sway control for rotary crane system. In Proceedings of the International Conference on Electrical, Control and Computer Engineering 2011 (InECCE), Kuantan, Malaysia, 21–22 June 2011; pp. 82–87. [Google Scholar] [CrossRef]
  6. Tang, W.; Ma, R.; Wang, W.; Xu, T.; Gao, H. Adaptive PID control of overhead cranes based on ISOA–NN. Int. J. Dyn. Control 2024, 12, 2903–2917. [Google Scholar] [CrossRef]
  7. Zhang, Y.; Li, M. Fast Point-To-Point Transportation of the Portal Crane via Double-Input Inversion-Based Feedforward and Feedback Control. Optim. Control Appl. Methods 2025. Early View. [Google Scholar] [CrossRef]
  8. Nguyen, N.P.; Kim, Y.; Oh, H.; Moon, J. Composite trajectory tracking control for under-actuated crane systems with matched and mismatched disturbances: Theory and implementation. Mech. Syst. Signal Process. 2025, 226, 112337. [Google Scholar] [CrossRef]
  9. Samin, R.E.; Mohamed, Z.; Jalani, J.; Ghazali, R. A Hybrid Controller for Control of a 3-DOF Rotary Crane System. In Proceedings of the 2013 1st International Conference on Artificial Intelligence, Modelling and Simulation, Kota Kinabalu, Malaysia, 3–5 December 2013; pp. 190–195. [Google Scholar] [CrossRef]
  10. Majid, M.A.; Ibrahim, W.S.W.; Mohamad, S.; Bakar, Z.A. A comparison of PID and PD controller with input shaping technique for 3D gantry crane. In Proceedings of the 2013 IEEE Conference on Systems, Process Control (ICSPC), Kuala Lumpur, Malaysia, 13–15 December 2013; pp. 144–148. [Google Scholar] [CrossRef]
  11. Ahmad, M.A.; Kasruddin Nasir, A.N.; Ishak, H. Techniques of anti-sway and input tracking control of a gantry crane system. In Proceedings of the 2009 International Conference on Mechatronics and Automation, Changchun, China, 9–12 August 2009; pp. 262–267. [Google Scholar] [CrossRef]
  12. Maghsoudi, M.J.; Mohammed, Z.; Pratiwi, A.F.; Ahmad, N.; Husain, A.R. An experiment for position and sway control of a 3D gantry crane. In Proceedings of the 2012 4th International Conference on Intelligent and Advanced Systems (ICIAS2012), Kuala Lumpur, Malaysia, 12–14 June 2012; Volume 2, pp. 497–502. [Google Scholar] [CrossRef]
  13. Ahmad, M.A.; Ramli, M.S.; Raja Ismail, R.M.T.; Nasir, A.N.K.; Zawawi, M.A. The investigations of PD-type Fuzzy Logic with different polarities input shaping for anti-sway control of a gantry crane system. In Proceedings of the 2009 Innovative Technologies in Intelligent Systems and Industrial Applications, Kuala Lumpur, Malaysia, 25–26 July 2009; pp. 452–457. [Google Scholar] [CrossRef]
  14. Lei, M.; Wu, X.; Zhao, Y.; Li, F. Output feedback control for overhead cranes subject to double-pendulum swing effects and uncertain disturbances. Trans. Inst. Meas. Control 2024, 46, 1350–1361. [Google Scholar] [CrossRef]
  15. Kim, C.; Hong, K.; Lodewijks, G. Anti-sway control of container cranes: An active mass-damper approach. In Proceedings of the SICE 2004 Annual Conference, Sapporo, Japan, 4–6 August 2004; pp. 1687–1692. [Google Scholar]
  16. Hamanaka, K.; Ohnishi, W.; Koseki, T.; Asai, M.; Yoshihara, K.; Nawa, M.; Kato, N. Vibration Suppression Feedforward Control Using Active Mass Damper for Stacker Crane. In Proceedings of the 2024 IEEE International Conference on Advanced Intelligent Mechatronics (AIM), Boston, MA, USA, 15–19 July 2024; pp. 568–573. [Google Scholar] [CrossRef]
  17. Yang, F.; Sedaghati, R.; Esmailzadeh, E. Vibration suppression of structures using tuned mass damper technology: A state-of-the-art review. J. Vib. Control 2022, 28, 812–836. [Google Scholar] [CrossRef]
  18. Lu, Z.; Wang, Z.; Zhou, Y.; Lu, X. Nonlinear dissipative devices in structural vibration control: A review. J. Sound Vib. 2018, 423, 18–49. [Google Scholar] [CrossRef]
  19. Wang, N.; Liu, X.; Liu, C.; Wang, H.; Li, J. An almost disturbance decoupling control strategy for 4-DOF tower cranes. Mech. Syst. Signal Process. 2025, 224, 111927. [Google Scholar] [CrossRef]
  20. Wang, S.; Jin, W.; Chen, W. A novel payload swing control method based on active disturbance rejection control for 3D overhead crane systems with time-varying rope length. J. Frankl. Inst. 2024, 361, 106707. [Google Scholar] [CrossRef]
  21. Zhang, Q.; Zhang, Z.; Hong, Y.; Gu, B.; Hu, X. Research on Wave Compensation Strategy Based on PI Model and Backstepping Sliding Control. Gongcheng Kexue Yu Jishu/Adv. Eng. Sci. 2024, 56, 11–21. [Google Scholar] [CrossRef]
  22. Guo, H.; Peng, W.; Zhang, M.; Li, C.; Jiao, F. Nonlinear Control Strategy for Tower Cranes with Variable Cable Lengths and Multivariable State Constraints. In Proceedings of the International Conference on Applied Nonlinear Dynamics, Vibration, and Control, ICANDVC, Hong Kong, China, 4–6 December 2023; Lecture Notes in Electrical Engineering. Volume 1152, pp. 612–623. [Google Scholar] [CrossRef]
  23. Zhang, J.; Wu, W.; Huang, X. Robust sliding-mode control for a gantry crane system subject to external disturbance. Nonlinear Dyn. 2024, 112, 4599–4615. [Google Scholar] [CrossRef]
  24. Xia, J.; Ouyang, H. Amplitude Saturated Nonlinear Output Feedback Controller Design for Underactuated 5-DOF Tower Cranes Without Velocity Measurement. IEEE Trans. Intell. Transp. Syst. 2024, 25, 10206–10215. [Google Scholar] [CrossRef]
  25. Zhong, K.; Qian, Y. Time-Optimal Anti-swing Trajectory Planning of Double Pendulum Crane Based on Chebyshev Pseudo-spectrum Method. In Proceedings of the International Conference on Applied Nonlinear Dynamics, Vibration, and Control, ICANDVC, Hong Kong, China, 4–6 December 2023; Lecture Notes in Electrical Engineering. Volume 1152, pp. 541–553. [Google Scholar] [CrossRef]
  26. Zhang, M.; Jing, X.; Zhou, Z.; Sun, M. Rapid and restricted swing control via adaptive output feedback for 5-DOF tower crane systems. Mech. Syst. Signal Process. 2024, 212, 111283. [Google Scholar] [CrossRef]
  27. Jin, X.; Xu, W. Finite-time model-free robust synchronous control of multi-lift overhead cranes based on iterative learning. Trans. Inst. Meas. Control 2024, 46, 2570–2584. [Google Scholar] [CrossRef]
  28. Rigatos, G. A nonlinear optimal control approach for underactuated offshore cranes. Ships Offshore Struct. 2024, 19, 159–172. [Google Scholar] [CrossRef]
  29. Cao, Y.; Li, T. Nonlinear antiswing control for shipboard boom cranes with full state constraints. Appl. Ocean Res. 2024, 146, 103964. [Google Scholar] [CrossRef]
  30. Martin, I.A.; Irani, R.A. The examination of operator performance when controlling a shipboard crane anti-sway control system within a virtual-reality simulator. Ocean Eng. 2024, 298, 117164. [Google Scholar] [CrossRef]
  31. Alhassan, A.B.; Assawinchaichote, W.; Zhang, H.; Shi, Y. Hybrid input shaping and fuzzy logic-based position and oscillation control of tower crane system. Expert Syst. 2024, 41, e13484. [Google Scholar] [CrossRef]
  32. Xia, J.; Ouyang, H.; Zhang, M. Fault-tolerant controller design based on adaptive backstepping for tower cranes with actuator faults. ISA Trans. 2024, 146, 463–471. [Google Scholar] [CrossRef]
  33. Ishak, H.; Mohamed, Z.; Fasih, S.; Bello, M.; Ezuan, R.; Adebayo, B. Sway Control of a Tower Crane with Varying Cable Length Using Input Shaping. In Proceedings of the 22nd Asia Simulation Conference, AsiaSim 2023, Langkawi, Malaysia, 25–26 October 2023; Communications in Computer and Information Science. Volume 1912, pp. 188–200. [Google Scholar] [CrossRef]
  34. Huey, J.R.; Singhose, W. Experimental verification of stability analysis of closed-loop signal shaping controllers. In Proceedings of the Proceedings, 2005 IEEE/ASME International Conference on Advanced Intelligent Mechatronics, Monterey, CA, USA, 24–28 July 2005; pp. 1587–1592. [Google Scholar] [CrossRef]
  35. Smith, O.J.M. Close Control of Loops with Dead Time. Chem. Eng. Prog. 1957, 53, 217–219. [Google Scholar]
  36. Deniz, F.N.; Yüce, A.; Tan, N.; Atherton, D.P. Tuning of Fractional Order PID Controllers Based on Integral Performance Criteria Using Fourier Series Method. IFAC-PapersOnLine 2017, 50, 8561–8566. [Google Scholar] [CrossRef]
  37. Yurchenko, D.; Alevras, P. Stability, control and reliability of a ship crane payload motion. Probabilistic Eng. Mech. 2014, 38, 173–179. [Google Scholar] [CrossRef]
  38. de Oliveira, F.M.; Greco, M. Nonlinear dynamic analysis of beams with layered cross sections under moving masses. J. Braz. Soc. Mech. Sci. Eng. 2015, 37, 451–462. [Google Scholar] [CrossRef]
  39. Yamchelou, M.T.; Nikbin, I.M.; Zareian, H.; Charkhtab, S. Assessing absolute maximum vibration amplitude of a rectangular plate subjected to a moving mass. Iran. J. Sci. Technol.-Trans. Civ. Eng. 2017, 41, 135–147. [Google Scholar] [CrossRef]
  40. Gašić, V.; Zrnić, N.; Rakin, M. Consideration of a moving mass effect on dynamic behaviour of a JIB crane structure; [Analiza utjecaja pokretne mase na dinamičko ponašanje konstrukcije stupne konzolne dizalice]. Teh. Vjesn. 2012, 19, 115–121. [Google Scholar]
  41. Oguamanam, D.; Hansen, J.; Heppler, G. Dynamic response of an overhead crane system. J. Sound Vib. 1998, 213, 889–906. [Google Scholar] [CrossRef]
Figure 1. Bridge crane.
Figure 1. Bridge crane.
Applsci 15 02804 g001
Figure 2. Position control without sway reduction.
Figure 2. Position control without sway reduction.
Applsci 15 02804 g002
Figure 3. Position control with sway reduction.
Figure 3. Position control with sway reduction.
Applsci 15 02804 g003
Figure 4. ZV input-shaper-amplitude Bode’s diagram.
Figure 4. ZV input-shaper-amplitude Bode’s diagram.
Applsci 15 02804 g004
Figure 5. ZV input-shaper-phase Bode’s diagram.
Figure 5. ZV input-shaper-phase Bode’s diagram.
Applsci 15 02804 g005
Figure 6. Proposed controller.
Figure 6. Proposed controller.
Applsci 15 02804 g006
Figure 7. Experimental setup.
Figure 7. Experimental setup.
Applsci 15 02804 g007
Figure 8. PRBS control signal of the duty cycle of the DC motor.
Figure 8. PRBS control signal of the duty cycle of the DC motor.
Applsci 15 02804 g008
Figure 9. Position cart response x and estimated cart response x ¯ for PRBS signal.
Figure 9. Position cart response x and estimated cart response x ¯ for PRBS signal.
Applsci 15 02804 g009
Figure 10. The sway angle response Φ and estimated sway angle response Φ ¯ for PRBS signal.
Figure 10. The sway angle response Φ and estimated sway angle response Φ ¯ for PRBS signal.
Applsci 15 02804 g010
Figure 11. The cart speed response v and estimated cart speed response v ¯ for PRBS signal.
Figure 11. The cart speed response v and estimated cart speed response v ¯ for PRBS signal.
Applsci 15 02804 g011
Figure 12. The amplitude Bode’s diagram of modeled sway dynamics G Φ and identified crane sway dynamics G ¯ Φ .
Figure 12. The amplitude Bode’s diagram of modeled sway dynamics G Φ and identified crane sway dynamics G ¯ Φ .
Applsci 15 02804 g012
Figure 13. The phase Bode’s diagram of modeled sway dynamics Φ and identified crane sway dynamics Φ ¯ .
Figure 13. The phase Bode’s diagram of modeled sway dynamics Φ and identified crane sway dynamics Φ ¯ .
Applsci 15 02804 g013
Figure 14. Position cart response measured x m and simulated x s for given reference value x r of PD position controller without the sway reduction algorithm.
Figure 14. Position cart response measured x m and simulated x s for given reference value x r of PD position controller without the sway reduction algorithm.
Applsci 15 02804 g014
Figure 15. Speed cart response measured n m and simulated n s of PD position controller without the sway reduction algorithm.
Figure 15. Speed cart response measured n m and simulated n s of PD position controller without the sway reduction algorithm.
Applsci 15 02804 g015
Figure 16. The cargo sway measured Φ m and simulated Φ s of PD position controller without the sway reduction algorithm.
Figure 16. The cargo sway measured Φ m and simulated Φ s of PD position controller without the sway reduction algorithm.
Applsci 15 02804 g016
Figure 17. Control PD position controller signal measured u m and simulated u s without the sway reduction algorithm.
Figure 17. Control PD position controller signal measured u m and simulated u s without the sway reduction algorithm.
Applsci 15 02804 g017
Figure 18. Position cart response measured x m and simulated x s for given reference value x r of PD position controller with the sway reduction algorithm.
Figure 18. Position cart response measured x m and simulated x s for given reference value x r of PD position controller with the sway reduction algorithm.
Applsci 15 02804 g018
Figure 19. Speed cart response measured n m and simulated n s of PD position controller with the sway reduction algorithm.
Figure 19. Speed cart response measured n m and simulated n s of PD position controller with the sway reduction algorithm.
Applsci 15 02804 g019
Figure 20. The cargo sway measured Φ m and simulated Φ s of PD position controller with the sway reduction algorithm.
Figure 20. The cargo sway measured Φ m and simulated Φ s of PD position controller with the sway reduction algorithm.
Applsci 15 02804 g020
Figure 21. Control PD position controller signal measured u m and simulated u s with the sway reduction algorithm.
Figure 21. Control PD position controller signal measured u m and simulated u s with the sway reduction algorithm.
Applsci 15 02804 g021
Figure 22. Position cart response measured x m and simulated x s for given reference value x r of the proposed control structure without the error controller.
Figure 22. Position cart response measured x m and simulated x s for given reference value x r of the proposed control structure without the error controller.
Applsci 15 02804 g022
Figure 23. Speed cart response measured n m and simulated n s of the proposed control structure without the error controller.
Figure 23. Speed cart response measured n m and simulated n s of the proposed control structure without the error controller.
Applsci 15 02804 g023
Figure 24. The cargo sway measured Φ m and simulated Φ s of the proposed control structure without the error controller.
Figure 24. The cargo sway measured Φ m and simulated Φ s of the proposed control structure without the error controller.
Applsci 15 02804 g024
Figure 25. Control signal measured u m and simulated u s of the proposed control structure without the error controller.
Figure 25. Control signal measured u m and simulated u s of the proposed control structure without the error controller.
Applsci 15 02804 g025
Figure 26. Position cart response measured x m and simulated x s for given reference value x r of the proposed control structure.
Figure 26. Position cart response measured x m and simulated x s for given reference value x r of the proposed control structure.
Applsci 15 02804 g026
Figure 27. Speed cart response measured n m and simulated n s of the proposed control structure.
Figure 27. Speed cart response measured n m and simulated n s of the proposed control structure.
Applsci 15 02804 g027
Figure 28. The cargo sway measured Φ m and simulated Φ s of the proposed control structure.
Figure 28. The cargo sway measured Φ m and simulated Φ s of the proposed control structure.
Applsci 15 02804 g028
Figure 29. Control signal measured u m and simulated u s of the proposed control structure.
Figure 29. Control signal measured u m and simulated u s of the proposed control structure.
Applsci 15 02804 g029
Figure 30. A comparison of the measured control signal u m of the proposed control structure with (Case 4) and without (Case 3) an error controller for one cargo transport.
Figure 30. A comparison of the measured control signal u m of the proposed control structure with (Case 4) and without (Case 3) an error controller for one cargo transport.
Applsci 15 02804 g030
Figure 31. The quality of the positioning of the cart.
Figure 31. The quality of the positioning of the cart.
Applsci 15 02804 g031
Figure 32. Sway reduction of the cargo.
Figure 32. Sway reduction of the cargo.
Applsci 15 02804 g032
Table 1. Parameters of the laboratory bridge crane.
Table 1. Parameters of the laboratory bridge crane.
ParameterValue
m r 19 kg
m p 3.8 kg
l1.2 m
R a , e m 0.6–1.3 Ω
L a , e m 151 mH
K v , e m 0.006 Vs
D c w / 2 0.015 m
ω 1 / ω 2 100
Table 2. Parameters of the PD position controller.
Table 2. Parameters of the PD position controller.
ParameterValue
K P , P O S 100%/m
T D , P O S 0.1 s
T s t , P O S 200 ms
N P O S 10
Dead zone±0.025 m
Table 3. Parameters of the ZV input shaper.
Table 3. Parameters of the ZV input shaper.
Impulse TimeImpulse Amplitude B i
0 s0.5
1.1 s0.5
Table 4. Parameters of the error controller.
Table 4. Parameters of the error controller.
ParameterValue
K P , e 0.5%/m
T s t , e 200 ms
Dead zone±0.025 m
Disclaimer/Publisher’s Note: The statements, opinions and data contained in all publications are solely those of the individual author(s) and contributor(s) and not of MDPI and/or the editor(s). MDPI and/or the editor(s) disclaim responsibility for any injury to people or property resulting from any ideas, methods, instructions or products referred to in the content.

Share and Cite

MDPI and ACS Style

Jolevski, D.; Bego, O.; Jakus, D. Modified Smith Input-Shaper Crane-Controller for Position Control and Sway Reduction. Appl. Sci. 2025, 15, 2804. https://doi.org/10.3390/app15052804

AMA Style

Jolevski D, Bego O, Jakus D. Modified Smith Input-Shaper Crane-Controller for Position Control and Sway Reduction. Applied Sciences. 2025; 15(5):2804. https://doi.org/10.3390/app15052804

Chicago/Turabian Style

Jolevski, Danijel, Ozren Bego, and Damir Jakus. 2025. "Modified Smith Input-Shaper Crane-Controller for Position Control and Sway Reduction" Applied Sciences 15, no. 5: 2804. https://doi.org/10.3390/app15052804

APA Style

Jolevski, D., Bego, O., & Jakus, D. (2025). Modified Smith Input-Shaper Crane-Controller for Position Control and Sway Reduction. Applied Sciences, 15(5), 2804. https://doi.org/10.3390/app15052804

Note that from the first issue of 2016, this journal uses article numbers instead of page numbers. See further details here.

Article Metrics

Back to TopTop