Next Article in Journal
An Improved Multi-UAV Area Coverage Path Planning Approach Based on Deep Q-Networks
Next Article in Special Issue
Explosion Characteristics and Lethality Degree Evaluation from Improvised Explosive Device (IED) Detonation in Urban Area: Case of the Cylindrical Geometry
Previous Article in Journal
Exploratory Research on the Potential of Human–AI Interaction for Mental Health: Building and Verifying an Experimental Environment Based on ChatGPT and Metaverse
Previous Article in Special Issue
Effect of Neighboring Hole Impacts on Inter-Hole Dynamic Presplitting Process with Consideration of Crack Width Variations
 
 
Font Type:
Arial Georgia Verdana
Font Size:
Aa Aa Aa
Line Spacing:
Column Width:
Background:
Article

Propagation Characteristics of Shock Waves and Distribution Features of Loads in T-Shaped Tunnels with Protected Door

1
School of Mechanical Engineering, Nanjing University of Science and Technology, Nanjing 210094, China
2
School of Safety Science and Engineering, Nanjing University of Science and Technology, Nanjing 210094, China
3
State Key Laboratory of Disaster Prevention and Mitigation of Explosion and Impact, Army Engineering University of PLA, Nanjing 210007, China
*
Author to whom correspondence should be addressed.
These authors contributed equally to this work.
Appl. Sci. 2025, 15(20), 11210; https://doi.org/10.3390/app152011210
Submission received: 11 September 2025 / Revised: 14 October 2025 / Accepted: 15 October 2025 / Published: 20 October 2025
(This article belongs to the Special Issue Advanced Blasting Technology for Mining)

Abstract

The study focuses on the T-shaped tunnel scenario with protective doors, performs explosion tests using aluminized explosives, and investigates the propagation patterns and loading characteristics of explosion shock waves in the straight tunnel, at the T-shaped junction, and within the semi-enclosed space in front of the protective door. It was observed that, in comparison to TNT explosives, the overpressure curve of aluminized explosives in the near-explosion zone exhibited a two- batch characteristic. The second batch presented the maximum overpressure peak. In contrast, in the far zone, the curve displayed a stable triangular waveform. In the main tunnel of the T-shaped opening with protective doors, it was found that the back blast surface located in front of the entrance to the main tunnel experienced the maximum momentum, which could be as high as 12 times greater than that of the reflection area on the blast-facing surface at the entrance of the main tunnel and the shock-wave pressure wave pattern can be divided into four batch. The regularities of each measurement point in multiple tests show consistency, highlighting the influence laws of the geometric structure on the wave pattern and load distribution. In addition, this paper integrates LS-DYNA numerical simulation with aerodynamics theory to reveal that shock waves generate expansion waves and oblique shock waves as they pass through the T-shaped opening. After two reflections off the main tunnel wall and the door, a stable propagation waveform is established. In addition, through dimensional analysis and in combination with the experimental results, the momentum at key positions was analyzed and predicted. This study offers a reference for the design of relevant engineering protection measures.

1. Introduction

With the rapid urbanization and expansion of cities, the availability of above-ground space is becoming increasingly constrained. To meet the escalating demands for energy and transportation [1], the development of underground transportation tunnels has seen substantial growth in recent years. Nevertheless, these tunnels are susceptible to a range of potential hazards, including accidental explosions [2] and terrorist attacks [3]. In this context, investigating the propagation mechanisms of shock waves and the characteristics of explosion loads within tunnels has become a crucial area of research.
At present, the research on the load response of tunnels under the action of explosion shock waves mainly focuses on studying the influence of the propagation distance of explosion shock waves in the tunnel [3,4] and the spatial structure of the tunnel itself [5], including factors such as the overall size of the tunnel [6], local structures [7,8,9], etc. In the relevant research on tunnel protection structures, it has been demonstrated that T-shaped tunnels can significantly reduce the peak load of shock waves compared to one-way tunnels. Recent studies have demonstrated that, in comparison to one-way tunnel, both the specific momentum and overpressure of a tunnel with a T-shaped structure are reduced by approximately 40% [10]. In addition, the phenomenon that the duration of the explosion shock wave increases often occurs in the semi-enclosed space of the tunnel. In the semi-enclosed environment of a tunnel, an explosion generates shock waves with a relatively prolonged duration, and the energy released is significantly greater than that of shorter-duration shock waves [11]. Furthermore, in tunnel with a T-shaped structure that equipped with protective doors, the peak pressure when the tunnel is sealed is approximately 1.5 times higher than when it remains unsealed [12].
Aluminum-containing explosives exhibit typical non-ideal detonation characteristics and are characterized by a relatively high heat of explosion and strong work capacity [13,14]. At present, experimental studies on the explosion of aluminized explosives in tunnels have shown that when such explosives detonate at the tunnel entrance, the afterburning reaction of aluminum powder within the explosive significantly increases the spatial extent of the high-temperature fireball and enhances the intensity of the shock wave [15]. The combination of shock-wave characteristics with subsequent combustion processes leads to variations in the explosive performance of aluminized explosives. The high-temperature duration during the explosion of aluminized explosives is 2 to 5 times longer than that of an equivalent amount of TNT [16]. Under open conditions, compared to TNT-based explosives, aluminized explosives exhibit a higher peak overpressure in the shock wave and a prolonged positive pressure duration. Additionally, the explosion fireball reaches a higher peak temperature and maintains elevated temperatures for a longer period, which effectively reduces the attenuation rate of shock-wave overpressure and results in more significant damage to concrete structures [17]. Furthermore, by conducting numerical simulations to compare the propagation characteristics of TNT and aluminized explosives in tunnels, it is evident that aluminized explosives exhibit greater destructive power. The tunnel structure imposes a significant constraining effect on the shock wave generated by these explosives. However, current research on aluminized explosive detonations within tunnels predominantly focuses on the detonation performance in the near zone, with limited attention given to the overpressure characteristics in the far zone and the load distribution in T-shaped opening spaces.
When investigating the propagation characteristics of shock waves, the academic community has developed a series of effective research methodologies. Some scholars have developed complex models using various numerical simulation methods to replicate real scenarios under specific conditions. These methods include commonly used techniques such as the Finite Element Method (FEM) [18], the Smoothed Particle Hydrodynamics–Finite Element Method (SPH-FEM) coupling approach [19], and Computational Fluid Dynamics (CFD) [20]. Some scholars have employed machine learning methods [21] to predict the effects of explosion shock waves on structures, leveraging data from existing literature. In addition, in the existing theoretical research, the Hopkinson-Cranz scaling law is commonly used to describe the scaling relationship between the parameters of the explosion shock wave (such as overpressure and impulse) and the cube root of the explosive equivalent. Meanwhile, in contemporary dimensional analysis, dimensionless parameters that adhere to this proportional relationship are typically considered as quantities with a dimension of unity. It is worth noting that the majority of existing studies rely on scaled-down models or simulation-based verification [6,22]. However, due to various constraints such as site availability and high costs, only a limited number of research projects have utilized large-scale tunnel models for explosion studies [23].
This paper carries out explosion experiments in a large-scale test channel to simulate real tunnel application scenarios, with a focus on investigating the propagation characteristics of shock waves in spaces with abrupt boundary changes. The experimental setup incorporates tunnel protective doors to more closely replicate actual tunnel conditions. By integrating test data curves, simulated pressure diagrams of shock-wave propagation, and the formation theory of expansion waves in aerodynamics, this study conducts an in-depth analysis of the influence of spatial constraints imposed by structures with protective doors on the loading characteristics within tunnels. Additionally, dimensional analysis of shock-wave propagation in T-shaped tunnels is performed. Based on the current experimental conditions, a predictive formula for the impulse exerted on the inner wall of the main tunnel is proposed.

2. Experiment

2.1. Experiment Design

As shown in Figure 1, an experiment on the propagation of shock waves in a tunnel with a T-shaped junction structure was designed. The tunnel consists of two parts: the straight tunnel and the main tunnel. In the experiment, the length of the straight tunnel is 30 m, the T-shaped junction of the main tunnel is located 20 m away from the straight tunnel, and the protective door is set at a position 5 m away from the T-shaped junction in the main tunnel. The strength grade of the concrete wall of this tunnel is C40, the cross-section is in a semi-circular arch shape, the radius of the circular arch is 0.9 m, the width is 1.8 m, and the total height is 2.7 m.
The pressure sensor measuring points for the straight tunnel test were installed on the sidewalls at distances of 2 m (A1), 4 m (A2), 8 m (A3), and 20 m (A4) from the entrance, as well as at the center of the ground 20 m from the entrance (A5). The pressure sensors in the main tunnel are installed as follows: at the cross-section 1 m away from the entrance of the main tunnel (B1–B3), on the sidewall of the back-blast surface 3 m from the entrance (B4), and on the sidewall of the front-blast surface 5 m from the entrance. In addition, five measuring points (C1–C5) are symmetrically arranged at specific locations on the protective door. Each measuring point operates with a data acquisition frequency of 1 MHz. The sensor used in this experiment are PCB pressure sensor 10113B28 (A1), 10113B27 (A2,A3) and 10113B21 (A4–A5,B1–B5,C1–C5). The sensitivity coefficients of the sensors are approximately15.489 mv/kPa, 7.692 mv/kPa and 3.662 mv/kPa, respectively.

2.2. Explosive Charge Design

The design of the explosion charge conditions is detailed in Table 1. The charge shape is a cylinder with an aspect ratio of 1:1, and the charge equivalents of the aluminized explosive are 0.5 kg and 1 kg, respectively. The explosion starting points are located at the entrance of the tunnel’s central axis (0 m) and 1 m inside the entrance (marked as −1 m), and both are 1.2 m away from the ground. Figure 2 shows the on-site layout of the charge under the Con1 condition.

3. Results and Discussion

3.1. Characteristics of Shock-Wave Load Curve in the Straight Tunnel

Under different working conditions, the contour of the overpressure time-history curve in a straight tunnel remains consistent. The arrival time of the shock wave at each measuring point is directly proportional to its distance from the tunnel entrance. Furthermore, due to the influence of aluminized explosives, the overpressure waveform in the straight tunnel exhibits markedly distinct characteristics near the explosion source compared to that of TNT. Relevant studies have demonstrated that the afterburning effect of aluminum powder primarily alters the shock-wave waveform within the near-explosion region [16].
Figure 3 illustrates the overpressure time history curve at measurement point A1. Due to the combustion of metal powder, the overpressure curve waveform is distinctly divided into two batches. In the first batch, the waveform exhibits a triangular shape, with pressure rising sharply to the first peak before rapidly declining. Under Condition 3 (Con3), the explosion center is located at −1 m, relatively close to the measurement point, causing the pressure to drop to negative values. In the second batch, the curve waveforms under Conditions 1 and 2 (Con1 and Con2) display multi-peak characteristics. The maximum overpressure peaks occur at the second peak of the first batch and the first peak of the second batch, with respective peak values of 235 kPa and 219 kPa. For Con3, the overpressure curve rises steeply to its peak and then declines sharply. The maximum overpressure peak occurs at the first peak of the second batch, with a peak value of 418.6 kPa.
The small figure in Figure 3 illustrates the overpressure time-history curve of the shock wave generated by TNT explosive at a distance of 3.75 m from the tunnel entrance [21]. A comparison reveals that, unlike the triangular waveform characteristic of the TNT explosive overpressure curve, the overpressure curve of aluminized explosives is distinctly divided into two batches. Notably, under all three working conditions, the overpressure peaks are located in the second batch. Furthermore, by comparing the second-batch curves of Con2 and Con3, it can be observed that the explosion of aluminized explosives generates two prominent triangular waves. During propagation, the triangular waves in the second batch evolve into rectangular waves with two distinct peaks.
Figure 4 presents the overpressure time-history curves of measuring points A2 through A5 in the straight tunnel. From the figure, it can be observed that the overpressure waveform of the shock wave propagating in the tunnel varies systematically with time.
At the A2 measurement point, the overpressure curves under the three working conditions exhibit triangular waveforms, with peak magnitudes of 228 kPa, 406 kPa, and 389 kPa, respectively. At this measurement point, the shock wave is influenced by the enclosed space of tunnel, resulting in multiple reflections off the wall surfaces. These reflections interact, leading to mutual superposition and interference. Consequently, at the A3 measurement point, the overpressure curve waveform displays characteristics of multiple peaks, an extended positive pressure duration, a reduced magnitude of the overpressure peak, and the maximum peak occurring at the final wave peak, followed by a continuous decrease in overpressure.
With the multiple reflections of the shock wave on the tunnel wall, the initially complex shock wave gradually evolves into a plane wave. According to existing studies, the distance required for the formation of a plane wave is approximately 3 to 5 times the equivalent roadway diameter [24].
The measuring points A4 and A5 are located on the cross-section 20 m from the tunnel entrance, and the waveforms at these measurement points exhibit regular triangular patterns. The A5 measuring point is located on the floor of the tunnel, near the main tunnel entrance. Under the three working conditions, the overpressure response was first detected at the A5 measuring point, followed by the response at the A4 measuring point. The overpressure curve at the A4 measurement point exhibits a triangular wave shape, characterized by a prolonged positive pressure duration and a lower peak overpressure compared to the A5 measurement point. As the shock wave propagates through the T-shaped junction into the main tunnel, the positive pressure duration at the A5 measurement point decreases substantially relative to that at A4. Furthermore, under all working conditions, the positive pressure duration remains below 0.4 ms.
By comparing the overpressure curves at measuring points A4 and A5 under various working conditions, it is evident that the variation pattern of the overpressure time-history curve remains consistent when the explosive shock wave from an aluminized explosive reaches the T-shaped port. Changes in the detonation point and equivalent properties only influence the arrival time and peak pressure of the shock wave at the distal end of the explosion channel. The first peak overpressure and the maximum peak overpressure at each measuring point for the shock wave of an aluminized explosive explosion propagating in a straight tunnel are presented in Figure 5. As the shock wave propagates through the straight tunnel, the overall peak overpressure of the shock wave continuously attenuates, the waveform of the overall overpressure curve progressively approaches a stable triangular shape, and the first peak and the maximum peak of the shock wave gradually converge. At measuring points A4 and A5, the first response peak corresponds to the maximum peak overpressure. The comparison of shock-wave arrival times under different working conditions is presented in Figure 6. The arrival time exhibits a linear relationship with the distance from the measurement point to the tunnel entrance, indicating that the variation in shock-wave propagation speed remains relatively small.
Figure 7 presents the curve graphs of momentum and positive pressure duration at each measuring point under three working conditions. By comparing the variation curves of momentum and positive pressure duration, it can be observed that the overall trends of the two curves are consistent. In conjunction with the feature shown in Figure 5, where the pressure peaks of each working condition continuously attenuate and converge as the shock wave propagates, it is evident that the positive pressure duration is the primary factor influencing the variation in impulse magnitude along the straight tunnel wall. The influence of the T-shaped junction results in a notable reduction in positive pressure duration at A5, which consequently leads to a significant decrease in the momentum.

3.2. Load Distribution Characteristics on Main Tunnel and Protective Door

The shock wave is influenced by the T-shaped junction, leading to complex reflection and diffraction phenomena. Although there are variations in charge equivalence and explosion center positions, the overpressure time-history curves for each condition in the T-shaped opening exhibit similar patterns.
In the main tunnel, B1, B2, and B3 are three measuring points at the same cross-section. The overpressure time-history curves of them are shown in Figure 8. According to the characteristics of the overpressure curves, the curves at the three measuring points can all be divided into four batches.
The waveform of the first batch at the B1 measurement point shows a gently varying rectangular shape, with the overpressure peak at the first wave crest. The second batch has a triangular waveform, and the maximum overpressure peak is observed at B1. The overpressure rises rapidly to its peak and then decreases continuously, approaching negative pressure. The third batch arrives with relatively low overall overpressure, showing a rectangular waveform with multiple peaks. The fourth batch also presents a rectangular waveform with multiple peaks.
The first batch of shock-wave overpressure curves at B2 exhibit waveform similarity to those at B1 but with a shorter positive pressure duration. The second batch displays a multi-peak rectangular waveform, with the maximum overpressure peak occurring at the first peak. The third batch consists of two triangular waveforms, with the overpressure peak also at the first peak.
The overpressure curve at B3 for the first shock-wave batch shows two distinct triangular peaks, with the maximum occurring at the first peak. The second batch presents an irregular multi-peak waveform, featuring three prominent peaks. The third batch displays a triangular waveform, with overpressure rising sharply to its peak before declining into negative pressure. The fourth batch exhibits multiple peaks, with the highest overpressure at the first peak.
By analyzing the curve characteristics of the first batch, it is evident that the overpressure waveforms at the three measuring points in the first batch exhibit multi-peak rectangular patterns, with the overpressure peak occurring at the first peak. The overall pressure variation is relatively smooth. By comparing the arrival times of the shock waves at each measuring point for the first batch (as shown in Figure 9), it can be observed that on the same section, the shock wave first reaches the B1 measuring point on the back blast surface, followed sequentially by the B2 and B3 measuring points. In contrast, for the second batch, the shock waves nearly simultaneously reach the B2 and B3 measuring points first, before subsequently reaching the B1 measuring point.
The third batch of shock waves initially arrived at B3, showing a triangular waveform. At B2, the peak pressure had decreased, and the waveform split into two distinct triangular components. By the time it reached B1, the peak pressure continued to decrease, forming an overall rectangular waveform with multiple peaks. In the fourth batch, the overpressure waveforms at all three measurement points were similar, characterized by rectangular waves with multiple peaks. Comparing the arrival times of the peaks at each point, it can be concluded that the overpressure response in the fourth batch resulted from the reflection of the shock wave at the protective door. The reflected shock waves from the door impacted B1, B2, and B3 nearly simultaneously, causing approximately equal impulses on both the wall and the ground.
Figure 10 illustrates the curves of peak overpressure and momentum for the four batches in Con1 (with similar patterns observed in Con2 and Con3). It is evident that the ranking of peak overpressure at each measuring point in the first batch, from highest to lowest, is: B3 > B2 > B1. At the B2 measuring point located midway along the tunnel, the momentum values for the first and second batches were significantly higher than those at the other two points due to the influence of the expansion wave. The maximum peak overpressure and momentum at the T-shaped opening both occurred in the second batch as a result of the reflected wave, with the maximum peak overpressure specifically recorded at the B3 measuring point on the blast-facing surface. In the third batch, the peak overpressure and momentum at each measuring point were relatively low, with negative momentum values indicating minimal shock-wave effects. Additionally, the peak overpressure and momentum caused by the reflected shock wave of the fourth batch, generated upon the closure of the protective door, exhibited similar magnitudes across all measuring points.
Since the main difference in the shock waves entering the T-shaped port under the three working conditions is the magnitude of the peak value, and the overall patterns are similar, the following analysis takes Con1 as an example to explore the shock-wave propagation laws and load characteristics of the three measuring points B3, B4, and B5 with the same spacing in the main tunnel.
Figure 11 presents the overpressure time-history curve at three measurement points. The green box line highlights the peak overpressure response due to shock-wave propagation along the tunnel direction, while the yellow box line indicates the peak overpressure response of the shock wave propagating along the protective door, influenced by the door’s presence. At the B4 measurement point on the back blast surface, the positive pressure duration is 30.36 ms, significantly higher than at the other two measurement points, and its overpressure curve exhibits a multi-peak characteristic. The B5 measurement point is located on the blast-facing wall near the protective door. Its overpressure curve shows two distinct wave peaks. The first wave peak is caused by the shock wave propagating along the tunnel, resulting in a triangular-shaped overpressure curve. The second wave peak is attributed to the shock wave propagating along the protective door. The maximum peak overpressure occurs at this second wave peak, and the overpressure curve also demonstrates a multi-peak characteristic.
Figure 12 illustrates the overpressure with arrival time curve at each measuring point under Condition 1. It is evident that, due to the influence of the enclosed space, the positive pressure duration at measuring point B4 on the back blast surface is significantly longer than at other points. Additionally, the maximum momentum in the main tunnel occurs at point B4. Furthermore, the momentum values within the enclosed space in front of the door are higher than those at the T-junction measuring points, and the positive pressure duration at point B5 is slightly greater than that at the T-junction measuring points.
The overpressure peaks and corresponding arrival times on the overpressure curves for each measuring point are presented in Figure 13. It is evident that the time intervals between the arrival times of shock waves propagating along the tunnel are relatively close, with an average interval of 4.93 ms. Furthermore, the overpressure peaks of the shock waves exhibit a decreasing trend during propagation. Notably, the peak value decreases sharply between measuring points B3 and B4, whereas it decreases gradually between B4 and B5. Additionally, the magnitudes of the peak value reduction during propagation between the same measuring points are consistent.
The curves of the symmetrical measuring points on the upper and lower parts of the protective door exhibit a similar pattern. Taking the C1, C2, and C3 measuring points under Condition 1 (Con1) as an example, the overpressure curve on the protective door is illustrated in Figure 13. Each measuring point on the protective door is influenced by a complex shock wave, resulting in an overpressure curve that exhibits characteristics of multiple peaks. The peak values of each wave crest are nearly identical, with the maximum overpressure peak reaching 85 kPa. The positive pressure duration of the overpressure curve on the door is consistent across all measuring points, approximately 25 ms. The originally independently propagating reflected waves superimpose at the protective door, leading to the formation of a multi-peak load characteristic. This results in the peak pressure on the protective door being higher than that on adjacent wall surfaces.
Figure 14 shows the comparison of momentum value at various measurement points on the central section of the main tunnel (point B4 is located on the reverse blasting surface). A4 and B2 have nearly the same momentum, with the momentum being around 285 N∙s. Additionally, each point on the door has a relatively similar momentum. Taking the impulse in the straight tunnel as the reference of A4, the impulse increase multiples of the other four points are, respectively, 0.0264 (A5), 1.0449 (B2), 11.935 (B4) and 2.26 (C3). It can be observed that due to the reflection from the tunnel walls and the protective doors, the shock wave concentrates its effect on the rear explosion surface within the tunnel. Compared to a straight tunnel, the momentum on the doors also significantly increases.

3.3. The Propagation of the Shock Wave at the T-Gate

Although the working conditions are different, the shock-wave load curves in the main tunnel exhibit similar patterns. Specifically, the shape of the overpressure curve at the same measuring point remains consistent, while the propagation law of the shock wave along the path can be clearly observed between different measuring points. To further investigate the propagation characteristics and process of the shock wave in the T-shaped main tunnel, this paper establishes a numerical model of the T-shaped tunnel using LS-DYNA numerical simulation technology.
The numerical model is designed to have the same dimensions as the experimental setup. In this model, the concrete tunnel, explosives, and air are all represented as three-dimensional solid elements. During the modeling process, the ALE algorithm is employed for both the explosives and air to enhance computational accuracy. The explosive is located at the entrance of the tunnel, 1.2 m below the ground level, and its explosive yield is 1 kg. To achieve more precise results, an obstacle-free air region is established at the tunnel entrance, with its boundaries defined as non-reflective to minimize interference. The detailed configuration of the model is presented in Figure 15 [8]. Among them, the tunnel model is a rigid body, the air grid is an ale grid, and the size of the air grid is 0.05 m [8]. The outer boundaries of all the boundaries are set as non-reflective boundaries.
Air was characterized as an ideal gas without viscosity, which was defined by MAT_NULL material and EOS state equation.
P = C 0 + C 1 μ + C 2 μ 2 + C 3 μ 3 + C 4 + μ + C 6 μ 2 E 0
where P is air pressure, C0~C6 are constants, μ is the rate of density change, and E0 is the energy in initial state. The detailed parameters of air were given in Table 2.
The explosive was defined by MAT_HIGH EXPLOSIVE BURN material and JWL state equation.
P c j = A 1 1 ω R 1 V e R 1 V + B 1 1 ω R 2 V e R 2 V + ω E 0 V
where Pcj is the pressure generated in explosion, E0 is the internal energy density, A, B, R1, R2 and ω are material constants [25]. The detailed parameters of explosive were given in Table 3.
The numerical model is mainly used to verify the analysis of shock-wave propagation at the T-shaped opening in this paper. As shown in Figure 16, at the wall measuring point of the curve 20 m away from the tunnel entrance, the peak values of the curves are close, and the variation laws are similar.
At present, in the research of aerodynamics, it is found that when the shock wave reaches the T-shaped junction, it will expand into the tunnel interior in a certain pattern. According to the expansion wave theory of supersonic airflow in aerodynamics [26], when supersonic airflow encounters a small external turning angle, it transitions from a high-pressure region to a low-pressure region. This transition causes the airflow to accelerate while experiencing a pressure drop, resulting in the formation of expansion waves. Each small turning angle on the various interfaces traversed by the supersonic airflow generates an associated expansion wave.
If the length of each external folding angle’s line segment is progressively reduced, in the limit case, all the external folding angles converge into a single corner with a larger angle. When supersonic airflow passes through this configuration, it generates a fan-shaped expansion wave region centered at the turning point, as illustrated in Figure 17. Through this fan-shaped area, the airflow velocity increases while both pressure and density decrease. Similarly, when a shock wave traverses the T-shaped opening, it is influenced by the blast-facing surface of the opening, causing the cross-sectional area of the tunnel to abruptly reduce. If the right-angle corner is divided into an infinite number of infinitesimal folding angles, the compression waves generated by each folding angle will have the same direction. In the limit case, after the shock wave passes through the right-angle corner, it propagates uniformly in the same direction, forming an oblique shock wave (as shown in Figure 17).
Based on the analysis of the numerical simulation pressure chart (Figure 18), in conjunction with experimental data and aerodynamic theory, it can be concluded that when the shock wave enters the T-shaped port space, an expansion wave is generated at the free interface and propagates inward toward the interior of the T-shaped port. Simultaneously, the shock wave within the straight tunnel continues to expand toward the main tunnel, forming a triangular wave front that propagates along the bottom of the T-shaped port. Subsequently, this wave front undergoes its first reflection on the blast-facing surface, generating a reflected wave with relatively high pressure. Additionally, due to the sudden contraction effect of the T-shaped port section, an oblique shock wave with a specific angle forms within the straight tunnel. This oblique shock wave superimposes with the triangular wave initially transmitted from the exit of the T-shaped port, and they propagate together forward along the corridor tunnel. In the main tunnel, as the reflected wave on the blast-facing surface propagates, it undergoes a second reflection on the blast-back surface and returns to the blast-facing surface again; however, no significant third reflection phenomenon is observed. Ultimately, as the shock waves gradually catch up with and superimpose upon one another, a red high-pressure planar region propagating along the tunnel gradually forms.
According to the load characteristics of shock waves at each batch measured at points B1, B2, and B3, in conjunction with the numerical simulation propagation contour map and aerodynamic theory, the formation mechanisms and propagation features of the shock-wave curve characteristics for different batches can be systematically analyzed and determined.
Based on the analysis of Figure 9 and Figure 10, when the shock wave initially enters the T-shaped opening, the expansion wave diffracts and reaches the back blast surface, subsequently propagating along it toward the interior of the tunnel. Given that the sensors are positioned 1 m away from the entrance section of the main tunnel, at the measurement point section, the expansion wave has already reached the back blast surface via diffraction. The peak overpressure of the first batch progressively decreases from B3 to B1, while the shock wave arrives at the B1 measurement point first, which aligns with the propagation characteristics of the expansion wave. It can thus be inferred that this shock wave corresponds to the expansion wave generated by the inward propagation of the shock wave in the straight tunnel as it interacts with the T-shaped opening. Based on the overpressure characteristics and arrival times of the second batch of shock waves, it is evident that these shock waves result from the reflection formed after the shock wave in the straight tunnel collides with the wall of the blast-facing surface. This reflected wave propagates outward spherically from the detonation point with a relatively high velocity. Consequently, the second batch of overpressure responses occur nearly simultaneously at the B2 and B3 measurement points, where they overlap with the expansion wave, leading to more intricate waveform curves.
In the experiments described in this paper, a semi-enclosed space was formed as a result of the protective door’s presence. The shock wave underwent successive reflections off the blast-facing surface, the back-blast surface, and the door itself. Notably, measuring point B4 was concurrently influenced by reflections from both the back-blast surface and the door, leading to the longest positive pressure duration and the highest impulse recorded at this specific location.

3.4. Prediction of Momentum at Measurement Points of Main Tunnel

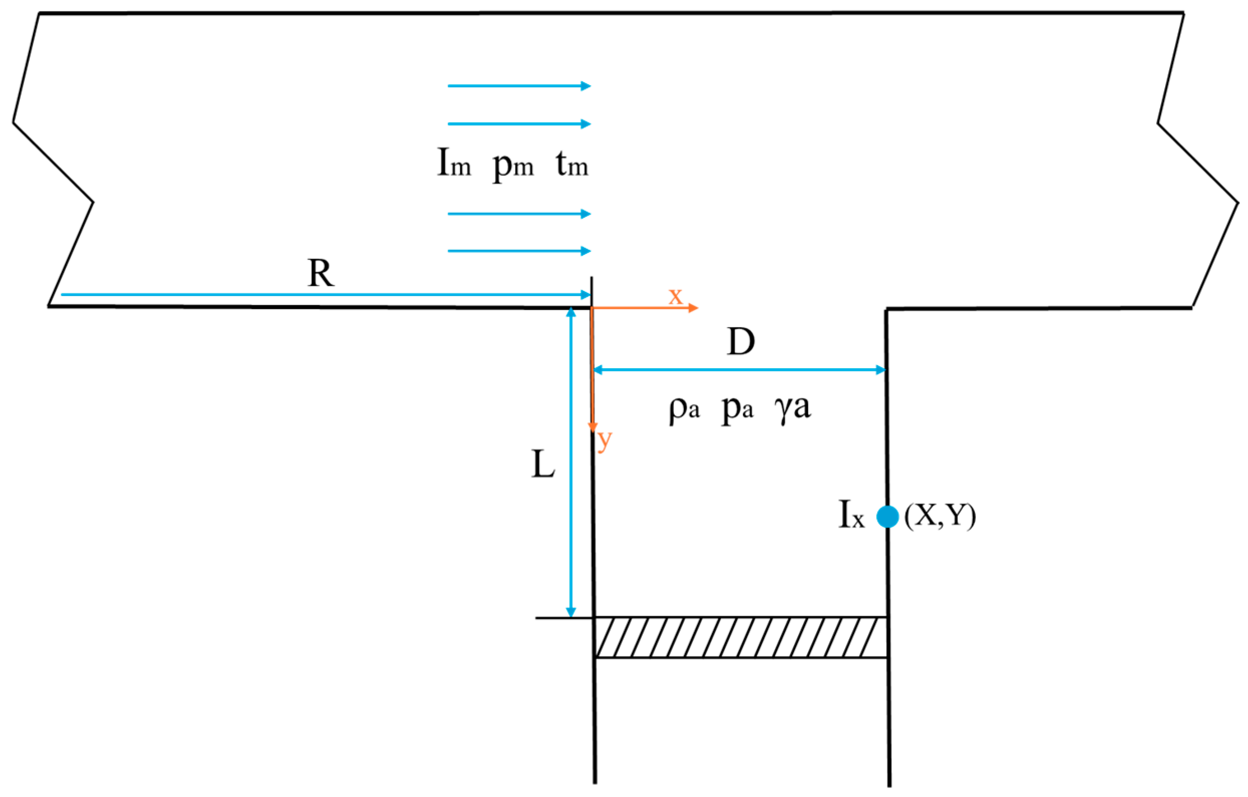
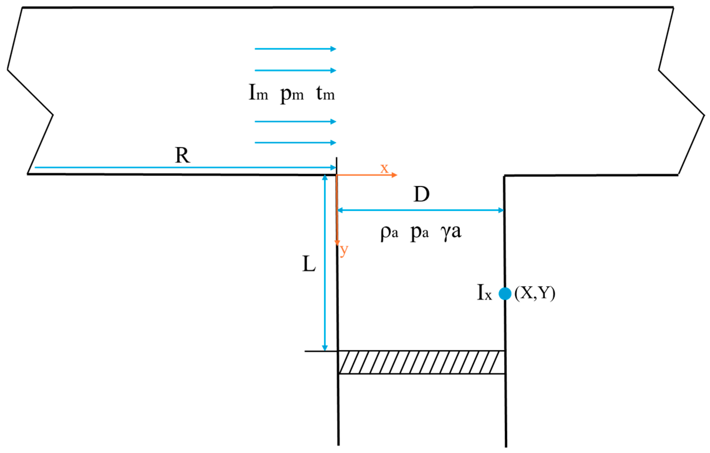
By comparing the impulse and peak value within the T-shaped opening, it can be found that the impulse is the main factor for evaluating the degree of the shock wave’s effect on the inner wall surface of the main tunnel. A dimensional analysis was conducted on the physical model of the T-shaped tunnel with a protective door (as shown in Figure 19). Ignoring the influence of the size and shape of the explosive, the tunnel and the protective door were assumed to be rigid bodies. The width of the T-shaped opening was D, and the distance from the tunnel door to the opening of the T-shaped opening was L.
Considering the equivalent of the explosive, the proportional distance between the T-junction and the entrance of the tunnel is R ¯ . It is assumed that the distance from the T-junction to the entrance of the tunnel is sufficient for the shock wave to form a stable triangular plate. Suppose the shock-wave pressure entering the T-junction is p m , the positive pressure action time is t m , the initial density of the air in the T-junction is ρ a , and the initial pressure is p a . The propagation of the shock wave is regarded as an adiabatic process, and the adiabatic coefficient of the air is γ a .
Let the impulse of the shock wave entering the T-shaped port be I m , the peak overpressure be p m , the positive pressure duration be t m , and the coordinates of a point on the inner wall surface of the T-shaped port be X and Y. The impulse at this point is I x . Ignore the influence of the tunnel cross-sectional shape.
The main determining parameter group of this problem is p m , t m , I m , D, L, X, Y, ρ a , p a , γ a , R ¯ . The impulse at a point on the inner wall of the T-shaped port can be expressed as the following functional relationship.
I m = f ( p m , t m , D , L , X , Y , ρ a , p a , γ a , R ¯ )
Using the L-T-M measurement unit system, according to the Π theorem, taking the independent dimensional quantities as p m , I m , and R ¯ , the following dimensionless combinations can be determined from the main parameter group:
1 = ρ a I m R ¯ 3 2 = p a p m 3 = D p m 1 / 6 I ¯ m 1 / 2 R ¯ 1 / 2 4 = L p m 1 / 6 I ¯ m 1 / 2 R ¯ 1 / 2 5 = X p m 1 / 6 I ¯ m 1 / 2 R ¯ 1 / 2 6 = Y p m 1 / 6 I ¯ m 1 / 2 R ¯ 1 / 2 7 = t m p m 1 / 3 R ¯ I = I x I m
After rearranging and simplifying Equation (4) and substituting it into Equation (3), the dimensionless functional expression for the impulse can be derived as follows.
I x I m = f ( X D , Y D , p a p m , t m p m 1 / 3 R ¯ , ρ a I m R ¯ 3 )
The following will substitute the reference values into the above formula, conduct operations and parameter traversals using code, and provide reference suggestions for engineering applications.
Based on the analysis and prediction with the parameters of this test model, under the fixed test conditions, when the proportional distance R ¯ is constant, the parameters p m , t m and I m at the entrance of the T-shaped port remain unchanged. Meanwhile, the shock wave propagates in the same medium (air), and ρ a and p a remain unchanged. Considering the practical application and convenience, let p m = 1, t m = 1, I m = 1, ρ a = 1, and p a = 1, to obtain the simplified engineering model of the shock-wave impulse on the inner wall surface of the tunnel T-shaped port:
I x I m = f ( X D , Y D , R ¯ )
When organizing the form of a function by experimental methods, an exponential relationship form can often be adopted in a certain range of the independent variable. Suppose the variable has the following relationship:
I x I m = A ( X D ) α ( Y D ) β R ¯ γ
Among them, A is a constant.
Based on the 13 sets of impulse data in the T-shaped tunnel, the parameters of each working condition are brought in, ensuring that A is a constant, and the two points (B3, B4) with the highest peak and the largest impulse in Con3 are verified.
The parameters A, α, β, and γ are obtained after screening in a traversal manner as shown in Table 4:
Under this parameter, the comparison of the predicted and actual impulse values of measuring points B3 and B4 is shown in Table 5. This formula is applicable for the excessive volume prediction of the internal space when a protective door is installed in a T-shaped oral cavity. However, due to the limitations of this experiment, this model is established in a circular arch-shaped tunnel with a width of 1.2 m. Considering the multiple reflection phenomena of shock waves within the tunnel, when using this formula, it is necessary to make further corrections based on the actual width of the tunnel.
I x I m = 0.0075 ( X D ) 0.60 ( Y D ) 1.65 R ¯ 2.00

4. Conclusions

This paper conducted an explosion test in a T-shaped tunnel equipped with protective doors and investigated the propagation patterns and loading characteristics of the shock wave generated by the detonation of aluminized explosives. Specifically, the analysis focused on the behavior of the shock wave at the T-shaped junction and within the semi-enclosed space in front of the protective door. The primary conclusions are summarized as follows:
  • Compared to TNT explosives, the overpressure curve of aluminized explosives in the near-explosion zone has two distinct stages, with the maximum overpressure peak on the second stage. In the far explosion zone, the shock-wave overpressure waveform is a stable triangular shape.
  • The propagation of blast-induced shock waves in a T-shaped tunnel exhibits consistent patterns across four distinct batches, shaped by reflections and diffractions. The regularities of each measurement point in multiple tests show consistency, highlighting the influence laws of the geometric structure on the wave pattern and load distribution.
  • In the main tunnel of the T-shaped junction with a protective door, the maximum momentum occurs on the back-blast surface in front of the door. Due to the reflection of the shock wave from both the main tunnel wall and the door, the momentum measured on the back-blast surface in front of the door can be up to 12 times higher than that in the reflected area at the entrance of the main tunnel’s blast-facing surface.
  • When the shock wave traverses the T-shaped junction, expansion waves and oblique shock waves are generated. Following two distinct reflections in the main tunnel, a stable waveform propagating along the tunnel is established. On the overpressure waveforms at each measuring point in the main tunnel, relatively smooth rectangular waves, triangular waves, and multi-peak waves are observed. Based on differences in waveform characteristics and arrival times, the curves can be categorized into multiple groups.
  • This paper presents a dimensional analysis method for evaluating impulse at critical measurement points in the main tunnel and predicts impulse parameters under the conditions of this test. This study offers a reference for the design of relevant engineering protection measures.

Author Contributions

Conceptualization, Z.W. and H.L.; methodology, L.P. and H.L.; software, H.L. and L.P.; validation, L.P.; formal analysis, Z.W. and G.Z.; investigation, L.P. and H.L.; resources, Z.W. and F.G.; data curation, H.L. and Z.W.; writing—original draft preparation, L.P.; writing—review and editing, H.L. and Z.W.; visualization, L.P. and H.L.; supervision, Z.W., G.Z. and S.S.; project administration, H.L. and Z.W.; funding acquisition, Z.W. All authors have read and agreed to the published version of the manuscript.

Funding

National Natural Science Foundation of China: 52422808; National Natural Science Foundation of China: 52378401; National Natural Science Foundation of China: 12202494.

Institutional Review Board Statement

Not applicable.

Informed Consent Statement

Not applicable.

Data Availability Statement

The data that support the findings of this study are not openly available due to reasons of sensitivity and are available from the corresponding author upon reasonable request.

Conflicts of Interest

The authors declare no conflict of interest.

References

  1. Yan, Q.; Zhang, Y.; Sun, Q. Characteristic study on gas blast loadings in an urban utility tunnel. J. Perform. Constr. Facil. 2020, 34, 04020076. [Google Scholar] [CrossRef]
  2. Chen, C.; Li, C.; Reniers, G.; Yang, F. Safety and security of oil and gas pipeline transportation: A systematic analysis of research trends and future needs using WoS. J. Clean. Prod. 2021, 279, 123583. [Google Scholar] [CrossRef]
  3. Silvestrini, M.; Genova, B.; Trujillo, F.L. Energy concentration factor: A simple concept for the prediction of blast propagation in partially confined geometries. J. Loss Prev. Process. Ind. 2009, 22, 449–454. [Google Scholar] [CrossRef]
  4. Benselama, A.M.; William-Louis, M.J.-P.; Monnoyer, F.; Proust, C. A numerical study of the evolution of the blast wave shape in tunnels. J. Hazard. Mater. 2010, 181, 609–616. [Google Scholar] [CrossRef] [PubMed]
  5. Igra, O.; Falcovitz, J.; Houas, L.; Jourdan, G. Review of methods to attenuate shock/blast waves. Prog. Aerosp. Sci. 2013, 58, 1–35. [Google Scholar] [CrossRef]
  6. Chen, D.; Wu, C.; Li, J.; Liao, K. An overpressure-time history model of methane-air explosion in tunnel-shape space. J. Loss Prev. Process. Ind. 2023, 82, 105004. [Google Scholar] [CrossRef]
  7. Li, H.; Wu, H.; Wang, Z.; Zhang, G.; Li, J.; Zhou, H.; Wang, M.; He, Y. Experimental and numerical simulation of the propagation law of shock waves in corrugated steel-lined tunnels. Process Saf. Environ. Prot. 2022, 168, 1019–1030. [Google Scholar] [CrossRef]
  8. Seitz, M.W.; Skews, B.W. Effect of Compressible Foam Properties on Pressure Amplification During Shock Wave Impact. Shock Waves 2006, 15, 177–197. [Google Scholar] [CrossRef]
  9. Chen, T.; Tao, X.; Li, H.; Zeng, D.; Zhang, S.; Yin, S.; Zhang, Y. Engineering Calculation Method of Explosion Effect Inside Partial Confined Tunnel Structure. Trans. Beijing Inst. Technol. 2024, 44, 588–596. [Google Scholar] [CrossRef]
  10. Gao, C.; Kong, X.; Fang, Q. Experimental and numerical investigation on the attenuation of blast waves in concrete induced by cylindrical charge explosion. Int. J. Impact Eng. 2023, 174, 104491. [Google Scholar] [CrossRef]
  11. Ji, Y.; Zhang, G.; Li, G.; Deng, S.; Xu, T.; Yao, J.; Li, J.; Wang, M.; He, Y. Attenuation characteristics and mechanism of explosion shock wave generated by thermobaric explosive in L-shaped and gallery tunnels. Acta Armamentarii 2023, 44, 26–40. [Google Scholar]
  12. Lilley, S. Kiloton Killer; NASA Safety Center: Cleveland, OH, USA, 2013; pp. 1–5. [Google Scholar]
  13. Davis, S.; DeBold, T.; Marsegan, C. Investigation findings and lessons learned in the West Fertilizer explosion. J. Fire Sci. 2017, 35, 379–395. [Google Scholar] [CrossRef]
  14. Hang, Y. Study on Non-Ideal Detonation Behavior of Aluminum-Containing Explosives; China Academy of Engineering Physics, Beijing Graduate School: Beijing, China, 2002. [Google Scholar]
  15. Ji, Y.G.; He, Y.; Tan, Y.Z. Thermal effect and shock wave evolution of thermobaric explosive under explosion conditions near tunnel entrance. Chin. J. Energetic Mater. 2024, 32, 1287–1297. [Google Scholar]
  16. Ji, Y.; Zhang, G.; Li, G.; Deng, S.; Yao, J.; Li, J.; Wang, M.; He, Y. Explosion characteristics of thermobaric explosive (TBX) detonated inside a tunnel and the related influential factors. Explos. Shock Waves 2024, 44, 032301. [Google Scholar] [CrossRef]
  17. Ji, Y.; He, Y.; Tan, Y.; Li, J.; Shao, L.; Zhang, J.; Zhang, G.; Li, G. Evolution laws of the thermal effect and shock wave generated by explosion of thermobaric explosive (TBX) around the tunnel entrance. Chin. J. Energetic Mater. 2024, 32, 2024207. [Google Scholar] [CrossRef]
  18. De, A. Numerical simulation of surface explosions over dry, cohesionless soil. Comput. Geotech. 2012, 43, 72–79. [Google Scholar] [CrossRef]
  19. Koneshwaran, S.; Thambiratnam, D.P.; Gallage, C. Blast response of segmented bored tunnel using coupled SPH–FE method. Structures 2015, 2, 58–71. [Google Scholar] [CrossRef]
  20. Tolias, I.C.; Venetsanos, A.G.; Markatos, N.; Kiranoudis, C.T. CFD modeling of hydrogen deflagration in a tunnel. Int. J. Hydrogen Energy 2014, 39, 20538–20546. [Google Scholar] [CrossRef]
  21. Widanage, C.; Mohotti, D.; Lee, C.K.; Wijesooriya, K.; Meddage, D.P.P. Use of explainable machine learning models in blast load prediction. Eng. Struct. 2024, 312, 118271. [Google Scholar] [CrossRef]
  22. Fu, G.; Wang, J.; Yan, M. Anatomy of Tianjin Port fire and explosion: Process and causes. Process Saf. Prog. 2016, 35, 216–220. [Google Scholar] [CrossRef]
  23. Zhang, Y.; Wang, S.; Yuan, J.; Zhang, J.; Li, S. Experimental study on the propagation law of blast waves in a square tunnel. Chin. J. Energetic Mater. 2020, 28, 46–51. [Google Scholar]
  24. Marty, A.; Daniel, E.; Massoni, J.; Biamino, L.; Houas, L.; Leriche, D.; Jourdan, G. Experimental and numerical investigations of shock wave propagation through a bifurcation. Shock Waves 2019, 29, 285–296. [Google Scholar] [CrossRef]
  25. Wu, W.; Gao, G.; Han, Z.; Wang, Z.; Yuan, X.; He, Y. Theoretical and numerical study on blast wave propagation and afterburning effect of thermobaric explosives. J. Nanjing Univ. Sci. Technol. 2023, 47, 468–485. [Google Scholar] [CrossRef]
  26. Pan, J.X. Fundamentals of Aerodynamics (Revised Edition); National Defense Industry Press: Mianyang, China, 1989; Volume 1, pp. 41–50. [Google Scholar]
Figure 1. Tunnel parameters and sensor measuring point arrangement.
Figure 1. Tunnel parameters and sensor measuring point arrangement.
Applsci 15 11210 g001
Figure 2. Loading explosives.
Figure 2. Loading explosives.
Applsci 15 11210 g002
Figure 3. Overpressure of A1.
Figure 3. Overpressure of A1.
Applsci 15 11210 g003
Figure 4. Overpressure of A2 to A5.
Figure 4. Overpressure of A2 to A5.
Applsci 15 11210 g004
Figure 5. Peak overpressure of each measure point.
Figure 5. Peak overpressure of each measure point.
Applsci 15 11210 g005
Figure 6. Arrival time of each measure point.
Figure 6. Arrival time of each measure point.
Applsci 15 11210 g006
Figure 7. Momentum and duration time of each measure point.
Figure 7. Momentum and duration time of each measure point.
Applsci 15 11210 g007
Figure 8. Overpressure of B1, B2 and B3.
Figure 8. Overpressure of B1, B2 and B3.
Applsci 15 11210 g008
Figure 9. Arrival time of each batch.
Figure 9. Arrival time of each batch.
Applsci 15 11210 g009
Figure 10. Peak value and impulse of each batch.
Figure 10. Peak value and impulse of each batch.
Applsci 15 11210 g010
Figure 11. Overpressure of B3, B4 and B5.
Figure 11. Overpressure of B3, B4 and B5.
Applsci 15 11210 g011
Figure 12. Peak overpressure with arrival time.
Figure 12. Peak overpressure with arrival time.
Applsci 15 11210 g012
Figure 13. Overpressure on the protective door.
Figure 13. Overpressure on the protective door.
Applsci 15 11210 g013
Figure 14. Momentum in Main Tunnel.
Figure 14. Momentum in Main Tunnel.
Applsci 15 11210 g014
Figure 15. Numerical simulation model.
Figure 15. Numerical simulation model.
Applsci 15 11210 g015
Figure 16. Model accuracy verification.
Figure 16. Model accuracy verification.
Applsci 15 11210 g016
Figure 17. Schematic diagram of expansion wave and oblique shock wave.
Figure 17. Schematic diagram of expansion wave and oblique shock wave.
Applsci 15 11210 g017
Figure 18. Simulation pressure chart.
Figure 18. Simulation pressure chart.
Applsci 15 11210 g018
Figure 19. Physical model.
Figure 19. Physical model.
Applsci 15 11210 g019
Table 1. Working condition.
Table 1. Working condition.
ConditionType of ExplosiveEquivalent (kg)Initiation Position
Con1Aluminized explosive0.50 m
Con21.00 m
Con31.0−1 m
Ps: −1 m indicates 1 m inside the tunnel entrance, 0 m indicates the tunnel entrance.
Table 2. Parameters for air.
Table 2. Parameters for air.
ρ/(kg/cm−3)V0E0/(KJ∙kg−1)γ
1.2931.02.068 × 1051.4
Table 3. Parameters for explosive.
Table 3. Parameters for explosive.
E0/(GPa)ρ/(g∙cm−3)A/GPaB/GPaωR1R2
9.41.590989.08511.120.3965.1671.046
Table 4. Parameter prediction results.
Table 4. Parameter prediction results.
Aαβγ
0.0075−0.601.652.00
Table 5. Comparison between the experimental and the predicted results.
Table 5. Comparison between the experimental and the predicted results.
Measure PointMomentum of ExperienceMomentum of PredictionMargin
3-B3334.89337.69−2.80
3-B44011.563999.8711.69
Disclaimer/Publisher’s Note: The statements, opinions and data contained in all publications are solely those of the individual author(s) and contributor(s) and not of MDPI and/or the editor(s). MDPI and/or the editor(s) disclaim responsibility for any injury to people or property resulting from any ideas, methods, instructions or products referred to in the content.

Share and Cite

MDPI and ACS Style

Pei, L.; Li, H.; Wang, Z.; Zhang, G.; Gao, F.; Sun, S. Propagation Characteristics of Shock Waves and Distribution Features of Loads in T-Shaped Tunnels with Protected Door. Appl. Sci. 2025, 15, 11210. https://doi.org/10.3390/app152011210

AMA Style

Pei L, Li H, Wang Z, Zhang G, Gao F, Sun S. Propagation Characteristics of Shock Waves and Distribution Features of Loads in T-Shaped Tunnels with Protected Door. Applied Sciences. 2025; 15(20):11210. https://doi.org/10.3390/app152011210

Chicago/Turabian Style

Pei, Lufeng, Hujun Li, Zhen Wang, Guokai Zhang, Fei Gao, and Song Sun. 2025. "Propagation Characteristics of Shock Waves and Distribution Features of Loads in T-Shaped Tunnels with Protected Door" Applied Sciences 15, no. 20: 11210. https://doi.org/10.3390/app152011210

APA Style

Pei, L., Li, H., Wang, Z., Zhang, G., Gao, F., & Sun, S. (2025). Propagation Characteristics of Shock Waves and Distribution Features of Loads in T-Shaped Tunnels with Protected Door. Applied Sciences, 15(20), 11210. https://doi.org/10.3390/app152011210

Note that from the first issue of 2016, this journal uses article numbers instead of page numbers. See further details here.

Article Metrics

Back to TopTop