Next Article in Journal
Exploring the Effectiveness of Shallow and L2 Learner-Suitable Textual Features for Supervised and Unsupervised Sentence-Based Readability Assessment
Previous Article in Journal
Design and Implementation of an Interactive Question-Answering System with Retrieval-Augmented Generation for Personalized Databases
 
 
Font Type:
Arial Georgia Verdana
Font Size:
Aa Aa Aa
Line Spacing:
Column Width:
Background:
Article

Induction Coil Design Considerations for High-Frequency Domestic Cooktops

Department of Electrical Engineering, Yildiz Technical University, Istanbul 34710, Turkey
*
Author to whom correspondence should be addressed.
Appl. Sci. 2024, 14(17), 7996; https://doi.org/10.3390/app14177996
Submission received: 20 July 2024 / Revised: 2 September 2024 / Accepted: 3 September 2024 / Published: 7 September 2024
(This article belongs to the Section Electrical, Electronics and Communications Engineering)

Abstract

The use of wide band gap (WBG) semiconductor switches in power converters is increasing day by day due to their superior chemical and physical properties, such as electrical field strength, drift speed, and thermal conductivity. These new-generation power switches offer advantages over traditional induction cooker systems, such as fast and environmentally friendly heating. The size of passive components can be reduced, and the decreasing inductance value of induction coils and capacitors with low ESR (equivalent series resistance) values contributes to total efficiency. Other design parameters, such as passive components with lower values, heatsinks with low volumes, cooling fans with low power, and induction coils with fewer turns, can offset the cost of WBG power devices. High-frequency operation can also be effective in heating non-ferromagnetic materials like aluminum and copper, making them suitable for heating these types of pans without complex induction coil and power converter designs. However, the use of these new generation power switches necessitates a re-examination of induction coil design. High switching frequency leads to a high resonance frequency in the power converter, which requires lower-value passive components compared to conventional cookers. The most important component is the induction coil, which requires fewer turns and magnetic cores. This study examines the induction heating equivalent circuit, discusses the general structure and design parameters of the induction coil, and performs FEM (finite element method) analyses using Ansys Maxwell. The results show that the induction coil inductance value in new-generation cookers decreases by 80% compared to traditional cookers, and the number of windings and magnetic cores decreases by 50%. These analyses, performed for high-power applications, are also performed for low-power applications. While the inductance value of the induction coil is 90 μH at low frequencies, it is reduced to the range of 5 μH to 20 μH at high frequencies. The number of windings is reduced by half or a quarter. The new-generation cooker system experimentally verifies the coil design based on the parameters derived from the analysis.

1. Introduction

Domestic induction cookers, whose basic operating principle is based on Faraday’s law, have been a subject of interest for a long time due to the rapid heating, high efficiency, functionality, hygiene, and safety they provide, as well as low carbon emissions, which are of great importance today. The high-frequency magnetic field produced by means of a power converter and induction coil induces eddy currents on the bottom of the pot and manifests itself as heat with the help of the skin effect [1,2].
Conventional domestic induction cookers use Si-based IGBTs as a power semiconductor due to their low saturation voltages and moderate switching performance. Si-MOSFET, which could be used at (600–650) V voltage level, shows quite a high equivalent resistance ( R DS on ) . The resonance frequency of these designs ranges from 18 kHz to 50 kHz because of the limited switching characteristics of Si-based IGBTs at the turn-off. Low-switching frequency causes bulkier passive components such as resonance capacitors and induction coils [3,4,5,6,7,8,9].
WBG power semiconductors are gaining more and more ground in modern domestic induction heating applications. These new-generation power semiconductors have superior switching performance and reasonable on-state resistance compared to their Si-based counterparts [10,11,12]. Electric field strength is directly related to the thickness of the semiconductor layers used. The higher the electric field strength of the material, the thinner the layer will be used. Thus, the equivalent resistance (RDSon) formed in the drift region decreases and the conduction loss decreases. In addition, the thinning of the layers used will have a positive effect on the switching speed; therefore, the switching losses will also decrease. The average speed gained by the electrons in the electric field is defined as drift speed. This parameter is directly related to the switching speed. The higher this value is, the higher the speed at which the power semiconductor can switch. Thermal conductivity is a very critical feature for power converters. To design the cooling system and increase the power density of the circuit, the semiconductor is expected to have very good thermal conductivity. Better thermal conductivity leads to the design of more compact package cases at the same power level. For this reason, there are many studies on their use in domestic induction heating applications [13,14,15,16,17,18,19].
However, these switches, which provide a very high switching frequency capacity, require different induction coil designs than traditional domestic induction cookers. The induction coil is a very critical component as it directly affects the maximum value of the power to be transferred, efficiency, and cost. There are some important points to consider in coil design [20,21,22,23].
The first point to consider is the skin effect, which is the uneven distribution of the current density of a conductor through which an alternating current flows (see Section 3.1). Therefore, the resistance seen under DC current (RDC) and the resistance seen under AC current (RAC) is different. The resistance seen under AC current is higher. The second point is the proximity effect, which is the disruption of current distributions as a result of the magnetic fields created by two conductors carrying current in the same or opposite directions affecting each other (see Section 3.2). Since the high-frequency alternating current produced in induction heating systems is passed through the induction coil to produce a magnetic field, additional precautions must be taken to minimize copper losses (I2R) that will occur on the induction coil. The most basic precaution to be taken for the induction coil is to produce the coil with litz wire. Thanks to the litz wire, the surface area where the current flows is increased, thus reducing the winding resistance that will occur. The proximity effect increases as the distance between the conductors decreases and the operating frequency increases. To prevent this, some precautions can be taken in the coil design. The first of these is to increase the distance between the windings by placing the windings in a plastic carcass. This method reduces the proximity effect while increasing the coil cost. Another precaution is to reduce the coil wire diameter and increase the number of wires. This approach requires the creation of more complex litz wire structures, which in turn necessitates an appropriate production capability to produce these types of coils [24,25,26].
Magnetic cores are used in induction coils to obtain the target inductance and coupling. These magnetic cores are exposed to higher speeds of magnetic field changes with increasing switching frequencies. Core losses in magnetic materials are proportional to the magnetic field change and frequency. While the magnetic cores used in conventional induction coils are used between approximately 20 kHz and 50 kHz, the switching frequency is expected to be above 100 kHz in designs made with new-generation switches. For this reason, the high-frequency characteristics of the cores to be used must be of much better quality. However, this situation creates a disadvantage in terms of cost.
The third point to consider is the appropriate power transfer. To transfer the required power at the desired switching frequency in the system, the parameters of the resonance tank must be tuned very well. For this reason, the equivalent resistance and inductance values created by the induction coil and pot equivalent circuit must be adjusted precisely. Otherwise, transferring power with high losses at high switching frequencies will reduce product performance and cause thermal design difficulties.
In addition to design difficulties, high switching speeds also offer several advantages over conventional designs. As the frequency increases, the skin effect on the metal increases. As the skin effect increases, the surface resistance increases, thus making it possible to heat metals that do not respond to magnetic fields without the need for complex and expensive induction coil structures. While some studies suggest costly and complex coil structures to heat these types of pots, others increase the switching frequency by changing the power circuit. However, with the arrival of the WBG switch, direct heating is possible without the need for conventional methods [27,28]. Another advantage of the increased surface resistance is that it allows the installation of systems with lower magnetic coupling. Thus, a design can be made using a lower number of windings and a magnetic core. This provides great benefits in terms of cost and efficiency.
In this study, coil design in domestic induction cookers with high switching frequencies is discussed. The positive and negative effects of operating at high-frequency levels on the induction coil are assessed. Designs and analyses for both high-power and low-power systems are included. The point to be considered in coil design is core losses. Since core loss increases at high frequencies and the induction ambient temperature is very high, magnetic saturation may occur. Therefore, magnetic cores suitable for high frequencies should be preferred. Since the skin effect that will occur in the coil windings will increase because of the high frequency, copper losses that will occur in the coil will increase. This situation has a negative effect on efficiency and power transfer. Therefore, each conductor of the litz wire should be selected with a lower cross-section. The number of conductors will be increased when the conductor diameter is reduced. Thus, the desired load current can be carried in a healthy way. However, this approach increases coil labor and production costs. Here, the number of cores can be reduced together with the decrease in the number of turns. Reducing the number of cores and reducing the number of turns is quite advantageous in terms of cost. The magnetic dependence between the pot and the coil decreases considerably due to the decrease in the number of cores and reducing the number of turns. To transfer the desired power to the load in the most efficient manner, the equivalent resistance must be increased. Most of the studies on this subject focus on PCB (printed circuit board) coils with low power ratings. This study was carried out to contribute to the literature by bringing a perspective high-frequency and high-power coil design with the use of new-generation switches in induction heating systems.
The main objectives of this research can be summarized as follows:
-
Induction furnaces operating at high and low power were analyzed and designed simultaneously to extract their general advantages and disadvantages.
-
Coil designs were made at different frequencies and power values and used in the induction furnace system.
-
Differences in induction coil designs used in Full-Flexi, All-Metal, and Standard induction furnaces are discussed in detail. Coils on which FEM analyses were performed were implemented and tested.
-
The effect of using GaN HEMT power switches from Infineon (formerly GaN Systems), Germany on high-frequency induction coils in domestic induction furnaces is discussed in detail.

2. Equivalent Circuit of Induction Heating

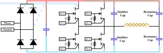
Domestic induction cooking systems basically consist of a power converter, which produces high-frequency oscillating voltage, and induction coils. An induction coil produces a magnetic field due to the high-frequency current flowing through it. This changing magnetic field induces eddy currents at the base of the ferromagnetic pan. The basic structure of a domestic induction cooking system is shown in Figure 1.
In Figure 1, a full-bridge rectifier is used to obtain DC voltage from the AC network. An IGBT (insulated gate bipolar transistor) is used as a semiconductor power switch. The switches are positioned in a half-bridge configuration. ‘HS IGBT’ represents the upper switch, while ‘LS IGBT’ represents the lower switch. ‘Snubber Cap’ represents the film capacitor used in the passive snubber cell. In contrast, ‘Resonance Cap’ represents the resonance capacitors used to create high-frequency sinusoidal oscillation, and film capacitors are generally preferred. A ‘DC Bus Cap’ capacitor is used to suppress high-frequency noises that will occur in the rectified AC voltage, and low-value (3–5 μF) film capacitors are preferred.
When industrial and domestic induction heating systems are analyzed, the pan-induction coil structure is modeled as an equivalent series inductance and resistance. In the literature, induction heating systems are modeled as magnetically coupled circuits. The primary side consists of a power circuit and a resonance tank. The power circuit applies a square wave to the resonance tank. The fundamental harmonic of this voltage is calculated by using the first harmonic approximation method. The resonance tank consists of an equivalent resonance capacitor and an induction coil. The secondary side consists of the inductance and resistance of the pot used. The electrical equivalent circuits are shown in Figure 2.
Vpri voltage is the first harmonic component of the switching node voltage, as shown in Figure 3. It is produced by rectifying the main voltage after it is modulated by the half-bridge converter. This modulated voltage is directly applied to the resonant tank, which consists of Ceq and Lcoil.
The capacitor Ceq represents the equivalent of the resonant capacitors used in the power converter. The inductance Lcoil represents the inductance value of the induction coil used, while the inductance Lpan represents the inductance of the pot used. The resistance Rpan represents the resistance of the pot used. The current on the primary side is represented as Icoil, while the current induced in the pot base is represented as Ipan. The mutual inductance in these two magnetically coupled circuits is represented as M.
The primary and secondary side circuit equations are shown in (1) and (2), respectively.
V pri + Z pri I rpi + j ω L pri I pri   j ω M I sec = 0
Z sec I sec + j ω L sec I sec   j ω M I pri = 0
To analyze the circuit, secondary side impedances are reduced to the primary side to analyze the equivalent circuit, as shown in (3).
V pri   I pri Z pri +   j ω L pri + ω 2 M 2 Z sec +   j ω L sec
As can be seen in (3), the equivalent primary side impedance consists of the primary side self-impedance and the reflected impedance. The reflected impedance is determined by switching frequency, electrical characteristics of the pan, and magnetic coupling between them. The switching frequency determines the resistance of the ferromagnetic pan due to the skin effect phenomenon. Lpan depends on the material used at the base of the pan. The magnetic coupling is determined by the air gap. After the manipulation of the reflected impedance equation shown in (4), the effects of reflected impedance on both resistance and inductance are shown mathematically in (5) and (6). In domestic induction cookers, the increasing resonance frequency affects the equivalent inductance and resistance formed on the primary side. The equivalent inductance value formed decreases with the increasing resonance frequency, while the equivalent resistance increases. The important point here is that the equivalent inductance value determines the switching frequency together with the resonant capacitor, while the equivalent resistance value determines the value of the power to be transferred to the load. If the equivalent resistance value is too high, it limits the power to be transferred to the load, while if it is too low, it causes very high current to pass through the induction coil and high switching losses to transfer the desired power to the load. Therefore, these equivalent inductance and resistance values are very important.
Z ref = ω 2 M 2 R pan +   j ω L pan
R equivalent = R pri + ω 2 M 2 R pan 2 + ω 2 L pan 2 R pan
L equivalent = L pri ω 2 M 2 R pan 2 + ω 2 L pan 2 L pan
The mutual inductance between the primary and secondary sides is determined by the air gap. The mathematical representation of mutual inductance is shown in (7). Increasing the air gap used in the induction coil decreases the equivalent resistance and increases the equivalent inductance. Decreasing the air gap increases the equivalent resistance and decreases the equivalent inductance. In induction heating systems, the power to be transferred to the metal is determined by the equivalent resistance, while the switching frequency is determined by the equivalent inductance. Decreasing the air gap will generally increase the equivalent resistance and limit the power transfers, while increasing the air gap will decrease the equivalent resistance and make the power transfer inefficient. However, decreasing the air gap in metals such as cast-iron pots makes power transfer more difficult, while in aluminum pots it makes power transfer more efficient.
M = k L pri L sec
After an equivalent circuit is constructed, all electrical parameters can be obtained as shown in Figure 4.
The material of the pot used in induction cookers directly affects the amount of power to be transferred and the performance. If pots that respond to the magnetic field, such as cast-iron pots, are used, the equivalent resistance and inductance values on the primary side increase. If metals that do not respond to the magnetic field, such as aluminum, are used, the equivalent resistance and inductance on the primary side will decrease significantly. The decrease in equivalent inductance requires high switching frequencies, while low equivalent resistance causes high switching losses.
Figure 5 shows the actual LCR (inductance capacitance resistance) meter measurements with a cast-iron pan on a 210 mm induction coil. An induction coil with an inductance value of 65 μH is used. The coil consists of a sectional winding. While the inner windings are 13 turns, the value windings are 10 turns.
An induction heating application is quite difficult to model since it contains many non-linear components. In applications, current and voltage measurements taken from the power converter circuit are used to find the values reflected on the primary side.

3. General Structure of Induction Coils

Induction coils are critical to ensuring optimum and efficient power transfer in domestic induction heating applications. The coil-pan equivalent circuit will determine the power transferred to the load and the switching frequency. The basic components of the induction coils are windings, ferrites, and an aluminum plate. The structure of an induction coil is shown in Figure 6. Windings and ferrites are used to create the required magnetic field. The aluminum plate acts as a cooler for the ferrites and prevents the electronic circuit from being affected by the magnetic field. The chemical and physical properties of the aluminum plates used in commercialized induction cookers are similar for all products.
The number of windings and magnetic cores are the main parameters that determine the equivalent inductance and resistance. The value of the equivalent inductance determines the switching frequency with the resonance capacitor, while the equivalent resistance determines the power ratings. The inductance value increases with the number of turns. However, the higher number of turns means higher copper loss due to the skin effect that occurs in the windings, lower efficiency, and lower performance. In addition, additional losses lead to increased operating temperatures that could lead to magnetic core saturation. The number of magnetic cores increases the equivalent inductance and resistance values. Meanwhile, magnetic cores are so critical that they directly affect magnetic saturation and magnetic cores suitable for high frequencies should be preferred. As a result of the FEM analysis, an appropriate saturation value should be selected according to the maximum magnetic field to which the magnetic core will be exposed. When an induction coil saturates, it causes catastrophic results, such as short-circuits in semiconductor switches. The higher the number of magnetic cores, the lower the risk of magnetic saturation. Figure 7 summarizes basic induction coil design parameters and their effects.
As the number of windings and cores in the induction coil increases, the equivalent inductance increases, and since the induced magnetic flux increases, the equivalent resistance value to be seen will also increase. While decreasing the number of cores increases the risk of magnetic saturation, increasing it will increase the equivalent inductance and resistance values.

3.1. Skin Effect

The skin effect is the non-uniform distribution of the current density of a conductor through which alternating current flows. The skin effect occurs because the magnetic field created by the current flowing through a conductor induces eddy currents in the conductor itself and pushes the current outwards from the center due to the resulting back EMF. As a result, the current density is maximum at the surface of the conductor and minimum at its center. The resistance resulting from the decrease in the surface on which the current flows increases. For this reason, the resistance under DC (RDC) and the resistance under AC (RAC) are different. Figure 8 shows how the skin effect occurs in a conductor.
The basic precaution to be taken for the induction coil is to produce the coil with litz wire. Thanks to the litz wire structure, the surface area over which the current flows is increased, and the winding resistance is reduced.
The mathematical modeling of skin depth is shown in (9). As a result of skin depth, current density changes exponentially, as shown in (10).
δ = ρ π f μ 0 μ r
J = J surface e d δ
The skin effect at different wire diameters is shown in Figure 9. As can be seen in the figures, when the wire diameter is decreased, the skin effect is lower. However, multiple windings must be used to obtain enough current carrying capacity.

3.2. Proximity Effect

The proximity effect is the distortion of current distribution as a result of the magnetic fields created by two conductors carrying current in the same or opposite directions affecting each other. To prevent this, some precautions are taken in coil design. The first of these is to increase the distance between the windings by placing the windings inside the plastic carcass. While this method reduces the proximity effect, it increases the coil cost. Another precaution to be taken is to reduce the diameter of the coil wire and increase the number of wires. This situation creates the need to develop more complex litz wire structures. The proximity effect is shown in Figure 10.
The litz wire structure preferred in induction coil design can be a problem for mass production due to its complexity in terms of production. Immediately after the design is completed, it should be updated in places where the manufacturer’s capabilities are examined in detail during the prototyping phase, particularly because not every manufacturer can produce multi- and thin-core litz wires. Similarly, the high-frequency magnetic cores to be used must be affordable and can be supplied in large quantities for mass production.

4. The Proposal of High-Frequency Induction Coil Design

In this section, the parameters that should be taken into consideration when designing an induction cooktop for domestic induction cookers are mentioned.
As the number of windings and cores in the induction coil increases, the equivalent inductance increases, and since the induced magnetic flux increases, the equivalent resistance value will also increase. The air gap is also an important design parameter. Increasing the air gap decreases the equivalent resistance (reduces magnetic dependence) while increasing the inductance. In case the air gap is reduced, the equivalent resistance increases and the inductance decreases. Based on this, the number of windings and the number of cores should be updated according to the desired air gap. The air gap is formed by the glass, mica, and spacers used. Since the glass and mica thicknesses are fixed here, the air gap can be adjusted with the help of the spacers to be used.
The structured finite element method (FEM) optimization of induction coil designs improves performance and efficiency. After identifying goals and limits, an initial design and material selection are made. The FEM model is created by importing geometry, meshing, and adding boundary conditions and loads. Iterative electromagnetic, thermal, and structural evaluations focus on field distribution, temperature, and mechanical stress to enhance the design. Optimization algorithms automate design improvements. Balance accuracy and computing cost, account for material nonlinearities, and provide realistic boundary conditions. Experimental results verify the improved design. This method improves induction coil performance in numerous applications.

4.1. Induction Coil Design Flowchart

In this section, coil design steps in high-frequency induction cookers are examined. First, the required design parameters must be determined precisely. Basic design parameters are targeting inductance value, coil dimensions, total coil height, operating frequency, maximum coil current, and ambient temperature.
Once these values are known, the number of turns and structure of the windings are designed. When designing the winding, current density and the strands of the litz wire are of great importance. Too high current density increases copper losses and creates additional thermal stress. By increasing the number of strands, the equivalent AC resistance is decreased. However, when deciding on these parameters, it is necessary to take into consideration the capabilities of the manufacturer because problems may arise during the production stages of induction coils with a very thin and high number of strands. As the number of conductors increases and the wire diameter decreases, the processing of litz wire becomes more difficult for the machine. Most of the machines that produce litz wire have a limited number of conductors. It is not possible to process conductors above this number. In addition, if the conductor diameter is too small, the wires will break during the process. This situation is directly related to the production capacity of the manufacturer. Considering these types of restrictions, the power and switching levels should be reconsidered. Planar structures can be preferred for very high-frequency and low-power applications.
After deciding on the winding structure, a suitable magnetic core must be selected. When choosing a magnetic core, the saturation value and high-frequency characteristics of the core are important. The selected magnetic material must never be saturated at maximum ambient temperature and load current. Accordingly, the number of cores and their characteristics should be determined.
After the number and configuration of magnetic cores have been determined, the air gap must be determined. The air gap is directly related to the power level desired to be transferred. To determine the air gap accurately, FEM analyses must be run with the pan. In analyses operated with a pan, the maximum magnetic field and core loss value to which the magnetic cells are exposed should be determined. Next, the air gap, formed by glass, mica, and spacers, needs to be determined. Since the glass and mica thicknesses are fixed here, the air gap can be adjusted with the help of the spacers to be used. Induction coil design flowchart is shown in Figure 11.

4.2. Simulation Results

To design proper induction coils for domestic induction heating applications, a variety of FEMs were run. Some of the analyses were implemented following the FEM results. Firstly, the induction coil was designed for high-power applications. The target power rating was approximately 3.7 kW, which is widely used in mid-segment products. This application selected approximately 120 kHz switching frequency, which is nearly 5–6 times higher than conventional domestic induction heating applications. Conventional domestic induction cookers set the resonance frequency as approximately 18 kHz. Magnetic simulations were performed based on the fact that high-frequency induction cooktops operate between 100 and 120 kHz. In practical measurements, the operating frequency was approximately 100 kHz. As the switching frequency increased, it was obvious that the values of the passive components used in the power circuit decreased compared to conventional systems using low resonance frequency. FEM analyses of induction coils designed for high-power applications are given in Figure 12. In these analyses, in addition to conventional induction cooker coils, analyses of their high-frequency counterparts are also included. Results are given for different windings and magnetic core numbers, as well as for different air gaps. All of these analyses were carried out for a 210 mm induction coil and with a cast-iron pot. Cast-iron pots are made from a metal base plate through which induction cookers can transmit maximum power and have high induction compatibility.
Since new-generation high-frequency induction cookers require lower-value passive components compared to their conventional counterparts, the inductance value of the induction coil is much lower. The number of windings was reduced to decrease the inductance value of the induction coil. Reducing the amount of winding is important for reducing copper losses and increasing efficiency, as well as reducing product costs. Since decreasing the winding value for the same load current value will reduce the magnetomotive force, the magnetic field value that occurs for the same number of magnetic cores is much lower. Reducing the number of windings also provides the opportunity to reduce the number of magnetic cores. The high number of windings in conventional induction coils increases the risk of magnetic saturation if the number of magnetic cores decreases. Reducing the number of magnetic cores along with the number of windings reduces the resistance value in the coil-pot equivalent circuit and increases the inductance. In the previous sections, the effect of the equivalent resistance value on power transfer was discussed in detail. To increase the equivalent resistance value, the air gap must be reduced. When the air gap is reduced, the equivalent inductance value decreases and the resistance increases. Reducing the air gap is essential to designing a thinner induction cooker. FEM analyses of induction coils designed for low-power applications are given in Figure 13.

5. Experimental Results

These FEM analyses were carried out, and measurements were taken with an LCR meter. The measurement results are given in Table 1. The magnetic permeability of the magnetic cores used decreased with increasing switching frequency. The decrease in magnetic permeability caused the equivalent inductance to fall. Based on this, it was necessary to use a much higher-quality magnetic core for high-frequency applications compared to conventional applications. The pictures of conventional and high-frequency induction coils used in all-metal applications are given in Figure 14 and Figure 15, respectively.
In addition to high-power applications, FEM analyses and measurements were carried out for low-power and very high-frequency applications. In Full-Flexi type induction cooktops, many low-power induction coils were used to cook on every surface of the cooktop. In this type of application, the switching frequency is much higher while the amount of power transferred by the induction coil is low. The target power rating was up to 1 kW, while operating frequencies ranged from 100 kHz to 1 MHz. The FEM model was used in a structured approach to optimize induction coil designs, focusing on material properties and field distribution. The process involves defining objectives, creating an initial design, and applying boundary conditions and loads. Iterative analyses refined the design, balancing accuracy with computational cost and considering material nonlinearities. Validation with experimental data ensured the reliability of the optimized design. The picture of the induction coil used in low-power Full-Flexi applications is given in Figure 16. The measurement results are given in Table 2. The measurement setup is shown in Figure 17.
Core materials and high-frequency induction coil designs can significantly reduce manufacturing costs by minimizing the use of copper and core materials. This reduces labor and tool maintenance expenses, improves operational efficiency, and reduces energy consumption and cooling requirements. Advanced manufacturing techniques ensure minimal material use without compromising performance, resulting in substantial economic benefits.
In addition, high-frequency operation can cause thermal and dielectric degradation, leading to reduced coil lifespan. Additionally, components like capacitors and switches may experience accelerated aging, causing premature failure and reduced overall system reliability. Electromagnetic interference can also affect sensitive electronic equipment, requiring additional filtering or shielding. Material fatigue can result in micro-cracking and eventual material failure, compromising the coil’s structural integrity. To address these issues, strategies such as enhanced insulation, improved cooling systems, optimized core materials, vibration dampening, and robust design can be implemented.
The block diagram of the circuit designed used in tests is given in Figure 18, Figure 19 and Figure 20. GaN Systems GSP65RxxHB-EVB was chosen to perform power tests. This board is specifically designed for high-power applications; hence, it contains two GS66516B GaN HEMTs in parallel. Its PCB structure is designed as an IMS (insulated material board). The power circuit is controlled as an open loop. The switching frequency was changed according to the desired power level.
In the EMI filter, 2 X2 safety class film capacitors (5 μF) and 4 Y2 safety class film capacitors (22 nF) were used. In addition, there was a common mode coil wound on the MnZn magnetic core, and a differential mode coil wound on the iron powder core. Three MOVs (metal oxide varistors) were preferred as protection against high voltage. A fuse was used for protection purposes at the input.
In order to obtain DC voltage in the power converter, a full-bridge rectifier was used. Two Gan HEMTs were connected in parallel.
In the gate drive circuit, an isolated driver was preferred. The secondary side of the gate drive was provided by an isolated DC-DC converter. In order to prevent parasitic turn-on and turn-off, the gate signals were kept at a negative voltage.
Table 3 shows the power loss measurement results of Si-based and new-generation switches under different operating conditions.

6. Discussion

In this study, the effect of using WBG switches on the induction coil in domestic induction cookers is discussed in detail. This study is based on GaN HEMT power switches. Switching and conduction losses are minimized thanks to the WBG switch, making it possible to work at higher frequency levels. In an induction cooker that operates at high frequencies, the induction coil has some advantages and disadvantages compared to its conventional counterparts. High-frequency operation of induction coils can lead to potential long-term reliability issues. These include increased thermal stress, magnetic core losses, dielectric breakdown, mechanical vibrations and acoustic noise, skin and proximity effects, component aging, electromagnetic interference (EMI), and material fatigue. Due to their high frequency and thermal efficiency, wide bandgap (WBG) switches can improve Full-Flexi, All-Metal, and Standard induction cooktop performance. Switching frequency, thermal control, and EMI reduction matter. Adaptive coil design and zoning improve Full-Flexi cooktop flexibility and energy economy. To accommodate different cookware, all-metal cooktops in this study included broad frequency ranges and material detection. Standard cooktops maximize power transmission efficiency and remain affordable. Optimizations speed up cooking, save energy, and improve the user experience. In this study, the advantages and disadvantages of operating at high-frequency levels on the induction coil were assessed. The changes occurring in the induction coils used in Full-Flexi, All-Metal, and Standard induction cooktops were discussed in detail. The coils for which FEM analyses were carried out were implemented and tested.

7. Conclusions

New-generation power switches expand their application area day by day due to the advantages they can provide. Domestic induction heating systems are just one of these areas. The implementation of these new-generation power switches in home systems has increased the switching frequencies to a much higher level compared to Si-based systems. This has a positive effect on the passive components. The induction coil is one of these components. The induction coil is a critical component as it directly affects the level of power to be transferred and the efficiency of the operation. For this reason, it is necessary to pay attention to the coil design in new-generation cookers. First of all, the skin and proximity effects that will occur due to high-frequency current will increase considerably. To prevent this, different and complex litz wire structures should be preferred. This situation causes difficulties in terms of production and disadvantages in terms of cost. Additionally, a high-frequency magnetic field means higher core loss. The frequency response of the ferrite cores to be used in such designs must be suitable for the preferred switching frequency. Using litz wire configurations and high-quality magnetic cores in induction coil designs provides substantial improvements in operating efficiency and reliability, even though the initial expenses are greater. The litz wire minimizes alternating current losses and enhances heat dissipation, resulting in energy conservation and improved efficiency in high-frequency applications. Utilizing high-quality magnetic cores reduces core losses and enhances magnetic characteristics, resulting in improved power density and reliability. Despite the greater costs associated with these materials in terms of both production and manufacture, the long-term advantages, such as increased energy efficiency, fewer maintenance requirements, and enhanced performance, generally surpass the initial financial outlay. This feature gives them an edge in applications that require both great efficiency and dependability.
In addition to these difficulties, there are also great advantages in terms of product design. First, as the frequency increases, the equivalent resistance value resulting from the skin effect on the bottom of the pot will increase. Therefore, it is possible to reach the desired resistance value with less yellow. Thus, an advantage is gained in terms of cost and efficiency. Reducing the number of windings will reduce the magnetic flux to which the ferrites will be exposed at the same power level. Thus, the ferrite amount can be reduced without saturation. Reducing the number of ferrites not only provides a cost advantage but also contributes positively to efficiency.

Author Contributions

Conceptualization, A.E. and A.H.O.; methodology, A.E. and A.H.O.; validation, A.E. and A.H.O.; investigation, A.E. and A.H.O.; writing—original draft preparation, A.E. and A.H.O.; writing—review and editing, A.E. and A.H.O. All authors have read and agreed to the published version of the manuscript.

Funding

This research received no external funding.

Institutional Review Board Statement

Not applicable.

Informed Consent Statement

Not applicable.

Data Availability Statement

The original contributions presented in the study are included in the article, further inquiries can be directed to the corresponding author.

Acknowledgments

This work was supported by the Arcelik A.S. Research and Development Center.

Conflicts of Interest

The authors declare no conflict of interest.

References

  1. Lucia, O.; Maussion, P.; Dede, E.J.; Burdio, J. Induction Heating Technology and Its Applications: Past Developments, Current Technology, and Future Challenges. IEEE Trans. Ind. Electron. 2014, 61, 2509–2520. [Google Scholar] [CrossRef]
  2. Acero, J.; Burdio, J.; Barragan, L.; Navarro, D.; Alonso, R.; Ramon, J.; Monterde, F.; Hernandez, P.; Llorente, S.; Garde, I. Domestic Induction Appliances. IEEE Ind. Appl. Mag. 2010, 16, 39–47. [Google Scholar] [CrossRef]
  3. Toshiba Corporation. Induction Heating: The Technology Driving Efficiency in Home Cooking Appliances. Appl. Notes. 2020. Available online: https://toshiba.semicon-storage.com/content/dam/toshiba-ss-v3/master/en/semiconductor/design-development/innovationcentre/whitepapers/TCM0542_GT20N135SRA.pdf (accessed on 1 July 2020).
  4. ONSEMI Corporation. Induction Cooking Appl. Notes. 2014. Available online: https://www.onsemi.com/pub/collateral/and9166-d.pdf (accessed on 1 October 2014).
  5. ONSEMI Corporation. The Effect of Pan Material in an Induction Cooker. Appl. Notes. 2015. Available online: https://www.onsemi.com/pub/Collateral/AND9201-D.PDF (accessed on 1 January 2015).
  6. STMicroelectronics. Induction Cooking: IGBTs in Resonant Converters. Appl. Notes. 2015. Available online: https://www.st.com/resource/en/application_note/an4713-induction-cooking--igbts-in-resonant-converters-stmicroelectronics.pdf (accessed on 3 June 2015).
  7. Fairchild Semiconductor. Induction Heating System Topology Review. Appl. Notes. 2000. Available online: https://www.onsemi.cn/pub/Collateral/AN-9012JP.pdf (accessed on 1 July 2000).
  8. Zungor, F.; Bodur, H.; Ozturk, M.; Obdan, H. Design Methodology of Series Resonant Half Bridge Inverter for Induction Cooker. IEEE Access 2023, 11, 135476–135492. [Google Scholar] [CrossRef]
  9. Infineon Technologies AG. Reverse-Conducting IGBTs for Induction Cooking and Resonant Applications. Appl. Notes. 2021. Available online: https://www.infineon.com/dgdl/Infineon-AN2014_01_Reverse_Conducting_IGBT-ApplicationNotes-v03_01-EN.pdf (accessed on 24 August 2021).
  10. Wang, Y.; Lucia, O.; Zhang, Z.; Gao, S.; Guan, Y.; Xu, D. A Review of High Frequency Power Converters and Related Technologies. IEEE Open J. Ind. Electron. Soc. 2020, 1, 247–260. [Google Scholar] [CrossRef]
  11. Prado, E.O.; Bolsi, P.C.; Sartori, H.C.; Pinheiro, J.R. An Overview about Si, Superjunction, SiC and GaN Power MOSFET Technologies in Power Electronics Applications. Energies 2022, 15, 5244. [Google Scholar] [CrossRef]
  12. Kumar, A.; Moradpour, M.; Losito, M.; Franke, W.-T.; Ramasamy, S.; Baccoli, R.; Gatto, G. Wide Band Gap Devices and Their Application in Power Electronics. Energies 2022, 15, 9172. [Google Scholar] [CrossRef]
  13. Sarnago, H.; Lucia, O.; Burdio, J.M. Advanced Induction Heating Appliances Using High-Voltage GaN Gate Injection Transistors. In Proceedings of the 2015 IEEE Applied Power Electronics Conference and Exposition (APEC), Charlotte, NC, USA, 15–19 March 2015. [Google Scholar] [CrossRef]
  14. Cha, K.-H.; Ju, C.-T.; Kim, R.-Y. Analysis and Evaluation of WBG Power Device in High Frequency Induction Heating Application. Energies 2020, 13, 5351. [Google Scholar] [CrossRef]
  15. Kwon, M.; Jang, E.; Park, S.M.; Lee, B.K. Design and Optimization of GaN-HEMT Based Inverter-Coil Integrated Module for Flexible Cooking Surface Induction Cooktop. In Proceedings of the 2020 23rd International Conference on Electrical Machines and Systems (ICEMS), Hamamatsu, Japan, 24–27 November 2020. [Google Scholar] [CrossRef]
  16. Puyal, D.; Bemal, C.; Burdio, J.M.; Millan, I.; Acero, J. Dual 1.5-MHz 3.5-kW Versatile Half-Bridge Series-Resonant Inverter Module for Inductive Load Characterization. In Proceedings of the APEC 07-Twenty-Second Annual IEEE Applied Power Electronics Conference and Exposition, Anaheim, CA, USA, 25 February–1 March 2007. [Google Scholar] [CrossRef]
  17. Bernal, C.; Gaudo, P.M.; Gallego, A.; Otin, A.; Burdio, J.M. Half-Bridge Resonant Inverter for Domestic Induction Heating Based on Silicon Carbide Technology. In Proceedings of the 2012 Twenty-Seventh Annual IEEE Applied Power Electronics Conference and Exposition (APEC), Orlando, FL, USA, 5–9 February 2012. [Google Scholar] [CrossRef]
  18. Sarnago, H.; Lucia, O.; Burdio, J.M. A Comparative Evaluation of SiC Power Devices for High-Performance Domestic Induction Heating. IEEE Trans. Ind. Electron. 2015, 62, 4795–4804. [Google Scholar] [CrossRef]
  19. Erken, A.; Obdan, A.H. Examining the Optimal Use of WBG Devices in Induction Cookers. Appl. Sci. 2023, 13, 12517. [Google Scholar] [CrossRef]
  20. Han, W.; Chau, K.T.; Jiang, C.; Ching, T.W. Comparison of Induction Heating for Pans and Woks Using Planar Cooktops. In Proceedings of the 2018 IEEE 27th International Symposium on Industrial Electronics (ISIE), Cairns, QLD, Australia, 13–15 June 2018. [Google Scholar] [CrossRef]
  21. Carretero, C.; Lucia, O.; Acero, J.; Burdio, J.M. First Harmonic Equivalent Impedance of Coupled Inductive Loads for Induction Heating Applications. In Proceedings of the IECON 2012—38th Annual Conference on IEEE Industrial Electronics Society, Montreal, QC, Canada, 25–28 October 2012. [Google Scholar] [CrossRef]
  22. Puyal, D.; Bernal, C.; Burdio, J.M.; Acero, J.; Millan, I. High Frequency Inverter Design for Large-Signal Characterization of Domestic Induction Heating Load. In Proceedings of the IECON 2006—32nd Annual Conference of the IEEE Industrial Electronics Society, Paris, France, 6–10 November 2006. [Google Scholar] [CrossRef]
  23. Li, Z.-F.; Hu, J.-C.; Huang, M.-S.; Lin, Y.-L.; Lin, C.-W.; Meng, Y.-M. Load Estimation for Induction Heating Cookers Based on Series RLC Natural Resonant Current. Energies 2022, 15, 1294. [Google Scholar] [CrossRef]
  24. Acero, J.; Lope, I.; Burdio, J.M.; Carretero, C.; Alonso, R. Loss Analysis of Multistranded Twisted Wires by Using 3D-FEA Simulation. In Proceedings of the 2014 IEEE 15th Workshop on Control and Modeling for Power Electronics (COMPEL), Santander, Spain, 22–25 June 2014. [Google Scholar] [CrossRef]
  25. Acero, J.; Alonso, R.; Burdio, J.M.; Barragan, L.A.; Puyal, D. Frequency-Dependent Resistance in Litz-Wire Planar Windings for Domestic Induction Heating Appliances. IEEE Trans. Power Electron. 2006, 21, 856–866. [Google Scholar] [CrossRef]
  26. Umetani, K.; Kawahara, S.; Acero, J.; Sarnago, H.; Lucia, O.; Hiraki, E. Analytical Formulation of Copper Loss of Litz Wire with Multiple Levels of Twisting Using Measurable Parameters. IEEE Trans. Ind. Appl. 2021, 57, 2407–2420. [Google Scholar] [CrossRef]
  27. Han, W.; Chau, K.T.; Liu, W.; Tian, X.; Wang, H. A Dual-Resonant Topology-Reconfigurable Inverter for All-Metal Induction Heating. IEEE J. Emerg. Sel. Top. Power Electron. 2022, 10, 3818–3829. [Google Scholar] [CrossRef]
  28. Han, W.; Chau, K.T.; Jiang, C.; Liu, W. All-Metal Domestic Induction Heating Using Single-Frequency Double-Layer Coils. IEEE Trans. Magn. 2018, 54, 8400705. [Google Scholar] [CrossRef]
Figure 1. Domestic induction heating system structures.
Figure 1. Domestic induction heating system structures.
Applsci 14 07996 g001
Figure 2. Electrical equivalent circuit of induction heating systems.
Figure 2. Electrical equivalent circuit of induction heating systems.
Applsci 14 07996 g002
Figure 3. Switching node voltage and equivalent circuit input voltage (Vpri).
Figure 3. Switching node voltage and equivalent circuit input voltage (Vpri).
Applsci 14 07996 g003
Figure 4. All electrical parameters: (a) input power; (b) input current; (c) equivalent resistance; (d) equivalent inductance. All calculations are implemented under Ceq = 1360 nF, Leq = 65 μH, and VDC = 325 V conditions.
Figure 4. All electrical parameters: (a) input power; (b) input current; (c) equivalent resistance; (d) equivalent inductance. All calculations are implemented under Ceq = 1360 nF, Leq = 65 μH, and VDC = 325 V conditions.
Applsci 14 07996 g004
Figure 5. The actual LCR meter measurements with cast-iron pan on a 210 mm induction coil.
Figure 5. The actual LCR meter measurements with cast-iron pan on a 210 mm induction coil.
Applsci 14 07996 g005
Figure 6. The basic structure of an induction coil.
Figure 6. The basic structure of an induction coil.
Applsci 14 07996 g006
Figure 7. The effects of induction coil design parameters.
Figure 7. The effects of induction coil design parameters.
Applsci 14 07996 g007
Figure 8. Skin effect in a conductor.
Figure 8. Skin effect in a conductor.
Applsci 14 07996 g008
Figure 9. Skin effect at 100 kHz for different wire diameters: (a) 2.5 mm; (b) 1.0 mm; (c) 0.5 mm; (d) 0.1 mm.
Figure 9. Skin effect at 100 kHz for different wire diameters: (a) 2.5 mm; (b) 1.0 mm; (c) 0.5 mm; (d) 0.1 mm.
Applsci 14 07996 g009
Figure 10. Proximity effect at 100 kHz excitation and 0.5 mm wire diameter at different configurations: (a) 2 wires configuration; (b) 4 wires configuration.
Figure 10. Proximity effect at 100 kHz excitation and 0.5 mm wire diameter at different configurations: (a) 2 wires configuration; (b) 4 wires configuration.
Applsci 14 07996 g010
Figure 11. Step by step high-frequency induction coil design.
Figure 11. Step by step high-frequency induction coil design.
Applsci 14 07996 g011
Figure 12. FEM analyses performed for high-power applications.
Figure 12. FEM analyses performed for high-power applications.
Applsci 14 07996 g012
Figure 13. FEM analyses performed for low-power applications.
Figure 13. FEM analyses performed for low-power applications.
Applsci 14 07996 g013
Figure 14. Induction coil used in conventional domestic induction cooktops: (a) windings; (b) magnetic cores.
Figure 14. Induction coil used in conventional domestic induction cooktops: (a) windings; (b) magnetic cores.
Applsci 14 07996 g014
Figure 15. Induction coil used in high-frequency domestic induction cooktops such as All-Metal induction cookers: (a) windings; (b) magnetic cores.
Figure 15. Induction coil used in high-frequency domestic induction cooktops such as All-Metal induction cookers: (a) windings; (b) magnetic cores.
Applsci 14 07996 g015
Figure 16. Induction coil used in ultra-high-frequency domestic induction cooktops such as Full-Flexi induction cookers: (a) windings; (b) magnetic cores.
Figure 16. Induction coil used in ultra-high-frequency domestic induction cooktops such as Full-Flexi induction cookers: (a) windings; (b) magnetic cores.
Applsci 14 07996 g016
Figure 17. The measurement setup.
Figure 17. The measurement setup.
Applsci 14 07996 g017
Figure 18. Line filter section of power converter.
Figure 18. Line filter section of power converter.
Applsci 14 07996 g018
Figure 19. Series Resonant Half Bridge Converter with GaN HEMT.
Figure 19. Series Resonant Half Bridge Converter with GaN HEMT.
Applsci 14 07996 g019
Figure 20. Gate Driver Section.
Figure 20. Gate Driver Section.
Applsci 14 07996 g020
Table 1. Induction coil measurements for high-power applications.
Table 1. Induction coil measurements for high-power applications.
Measurements with Cast-Iron Pan
Parameters20 kHz50 kHz100 kHz
NouterNinnerCoreouterCoreinnerAir Gap [mm]Leq [μH]Req_ac [Ω]Req_dc [mΩ]Leq [μH]Req_ac [Ω]Req_dc [mΩ]Leq [μH]Req_ac [Ω]Req_dc [mΩ]
Meas11310765.551.4912.17166.4342.1714.21966.8337.2246.36766.98
Meas265765.511.6910.46030.629.8190.86930.708.8071.31531.47
Meas3657-5.511.1690.43330.459.4010.82130.448.4391.24430.43
Meas465761.511.4130.52529.479.2700.98829.118.1211.49029.18
Meas5657-1.510.9060.48928.888.9010.93028.907.8051.41428.92
Table 2. Induction coil measurements for high-frequency applications.
Table 2. Induction coil measurements for high-frequency applications.
Measurements with Cast-Iron Pan
100 kHz200 kHz300 kHz400 kHz500 kHz600 kHz700 kHz800 kHz900 kHz1000 kHz
Single-Layer Configuration
Leq [μH]5.034.344.013.813.683.583.503.443.403.35
Req_ac [Ω]1.041.602.022.352.672.893.103.313.473.68
Req_dc [mΩ]31.219.2819.319.2619.1919.1919.2119.1819.1819.18
Two-Layer Configuration
Leq [μH]20.2517.7116.4915.7515.2414.8814.6114.414.2414.12
Req_ac [Ω]3.816.017.648.9810.1111.1712.1313.0213.8714.69
Req_dc [mΩ]37.8637.8537.8937.8737.8637.8637.8537.8637.8237.84
Table 3. The switch loss measurement results.
Table 3. The switch loss measurement results.
Induction Cooker Operating ModeSwitchesInput Power
 (W)
Switching Frequency (kHz)Conduction Loss (W)Switching Loss (W)Reverse Conduction Losses (W)
ConventionalSi IGBT
 IHW50N65R6
370020241.270.52
GaN
 GS66516B
3700196.360.130.38
High-FrequencyGaN
 GS66516B
3600957.220.672.16
All-MetalGaN GS66516B23001006.430.74.24
Full-FlexiGaN GS66516B10006250.584.435.45
40010000.176.987.36
3005000.043.453.46
Disclaimer/Publisher’s Note: The statements, opinions and data contained in all publications are solely those of the individual author(s) and contributor(s) and not of MDPI and/or the editor(s). MDPI and/or the editor(s) disclaim responsibility for any injury to people or property resulting from any ideas, methods, instructions or products referred to in the content.

Share and Cite

MDPI and ACS Style

Erken, A.; Obdan, A.H. Induction Coil Design Considerations for High-Frequency Domestic Cooktops. Appl. Sci. 2024, 14, 7996. https://doi.org/10.3390/app14177996

AMA Style

Erken A, Obdan AH. Induction Coil Design Considerations for High-Frequency Domestic Cooktops. Applied Sciences. 2024; 14(17):7996. https://doi.org/10.3390/app14177996

Chicago/Turabian Style

Erken, Ahmet, and Atiye Hulya Obdan. 2024. "Induction Coil Design Considerations for High-Frequency Domestic Cooktops" Applied Sciences 14, no. 17: 7996. https://doi.org/10.3390/app14177996

APA Style

Erken, A., & Obdan, A. H. (2024). Induction Coil Design Considerations for High-Frequency Domestic Cooktops. Applied Sciences, 14(17), 7996. https://doi.org/10.3390/app14177996

Note that from the first issue of 2016, this journal uses article numbers instead of page numbers. See further details here.

Article Metrics

Back to TopTop