Creep Model and Experimental Verification of Sandstone under the Coupled Effect of Chemical Corrosion and Temperature
Abstract
Featured Application
Abstract
1. Introduction
2. Establishment and Analysis of Damaged Components
2.1. Test Scheme
2.2. Components Damaged by Chemical Corrosion and Temperature
2.3. Effects of Chemical Corrosion and Temperature on Viscoelastic Strain
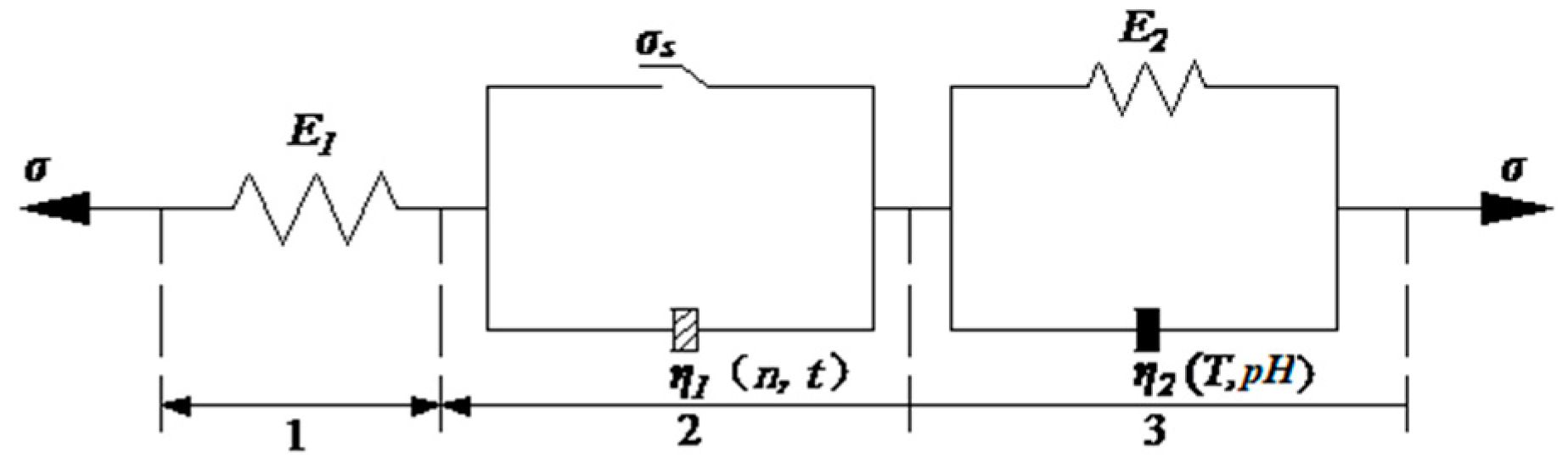
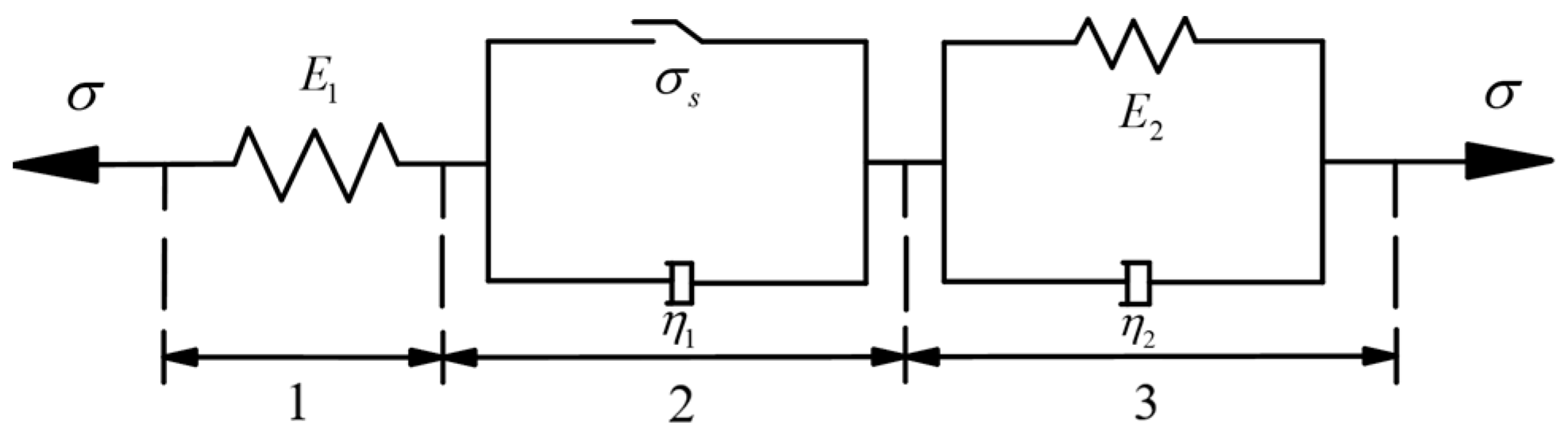
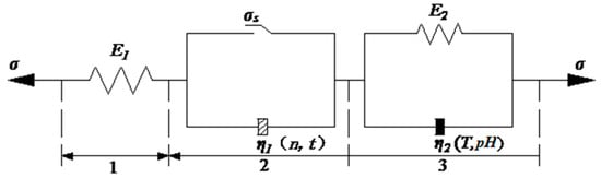
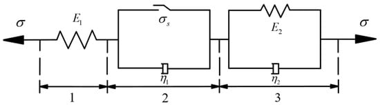
3. Establishment of a Nonlinear Creep Model Considering Temperature–pH Damage
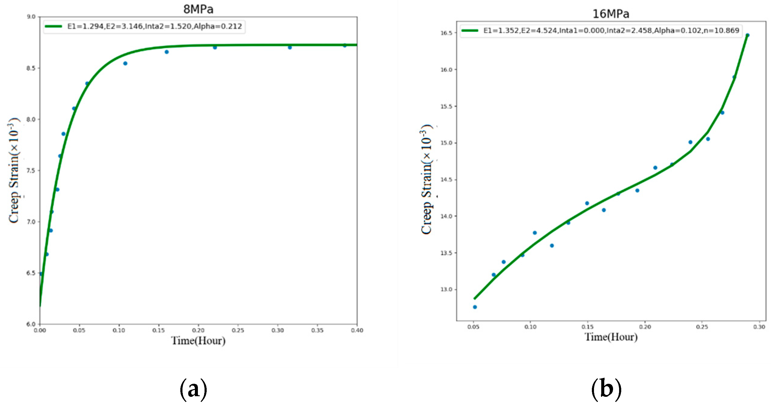
4. Experimental Verification of Creep Models
5. Conclusions
- (1)
- Based on the Nishihara creep model, the viscoelastic elements in the Nishihara model are replaced with viscoelastic elements incorporating the temperature and pH influence factors, and the new viscoelastic element is discovered to accurately describe the influence of temperature and pH on rock creep characteristics. The viscoplastic elements in the Nishihara model are replaced with nonlinear viscoplastic elements, and the nonlinear viscoplastic element is discovered to accurately describe the accelerated creep stage of the rock mass. Further, a nonlinear creep model under the coupled effect of chemical corrosion and temperature is established after two revisions to the Nishihara creep model, and it can well describe the influence of temperature and pH on the rock’s creep characteristics.
- (2)
- In this study, the creep test of sandstone specimens is conducted under the coupled effect of chemical corrosion and temperature, and a portion of the sandstone creep test data is compared with the creep curve of the nonlinear creep model considering temperature–pH damage. The comparison results show that the creep curve of the nonlinear creep model established in this study fits well with the sandstone creep test data. The validity of the newly developed nonlinear creep model has been established, and it can accurately describe the effects of temperature and pH on sandstone creep characteristics.
Author Contributions
Funding
Institutional Review Board Statement
Informed Consent Statement
Data Availability Statement
Conflicts of Interest
References
- Lyu, X.; Yang, K.; Liu, Q.J.; Fu, Q.; Fang, J.J. Characteristics of early–damaged cement stone and the creep behavior after damage. Constr. Build. Mater. 2021, 303, 124484. [Google Scholar] [CrossRef]
- Sun, Q.; Li, B.; Tian, S.; Cai, C.; Xia, Y.J. Creep properties of geopolymer cemented coal gangue–fly ash backfill under dynamic disturbance. Constr. Build. Mater. 2018, 191, 644–654. [Google Scholar] [CrossRef]
- Shutov, A.V.; Larichkin, A.Y.; Shutov, V.A. Modelling of cyclic creep in the finite strain range using a nested split of the deformation gradient. ZAMM J. Appl. Math. Mech. Ztschrift Fur Angew. Math. Und Mech. 2017, 97, 1083–1099. [Google Scholar] [CrossRef]
- Wolff, M.; Bohm, M.; Bokenheide, S.; Lammers, D.; Linke, T. An implicit algorithm to verify creep and TRIP behavior of steel using uniaxial experiments. ZAMM J. Appl. Math. Mech. Ztschrift Fur Angew. Math. Und Mech. 2012, 92, 355–379. [Google Scholar] [CrossRef]
- Zicans, J.; Meri, R.M.; Kalnins, M.; Maksimovs, R.; Jansons, J. Modeling and experimental investigations of elastic and creep properties of thermoplastic polymer nanocom–posites. ZAMM J. Appl. Math. Mech. Ztschrift Fur Angew. Math. Und Mech. 2012, 95, 1198-1110. [Google Scholar] [CrossRef]
- Gil–Martín, L.M.; Fernández–Ruiz, M.A.; Hernández–Montes, E. Mechanical Characterization and Creep Behavior of a Stone Heritage Material Used in Granada (Spain): Santa Pudia Calcarenite. Rock Mech. Rock Eng. 2022, 55, 5659–5669. [Google Scholar] [CrossRef]
- Yang, M.; Wang, J.H.; Cheng, X.L.; Yan, X.W. Numerical Modelling for Dynamic Instability Process of Submarine Soft Clay Slopes Under Seismic Loading. J. Ocean. Univ. China 2021, 20, 1109–1120. [Google Scholar]
- Yang, X.R.; Jiang, A.N.; Zhang, F.R. Research on creep characteristics and variable parameter–based creep damage constitutive model of gneiss subjected to freeze–thaw cycles. Environ. Earth Sci. 2021, 80, 7. [Google Scholar] [CrossRef]
- Dai, Y.C.; Qiao, L.L.; Xu, J.S.; Zhou, C.Y.; Ding, D.; Bi, W. Estimation of Extreme Marine Hydrodynamic Variables in Western Laizhou Bay. J. Ocean. Univ. China 2015, 14, 425–432. [Google Scholar] [CrossRef]
- Relea, E.; Pfyffer, B.; Weiss, L.; Wegener, K. Experimental comparative investigation on creep behavior of mineral cast, ultra–high–performance concrete, and natural stone for precision machinery structures. Int. J. Adv. Manuf. Technol. 2021, 117, 2073–2081. [Google Scholar] [CrossRef]
- Li, S.; Zhu, W.C.; Niu, L.L.; Guan, K.; Xu, T. Experimental study on creep of double–rock samples disturbed by dynamic impact. Int. J. Rock Mech. Min. Sci. 2021, 146, 104895. [Google Scholar] [CrossRef]
- Zhang, C.Y.; Zou, P.; Wang, Y.X.; Jiang, T.T.; Lin, H.; Cao, P. An elasto–visco–plastic model based on stress functions for deformation and damage of water–saturated rocks during the freeze–thaw process. Constr. Build. Mater. 2020, 250, 118862. [Google Scholar] [CrossRef]
- Zhang, Q.Z.; Shen, M.R.; Jang, B.A.; Ding, W.Q. Creep Behavior of Rocks with Rough Surfaces. J. Mater. Civ. Eng. 2016, 28, 9. [Google Scholar] [CrossRef]
- Gu, Y.; Chen, H.Y.; Bao, X.; Jiang, Z.W.; Chen, Y.F. Shaking Table Test and Dynamic Response Analysis of Saturated Soil–Submarine Tunnel. Buildings 2024, 14, 980. [Google Scholar] [CrossRef]
- Wang, G.J.; Zhang, L.; Zhang, Y.W.; Ding, G.S. Experimental investigations of the creep–damage–rupture behaviour of rock salt. Int. J. Rock Mech. Min. Sci. 2014, 66, 181–187. [Google Scholar] [CrossRef]
- Wu, F.; Chen, J.; Zou, Q.L. A nonlinear creep damage model for salt rock. Int. J. Damage Mech. 2018, 28, 758–771. [Google Scholar] [CrossRef]
- Liu, L.; Wang, G.M.; Chen, J.H.; Yang, S. Creep experiment and rheological model of deep saturated rock. Trans. Nonferrous Met. Soc. China 2013, 23, 478–483. [Google Scholar] [CrossRef]
- Ping, C.; Wen, Y.D.; Wang, Y.X.; Yuan, H.P.; Yuan, B.X. Study on nonlinear damage creep constitutive model for high–stress soft rock. Environ. Earth Sci. 2016, 75, 900. [Google Scholar]
- Cheng, Y.C.; Wang, H.T.; Zhang, Y.W.; Li, L.D.; Liang, J.X. Effect of Asphalt–Aggregate Adhesion on Mechanical Performance of Stone Matrix Asphalt under Freeze–Thaw Cycles. J. Mater. Civ. Eng. 2023, 35, 04023126. [Google Scholar] [CrossRef]
- Li, P.; Deng, J.C.; Zhao, W.L.; Feng, Y.C. An Experimental Study on Creep Characteristics of Salt Rock and Gypsum–salt Rock in Puguang Gas Field. Pet. Sci. Technol. 2012, 30, 1715–1724. [Google Scholar] [CrossRef]
- Wu, W.J.; Xiao, J.J.; Ding, J.X.; Li, Y.N.; Zhao, X.; Jiang, W. Damage characterization of high– and low–temperature performance of porous asphalt mixtures under multi–field coupling. Case Stud. Constr. Mater. 2024, 21, e03455. [Google Scholar] [CrossRef]
- Brzesowsky, R.H.; Hangx, S.J.T.; Brantut, N.; Spiers, C.J. Compaction creep of sands due to time-dependent grain failure: Effects of chemical environment, applied stress, and grain size. J. Geophys. Res. Solid Earth 2015, 119, 7521–7541. [Google Scholar] [CrossRef]
- Cavuslu, M. 3D Numerical and Experimental Investigation on Thermal Behavior of Single–Span Masonry Bridges Considering Monthly and Yearly Temperature Changes. Iran. J. Sci. Technol.–Trans. Civ. Eng. 2023, 48, 2341–2370. [Google Scholar] [CrossRef]
- Schimmel, M.T.W.; Hangx, S.J.T.; Spiers, C.J. Impact of Chemical Environment on Compaction Behaviour of Quartz Sands during Stress–Cycling. Rock Mech. Rock Eng. 2021, 54, 981–1003. [Google Scholar] [CrossRef]
- Niu, G.; Sun, D.A.; Kong, L.; Shao, L.T.; Wang, H.; Wang, Z.Z. Investigation into the shear strength of a weakly expansive soil over a wide suction range. Acta Geotech. 2024, 19, 3059–3073. [Google Scholar] [CrossRef]
- Wang, Y.Y.; Lv, Y.M.; Xiao, Z.J.; Zang, L.; Mao, H.Q. Research on Sandstone Creep Model under Chemical Corrosion. Pet. Sci. Technol. 2010, 35, 1095–1098. [Google Scholar]
- Lv, Y.M. Study on the Effect of Chemical Corrosion on Creep Characteristics of Deep Soft Rock. Master’s Thesis, Qingdao University of Science and Technology, Qingdao, China, 2010. [Google Scholar]
- Wang, Y.C.; Wang, Y.Y.; Li, J.G.; Su, C.Q.; Shi, X. Shale Creep Model Based on Chemical pH Characterization. J. China Coal Soc. 2019, 44, 509–516. [Google Scholar]
- Wang, Y.C.; Wang, Y.Y.; Li, J.G. Research on Creep Mechanism of Shale Under Chemical Corrosion Effect. Saf. Coal Mines 2019, 50, 67–71. [Google Scholar]
- Zhou, G.L.; Xu, T.; Zhu, W.C.; Chen, C.F.; Yang, T.H. Aging Creep Model of Rock Based on Temperature–Stress Coupling. Eng. Mech. 2017, 34, 1–9. [Google Scholar] [CrossRef]
- Wang, Y.Y.; Wang, H.W.; Shi, X. Creep Investigation on Shale–Like Material with Preexisting Fissure under Coupling Temperatures and Con–fining Pressures. Adv. Civ. Eng. 2019, 2019, 7861305. [Google Scholar] [CrossRef]
- Wang, Y.; Wang, Y.Y.; Qin, N.; Huang, S.; Chang, L.; Hou, S.Z. Quantifying the mechanical properties of white sandstone based on computer fractal theory. Comput. Syst. Sci. Eng. 2021, 39, 121–131. [Google Scholar] [CrossRef]
- Jiang, Z.B.; Jiang, A.N.; Li, H. Research on creep characteristics of slate corroded by sodium chloride solution and improved H|M model. Chin. J. Rock Mech. Eng. 2016, 35, 3725–3733. [Google Scholar]
- Jiang, Z.B.; Jiang, A.N.; Li, H. Change law of permeability characteristics of slate through cracks in corrosive environment. J. China Coal Soc. 2016, 41, 1954–1962. [Google Scholar]
- Xi, B.P.; Zhao, Y.S.; Wan, Z.J.; Zhao, J.C.; Wang, Y. Research on the constitutive relation of rheological model of granite under the action of thermo–mechanical coupling. Chin. J. Rock Mech. Eng. 2009, 28, 956–967. [Google Scholar]
- Xi, B.P.; Zhao, Y.S.; Zhao, J.C.; Xu, S.G. Study on Creep Characteristics of Layered Salt Rock Coupled with Temperature and Stress. Chin. J. Rock Mech. Eng. 2008, 27, 90–96. [Google Scholar]
- Xi, B.P.; Cheng, Z.P.; He, S.X.; Yang, X.X.; Liu, J. Experimental study on permeability and evolution of granite after high temperature. Chin. J. Rock Mech. Eng. 2021, 40, 2716–2723. [Google Scholar]
- Zhang, N.; Zhao, Y.S.; Wan, Z.J.; Dong, F.K.; Feng, Z.J. Model study on 3D creep of granite under 3D stress at high temperature. Chin. J. Rock Mech. Eng. 2009, 28, 875–881. [Google Scholar]
- Grgic, D.; Giraud, A. The influence of different fluids on the static fatigue of a porous rock: Poro–mechanical coupling versus chemical effects. Mech. Mater. 2014, 71, 34–51. [Google Scholar] [CrossRef]
- Jeong, H.S.; Kang, S.S.; Obara, Y. Influence of surrounding environments and strain rates on the strength of rocks subjected to uniaxial compression. Int. J. Rock Mech. Min. Sci. 2007, 44, 321–331. [Google Scholar] [CrossRef]
- Cekerevac, C.; Laloui, L. Experimental study of thermal effects on the mechanical behaviour of a clay. Int. J. Numer. Anal. Methods Geomech. 2004, 28, 209–228. [Google Scholar] [CrossRef]
- Rybacki, E.; Herrmann, J.; Wirth, R.; Dresen, G. Creep of Posidonia Shale at Elevated Pressure and Temperature. Rock Mech. Rock Eng. 2017, 50, 3121–3140. [Google Scholar] [CrossRef]
- Heap, M.J.; Baud, P.; Meredith, P.G. Influence of temperature on brittle creep in sandstones. Geophys. Res. Lett. 2009, 36. [Google Scholar] [CrossRef]
- Wang, Y.C.; Wang, Y.Y.; Su, C.Q.; Li, J.G. Study of Influence of Environmental Factors on Deep Shale Creep Properties. Shock. Vib. 2018, 2, 9165238. [Google Scholar] [CrossRef]







| Axial Pressure/MPa | E1 /GPa | E2 /GPa | η1 (×103 GPa·h) | η2 (×103 GPa·h) | α | n | The Fitting Degree |
|---|---|---|---|---|---|---|---|
| 8 | 1.294 | 3.146 | \ | 1.520 | 0.212 | \ | 0.95 |
| 16 | 1.352 | 4.524 | 0.0001 | 2.458 | 0.102 | 10.869 | 0.92 |
Disclaimer/Publisher’s Note: The statements, opinions and data contained in all publications are solely those of the individual author(s) and contributor(s) and not of MDPI and/or the editor(s). MDPI and/or the editor(s) disclaim responsibility for any injury to people or property resulting from any ideas, methods, instructions or products referred to in the content. |
© 2024 by the authors. Licensee MDPI, Basel, Switzerland. This article is an open access article distributed under the terms and conditions of the Creative Commons Attribution (CC BY) license (https://creativecommons.org/licenses/by/4.0/).
Share and Cite
Xiu, X.; Wang, Y.; Zhou, Y.; Niu, G.; Zhao, S.; Chang, D. Creep Model and Experimental Verification of Sandstone under the Coupled Effect of Chemical Corrosion and Temperature. Appl. Sci. 2024, 14, 7847. https://doi.org/10.3390/app14177847
Xiu X, Wang Y, Zhou Y, Niu G, Zhao S, Chang D. Creep Model and Experimental Verification of Sandstone under the Coupled Effect of Chemical Corrosion and Temperature. Applied Sciences. 2024; 14(17):7847. https://doi.org/10.3390/app14177847
Chicago/Turabian StyleXiu, Xia, Yong Wang, Ye Zhou, Geng Niu, Shijun Zhao, and Degong Chang. 2024. "Creep Model and Experimental Verification of Sandstone under the Coupled Effect of Chemical Corrosion and Temperature" Applied Sciences 14, no. 17: 7847. https://doi.org/10.3390/app14177847
APA StyleXiu, X., Wang, Y., Zhou, Y., Niu, G., Zhao, S., & Chang, D. (2024). Creep Model and Experimental Verification of Sandstone under the Coupled Effect of Chemical Corrosion and Temperature. Applied Sciences, 14(17), 7847. https://doi.org/10.3390/app14177847

