Next Article in Journal
An Extensive Parametric Analysis and Optimization to Design Unidimensional Periodic Acoustic Metamaterials for Noise Attenuation
Next Article in Special Issue
Extraction of Soluble Phenols and Flavonoids from Native Mexican Pigmented Corn Kernel Powder by Ultrasound: Optimization Process Using Response Surface Methodology
Previous Article in Journal
Report on Prosthetic Fitting, Mobility, and Overall Satisfaction after Major Limb Amputation at a German Maximum Care Provider
Previous Article in Special Issue
Fungal Proteins: Sources, Production and Purification Methods, Industrial Applications, and Future Perspectives
 
 
Font Type:
Arial Georgia Verdana
Font Size:
Aa Aa Aa
Line Spacing:
Column Width:
Background:
Article

Pulsed Electric Field as a Mild Treatment for Extended Shelf-Life and Preservation of Bioactive Compounds in Blood Orange Juice

by
Simona Fabroni
1,*,
Giusy Maria Platania
1,
Margherita Amenta
1,
Gabriele Ballistreri
1,
Francesco Galvano
2,
Ivo Achu Nges
3 and
Nicolina Timpanaro
1
1
Council for Agricultural Research and Economics (CREA)—Research Center for Olive, Fruit and Citrus Crops, Corso Savoia 190, 95024 Acireale, Italy
2
Oranfrizer Juice S.R.L., Provincial Road 28/l Km. 1.300, 95048 Scordia, Italy
3
OptiCept Technologies AB, Skiffervagen 12, 22478 Lund, Sweden
*
Author to whom correspondence should be addressed.
Appl. Sci. 2024, 14(16), 7275; https://doi.org/10.3390/app14167275
Submission received: 25 July 2024 / Revised: 9 August 2024 / Accepted: 10 August 2024 / Published: 19 August 2024

Abstract

The agri-food processing industry predominantly relies on fossil fuels, contributing significantly to greenhouse gas emissions and extensive water use. Climate change requires a conversion of food processing technologies towards sustainability. Our research focuses on testing and validating pulsed electric field (PEF) technology as a mild processing method for stabilizing freshly squeezed, not from concentrate, blood orange juice. Experiments were carried out on a continuous pilot plant endowed with a patented treatment chamber that ensures a constant flow of product without “hot spots” for a homogeneous treatment. Once the operative conditions of the process in terms of energy density were optimized, PEF-treated blood orange juice was tested in order to evaluate the effects on physico-chemical parameters (total soluble solids, total acidity, pH, CIE L*, a*, b*, C*, h color indices, cloud, bioactive compounds (ascorbic acid, total anthocyanins, total and individual flavanones), antioxidant activity (ORAC units, total phenolic content), microbial communities (aerobic mesophilic viable count, yeasts and molds, acid-tolerant microorganisms), residual enzymatic pectinmethylesterase activity, and sensory attributes (flavor, off-flavor, off-odor, color, intensity of odor, acidity, sweetness, bitter, freshness, cooked flavor). Then, in order to simulate the commercial refrigerated distribution of PEF-treated blood orange juice and define its refrigerated shelf-life, the PEF-treated freshly squeezed, not from concentrate, blood orange juice was subjected to physico-chemical, antioxidant, microbiological, and sensory evaluations over twenty days of refrigerated storage at 4 ± 1 °C. The PEF treatment effectively ensured excellent microbial inactivation and enhanced the nutritional and health characteristics of the juice, thereby extending its shelf-life. This study demonstrates the significant potential of the PEF treatment to produce blood orange juice suitable for a new retail segment—freshly squeezed juices with superior health quality, fresh-like characteristics, and extended refrigerated shelf-life.

1. Introduction

The pigmented oranges belonging to the varieties “Tarocco”, “Sanguinello”, and “Moro”, are currently processed by the Italian citrus juice industry, producing a pigmented (blood) orange juice which is very peculiar in respect of its sensory and nutritional properties. The blood orange juice is an acidic aqueous solution (pH~3.3) with a cloudy appearance due to the presence of pectins in suspension in the colloidal state, with a bright red color, a pleasant sweet–acid flavor, and a characteristic fresh and delicate aroma [1]. The soluble components are represented in higher concentrations by simple sugars (sucrose, glucose, and fructose) and organic acids (citric, malic, and isocitric), while various bioactive compounds such as hydroxycinnamic acids, flavanone glycosides, and vitamin C are well represented, playing a very relevant role in the biochemistry of the fruit and giving the juice a high nutritional value [2]. Specifically, blood orange juice is characterized by the presence of water-soluble pigments belonging to the anthocyanin class, which are responsible for its red brilliant color, being also responsible for the higher healthy value of blood orange juice compared to that reported for blond or common orange juice [3,4].
Once blood orange juice is extracted, after pulp reduction processes through refining, a stabilization phase is necessary for the prevention of chemical, physical, and microbiological alterations. Indeed, the NFC (not from concentrate) juice can undergo enzymatic alterations, such as the loss of the characteristic turbidity, or the incidence of oxidative and microbiologically detrimental phenomena, such as the development of spoilage microorganisms responsible for unwanted fermentation processes. At present, HTST (High Temperature Short Time) thermal pasteurization is currently employed for the stabilization of citrus juices as it is effective in counteracting the onset of enzymatic and biological degradation alterations. This pasteurization is generally carried out in heat exchangers in which the heating fluid, consisting of hot water or circulating steam, flows in countercurrent mode with respect to the flow of the juice to be pasteurized. In this way, the juice is brought to temperatures between 80 and 95 °C for 15–60 s. At the end of the thermal stabilization, the juice is cooled and sent for ultra-clean packaging in multilayer containers, PET, or glass bottles or, alternatively, used for concentration [5]. The pasteurized juice is marketed in the refrigerated supply chain (T = 4 °C) with a shelf-life of approximately 45–60 days or, alternatively, sent to concentration and further stored in 240 kg drums as frozen concentrated orange juice. It must be also noted that, in Italy, almost all citrus companies carry out a re-pasteurization heat treatment when the stabilized frozen blood orange juice is thawed to be sent to both national and international client companies. This re-pasteurization has the main aim of providing customers with a juice that is certainly microbiologically “cleaner” and therefore “safer”, but it causes further thermal damage to the juice. Nonetheless, it has been widely demonstrated that thermal pasteurization negatively affects the intrinsic quality of the juice, specifically with respect to its nutritional and sensory value [6]. Indeed, it is known that sugars can react with some free amino acids contained in the juice according to the Maillard reaction, generating reaction products responsible for the non-enzymatic browning of the juice. Furthermore, sugary substances can also undergo caramelization. Other non-enzymatic browning can also take place with a color impact, including browning from ascorbic acid and the degradation and/or polymerization of the pigments present in the juice [7]. Finally, significant reductions in highly thermolabile water-soluble vitamins levels have also been highlighted [8].
The consumer is increasingly aware that nutrition and health are closely interconnected and directly dependent on each other. The Mediterranean diet is a recognized formula for wellness and, starting from it, in recent years various European and extra-European campaigns have been aimed at inviting consumers to eat well and consume larger portions of fresh or minimally processed fruit and vegetables to maintain a good health status. Regarding blood orange juices, in this context, the consumer is increasingly persuaded to consume fresh or fresh-like products that maintain the health benefits and the nutritional and sensory characteristics of the fresh fruit. Accordingly, in the last two decades, scientific research has been committed to the experimentation and validation of new non-thermal technologies, defined as mild technologies, with the aim of achieving optimal microbial and enzymatic inactivation without producing thermal damage and variations in sensory and nutritional values of the fresh juice. All mild food technologies share the same main objectives: (i) ensuring microbiological safety, (ii) preserving nutritional and sensory quality, and (iii) being sustainable in terms of both investment costs and energy consumption. Some examples include ohmic and microwave heating, ultrasound, high-pressure carbon dioxide, high hydrostatic pressures, and high-intensity pulsed electric fields [9]. Among these non-thermal inactivation technologies, high hydrostatic pressure (HHP) and pulsed electric fields (PEFs) can be considered as the most investigated [10,11]. HHP offers great opportunities for food preservation, and at present, cold-extracted juices from fruit and/or vegetables stabilized with HPP technology are available on both national and international markets. Indeed, HPP application forces significant investment costs due to the high pressures required. High-intensity PEF involves the application of high-voltage electrical pulses for a very short time, generally less than a second. Microbial inactivation in the food, which is placed between two electrodes, is ensured by the electroporation and also electric lysis (dielectric breakdown) of the cell membrane of the microorganisms through the formation of electrical charges on the cell membrane itself [12]. For more than two decades, PEF processing effects on different fruit juices have been tested, with promising results for the inactivation of microbial communities and the preservation of nutritional and sensory characteristics of fresh fruit juices. Indeed, several authors evaluated PEF treatment efficacy by applying different operative parameters, such as electric field strength, number of pulses, pulse shape, pulse time, and total treatment time (t = number of pulses × pulse duration), in lab-scale apparatuses or pilot plants, including series of static and continuous collinear treatment chambers in either continuous or batch mode [13,14,15,16,17,18,19,20,21]. It has also been demonstrated that this technology, in addition to preserving the nutritional and sensorial characteristics of the fresh product, can also improve its health potential as the electroporation, induced on the cells of the food itself, increases the extraction of bioactive constituents in the medium [22,23]. In recent years, different commercial-scale systems have been released in the United States, European countries, and China [23]. However, large industrial-scale application of this technology still requires extensive research efforts. Indeed, besides the fact that PEF parameters must be optimized for each food matrix based on its conductivity (limited to low conductivity and air-bubble-free products), pH, type, concentration, and growth stage of the natural microflora, it is widely known that the main drawback of this technology is the ohmic heating due to the joule effect that can be generated under high-intensity PEF treatment, producing “hot spots” with adverse implications for the quality of food products, such as degradation of heat-sensitive bioactive compounds [24]. As a matter of fact, the design of the PEF chamber, which must guarantee and impart uniform treatment to the food matrix with a minimum increase in temperature, and the design of electrodes, which must minimize the effect of electrolysis, may be listed as the two main critical aspects when PEF technology is intended to be employed at industrial scale for commercial purposes.
The present study assessed the application of pulsed electric fields (PEF) for the stabilization of fresh blood orange juice. In alignment with contemporary consumption trends and the imperative to adopt sustainable food processing methods, the treatment was conducted continuously using a patented treatment chamber (Opticept Technologies AB, Lund, Sweden). This chamber ensures a consistent flow and uniform treatment, preventing the formation of “hot spots”. The PEF-treated blood orange juice was evaluated for its physico-chemical, biochemical, nutritional, microbiological, and sensory properties. Additionally, its commercial refrigerated shelf-life was determined

2. Results and Discussion

2.1. Physicochemical Analysis

The physicochemical properties of citrus juices are relevant quality attributes for the processing industries as they have a relevant influence on consumers’ choices and preference [24]. The results of the physicochemical analyses performed on UJ (untreated juice) and PEFJ (PEF-treated juice) immediately after the process and during further refrigerated storage at 4 °C are reported in Table 1.
At T0, immediately after the process, the PEF treatment produced no significant variation in pH and total acidity (TA), while total soluble solids (TSS) showed significantly higher values in the PEFJ samples, probably because of electroporation phenomena, which produced a release of bonded sugars from the juice pulp cells. These results are in accordance with what was previously reported by some authors [14], who recorded no significant changes in TA and pH, and significantly higher TSS values in PEF-treated orange juice with respect to a freshly squeezed orange juice, used as control. At time 0, CIE L*, a*, b*, C*, h* color parameter values showed no differences between UJ and PEFJ, except for L* values, which showed higher values in the PEFJ samples. Furthermore, consistent with our results, other authors [25] reported lower L* values in untreated orange juice with respect to PEF-treated orange juice, highlighting the great potentiality of this stabilizing technology for the preservation of the natural orange juice color. Additionally, other authors [13] reported brighter (L*) values in PEF-treated orange juice with respect to thermally pasteurized orange juice, providing evidence of how this treatment could be conveniently used to preserve the bright color of freshly squeezed citrus juices.
As far as the refrigerated storage is concerned, an increasing trend was recorded for TSS and TA during the storage period, with TSS and TA values equal to 13.24 ± 0.02 (°Brix) and 1.76 ± 0.02 (% citric acid) after 20 days of refrigerated storage. No significant differences were noted in pH values from T0 to T20, probably linked to the buffering capacity of orange juice which can balance small TA variations such as those reported in this study. The °Brix degree represents the soluble solids percentage, and it is commonly and widely used to grade the overall quality of fruit juices [26]. At the same time, TA represents the free organic acids percentage in the fruit juice and provides a relevant indication of the juice stability. Our results showed that during the refrigerated storage, an increase in TSS and TA occurred. An increase in TSS during cold storage of orange fruit has been previously reported [27]. The authors explained this behavior as a consequence of hydrolytic scission phenomena of various glycosylated components of juice, which can occur in response to the need of free monosaccharides as a substrate for the onset of several metabolic processes during cold storage [28]. Furthermore, an increase in TA of orange juice during refrigerated storage has been previously reported by other authors [25], who opined that this behavior is probably linked to the spoilage of the juice caused by the gradual increase in the microbial load. Indeed, microorganisms, which are responsible for fruit juice spoilage, can induce an increase in acidity due to fermentation phenomena [18]. The CIE L*, a*, b*, C*, h* values remained constant throughout the whole storage, showing a relevant stability of the PEF-stabilized blood orange juice. Indeed, in accordance with our results, other authors have previously reported a lower browning index in PEF-treated orange juice with respect to thermally pasteurized ones, showing that the color of the PEF-treated orange juice remained stable during the storage at both 4 °C and 22 °C [13,18]. The color of fruit juice is an important quality attribute, and negative changes in its coordinates may undesirably affect consumer acceptance; therefore, it is very important to apply stabilizing technologies that do not produce detrimental variations in the color of fruit juices. Our results suggest a great potentiality for the PEF process to be applied as a stabilizing technology for the maintenance of the fresh-like color of refrigerated blood orange juice.
Cloud is a significant quality attribute of orange juice that contributes to its flavor, aroma, and turbidity [29]. The pectinmethylesterase (PME) enzyme causes a loss of cloud in freshly squeezed citrus juices. The loss of turbidity is mainly linked to the activity of PME, which is responsible for the demethoxylation of pectins. In citrus fruits, pectins, although distributed throughout almost the entire fruit, are more localized in the albedo; therefore, following squeezing they are found in large quantities in the juices. In the extracted juice, pectins act as protective colloids, helping to preserve juice cloud and preventing the aggregation and subsequent precipitation of very fine pulp fragments. Furthermore, pectins contribute to the body of the juice, which also contributes to maintaining its characteristic color. The demethoxylating activity of PME causes pectin to lose its peculiar function as a protective colloid, leading to the irreversible precipitation of the substances responsible for the juice cloud. This is the reason why the inactivation of PME is strictly needed to preserve orange juice cloud stability [13,17,25]. The results of the cloud values and PME activity on UJ and PEFJ immediately after the process and during further refrigerated storage at 4 °C are reported in Figure 1 and Figure 2, respectively.
The effect of the PEF process is shown in Figure 1. Juice cloud at T0 resulted to be not only preserved but significantly (p ≤ 0.01) improved, switching from 2.731 ± 0.0007 to 2.749 ± 0.0007, indicating that the PEF treatment and the correlated electroporation and dielectric breakdown of the juice cells did not produce detrimental effects on juice turbidity, which, in turn, was well maintained and enhanced. In line with these findings, the % residual PME activity measured in PEFJ immediately after the process (T0) was significantly (p ≤ 0.01) lower with respect to UJ. Indeed, remaining PME activity equal to 22.03 ± 0.006% was recorded in PEFJ at T0, thus showing that PEF treatment inactivated ~80% of the PME activity recorded in UJ. PME is a heat-sensitive enzyme; therefore, it is currently inactivated in citrus juice by thermal pasteurization [30]. Our results are in line with most of the previous studies carried out on PEF inactivation of PME in orange juice. Yeom et al. [13] reported that a PEF treatment (35 kV/cm, 59 µs) achieved 90% PME inactivation in “Valencia” orange juice, while Elez-Martinez et al. [25] achieved 80% inactivation in “Navelina” orange juice applying 35 kV/cm of electric field strength and 1500 µs treatment time. Even if most of the available literature on this topic is in accordance with our findings, it must be highlighted out that Vervoort et al. [31] reported that the PEF treatment (23 kV/cm monopolar pulses of 2 µs) achieved only 34% PME inactivation. It must be pointed out that PEF process parameters are very likely to influence the effect on the overall quality of the treated juice; therefore, different operative conditions, such as batch or continuous systems, pulse shape, frequency, energy density, pulse width, treatment time, geometric properties of the chamber, and maximum temperature reached during the process, could putatively lead to different PME inactivation results.
During 20 days of refrigerated storage, both cloudiness values and PME activity showed a constant trend with no significant changes recorded at the different timepoints. Cloud values ranged from 2.749 ± 0.0007 at T0 to 2.7495 ± 0.0010 a T20, while PME activity, expressed as μmol carboxyl released/min × mL, ranged from 0.3550 ± 0.019 at T0 to 0.3102 ± 0.007 at T20. Thus, it can be concluded that PME activity was not restored and PEF treatment was effective in causing an irreversible deactivation of PME. Our results are in accordance with what was previously reported by other authors [13,17,25,32], who stated that PME activity significantly decreased after PEF treatment and remained stable during refrigerated storage. Other authors [23] concluded, in their recent review, that the mechanism under which the enzymatic inactivation is achieved after PEF treatment is mainly attributable to changes in structure and conformation of the enzyme itself, which are responsible for the modification of the enzymatic activity. Moreover, these modifications are mainly dependent on the applied PEF system and PEF process operative parameters, especially the energy density.

2.2. Antioxidant Components and Antioxidant Activity Assays

2.2.1. Antioxidant Components

The concentrations of total flavanone glycosides (with hesperidin and narirutin being the most abundant) in untreated and PEF-treated blood orange juice are shown in Figure 3. As previously reported, blood oranges mainly accumulate the tasteless flavanones rutinoside, narirutin, and hesperidin, with hesperidin accounting for about 50–80% of the total flavanone content [2,33]. Our findings are in accordance with these results, as hesperidin, narirutin, and total flavanone contents in UJ were equal to 40.72 ± 0.90, 27.61 ± 0.39, and 68.33 ± 1.29 mg/L, respectively, wherein hesperidin content equaled 59.59% of the total flavanone content. The applied PEF treatment showed a significant (p ≤ 0.05) improvement effect on the hesperidin content of PEFJ. Indeed, at T0, immediately after the process, the hesperidin content increased from 40.72 ± 0.90 mg/L to 45.98 ± 0.81 mg/L, producing an enhancement in total flavanone content, which passed from 68.33 ± 1.29 mg/L to 73.12 ± 1.29 mg/L. No significant differences in narirutin levels at T0 were recorded between UJ (27.61 ± 0.39 mg/L) and PEFJ (27.15 ± 0.47 mg/L). It has been previously reported that the PEF process induces an enhancement in the extraction of intracellular components due to the electroporation occurring in the cell membranes, which causes an improvement in the mass transfer of bioactive constituents out of the cells [16,23,24,34]. Other authors [16] also reported that bioactive compounds’ concentration in the juice obtained after pressing PEF-treated orange, pomelo, and lemon fruits were higher with respect to the control untreated fruits. In particular, they found an increase in the release of polyphenols from the inner parts of the cells into the juice equal to 39%, 66%, and 135% for orange, pomelo, and lemon juices, respectively. As most of the previous studies have shown, greater effects on the enhancement of the bioactive compounds’ levels are obtained by applying a higher electric field strength than with the application of low energy [21,23]. Furthermore, it must be stressed that increased electric field strengths are associated with the critical increase in the juice temperature during the process, even to ~60 °C [16,17,18], and this may cause detrimental effects on juice quality attributes induced by thermal damage. The PEF process herein proposed has been demonstrated to produce an increase in the total flavanone rutinoside content, thus ensuring an improvement in the blood orange juice quality attributes, while applying mild processing parameters, which allowed the temperature to never exceed 45 °C during the process, thus avoiding thermal damage to the juice matrix.
Total ascorbic acid and anthocyanin contents found in untreated and PEF-treated blood orange juice are reported in Figure 4. Untreated blood orange juice had an ascorbic acid content equal to 59.19 ± 0.75 mg/100 mL. This value is in accordance with the values reported for industrial, not from concentrate, blood orange juice [30], which was equal to ~60 mg/100 mL, and for freshly squeezed Navelina orange juice [25], which was equal to 52.1 mg/100 mL. It is widely known that ascorbic acid acts as an antioxidant in the juice matrix and the recommended daily intake, as recommended by US FDA, should never be below 60 mg/day [35]. Therefore, a retention of ascorbic acid after the industrial stabilization of freshly squeezed citrus juice is highly welcome and recommended. The herein proposed PEF process guaranteed a full retention of ascorbic acid content, as its value was equal to 62.92 ± 4.82 mg/100 mL in PEFJ at T0, immediately after the process. Several previous studies have reported very promising results for the PEF technology regarding the retention of ascorbic acid. Preservation of ascorbic acid in orange juice was reported by other authors [36] after low-energy PEF processing with 80 KV/cm and 0.333 Hz. Additionally, other authors [37] reported that PEF processing did not significantly change the concentration of ascorbic acid, which was equal to 55 mg/100 mL in both freshly squeezed orange juice and PEF-treated (40 KV/cm, 2.6 pulse duration time, and 97 ms total PEF treatment time) orange juice. Sanchez-Moreno et al. [14] reported 93% ascorbic acid retention after a PEF treatment of 35 KV/cm for 1000 µs with bipolar pulses of 4 µs. It is widely known that ascorbic acid is vulnerable to enzyme-catalyzed oxidation, specifically ascorbate oxidase and peroxidase [38]; therefore, it may be hypothesized that the applied PEF treatment partially deactivated some of the enzymes responsible for ascorbic acid loss [14]. Furthermore, it must be stressed that very intense PEF settings have been reported to have negative effects on the vitamin C contents. Indeed, Torregrosa et al. [39] reported that vitamin C values decreased with longer times and stronger fields (5–40 KV/cm, 30–340 µs). Additionally, ref. [18] reported that the increased intensity of the PEF enhanced ascorbic acid degradation. Ascorbic acid is a heat-sensitive nutrient, and it is highly recommended to prevent the onset of high temperatures during citrus juice stabilization in order to avoid thermal damage. The application of high intensity fields is associated with the significant increase in the juice temperature during PEF processing, and this is probably the cause of the degradation of ascorbic acid that occurred while operating under stronger fields. As mentioned before, our PEF process conditions prevent thermal damage to the nutritional quality of blood orange juice, thereby ensuring the preservation of its high nutritional value.
Total anthocyanin content significantly (p ≤ 0.01) increased after our PEF process, changing from 52.35 ± 0.04 mg cyanidin-3-glucoside equivalents (CGE)/L to 55.59 ± 0.11 mg CGE/L (Figure 4). The anthocyanin content of blood orange juice is a very relevant quality characteristic that influences consumer acceptance. Indeed, the presence of anthocyanins is responsible for the brilliant red color of blood orange juice, along with being associated with a higher antioxidant efficiency of the juice [4]. In a previous study [40], it was demonstrated that fruit juice beverages treated in a low electric field (20 kV/cm) recorded higher total anthocyanin contents with respect to the untreated control samples, while higher electric fields (40 kV/cm) led to anthocyanin degradation. The authors concluded that, at lower PEF conditions, the electroporation may enhance the extractability of anthocyanins from fruit cells and that the application of higher electric fields was detrimental due to the thermal damage induced in the beverage. In order to prevent degradation of bioactives, if higher PEF conditions have to be applied, they promoted the addition of antioxidant ingredients (i.e., stevia sweetener), thereby protecting the bioactive compounds of the juice from degradation.
Concerning the behavior of the antioxidant components during the refrigerated storage at 4 °C of PEFJ, the results of hesperidin, narirutin, total flavanone, ascorbic acid, and total anthocyanin contents are reported in Table 2. Total flavanones showed an increasing trend during refrigerated storage, with significantly higher values (p ≤ 0.05) after 15 days for hesperidin and after 20 days for narirutin and total flavanones. Our results are in accordance with what was stated by other authors [16], who noted an increase in hesperidin and other flavanones during refrigerated storage of orange juice treated by PEF at electric field strengths ranging from 13.82 to 21.50 kV/cm and treatment time ranging from 1033.9 to 1206.2. It has been previously demonstrated that flavanones tend to precipitate at low pH, from the soluble fraction of orange juice to its cloud, and this leads to an increase in the flavanone concentration in the cloud, especially at low temperatures [41]. Considering that the cloud fraction of PEFJ was enhanced and also preserved during refrigerated storage (Figure 1 and Figure 2), it can be postulated that flavanone components accumulated in the cloud fraction of the PEFJ were well protected during refrigerated storage and their concentration tended to increase in response to this phenomenon. Ascorbic acid content showed a decreasing trend, even though its variation from T0 to T20 was not significant. These changes are not so drastic to determine a relevant alteration of the preserving and antioxidant action exerted in blood orange juice by ascorbic acid. Indeed, ascorbic acid acts as an oxygen scavenger and its destruction provides reactive carbonyl groups, which can be precursors to non-enzymatic browning of the juice. Therefore, the preservation of this component guaranteed by our PEF process is of high relevance for the preservation of the overall quality of the stabilized blood orange juice. Regarding total anthocyanin content, a decreasing trend was observed with significantly (p ≤ 0.01) lower values recorded at T20. As previously reported [24], anthocyanin degradation in thermally stabilized orange juices is presumably due to the formation of furfurals and other carbonyl compounds, which can form condensation products with anthocyanins [42]. In this way, it may be hypothesized that our PEF process prevents furfural formation, as reported by other authors [31] in blended orange–carrot juice, both after PEF treatment and with the storage, thus preventing anthocyanin degradation. Moreover, it must be pointed out that, at T20, total anthocyanin concentration was equal to 53.25 ± 0.04, a value that is lower than that of PEFJ at T0 but still higher than that of UJ before the PEF process, which was equal to 52.35 ± 0.04 mg CGE/L. Therefore, it can be concluded that anthocyanin components were increased by the PEF treatment so that their levels remained preserved during the 20 days of refrigerated storage.

2.2.2. Antioxidant Activity Assays

Total polyphenol contents in UJ and PEFJ samples were determined by the Folin–Ciocalteu reagent (FCR) colorimetric assay, which is based on an electron-transfer (ET) reaction. Indeed, as in other ET-based assays (i.e., the frequently used DPPH assay), it gives an overview of the antioxidant activity exerted by all the antioxidant compounds, which operate through the transfer of an electron [43]. Figure 5 shows its value at T0, immediately after the process. As a result of the PEF process, total polyphenol content was noted to be preserved and even enhanced (UJ: 858.04 ± 5.27 mg gallic acid equivalent (GAE)/L; PEFJ: 867.77 ± 0.63 mg GAE/L). In previous studies, comparable values were reported with respect to total phenolic contents for untreated and PEF-treated orange juice [16]. Similarly, the application of PEF treatment (40 kV/cm, 130 µs) to an orange juice–milk beverage caused a 9% increase in total phenolics [44]. These results are also in accordance with what was reported by [19], who reported that the radical scavenging capacity, determined by DPPH, remained constant after PEF treatment (35 KV/cm, total treatment time equal to 1000 µs) in orange juice samples. To the best of our knowledge, this is the first study reporting ORAC unit values for PEF-treated blood orange juice. The ORAC assay is based on a hydrogen atom transfer (HAT) reaction mechanism and measures the antioxidant scavenging activity against peroxyl radicals induced by AAPH radicals. Therefore, differently from the FCR assay, it is mainly correlated with those compounds that exert their antioxidant activity based on the transfer of a hydrogen atom. In the evaluation of the antioxidant activity of a food sample, it is essential to include at least one assay based on an ET reaction mechanism and one based on an HAT mechanism. Our results highlighted that ORAC unit values were significantly (p ≤ 0.05) improved after PEF treatment. UJ had ORAC units equal to 3079.20 ± 57.21, while PEFJ at T0 recorded 3398.87 ± 31.71 ORAC units. This could be attributable to the fact that the electroporation phenomenon and the correlated increased permeabilization of the juice cells enhance the release of intracellular metabolites, thereby increasing mass transfer of antioxidant compounds out of the cells [16].
The trends recorded for total polyphenols and ORAC units during 20 days of refrigerated storage are reported in Table 3. As the refrigerated storage proceeded, total polyphenol content showed a gradual decline starting from 15 days, with the lowest values, equal to 836.16 ± 0.80 mg GAE/L, being recorded after 20 days at the end of the refrigerated storage period. Our results are in accordance with what was previously reported by other authors [16], who showed that, during the shelf-life of PEF-treated orange juice, total polyphenol content decreased with the storage period. Regarding ORAC units, the retention of the antioxidant activity of PEFJ was recorded during the whole refrigerated storage period, as ORAC units were preserved and maintained until the end of the 20-day storage period. Indeed, PEFJ after 20 days still showed 3735 ± 23.06 µmol TE/100 mL as ORAC units, highlighting that the contribution of the bioactive components of the juice to the overall antioxidant capacity of the PEFJ was conserved. As previously reported, the relationship between the antioxidant activity and bioactive compounds depends on several factors, including the chemical structure of individual components, their synergistic interaction, and the specific conditions applied in different assays [43]. Based on our results, it can be stated that the antioxidant activity of PEFJ, as determined by the ORAC assay, is not only attributable to a single phytochemical compound, but is also broadly associated with the vitamin C, flavonoid, anthocyanin, and polyphenolic contents of the raw blood orange juice.

2.3. Microbial Analysis

The microbial stability of PEFJ during refrigerated storage (4 °C) is shown in Figure 6. At T0, immediately after the process, our results show the great potentiality of the PEF process in achieving microbial inactivation, more evidently in the counts of mesophilic viable bacteria on plate count agar (PCA) solid plates and spoilage microorganisms on orange serum agar (OSA) solid plates, as well as in the count of yeasts and molds on sabouraud dextrose agar (SAB) solid plates. Indeed, the initial microbial load of freshly squeezed blood orange juice was 3.18 ± 0.06 Log CFU/mL in PCA, 2.85 ± 0.09 Log CFU/mL in SAB, and 3.28 ± 0.01 Log CFU/mL in OSA, before treatment (UJ). The PEF process was able to significantly inactivate microbial growth, as at T0 there were no culturable organisms present in the juice for PCA and OSA plates, while yeasts and molds reached a microbial load equal to 1.70 ± 0.09 Log CFU/mL. This kind of microbial inactivation induced by the PEF process is similar to levels reported in previous findings by [25,37], who reported microbial counts below 1 Log CFU/mL in PEF-treated orange juice processed at 40 kV/cm for 97 µs and 35 kV/cm for 1000 µs, respectively. Moreover, the lower effect of PEF on the inactivation of yeasts and molds with respect to bacteria was also previously reported in another study [37]. PEF technology has been proposed as a promising food disinfection method based on its ability to induce irreversible cell membrane electro-permeabilization, which leads to the death of the bacteria [12]. It has been demonstrated, based on the use of advanced SEM, that after PEF exposure of vegetative bacteria, alterations in the cell shape and the presence of cell debris occur, affecting cell wall integrity and inducing plasma membrane permeabilization [12]. Indeed, the authors explored the influence of the electric field strength on the inactivation of vegetative bacteria by applying 1000 pulses of 5 µs from 2 to 7.5 kV/cm. They found that between 2 and 6 kV/cm, the inactivation is due to reversible permeabilization by electroporation, and the inactivation induces the irreversible permeabilization of the cell wall only for higher electric fields. Based on this, it was presumable that in our PEF process, applied at an energy density equal to 180 kJ/Kg, electroporation may be reversible. Thus, in order to unequivocally determine the commercial refrigerated shelf-life of our PEF-treated blood orange juice, we carried out samplings at 5-day intervals during refrigerated storage at 4 °C. This temperature was chosen to mimic refrigerated storage during retail and household storage. As expected, as storage continued, microbial counts began to increase. The microbial value of 6 Log CFU/mL was considered unacceptable for juice quality [45], and it was almost reached after 20 days of refrigerated storage. As a matter of fact, microbial load of PEFJ at 20 days was 5.93 ± 0.10 Log CFU/mL in PCA, 6.07 ± 0.02 Log CFU/mL in SAB, and 6.04 ± 0.01 Log CFU/mL in OSA. So, during refrigerated storage, microbial cells wall repaired, and microorganisms reverted to their vegetative and culturable state. This is why we decided to end the refrigerated storage at T20 as, although physicochemical, enzymatic, and antioxidant properties were still well preserved and maintained, the microbial safety of the PEFJ was not ensured after 20 days. Previous studies have reported longer microbial stability during shelf-life studies. Min et al. [44] reported that PEF-processed orange juices (40 kV/cm for 97 µs) maintained the microbial counts at less than 1 Log at 4 °C for 112 days. Elez-Martinez et al. [25] showed that PEF-processed orange juice (35 kV/cm for 1000 µs) was stable for 56 days at 4 °C. Other authors [20] reported that PEF-treated (35 KV/cm; pulse width 3 µs; measured outlet temperature 67 °C) Opuntia cactus juice maintained good microbial stability after 15 days of storage at 8 °C for total colony, yeast/mold, and acid tolerant microorganism counts. In these studies, stronger electric fields were applied and, as a consequence, higher temperatures were probably reached during the process, therefore allowing a longer microbial stability during the juice shelf-life to be achieved. The PEF process herein proposed was operated in continuous mode using a patented treatment chamber, which guarantees a constant flow and homogeneous treatment, avoiding the onset of “hot spots”. Moreover, a minimum increase in temperature was recorded during the process, never exceeding 45 °C. It is plausible, therefore, to state that all microorganisms were inactivated due to electroporation and no additional thermal damage had occurred. It must be also pointed out that untreated juice (UJ) was very rapidly spoiled by microorganisms and reached almost 6 Log CFU/mL for all the investigated microbial consortia after 5 days at 4 °C. Our results suggest that PEF-stabilized freshly squeezed blood orange juice might not be considered an alternative to the thermally pasteurized one, but as a freshly squeezed blood orange juice to be allocated within a new retail segment, i.e., that of freshly squeezed juices with better health quality and an extended refrigerated shelf-life.

2.4. Sensory Analysis

From the statistical analysis of the data, the only descriptor that was found to be significantly different was the intensity of the odor (p ≤ 0.01), because at T0, immediately after the treatment, a decrease in the intensity of the odor was highlighted in the PEFJ sample compared to the UJ sample. This result is in accordance with what was reported by Agcam et al. [16], which had the best result for odor perception in fresh untreated orange juice. No statistically significant differences in other sensory descriptors were observed at T0 (Figure 7).
During the storage of treated juice (PEFJ), only the intensity of the odor (p ≤ 0.01) and the sweetness (p ≤ 0.05) descriptors were found to be statistically different. In fact, the first increased from T0 to T20, and the second had an opposite trend. The other sensory descriptors did not undergo variations compared to T0 (Figure 8).

3. Materials and Methods

3.1. NFC Blood Orange Juice

Not from concentrate (NFC) freshly squeezed blood orange juice was extracted and supplied by Oranfrizer juice srl, Scordia, Italy. At least 60 L of blood orange juice was used for the PEF treatment (PEFJ), while an aliquot was taken off as a control sample for comparative analysis (UJ).

3.2. Pulsed Electric Field Equipment

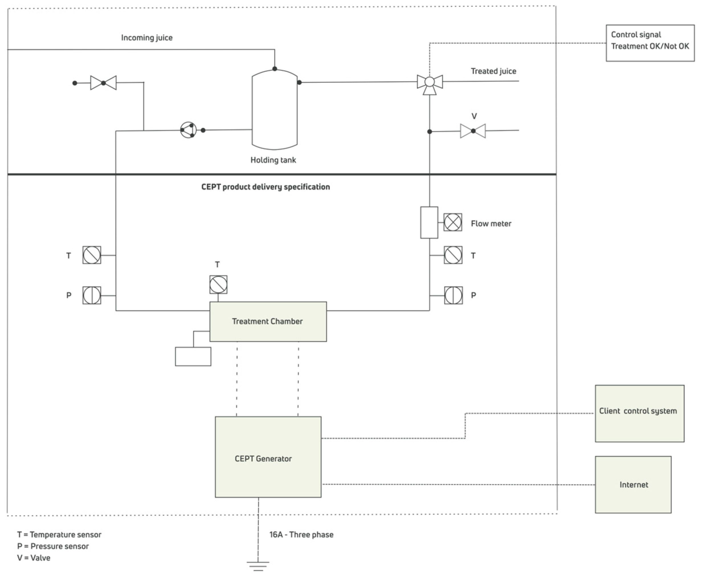
NFC blood orange juice was subjected to PEF treatment by adopting the juiceCEPT+® equipment distributed by Opticept technologies AB (Lund, Sweden). The juiceCEPT+® is a pre-assembled, plug and play unit (Figure 9). The components are hygienically designed in compliance with EHEDG provisions. It consists of a PEF high-voltage generator and a cabinet with an optimized booster step (treatment chamber). The equipment continuously monitors and logs the product conductivity, pressures, temperatures, product flow, and power level. These sensors provide valuable information about the treatment process and allow for complete quality assurance and process safety. The treatment is only enabled when there is enough flow through the system, and the integrated control valve ensures the maximum flow rate is not exceeded. Any amount of product that has not been sufficiently treated is returned through a 3-way valve. The equipment generates near-squared pulses in both monopolar and bipolar modes with an infinitesimally short rise time. The pulse generator has a maximum voltage of 8 kV, which generates the required electric field during the treatment, and maximum power of 8.4 kW. The number of pulses and treatment time (µS) may be modulated to adapt the treatment to the product. The treatment intensity recorded in terms of energy density was varied during the treatments by either increasing the power or decreasing the flow rate, wherein the energy density ranged from 120 to 200 kJ/kg of the product. The process connection is made from stainless steel and is food-grade. The patented 3D-printed treatment chamber is made from Nylon 12/PA12 and its two parallel parallelepiped electrodes are made from titanium covered with a noble metal coating for quick replacement and long life. The juiceCEPT+® is operated via a Siemens-based PLC system based on digital start/stop signals or complete integration to end users’ PLC systems. The juiceCEPT+® is CE certified, meaning it is qualified to work safely. All cables and protective devices are designed and sized to comply with the EU Safety Directive and the relevant Electrical and Current Directives. The EMC Directive is equally guaranteed and certified by a qualified external body, ensuring zero emissions both via air and cables.

3.3. Processing and Cleaning Procedures

The orange juice feed tank and all tubing and pipes of the PEF equipment were cleaned before processing using flowing hot water (50 °C) for preliminary washing, further distilled water, then 5% w/w aqueous solution of NaOH to eliminate crusting, distilled water again for rinsing, and, finally, sterile distilled water. PEF-treated juice was collected in a stainless-steel tank, sterilized by autoclaving before processing, under a laminar flow hood in order to avoid post-process cross-contaminations. At the end of each treatment, the tank was disconnected and opened to take samples for analysis, taking care to maintain sterility by working under the laminar flow hood.
Operative conditions for PEF blood orange juice (conductivity ≤ 3 mS/cm) processing were optimized, having as the target the achievement of a 3-Log10 reduction in mesophilic viable count, yeasts and molds, and aciduric microorganisms associated with spoilage of citrus products in the PEF-treated juice. The optimized PEF conditions are summarized as follows: treatment time ≤ 3000 µS and energy density equal to 180 kJ/kg. Juice flow was recorded at 115 m3/h and the recorded final temperature never exceeded 45 °C. At these conditions, three replicate processing trials were performed, and results herein reported are average values of the three processing runs. To evaluate the effectiveness of the process, an amount of freshly squeezed blood orange juice was taken as control (UJ, untreated juice). The PEFJ (PEF-treated juice) commercial refrigerated shelf-life was determined by evaluating physicochemical, antioxidant, microbiological, and sensory attributes during refrigerated storage of PEFJ at 4 ± 1 °C, at 5-day intervals, for 20 days.

3.4. Physicochemical Analysis

Titratable acidity (TA), total soluble solids (TSS), and pH were determined according to conventional methods [46]. Color analysis was evaluated as CIE (Commission Internationale de l’Eclairage) L*a*b*C*h* values, using CIE D65 as the illuminant in reflectance mode (Konica Minolta spectrophotometer model CM-5). L* defines the brightness (lightness); a* shows the redness: green to red; b* represents the yellowness: blue to yellow; C* indicates the saturation (chroma); and h denotes the hue angle, an angular measurement. PME activity was measured titrimetrically at pH 7.0 and 25 °C using the method described by Rouse and Atkins [47] and expressed as μmol carboxyl released per min per mL of sample. Cloudiness was measured by recording the absorbance at 660 nm [48].

3.5. Antioxidant Components and Antioxidant Assays

The ascorbic acid concentration was evaluated by liquid chromatography using a Waters Alliance 2695 HPLC equipped with a Waters 996 photodiode array detector and Empower software v. 3.8.1 [49]. Total anthocyanin content was determined spectrophotometrically (Varian UV–Vis spectrophotometer model Cary 100 Scan) by the pH differential method [50]. Flavanone glycoside concentration, expressed as hesperidin equivalents (mg/L), was determined by HPLC [51]. Samples were analyzed for total phenolics by the Folin–Ciocalteu (FC) colorimetric method [52]. Antioxidant activity was determined using the ORAC assay, as described by Ou, Hampsch-Woodill, and Prior [53], with some modifications. Briefly, the measurements were carried out on a Wallac 1420 Victor III 96-well plate reader (EG & Wallac, Turku, Finland) with a fluorescence filter (excitation 485 nm, emission 535 nm). Fluorescein (116 nM) was the target molecule for free radical attack from AAPH (153 mM), which was used as the peroxyl radical generator. The reaction was conducted at 37 °C and pH 7.0, with Trolox (10 μM) as the control standard and 75 mM phosphate buffer (pH 7.0) as the blank. All solutions were freshly prepared prior to analysis. The samples were diluted with phosphate buffer (1:25–100, v/v) prior to analysis, and results are reported as micromoles of Trolox equivalents per 100 mL of juice.

3.6. Microbial Analysis

Microbiological analyses were performed at time 0, the same day of the PEF treatment, and every 5 days thereafter for a period of 20 days. Untreated juice was analyzed on the day of the treatment as control. Viable cells in treated and untreated juices were counted using solid growth medium and serial decimal dilutions in sterile physiological saline solution. Mesophilic viable count (MVC) was performed on plate count agar (PCA, Oxoid (UK) CM325), after 48 h incubation at 32 °C. Yeast and mold counts were determined with sabouraud dextrose agar (SAB, Oxoid (UK), CM41) after incubation at 25 °C for 2–4 days. Spoilage microorganisms that typically contaminate orange juice were counted on orange serum agar (OSA, Oxoid (UK), CM0657) plates incubated at 30 °C and examined after 2–4 days.

3.7. Sensory Analysis

The sensory profile method was performed by a trained panel [54], and ten panelists (4 males and 6 females, aged between 28 and 55 years) were selected among the staff of CREA—Research Centre for Olive, Fruit and Citrus Crops, located in Acireale, Italy. The analysis was conducted at the CREA sensory laboratory (Acireale, Italy), realized in accordance with the standard [55], and equipped with specific software for the acquisition and processing of sensory data (Smart Sensory box, Smart Sensory Solutions s.r.l., Sassari, Italy). Aside from terminology development, the use of reference materials was essential for efficient training, supporting the judges in describing and quantifying the sensory descriptors, and enabling an effective learning process. During the training period, the judges selected the attributes to describe the color (light orange to deep red), odor of orange, off-odor, acidity, sweetness, flavor, freshness (descriptor to evaluate how much the juice resembled freshly squeezed juice), off-flavor, and bitterness. For the training, fresh orange juice and commercial juices were used. Judges evaluated the intensity of each attribute by assigning a score between 1 (absence of the sensation) and 9 (extremely intense) on a numerical unipolar scale [56]. The juice was then evaluated by the judges at a temperature of about 10 °C and it was codified with three-digit codes. The codes were automatically produced by the Smart Sensory box.

3.8. Statistical Analysis

Statistical elaboration of the results was carried out with the program STATSOFT 6.0 (Vigonza, Padova, Italy). The statistical differences between UJ (untreated juice) and PEFJ (PEF-treated juice) were evaluated by variance analysis (ANOVA), and the means separation was executed via the Tukey test. One-way ANOVA and the Tukey test were also employed to determine differences in the physicochemical, antioxidant, microbiological, and sensory attributes of juice during the 20 days of refrigerated storage at 4 ± 1 °C.

4. Conclusions

The present study demonstrated that pulsed electric field (PEF) treatment is a viable non-thermal technology for stabilizing blood orange juice, effectively reducing the total microbial load and enhancing shelf-life without compromising its nutritional, antioxidant, and sensory qualities. While the adoption of innovative non-thermal technologies for citrus juice stabilization involves initial investment costs and faces challenges due to the lack of regulations or legislative provisions in the European Community food industry, several significant opportunities exist. Mild technologies, including PEF, utilize electricity, leading to substantial reductions in gas emissions and water consumption. Additionally, as the electrical grid increasingly relies on renewable sources like photovoltaic energy, the operating costs of these technologies can be further minimized. This research highlights new opportunities for applying PEF technology to create fresh-like products that retain their taste and freshness with a 15–20-day shelf-life.
Moreover, based on our results, PEF technology can be also conveniently used during the citrus juice processing chain as an alternative to the re-pasteurization of frozen orange juice that is previously thermally pasteurized and stored in drums, and then thawed to be sent through refrigerated transport to third-party companies that use the juice for the production of fruit drinks and beverages. Our results highlighted that PEF treatment avoids the re-application of heat and the subsequent sensorial/nutritional alterations in the semi-finished products that are to be sold to third parties. The application of PEF technology at this stage of the citrus juice processing chain would be very significant in avoiding the re-pasteurization and further thermal damage of the juice.
The applicability of the PEF technology proposed herein to other types of fruit and vegetable juices (acidic or not) and in other storage conditions (refrigerated or not) will be the object of further studies to validate its effectiveness and promote its application in other fruit and vegetable supply chains.

Author Contributions

Conceptualization, S.F.; methodology, S.F., I.A.N., G.M.P. and N.T.; software, S.F. and G.M.P.; validation, S.F. and I.A.N.; formal analysis, S.F., G.M.P. and N.T.; investigation, S.F., G.M.P. and N.T.; resources, S.F. and F.G.; data curation, S.F., G.M.P. and N.T.; writing—original draft preparation, S.F.; writing—review and editing, S.F., I.A.N., N.T., M.A., G.B. and F.G.; Supervision, S.F.; project administration, S.F.; funding acquisition, S.F. All authors have read and agreed to the published version of the manuscript.

Funding

This research was funded by Italian Ministry of University and Research, “Shelf-life, quality and safety of high-convenience fruit and vegetables (POFACS) Project” Directorial Decree n. 1211 of 30 July 2020 and its corrigendum no. 1104 of 12 May 2021.

Institutional Review Board Statement

Participants involved in the sensory analysis were informed about the nature and composition of the experimental product and that the tested product was safe for consumption. They gave their consent by signing a document containing information relating to the product and indicating that they could withdraw from the study at any time without giving any reason.

Informed Consent Statement

Not applicable.

Data Availability Statement

The data presented in this study are available on request from the corresponding author. The data are not publicly available due to privacy.

Conflicts of Interest

Author Francesco Galvano was employed by the company Oranfrizer Juice S.R.L.; Author Ivo Achu Nges was employed by the company OptiCept Technologies AB. The remaining authors declare that the research was conducted in the absence of any commercial or financial relationships that could be construed as a potential conflict of interest.

References

  1. Rapisarda, P.; Fabroni, S. Succhi. In Gli Agrumi Coltura e Cultura; ART Servizi Editoriali: Bologna, Italy, 2012; pp. 438–447. ISBN 978-88-6614-856-2. [Google Scholar]
  2. Rapisarda, P.; Lo Bianco, M.; Pannuzzo, P.; Timpanaro, N. Effect of cold storage on vitamin C, phenolics and antioxidant activity of five orange genotypes [Citrus sinensis (L.) Osbeck]. Postharvest Biol. Technol. 2008, 49, 348–354. [Google Scholar] [CrossRef]
  3. Fallico, B.; Ballistreri, G.; Arena, E.; Brighina, S.; Rapisarda, P. Bioactive compounds in blood oranges (Citrus sinensis (L.) Osbeck): Level and intake. Food Chem. 2017, 215, 67–75. [Google Scholar] [CrossRef] [PubMed]
  4. Rapisarda, P.; Amenta, M.; Ballistreri, G.; Fabroni, S.; Timpanaro, N. Distribution, Antioxidant Capacity, Bioavailability and Biological Properties of Anthocyanin Pigments in Blood Oranges and Other Citrus Species. Molecules 2022, 27, 8675. [Google Scholar] [CrossRef] [PubMed]
  5. Rapisarda, P. Qualità dei frutti e dei succhi. In Citrus. Trattato di Agrumicoltura; Vacante, V., Calabrese, F., Eds.; Edagricole-New Business Media: Milan, Italy, 2009; pp. 419–436. ISBN 9788850652723. [Google Scholar]
  6. Shomer, R.; Cogan, U.; Mannheim, C.H. Thermal death parameters of orange juice and effect of minimal heat treatment and carbon dioxide on shelf-life. J. Food Process. Preserv. 1994, 18, 305–315. [Google Scholar] [CrossRef]
  7. Bharate, S.S.; Bharate, S.B. Non-enzymatic browning in citrus juice: Chemical markers, their detection and ways to improve product quality. J. Food Sci. Technol. 2014, 51, 2271–2288. [Google Scholar] [CrossRef] [PubMed]
  8. Mandha, J.; Shumoy, H.; Matemu, A.O.; Raes, K. Characterization of fruit juices and effect of pasteurization and storage conditions on their microbial, physicochemical, and nutritional quality. Food Biosci. 2023, 51, 102335. [Google Scholar] [CrossRef]
  9. Rodgers, S. Minimally Processed Functional Foods: Technological and Operational Pathways. J. Food Sci. 2016, 81, R2309–R2319. [Google Scholar] [CrossRef] [PubMed]
  10. Devlieghere, F.; Vermeiren, L.; Debevere, J. New preservation technologies: Possibilities and limitations. Int. Dairy J. 2004, 14, 273–285. [Google Scholar] [CrossRef]
  11. Jeyamkondan, S.; Jayas, D.S.; Holley, R.A. Pulsed electric field processing of foods: A review. J. Food Prot. 1999, 62, 1088–1096. [Google Scholar] [CrossRef]
  12. Pillet, F.; Formosa-Dague, C.; Baaziz, H.; Dague, E.; Rols, M.P. Cell wall as a target for bacteria inactivation by pulsed electric fields. Sci. Rep. 2016, 6, 19778. [Google Scholar] [CrossRef]
  13. Yeom, H.W.; Streaker, C.B.; Zhang, Q.H.; Min, D.B. Effects of pulsed electric fields on the quality of orange juice and comparison with heat pasteurization. J. Agric. Food Chem. 2000, 48, 4597–4605. [Google Scholar] [CrossRef] [PubMed]
  14. Sánchez-Moreno, C.; Plaza, L.; Elez-Martínez, P.; De Ancos, B.; Martín-Belloso, O.; Cano, M.P. Impact of high pressure and pulsed electric fields on bioactive compounds and antioxidant activity of orange juice in comparison with traditional thermal processing. J. Agric. Food Chem. 2005, 53, 4403–4409. [Google Scholar] [CrossRef] [PubMed]
  15. Aguiló-Aguayo, I.; Soliva-Fortuny, R.; Martín-Belloso, O. Changes in viscosity and pectolytic enzymes of tomato and strawberry juices processed by high-intensity pulsed electric fields. Int. J. Food Sci. Technol. 2009, 44, 2268–2277. [Google Scholar] [CrossRef]
  16. Agcam, E.; Akyıldız, A.; Akdemir Evrendilek, G. Comparison of phenolic compounds of orange juice processed by pulsed electric fields (PEF) and conventional thermal pasteurisation. Food Chem. 2014, 143, 354–361. [Google Scholar] [CrossRef] [PubMed]
  17. Agcam, E.; Akyildiz, A.; Evrendilek, G.A. Effects of PEF and heat pasteurization on PME activity in orange juice with regard to a new inactivation kinetic model. Food Chem. 2014, 165, 70–76. [Google Scholar] [CrossRef] [PubMed]
  18. Agcam, E.; Akyildiz, A.; Akdemir Evrendilek, G. A comparative assessment of long-term storage stability and quality attributes of orange juice in response to pulsed electric fields and heat treatments. Food Bioprod. Process. 2016, 99, 90–98. [Google Scholar] [CrossRef]
  19. Katiyo, W.; Yang, R.; Zhao, W. Effects of combined pulsed electric fields and mild temperature pasteurization on microbial inactivation and physicochemical properties of cloudy red apple juice (Malus pumila Niedzwetzkyana (Dieck)). J. Food Saf. 2017, 37, e12369. [Google Scholar] [CrossRef]
  20. Moussa-Ayoub, T.E.; Jäger, H.; Knorr, D.; El-Samahy, S.K.; Kroh, L.W.; Rohn, S. Impact of pulsed electric fields, high hydrostatic pressure, and thermal pasteurization on selected characteristics of Opuntia dillenii cactus juice. LWT—Food Sci. Technol. 2017, 79, 534–542. [Google Scholar] [CrossRef]
  21. Timmermans, R.A.H.; Mastwijk, H.C.; Berendsen, L.B.J.M.; Nederhoff, A.L.; Matser, A.M.; Van Boekel, M.A.J.S.; Nierop Groot, M.N. Moderate intensity Pulsed Electric Fields (PEF) as alternative mild preservation technology for fruit juice. Int. J. Food Microbiol. 2019, 298, 63–73. [Google Scholar] [CrossRef]
  22. El Kantar, S.; Boussetta, N.; Lebovka, N.; Foucart, F.; Rajha, H.N.; Maroun, R.G.; Louka, N.; Vorobiev, E. Pulsed electric field treatment of citrus fruits: Improvement of juice and polyphenols extraction. Innov. Food Sci. Emerg. Technol. 2018, 46, 153–161. [Google Scholar] [CrossRef]
  23. Niu, D.; Zeng, X.-A.; Ren, E.-F.; Xu, F.-Y.; Li, J.; Wang, M.-S.; Wang, R. Review of the application of pulsed electric fields (PEF) technology for food processing in China. Food Res. Int. 2020, 137, 109715. [Google Scholar] [CrossRef]
  24. Gabrić, D.; Barba, F.; Roohinejad, S.; Gharibzahedi, S.M.; Radojčin, M.; Putnik, P.; Bursać Kovačević, D. Pulsed electric fields as an alternative to thermal processing for preservation of nutritive and physicochemical properties of beverages: A review. J. Food Process Eng. 2018, 41, e12638. [Google Scholar] [CrossRef]
  25. Elez-Martinez, P.; Soliva-Fortuny, R.C.; Martin-Belloso, O. Comparative study on shelf life of orange juice processed by high intensity pulsed electric fields or heat treatment. Eur. Food Res. Technol. 2006, 222, 321–329. [Google Scholar] [CrossRef]
  26. Bates, R.P.; Morris, J.R.; Crandall, P.G. Principles and practices of small- and medium-scale fruit juice processing. FAO Agric. Serv. Bull. 2001, 146, 219–223. [Google Scholar]
  27. Fabroni, S.; Amenta, M.; Timpanaro, N.; Todaro, A.; Rapisarda, P. Change in taste-altering non-volatile components of blood and common orange fruit during cold storage. Food Res. Int. 2020, 131, 108916. [Google Scholar] [CrossRef] [PubMed]
  28. Rapisarda, P.; Bellomo, S.E.; Intelisano, S. Storage temperature effects on blood orange fruit quality. J. Agric. Food Chem. 2001, 49, 3230–3235. [Google Scholar] [CrossRef]
  29. Baker, R.A.; Cameron, R.G. Clouds of citrus juices and juice drinks. Food Technol. 1999, 53, 64–69. [Google Scholar]
  30. Fabroni, S.; Amenta, M.; Timpanaro, N.; Rapisarda, P. Supercritical carbon dioxide-treated blood orange juice as a new product in the fresh fruit juice market. Innov. Food Sci. Emerg. Technol. 2010, 11, 477–484. [Google Scholar] [CrossRef]
  31. Vervoort, L.; Van der Plancken, I.; Grauwet, T.; Timmermans, R.A.H.; Mastwijk, H.C.; Matser, A.M.; Hendrickx, M.E.; VanLoey, A. Comparing equivalent thermal, high pressureand pulsed electric field processes for mild pasteurization oforange juice. Part II. Impact on specific chemical andbiochemical quality parameters. Innov. Food Sci. Emerg. Technol. 2011, 12, 466–477. [Google Scholar] [CrossRef]
  32. Rivas, A.; Rodrigo, D.; Martinez, A.; Barbosa-Canovas, G.V.; Rodrigo, M. Effect of PEF and heat pasteurization on thephysical–chemical characteristics of blended orange andcarrot juice. Leb.-Wiss. Technol. 2006, 39, 1163–1170. [Google Scholar] [CrossRef]
  33. Rapisarda, P.; Fabroni, S.; Peterek, S.; Russo, G.; Mock, H.P. Juice of New Citrus Hybrids (Citrus clementina Hort ex Tan. × C. sinensis L. Osbeck) as a Source of Natural Antioxidants. Food Chem. 2009, 117, 212–218. [Google Scholar] [CrossRef]
  34. Odriozola-Serrano, I.; Soliva-Fortuny, R.; Martin-Belloso, O. Phenolic acids, flavonoids, vitamin C and antioxidant capacity of strawberry juices processed by high-intensity pulsed electric fields or heat treatments. Eur. Food Res. Technol. 2008, 228, 239–248. [Google Scholar] [CrossRef]
  35. FDA. FDA Nutritional Labeling Manual: A Guide for Developing and Using Databases; Center for Food Safety and Applied Nutrition: Washington, DC, USA, 1998. [Google Scholar]
  36. Hodgins, A.M.; Mittal, G.S.; Griffiths, M.W. Pasteurization of Fresh Orange Juice Using Low-Energy Pulsed Electrical Field. J. Food Sci. 2002, 67, 2294–2299. [Google Scholar] [CrossRef]
  37. Min, S.; Jin, Z.T.; Min, S.K.; Yeom, H.; Zhang, Q.H. Commercial-Scale Pulsed Electric Field Processing of Orange Juice. J. Food Sci. 2003, 68, 1265–1271. [Google Scholar] [CrossRef]
  38. Davey, M.W.; Van Montagu, M.; Inzè, D.; Sanmartin, M.; Kanellis, A.; Smirnoff, N.; Benzie, I.J.J.; Strain, J.J.; Favell, D.; Fletcher, J. Plant L-ascorbic acid: Chemistry, function, metabolism, bioavailability and effects of processing. J. Sci. Food Agric. 2000, 80, 825–860. [Google Scholar] [CrossRef]
  39. Torregrosa, F.; Cortes, C.; Esteve, M.J.; Frigola, A. Effect of high-intensity pulsed electric fields processing and conventional heat treatment on orange-carrot juice carotenoids. J. Agric. Food Chem. 2005, 53, 9519–9525. [Google Scholar] [CrossRef] [PubMed]
  40. Carbonell-Capella, J.M.; Buniowska, M.; Cortes, C.; Zulueta, A.; Frigola, A.; Esteve, M.J. Influence of pulsed electric field processing on the quality of fruit juice beverages sweetened with stevia rebaudiana. Food Bioprod. Process. 2017, 101, 214–222. [Google Scholar] [CrossRef]
  41. Tomás-Barberán, F.A.; Clifford, M.N. Flavanones, chalcones and dihydrochalcones—Nature, occurrence and dietary burden. J. Sci. Food Agric. 2000, 80, 1073–1080. [Google Scholar] [CrossRef]
  42. Del Pozo-Insfran, D.; Balaban, M.O.; Talcott, S.T. Microbial stability, phytochemical retention, and organoleptic attributes of dense phase CO2 processed muscadine grape juice. J. Agric. Food Chem. 2006, 54, 5468–5473. [Google Scholar] [CrossRef]
  43. Huang, D.; Boxin, O.; Prior, R.L. The chemistry behind antioxidant capacity assay. J. Agric. Food Chem. 2005, 53, 1841–1856. [Google Scholar] [CrossRef]
  44. Zulueta, A.; Esteve, M.J.; Frigola, A. Ascorbic acid in orangejuice–milk beverage treated by high intensity pulsed electricfields and its stability during storage. Innov. Food Sci. Emerg. Technol. 2010, 11, 84–90. [Google Scholar] [CrossRef]
  45. Kincal, D.; Hill, W.S.; Balaban, M.O.; Marshall, M.R.; Wei, C.I. A continuous high pressure CO2 system for microbial reduction in orange juice. J. Food Sci. 2005, 70, M249–M254. [Google Scholar] [CrossRef]
  46. Kimbal, D. Citrus Processing. Quality Control and Technology; AVI Books: New York, NY, USA, 1999. [Google Scholar]
  47. Rouse, A.H.; Atkins, C.D. Pectinesterase and pectin in commercial citrus juices as determined by methods used at the citrus experimental station. In Agricultural Experiment Station Journal Series, No. 1141; University of Florida: Gainesville, FL, USA, 1955; pp. 271–275. [Google Scholar]
  48. Kincal, D.; Hill, W.S.; Balaban, M.O.; Portier, K.M.; Sims, C.A.; Wei, C.I. A continuous high-pressure carbon dioxide system for cloud and quality retention in orange juice. J. Food Sci. 2006, 71, C338–C344. [Google Scholar] [CrossRef]
  49. Rapisarda, P.; Intelisano, S. Sample preparation for vitamin C analysis of pigmented orange juice. Ital. J. Food Sci. 1996, 8, 251–256. [Google Scholar]
  50. Rapisarda, P.; Fanella, F.; Maccarone, E. Reliability of analytical method for determining anthocyanins in blood orange juice. J. Agric. Food Chem. 2000, 48, 2249–2252. [Google Scholar] [CrossRef] [PubMed]
  51. Rouseff, R.L.; Martin, S.F.; Yotsey, C.O. Quantitative survey of narirutin, naringin, hesperidin and neohesperidin in citrus. J. Agric. Food Chem. 1987, 35, 1027–1030. [Google Scholar] [CrossRef]
  52. Singleton, V.L.; Orthofer, R.; Lamuela-Raventos, R.M. Analysis of total phenols and other oxidation substrates and antioxidant by means of Folin–Ciocalteu reagent. Methods Enzimol. 1999, 299, 152–178. [Google Scholar]
  53. Ou, B.; Hampsch-Woodill, M.; Prior, R. Developing and validation of an improved oxygen radical absorbance capacity assay using fluorescein as the fluorescent probe. J. Agric. Food Chem. 2001, 49, 4619–4626. [Google Scholar] [CrossRef]
  54. ISO 8586:2014; Sensory Analysis: General Guidelines for the Selection, Training and Monitoring of Selected Assessors and Expert Sensory Assessors. ISO: Geneva, Switzerland, 2014.
  55. ISO 8589:2007/Amd 1:2014; Sensory Analysis—General Guidance for the Design of Test Rooms. ISO: Geneva, Switzerland, 2014.
  56. ISO 4121:2003; Sensory Analysis—Guidelines for the Use of Quantitative Response Scales. ISO: Geneva, Switzerland, 2003.
Figure 1. Cloud values (A) and pectinmethylesterase activity (B) in UJ (untreated juice) and PEFJ (PEF-treated juice) immediately after the process (T0). Data are expressed as means of three analytical replicates ± standard errors. Means significant differences are expressed by different letters: p ≤ 0.01; n = 3.
Figure 1. Cloud values (A) and pectinmethylesterase activity (B) in UJ (untreated juice) and PEFJ (PEF-treated juice) immediately after the process (T0). Data are expressed as means of three analytical replicates ± standard errors. Means significant differences are expressed by different letters: p ≤ 0.01; n = 3.
Applsci 14 07275 g001
Figure 2. Cloud values (A) and pectinmethylesterase activity (B) in PEFJ (PEF-treated juice) during further refrigerated storage at 4 °C. Data are expressed as means of three analytical replicates ± standard errors; n = 3.
Figure 2. Cloud values (A) and pectinmethylesterase activity (B) in PEFJ (PEF-treated juice) during further refrigerated storage at 4 °C. Data are expressed as means of three analytical replicates ± standard errors; n = 3.
Applsci 14 07275 g002
Figure 3. Hesperidin (A), narirutin (B), and total flavanone content (C) in UJ (untreated juice) and PEFJ (PEF-treated juice) immediately after the process (T0). Data are expressed as means of three analytical replicates ± standard errors. Means significant differences are expressed by different letters: p ≤ 0.05; n = 3.
Figure 3. Hesperidin (A), narirutin (B), and total flavanone content (C) in UJ (untreated juice) and PEFJ (PEF-treated juice) immediately after the process (T0). Data are expressed as means of three analytical replicates ± standard errors. Means significant differences are expressed by different letters: p ≤ 0.05; n = 3.
Applsci 14 07275 g003
Figure 4. Ascorbic acid (A) and total anthocyanin (B) contents in UJ (untreated juice) and PEJ (PEF-treated juice) immediately after the process (T0). Data are expressed as means of three analytical replicates ± standard errors. Means significant differences are expressed by different letters: p ≤ 0.01; n = 3.
Figure 4. Ascorbic acid (A) and total anthocyanin (B) contents in UJ (untreated juice) and PEJ (PEF-treated juice) immediately after the process (T0). Data are expressed as means of three analytical replicates ± standard errors. Means significant differences are expressed by different letters: p ≤ 0.01; n = 3.
Applsci 14 07275 g004
Figure 5. Total polyphenol content (A) and ORAC units (B) in UJ (untreated juice) and PEFJ (PEF-treated juice) immediately after the process (T0). Data are expressed as means of three analytical replicates ± standard errors. Means’ significant differences are expressed by different letters: p ≤ 0.05; n = 3. * GAE: Gallic acid equivalents.
Figure 5. Total polyphenol content (A) and ORAC units (B) in UJ (untreated juice) and PEFJ (PEF-treated juice) immediately after the process (T0). Data are expressed as means of three analytical replicates ± standard errors. Means’ significant differences are expressed by different letters: p ≤ 0.05; n = 3. * GAE: Gallic acid equivalents.
Applsci 14 07275 g005
Figure 6. Mesophilic viable bacterium (A), yeast and mold (B), and orange juice spoilage microorganism (C) growths in PEFJ (PEF-treated juice) during refrigerated storage (4 °C). Red dots in each graph indicate the initial microbial load in UJ (untreated juice). Data are expressed as means of three analytical replicates ± standard errors.
Figure 6. Mesophilic viable bacterium (A), yeast and mold (B), and orange juice spoilage microorganism (C) growths in PEFJ (PEF-treated juice) during refrigerated storage (4 °C). Red dots in each graph indicate the initial microbial load in UJ (untreated juice). Data are expressed as means of three analytical replicates ± standard errors.
Applsci 14 07275 g006
Figure 7. Sensory evaluation in UJ (untreated juice) and PEFJ (PEF-treated juice) immediately after the process (T0). Data are expressed as means of three analytical replicates.
Figure 7. Sensory evaluation in UJ (untreated juice) and PEFJ (PEF-treated juice) immediately after the process (T0). Data are expressed as means of three analytical replicates.
Applsci 14 07275 g007
Figure 8. Sensory evaluation in PEFJ (PEF-treated juice) during further refrigerated storage at 4 °C. Data are expressed as means of three analytical replicates.
Figure 8. Sensory evaluation in PEFJ (PEF-treated juice) during further refrigerated storage at 4 °C. Data are expressed as means of three analytical replicates.
Applsci 14 07275 g008
Figure 9. Scheme of the PEF equipment (Opticept Technologies AB, Lund, Sweden).
Figure 9. Scheme of the PEF equipment (Opticept Technologies AB, Lund, Sweden).
Applsci 14 07275 g009
Table 1. Physicochemical parameters in UJ (untreated juice) and PEFJ (PEF-treated juice) immediately after the process (T0) and during further refrigerated storage at 4 °C. Data are expressed as means of three analytical replicates ± standard deviation. Means in the same column followed by different letters are significantly different: p ≤ 0.01—capital letter; p ≤ 0.05—small letter; n = 3.
Table 1. Physicochemical parameters in UJ (untreated juice) and PEFJ (PEF-treated juice) immediately after the process (T0) and during further refrigerated storage at 4 °C. Data are expressed as means of three analytical replicates ± standard deviation. Means in the same column followed by different letters are significantly different: p ≤ 0.01—capital letter; p ≤ 0.05—small letter; n = 3.
TSS
(°Brix)
TA
(% Citric Acid)
pHL*a*b*C*h
UJ12.75 ± 0.00 B1.38 ± 0.023.32 ± 0.0339.67 ± 0.02 b27.48 ± 1.7117.37 ± 0.7832.51 ± 1.8732.33 ± 0.45
PEFJ 0 days12.86 ± 0.01 A1.35 ± 0.113.30 ± 0.0140.57 ± 0.13 a28.10 ± 1.3117.79 ± 0.3633.26 ± 1.3032.35 ± 0.68
REFRIGERATED STORAGE OF PEFJ
TSS
(°Brix)
TA
(% citric acid)
pHL*a*b*C*h
PEFJ-0 days12.86 ± 0.01 C1.35 ± 0.11 b3.30 ± 0.0140.57 ± 0.1328.10 ± 1.3117.79 ± 0.3633.26 ± 1.3032.35 ± 0.68
PEFJ-5 days13.02 ± 0.01 B1.50 ± 0.08 ab3.29 ± 0.0041.18 ± 0.1226.47 ± 0.3117.94 ± 0.0931.98 ± 0.2134.13 ± 0.44
PEFJ-10 days13.02 ± 0.00 B1.63 ± 0.02 ab3.26 ± 0.0141.18 ± 0.3926.35 ± 0.5817.82 ± 0.4931.82 ± 0.2134.08 ± 1.32
PEFJ-15 days12.99 ± 0.00 B1.74 ± 0.00 a3.30 ± 0.0040.58 ± 1.3726.74 ± 1.5517.89 ± 0.7032.21 ± 0.9033.85 ± 2.57
PEFJ-20 days13.24 ± 0.02 A1.76 ± 0.02 a3.26 ± 0.0141.73 ± 0.4525.58 ± 0.9318.31 ± 0.5331.47 ± 0.4435.63 ± 1.77
Table 2. Hesperidin, narirutin, total flavanone, ascorbic acid, and total anthocyanin contents in PEFJ (PEF-treated juice) during further refrigerated storage at 4 °C. Data are expressed as means of three analytical replicates ± standard deviation. Means in the same column followed by different letters are significantly different: p ≤ 0.01—capital letter; p ≤ 0.05—small letter; n = 3.
Table 2. Hesperidin, narirutin, total flavanone, ascorbic acid, and total anthocyanin contents in PEFJ (PEF-treated juice) during further refrigerated storage at 4 °C. Data are expressed as means of three analytical replicates ± standard deviation. Means in the same column followed by different letters are significantly different: p ≤ 0.01—capital letter; p ≤ 0.05—small letter; n = 3.
Hesperidin
(mg/L)
Narirutin
(mg/L)
Total Flavanones
(mg/L)
Ascorbic Acid
(mg/100 mL)
Total Anthocyanins
(mg CGE */L)
PEFJ-0 days45.98 ± 0.81 ab27.15 ± 0.47 b73.12 ± 1.29 bc62.92 ± 4.8255.59 ± 0.11 A
PEFJ-5 days44.18 ± 1.14 b27.17 ± 0.48 b71.36 ± 1.63 c58.65 ± 2.4255.19 ± 0.07 AB
PEFJ-10 days44.63 ± 1.23 b27.52 ± 0.81 b72.15 ± 2.04 bc61.21 ± 1.3253.92 ± 0.02 AB
PEFJ-15 days51.35 ± 1.74 a27.15 ± 0.58 b78.50 ± 2.32 ab53.22 ± 2.4253.65 ± 0.54 AB
PEFJ-20 days50.60 ± 0.62 ab30.31 ± 0.48 a80.91 ± 1.09 a53.62 ±2.7953.25 ± 0.04 B
* CGE: cyanidin-3-glucoside equivalents.
Table 3. Total polyphenol content (A) and ORAC units (B) in PEFJ (PEF-treated juice) during further refrigerated storage at 4 °C. Data are expressed as means of three analytical replicates ± standard deviation. Means in the same column followed by different letters are significantly different: p ≤ 0.01—capital letter; n = 3.
Table 3. Total polyphenol content (A) and ORAC units (B) in PEFJ (PEF-treated juice) during further refrigerated storage at 4 °C. Data are expressed as means of three analytical replicates ± standard deviation. Means in the same column followed by different letters are significantly different: p ≤ 0.01—capital letter; n = 3.
Total Polyphenols Content
(mg GAE */L)
ORAC Units
(µmol TE/100 mL)
PEFJ-0 days867.77 ± 0.63 AB3398.87 ± 31.71
PEFJ-5 days862.28 ± 0.85 B3974.88 ± 140.97
PEFJ-10 days872.99 ± 1.12 A3772.46 ± 54.57
PEFJ-15 days828.30 ± 0.27 D3503.03 ± 309.02
PEFJ-20 days836.16 ± 0.80 C3735.00 ± 23.06
* GAE: Gallic acid equivalents.
Disclaimer/Publisher’s Note: The statements, opinions and data contained in all publications are solely those of the individual author(s) and contributor(s) and not of MDPI and/or the editor(s). MDPI and/or the editor(s) disclaim responsibility for any injury to people or property resulting from any ideas, methods, instructions or products referred to in the content.

Share and Cite

MDPI and ACS Style

Fabroni, S.; Platania, G.M.; Amenta, M.; Ballistreri, G.; Galvano, F.; Nges, I.A.; Timpanaro, N. Pulsed Electric Field as a Mild Treatment for Extended Shelf-Life and Preservation of Bioactive Compounds in Blood Orange Juice. Appl. Sci. 2024, 14, 7275. https://doi.org/10.3390/app14167275

AMA Style

Fabroni S, Platania GM, Amenta M, Ballistreri G, Galvano F, Nges IA, Timpanaro N. Pulsed Electric Field as a Mild Treatment for Extended Shelf-Life and Preservation of Bioactive Compounds in Blood Orange Juice. Applied Sciences. 2024; 14(16):7275. https://doi.org/10.3390/app14167275

Chicago/Turabian Style

Fabroni, Simona, Giusy Maria Platania, Margherita Amenta, Gabriele Ballistreri, Francesco Galvano, Ivo Achu Nges, and Nicolina Timpanaro. 2024. "Pulsed Electric Field as a Mild Treatment for Extended Shelf-Life and Preservation of Bioactive Compounds in Blood Orange Juice" Applied Sciences 14, no. 16: 7275. https://doi.org/10.3390/app14167275

APA Style

Fabroni, S., Platania, G. M., Amenta, M., Ballistreri, G., Galvano, F., Nges, I. A., & Timpanaro, N. (2024). Pulsed Electric Field as a Mild Treatment for Extended Shelf-Life and Preservation of Bioactive Compounds in Blood Orange Juice. Applied Sciences, 14(16), 7275. https://doi.org/10.3390/app14167275

Note that from the first issue of 2016, this journal uses article numbers instead of page numbers. See further details here.

Article Metrics

Back to TopTop