Triaxial Load Cell for Ergonomic Risk Assessment: A Study Case of Applied Force of Thumb
Abstract
1. Introduction
2. Materials and Methods
2.1. Study Case
2.2. Method of Design
- Design of the cell mechanical structure;
- Development of the analytical model;
- Construction of load cells;
- Load cell configuration and instrumentation;
- Testing and Calibration model;
- Evaluation of Efficiency Degree;
- Experimental Test in Ergonomic Assessment.
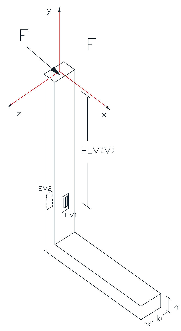
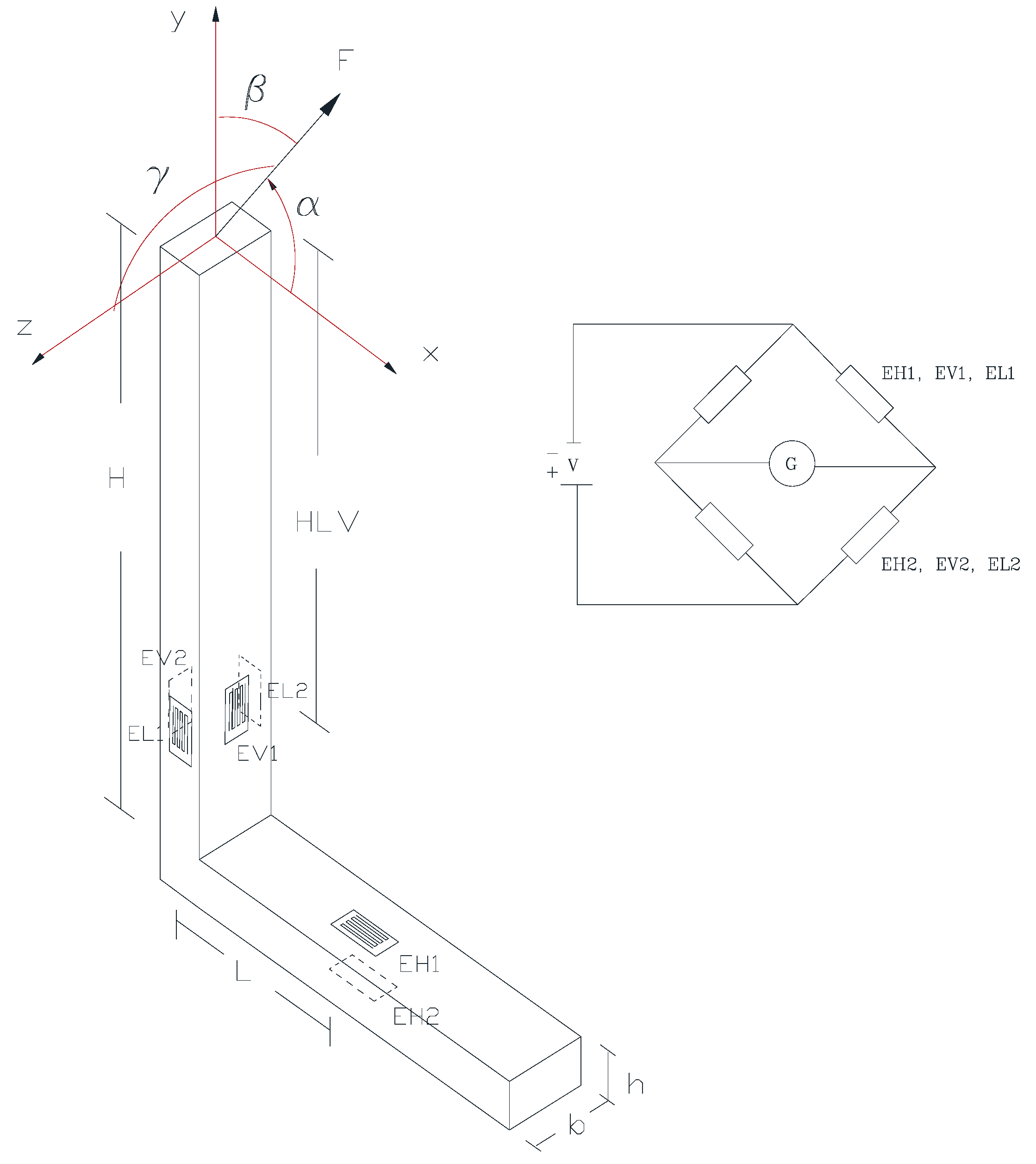
2.3. Design of the Mechanical Structure of the Cell
2.4. Instrumentation Points
- Strain gages (, , and ) measure the force in the x-axis direction.
- Strain gages (, , and ) measure the force in the y-axis direction.
- Strain gages ( and ) measure the force in the z-axis direction.
2.5. Analytical Model
2.6. Testing and Calibration Model
2.7. Building of the Triaxial Load Cell Prototype
3. Results
Measuring the Applied Force of Thumb during the Activation of a Cigarette Lighter
4. Discussion
5. Conclusions
Author Contributions
Funding
Institutional Review Board Statement
Informed Consent Statement
Data Availability Statement
Acknowledgments
Conflicts of Interest
Appendix A

| W (N) | (με) | b (m) | h (m) | L (m) | I | KH (Pa) |
|---|---|---|---|---|---|---|
| 4.905 | −17 | 0.016 | 0.01 | 0.0327 | 1.3333 × 10−9 | 70,761,838,235 |
| 9.81 | −34 | 0.016 | 0.01 | 0.0327 | 1.3333 × 10−9 | 70,761,838,235 |
| 14.715 | −51 | 0.016 | 0.01 | 0.0327 | 1.3333 × 10−9 | 70,761,838,235 |

| W (N) | (με) | b (m) | h (m) | HLV(L) (m) | I | KL |
|---|---|---|---|---|---|---|
| 4.905 | −30 | 0.016 | 0.01 | 0.0925 | 3.4133 × 10−9 | 70,892,578,125 |
| 9.81 | −60 | 0.016 | 0.01 | 0.0925 | 3.4133 × 10−9 | 70,892,578,125 |

| W (N) | (με) | b (m) | h (m) | HLV(m) | I | KV |
|---|---|---|---|---|---|---|
| 4.905 | 48 | 0.016 | 0.01 | 0.0929 | 1.3333 × 10−9 | 71,222,132,813 |
| 9.81 | 96 | 0.016 | 0.01 | 0.0929 | 1.3333 × 10−9 | 71,222,132,813 |
Appendix B
| Test 2 | β = 43° | α = 20° | |||||||
|---|---|---|---|---|---|---|---|---|---|
| W (N) | (με) | (με) | (με) | K (Pa) | Fx (N) | Fy (N) | Fz (N) | FR | % of Deviation |
| 0.981 | 3.5 | 4 | 4 | 70,958,849,724 | −0.395 | 0.694 | −0.632 | 1.019 | 3.70 |
| 1.962 | 6 | 7 | 9 | 70,958,849,724 | −0.692 | 1.255 | −1.423 | 2.020 | 2.85 |
| 2.4525 | 7.5 | 9 | 11 | 70,958,849,724 | −0.889 | 1.684 | −1.739 | 2.579 | 4.90 |
| 3.4335 | 10 | 12 | 15 | 70,958,849,724 | −1.186 | 2.245 | −2.371 | 3.474 | 1.17 |
| 4.4145 | 13 | 15 | 20 | 70,958,849,724 | −1.482 | 2.643 | −3.162 | 4.380 | 0.80 |
| 4.905 | 15 | 17 | 22 | 70,958,849,724 | −1.680 | 2.909 | −3.478 | 4.835 | 1.44 |
| 5.886 | 18 | 21 | 27 | 70,958,849,724 | −2.075 | 3.766 | −4.269 | 6.059 | 2.85 |
| 8.3385 | 25 | 29 | 38 | 70,958,849,724 | −2.866 | 5.154 | −6.008 | 8.418 | 0.95 |
| 9.81 | 29.5 | 35 | 44 | 70,958,849,724 | −3.458 | 6.439 | −6.956 | 10.090 | 2.78 |
| 10.791 | 33 | 38 | 48 | 70,958,849,724 | −3.755 | 6.674 | −7.589 | 10.781 | 0.09 |
| 12.2625 | 37.5 | 43 | 55 | 70,958,849,724 | −4.249 | 7.501 | −8.695 | 12.245 | 0.15 |
| 14.715 | 45 | 52 | 66 | 70,958,849,724 | −5.138 | 9.185 | −10.434 | 14.820 | 0.71 |
| 17.1675 | 52.5 | 60 | 77 | 70,958,849,724 | −5.929 | 10.410 | −12.174 | 17.079 | 0.52 |
| 19.62 | 60 | 69 | 88 | 70,958,849,724 | −6.818 | 12.093 | −13.913 | 19.654 | 0.18 |
| 22.0725 | 68 | 77 | 99 | 70,958,849,724 | −7.608 | 13.155 | −15.652 | 21.816 | 1.18 |
| Test 3 | β = 43° | α = 25° | |||||||
|---|---|---|---|---|---|---|---|---|---|
| W (N) | (με) | (με) | (με) | K (Pa) | Fx (N) | Fy (N) | Fz (N) | FR | % of Deviation |
| 0.981 | 4 | 4 | 4 | 70,958,849,724 | −0.395 | 0.531 | −0.632 | 0.915 | 7.17 |
| 1.962 | 8 | 8 | 8.5 | 70,958,849,724 | −0.790 | 1.062 | −1.344 | 1.886 | 4.02 |
| 2.4525 | 10.5 | 10.5 | 11 | 70,958,849,724 | −1.038 | 1.393 | −1.739 | 2.458 | 0.23 |
| 3.4335 | 15 | 15 | 15 | 70,958,849,724 | −1.482 | 1.991 | −2.371 | 3.433 | 0.02 |
| 4.4145 | 19 | 19 | 19 | 70,958,849,724 | −1.877 | 2.522 | −3.004 | 4.348 | 1.53 |
| 4.905 | 21 | 21 | 21 | 70,958,849,724 | −2.075 | 2.787 | −3.320 | 4.806 | 2.06 |
| 5.886 | 25 | 25 | 26 | 70,958,849,724 | −2.470 | 3.318 | −4.111 | 5.832 | 0.93 |
| 8.3385 | 36 | 36 | 36.5 | 70,958,849,724 | −3.557 | 4.778 | −5.771 | 8.293 | 0.54 |
| 9.81 | 42 | 42 | 43 | 70,958,849,724 | −4.150 | 5.574 | −6.798 | 9.722 | 0.91 |
| 10.791 | 46 | 46 | 48 | 70,958,849,724 | −4.545 | 6.105 | −7.589 | 10.748 | 0.40 |
| 12.2625 | 53 | 53 | 54 | 70,958,849,724 | −5.237 | 7.034 | −8.537 | 12.239 | 0.19 |
| 14.715 | 63 | 63 | 64 | 70,958,849,724 | −6.225 | 8.361 | −10.118 | 14.527 | 1.29 |
| 17.1675 | 74 | 74 | 75 | 70,958,849,724 | −7.312 | 9.821 | −11.857 | 17.044 | 0.72 |
| 19.62 | 84.5 | 84.5 | 86 | 70,958,849,724 | −8.350 | 11.214 | −13.596 | 19.502 | 0.60 |
| 22.0725 | 95 | 95 | 97 | 70,958,849,724 | −9.387 | 12.608 | −15.336 | 21.960 | 0.51 |
| Test 4 | β = 50° | α = 0° | |||||||
|---|---|---|---|---|---|---|---|---|---|
| W (N) | (με) | (με)) | K (Pa) | Fx (N) | Fy (N) | Fz (N) | FR | % of Deviation | |
| 0.981 | −2 | 0 | 4.5 | 70,958,849,724 | 0.000 | 0.652 | −0.711 | 0.965 | 1.62 |
| 1.962 | −5 | −1 | 10 | 70,958,849,724 | 0.099 | 1.172 | −1.581 | 1.971 | 0.44 |
| 2.4525 | −6 | −1 | 12 | 70,958,849,724 | 0.099 | 1.499 | −1.897 | 2.420 | 1.36 |
| 3.4335 | −8 | −1 | 17 | 70,958,849,724 | 0.099 | 2.151 | −2.688 | 3.444 | −0.30 |
| 4.4145 | −10 | −2 | 23 | 70,958,849,724 | 0.198 | 2.345 | −3.636 | 4.331 | 1.93 |
| 4.905 | −10.5 | −2 | 26 | 70,958,849,724 | 0.198 | 2.508 | −4.111 | 4.819 | 1.78 |
| 5.886 | −13 | −2 | 29.5 | 70,958,849,724 | 0.198 | 3.323 | −4.664 | 5.730 | 2.72 |
| 8.3385 | −18.5 | −3 | 42 | 70,958,849,724 | 0.296 | 4.659 | −6.640 | 8.117 | 2.73 |
| 9.81 | −20.5 | −3 | 50.5 | 70,958,849,724 | 0.296 | 5.311 | −7.984 | 9.594 | 2.25 |
| 10.791 | −24.5 | −4 | 54 | 70,958,849,724 | 0.395 | 6.157 | −8.537 | 10.533 | 2.45 |
| 12.2625 | −27 | −4.5 | 62 | 70,958,849,724 | 0.445 | 6.743 | −9.802 | 11.906 | 2.99 |
| 14.715 | −33 | −6 | 75 | 70,958,849,724 | 0.593 | 8.012 | −11.857 | 14.323 | 2.74 |
| 17.1675 | −39 | −7 | 87 | 70,958,849,724 | 0.692 | 9.511 | −13.755 | 16.737 | 2.57 |
| 19.62 | −44 | −8 | 100 | 70,958,849,724 | 0.790 | 10.683 | −15.810 | 19.097 | 2.74 |
| 22.0725 | −50 | −9 | 113 | 70,958,849,724 | 0.889 | 12.182 | −17.865 | 21.641 | 1.99 |
Appendix C. Coded for Maple 18
Appendix D




Appendix E
| Test | Age | Gender | Hand Length (m) | Hand Mass (kg) | History of Thumb Pain |
|---|---|---|---|---|---|
| P1 | 21 | Female | 0.173 | 0.408 | Yes |
| P2 | 22 | Male | 0.187 | 0.480 | Yes |
| P3 | 20 | Female | 0.171 | 0.402 | No |
| P4 | 20 | Male | 0.180 | 0.300 | No |
| P5 | 22 | Female | 0.188 | 0.630 | No |
| P6 | 23 | Male | 0.193 | 0.510 | No |
| P7 | 21 | Female | 0.181 | 0.444 | No |
| P8 | 24 | Male | 0.197 | 0.480 | No |
References
- Özkaya, N.; Leger, D.; Goldsheyer, D.; Nordin, M. Fundamentals of Biomechanics. Equilibrium, Motion and Deformation, 4th ed.; Leger, D., Ed.; Springer: New York, NY, USA, 2017. [Google Scholar]
- ISO 11228-3 (E); Ergonomics Manual 68 Handling Part 3: Handling of Low Loads at High Frequency. International Standard Organization: Geneva, Switzerland, 2007.
- Wollesen, B.; Gräf, J.; Schumacher, N.; Meyer, G.; Wanstrath, M.; Feldhaus, C.; Luedtke, K.; Mattes, K. Influences of Neck and/or Wrist Pain on Hand Grip Strength of Industrial Quality Proofing Workers. Saf. Health Work 2020, 11, 458–465. [Google Scholar] [CrossRef] [PubMed]
- Huston, R.L. Fundamentals of Biomechanics; CRC Press, Taylor and Francis: Boca Raton, FL, USA, 2013. [Google Scholar]
- Oliveira Dantas, F.F.; de Lima, K.C. The Relationship between Physical Load and Musculoskeletal Complaints among Brazilian Dentists. Appl. Ergon. 2015, 47, 93–98. [Google Scholar] [CrossRef] [PubMed]
- Abdullah, N.A.; Mohamad Shaberi, M.N.; Nordin, M.N.A.; Mohd Ripin, Z.; Razali, M.F.; Wan Mamat Ali, W.M.A.; Awang, B.; Ridzwan, M.I.Z. Field Measurement of Hand Forces of Palm Oil Harvesters and Evaluating the Risk of Work-Related Musculoskeletal Disorders (WMSDs) through Biomechanical Analysis. Int. J. Ind. Ergon. 2023, 96, 103468. [Google Scholar] [CrossRef]
- Chen, Y.-L.; Ou, Y.-S. A Case Study of Taiwanese Custom-Beverage Workers for Their Musculoskeletal Disorders Symptoms and Wrist Movements during Shaking Task. Int. J. Ind. Ergon. 2020, 80, 103018. [Google Scholar] [CrossRef]
- Lee, W.; Lin, J.-H.; Howard, N.; Bao, S. Methods for Measuring Physical Workload among Commercial Cleaners: A Scoping Review. Int. J. Ind. Ergon. 2022, 90, 103319. [Google Scholar] [CrossRef]
- Barr, A.E.; Barbe, M.F.; Clark, B.D. Work-Related Musculoskeletal Disorders of the Hand and Wrist: Epidemiology, Pathophysiology, and Sensorimotor Changes. J. Orthop. Sports Phys. Ther. 2004, 34, 610–627. [Google Scholar] [CrossRef] [PubMed]
- Roberts, H.C.; Denison, H.J.; Martin, H.J.; Patel, H.P.; Syddall, H.; Cooper, C.; Sayer, A.A. A Review of the Measurement of Grip Strength in Clinical and Epidemiological Studies: Towards a Standardised Approach. Age Ageing 2011, 40, 423–429. [Google Scholar] [CrossRef] [PubMed]
- Dally, J.W.; Riley, W.F. Experimental Stress Analysis, 1st ed.; McGraw Hill Inc.: Hightstown, NJ, USA, 2005. [Google Scholar]
- Omega Engineering, Inc. What Are Load Cells and How Do They Work? Available online: https://www.omega.com/en-us/resources/load-cells (accessed on 14 September 2023).
- Ammar, M.M.; Mohamed, M.I.; Mahmoud, G.M.; Kumme, R.; Zakaria, H.M.; Gaafer, A.M. Identification of Load Cells Parameters under Applying Creep and Dynamic Force for Dynamic Force Calibrations. Measurement 2024, 224, 113851. [Google Scholar] [CrossRef]
- Perez García, M.A. Instrumentación Electrónica; Ediciones Paraninfo: Madrid, Spain, 2014. [Google Scholar]
- Keil, S. Technology and Practical Use of Strain Gages with Particular Consideration of Stress Analysis Using Strain Gages: With Particular Consideration of Stress Analysis Using Strain Gages, 1st ed.; Wilhelm Ernst & Sohn: Berlin, Germany, 2017. [Google Scholar]
- Escalona, D.A.; Naranjo, O.J.; Lagos, S.; Solis, F.F. Parámetros de Normalidad En Fuerzas de Prensión de Mano En Sujetos de Ambos Sexos de 7 a 17 Años de Edad. Rev. Chil. Pediatr. 2009, 80, 435–443. [Google Scholar] [CrossRef][Green Version]
- Peydro de Moya, F.; Rubio Hervás, M.; Bermejo Bosch, I.; Garrido Jaén, J.D.; Baydal Bertomeu, F.; Matey González, A.; Cortés Fabregat, A.; Ballester Fernández, A. ¿Cómo Se Miden La Fuerza y La Fatiga de La Mano? Rev. Biomecánica 2011, 56, 49–51. [Google Scholar]
- Chander, D.S.; Cavatorta, M.P. Multi-Directional One-Handed Strength Assessments Using AnyBody Modeling Systems. Appl. Ergon. 2018, 67, 225–236. [Google Scholar] [CrossRef]
- Bretz, K.J.; Jobbágy, Á.; Bretz, K. Force Measurement of Hand and Fingers. Biomech. Hung III évfolyam, 1. szám. 2010, 61–66, Magyar Biomechanikai Konferencia – A0060. Available online: https://www.researchgate.net/publication/268254341_Force_measurement_of_hand_and_fingers (accessed on 18 April 2024). [CrossRef]
- Tekscan Measure Grip Forces. Available online: https://www.tekscan.com/measure-grip-forces (accessed on 18 April 2024).
- Jung, K.; You, H.; Kwon, O. Evaluation of the Force Sensitive Application Hand Force Measurement System. Hum. Factors Ergon. Manuf. Serv. Ind. 2010, 20, 226–232. [Google Scholar] [CrossRef]
- Mandy, A.; Redhead, L.; Michaelis, J. Measurement of Hand/Handrim Grip Forces in Two Different One Arm Drive Wheelchairs. BioMed Res. Int. 2014, 2014, 509898. [Google Scholar] [CrossRef]
- Tekscan Body Pressure Measurement System (BPMS)—Research. Available online: https://www.tekscan.com/products-solutions/systems/body-pressure-measurement-system-bpms (accessed on 18 April 2024).
- Brookhuis, R.A.; Lammerink, T.S.J.; Wiegerink, R.J.; de Boer, M.J.; Elwenspoek, M.C. 3D Force Sensor for Biomechanical Applications. Sens. Actuators A Phys. 2012, 182, 28–33. [Google Scholar] [CrossRef]
- Martelli, C.; Cardozo da Silva, J.; Kalinowski, A.; Galvão, J.; Paes, T. Chapter 7 Biomechanical Sensors. In Optical Fibre Sensors: Fundamentals for Development of Optimized Devices; Del Villar, I., Matias, I.R., Eds.; Wiley: Hoboken, NJ, USA, 2020; pp. 193–238. [Google Scholar]
- Dahlqvist, C.; Nordander, C.; Granqvist, L.; Forsman, M.; Hansson, G.-Å. Comparing Two Methods to Record Maximal Voluntary Contractions and Different Electrode Positions in Recordings of Forearm Extensor Muscle Activity: Refining Risk Assessments for Work-Related Wrist Disorders. Work 2018, 59, 231–242. [Google Scholar] [CrossRef] [PubMed]
- Pinder, A.D.J.; Fothergill, D.M.; Grieve, D.W. System for the Triaxial Measurement of Manual Force Exertions. Clin. Biomech. 1993, 8, 120–126. [Google Scholar] [CrossRef]
- Boresi, A.P.; Chong, K.P. Elasticity in Engineering Mechanics, 1st ed.; Wiley & Sons: Hoboken, NJ, USA, 2000. [Google Scholar]
- Beer, F.P.; Eisenberg, E.R. Vector Mechanics for Engineers, 1st ed.; McGraw-Hill: New York, NY, USA, 2007. [Google Scholar]
- ISO 9355-3; Ergonomic Requirements for the Design of Dislays and Control Actuators—Part 3: Control Actuators. International Organization for Standardization (ISO): Geneva, Switzerland, 2006.





| Author | It Measures in Real Time | It Is Non-Invasive | It Can Be Implemented in Tools | It Can Be Used during Task Development | It Measures the Triaxial Force |
|---|---|---|---|---|---|
| H. C. Roberts et al. [11] | ✓ | ✓ | |||
| K. Bretz, et al. [20] | ✓ | ✓ | |||
| Tekscan, Tactile Grip Measurement System [21] | ✓ | ✓ | |||
| K. Jung et al. [22] | ✓ | ✓ | |||
| A. Mandy, et al. [23] | ✓ | ✓ | |||
| Tekscan, Body Pressure Measurement System (BPMS) [24] | ✓ | ✓ | ✓ | ||
| R. Brookhuis, et al. [25] | ✓ | ✓ | ✓ | ✓ | |
| C. Martelli, et al. [26] | ✓ | ✓ | |||
| C. Dahlqvist, et al. [27] | ✓ | ✓ | ✓ | ||
| D. Pinder, et al. [28] | ✓ | ✓ | ✓ | ✓ | |
| Three axial load cell proposed in this paper | ✓ | ✓ | ✓ | ✓ | ✓ |
| Dimension | (m) |
|---|---|
| b | 0.016 |
| h | 0.01 |
| L | 0.0327 |
| H | 0.1347 |
| HLV | 0.0978 |
| LT | 0.075 |
| W (N) | (με) | (με) | (με) | K (Pa) | Fx (N) | Fy (N) | Fz (N) | AF (N) | % of Deviation |
|---|---|---|---|---|---|---|---|---|---|
| 0.981 | −2 | 0 | 4.5 | 70,958,849,724 | 0.000 | 0.652 | −0.711 | 0.965 | 1.62 |
| 1.962 | −5.5 | −1 | 9.5 | 70,958,849,724 | 0.099 | 1.335 | −1.502 | 2.012 | 2.49 |
| 2.4525 | −6.5 | −1 | 12 | 70,958,849,724 | 0.099 | 1.662 | −1.897 | 2.524 | 2.83 |
| 3.4335 | −10 | −2 | 17 | 70,958,849,724 | 0.198 | 2.345 | −2.688 | 3.572 | 3.88 |
| 4.4145 | −12 | −2 | 22 | 70,958,849,724 | 0.198 | 2.997 | −3.478 | 4.596 | 3.94 |
| 4.905 | −12.5 | −2 | 23 | 70,958,849,724 | 0.198 | 3.160 | −3.636 | 4.822 | 1.73 |
| 5.886 | −15 | −2 | 27 | 70,958,849,724 | 0.198 | 3.976 | −4.269 | 5.837 | 0.84 |
| 8.3385 | −21 | −3 | 39 | 70,958,849,724 | 0.296 | 5.474 | −6.166 | 8.251 | 1.06 |
| 9.81 | −25 | −2 | 45 | 70,958,849,724 | 0.198 | 7.238 | −7.114 | 10.151 | 3.36 |
| 10.791 | −23 | −4 | 50 | 70,958,849,724 | 0.395 | 7.299 | −7.905 | 10.767 | 0.23 |
| 12.2625 | −31 | −5 | 57 | 70,958,849,724 | 0.494 | 7.819 | −9.012 | 11.941 | 2.69 |
| 14.715 | −38 | −6 | 69 | 70,958,849,724 | 0.593 | 9.644 | −10.909 | 14.572 | 0.98 |
| 17.1675 | −44 | −7 | 80 | 70,958,849,724 | 0.692 | 11.142 | −12.648 | 16.870 | 1.76 |
| 19.62 | −50.5 | −8 | 92 | 70,958,849,724 | 0.790 | 12.804 | −14.545 | 19.394 | 1.17 |
| 22.0725 | −56.5 | −9 | 103 | 70,958,849,724 | 0.889 | 14.302 | −16.284 | 21.691 | 1.76 |
| Mean | 2.02 | ||||||||
| SD | 1.13 | ||||||||
| Test | (με) | (με) | (με) | KAV (Pa) | Fx (N) | Fy (N) | Fz (N) | AF (N) |
|---|---|---|---|---|---|---|---|---|
| 1F | 79 | 9 | 124 | 70,958,849,724 | 0.35 | −22.45 | 7.66 | 23.73 |
| 2M | 110 | −17 | 174 | 70,958,849,724 | 0.66 | −42.15 | 10.74 | 43.51 |
| 3F | 25 | −12 | 26 | 70,958,849,724 | 0.46 | −12.58 | −1.60 | 12.69 |
| 4M | 34 | −9 | 26 | 70,958,849,724 | 0.34 | −14.41 | −1.60 | 14.50 |
| 5F | 55 | −5 | 77 | 70,958,849,724 | 0.19 | −19.79 | −4.75 | 20.35 |
| 6M | 68 | 6 | 136 | 70,958,849,724 | −0.23 | −19.97 | −8.40 | 21.67 |
| 7F | 98 | −17 | 175 | 70,958,849,724 | 0.66 | −38.24 | −10.81 | 39.74 |
| 8M | 137 | −1 | 151 | 70,958,849,724 | 0.40 | −45.06 | −9.33 | 46.02 |
Disclaimer/Publisher’s Note: The statements, opinions and data contained in all publications are solely those of the individual author(s) and contributor(s) and not of MDPI and/or the editor(s). MDPI and/or the editor(s) disclaim responsibility for any injury to people or property resulting from any ideas, methods, instructions or products referred to in the content. |
© 2024 by the authors. Licensee MDPI, Basel, Switzerland. This article is an open access article distributed under the terms and conditions of the Creative Commons Attribution (CC BY) license (https://creativecommons.org/licenses/by/4.0/).
Share and Cite
Acosta-Flores, M.; Contreras-Valenzuela, M.R.; Velásquez-Aguilar, J.G.; Cuenca-Jiménez, F.; Eraña-Díaz, M.L. Triaxial Load Cell for Ergonomic Risk Assessment: A Study Case of Applied Force of Thumb. Appl. Sci. 2024, 14, 3981. https://doi.org/10.3390/app14103981
Acosta-Flores M, Contreras-Valenzuela MR, Velásquez-Aguilar JG, Cuenca-Jiménez F, Eraña-Díaz ML. Triaxial Load Cell for Ergonomic Risk Assessment: A Study Case of Applied Force of Thumb. Applied Sciences. 2024; 14(10):3981. https://doi.org/10.3390/app14103981
Chicago/Turabian StyleAcosta-Flores, Mario, Martha Roselia Contreras-Valenzuela, J. Guadalupe Velásquez-Aguilar, Francisco Cuenca-Jiménez, and Marta Lilia Eraña-Díaz. 2024. "Triaxial Load Cell for Ergonomic Risk Assessment: A Study Case of Applied Force of Thumb" Applied Sciences 14, no. 10: 3981. https://doi.org/10.3390/app14103981
APA StyleAcosta-Flores, M., Contreras-Valenzuela, M. R., Velásquez-Aguilar, J. G., Cuenca-Jiménez, F., & Eraña-Díaz, M. L. (2024). Triaxial Load Cell for Ergonomic Risk Assessment: A Study Case of Applied Force of Thumb. Applied Sciences, 14(10), 3981. https://doi.org/10.3390/app14103981

