Comparative Analysis of Lithium-Ion and Lead–Acid as Electrical Energy Storage Systems in a Grid-Tied Microgrid Application
Abstract
1. Introduction
2. Operations of Li-Ion and LA Batteries
2.1. Preliminary of LA Batteries
2.1.1. Negative Plate Reaction
2.1.2. Positive Plate Reaction
2.2. Preliminary of Li-Ion Batteries
3. Novelty and Contribution
- To analyze the behaviour of the proposed grid-tied microgrid system utilizing a variable load depiction, resources’ information, and apparatus.
- To analyze the effect of utilizing LA and Li-ion batteries as an electrical energy storage system (EESS) for the same grid-tied microgrid system.
- To conduct a technical study and distinguish the operation of Li-ion and LA batteries in the suggested power grid.
4. Microgrid Apparatus Modelling
4.1. Solar Photovoltaic Arrays and Power Generation
4.1.1. Load Current in Amperes
4.1.2. Voltage across Shunt Branches
4.1.3. Current through the Shunt Resistor
4.1.4. Module Characteristics Equation
4.2. Energy Storage System Model
5. Main Grid System
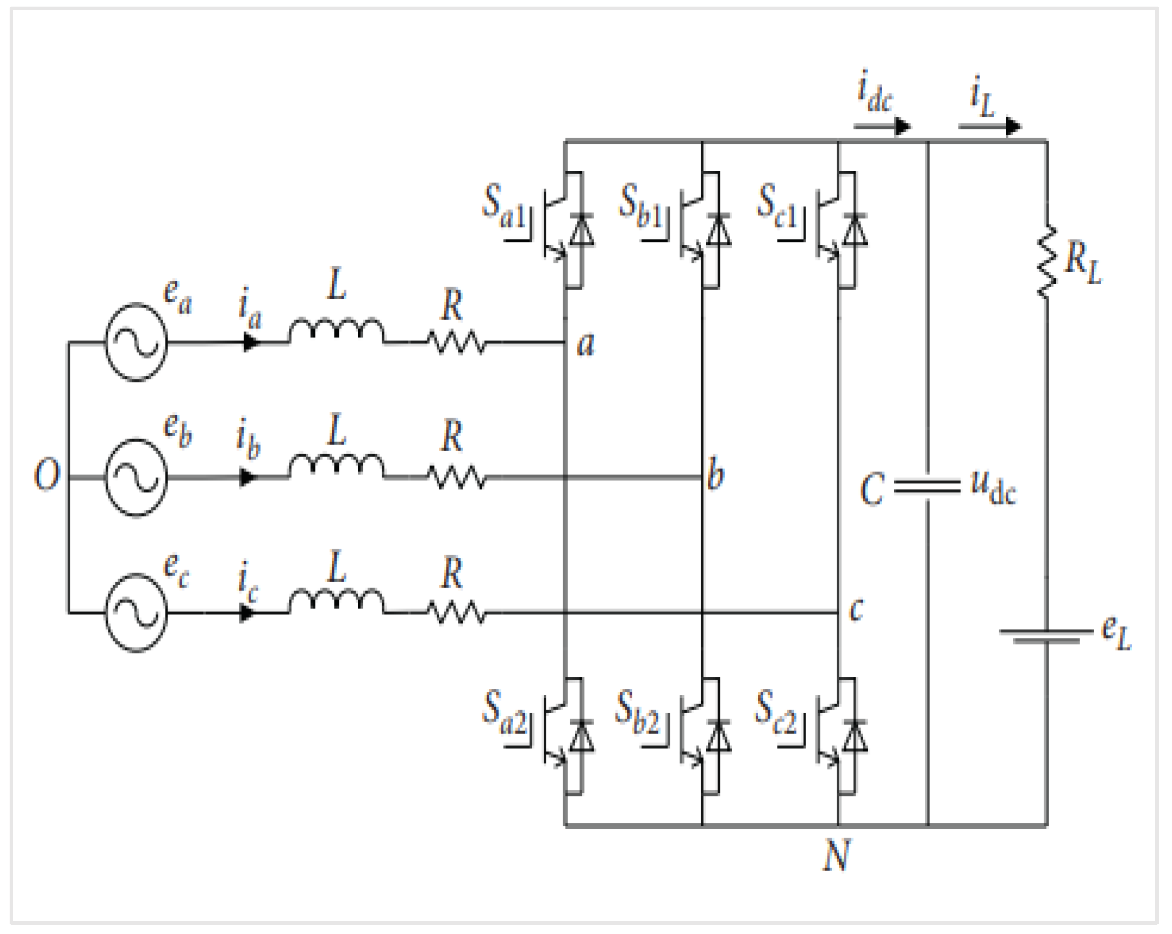
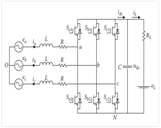
5.1. Power Electronic Interface (PEI)
Illustration of Bi-Directional AC/DC Converters
5.2. Energy Management System
6. Simulation Results
7. Comparison Results
7.1. Capacity
| C’ | Consumed |
| C” | Compensated |
| Charge or Discharge Limit |
| Time | PV Produced (A) | LA Battery (A) | Grid (A) | ||
|---|---|---|---|---|---|
| 00:00–02:00 | 0 | C” | 264.71 | C’ | 118.79 |
| 02:00–04:00 | 0 | C” | 265.11 | C’ | 88.66 |
| 04:00–05:00 | 0 | C” | 265.13 | C’ | 68.35 |
| 05:00–05:45 | 0 | C” | 264.3 | C’ | 78.67 |
| 05:45–08:00 | 48.33 | N/A | 0 | C’ | 15 |
| 08:00–10:00 | 254.38 | C’ | −453.75 | C” | 269.93 |
| 10:00–12:00 | 315.74 | C’ | −519 | C” | 309.51 |
| 12:00–14:00 | 297.91 | C’ | −519.49 | C” | 266.26 |
| 14:00–15:00 | 233.25 | C’ | −391.9 | C” | 225.05 |
| N/A | |||||
| 15:00–15:30 | 171.25 | N/A | 0 | C’ | 142.9 |
| 15:30–17:30 | 67.45 | C” | 265.31 | C’ | 74.59 |
| 17:30–20:00 | 0 | C” | 269.08 | C” | 20.01 |
| 20:00–23:00 | 0 | C” | 266.87 | C’ | 53.52 |
| Time | PV Produced (A) | Li-Ion Battery (A) | Grid (A) | ||
|---|---|---|---|---|---|
| 00:00–02:00 | 0 | C” | 266.16 | C’ | 211.99 |
| 02:00–04:00 | 0 | C” | 263.23 | C’ | 155.48 |
| 04:00–05:00 | 0 | C” | 261.6 | C’ | 117.85 |
| 05:00–05:45 | 0 | C” | 173.57 | C’ | 49.57 |
| 05:45–08:00 | 48.53 | N/A | 0 | C” | 16.19 |
| 08:00–10:00 | 257.29 | C’ | −602.71 | C” | 410.23 |
| 10:00–12:00 | 319.31 | C’ | −711.84 | C” | 461.28 |
| 12:00–14:00 | 291.65 | C’ | −370.39 | C” | 167.23 |
| N/A | |||||
| 14:00–15:00 | 221.98 | N/A | 0 | C’ | 96.975 |
| 15:00–15:30 | 170.9 | N/A | 0 | C’ | 148.5 |
| 15:30–17:30 | 67.08 | C” | 281.94 | C’ | 133.41 |
| 17:30–20:00 | 0 | C” | 278.67 | C” | 8.8 |
| 20:00–23:00 | 0 | C” | 269.78 | C’ | 55.13 |
7.2. Charge/Discharge
7.3. Efficiency
7.4. Lifespan
7.5. The Major Role Player in a Grid-Tied MG
7.6. Economic Benefit
7.7. Safety
7.8. Environmental
7.9. C-Rate
7.10. Additional Comparisons
8. Related Future Works
- For both batteries, deterioration and comprehensive system efficiency losses can be determined to signify important cost drivers for contemporary Li-ion and LA battery applications in a grid-connected MG.
- Power system enhancement and control are important to obtain the maximum capability of both battery technologies in a conducive application. Numerous enhancement factors can be undertaken, i.e., improvement considering the sizing of storage, the deployment, and the dispatch strategy for the BESS unit can be analyzed and grouped based on the technique and implementation use-case studied.
- Determine the effect of power electronics interfaces for BESS, which can be utilized to optimize BESS usage. Contemporary solutions are frequently established on existing technologies with minimal addressing of battery-determined challenges.
- For the generation scheme problem of a grid-tied MG system consisting of a PV array and battery energy storage system (BESS), considering a PV grant-in-aid policy based on cost–advantage analysis (CAA), a generation scheme model of a grid-tied MG system entailing substantial GHG economy is developed with the aim of the optimized life cycle net gains.
9. Conclusions
- It was found that applied electrochemical energy storage can aid the variable energy sources (PV systems) to meet the overall energy demand in the presented MG system.
- Based on the literature review, it was found that both batteries impressively reserved surplus power throughout low energy demand and supplied the reserved energy through high demand times.
- The applied electrochemical energy storage usage in a utility grid-tied MG system is less than when implemented in an isolated MG.
- An electrical system comprising a great magnitude of renewable energy needs a relative number of efficient batteries to store and compensate for their variability.
- An energy storage system can alleviate the main grid’s utilized hours, minimizing utility costs and Green House Gas emissions (GHG). As a result, this prompts the use of green energy by end-users.
- An MG scheme with Li-ion batteries as a buffering method is expected to be more conducive than an MG consisting of LA batteries. This is due to their high efficiency and extended life cycle. Consequently, making Li-ion is considered a better long-term investment.
- LA batteries are still extensively utilized in distinct systems due to their economic advantage; however, they have low efficiency and energy density. Based on the results of this work, it was discovered that Li-ion batteries have better storage attributes and are more conducive to substitute lead–acid, and, correspondingly, are better employed in a microgeneration system.
Author Contributions
Funding
Institutional Review Board Statement
Informed Consent Statement
Data Availability Statement
Acknowledgments
Conflicts of Interest
References
- Furtado, A.T.; Perrot, R. Innovation dynamics of the wind energy industry in South Africa and Brazil: Technological and institutional lock-ins. Innov. Dev. 2015, 5, 263–278. [Google Scholar] [CrossRef]
- Shahzad, U. The need for renewable energy sources. Energy 2012, 2, 16–18. [Google Scholar]
- Michaelides, E.E. Energy, the Eenvironment, and Sustainability; CRC Press: Boca Raton, FL, USA, 2018. [Google Scholar]
- Leonard, M.D.; Michaelides, E.E.; Michaelides, D.N. Energy storage needs for the substitution of fossil fuel power plants with renewables. Renew. Energy 2020, 145, 951–962. [Google Scholar] [CrossRef]
- Hanif, I.; Aziz, B.; Chaudhry, I.S. Carbon emissions across the spectrum of renewable and nonrenewable energy use in developing economies of Asia. Renew. Energy 2019, 143, 586–595. [Google Scholar] [CrossRef]
- Dhundhara, S.; Verma, Y.P.; Williams, A. Techno-economic analysis of the lithium-ion and lead-acid battery in microgrid systems. Energy Convers. Manag. 2018, 177, 122–142. [Google Scholar] [CrossRef]
- Alahakoon, S. Significance of energy storages in future power networks. Energy Procedia 2017, 110, 14–19. [Google Scholar] [CrossRef]
- Rodriguez-Diaz, E.; Vasquez, J.C.; Guerrero, J.M. Potential energy savings by using direct current for residential applications: A Danish household study case. In Proceedings of the 2017 IEEE Second International Conference on DC Microgrids (ICDCM), Nuremburg, Germany, 27–29 June 2017; pp. 547–552. [Google Scholar]
- Khalid, A.; Stevenson, A.; Sarwat, A.I. Overview of technical specifications for grid-connected microgrid battery energy storage systems. IEEE Access 2021, 9, 163554–163593. [Google Scholar] [CrossRef]
- Tariq, M.; Poor, H.V. Electricity theft detection and localization in grid-tied microgrids. IEEE Trans. Smart Grid 2016, 9, 1920–1929. [Google Scholar] [CrossRef]
- Yang, Y.; Bremner, S.; Menictas, C.; Kay, M. Battery energy storage system size determination in renewable energy systems: A review. Renew. Sustain. Energy Rev. 2018, 91, 109–125. [Google Scholar] [CrossRef]
- Tan, K.M.; Babu, T.S.; Ramachandaramurthy, V.K.; Kasinathan, P.; Solanki, S.G.; Raveendran, S.K. Empowering smart grid: A comprehensive review of energy storage technology and application with renewable energy integration. J. Energy Storage 2021, 39, 102591. [Google Scholar] [CrossRef]
- Mbungu, N.T.; Naidoo, R.M.; Bansal, R.C.; Siti, M.W.; Tungadio, D.H. An overview of renewable energy resources and grid integration for commercial building applications. J. Energy Storage 2020, 29, 101385. [Google Scholar] [CrossRef]
- Castillo, A.; Gayme, D.F. Grid-scale energy storage applications in renewable energy integration: A survey. Energy Convers. Manag. 2014, 87, 885–894. [Google Scholar] [CrossRef]
- Santos-Pereira, K.; Pereira, J.D.; Veras, L.S.; Cosme, D.L.; Oliveira, D.Q.; Saavedra, O.R. The requirements and constraints of storage technology in isolated microgrids: A comparative analysis of lithium-ion vs. lead-acid batteries. In Energy Systems; Springer: Berlin/Heidelberg, Germany, 2021; pp. 1–24. [Google Scholar]
- Aziz, A.S.; Tajuddin, M.F.N.; Adzman, M.R.; Ramli, M.A.; Mekhilef, S. Energy management and optimization of a PV/diesel/battery hybrid energy system using a combined dispatch strategy. Sustainability 2019, 11, 683. [Google Scholar] [CrossRef]
- Zou, C.; Zhang, L.; Hu, X.; Wang, Z.; Wik, T.; Pecht, M. A review of fractional-order techniques applied to lithium-ion batteries, lead-acid batteries, and supercapacitors. J. Power Sources 2018, 390, 286–296. [Google Scholar] [CrossRef]
- Hannan, M.A.; Wali, S.B.; Ker, P.J.; Abd Rahman, M.S.; Mansor, M.; Ramachandaramurthy, V.K.; Muttaqi, K.M.; Mahlia, T.M.I.; Dong, Z.Y. Battery energy-storage system: A review of technologies, optimization objectives, constraints, approaches, and outstanding issues. J. Energy Storage 2021, 42, 103023. [Google Scholar] [CrossRef]
- Tomaszewska, A.; Chu, Z.; Feng, X.; O’kane, S.; Liu, X.; Chen, J.; Ji, C.; Endler, E.; Li, R.; Liu, L.; et al. Lithium-ion battery fast charging: A review. ETransportation 2019, 1, 100011. [Google Scholar] [CrossRef]
- Schmidt-Rohr, K. How batteries store and release energy: Explaining basic electrochemistry. J. Chem. Educ. 2018, 95, 1801–1810. [Google Scholar] [CrossRef]
- Whittingham, M.S. History, evolution, and future status of energy storage. Proc. IEEE 2012, 100, 1518–1534. [Google Scholar] [CrossRef]
- Yang, Z.; Liu, J.; Baskaran, S.; Imhoff, C.H.; Holladay, J.D. Enabling renewable energy—And the future grid—With advanced electricity storage. Jom 2010, 62, 14–23. [Google Scholar] [CrossRef]
- Wong, C. Large Scale Integration of Renewable Electrical Energy into the Electrical Grid. 2019. Available online: https://kb.osu.edu/handle/1811/87570 (accessed on 4 October 2022).
- Faisal, M.; Hannan, M.A.; Ker, P.J.; Hussain, A.; Mansor, M.B.; Blaabjerg, F. Review of energy storage system technologies in microgrid applications: Issues and challenges. IEEE Access 2018, 6, 35143–35164. [Google Scholar] [CrossRef]
- Levron, Y.; Guerrero, J.M.; Beck, Y. Optimal power flow in microgrids with energy storage. IEEE Trans. Power Syst. 2013, 28, 3226–3234. [Google Scholar] [CrossRef]
- Katiraei, F.; Iravani, R.; Hatziargyriou, N.; Dimeas, A. Microgrids management. IEEE Power Energy Mag. 2008, 6, 54–65. [Google Scholar] [CrossRef]
- Atiq, J.; Soori, P.K. Modelling of a grid connected solar PV system using MATLAB/Simulink. Int. J. Simul. Syst. Sci. Technol. 2017, 17, 45.1–45.7. [Google Scholar]
- Premkumar, M.; Kumar, C.; Sowmya, R.; Pradeep, J. A novel salp swarm assisted hybrid maximum power point tracking algorithm for the solar photovoltaic power generation systems. Autom. Časopis Za Autom. Mjer. Elektron. Računarstvo Komun. 2021, 62, 1–20. [Google Scholar] [CrossRef]
- Mohamed, S.A.; El Sattar, M.A. A comparative study of P&O and INC maximum power point tracking techniques for grid-connected PV systems. SN Appl. Sci. 2019, 1, 1–13. [Google Scholar]
- Das, B.K.; Hoque, N.; Mandal, S.; Pal, T.K.; Raihan, M.A. A techno-economic feasibility of a stand-alone hybrid power generation for remote area application in Bangladesh. Energy 2017, 134, 775–788. [Google Scholar] [CrossRef]
- Singh, S.; Singh, M.; Kaushik, S.C. Feasibility study of an islanded microgrid in rural area consisting of PV, wind, biomass and battery energy storage system. Energy Convers. Manag. 2016, 128, 178–190. [Google Scholar] [CrossRef]
- Han, J.; Zhou, X.; Lu, S.; Zhao, P. A three-phase bidirectional grid-connected AC/DC converter for V2G applications. J. Control Sci. Eng. 2020, 2020, 8844073. [Google Scholar] [CrossRef]
- Qian, K.; Gao, G.; Sheng, Z. A maximum current control method for three-phase PWM rectifier for the ITER in-vessel vertical stability coil power supply. IEEE Trans. Plasma Sci. 2018, 46, 1689–1693. [Google Scholar] [CrossRef]
- Prabhakar, B.M.; Ramprabhakar, J.; Sailaja, V. Estimation and controlling the state of charge in battery augmented photovoltaic system. In Proceedings of the 2016 Biennial International Conference on Power and Energy Systems: Towards Sustainable Energy (PESTSE), Bengaluru, India, 21–23 January 2016; IEEE: Piscataway, NJ, USA, 2016; pp. 1–6. [Google Scholar]
- Gharehpetian, G.B.; Mousavi, M. Distributed Generation Systems: Design, Operation and Grid Integration; Butterworth-Heinemann: Oxford, UK, 2017. [Google Scholar]
- Lesser, J.A.; Su, X. Design of an economically efficient feed-in tariff structure for renewable energy development. Energy Policy 2008, 36, 981–990. [Google Scholar] [CrossRef]
- Wang, Q.; Ping, P.; Zhao, X.; Chu, G.; Sun, J.; Chen, C. Thermal runaway caused fire and explosion of lithium ion battery. J. Power Sources 2012, 208, 210–224. [Google Scholar] [CrossRef]
- Podder, S.; Khan, M.Z.R. Comparison of lead acid and Li-ion battery in solar home system of Bangladesh. In Proceedings of the 2016 5th International Conference on Informatics, Electronics and Vision (ICIEV), Dhaka, Bangladesh, 13–14 May 2016; pp. 434–438. [Google Scholar]



















| LA | Li-Ion | ||
|---|---|---|---|
| Benefits | Drawbacks | Benefits | Drawbacks |
| Reliable | Low-energy density | High-energy density | Expensive |
| Economical | Limited discharge depth | Long lifespan | |
| Durable | Heavy | Deep discharge | |
| Low lifespan | |||
| Criterion | Battery Type/Model | |
|---|---|---|
| LA Battery | Li-Ion Battery | |
| Manufacturer | C&D Tech | Kokam |
| Model | KCR | 120216216 |
| Total Capacity (AH) | 3816 | 3816 |
| Nominal cell voltage (V) | 2.063 | 3.3 |
| String Size | 12 | 12 |
| Cell life @ maximum DOD | 800 | 3200 |
| Float life (years) | 4 | 12 |
| Constant battery voltage in volt | 2.08 | 3.345 |
| Exponential voltage amplitude in volt | 0.149 | 0.797 |
| Inverse time constant in AH-1 | 0.774 | 0.038 |
| Polarization constant in volt/AH | 0.0002 | 0 |
| Internal resistance in Ohm per positive plate | 0.00266 | 0.0007 |
| Battery capacity in AH per positive plate | 26.5 | 53 |
| Battery discharge current in amp | 26.5 | 53 |
| Constant Current (A) | 50 | 53 |
| Constant Voltage (V) | 2.2 | 4.15 |
| Energy Storage Report | ||||||||
|---|---|---|---|---|---|---|---|---|
| Battery ID | Total Charging | Total Discharging | Maximum Power (kW) | Total | Average | |||
| Energy (kWh) | Time (h) | Energy (kWh) | Time (h) | Charge | Discharge | Δ SoC | % SoC | |
| LA | 2587.550 | 6.50 | 2993.963 | 13.75 | 405.771 | 216.695 | 129.87 | 47.44 |
| Li-ion | 2536.557 | 4.75 | 3017.207 | 13.50 | 565.472 | 237.299 | 131.81 | 49.22 |
Disclaimer/Publisher’s Note: The statements, opinions and data contained in all publications are solely those of the individual author(s) and contributor(s) and not of MDPI and/or the editor(s). MDPI and/or the editor(s) disclaim responsibility for any injury to people or property resulting from any ideas, methods, instructions or products referred to in the content. |
© 2023 by the authors. Licensee MDPI, Basel, Switzerland. This article is an open access article distributed under the terms and conditions of the Creative Commons Attribution (CC BY) license (https://creativecommons.org/licenses/by/4.0/).
Share and Cite
Makola, C.S.; Le Roux, P.F.; Jordaan, J.A. Comparative Analysis of Lithium-Ion and Lead–Acid as Electrical Energy Storage Systems in a Grid-Tied Microgrid Application. Appl. Sci. 2023, 13, 3137. https://doi.org/10.3390/app13053137
Makola CS, Le Roux PF, Jordaan JA. Comparative Analysis of Lithium-Ion and Lead–Acid as Electrical Energy Storage Systems in a Grid-Tied Microgrid Application. Applied Sciences. 2023; 13(5):3137. https://doi.org/10.3390/app13053137
Chicago/Turabian StyleMakola, Cry S., Peet F. Le Roux, and Jaco A. Jordaan. 2023. "Comparative Analysis of Lithium-Ion and Lead–Acid as Electrical Energy Storage Systems in a Grid-Tied Microgrid Application" Applied Sciences 13, no. 5: 3137. https://doi.org/10.3390/app13053137
APA StyleMakola, C. S., Le Roux, P. F., & Jordaan, J. A. (2023). Comparative Analysis of Lithium-Ion and Lead–Acid as Electrical Energy Storage Systems in a Grid-Tied Microgrid Application. Applied Sciences, 13(5), 3137. https://doi.org/10.3390/app13053137

