Quantitative Analysis on the Proportion of Renewable Energy Generation Based on Broadband Feature Extraction
Abstract
:1. Introduction
2. Principles of Improved Wavelet Energy Entropy and LSTM Neural Network
2.1. Wavelet Transform
2.2. Wavelet Energy Entropy
2.3. Improving Wavelet Energy Entropy
2.4. LSTM Neural Network
3. Simulation and Discussions
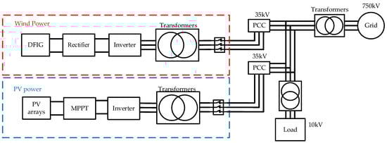
3.1. Grid Model Simulation with Renewable Energy
3.2. Specific Process to Improve Wavelet Energy Entropy
3.3. Classification Algorithm and Result Analysis
3.4. Discussions
- (1)
- There is no need to specifically analyze the topology and power flow of the power grid, and the required data types are easy to obtain;
- (2)
- The intelligent algorithm has higher fault tolerance and can adapt to various network structures and operating conditions;
- (3)
- Compared with the traditional algorithm, the algorithm in this paper can highlight the power quality characteristic level with renewable energy more.
- (1)
- The training of neural network requires a large amount of data and has certain requirements for sampling devices and storage capacity;
- (2)
- At present, the proportion cannot be given very accurately, only the general scope can be specified.
4. Conclusions
- (1)
- The feature extraction method based on improved wavelet energy entropy can effectively solve the problem of difficult spectrum analysis caused by complex perturbations in power quality due to the massive access of new energy sources, especially the improved energy entropy algorithm, which improves the traditional energy entropy method not applicable to the problem of low-kurtosis data processing. At the same time, this is the innovation of this paper.
- (2)
- The quantitative analysis of renewable energy occupancy ratio by a traditional machine learning algorithm has problems such as long training time and low accuracy rate. Therefore, in this paper, we use the data of Conclusion (1) to build an LSTM neural network and simulate it in MATLAB/Simulink; the simulation shows that the LSTM neural network can successfully identify the voltage and current data under different occupancy ratios with low complexity and training time, and the average accuracy rate is improved.
- (3)
- The next step is to improve the accuracy of quantitative analysis and effectively solve the problem of low success rate of identification at the renewable energy occupation score.
Author Contributions
Funding
Conflicts of Interest
References
- Zhuo, Z.; Zhang, N.; Xie, X. Key Technologies and Developing Challenges of Power System with High Proportion of Renewable Energy. Autom. Electr. Power Syst. 2021, 45, 171–191. [Google Scholar]
- Wang, Q.; Chen, P.; Deng, F.; Cheng, M.; Buja, G. The State of the Art of the Control Strategies for Single-Phase Electric Springs. Appl. Sci. 2018, 8, 2019. [Google Scholar] [CrossRef] [Green Version]
- Kuo, W.-C.; Chen, C.-H.; Hua, S.-H.; Wang, C.-C. Assessment of Different Deep Learning Methods of Power Generation Forecasting for Solar PV System. Appl. Sci. 2022, 12, 7529. [Google Scholar] [CrossRef]
- Tong, X.; Ye, Z.; Xu, Y.; Gao, S.; Xie, H.; Du, Q.; Liu, S.; Xu, X.; Luan, K. Image Registration with Fourier-Based Image Correlation: A Comprehensive Review of Developments and Applications. IEEE J. Sel. Top. Appl. Earth Obs. Remote Sens. 2019, 12, 4062–4081. [Google Scholar] [CrossRef]
- Chen, Z.; Wang, L.; Yi, Y. Computation of radio interference excitation current of DC Corona based on short-time Fourier transform. High Volt. Eng. 2019, 45, 1866–1872. [Google Scholar]
- Jia, R.; Zhao, J.; Wu, H. Application of correlated probabilistic wavelet transform in partial discharge detection. High Volt. Eng. 2017, 43, 2896–2902. [Google Scholar]
- Hong, X.; Liu, Y.; Lin, X.; Luo, Z.; He, Z. Nonlinear Ultrasonic Detection Method for Delamination Damage of Lined Anti-Corrosion Pipes Using PZT Transducers. Appl. Sci. 2018, 8, 2240. [Google Scholar] [CrossRef] [Green Version]
- Koganezawa, S.; Tsuda, S.; Tani, H.; Lu, R.; Tagawa, N. Frequency Analysis of Disturbance Torque Exerted on a Carriage Arm in Hard Disk Drives Using Hilbert–Huang Transform. IEEE Trans Magn. 2018, 54, 1–6. [Google Scholar] [CrossRef]
- Deng, Y.; Lin, S.; Fu, L. New Criterion of Converter Transformer Differential Protection Based on Wavelet Energy Entropy. IEEE Trans Power Deliv. 2019, 34, 980–990. [Google Scholar] [CrossRef]
- Li, Y.; Ning, F.; Jiang, X.; Yi, Y. Feature Extraction of Ship Radiation Signals Based on Wavelet Packet Decomposition and Energy Entropy. Math. Probl. Eng. 2022, 2022, 8092706. [Google Scholar] [CrossRef]
- Qu, H.; Liu, H.; Li, X.M. Feature combination optimization for multi-disturbance classification of power quality. Electr. Power Autom. Equip. 2017, 37, 146–152. [Google Scholar]
- Ahila, R.; Sadasivam, V.; Manimala, K. An integrated PSO for parameter determination and feature selection of ELM and its application in classification of power system disturbances. Appl. Soft Comput. 2015, 32, 23–37. [Google Scholar] [CrossRef]
- Biswal, B.; Dash, P.; Mishra, S. A hybrid ant colony optimization technique for power signal pattern classification. Expert Syst. Appl. 2011, 38, 6368–6375. [Google Scholar] [CrossRef]
- Wang, Y.; Zhang, K.; Zheng, C.; Chen, H. An Optimal Energy Management Method for the Multi-Energy System with Various Multi-Energy Applications. Appl. Sci. 2018, 8, 2273. [Google Scholar] [CrossRef]
- Przednowek, K.; Krzeszowski, T.; Przednowek, K.H.; Lenik, P. A System for Analysing the Basketball Free Throw Trajectory Based on Particle Swarm Optimization. Appl. Sci. 2018, 8, 2090. [Google Scholar] [CrossRef]
- Chen, J.; Gao, Z.; Luo, L. Error correction of UHF partial discharge location method based on BP network. High Volt. Eng. 2018, 44, 2040–2047. [Google Scholar]
- Ingrid, D. Ten Lectures on Wavelets; Society for Industrial and Applied Mathematics (SIAM): Philadelphia, PA, USA, 1992; pp. 14–22. [Google Scholar]
- Ali, A.; Devinder, K. Immunocomputing-Based Approach for Optimizing the Topologies of LSTM Networks. IEEE Access 2021, 9, 78993–79004. [Google Scholar]
- Sepp, H.; Jürgen, S. Long Short-Term Memory. Neural Comput. 1997, 9, 1735–1780. [Google Scholar]
- Paul, J.W. The Roots of Backpropagation: From Ordered Derivatives to Neural Networks and Political Forecasting; John Wiley & Sons: Hoboken, NJ, USA, 1994; pp. 86–132. [Google Scholar]






| Parameter | Value | Parameter | Value (pu) |
|---|---|---|---|
| Main grid voltage | 750 kV | Resistance of Transformer 1 (main grid) | 0.08 |
| DFIG output voltage | 575 V | Inductance of Transformer 1 (main grid) | 0.08/30 |
| PV output voltage | 10 kV | Resistance of Transformer 1 (new energy) | 0.025 |
| Load power | 200 MW | Inductance of Transformer 1 (new energy) | 0.025/30 |
| LSTM | Setting | BPNN | Setting |
|---|---|---|---|
| Num Classes | 5 | Num Classes | 5 |
| Max Epochs | 100 | Max Epochs | 200 |
| Mini Batch Size | 50 | Mini Batch Size | 50 |
| Initial Learn Rate | 0.005 | Initial Learn Rate | 0.001 |
| Execution Environment | Auto | Execution Environment | Auto |
| Shuffle | Every Epoch | Shuffle | Every Epoch |
| Algorithm | Hidden Units | Epochs | Time (s) | Accuracy |
|---|---|---|---|---|
| Traditional + BPNN | 200 | 2400 | 50 | 89.7% |
| Traditional + LSTM | 100 | 1600 | 38 | 91.3% |
| Improved + BPNN | 200 | 1700 | 42 | 92.5% |
| Improved + LSTM | 100 | 1000 | 33 | 98.6% |
| Category | R1 | R2 | R3 | R4 | R5 |
|---|---|---|---|---|---|
| Accuracy | 100% | 92.5% | 97.5% | 100% | 97.5 |
| Total Accuracy | 97.5% | ||||
Publisher’s Note: MDPI stays neutral with regard to jurisdictional claims in published maps and institutional affiliations. |
© 2022 by the authors. Licensee MDPI, Basel, Switzerland. This article is an open access article distributed under the terms and conditions of the Creative Commons Attribution (CC BY) license (https://creativecommons.org/licenses/by/4.0/).
Share and Cite
Chen, L.; Shen, J.; Zhou, B.; Wang, Q.; Buja, G. Quantitative Analysis on the Proportion of Renewable Energy Generation Based on Broadband Feature Extraction. Appl. Sci. 2022, 12, 11159. https://doi.org/10.3390/app122111159
Chen L, Shen J, Zhou B, Wang Q, Buja G. Quantitative Analysis on the Proportion of Renewable Energy Generation Based on Broadband Feature Extraction. Applied Sciences. 2022; 12(21):11159. https://doi.org/10.3390/app122111159
Chicago/Turabian StyleChen, Li, Jian Shen, Bin Zhou, Qingsong Wang, and Giuseppe Buja. 2022. "Quantitative Analysis on the Proportion of Renewable Energy Generation Based on Broadband Feature Extraction" Applied Sciences 12, no. 21: 11159. https://doi.org/10.3390/app122111159
APA StyleChen, L., Shen, J., Zhou, B., Wang, Q., & Buja, G. (2022). Quantitative Analysis on the Proportion of Renewable Energy Generation Based on Broadband Feature Extraction. Applied Sciences, 12(21), 11159. https://doi.org/10.3390/app122111159

