Performance Analysis of a PEMFC-Based Grid-Connected Distributed Generation System
Abstract
:1. Introduction
2. DG Case Studies at World Universities
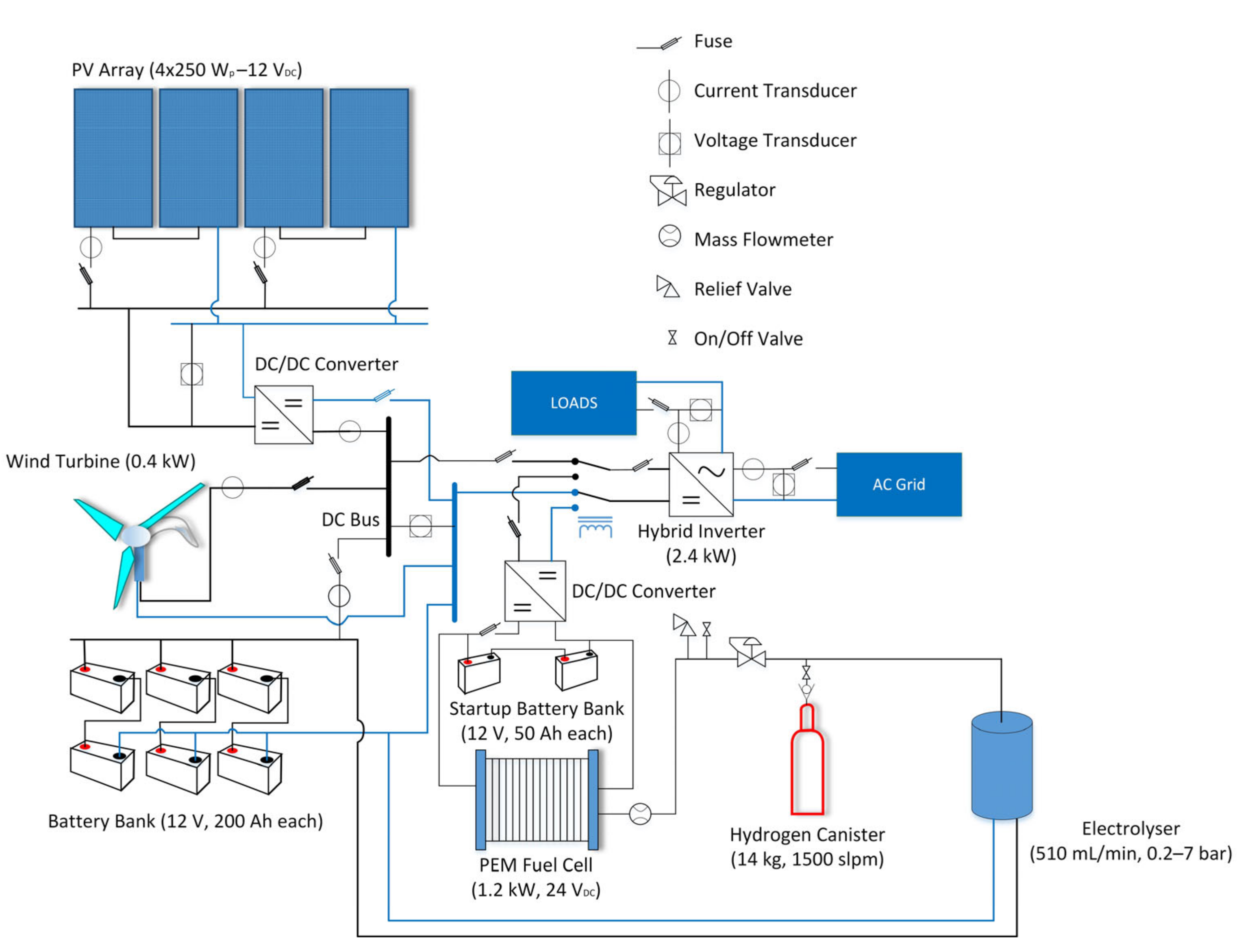
3. Overview of Hybrid Microgrid System
4. Operation Results
5. Conclusions
Author Contributions
Funding
Institutional Review Board Statement
Informed Consent Statement
Data Availability Statement
Conflicts of Interest
References
- About Microgrids, Microgrids at Berkeley Lab. Available online: https://building-microgrid.lbl.gov/about-microgrids (accessed on 15 May 2020).
- Unamuno, E.; Barrena, J.A. Hybrid AC/DC microgrids—Part I: Review and classification of topologies. Renew. Sustain. Energy Rev. 2015, 52, 1251–1259. [Google Scholar] [CrossRef]
- U.S. Department of Energy. Distributed Energy. Available online: http://energy.gov/oe/technology-development/smart-grid/distributed-energy (accessed on 16 May 2020).
- Guo, L.; Vengalil, M.; Abdul, N.M.M.; Wang, K. Design and implementation of virtual laboratory for a microgrid with renewable energy sources. Comput. Appl. Eng. Educ. 2021, 30, 349–361. [Google Scholar] [CrossRef]
- Zuo, G.; Dou, Y.; Chang, X.; Chen, Y. Design and Application of a Standalone Hybrid Wind–Solar System for Automatic Observation Systems Used in the Polar Region. Appl. Sci. 2018, 8, 2376. [Google Scholar] [CrossRef] [Green Version]
- Beccali, M.; Bonomolo, M.; Di Pietra, B.; Leone, G.; Martorana, F. Solar and Heat Pump Systems for Domestic Hot Water Production on a Small Island: The Case Study of Lampedusa. Appl. Sci. 2020, 10, 5968. [Google Scholar] [CrossRef]
- Akpolat, A.N.; Yang, Y.; Blaabjerg, F.; Dursun, E.; Kuzucuoglu, A.E. Design implementation and operation of an education laboratory-scale microgrid. IEEE Access 2021, 9, 57949–57966. [Google Scholar] [CrossRef]
- Reis, G.L.; Brando, D.I.; Oliveira, J.H.; Araujo, L.S.; Filho, B.J.C. Case Study of Single-Controllable Microgrid: A Practical Implementation. Energies 2022, 15, 6400. [Google Scholar] [CrossRef]
- Sun, C.; Leto, S. A novel joint bidding technique for fuel cell wind turbine photovoltaic storage unit and demand response considering prediction models analysis Effect’s. Int. J. Hydrogen Energy 2020, 45, 6823–6837. [Google Scholar] [CrossRef]
- Han, Y.; Chen, W.; Li, Q.; Yang, H.; Zare, F.; Zheng, Y. Two-level energy management strategy for PV-Fuel cell-battery-based DC microgrid. Int. J. Hydrogen Energy 2019, 44, 19395–19404. [Google Scholar] [CrossRef]
- Washom, B.; Dilliot, J.; Weil, D.; Kleissl, J.; Balac, N.; Torre, W.; Richter, C. Ivory Tower of Power: Microgrid Implementation at the University of California, San Diego. IEEE Power Energy Mag. 2013, 11, 28–32. [Google Scholar] [CrossRef]
- Liang, C.; Shahidehpour, M. DC Microgrids: Economic Operation and Enhancement of Resilience by Hierarchical Control. IEEE T Smart Grid 2014, 5, 2517–2526. [Google Scholar] [CrossRef]
- Case Study: Microgrid at Princeton University, Consulting-Specifying Engineer. 2015. Available online: http://www.csemag.com/single-article/case-study-microgrid-at-princetonuniversity/a852c6c36420f738c8ecf66de7aa3dd1.html (accessed on 20 May 2020).
- The University of Central Lancashire (UCLAN). Available online: http://www.uclan.ac.uk/courses/msc_pgdip_renewable_energy_engineering.php (accessed on 20 May 2020).
- Bracco, S.; Delfino, F.; Pampararo, F.; Robba, M.; Rossi, M. Planning and management of sustainable microgrids: The test-bed facilities at the University of Genoa. In Proceedings of the Africon Conference; Pointe aux Piments, Mauritius, 9–12 September 2013, pp. 1–5. [CrossRef]
- The Microgrids Group at Berkeley Lab, “Examples of Microgrids”, Berkeley Lab. 2019. Available online: https://building-microgrid.lbl.gov/examples-microgrids (accessed on 20 May 2020).
- Davies, R.; Sumner, M.; Christopher, E. Energy storage control for a small community microgrid. In Proceedings of the 7th IET International Conference on Power Electronics, Machines and Drives (PEMD 2014), Manchester, UK, 8–10 April 2014. [Google Scholar] [CrossRef]
- Setthapun, W.; Srikaew, S.; Rakwichian, J.; Tantranont, N.; Rakwichian, W.; Singh, R. The integration and transition to a DC based community: A case study of the Smart Community in Chiang Mai World Green City. In Proceedings of the First International Conference on DC Microgrids (ICDCM), Atlanta, GA, USA, 7–10 June 2015; pp. 205–209. [Google Scholar] [CrossRef]
- Mihet-Popa, L.; Groza, V.; Isleifsson, F. Experimental testing for stability analysis of distributed energy resources components with storage devices and loads. In Proceedings of the International Instrumentation and Measurement Technology Conference Proceedings, Graz, Austria, 13–16 May 2012; pp. 588–593. [Google Scholar] [CrossRef] [Green Version]
- Akpolat, A.N.; Dursun, E. ‘From microgrid to smart grid: A review of campus projects. In Proceedings of the International Engineering, Science and Education Conference, Diyarbakir, Turkey, 1–3 December 2016; pp. 379–387. [Google Scholar]
- Masters, G.M. Renewable and Efficient Electric Power Systems; Wiley: Hoboken, NJ, USA, 2014. [Google Scholar]
- Marsh, A. 3D Sun-Path. Available online: https://drajmarsh.bitbucket.io/sunpath3d.html (accessed on 1 June 2020).

















| Specifications | Unit |
|---|---|
| Nominal Power | 400 W |
| Swept Area | 1.07 m2 |
| Cut-in wind speed | 3.58 m/s |
| Cut-off wind speed | 49.2 m/s |
| Rotor diameter | 1.17 m |
| Alternator | Permanent Magnet Brushless |
| Wind Speed [m/s] | Power [W] | f (𝒗) | Hours/Year at 𝒗 | Energy [Wh/Year] |
|---|---|---|---|---|
| 1.06 | 0 | 0.065 | 569.4 | 0 |
| 2.02 | 0 | 0.1194 | 1045.944 | 0 |
| 2.99 | 0 | 0.1512 | 1324.512 | 0 |
| 3.58 | 1 | 0.1581 | 1384.956 | 1620.39852 |
| 5.00 | 14 | 0.1453 | 1272.828 | 17,921.41824 |
| 5.99 | 31 | 0.1196 | 1047.696 | 32,499.52992 |
| 6.97 | 51 | 0.0893 | 782.268 | 39,848.73192 |
| 8.00 | 83 | 0.0609 | 533.484 | 44,311.18104 |
| 9.00 | 120 | 0.0382 | 334.632 | 40,232.80536 |
| 10.00 | 146 | 0.0221 | 193.596 | 28,357.94208 |
| 11.00 | 149 | 0.0118 | 103.368 | 15,372.88896 |
| 11.99 | 120 | 0.00585 | 51.246 | 6140.80818 |
| 13.01 | 70 | 0.00268 | 23.4768 | 1643.376 |
| 13.97 | 43 | 0.00114 | 9.9864 | 427.817376 |
| 14.99 | 25 | 0.000452 | 3.95952 | 97.4833824 |
| 15.97 | 9 | 0.000166 | 1.45416 | 13.5091464 |
| 17.00 | 10 | 0.0000569 | 0.498444 | 4.8847512 |
| 18.00 | 2 | 0.000018 | 0.15768 | 0.3169368 |
| Total | 228,493.0918 |
| Features | Values (UOM) |
|---|---|
| Module Efficiency (%) | 15.71 |
| Cell Efficiency (%) | 17.9 |
| Peak Power (P) | 250 Wp |
| Max Power Voltage (Vmp) | 30.6 V |
| Max Power Current (Imp) | 8.17 A |
| Open-Circuit Voltage (Voc) | 38 V |
| Short-Circuit Current (Isc) | 8.71 A |
| Number of Cells | 60 |
| Dimensions | 1640 × 990 × 35 mm |
| Loads | # | Nominal Power [W] | Hours of Use/Day | Energy Use/Day [Wh/Day] |
|---|---|---|---|---|
| Air Conditioning | 1 | 560 | 5 * | 2800 |
| Electrolyzer | 1 | 400 | 2 | 800 |
| Lighting | 12 | 48 | 10 * | 5.760 |
| PC | 2 | 250 | 10 | 5000 |
| Total | 2.616 | 14,360 |
| EWind | EPV | EPEMFC | EDG = EWind + EPV + EPEMFC | Egrid | Edemand |
|---|---|---|---|---|---|
| 228.493 | 1335.050 | 198 | 1761.453 | 2029.497 | 3791.040 |
Disclaimer/Publisher’s Note: The statements, opinions and data contained in all publications are solely those of the individual author(s) and contributor(s) and not of MDPI and/or the editor(s). MDPI and/or the editor(s) disclaim responsibility for any injury to people or property resulting from any ideas, methods, instructions or products referred to in the content. |
© 2023 by the authors. Licensee MDPI, Basel, Switzerland. This article is an open access article distributed under the terms and conditions of the Creative Commons Attribution (CC BY) license (https://creativecommons.org/licenses/by/4.0/).
Share and Cite
Akpolat, A.N.; Dursun, E.; Yang, Y. Performance Analysis of a PEMFC-Based Grid-Connected Distributed Generation System. Appl. Sci. 2023, 13, 3521. https://doi.org/10.3390/app13063521
Akpolat AN, Dursun E, Yang Y. Performance Analysis of a PEMFC-Based Grid-Connected Distributed Generation System. Applied Sciences. 2023; 13(6):3521. https://doi.org/10.3390/app13063521
Chicago/Turabian StyleAkpolat, Alper Nabi, Erkan Dursun, and Yongheng Yang. 2023. "Performance Analysis of a PEMFC-Based Grid-Connected Distributed Generation System" Applied Sciences 13, no. 6: 3521. https://doi.org/10.3390/app13063521
APA StyleAkpolat, A. N., Dursun, E., & Yang, Y. (2023). Performance Analysis of a PEMFC-Based Grid-Connected Distributed Generation System. Applied Sciences, 13(6), 3521. https://doi.org/10.3390/app13063521

