You are currently viewing a new version of our website. To view the old version click .
Applied Sciences
  • Article
  • Open Access

30 November 2023

Research on a Three-Phase Energy Mutual-Aid Strategy for a Grid-Connected Inverter Based on Constructed Negative Sequence Current Control

,
and
College of Information and Science, Northeastern University, Shenyang 110819, China
*
Author to whom correspondence should be addressed.
This article belongs to the Special Issue Advances and Challenges in Power Systems with High Penetration of Renewable Energies

Abstract

With the increased grid-connected capacity of a single-phase distributed power supply, three-phase power unbalance is more likely to occur in a power grid. Three-phase power unbalance can further lead to three-phase voltage unbalance, which can have adverse effects on power quality and power supply reliability. Therefore, there is a need to build a three-phase power transmission channel to realize power exchanging among phases. In this paper, a novel grid-connected inverter control strategy for three-phase power exchanging is proposed based on constructed negative sequence current control. A completed negative sequence current control loop is added to a conventional three-bridge inverter to realize the decoupling control of three-phase grid current, and then three-phase power exchanging is realized. On this basis, this paper further puts forward a strategy for three-phase power exchanging aimed at three-phase voltage balance. Correspondingly, the three-phase grid current is controlled according to the feedback of the three-phase voltage. Then, three-phase voltage balance is achieved by three-phase power exchanging. The simulation and experimental results show that the proposed strategy is suitable for a three-phase unbalanced power grid, which can realize three-phase power exchanging, and further, can achieve three-phase voltage balance. The proposed strategy can help to improve power quality and supply reliability.

1. Introduction

With the development and popularity of single-phase distributed generators, such as household rooftop photovoltaic power stations and household wind turbines, three-phase power unbalance often occurs in the distribution network. Three-phase unbalanced power flowing through the line impedance will further cause three-phase voltage unbalance at the end of the grid, affecting power quality and power supply reliability. Therefore, three-phase energy mutual aid becomes a new functional requirement of the distribution network. To solve this problem, conventional solutions mainly include the following:
(1)
Forced commutation [1]: In this method, certain amounts of single-phase loads are selected as the analysis objects, their electricity consumption and electricity meter data are sampled and analyzed in in real time, and then the staff or the automatic system redistributes the load on each line according to the experience and data analysis results. However, the fastest automatic commutation at present also needs at least several seconds to complete the commutation operation. Therefore, before and after the commutation, some loads may be momentarily powered off, which might damage the equipment and/or also affect the safety of some equipment.
(2)
Add a reactive power compensation device [2]: A reactive power compensation device such as the static var generator (SVG) can control the current at the output side of the bridge circuit to release or absorb reactive power. This method has a wide adjustment range and can realize a wide range of dynamic reactive power compensation, from inductive to capacitive. However, both of these static var compensation devices can only solve the unbalance problem of the low-voltage side of a three-phase distribution transformer, and are not applicable to the three-phase unbalance at the end of the line, so there are still some limitations.
(3)
Modify the topology structure, add extra power conversion equipment, and build an energy transmission channel among phases: The authors of [3,4,5,6,7] adopted a back-to-back (BTB) converter interconnection microgrid control, and [3,4] further proposed a method to combine three BTB converters into a power sharing unit for power sharing and power flow control among phases of the microgrid. In addition, refs. [5,6,7] proposed cascaded double active bridge (DAB) converters. The transmission power of each DAB module in each phase is evenly distributed according to the three-phase unbalance of the three-phase AC power grid, so the three-phase unbalance can be alleviated. However, these methods need to add extra power conversion equipment in the microgrid, which increases the cost and reduces the reliability, and may also reduce the energy transmission efficiency due to the characteristics of the hardware equipment.
(4)
Decentralized control: The authors of [8,9,10] used decentralized control to solve this problem. For example, [8] proposed a decentralized power management and load-sharing method. This method enables the power flow between different phases to be automatically completed through the three-phase unit. In order to realize power decentralized management, the conventional active power-frequency droop is modified according to the operating states of the units, considering the available photovoltaic power and battery conditions of each unit to make each unit share the load reasonably. Other methods such as the small AC signal injection method [11] and the single-phase droop control method [12] are also typical decentralized control methods. These methods can independently and flexibly control the power and voltage regulation of each phase, and ensure the allowable output phase power, voltage distribution, and power quality. However, most of these methods rely on interlayer communication, and the communication delay may affect the system operation.
(5)
Distributed control: In order to solve the problem of communication delay, as mentioned above, distributed control [13,14,15,16,17] has drawn wide attention. The method by [18] relies less on communication but realizes power sharing among distributed power generation devices by controlling frequency and voltage drop, i.e., the circuit superposition theorem. However, these studies have mainly focused on distributed power generation control within the microgrid, and have given little attention to three-phase microgrid energy mutual aid.
In this paper, we propose a three-phase energy mutual-aid control strategy for a grid-connected inverter based on the constructed of negative sequence current. A completed negative sequence current control loop is added to a conventional three-bridge inverter to realize the decoupling control of three-phase grid current, therefore achieving three-phase energy mutual aid. On this basis, a three-phase energy mutual-aid control strategy aiming at three-phase voltage balance is further proposed. According to the three-phase voltage feedback of the point of common coupling (PCC), the grid current is controlled, and the three-phase voltage balance of the PCC is realized by three-phase energy mutual aid. The simulation and experimental results show that the proposed control strategy is suitable for a three-phase unbalanced power grid, and can achieve three-phase energy mutual aid, and then realize three-phase voltage balance. It can also help improve the power quality and power supply reliability.
The contribution of this article is that we propose a novel control method for a grid-connected inverter, which can realize three-phase power interworking and mutual aid without affecting the original function of the inverter, and only eight IGBT switches are used, which can significantly reduce control complexity and improve engineering reliability.

2. Conventional Control Strategy of a Three-Phase Grid-Connected Inverter

Figure 1 shows the typical topology of a grid-connected inverter with an L filter.
Figure 1. Typical topology of a grid-connected inverter.
The conventional control strategy of a three-phase grid-connected inverter can be roughly divided into four steps, i.e., (a), (b), (c) and (d), as shown in Figure 2.
Figure 2. Conventional control strategy of a grid-connected inverter.
(a)
Sample the three-phase line voltage Vline at the PCC point. Then, convert Vline into the phase voltage Vphase; and then lock the phase of Vphase to obtain sinφ/cosφ, as the phase-lock result.
(b)
Sample the three-phase grid current I. Based on the phase-lock result, the three-phase grid current I is decomposed by dq coordinate transformation to obtain the dq axis components Id/Iq.
(c)
Take the errors between Id/Iq and target current Idref/Iqref, and enter the errors into PI controllers, respectively, and then perform dq/abc transformation, adopting the phase-lock result sinφ/cosφ to obtain three-phase modulated waves.
(d)
Compare the modulated waves with the carrier wave to generate the six-channel PWM switching signals.
The conventional grid-connected inverter control strategy is designed based on the three-phase voltage balance condition, which can ensure equal amplitude among the three-phase grid currents. In other words, the grid-connected power of each phase is fixed to be the same. The conventional strategy cannot realize individual control of grid-connected power or current of each phase.

3. Proposed Three-Phase Energy Mutual-Aid Strategy of a Grid-Connected Inverter

3.1. Three-Phase Power Exchanging Control Strategy of a Grid-Connected Inverter

The three-phase energy mutual-aid strategy of a grid-connected inverter is proposed. By adding a negative sequence current control, the grid current and output power of each phase can be controlled separately to realize mutual aid.
As compared with the conventional control strategy, the proposed control strategy can also be divided into four steps, i.e., (a), (b), (c) and (d), as shown in Figure 3.
Figure 3. The proposed three-phase energy mutual-aid strategy of a grid-connected inverter.
(a)
Conduct positive and negative sequence separation on the sampled three-phase line voltage Vline to obtain the positive and negative sequence of the line voltage Vline-P and Vline-N, respectively. Only take Vline-P to do the following computation. First, convert Vline_P into the phase voltage Vphase; and then lock the phase of Vphase to obtain sinφ/cosφ as the phase-lock result.
(b)
Conduct positive and negative sequence separation on the sampled three-phase grid current I to obtain the positive and negative sequence currents I-P and I-N, and then take them to perform dq decomposition, respectively. For the dq decomposition of I-P, the phase-lock result of positive sequence line voltage sinφ/cosφ is adopted. However, for the dq decomposition of I-N, the phase-locking result of negative sequence voltage cannot be used, because there is a random initial phase difference between the positive and negative sequence line voltage. The phase-lock result of negative sequence sin(−φ)/cos(−φ) should be constructed according to the positive sequence voltage phase-lock result sinφ/cosφ, so as to ensure that there is no initial difference between the positive and negative sequence. Therefore, the constructed phase-lock result −sinφ/cosφ is adopted for the dq decomposition of the negative sequence current I-N.
(c)
For both the positive and the negative sequence currents, take the errors between Id/Iq and target current Idref/Iqref; enter the errors into the PI controllers, respectively; and then perform dq/abc transformation, adopting the phase-lock result sinφ/cosφ or the constructed phase-lock result −sinφ/cosφ to obtain the three modulated waves, respectively, on both the positive and the negative sequence currents.
(d)
According to the circuit superposition theorem, the positive and negative sequence modulated waves are directly superimposed on each corresponding phase to create the final modulated waves, and then the final modulated waves are compared with the carrier wave to generate the six-channel PWM switching signals.
Some modules in Figure 3 are marked in red, which will be discussed in detail in the following sections.

3.2. Positive and Negative Sequence Separation Module

As shown in Figure 3a,b, the voltage and current signals are both separated by a positive and negative sequence. This is because the distribution network which needs three-phase energy mutual aid often has three-phase voltage unbalance, in other words, there is a negative sequence component in the three-phase voltage, so the voltage needs to be separated by a positive and negative sequence, and only lock the phase of the positive sequence component. For the current, due to the addition of negative sequence current control, the grid current should also be separated by a positive and negative sequence, realizing the decoupling control of the positive and negative sequence current.
As shown in Figure 4, the unbalanced three-phase signals ABC are separated to obtain the positive sequence A+ B+ C+ and the negative sequence A B C signals on the method of one-quarter period delay on αβ axis. If the signals ABC are three-phase balanced, the A B C signals all obtain zero.
Figure 4. Schematic diagram of the positive and negative sequence separation strategy.
The results of positive and negative sequence separation are shown in Figure 5. The first column (ABC) is the three-phase unbalanced signals, the second column (A+ B+ C+) is the positive sequence component of ABC, and the third column (A B C) is the negative sequence component of ABC. In a three-phase power grid, due to the existence of three-phase transformers, the zero-sequence component can be neglected, so all three-phase unbalanced voltage or current can be treated as the superposition of the positive and negative sequence component.
Figure 5. Results of positive and negative sequence separation.

3.3. Constructed Phase-Lock Result

In order to decouple the three-phase grid power, it is necessary to ensure that the negative sequence three-phase current A B C can be directly added to the positive sequence three-phase current A+ B+ C+, so the initial phase of the negative sequence current must be fixed. Therefore, the negative sequence phase-lock result −sinφ/cosφ is constructed to ensure that the initial phase difference between the negative and the positive sequence phase-lock results is zero.
As shown in Figure 6, when A+ is in phase with A, B+ is in phase with C, and C+ is in phase with B. At this time, the superposition effect of A+ B+ C+ and A B C is that Phase A is increased, while Phase B and C are decreased equally. The grid power of Phase B and C are transferred into Phase A, achieving energy mutual aid.
Figure 6. Construct the negative sequence current in phase with A.
The phase of the negative sequence current can be adjusted by changing the reference currents of the negative sequence current Idref_N/Iqref_N. When B+ is in phase with B, A+ is in phase with C, and C+ is in phase with A, and the superposition effect is that the powers of Phase A and C are transferred into Phase B, also achieving energy mutual aid, as shown in Figure 7. Similarly, the phase of the negative sequence current can be adjusted to realize that the powers of Phase A and B are transferred into Phase C. By this means, the grid power of each phase can be independent decoupling, realizing three-phase energy mutual aid.
Figure 7. Construct the negative sequence current in phase with B.

3.4. The Value Decision of the Negative Sequence Reference Current

As mentioned in Section 3.3, by adjusting the negative sequence reference current vector [Idref_N, Iqref_N]T, energy mutual aid can be realized on each phase decoupling independently. By fixing the value of [Idref_N, Iqref_N]T to be [1, 0]T, then Phase A is superimposed with one unit of negative sequence current. By keeping the mode of the vector [Idref_N, Iqref_N]T unchanged, and only adjusting its phase, the initial phase of the constructed negative sequence current can be changed. When the value of [Idref_N, Iqref_N]T is fixed to be [cos(2π/3), −sin(2π/3)]T, Phase B can be superimposed with one unit of negative sequence current. Similarly, when [Idref_N, Iqref_N]T is fixed to be [cos(2π/3), sin(2π/3)]T, Phase C can be superimposed with one unit of negative sequence current.
As shown in Equation (1), three unit vectors, a, b and c, are defined to correspond to the unit current superimposed by the negative sequence of each phase.
a = [ 1 0 ] , b = [ 0.5 3 / 2 ] , c = [ 0.5 3 / 2 ]
Then, the negative sequence reference current vector [Idref_N, Iqref_N]T can be expressed in the form shown in Equation (2), where XA, XB and XC are the additive values of ABC three-phase negative sequence current, correspondingly.
[ I d r e f _ N I q r e f _ N ] = X A a + X B b + X C c
By adjusting the values of XA, XB, and XC, which are decoupled from each other, the three-phase power can be decoupled controlled, achieving mutual aid.

3.5. Three-Phase Energy Mutual-Aid Strategy Aiming at Three-Phase Voltage Balance

The control strategy described above is a lower-level control strategy, aimed at realizing three-phase energy flowing to each other. The amount of energy that is needed to flow among phases is decided by an upper-lower strategy. This section provides an example of an upper-lower strategy, aimed at three-phase voltage balance.
In practical application, a distribution network which needs three-phase energy mutual aid often has three-phase voltage unbalance. Based on this scenario, this section proposes a three-phase energy mutual-aid strategy aiming at three-phase voltage balance.
In a distribution network, as shown in Figure 8, assume that the voltage at the head of the line is three-phase balanced. However, since the loads PLA, PLB, and PLC of the ABC three phases are different and act on the same line impedance Zgrid, the RMS values of the three-phase voltage at the tail of the line VA_rms, VB_rms, VC_rms are different, in other words, three-phase voltage unbalance occurs. For example, if PLA is significantly larger than PLB and PLC, then VA_rms would be lower than VB_rms and VC_rms. Therefore, it is necessary for the grid-connected inverter to increase the grid current of Phase A and reduce the grid current of Phases B and C to achieve three-phase voltage balance by means of three-phase energy mutual aid.
Figure 8. Three-phase voltage unbalance caused by three-phase power unbalance.
The specific steps are as follows: Define the average of the RMS values of three-phase voltages as Vrms_avg, shown in control block Figure 9. When Vrms_avg is greater than the RMS value of a certain phase, the current output of this phase is increased separately by PI control. The ultimate goal of this strategy is to ensure the RMS values of three-phase voltages VA_rms, VB_rms, and VC_rms are all equal to the average of RMS values Vrms_avg, in other words, to achieve three-phase voltage balance.
Figure 9. Three-phase energy mutual-aid strategy aimed at three-phase voltage balance.

4. Simulation and Experimental Results

4.1. Simulation Model of an Inverter Connected to a Three-Phase Unbalanced Power Grid

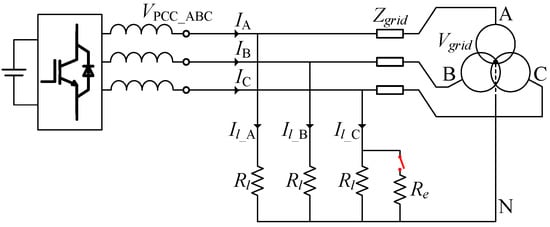
In the Matlab/Simulink environment, the simulation model, as shown in Figure 10, is built, and the main parameters are shown in Table 1.
Figure 10. Simulation model topology.
Table 1. Main parameters of the simulation model.
The power grid on the right side of Figure 10 is an ideal three-phase balanced power grid, and the line voltage and phase voltage are 380 V and 220 V, respectively. Three-phase loads Rl equal to each other. If the switch is off, the three-phase load is balanced; and if the switch is closed, an additional resistance Re is connected to Phase C, resulting in load unbalance, and further causing voltage unbalance at the PCC.
In the distribution network, the resistive characteristic of the line impedance is obviously larger than the inductive characteristic, so the inductive characteristic is ignored in this paper and the line impedance is directly equivalent to pure resistance. The value of line impedance Zgrid in the simulation is set at 10 Ω, which is much larger than the real value (mΩ level). The purpose is to make the load current produce a noticeable voltage change when flowing through the line impedance, so as to facilitate observation and comparison.

4.2. Simulation Results of a Conventional Grid-Connected Inverter Connected to a Three-Phase Unbalanced Grid

When the switch is closed, the extra resistance Re of Phase C is connected to the grid, and the load power of Phase C is significantly higher than those of Phase A and B, resulting in three-phase power unbalance, which in turn causes three-phase voltage unbalance on the PCC. In this case, the inverter applies the conventional control strategy, as shown in Figure 2. The three-phase voltage and grid current waveforms are shown in Figure 11. The RMS of each parameter and the grid power are shown in Table 2.
Figure 11. Simulation results of a conventional inverter connected to a three-phase unbalanced power grid.
Table 2. Simulation results of the conventional control strategy.
In Figure 11, the upper column shows the three-phase voltage VPCC_A/B/C waveform of the PCC, and the lower column shows the three-phase grid current IA/B/C waveform of the inverter. As can be seen from the auxiliary line in Figure 11, applying the conventional control strategy, when the load power of Phase C is larger than those of Phase A and B, the RMS of VPCC_C is lower than that of VPCC_A or VPCC_B, resulting in three-phase voltage unbalance. The numerical difference of ABC three-phase voltage can clearly be seen in Table 2.
It can also be seen in Table 2 that applying the conventional strategy, when the load power of Phase C is larger than those of Phase A and B, the grid power of the inverter in Phase C is also smaller than those of Phase A and B. In this way, the energy unbalance is not alleviated, but aggravated, and then the three-phase voltage unbalance is also aggravated. Therefore, the conventional strategy does not have the ability to achieve three-phase energy mutual aid and is not suitable for a three-phase unbalanced power grid.
In Figure 11, the maximum value of IC is slightly higher than that of IA or IB, but the measured RMS value of IC is lower than that of IA or IB in Table 2. This is because the conventional control strategy is designed based on three-phase voltage balance, and waveform distortion will occur under the condition of three-phase voltage unbalance. As can be seen in Figure 11, the three-phase grid currents IA/B/C have different degrees of distortion, resulting in different proportions between the RMS and the maximum values.
In Table 2, εU2 is the negative sequence voltage unbalance factor, which is the ratio of the RMS of the negative sequence component and the RMS of the positive sequence component. There is no zero-sequence component in the system, so the unbalance factor of the zero-sequence component is not considered.

4.3. Simulation Results of an Inverter Connected to a Three-Phase Unbalanced Grid with the Proposed Control Strategy

The simulation in Section 4.2 is compared to the simulation in this section. The two sections present the differences between the conventional method and the proposed method under the circumstance of a three-phase unbalanced grid.
Applying the inverter control strategy proposed in this paper and aimed at the three-phase voltage balance in Section 3.5, the waveform of three-phase voltage and three-phase grid current can be obtained under the same simulation conditions, as shown in Figure 12. The RMS values of each parameter and the grid power are shown in Table 3.
Figure 12. Simulation results of an inverter connected to a three-phase unbalanced power grid with the proposed control strategy.
Table 3. Simulation results of the proposed control strategy.
In Figure 12, the upper column shows the three-phase voltage VPCC_A/B/C waveform of the PCC, and the lower column shows the three-phase grid current IA/B/C waveform of the inverter. As can be seen from the auxiliary line in Figure 12, applying the proposed control strategy, when the load power of Phase C is greater than those of Phase A and Phase B, the grid current IC of the inverter is greater than IA or IB, resulting in the equal voltage of the three-phase VPCC_A/B/C.
In Table 3, the numerical differences of grid current and grid power of ABC three-phase voltage can be clearly identified. Due to the larger load power of Phase C, the inverter reduces the grid current of Phase A and B, and improves the grid current of Phase C, which realizes three-phase energy mutual aid and achieves three-phase voltage balance.
Compare Figure 12 with Figure 11, the grid current waveform with the proposed control strategy has almost no distortion, and the power quality is also improved. Therefore, the proposed control strategy is suitable for a three-phase unbalanced grid.
Compare Table 3 with Table 2, the most obvious difference is that IC is larger than IA and IB in Table 3, while IC is smaller than IA and IB in Table 2. In both simulations, the C-phase load increases, so the C-phase power supply is expected to output lager current. This is exactly what the proposed strategy does. Therefore, the proposed control strategy is suitable for a three-phase unbalanced grid. Therefore, the proposed control strategy can realize three-phase energy mutual aid.

4.4. Experimental Results

In order to verify the feasibility of the three-phase energy mutual-aid control strategy, we performed an experiment on the grid-connected experimental platform, shown in Figure 13.
Figure 13. Experimental platform of the grid-connected inverter.
In this experiment, only the lower-level method is used to realize the three-phase energy mutual aid, and the mutual power is manually set. Unlike the simulation in Section 4.3, not only the lower-level method is used, but also the upper-level method is used to calculate the appropriate mutual power to achieve three-phase voltage balance.
In the experimental platform, a 750 V DC regulated power supply is connected to the three-phase 380 V AC power grid, via a self-made inverter, as shown in Figure 13. The grid line impedance is negligible, and the control target parameters are shown in Table 4.
Table 4. Target current given in the experiment.
The measured voltage and current are shown in Figure 14. In Figure 14, the upper half screen shows the measured waveform of the three-phase voltage VPCC_A/B/C of the PCC, and the lower half screen shows the measured waveform of the three-phase grid current IA/B/C of the inverter. It can be seen that:
Figure 14. Waveform of measured voltage and current.
(1)
The three-phase voltage of the PCC is balanced, and the waveform is approximately sinusoidal without obvious distortion. The RMS is about 220 V, which can be regarded as an ideal power grid.
(2)
In the three-phase grid current, IA and IB are approximately equal, and the RMS is about 10 A; IC is significantly larger than IA and IB, and the RMS of IC is about 15 A, which is the same as the given target. By this means, three-phase current decoupling control is realized, in other words, three-phase energy mutual aid is achieved.
(3)
Although the magnitude of the grid current IA/B/C is not equal, the current of each phase has no obvious distortion, the waveform is approximately sinusoidal, and the power quality meets the requirements of the grid-connected system.

5. Conclusions

In this paper, a three-phase energy mutual-aid strategy for a grid-connected inverter based on constructed negative sequence current control is proposed. A completed negative sequence current control loop is added to a conventional grid-connected inverter, so that we can achieve the decoupling control of three-phase grid current, realizing three-phase energy mutual aid, without affecting the original function of the inverter. Only eight IGBT switches are used, which significantly reduces control complexity and improves engineering reliability.
On the basis of realizing three-phase energy mutual aid, this paper further puts forward a three-phase energy mutual-aid strategy aimed at three-phase voltage balance. According to the three-phase voltage feedback of the PCC, the grid current of the corresponding phase is controlled, and three-phase voltage balance is achieved by means of three-phase energy mutual aid.
Three-phase voltage balance is an example of the application of three-phase energy mutual aid. We can also achieve other functions based on three-phase energy mutual-aid, just by changing the appropriate upper-level control strategy. The proposed control strategy has broad application prospects.

Author Contributions

Conceptualization and methodology, Z.S.; formal analysis and validation, D.M.; investigation, Q.S. All authors have read and agreed to the published version of the manuscript.

Funding

This research was funded by the National Natural Science Foundation of China (NSFC), grant number 62103086.

Data Availability Statement

The data presented in this study are available in this article.

Conflicts of Interest

The authors declare no conflict of interest.

References

  1. Liao, J.; Zhou, N.; Wang, Q.; Chi, Y. Load-Switching Strategy for Voltage Balancing of Bipolar DC Distribution Networks Based on Optimal Automatic Commutation Strategy. IEEE Trans. Smart Grid 2021, 12, 2966–2979. [Google Scholar] [CrossRef]
  2. Mostafa, H.A.; El-Shat shat, R.; Salama, M.M.A. Multi-Objective Optimization for the Operation of an Electric Distribution System with a Large Number of Single Phase Solar Generators. IEEE Trans. Smart Grid 2013, 4, 1038–1047. [Google Scholar] [CrossRef]
  3. Sun, Q.; Zhou, J.; Guerrero, J.M.; Zhang, H. Hybrid Three-Phase/Single-Phase Microgrid Architecture with Power Management Capabilities. IEEE Trans. Power Electron. 2015, 30, 5964–5977. [Google Scholar] [CrossRef]
  4. Akagi, H.; Kitada, R. Control and design of a modular multilevel cascade BTB system using bidirectional isolated DC/DC converters. IEEE Trans. Power Electron. 2011, 26, 2457–2464. [Google Scholar] [CrossRef]
  5. Lu, X.; Guerrero, J.M.; Sun, K.; Vasquez, J.C.; Teodorescu, R.; Huang, L. Hierarchical control of parallel AC-DC converter interfaces for hybrid microgrids. IEEE Trans. Smart Grid 2014, 5, 683–692. [Google Scholar] [CrossRef]
  6. Zhou, X.; Luo, A.; Chen, Y.; Zhou, L.; Chen, Z. A novel hybrid single/three-phase microgrid structure and its energy coordination control method. In Proceedings of the IEEE 8th International Power Electronics and Motion Control Conference, Hefei, China, 22–26 May 2016; pp. 1782–1786. [Google Scholar]
  7. Li, Y.; Sun, Q.; Qin, D.; Cheng, K.; Li, Z. Power Control of a Modular Three-Port Solid-State Transformer with Three-Phase Unbalance Regulation Capabilities. IEEE Access 2020, 8, 72859–72869. [Google Scholar] [CrossRef]
  8. Karimi, Y.; Guerrero, J.M. Decentralized method for load sharing and power management in a hybrid single/three-phase islanded microgrid consisting of hybrid source PV/battery units. In Proceedings of the IEEE Energy Conversion Congress and Exposition, Milwaukee, WI, USA, 18–22 September 2016; pp. 1–8. [Google Scholar]
  9. Zhou, J.; Xu, Y.; Sun, H.; Li, Y.; Chow, M.-Y. Distributed Power Management for Networked AC–DC Microgrids with Unbalanced Microgrids. IEEE Trans. Ind. Inform. 2020, 16, 1655–1667. [Google Scholar] [CrossRef]
  10. Zhou, J.; Sun, H.; Xu, Y.; Han, R.; Yi, Z.; Wang, L.; Guerrero, J.M. Distributed Power Sharing Control for Islanded Single-/Three-Phase Microgrids with Admissible Voltage and Energy Storage Constraints. IEEE Trans. Smart Grid 2021, 12, 2760–2775. [Google Scholar] [CrossRef]
  11. Liu, B.; Liu, Z.; Liu, J.; An, R.; Zheng, H.; Shi, Y. An Adaptive Virtual Impedance Control Scheme Based on Small-AC-Signal Injection for Unbalanced and Harmonic Power Sharing in Islanded Microgrids. IEEE Trans. Power Electron. 2019, 34, 12333–12355. [Google Scholar] [CrossRef]
  12. Espina, E.; Cárdenas-Dobson, R.; Espinoza-B, M.; Burgos-Mellado, C.; Sáez, D. Cooperative Regulation of Unbalances in Three-Phase Four-Wire Microgrids Using Single-Phase Droop Control and Secondary Control Strategys. IEEE Trans. Power Electron. 2020, 35, 1978–1992. [Google Scholar] [CrossRef]
  13. Han, R.; Meng, L.; Guerrero, J.M.; Vasquez, J.C. Distributed nonlinear control with event-triggered communication to achieve current-sharing and voltage regulation in DC microgrids. IEEE Trans. Power Electron. 2018, 33, 6416–6433. [Google Scholar] [CrossRef]
  14. Zhou, J.; Kim, S.; Zhang, H.; Sun, Q.; Han, R. Consensus-based dis-tributed control for accurate reactive, harmonic and unbalance power sharing in microgrids. IEEE Trans. Smart Grid 2018, 9, 2453–2467. [Google Scholar] [CrossRef]
  15. Xu, Y.; Zhang, W.; Chow, M.; Sun, H.; Gooi, H.B.; Peng, J. A distributed model-free controller for enhancing power system transient frequency stability. IEEE Trans. Ind. Inform. 2019, 15, 1361–1371. [Google Scholar] [CrossRef]
  16. Xu, Y.; Guo, Q.; Sun, H.; Fei, Z. Distributed discrete robust secondary cooperative control for islanded microgrids. IEEE Trans. Smart Grid 2019, 10, 3620–3629. [Google Scholar] [CrossRef]
  17. Bidram, A.; Davoudi, A.; Lewis, F.L.; Ge, S.S. Distributed adaptive voltage control of inverter-based microgrids. IEEE Trans. Energy Convers. 2014, 29, 862–872. [Google Scholar] [CrossRef]
  18. Chung, I.Y.; Liu, W.; Cartes, D.A.; Collins, E.G.; Moon, S.I. Control methods of inverter-interfaced distributed generators in a microgrid system. IEEE Trans. Ind. Appl. 2010, 46, 1078–1088. [Google Scholar] [CrossRef]
Disclaimer/Publisher’s Note: The statements, opinions and data contained in all publications are solely those of the individual author(s) and contributor(s) and not of MDPI and/or the editor(s). MDPI and/or the editor(s) disclaim responsibility for any injury to people or property resulting from any ideas, methods, instructions or products referred to in the content.

Article Metrics

Citations

Article Access Statistics

Multiple requests from the same IP address are counted as one view.