PBA-YOLOv7: An Object Detection Method Based on an Improved YOLOv7 Network
Abstract
:1. Introduction
- Firstly, lightweight convolutional Partial Convolution (PConv)is introduced to optimize the ELAN module in the backbone to reduce the number of parameters and the number of visits in the network.
- Introduce BiFusionNet network to replace the original PANet network of YOLOv7 in the feature fusion module of Neck to enhance the localization signal without increasing the computational burden.
- Embedding the coordinate attention mechanism module before the representative convolution module in the Neck network to improve the detection accuracy of the network model while ensuring that the network is sufficiently lightweight.
2. Methodology
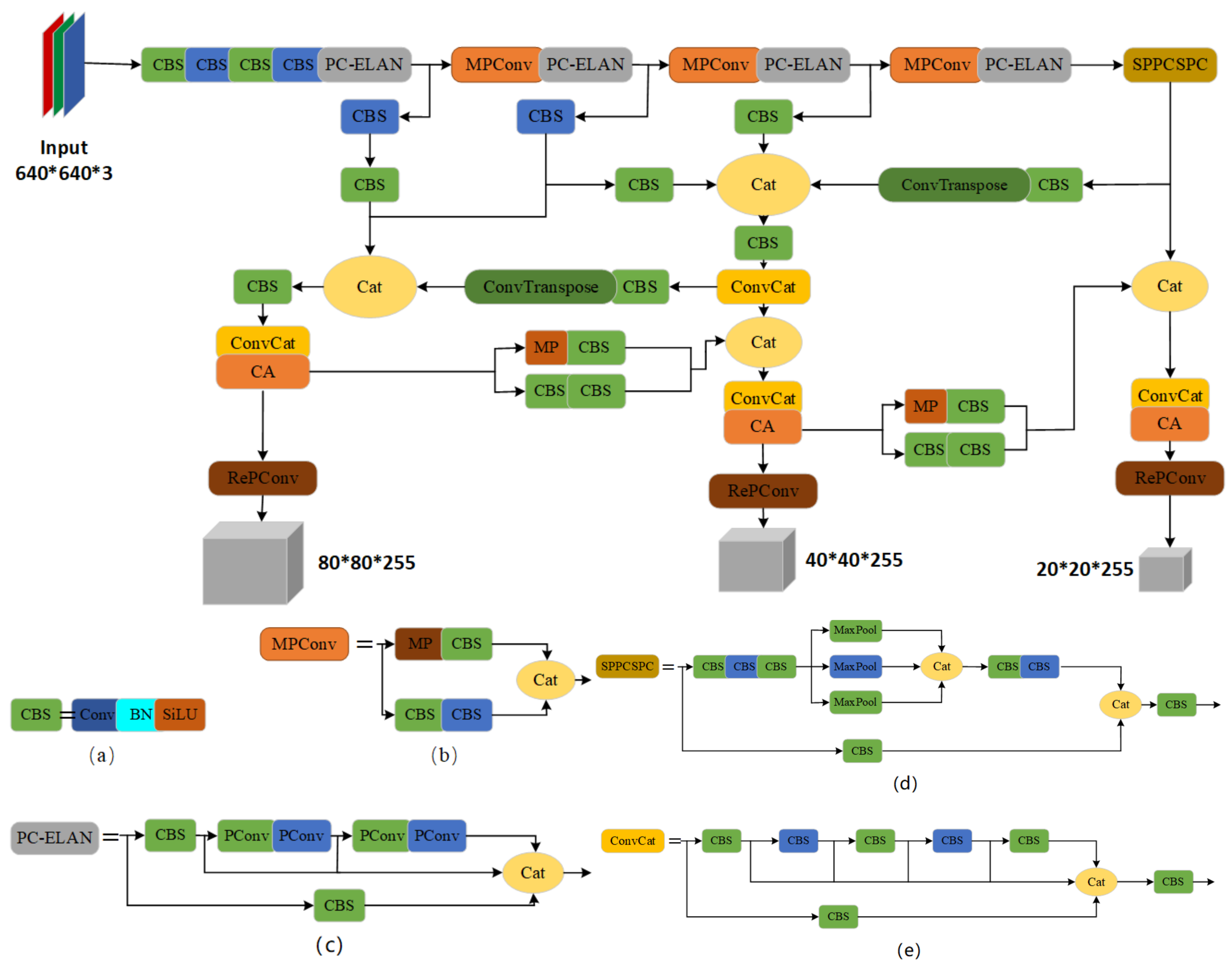
2.1. YOLOv7 Network Architecture
2.2. PBA-YOLOv7: Improved Algorithm for YOLOv7
2.2.1. Optimization of the ELAN Module
2.2.2. Building a Bidirectional Fusion Network (BiFusionNet) Module
2.2.3. Coordinate Attention Mechanism
3. Experimental Results and Analysis
3.1. Experimental Environment and Parameter Setting
3.2. KITTI’s Dataset
3.3. Object Detection Network Comparison Experiment Results
3.4. Evaluation Metrics
- mAP: reflects the mean of the detection accuracy of all target categories in the dataset, calculated as follows.In the formula C denotes the number of all categories in the dataset, i denotes the number of detections, and AP denotes the average of single-target detection accuracies.
- FPS: The number of frames per second transmitted by the model, reflecting the processing speed of the model.
- Params: the number of parameters that reflect the model’s memory footprint.
- Model Size: reflects the size of the memory occupied by the model in M.
3.5. Ablation Experiment and Analysis
- Model 1 results from the original YOLOv7 algorithm experiment, a comparison benchmark for the following sets of experiments. Its parameter count is 37,208 K, model size is 74.8 M, mean average precision mAP@0.5 is 90.5%, mAP@0.5:0.95 is 60.5%, frames precision second (FPS) is 37.
- Model 2 is the ELAN module that introduces a partial convolution to improve the backbone network based on model 1, which not only reduces the number of parameters and the size of the model relative to model 1, but also improves the mean average precision and frames precision second based on this model.
- Model 3 is based on model 1, wherein only the BiFusionNet module is replaced, and this model keeps the number of parameters unchanged, based on which the mean average precision and frames precision second is substantially improved.
- Model 4 is based on model 1 and introduces the coordinate attention mechanism. This model improves the mean average precision while reducing the frame’s precision by a second.
- Model 5 is based on model 1, which sequentially introduces the ELAN module for partial convolutional improvement of the backbone network and introduces the BiFusionNet module in the enhanced feature extraction network. This model improves the evaluation indexes relative to Model 1 and Model 2 and improves the frame’s precision second relative to Model 3 while reducing the number and size of the parameters of the model to ensure that the mean average precision does not decrease significantly.
- Model 6 is the algorithm of this paper, which introduces the ELAN module of the partially convolutional improved backbone network, BiFusionNet module, and coordinate attention mechanism for the enhanced feature extraction network which is based on model 1.
3.6. Comparative Experiments and Analysis of PBA-YOLOv7 and Baseline Model YOLOv7
3.7. Experimental Comparison of Different Models
4. Conclusions
Author Contributions
Funding
Institutional Review Board Statement
Informed Consent Statement
Data Availability Statement
Conflicts of Interest
References
- Liu, W.G. The challenges of autonomous driving. Intell. Connect. Cars 2019, 1, 58. [Google Scholar]
- Lowed, D.G. Distinctive image features from scale-invariant key points. Int. J. Comput. Vis. 2004, 60, 91–110. [Google Scholar]
- Dalal, N.; Triggs, B. Histograms of oriented gradients for human detection. In Proceedings of the IEEE Computer Society Conference on Computer Vision and Pattern Recognition, San Diego, CA, USA, 20–26 June 2005; Volume 1, pp. 886–893. [Google Scholar]
- Felzenszwalb, P.; McAllester, D.; Ramanan, D. A discriminatively trained, multiscale, deformable part model. In Proceedings of the IEEE Conference on Computer Vision and Pattern Recognition, Anchorage, AK, USA, 23–28 June 2008; pp. 1–8. [Google Scholar]
- Hearst, M.A.; Dumais, S.T.; Osuna, E.; Platt, J.; Scholkopf, B. Support vector machines. IEEE Intell. Syst. Appl. 1998, 13, 18–28. [Google Scholar] [CrossRef]
- Lin, T.Y.; Maire, M.; Belongie, S.; Hays, J.; Perona, P.; Ramanan, D.; Dollár, P.; Zitnick, C.L. Microsoft coco: Common objects in context. In Proceedings of the Computer Vision–ECCV 2014: 13th European Conference, Zurich, Switzerland, 6–12 September 2014; Springer International Publishing: Cham, Switzerland, 2014; pp. 740–755. [Google Scholar]
- Wang, P.; Bayram, B.; Sertel, E. A comprehensive review on deep learning based remote sensing image super-resolution methods. Earth-Sci. Rev. 2022, 232, 104110. [Google Scholar] [CrossRef]
- Bharati, P.; Pramanik, A. Deep learning techniques—R-CNN to mask R-CNN: A survey. In Computational Intelligence in Pattern Recognition: Proceedings of CIPR 2019; 2020; pp. 657–668; Available online: https://www.researchgate.net/publication/338302306_Computational_Intelligence_in_Pattern_Recognition_Proceedings_of_CIPR_2019_Proceedings_of_CIPR_2019 (accessed on 13 September 2023).
- Girshick, R. Fast r-cnn. In Proceedings of the IEEE International Conference on Computer Vision, Santiago, Chile, 7–13 December 2015; pp. 1440–1448. [Google Scholar]
- Ren, S.; He, K.; Girshick, R. Faster r-cnn: Towards real-time object detection with region proposal networks. In Advances in Neural Information Processing Systems. 2015, Volume 28. Available online: https://arxiv.org/abs/1506.01497 (accessed on 13 September 2023).
- He, K.; Gkioxari, G.; Dollár, P. Mask r-cnn. In Proceedings of the IEEE International Conference on Computer Vision, Venice, Italy, 22–29 October 2017; pp. 2961–2969. [Google Scholar]
- Girshick, R.; Donahue, J.; Darrell, T.; Malik, J. Rich feature hierarchies for accurate object detection and semantic segmentation. In Proceedings of the IEEE Conference on Computer Vision and Pattern Recognition, Columbus, OH, USA, 23–28 June 2014; pp. 580–587. [Google Scholar]
- He, K.; Zhang, X.; Ren, S.; Sun, J. Spatial pyramid pooling in deep convolutional networks for visual recognition. IEEE Trans. Pattern Anal. Mach. Intell. 2015, 37, 1904–1916. [Google Scholar] [CrossRef] [PubMed]
- Jiang, P.; Ergu, D.; Liu, F.; Cai, Y.; Ma, B. A Review of Yolo algorithm developments. Procedia Comput. Sci. 2022, 199, 1066–1073. [Google Scholar] [CrossRef]
- Liu, W.; Anguelov, D.; Erhan, D. Ssd: Single shot multibox detector. In Proceedings of the Computer Vision–ECCV, Amsterdam, The Netherlands, 11–14 October 2016; pp. 21–37. [Google Scholar]
- Redmon, J.; Divvala, S.; Girshick, R.; Farhadi, A. You only look once: Unified, real-time object detection. In Proceedings of the 2016 IEEE Conference on Computer Vision and Pattern Recognition (CVPR’16), Las Vegas, NV, USA, 27–30 June 2016; pp. 779–788. [Google Scholar]
- Li, G.; Suo, R.; Zhao, G.A.; Gao, C.Q.; Fu, L.S.; Shi, F.X.; Dhupia, J.; Li, R.; Cui, Y.J. Real-time detection of kiwifruit flower and bud simultaneously in orchard using YOLOv4 for robotic pollination. Comput. Electron. Agric. 2022, 193, 106641. [Google Scholar] [CrossRef]
- Redmon, J.; Farhadi, A. YOLO9000: Better, faster, stronger. In Proceedings of the IEEE Conference on Computer Vision and Pattern Recognition, Honolulu, HI, USA, 21–26 July 2017; pp. 7263–7271. [Google Scholar]
- Redmon, J.; Farhadi, A. Yolov3: An incremental improvement. arXiv 2018, arXiv:1804-02767. [Google Scholar]
- Bochkovskiy, A.; Wang, C.Y.; Liao, H.Y.M. Yolov4: Optimal speed and accuracy of object detection. arXiv 2020, arXiv:2004.10934. [Google Scholar]
- Ge, Z.; Liu, S.; Wang, F.; Li, Z.; Sun, J. Yolox: Exceeding yolo series in 2021. arXiv 2021, arXiv:2107.08430. [Google Scholar]
- Yan, B.; Fan, P.; Lei, X.Y.; Liu, Z.J.; Yang, F.Z. A Real-Time Apple Targets Detection Method for Picking Robot Based on Improved YOLOv5. Remote Sens. 2021, 13, 1619. [Google Scholar] [CrossRef]
- Lu, S.Y.; Wang, B.Z.; Wang, H.J.; Chen, L.H.; Ma, L.J.; Zhang, X.Y. A real-time object detection algorithm for video. Comput. Electr. Eng. 2019, 77, 398–408. [Google Scholar] [CrossRef]
- Fang, B.; Jiang, M.; Shen, J.; Stenger, B. Deep generative inpainting with comparative sample augmentation. J. Comput. Cogn. Eng. 2022, 1, 174–180. [Google Scholar] [CrossRef]
- Zheng, M.; Zhi, K.; Zeng, J.; Tian, C.; You, L. A hybrid CNN for image denoising. J. Artif. Intell. Technol. 2022, 2, 93–99. [Google Scholar] [CrossRef]
- Ahmad, F. Deep image retrieval using artificial neural network interpolation and indexing based on similarity measurement. CAAI Trans. Intell. Technol. 2022, 7, 200–218. [Google Scholar] [CrossRef]
- Wang, C.Y.; Bochkovskiy, A.; Liao, H.Y.M. YOLOv7: Trainable bag-of-freebies sets new state-of-the-art for real-time object detectors. In Proceedings of the IEEE/CVF Conference on Computer Vision and Pattern Recognition, Vancouver, BC, Canada, 18–22 June 2023; pp. 7464–7475. [Google Scholar]
- Wang, K.; Liew, J.H.; Zou, Y. Panet: Few-shot image semantic segmentation with prototype alignment. In Proceedings of the IEEE/CVF International Conference on Computer Vision, Seoul, Republic of Korea, 27 October–2 November 2019; pp. 9197–9206. [Google Scholar]
- Ding, X.H.; Zhang, X.Y.; Ma, N.N.; Han, J.G.; Ding, G.G.; Sun, J. RepVGG: Making VGG-style ConvNets Great Again. arXiv 2021, arXiv:2101.03697. [Google Scholar]
- Ding, X.H.; Hao, T.X.; Tan, J.C.; Liu, J.; Han, J.G.; Guo, Y.C.; Ding, G.G. ResRep: Lossless CNN Pruning via Decoupling Remembering. arXiv 2021, arXiv:2007.03260. [Google Scholar]
- Chen, J.; Kao, S.; He, H. Run, Don’t Walk: Chasing Higher FLOPS for Faster Neural Networks. In Proceedings of the IEEE/CVF Conference on Computer Vision and Pattern Recognition, Vancouver, BC, Canada, 18–22 June 2023; pp. 12021–12031. [Google Scholar]
- Zhang, X.; Zeng, H.; Guo, S. Efficient long-range attention network for image super-resolution. In Computer Vision–ECCV; Springer Nature: Cham, Switzerland, 2022; pp. 649–667. [Google Scholar]
- Hou, Q.; Zhou, D.; Feng, J. Coordinate attention for efficient mobile network design. In Proceedings of the IEEE/CVF Conference on Computer Vision and Pattern Recognition, Nashville, TN, USA, 20–25 June 2021; pp. 13713–13722. [Google Scholar]
- Lee, Y.; Hwang, J.; Lee, S. An energy and GPU-computation efficient backbone network for real-time object detection. In Proceedings of the IEEE/CVF Conference on Computer Vision and Pattern Recognition Workshops, Long Beach, CA, USA, 16–17 June 2019. [Google Scholar]
- Wang, C.Y.; Liao, H.Y.M.; Wu, Y.H. CSPNet: A new backbone that can enhance learning capability of CNN. In Proceedings of the IEEE/CVF Conference on Computer Vision and Pattern Recognition Workshops, Seattle, WA, USA, 13–19 June 2020; pp. 390–391. [Google Scholar]
- Li, C.; Li, L.; Geng, Y. YOLOv6 v3. 0: A Full-Scale Reloading. arXiv 2023, arXiv:2301-05586. [Google Scholar]
- Niu, Z.; Zhong, G.; Yu, H. A review on the attention mechanism of deep learning. Neurocomputing 2021, 452, 48–62. [Google Scholar] [CrossRef]
- Gu, Y.; Wang, S.C.; Yan, Y.; Tang, S.J.; Zhao, S.D. Identification and Analysis of Emergency Behavior of Cage-Reared Laying Ducks Based on YoloV5. Agriculture 2022, 12, 485. [Google Scholar]










| Model | Size | Train | mAP@0.5 | FPS |
|---|---|---|---|---|
| YOLOv1 | 416 ×416 | VOC2007+2012 | 63.4% | 45 |
| YOLOv2 | 416 × 416 | VOC2007+2012 | 76.8% | 67 |
| YOLOv3 | 416 × 416 | MS COCO | 55.3% | 35 |
| YOLOv4 | 608 × 608 | MS COCO | 65.7% | 62 |
| YOLOv5-l | 640 × 640 | MS COCO | 66.9% | 73 |
| YOLOX-l | 640 × 640 | MS COCO | 68.5% | 69 |
| YOLOv7 | 640 × 640 | MS COCO | 69.7% | 161 |
| Parameter | Configuration | Parameter | Configuration |
|---|---|---|---|
| GPU CPU CUDA CUDNN | RTX3080Ti CoreTMi9-10900X 11.3 11.3 | Size of the picture Learning rate Batch size Workers Optimizer Epochs | 1242 × 375 0.01 8 8 Adam 100 |
| Model | mAP@0.5 | FPS |
|---|---|---|
| SSD | 44.03% | 39 |
| Faster R-CNN | 55.2% | 17 |
| YOLOv5l | 87.4% | 40 |
| YOLOv7-tiny | 85.3% | 48 |
| YOLOv7 | 90.5% | 37 |
| Model | YOLOV7 | PConv | BiFusionNet | CA | Parameters | Size | mAP@0.5 | mAP@0.5:0.95 | FPS |
|---|---|---|---|---|---|---|---|---|---|
| 1 | √ | 37,208 K | 74.8 M | 90.5% | 60.5% | 37 | |||
| 2 | √ | √ | 32,699 K | 66.5 M | 91.8% | 62.4% | 45 | ||
| 3 | √ | √ | 37,113 K | 73.6 M | 92.8% | 65.3% | 41 | ||
| 4 | √ | √ | 37,253 K | 75.2 M | 94.4% | 69.1% | 32 | ||
| 5 | √ | √ | √ | 32,604 K | 65.5 M | 92.0% | 63.4% | 47 | |
| 6 | √ | √ | √ | √ | 32,640 K | 65.7 M | 94.5% | 68.3% | 43 |
| Model | Parameters | Size | mAP@0.5 | mAP@0.5:0.95 | FPS |
|---|---|---|---|---|---|
| YOLOv7 | 37,208 K | 74.8 M | 90.5% | 60.5% | 37 |
| PBA-YOLOv7 | 32,640 K | 65.7 M | 94.5% | 68.3% | 43 |
| Model | Parameters | Size | mAP@0.5 | mAP@0.5:0.95 | FPS |
|---|---|---|---|---|---|
| YOLOv7 | 37,208 K | 75.1 M | 77.3% | 46.7% | 35 |
| PBA-YOLOv7 | 32,990 K | 66.9 M | 85.7% | 53.6% | 44 |
| Model | mAP@0.5 | FPS |
|---|---|---|
| SSD | 44.03% | 39 |
| Faster R-CNN | 55.2% | 17 |
| YOLOv5-l | 87.4% | 40 |
| YOLOv7-tiny | 85.3% | 48 |
| YOLOX-l | 82.9% | 31 |
| YOLOv8n | 89.3% | 68 |
| Algorithm of this paper | 94.5% | 43 |
Disclaimer/Publisher’s Note: The statements, opinions and data contained in all publications are solely those of the individual author(s) and contributor(s) and not of MDPI and/or the editor(s). MDPI and/or the editor(s) disclaim responsibility for any injury to people or property resulting from any ideas, methods, instructions or products referred to in the content. |
© 2023 by the authors. Licensee MDPI, Basel, Switzerland. This article is an open access article distributed under the terms and conditions of the Creative Commons Attribution (CC BY) license (https://creativecommons.org/licenses/by/4.0/).
Share and Cite
Sun, Y.; Li, Y.; Li, S.; Duan, Z.; Ning, H.; Zhang, Y. PBA-YOLOv7: An Object Detection Method Based on an Improved YOLOv7 Network. Appl. Sci. 2023, 13, 10436. https://doi.org/10.3390/app131810436
Sun Y, Li Y, Li S, Duan Z, Ning H, Zhang Y. PBA-YOLOv7: An Object Detection Method Based on an Improved YOLOv7 Network. Applied Sciences. 2023; 13(18):10436. https://doi.org/10.3390/app131810436
Chicago/Turabian StyleSun, Yang, Yi Li, Song Li, Zehao Duan, Haonan Ning, and Yuhang Zhang. 2023. "PBA-YOLOv7: An Object Detection Method Based on an Improved YOLOv7 Network" Applied Sciences 13, no. 18: 10436. https://doi.org/10.3390/app131810436
APA StyleSun, Y., Li, Y., Li, S., Duan, Z., Ning, H., & Zhang, Y. (2023). PBA-YOLOv7: An Object Detection Method Based on an Improved YOLOv7 Network. Applied Sciences, 13(18), 10436. https://doi.org/10.3390/app131810436

