Induction Machine-Based EV Vector Control Model Using Mamdani Fuzzy Logic Controller
Abstract
:1. Introduction
Motivation and Research Gap
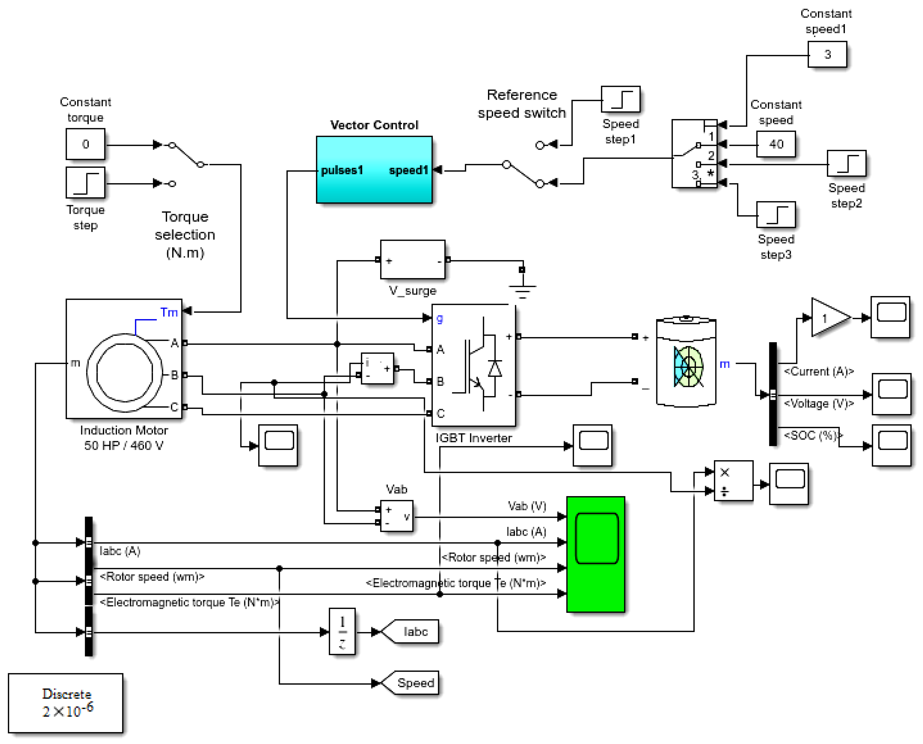
- Model development of IM-based indirect vector control of EV in MATLAB (Simulink) with P-I and MFIS speed controllers. Moreover, EV model performance was analyzed in three different speed modes (40, 60, 80 km/h);
- Antecedent and consequent member functions were designed in Mamdani fuzzy inference system (MFIS). The MFIS-based EV model was anticipated to improve time-domain performance indices. The capability of the controller to sustain robustness, reject external disturbance and parameter variation was verified. The controller displays improvement in speed tracking which eliminates the overshoot, and lowers the values of time-domain characteristics.
- Comparison of the proposed speed controller performance parameters with proportional–integral derivative (PID), fuzzy logic control algorithm (FLC), ant colony optimization (ACO), particle swarm optimization (PSO), and genetic algorithm (GA)-based fuzzy FOPID controllers.
2. Materials and Methods
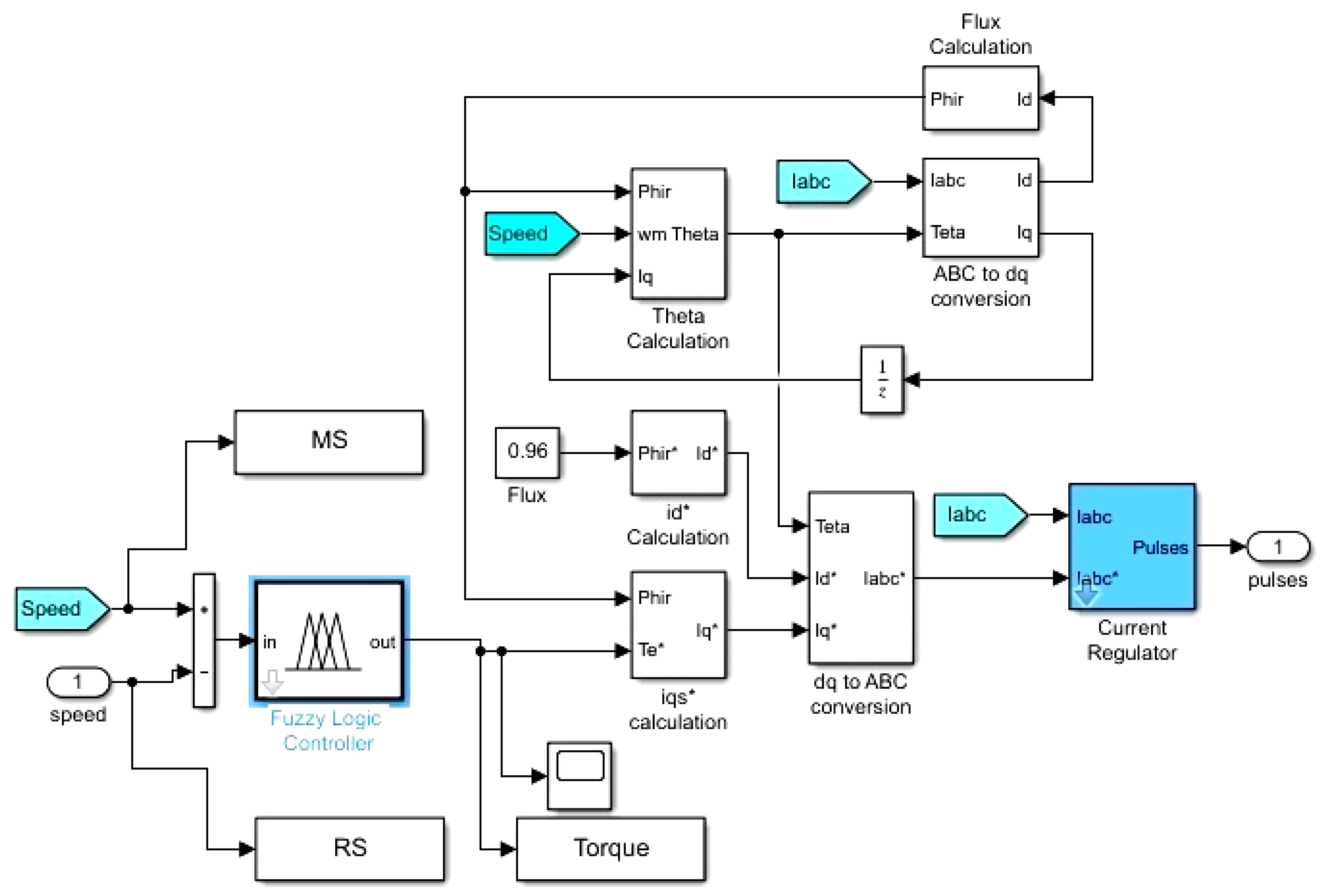
2.1. Vector Control
- : measured speed;
- : reference speed;
- : error signal;
- : proportional gain;
- : integral gain;
- : generated torque.
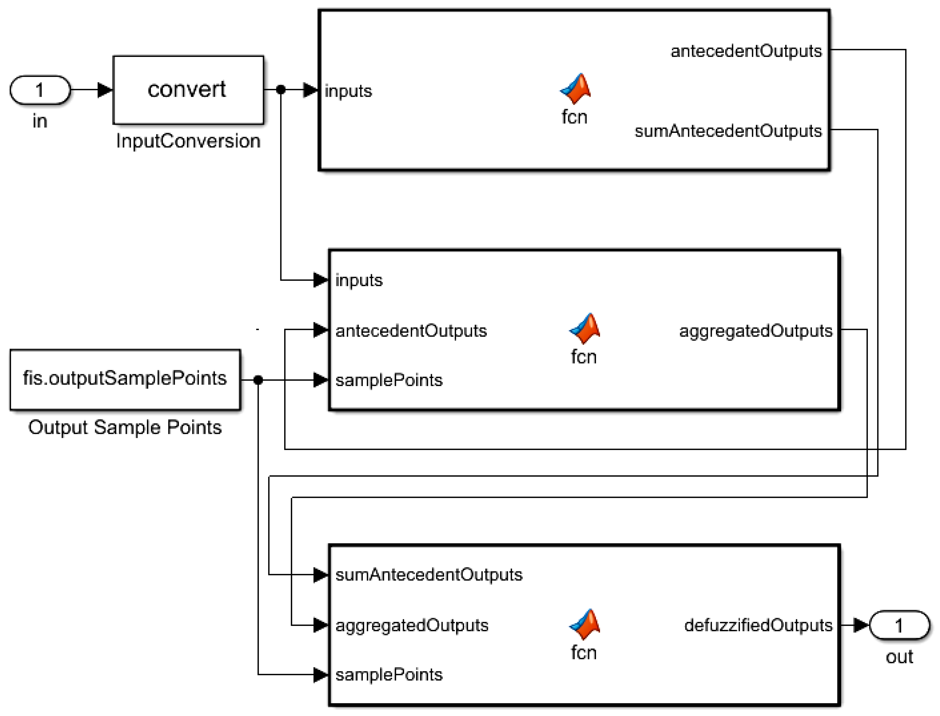
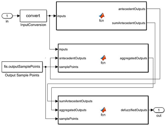
2.2. Fuzzy Logic Control
2.3. Design of P-I Speed Control Model
- : Estimated rotor flux;
- : reference torque input generated by speed controller;
- : rotor inductance;
- : motor inductance;
- : rotor leakage inductance;
- P: number of poles;: direct axis current;
- : direct axis current generated;
- : quadrature axis current;
- : rotor resistance;
- : rotor time constant;
- : input flux;
- : rotor speed;
- : measured speed;
- : theta generated;
- : phase a current;
- : phase b current;
- : phase c current.
2.4. Design of MFLC Speed Control Model
- : first variable;
- : nth variable.
- If (Speed_difference == EL) => then(torque = EH);
- If (Speed_difference == VL) => then (torque = VH);
- If (Speed_difference == L) => then (torque = H);
- If (Speed_difference == N) => then (torque = N);
- If (Speed_difference == H) => then (torque = L);
- If (Speed_difference == VH) => then (torque = VL);
- If (Speed_difference == EH) => then (torque = EL).
- n: number of discrete elements;
- : current value for ith discrete element;
- : relevant MF value at point
3. Results
4. Discussion
5. Conclusions
Author Contributions
Funding
Institutional Review Board Statement
Informed Consent Statement
Data Availability Statement
Conflicts of Interest
References
- Salah, W.A.; Albreem, M.A.; Alsayid, B.; Zneid, B.A.; Alkhasawneh, M.; Al-Mofleh, A.; Al-Aish, A.A. Electric vehicle technology impacts on energy. Int. J. Power Electron. Drive Syst. 2019, 10, 1. [Google Scholar] [CrossRef]
- Arfeen, Z.A.; Khairuddin, A.B.; Munir, A.; Azam, M.K.; Faisal, M.; Arif, M.S.B. En route of electric vehicles with the vehicle to grid technique in distribution networks: Status and technological review. Energy Storage 2020, 2, e115. [Google Scholar] [CrossRef]
- Arfeen, Z.A.; Abdullah, M.P.; Sheikh, U.U.; Azam, M.K.; Sule, A.H.; Fizza, G.; Khan, M.A. Novel Supervisory Management Scheme of Hybrid Sun Empowered Grid-Assisted Microgrid for Rapid Electric Vehicles Charging Area. Appl. Sci. 2021, 11, 9118. [Google Scholar] [CrossRef]
- Lee, J.H.; Chakraborty, D.; Hardman, S.J.; Tal, G. Exploring electric vehicle charging patterns: Mixed usage of charging infrastructure. Transp. Res. Part Transp. Environ. 2020, 79, 102249. [Google Scholar] [CrossRef]
- Lee, Z.J.; Lee, G.; Lee, T.; Jin, C.; Lee, R.; Low, Z.; Low, S.H. Adaptive charging networks: A framework for smart electric vehicle charging. IEEE Trans. Smart Grid 2021, 12, 4339–4350. [Google Scholar] [CrossRef]
- George, M.A.; Kamat, D.V.; Kurian, C.P. Electronically Tunable ACO Based Fuzzy FOPID Controller for Effective Speed Control of Electric Vehicle. IEEE Access 2021, 9, 73392–73412. [Google Scholar] [CrossRef]
- Kassem, R.; Sayed, K.; Kassem, A.; Mostafa, R. Power optimisation scheme of induction motor using FLC for electric vehicle. IET Electr. Syst. Transp. 2020, 10, 301–309. [Google Scholar] [CrossRef]
- Joshi, G.; Pius, P. ANFIS controller for vector control of three phase induction motor. Indones. J. Electr. Eng. Comput. Sci. (IJEECS) 2020, 19, 1177–1185. [Google Scholar] [CrossRef]
- Buticchi, G.; Gerada, D.; Alberti, L.; Galea, M.; Wheeler, P.; Bozhko, S.; Gerada, C. Challenges of the optimization of a high-speed induction machine for naval applications. Energies 2019, 12, 2431. [Google Scholar] [CrossRef] [Green Version]
- Osorio, J.; Ponce, P.; Molina, A. Electric Vehicle Powertrain Control with Fuzzy Indirect Vector Control. In Proceedings of the 2012 11th Mexican International Conference on Artificial Intelligence, San Luis Potos, Mexico, 27 October–4 November 2012; pp. 122–127. [Google Scholar]
- Monicka, J.G.; Sekhar, N.G.; Kumar, K.R. Performance evaluation of membership functions on fuzzy logic controlled ac voltage controller for speed control of induction motor drive. Int. J. Comput. Appl. 2011, 13, 8–12. [Google Scholar]
- George, M.A.; Kamat, D.V.; Kurian, C.P. Electric vehicle speed tracking control using ANFIS based fractional order PID controller. J. King Saud Univ.-Eng. Sci. 2022. [Google Scholar] [CrossRef]
- Wang, S.Y.; Tseng, C.L.; Chiu, C.J. Design of a novel adaptive TSK-fuzzy speed controller for use in direct torque control induction motor drives. Appl. Soft Comput. 2015, 31, 396–404. [Google Scholar] [CrossRef]
- Sayed, K.; Gabbar, H.A. Electric vehicle to power grid integration using three-phase three-level AC/DC converter and PI-fuzzy controller. Energies 2016, 9, 532. [Google Scholar] [CrossRef]
- Birajdar, M.R.; Patait, T.B.; Sayyad, A.R.; Jangam, P.S.; Bhosle, S.S.; Malgave, A.A. Electrical vehicle speed control by AI technique. Asian J. Converg. Technol. (AJCT) 2021, 7, 25–28. [Google Scholar] [CrossRef]
- Sahbani, A.; Mahersia, H. Advanced Driving Assistance System for an Electric Vehicle Based on Deep Learning. In New Perspectives on Electric Vehicles; IntechOpen: London, UK, 2021. [Google Scholar]
- Kastha, D.; Bose, B.K. Investigation of fault modes of voltage-fed inverter system for induction motor drive. IEEE Trans. Ind. Appl. 1994, 30, 1028–1038. [Google Scholar] [CrossRef]
- Krishnan, R.; Bharadwaj, A.S. A review of parameter sensitivity and adaptation in indirect vector controlled induction motor drive systems. IEEE Trans. Power Electron. 1991, 6, 695–703. [Google Scholar] [CrossRef]
- Mishra, A.; Choudhary, P. Speed control of an induction motor by using indirect vector control method. IEEE Trans. Power Electron. 2012, 2, 144–150. [Google Scholar]
- Liu, L.; Du, X.; Shen, S. Indirect field-oriented torque control of induction motor considering magnetic saturation effect: Error analysis. IET Electr. Power Appl. 2017, 11, 1105–1113. [Google Scholar] [CrossRef]
- Ammar, A.; Benakcha, A.; Bourek, A. Closed loop torque SVM-DTC based on robust super twisting speed controller for induction motor drive with efficiency optimization. Int. J. Hydrogen Energy 2017, 42, 17940–17952. [Google Scholar] [CrossRef]
- Humod, A.T.; Abdullah, M.N.; Faris, F.H. A comparative study between vector control and direct torque control of induction motor using optimal controller. Int. J. Sci. Eng. Res. 2016, 7, 1362–1371. [Google Scholar]
- Xiao, C.; Yu, M.; Wang, H.; Zhang, B.; Wang, D. Prognosis of Electric Scooter With Intermittent Faults: Dual Degradation Processes Approach. IEEE Trans. Veh. Technol. 2022, 71, 1411–1425. [Google Scholar] [CrossRef]
- Anida, I.N.; Salisa, A.R. Driving cycle development for Kuala Terengganu city using k-means method. Int. J. Electr. Comput. Eng. 2019, 9, 1780. [Google Scholar] [CrossRef]
- Deshpande, G.V.; Sankeshwari, S.S. Speed control of induction motors using hybrid pi plus fuzzy controller. Int. J. Adv. Eng. Technol. 2013, 6, 2253. [Google Scholar]
- Jain, J.K.; Ghosh, S.; Maity, S. Concurrent PI controller design for indirect vector controlled induction motor. Asian J. Control 2020, 22, 130–142. [Google Scholar] [CrossRef]
- Emil Hasan, A.; Hassan, H.; Bugis, I. Variable Speed Vector Control for Induction Motor of Electric Vehicle. Appl. Mech. Mater. 2015, 699, 759–764. [Google Scholar] [CrossRef]
- Ma, K.; Wang, Z.; Liu, H.; Yu, H.; Wei, C. Numerical investigation on fuzzy logic control energy management strategy of parallel hybrid electric vehicle. Energy Procedia 2019, 158, 2643–2648. [Google Scholar] [CrossRef]
- Sharma, K.D.; Ayyub, M.; Saroha, S.; Faras, A. Advanced controllers using fuzzy logic controller (FLC) for performance improvement. Int. Electr. Eng. J. (IEEJ) 2014, 5, 1452–1458. [Google Scholar]
- Ahmad, N.S. Robust H∞-Fuzzy Logic Control for Enhanced Tracking Performance of a Wheeled Mobile Robot in the Presence of Uncertain Nonlinear Perturbations. Sensors 2020, 20, 3673. [Google Scholar] [CrossRef]
- Hichem, C.; Nasri, A.; Kayisli, K. Fuzzy Logic Speed Control for Three-Wheel Electric Scooter. Int. J. Renew. Energy Res. (IJRER) 2019, 9, 1443–1450. [Google Scholar]
- Çeven, S.; Albayrak, A.; Bayır, R. Real-time range estimation in electric vehicles using fuzzy logic classifier. Comput. Electr. Eng. 2020, 83, 106577. [Google Scholar] [CrossRef]
- Tir, Z.; Soufi, Y.; Hashemnia, M.N.; Malik, O.P.; Marouani, K. Fuzzy logic field oriented control of double star induction motor drive. Electr. Eng. 2017, 99, 495–503. [Google Scholar] [CrossRef]
- Aktas, M.; Awaili, K.; Ehsani, M.; Arisoy, A. Direct torque control versus indirect field-oriented control of induction motors for electric vehicle applications. Eng. Sci. Technol. Int. J. 2020, 23, 1134–1143. [Google Scholar] [CrossRef]
- Singh, K.V.; Bansal, H.O.; Singh, D. Feed-forward modeling and real-time implementation of an intelligent fuzzy logic-based energy management strategy in a series–parallel hybrid electric vehicle to improve fuel economy. Electr. Eng. 2020, 102, 967–987. [Google Scholar] [CrossRef]
- Srikanth, R.; Venkatesan, M.; Subba Rao, M. Design and performance evaluation of PID, Fuzzy logic and ANN controllers based MPPTs for hybrid electric vehicle applications. Int. J. Ambient. Energy 2020, 1–15. [Google Scholar] [CrossRef]
- Yang, J.; Zhang, T.; Hong, J.; Zhang, H.; Zhao, Q.; Meng, Z. Research on Driving Control Strategy and Fuzzy Logic Optimization of a Novel Mechatronics-Electro-Hydraulic Power Coupling Electric Vehicle. Energy 2021, 233, 121221. [Google Scholar] [CrossRef]
- Jafari, S.; Shahbazi, Z.; Byun, Y.C. Traffic Control Prediction Design Based on Fuzzy Logic and Lyapunov Approaches to Improve the Performance of Road Intersection. Processes 2021, 9, 2205. [Google Scholar] [CrossRef]














| Symbol | Impedence Type | Value |
|---|---|---|
| P | rated power | 50 Hp |
| V | voltage | 460 V |
| stator winding resistance | 87 m | |
| stator leakage inductance | 0.8 mH | |
| excitation inductance | 34.7 mH | |
| rotor resistance | 227 m | |
| rotor leakage inductance | 0.8 mH |
| Speed Controller Type | Rise Time | Settling Time | Peak Time | Overshoot Percentage |
|---|---|---|---|---|
| P-I controller | 0.25 s | 1.6 s | 0.55 s | 14 |
| Mamdani FLC | 0.5 s | 0.7 s | 0.7 s | 0 |
| Speed Controller Type | Rise Time | Settling Time | Peak Time | Overshoot Percentage |
|---|---|---|---|---|
| P-I controller | 0.2 s | 1.3 s | 0.5 s | 7 |
| Mamdani FLC | 0.5 s | 0.7 s | 0.7 s | 0 |
| Speed Controller Type | Rise Time | Settling Time | Peak Time | Overshoot Percentage |
|---|---|---|---|---|
| P-I controller | 0.18 s | 1.2 s | 0.45 s | 6 |
| Mamdani FLC | 0.55 s | 1.1 s | 1.1 s | 0 |
| Speed Controller Type | Rise Time | Settling Time | Peak Time | Overshoot Percentage |
|---|---|---|---|---|
| P-I controller | 0.25 s | 1.6 s | 0.55 s | 14 |
| Mamdani FLC | 0.5 s | 0.7 s | 0.7 s | 0 |
| FLC [7] | 0.547 s | 1.868 s | 1.868 s | 0.489 |
| Fuzzy FOPID ACO [6] | 0.081 s | 0.75 s | 0.75 s | 0.505 |
| Fuzzy FOPID GA [6] | 0.19 s | 1.4 s | 1.4 s | 0.8 |
| Fuzzy FOPID PSO [6] | 0.12 s | 1.2 s | 1.2 s | 0.72 |
Publisher’s Note: MDPI stays neutral with regard to jurisdictional claims in published maps and institutional affiliations. |
© 2022 by the authors. Licensee MDPI, Basel, Switzerland. This article is an open access article distributed under the terms and conditions of the Creative Commons Attribution (CC BY) license (https://creativecommons.org/licenses/by/4.0/).
Share and Cite
Salahuddin, H.; Imdad, K.; Chaudhry, M.U.; Nazarenko, D.; Bolshev, V.; Yasir, M. Induction Machine-Based EV Vector Control Model Using Mamdani Fuzzy Logic Controller. Appl. Sci. 2022, 12, 4647. https://doi.org/10.3390/app12094647
Salahuddin H, Imdad K, Chaudhry MU, Nazarenko D, Bolshev V, Yasir M. Induction Machine-Based EV Vector Control Model Using Mamdani Fuzzy Logic Controller. Applied Sciences. 2022; 12(9):4647. https://doi.org/10.3390/app12094647
Chicago/Turabian StyleSalahuddin, Humayun, Kashif Imdad, Muhammad Umar Chaudhry, Dmitry Nazarenko, Vadim Bolshev, and Muhammad Yasir. 2022. "Induction Machine-Based EV Vector Control Model Using Mamdani Fuzzy Logic Controller" Applied Sciences 12, no. 9: 4647. https://doi.org/10.3390/app12094647
APA StyleSalahuddin, H., Imdad, K., Chaudhry, M. U., Nazarenko, D., Bolshev, V., & Yasir, M. (2022). Induction Machine-Based EV Vector Control Model Using Mamdani Fuzzy Logic Controller. Applied Sciences, 12(9), 4647. https://doi.org/10.3390/app12094647

