Design of a Single-Stage Transformerless Buck–Boost Inverter for Electric Vehicle Chargers
Abstract
:1. Introduction
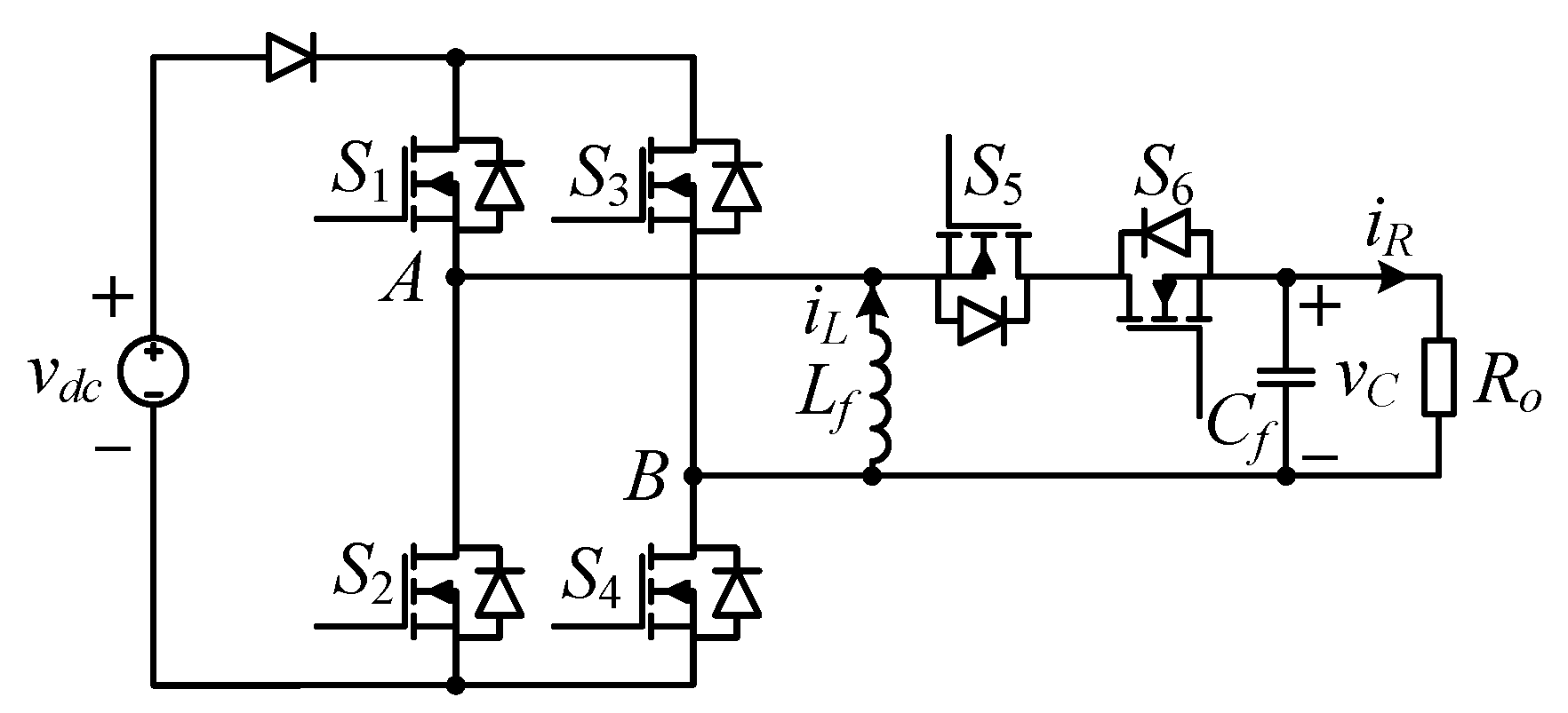
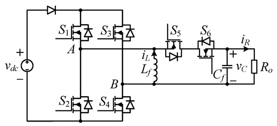
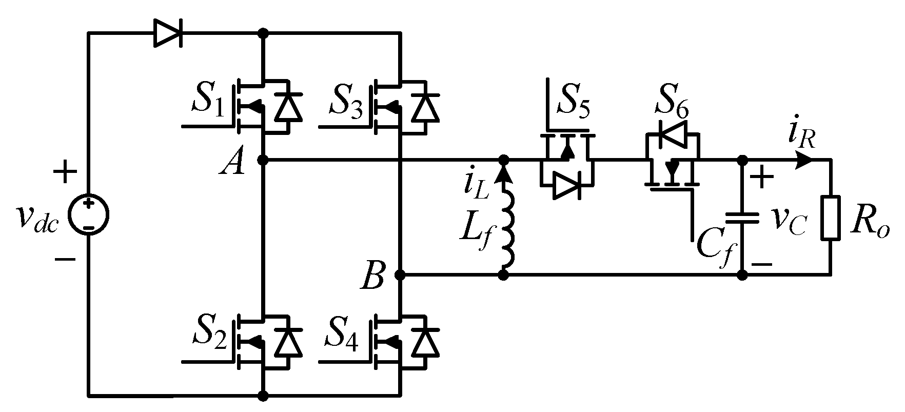
2. System Schematic
3. Operation Principle
4. Mathematic Model
5. Controller Design
5.1. Open-Loop Control
5.2. Closed-Loop Control
6. Simulation Results
7. Conclusions
Author Contributions
Funding
Conflicts of Interest
References
- Blaabjerg, F.; Teodorescu, R.; Liserre, M.; Timbus, A.V. Overview of control and grid synchronization for distributed power generation systems. IEEE Trans. Ind. Electron. 2006, 53, 1398–1409. [Google Scholar] [CrossRef] [Green Version]
- Fang, J.; Li, H.; Tang, Y. A magnetic integrated LLCL filter for grid-connected voltage-source converters. IEEE Trans. Power Electron. 2017, 32, 1725–1730. [Google Scholar] [CrossRef]
- Li, X.; Wu, X.; Geng, Y.; Yuan, X.; Xia, C.; Zhang, X. Wide damping region for LCL-type grid-connected inverter with an improved capacitor-current-feedback method. IEEE Trans. Power Electron. 2015, 30, 5247–5259. [Google Scholar] [CrossRef]
- Fang, J.; Li, X.; Yang, X.; Tang, Y. An integrated trap-LCL filter with reduced current harmonics for grid-connected converters under weak grid conditions. IEEE Trans. Power Electron. 2017, 32, 8446–8457. [Google Scholar] [CrossRef]
- Li, X.; Fang, J.; Tang, Y.; WU, X.; Geng, Y. Capacitor voltage feedforward with full delay compensation to improve weak grids adaptability of LCL-filtered grid-connected converters for distributed generation systems. IEEE Trans. Power Electron. 2018, 33, 749–764. [Google Scholar] [CrossRef]
- Tang, Y.; Loh, P.C.; Wang, P.; Choo, F.H.; Gao, F.; Blaabjerg, F. Generalized design of high performance shunt active power filter with output LCL filter. IEEE Trans. Ind. Electron. 2012, 59, 1443–1452. [Google Scholar] [CrossRef]
- Fang, J.; Xiao, G.; Yang, X.; Tang, Y. Parameter design of a novel series-parallel-resonant LCL filter for single-phase half-bridge active power filters. IEEE Trans. Power Electron. 2017, 32, 200–217. [Google Scholar] [CrossRef]
- Fang, J.; Li, X.; Tang, Y. A novel LCL-filtered single-phase half-bridge distributed static compensator with dc-link filter capacitors and reduced passive component parameters. In Proceedings of the IEEE Applied Power Electronics Conference and Exposition (APEC), Tampa, FL, USA, 26–30 March 2017; pp. 3279–3285. [Google Scholar]
- Yang, S.; Wang, P.; Tang, Y.; Zhang, L. Explicit phase lead filter design in repetitive control for voltage harmonic mitigation of VSI-based islanded microgrids. IEEE Trans. Ind. Electron. 2017, 64, 817–826. [Google Scholar] [CrossRef]
- Delille, G.; Francois, B.; Malarange, G. Dynamic frequency control support by energy storage to reduce the impact of wind and solar generation on isolated power system’s inertia. IEEE Trans. Sustain. Energy 2012, 3, 931–939. [Google Scholar] [CrossRef]
- Emadi, A.; Williamson, S.S.; Khaligh, A. Power electronics intensive solutions for advanced electric, hybrid electric, and fuel cell vehicular power systems. IEEE Trans. Power Electron. 2006, 21, 567–577. [Google Scholar] [CrossRef]
- Yilmaz, M.; Krein, P.T. Review of battery charger topologies, charging power levels, and infrastructure for plug-in electric and hybrid vehicles. IEEE Trans. Power Electron. 2013, 28, 2151–2169. [Google Scholar] [CrossRef]
- Fang, J.; Xiao, G.; Xu, Y.; Tang, Y. An optimal digital pulse-width-modulated dither technique to enhance the resolution of high frequency power converters. IEEE Trans. Power Electron. 2017, 32, 7222–7232. [Google Scholar] [CrossRef]
- Peng, F. Z-source inverter. IEEE Trans. Ind. Appl. 2003, 39, 504–510. [Google Scholar] [CrossRef]
- Fang, J.; Xiao, G.; Zhang, Y. An LCCL filter and its application to a half-bridge APF. In Proceedings of the 9th International Conference on Power Electronics and ECCE Asia (ICPE-ECCE Asia), Seoul, Korea, 1–5 June 2015; pp. 2566–2573. [Google Scholar]
- Fang, J.; Li, X.; Tang, Y. A review of passive power filters for voltage-source converters. In Proceedings of the 2016 Asian Conference on Energy, Power and Transportation Electrification (ACEPT), Singapore, 25–27 October 2016. [Google Scholar]








| Description | Symbol | Value |
|---|---|---|
| Dc-link voltage | Vdc | 100 V |
| Filter inductor | Lf | 1 mH |
| Filter capacitor | Cf | 50 µF |
| Load resistor | Ro | 10 Ω |
| Output voltage | VC | 50–150 V |
| Current controller | Gi/Gd | 1/4 |
| Voltage controller | Gvp/Gvr | 0.2/100 |
| Fundamental frequency | fo | 50 Hz |
| Switching frequency | fs | 10 kHz |
| Sampling frequency | ||
| Rated power | Po | 1 kW |
Publisher’s Note: MDPI stays neutral with regard to jurisdictional claims in published maps and institutional affiliations. |
© 2022 by the authors. Licensee MDPI, Basel, Switzerland. This article is an open access article distributed under the terms and conditions of the Creative Commons Attribution (CC BY) license (https://creativecommons.org/licenses/by/4.0/).
Share and Cite
Wang, L.; Liu, C.; Fang, J. Design of a Single-Stage Transformerless Buck–Boost Inverter for Electric Vehicle Chargers. Appl. Sci. 2022, 12, 6705. https://doi.org/10.3390/app12136705
Wang L, Liu C, Fang J. Design of a Single-Stage Transformerless Buck–Boost Inverter for Electric Vehicle Chargers. Applied Sciences. 2022; 12(13):6705. https://doi.org/10.3390/app12136705
Chicago/Turabian StyleWang, Lixia, Chenming Liu, and Jingyang Fang. 2022. "Design of a Single-Stage Transformerless Buck–Boost Inverter for Electric Vehicle Chargers" Applied Sciences 12, no. 13: 6705. https://doi.org/10.3390/app12136705
APA StyleWang, L., Liu, C., & Fang, J. (2022). Design of a Single-Stage Transformerless Buck–Boost Inverter for Electric Vehicle Chargers. Applied Sciences, 12(13), 6705. https://doi.org/10.3390/app12136705

