Hydrogen vs. Batteries: Comparative Safety Assessments for a High-Speed Passenger Ferry
Abstract
:1. Introduction
2. Background
3. Proposed Designs
3.1. Case Study
3.2. Systems and Equipment Onboard
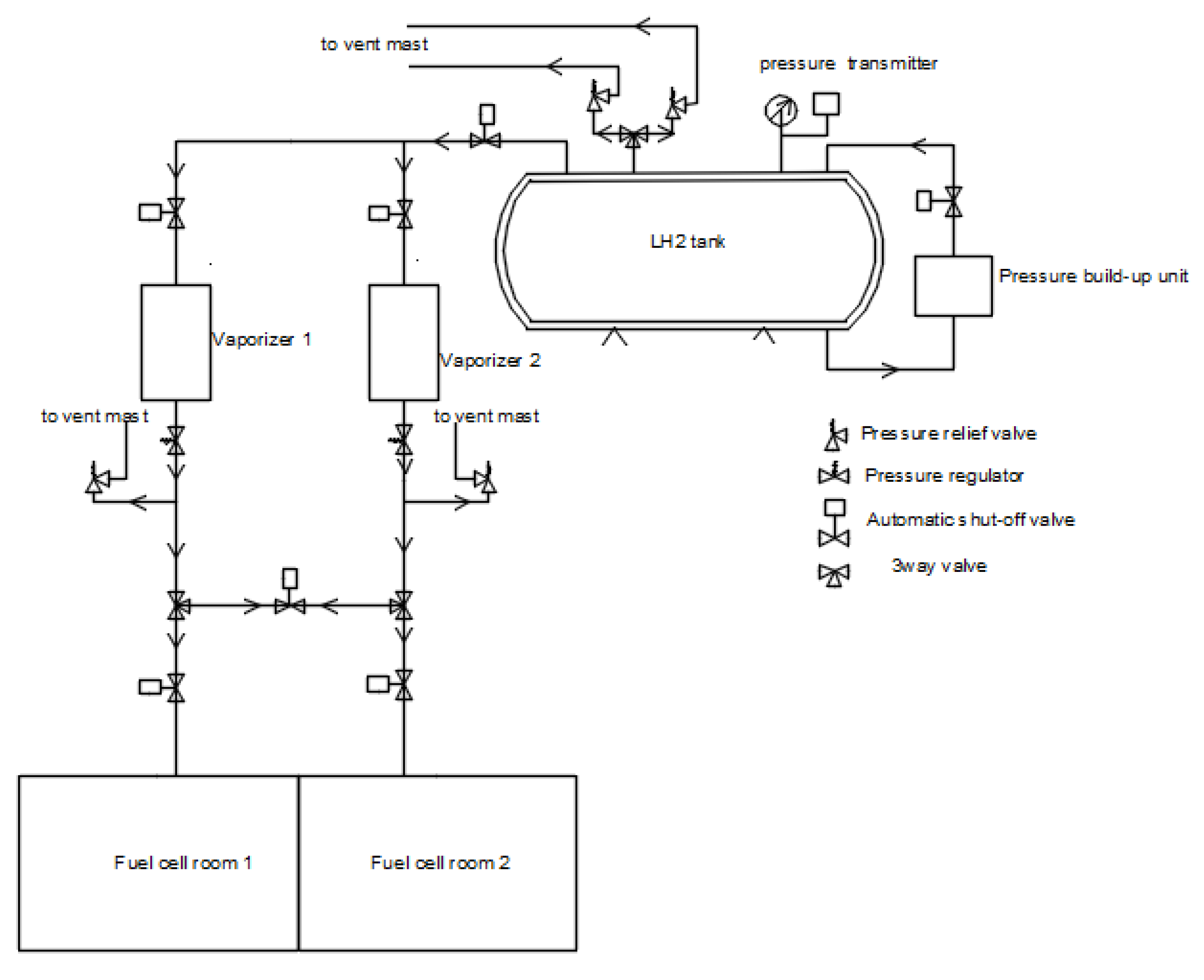
3.2.1. Hydrogen Version
3.2.2. Battery Version
4. HAZID
log (Risk) = log (Frequency) + log (Consequence)
Risk Index (RI) = Frequency Index (FI) + Consequence Index (SI)
4.1. Hydrogen Version
- Placement of LH2 tank and tank connection space at the upper deck.
- Proper alarm/firefighting equipment.
- Redundancy and proper arrangement of ventilation, hydrogen gas detection equipment, and safety valves.
- Use equipment of proven usage and test it prior to use.
4.2. Battery Version
- Design, construction, installation (21 hazards);
- Operation (25 hazards);
- Emergency (9 hazards).
- Movement of batteries in the main deck to reduce the fire risk;
- Proper alarm/firefighting system;
- Testing of equipment prior to use;
- Regular inspection and maintenance of battery-related equipment.
5. Gas and Smoke Dispersion Analyses
5.1. Hydrogen Version—Gas Dispersion Analysis
5.2. Battery Version-Smoke/Fire Simulation
- Two air outlets were designed on the ceiling and are shown in the top view.
- Another two air inlets are shown on the floor of the battery room, which can be seen in the bottom view.
- Four battery packs (red blocks in inside details) are equipped onboard the ferry.
- Two sprayers are installed on the ceiling, and they are marked as SPRK01 and SPRK02.
6. Results and Discussion
6.1. Hydrogen Version
6.1.1. Scenario 1: Leakage Diameter 3 mm at the Inlet of Bottom Right Stack
6.1.2. Scenario 2: Leakage Diameter 16 mm at the Inlet of the Bottom Right Stack
6.1.3. Scenario 3. Full Pipe Rupture (33 mm) at the Inlet of Bottom Right Stack
6.2. Battery Version
- Scenario 1 (S1): this is the default condition with the fire doors shut, the FFS off, and no wind effect;
- Scenario 2 (S2): the FFS is on while keeping the fire doors shut and no wind effect;
- Scenario 3 (S3): the fire doors are open while keeping the FFS off and no wind effect;
- Scenario 4 (S4): the fire doors keep open and no wind effect while the FFS is on;
- Scenario 5 (S5): the fire doors are open and the FFS is on while adding a wind at 38 mph (61 km/h) towards the ferry’s bow;
- Scenario 6 (S6): keep doors opened, FFS on, and add a wind at 6.9 mph (11 km/h) towards the ferry’s bow.
7. Conclusions
Author Contributions
Funding
Institutional Review Board Statement
Informed Consent Statement
Acknowledgments
Conflicts of Interest
References
- Choi, C.H.; Yu, S.; Han, I.S.; Kho, B.K.; Kang, D.G.; Lee, H.Y.; Seo, M.S.; Kong, J.W.; Kim, G.; Ahn, J.W.; et al. Development and demonstration of PEM fuel-cell-battery hybrid system for propulsion of tourist boat. Int. J. Hydrog. Energy 2016, 41, 3591–3599. [Google Scholar] [CrossRef]
- Hydrogen Fuel Cell Boat Unveiled in Turkey News|SDG Knowledge Hub IISD. Available online: http://sdg.iisd.org/news/hydrogen-fuel-cell-boat-unveiled-in-turkey/ (accessed on 10 May 2021).
- Chiche, A.; Andruetto, C.; Lagergren, C.; Lindbergh, G.; Stenius, I.; Peretti, L. Feasibility and impact of a Swedish fuel cell-powered rescue boat. Ocean Eng. 2021, 234, 109259. [Google Scholar] [CrossRef]
- Boulougouris, E.; Papanikolaou, A.; Dahle, M.; Tolo, E.; Yan, X.K.; Jürgenhake, C.; Seidenberg, T.; Sachs, C.; Brown, C.; Jenset, F. Implementation of Zero Emission Fast Shortsea Shipping. In Proceedings of the SNAME Maritime Convention, Providence, RI, USA, 28 October 2021. [Google Scholar] [CrossRef]
- Cheliotis, M.; Boulougouis, E.; Trivyza, N.L.; Theotokatos, G.; Livanos, G.; Mantalos, G.; Stubos, A.; Stamatakis, E.; Venetsanos, A. Review on the safe use of ammonia fuel cells in the maritime industry. Energies 2021, 14, 3023. [Google Scholar] [CrossRef]
- Nikolopoulos, L.; Boulougouris, E. A Methodology for the Holistic, Simulation Driven Ship Design Optimization under uncertainty. In Proceedings of the International Marine Design Conference 2018, Helsinki, Finland, 1 June 2018; Available online: https://www.researchgate.net/publication/325735524 (accessed on 10 May 2021).
- Priftis, A.; Boulougouris, E.; Turan, O.; Atzampos, G. Multi-objective robust early stage ship design optimisation under uncertainty utilising surrogate models. Ocean Eng. 2020, 197, 106850. [Google Scholar] [CrossRef]
- Papanikolaou, A.; Xing-Kaeding, Y.; Strobel, J.; Kanellopoulou, A.; Zaraphonitis, G.; Tolo, E. Numerical and experimental optimization study on a fast, zero emission catamaran. J. Mar. Sci. Eng. 2020, 8, 657. [Google Scholar] [CrossRef]
- Shi, G.; Priftis, A.; Xing-Kaeding, Y.; Boulougouris, E.; Papanikolaou, A.D.; Wang, H.; Symonds, G. Numerical investigation of the resistance of a zero-emission full-scale fast catamaran in shallow water. J. Mar. Sci. Eng. 2021, 9, 563. [Google Scholar] [CrossRef]
- Xing-Kaeding, Y.; Papanikolaou, A. Optimization of the propulsive efficiency of a fast catamaran. J. Mar. Sci. Eng. 2021, 9, 492. [Google Scholar] [CrossRef]
- Evrin, R.A.; Dincer, I. Thermodynamic analysis and assessment of an integrated hydrogen fuel cell system for ships. Int. J. Hydrog. Energy 2019, 44, 6919–6928. [Google Scholar] [CrossRef]
- Cavo, M.; Gadducci, E.; Rattazzi, D.; Rivarolo, M.; Magistri, L. Dynamic analysis of PEM fuel cells and metal hydrides on a zero-emission ship: A model-based approach. Int. J. Hydrog. Energy 2021, 46, 32630–32644. [Google Scholar] [CrossRef]
- Sarı, A.; Sulukan, E.; Özkan, D.; Sıdkı Uyar, T. Environmental impact assessment of hydrogen-based auxiliary power system onboard. Int. J. Hydrog. Energy 2021, 46, 29680–29693. [Google Scholar] [CrossRef]
- Wang, H.; Boulougouris, E.; Theotokatos, G.; Zhou, P.; Priftis, A.; Shi, G. Life cycle analysis and cost assessment of a battery powered ferry. Ocean Eng. 2021, 241, 110029. [Google Scholar] [CrossRef]
- Lindstad, H.E.; Eskeland, G.S.; Rialland, A. Batteries in offshore support vessels—Pollution, climate impact and economics. Transp. Res. Part D Transp. Environ. 2017, 50, 409–417. [Google Scholar] [CrossRef]
- Vanem, E.; Salucci, C.B.; Bakdi, A.; Sheim Alnes, Ø.Å. Data-driven state of health modelling—A review of state of the art and reflections on applications for maritime battery systems. J. Energy Storage 2021, 43, 103158. [Google Scholar] [CrossRef]
- Mao, X.; Ying, R.; Yuan, Y.; Li, F.; Shen, B. Simulation and analysis of hydrogen leakage and explosion behaviors in various compartments on a hydrogen fuel cell ship. Int. J. Hydrog. Energy 2021, 46, 6857–6872. [Google Scholar] [CrossRef]
- Yuan, Y.; Wu, S.; Shen, B. A numerical simulation of the suppression of hydrogen jet fires on hydrogen fuel cell ships using a fine water mist. Int. J. Hydrog. Energy 2021, 46, 13353–13364. [Google Scholar] [CrossRef]
- Aarskog, F.G.; Hansen, O.R.; Strømgren, T.; Ulleberg, Ø. Concept risk assessment of a hydrogen driven high speed passenger ferry. Int. J. Hydrog. Energy 2020, 45, 1359–1372. [Google Scholar] [CrossRef]
- Pratt, J.W.; Klebanoff, L.E. Feasibility of the SF-BREEZE: A Zero-Emission, Hydrogen Fuel Cell, High-Speed Passenger Ferry; Sandia National Laboratories: Livermore, CA, USA, 2016; Available online: https://www.ebdg.com/wp-ebdg-content/uploads/2016/10/SF-BREEZE-SAND2016-9719.pdf (accessed on 18 March 2021).
- Li, F.; Yuan, Y.; Yan, X.; Malekian, R.; Li, Z. A study on a numerical simulation of the leakage and diffusion of hydrogen in a fuel cell ship. Renew. Sustain. Energy Rev. 2018, 97, 177–185. [Google Scholar] [CrossRef] [Green Version]
- Jeong, B.; Oguz, E.; Wang, H.; Zhou, P. Multi-criteria decision-making for marine propulsion: Hybrid, diesel electric and diesel mechanical systems from cost-environment-risk perspectives. Appl. Energy 2018, 230, 1065–1081. [Google Scholar] [CrossRef] [Green Version]
- Andersson, P.; Wikman, J.; Arvidson, M.; Larsson, F.; Willstrand, O. Safe Introduction of Battery Propulsion at Sea; Safety and Transport Borås: Borås, Sweden, 2017; Available online: https://publications.lib.chalmers.se/records/fulltext/250628/250628.pdf (accessed on 15 June 2021).
- DNV GL. Rules for Classification Ships; DNV GL AS: Oslo, Norway, 2019. Available online: https://rules.dnvgl.com/ServiceDocuments/dnvgl/#!/industry/1/Maritime/1/DNV%20GL%20rules%20for%20classification:%20Ships%20(RU-SHIP) (accessed on 1 July 2020).
- Wang, H.; Boulougouris, E.; Theotokatos, G.; Priftis, A.; Shi, G.; Dahle, M.; Tolo, E. Risk assessment of a battery-powered high-speed ferry using formal safety assessment. Safety 2020, 6, 39. [Google Scholar] [CrossRef]
- Lanssen, C.; Sandblost, T.; Lanssen, E. Battery/Fuel Cell Fast Ferry. Trondheim/Sandtorg. 2017. Available online: https://www.nho.no/siteassets/nox-fondet/rapporter/2018/nox-report---rev-8.doc-002.pdf (accessed on 1 July 2021).
- Pivetta, D.; Dall’Armi, C.; Taccani, R. Multi-objective optimization of hybrid PEMFC/Li-ion battery propulsion systems for small and medium size ferries. Int. J. Hydrog. Energy 2021, 46, 35949–35960. [Google Scholar] [CrossRef]
- Wu, P.; Partridge, J.; Bucknall, R. Cost-effective reinforcement learning energy management for plug-in hybrid fuel cell and battery ships. Appl. Energy 2020, 275, 115258. [Google Scholar] [CrossRef]
- Klebanoff, L.E.; Caughlan, S.A.M.; Madsen, R.T.; Conard, C.J.; Leach, T.S.; Appelgate, T.B. Comparative study of a hybrid research vessel utilizing batteries or hydrogen fuel cells. Int. J. Hydrog. Energy 2021, 46, 38051–38072. [Google Scholar] [CrossRef]
- Boulougouris, E.; Priftis, A.; Dahle, M.; Tolo, E.; Papanikolaou, A.; Xing-Kaeding, Y.; Jürgenhake, C.; Svendsen, T.; Bjelland, M.; Kanellopoulou, A.; et al. TrAM-Transport: Advanced and Modular. In Proceedings of the 8th Transport Research Arena TRA 2020, Helsinki, Finland, 27–30 April 2020; Available online: https://tramproject.eu/ (accessed on 11 September 2021).
- IMO. Adoption of the International Code of Safety for Ships Using Gases or Other Low-Flashpoint Fuels (IGF CODE); MSC 95/22/Add.1; IMO: London, UK, 2015. [Google Scholar]
- DNV. Handbook for Hydrogen Fueled Vessels, MarHySafe JDP Phase 1, 1st ed.; DNV: Hovik, Norway, 2021. [Google Scholar]
- IMO. Guidelines for the Approval of Alternatives and Equivalents as Provided for in Various IMO Instruments; MSC.1/Circ.1455; IMO: London, UK, 2013. [Google Scholar]
- IMO. Revised Guidelines on Alternative Design and Arrangements for SOLAS Chapters II-1 and III.; MSC.1/Circ.1212/Rev.1; IMO: London, UK, 2019. [Google Scholar]
- Comsol. Meeting the Challenges of Battery Design with Modeling and Simulation. IEEE Spectrum. Available online: https://spectrum.ieee.org/energy/renewables/meeting-the-challenges-of-battery-design-with-modeling-and-simulation (accessed on 15 September 2021).
- DNV. Rules for Classification: Ships—DNV-RU-SHIP Pt.6 Ch.2. Propulsion, Power Generation and Auxiliary Systems; DNV: Hovik, Norway, 2019. [Google Scholar]
- Powercell MS-100 Fuel Cells System Technical Description. Available online: https://solteknikk.no/wp-content/uploads/2020/12/PCS-MS-100-Technical-description-1.pdf (accessed on 15 March 2021).
- IMO. Revised Guidelines for Formal Safety Assessment (Fsa) for Use in the Imo Rule-Making Process; IMO: London, UK, 2018. [Google Scholar]
- Failure Frequency Guidance by DNV GL (Old Account)—Issuu. Available online: https://issuu.com/dnv.com/docs/failure_frequency_guidance_process_ (accessed on 25 May 2021).
- Howard, G.W.; Tchouvelev, A.V.; Cheng, Z.; Agranat, V.M. Defining hazardous zones—Electrical classification distances. In Proceedings of the International Conference on Hydrogen Safety, Ontario, Canada, 8 September 2005. [Google Scholar]
- Larsson, F.; Andersson, P.; Blomqvist, P.; Mellander, B.E. Toxic fluoride gas emissions from lithium-ion battery fires. Sci. Rep. 2017, 7, 10018. [Google Scholar] [CrossRef] [PubMed]
- Corvus Dolphin Energy Datasheet. Available online: https://corvusenergy.com/wp-content/uploads/2019/04/CE_Datasheets_Corvus_Dolphin_Energy_pages-1.pdf (accessed on 15 May 2021).
- 3M™ Novec™ 1230 Fire Protection Fluid. Available online: https://multimedia.3m.com/mws/media/124688O/3m-novec-1230-fire-protection-fluid.pdf (accessed on 20 May 2021).
- Wang, Q.; Li, K.; Wang, Y.; Chen, H.; Duan, Q.; Sun, J. The efficiency of dodecafluoro-2-methylpentan-3-one on suppressing the lithium-ion battery fire. J. Electrochem. Energy Convers. Storage 2018, 15, 041001. [Google Scholar] [CrossRef] [Green Version]
- Met Office River Thames—Blackfriars Railway Bridge Wind Forecast, Greater London—WillyWeather. Available online: https://wind.willyweather.co.uk/se/greater-london/river-thames----blackfriars-railway-bridge.html (accessed on 1 June 2021).
- Blaylock, M.; Pratt, J.; Bran-Anleau, G.; Proctor, C. Informing Hazardous Zones for On-Board Maritime Hydrogen Liquid and Gas Systems; Sandia National Laboratories: Livermore, CA, USA, 2018. Available online: https://energy.sandia.gov/wp-content/uploads/2018/01/SFBreeze_SAND2018-0585_Blaylock.pdf (accessed on 15 July 2021).





















| Parameter | Value |
|---|---|
| Storage temperature (°C) | −253 |
| Storage pressure (bar) | 1 |
| Gas constant (J/kgK) | 4124 |
| Volumetric energy density (GJ/m3) | 8.5 |
| Autoignition temperature (°C) | 585 |
| Minimum ignition energy (mJ) | 0.019 |
| Energy density LHV (MJ/kg) | 119.96 |
| Flammability range in air (%) | 4–75 |
| Explosive range in air (%) | 18–59 |
| Main Particulars and Ferry Details | |||
|---|---|---|---|
| Length overall (m) | 30.6 | route length | 23 nm |
| Length waterline (m) | 29.32 | service hours/day | Up to 20 |
| Draft (m) | 1.26 | round trips/day | Up to 15 |
| Breadth (m) | 9 | electric motors | 2 × 550 kW |
| Demihull breadth waterline (m) | 2.44 | service speed | 23 knots |
| Demihull spacing (m) | 6.56 | crew | 3 |
| Displacement (c.m.) | 80 | passengers | 147 |
| Parameter | Value |
|---|---|
| Rated power (kW) of each stack | 100 |
| System efficiency @ rated power | 50% |
| Dimensions of each stack: H × D × W (m) | 0.75 × 0.75 × 0.25 |
| Weight of each stack (kg) | 150 |
| Fuel inlet pressure (bar) | 8 |
| Fuel inlet temperature (°C) | 10 |
| Response time (s): off-stanby | 10 |
| Response time (s): standby-run | 10 |
| Minimum operational lifetime (h) | 20,000 |
| No. | Initial Accidental Event |
|---|---|
| 1 | Leakage at FC room |
| 2 | Fire/explosion at FC room |
| 3 | Fire/explosion in the control room |
| 4 | Fire/explosion at the upper deck |
| 5 | Collision during operation |
| 6 | Fuel spill during bunkering |
| 7 | Fire propagation indoors (emergency) |
| No. | Initial Accidental Event |
|---|---|
| 1 | Battery breach/punctures during construction and installation |
| 2 | Fire and explosion in battery room during construction and installation |
| 3 | Battery breach while in operation |
| 4 | Internal cell failure/thermal runaway while in operation |
| 5 | Battery on fire while in operation |
| 6 | Fire and explosion while in operation |
| 7 | Fire propagation during an emergency |
| 8 | Evacuation failed during an emergency |
| Parameter | Value |
|---|---|
| Energy (kwh) | 650 |
| Dimensions: H × W × D (m) | 2.38 × 7.86 × 0.5 |
| Weight (ton) | 5.2 |
| Volume (m3) | 9.35 |
| C-rate—Continuous (discharge) | 2.2 |
| C-rate—Continuous (charge) | 1.6 |
| Single module size (kwh) | 7.8 |
| Nominal voltage (V) | 805 |
Publisher’s Note: MDPI stays neutral with regard to jurisdictional claims in published maps and institutional affiliations. |
© 2022 by the authors. Licensee MDPI, Basel, Switzerland. This article is an open access article distributed under the terms and conditions of the Creative Commons Attribution (CC BY) license (https://creativecommons.org/licenses/by/4.0/).
Share and Cite
Mylonopoulos, F.; Boulougouris, E.; Trivyza, N.L.; Priftis, A.; Cheliotis, M.; Wang, H.; Shi, G. Hydrogen vs. Batteries: Comparative Safety Assessments for a High-Speed Passenger Ferry. Appl. Sci. 2022, 12, 2919. https://doi.org/10.3390/app12062919
Mylonopoulos F, Boulougouris E, Trivyza NL, Priftis A, Cheliotis M, Wang H, Shi G. Hydrogen vs. Batteries: Comparative Safety Assessments for a High-Speed Passenger Ferry. Applied Sciences. 2022; 12(6):2919. https://doi.org/10.3390/app12062919
Chicago/Turabian StyleMylonopoulos, Foivos, Evangelos Boulougouris, Nikoletta L. Trivyza, Alexandros Priftis, Michail Cheliotis, Haibin Wang, and Guangyu Shi. 2022. "Hydrogen vs. Batteries: Comparative Safety Assessments for a High-Speed Passenger Ferry" Applied Sciences 12, no. 6: 2919. https://doi.org/10.3390/app12062919
APA StyleMylonopoulos, F., Boulougouris, E., Trivyza, N. L., Priftis, A., Cheliotis, M., Wang, H., & Shi, G. (2022). Hydrogen vs. Batteries: Comparative Safety Assessments for a High-Speed Passenger Ferry. Applied Sciences, 12(6), 2919. https://doi.org/10.3390/app12062919

