Synergetic Synthesis of Nonlinear Laws of Throttle Control of a Pneumatic Drive
Abstract
1. Introduction
1.1. Fuzzy Adaptive Control
1.2. Neural Network Control
1.3. Adaptive and Robust Control
2. Methods
2.1. Formulation of the Control Problem for EPS and Methods of Its Implementation
- -
- Control of the incoming mass air flow, which forms the pressure p1 in the filling chamber, is carried out by changing the cross-sectional area f1 of the pneumatic distributor valve PR1;
- -
- Control of the mass flow rate of air leaving the exhaust chamber, which is physically reflected in the form of pressure p2, is carried out by changing the cross-sectional area f2 of the PR2 valve.
2.2. Procedure for Synergistic Synthesis of Nonlinear Laws of Throttle Control of EPS
2.3. Synthesis of Nonlinear Synergistic Laws of Control of EPS Backpressure
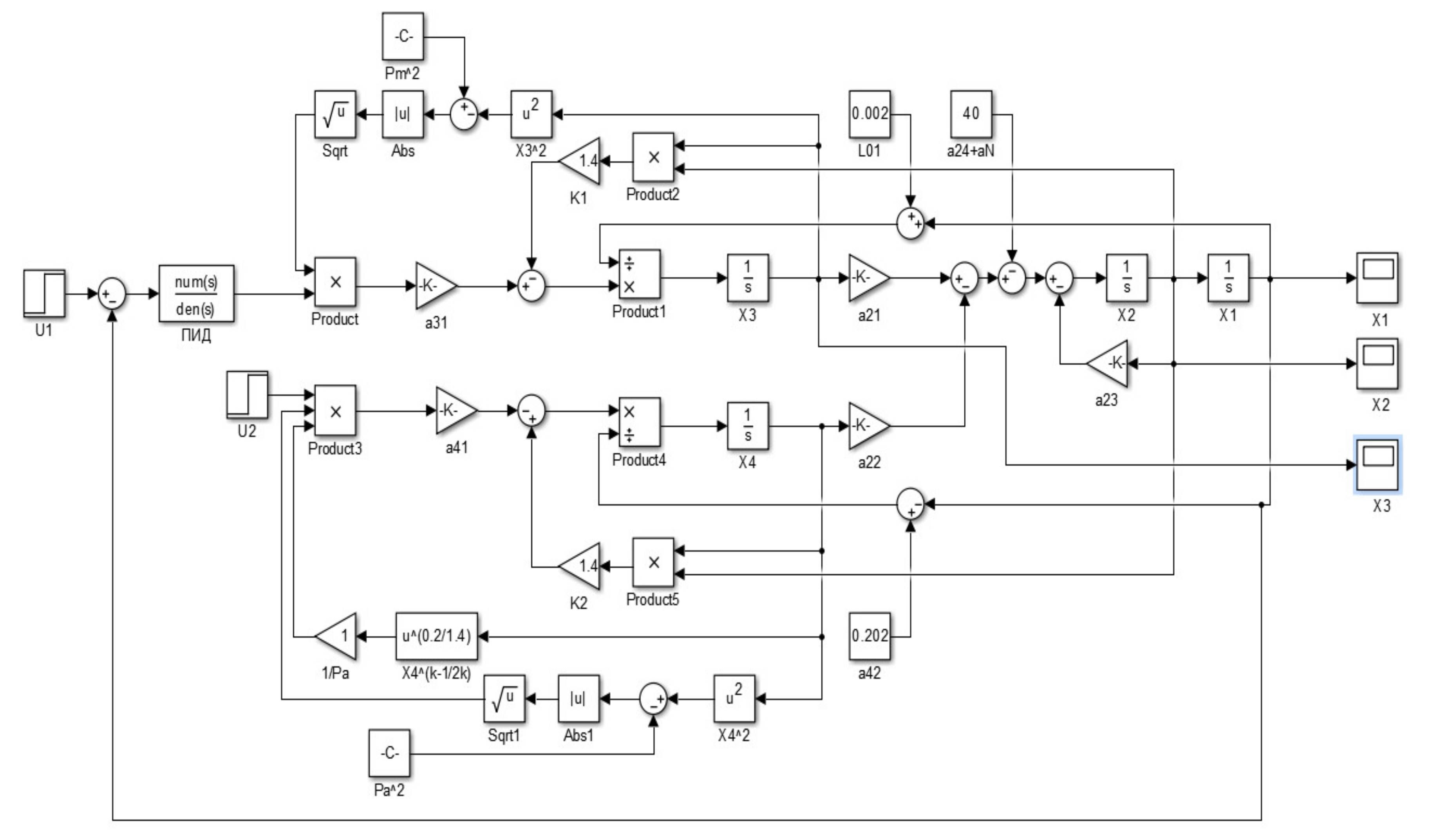
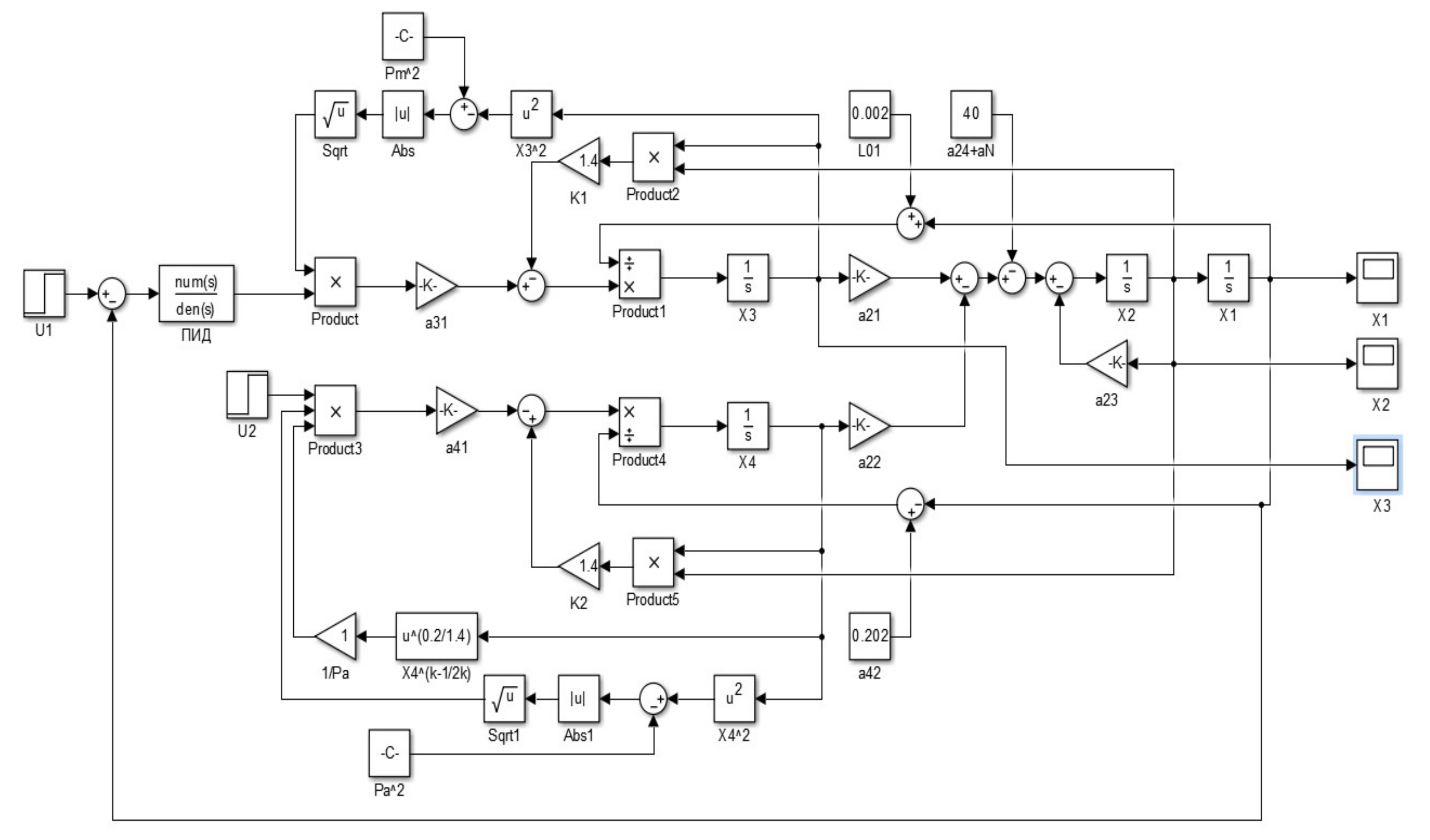
2.4. Calculation of the Output Characteristics of the Throttle Control and Backpressure Control of the Pneumatic Actuator
3. Results and Discussion
3.1. Comparative Analysis of Synergistic Control Laws with Classical Control Methods
3.2. Analysis of Parametric Uncertainties of MM EPS and Application of Typical Control Laws
4. Conclusions
Author Contributions
Funding
Institutional Review Board Statement
Informed Consent Statement
Data Availability Statement
Acknowledgments
Conflicts of Interest
References
- Zhai, A.; Zhang, H.; Wang, J.; Lu, G.; Li, J.; Chen, S. Adaptive neural synchronized impedance control for cooperative manipulators processing under uncertain environments. Robot. Comput.-Integr. Manuf. 2022, 75, 102291. [Google Scholar] [CrossRef]
- Kostoglotov, A.A.; Lazarenko, S.V.; Agapov, A.A. Development of a Structurally Fuzzy Regulator Based on the Condition of the Maximum of the Generalized Power Function Under Constraints on Control. In Proceedings of the Fifth International Scientific Conference “Intelligent Information Technologies for Industry” (IITI’21); Lecture Notes in Networks and Systems; Springer: Cham, Switzerland, 2022; Volume 330, pp. 582–588. [Google Scholar] [CrossRef]
- Nie, Y.; Zhang, M.; Zhang, X. Trajectory Tracking Control of Intelligent Electric Vehicles Based on the Adaptive Spiral Sliding Mode. Appl. Sci. 2021, 11, 11739. [Google Scholar] [CrossRef]
- Obukhova, E. Synergistic method of pneumatic drive control. AIP Conf. Proc. 2019, 2188, 030004. [Google Scholar] [CrossRef]
- Boldareva, K.; Lukyanov, A.; Vernezi, M. Development of a Mechatronic Systems Module Control System Based on MEMS Orientation Sensors. In Proceedings of the 2021 International Conference on Industrial Engineering, Applications and Manufacturing (ICIEAM), Sochi, Russia, 17–21 May 2021; pp. 642–646. [Google Scholar] [CrossRef]
- Obukhova, E. Study of nonlinear synergy control laws on the experimental stand of pneumatic actuators. IOP Conf. Ser. Mater. Sci. Eng. 2021, 1029, 012018. [Google Scholar] [CrossRef]
- Benavoli, A.; Balleri, A.; Farina, A. Joint Waveform and Guidance Control Optimization by Statistical Linearisation for Target Rendezvous. In Proceedings of the 2021 IEEE Radar Conference (RadarConf21), Atlanta, GA, USA, 7–14 May 2021; pp. 1–6. [Google Scholar] [CrossRef]
- Riaz, M.; Rehan, M.; Ashraf, M. Synchronization of nonlinear master-slave systems under input delay and slope-restricted input nonlinearity. Complexity 2016, 21, 220–233. [Google Scholar] [CrossRef]
- Obukhova, E.; Veselov, G. Synergetic Synthesis of Adaptive Control of an Electro-pneumatic System. In Proceedings of the 2020 7th International Conference on Control, Decision and Information Technologies (CoDIT), Prague, Czech Republic, 29 June–2 July 2020; pp. 13–18. [Google Scholar]
- Ng, J.; Asada, H.H. Model Predictive Control and Transfer Learning of Hybrid Systems Using Lifting Linearization Applied to Cable Suspension Systems. IEEE Robot. Autom. Lett. 2022, 7, 682–689. [Google Scholar] [CrossRef]
- Veselov, G.; Tselykh, A.; Sharma, A. Introduction to the Special Issue: Futuristic trends and the emergence of technology in biomedical, nonlinear dynamics and control engineering. J. Vibroeng. 2021, 23, 1315–1317. [Google Scholar] [CrossRef]
- Prvulovic, C.; Mosorinski, P.; Radosav, D.; Tolmac, J.; Josimovic, M.; Sinik, V. Determination of the temperature in the cutting zone while processing machine plastic using fuzzy-logic controller (FLC). Ain Shams Eng. J. 2022, 13, 101624. [Google Scholar] [CrossRef]
- Silva, F.L.; Silva, L.C.A.; Eckert, J.J.; Yamashita, R.Y.; Lourenço, M.A.M. Parameter influence analysis in an optimized fuzzy stability control for a four-wheel independent-drive electric vehicle. Control. Eng. Pract. 2022, 120, 105000. [Google Scholar] [CrossRef]
- Salem, A.A.; ElDesouky, A.A.; Alaboudy, A.H.K. New analytical assessment for fast and complete pre-fault restoration of grid-connected FSWTs with fuzzy-logic pitch-angle controller. Int. J. Electr. Power Energy Syst. 2022, 136, 107745. [Google Scholar] [CrossRef]
- Angundjaja, C.Y.; Wang, Y.; Jiang, W. Power Management for Connected EVs Using a Fuzzy Logic Controller and Artificial Neural Network. Appl. Sci. 2022, 12, 52. [Google Scholar] [CrossRef]
- Mondal, S.; Ray, R.; Reddy, S.; Nandy, S. Intelligent controller for nonholonomic wheeled mobile robot: A fuzzy path following combination. Math. Comput. Simul. 2022, 193, 533–555. [Google Scholar] [CrossRef]
- Yang, T.; Sun, N.; Fang, Y. Adaptive Fuzzy Control for Uncertain Mechatronic Systems With State Estimation and Input Nonlinearities. IEEE Trans. Ind. Inform. 2022, 18, 1770–1780. [Google Scholar] [CrossRef]
- Luo, G.; Li, H.; Ma, B.; Wang, Y. Design and experimental research of observer-based adaptive type-2 fuzzy steering control for automated vehicles with prescribed performance. Mechatronics 2022, 81, 102700. [Google Scholar] [CrossRef]
- Zhang, Z.; Feng, T.; Zheng, Z.; Wu, H.; Tan, Y. Fuzzy Active Disturbance Rejection Control for Hypersonic Vehicle. In Advances in Guidance, Navigation and Control; Lecture Notes in Electrical Engineering; Springer: Singapore, 2022; Volume 644, pp. 2501–2513. [Google Scholar] [CrossRef]
- Zhang, Q.; Wei, Y.; Li, X. Quadrotor Attitude Control by Fractional-Order Fuzzy Particle Swarm Optimization-Based Active Disturbance Rejection Control. Appl. Sci. 2021, 11, 11583. [Google Scholar] [CrossRef]
- Razzaghian, A. A fuzzy neural network-based fractional-order Lyapunov-based robust control strategy for exoskeleton robots: Application in upper-limb rehabilitation. Math. Comput. Simul. 2022, 193, 567–583. [Google Scholar] [CrossRef]
- Yang, Y.; Li, Y.; Liu, X.; Huang, D. Adaptive neural network control for a hydraulic knee exoskeleton with valve deadband and output constraint based on nonlinear disturbance observer. Neurocomputing 2022, 473, 14–23. [Google Scholar] [CrossRef]
- Shetty, N.; Kumar, P. Comparative Study on Flyback Converter with PID Controller and Neural Network Controller. In Advances in Renewable Energy and Electric Vehicles; Lecture Notes in Electrical Engineering; Springer: Singapore, 2022; Volume 767, pp. 77–87. [Google Scholar] [CrossRef]
- Liu, Z.-G.; Tian, Y.-P.; Sun, Z.-Y. An adaptive homogeneous domination method to time-varying control of nonlinear systems. Int. J. Robust Nonlinear Control 2022, 32, 527–540. [Google Scholar] [CrossRef]
- Khinikadze, T.; Rybak, A.; Vyborova, N.; Zubtsov, V. Adaptive Hydromechanical Drilling Rig Drive. In XIV International Scientific Conference “INTERAGROMASH 2021”, Proceedings of the INTERAGROMASH 2021, Rostov-on-Don, Russia, 24–26 February 2021; Lecture Notes in Networks and Systems; Springer: Cham, Switzerland, 2022; Volume 246, pp. 192–197. [Google Scholar] [CrossRef]
- Rybak, A.; Gorbunov, R.; Olshevskaya, A.; Ugrekhelidze, N.; Egyan, M. Mathematical Model of a Throttle Flow Divider with an Elastic Regulating Element. In XIV International Scientific Conference “INTERAGROMASH 2021”, Proceedings of the INTERAGROMASH 2021, Rostov-on-Don, Russia, 24–26 February 2021; Lecture Notes in Networks and Systems; Springer: Cham, Switzerland, 2022; Volume 246, pp. 207–216. [Google Scholar] [CrossRef]
- Huang, Z.; Xu, Y.; Ren, W.; Fu, C.; Cao, R.; Kong, X.; Li, W. Design of Position Control Method for Pump-Controlled Hydraulic Presses via Adaptive Integral Robust Control. Processes 2022, 10, 14. [Google Scholar] [CrossRef]
- Chen, Q.; Chen, H.; Zhu, D.; Li, L. Design and Analysis of an Active Disturbance Rejection Robust Adaptive Control System for Electromechanical Actuator. Actuators 2021, 10, 307. [Google Scholar] [CrossRef]
- Beskopylny, A.; Lyapin, A.; Anysz, H.; Meskhi, B.; Veremeenko, A.; Mozgovoy, A. Artificial Neural Networks in Classification of Steel Grades Based on Non-Destructive Tests. Materials 2020, 13, 2445. [Google Scholar] [CrossRef] [PubMed]
- Beskopylny, A.; Meskhi, B.; Beskopylny, N.; Chukarina, I.; Isaev, A.; Veremeenko, A. Strengthening of Welded Joints of Load-Bearing Structures of Robotic Systems with Ball-Rod Hardening. In Robotics, Machinery and Engineering Technology for Precision Agriculture; Smart Innovation, Systems and Technologies; Springer: Singapore, 2022; Volume 247, pp. 1–11. [Google Scholar] [CrossRef]
- Beskopylny, A.; Meskhi, B.; Beskopylny, N.; Bezuglova, M. Quality Control of Frame Structures of Robotic Systems by Express Nondestructive Methods. Robotics, Machinery and Engineering Technology for Precision Agriculture; Smart Innovation, Systems and Technologies; Springer: Singapore, 2022; Volume 247, pp. 13–20. [Google Scholar] [CrossRef]
- Ren, H.-P.; Jiao, S.-S.; Li, J.; Deng, Y. Adaptive neural network control of pneumatic servo system considering state constraints. Mech. Syst. Signal Processing 2022, 162, 107979. [Google Scholar] [CrossRef]
- Liu, W.; Mehdipour, N.; Belta, C. Recurrent Neural Network Controllers for Signal Temporal Logic Specifications Subject to Safety Constraints. IEEE Control Syst. Lett. 2022, 6, 91–96. [Google Scholar] [CrossRef]
- Hua, L.; Zhang, J.; Li, D.; Xi, X. Fault-Tolerant Active Disturbance Rejection Control of Plant Protection of Unmanned Aerial Vehicles Based on a Spatio-Temporal RBF Neural Network. Appl. Sci. 2021, 11, 4084. [Google Scholar] [CrossRef]
- Muñoz, F.; Cervantes-Rojas, J.S.; Valdovinos, J.M.; Sandre-Hernández, O.; Salazar, S.; Romero, H. Dynamic Neural Network-Based Adaptive Tracking Control for an Autonomous Underwater Vehicle Subject to Modeling and Parametric Uncertainties. Appl. Sci. 2021, 11, 2797. [Google Scholar] [CrossRef]
- Zhang, Z.; Chu, L.; Zhang, J.; Guo, C.; Li, J. Design of Vehicle Stability Controller Based on Fuzzy Radial Basis Neural Network Sliding Mode Theory with Sideslip Angle Estimation. Appl. Sci. 2021, 11, 1231. [Google Scholar] [CrossRef]
- Xu, D.; Wang, Q.; Li, Y. Adaptive Optimal Robust Control for Uncertain Nonlinear Systems Using Neural Network Approximation in Policy Iteration. Appl. Sci. 2021, 11, 2312. [Google Scholar] [CrossRef]
- Zare, A.; Mirrezapour, S.Z.; Hallaji, M.; Shoeibi, A.; Jafari, M.; Ghassemi, N.; Alizadehsani, R.; Mosavi, A. Robust Adaptive Synchronization of a Class of Uncertain Chaotic Systems with Unknown Time-Delay. Appl. Sci. 2020, 10, 8875. [Google Scholar] [CrossRef]
- Kolesnikov, A.A. Synergetics and Problems of Control Theory; FIZMATLIB: Moscow, Russia, 2004; 504p, ISBN 5-9221-0336-9. Available online: https://www.studentlibrary.ru/book/ISBN5922103369.html (accessed on 8 January 2022).
- Popov, D.N. Mechanics of Hydraulic and Pneumatic Drives; Bauman University: Moscow, Russia, 2001; Volume 7, 320p, ISBN 5-7038-1777-3. Available online: https://www.labirint.ru/books/539113/ (accessed on 8 January 2022).
- Zakovorotny, V.; Gvindjiliya, V.E. Synergies in control of the cutting processes. MATEC Web Conf. 2018, 226, 02009. [Google Scholar] [CrossRef][Green Version]
- Zakovorotny, V.; Gvindjiliya, V.E. Correlation of the dynamic properties of the manufacturing process on metal-cutting machines and energy efficiency of the process. IOP Conf. Ser. Mater. Sci. Eng. 2020, 900, 012007. [Google Scholar] [CrossRef]


















| Parameter | Value | Parameter | Value |
|---|---|---|---|
| M | 0.5 kg | k | 1.4 |
| S1 | 0.0008 m2 | R | 287 (J/kg⋅K) |
| S2 | 0.0006 m2 | TM | 293 K |
| η | 100 N⋅s/m | pa | 100,000 Pa |
| L | 0.2 m | pM | 500,000 Pa |
| l01 = l02 | 0.002 m | ξ1 = ξ2 | 30 |
Publisher’s Note: MDPI stays neutral with regard to jurisdictional claims in published maps and institutional affiliations. |
© 2022 by the authors. Licensee MDPI, Basel, Switzerland. This article is an open access article distributed under the terms and conditions of the Creative Commons Attribution (CC BY) license (https://creativecommons.org/licenses/by/4.0/).
Share and Cite
Obukhova, E.; Veselov, G.E.; Obukhov, P.; Beskopylny, A.; Stel’makh, S.A.; Shcherban’, E.M. Synergetic Synthesis of Nonlinear Laws of Throttle Control of a Pneumatic Drive. Appl. Sci. 2022, 12, 1797. https://doi.org/10.3390/app12041797
Obukhova E, Veselov GE, Obukhov P, Beskopylny A, Stel’makh SA, Shcherban’ EM. Synergetic Synthesis of Nonlinear Laws of Throttle Control of a Pneumatic Drive. Applied Sciences. 2022; 12(4):1797. https://doi.org/10.3390/app12041797
Chicago/Turabian StyleObukhova, Elena, Gennady E. Veselov, Pavel Obukhov, Alexey Beskopylny, Sergey A. Stel’makh, and Evgenii M. Shcherban’. 2022. "Synergetic Synthesis of Nonlinear Laws of Throttle Control of a Pneumatic Drive" Applied Sciences 12, no. 4: 1797. https://doi.org/10.3390/app12041797
APA StyleObukhova, E., Veselov, G. E., Obukhov, P., Beskopylny, A., Stel’makh, S. A., & Shcherban’, E. M. (2022). Synergetic Synthesis of Nonlinear Laws of Throttle Control of a Pneumatic Drive. Applied Sciences, 12(4), 1797. https://doi.org/10.3390/app12041797

