A Novel Fault Diagnosis Method for Analog Circuits Based on Multi-Input Deep Residual Networks with an Improved Empirical Wavelet Transform
Abstract
:1. Introduction
- The components of the response signal vary among different CUT fault types. The improved EWT can effectively extract each component of the response signal, which is conducive to reducing the input and layer number of the neural network and improving the efficiency of feature extraction and fault diagnosis;
- The multi-input ResNet can richly learn the characteristics of each component without extra feature analysis and processing, which is beneficial for reducing the complexity of analog circuit fault diagnosis and improving the accuracy.
2. Methodology
2.1. Proposed Framework for Fault Diagnosis
2.2. Theory of EWT
- Local maxima other than 0 and should be found in the spectrum and arranged in descending order;
- If the number of local maxima is less than , retain all the maxima and reset the number of Fourier segments to . Otherwise, retain the first maxima;
- Then, the −1 boundaries can be defined as the centre of two consecutive maxima.
2.3. Stimulus-Based Improved EWT
- According to the characteristics of the CUT, select the square wave signal with frequency f as the excitation of the CUT;
- Perform Fourier transform on the response signal at the output end of the CUT, obtain the spectrum and convert the signal to the frequency domain for analysis;
- Use as the boundary for dividing the Fourier spectrum;
- Obtain the AM-FM components of the signal based on Equations (1) and (2).
2.4. Construction Method for the Multi-Input ResNet
- The features obtained by shallow neural networks are not sufficiently abstract. By increasing the layers of the neural network, the abstraction of features can be improved and the training effect for some specific tasks can be improved to some extent.
- With the increase in neural network layers, the training accuracy of the neural network gradually becomes saturated and then rapidly decreases. This degradation problem limits the improvement of neural network training accuracy.
- In theory, adding identity mapping to the optimal shallow neural network can not only increase the depth of the neural network, but also retain the same training errors as the shallow neural network so that the deeper network can perform better than the shallow network.
3. Experimental Validation
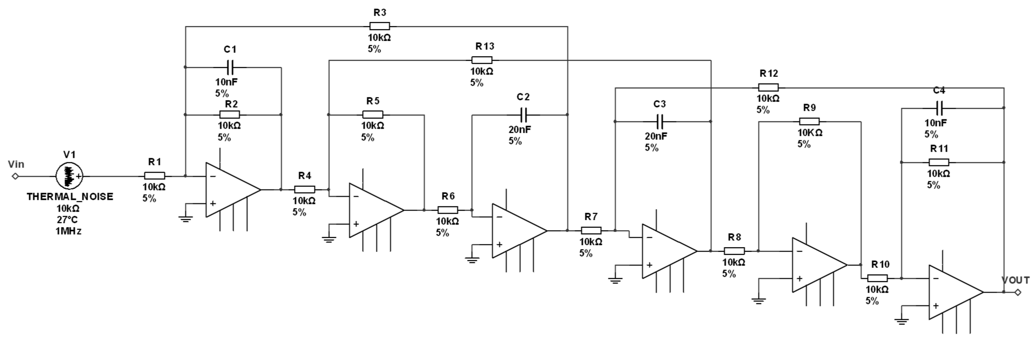
3.1. Circuit under Test
3.1.1. Sallen–Key Bandpass Filter
3.1.2. CSTV Filter Circuit
3.1.3. Leap-Frog Low-Pass Filter Circuit
3.2. Data Preprocessing
3.3. Multi-Input ResNet Model Training
3.4. Experimental Results and Analysis
4. Conclusions
Author Contributions
Funding
Institutional Review Board Statement
Informed Consent Statement
Data Availability Statement
Conflicts of Interest
References
- Binu, D.; Kariyappa, B.S. A survey on fault diagnosis of analog circuits: Taxonomy and state of the art. AEU-Int. J. Electron. Commun. 2017, 73, 68–83. [Google Scholar] [CrossRef]
- Bandler, J.W.; Salama, A.E. Fault diagnosis of analog circuits. Proc. IEEE 1985, 73, 1279–1325. [Google Scholar] [CrossRef]
- Aminian, M.; Aminian, F. Neural-network based analog-circuit fault diagnosis using wavelet transform as preprocessor. IEEE Trans. Circuits Syst. II-Analog Digit. Signal Process. 2000, 47, 151–156. [Google Scholar] [CrossRef]
- Aminian, F.; Aminian, M. Fault diagnosis of analog circuits using Bayesian neural networks with wavelet transform as preprocessor. J. Electron. Test. -Theory Appl. 2001, 17, 29–36. [Google Scholar] [CrossRef]
- Aminian, M.; Aminian, F. A Modular Fault-Diagnostic System for Analog Electronic Circuits Using Neural Networks With Wavelet Transform as a Preprocessor. IEEE Trans. Instrum. Meas. 2007, 56, 1546–1554. [Google Scholar] [CrossRef]
- Tan, Y.H.; He, Y.G. A novel method for fault diagnosis of analog circuits based on WP and GPNN. Int. J. Electron. 2008, 95, 431–439. [Google Scholar]
- Cui, J.A.; Wang, Y.R. A Novel Approach of Analog Fault Classification Using a Support Vector Machines Classifier. Metrol. Meas. Syst. 2010, 17, 561–581. [Google Scholar] [CrossRef] [Green Version]
- Yuan, L.F.; He, Y.G.; Huang, J.Y.; Sun, Y.C. A New Neural-Network-Based Fault Diagnosis Approach for Analog Circuits by Using Kurtosis and Entropy as a Preprocessor. IEEE Trans. Instrum. Meas. 2010, 59, 586–595. [Google Scholar] [CrossRef]
- Long, B.; Li, M.; Wang, H.; Tian, S. Diagnostics of Analog Circuits Based on LS-SVM Using Time-Domain Features. Circuits Syst. Signal Process. 2013, 32, 2683–2706. [Google Scholar] [CrossRef]
- Xiong, J.; Tian, S.; Yang, C. Fault Diagnosis for Analog Circuits by Using EEMD, Relative Entropy, and ELM. Comput. Intell. Neurosci. 2016, 2016, 7657054. [Google Scholar] [CrossRef] [Green Version]
- He, W.; He, Y.G.; Li, B. Generative Adversarial Networks With Comprehensive Wavelet Feature for Fault Diagnosis of Analog Circuits. IEEE Trans. Instrum. Meas. 2020, 69, 6640–6650. [Google Scholar] [CrossRef]
- Ji, L.P.; Fu, C.Q.; Sun, W.Q. Soft Fault Diagnosis of Analog Circuits Based on a ResNet With Circuit Spectrum Map. IEEE Trans. Circuits Syst. I Regul. Pap. 2021, 68, 2841–2849. [Google Scholar] [CrossRef]
- Yang, Y.Y.; Wang, L.D.; Nie, X.B.; Wang, Y. Incipient fault diagnosis of analog circuits based on wavelet transform and improved deep convolutional neural network. IEICE Electron. Express 2021, 18, 20210174. [Google Scholar] [CrossRef]
- Wu, Z.; Huang, N.E. Ensemble Empirical Mode Decomposition: A Noise-Assisted Data Analysis Method. Adv. Data Sci. Adapt. Anal. 2011, 1, 1–41. [Google Scholar] [CrossRef]
- Gilles, J. Empirical Wavelet Transform. IEEE Trans. Signal Process. 2013, 61, 3999–4010. [Google Scholar] [CrossRef]
- Deng, W.; Zhang, S.; Zhao, H.; Yang, X. A Novel Fault Diagnosis Method Based on Integrating Empirical Wavelet Transform and Fuzzy Entropy for Motor Bearing. IEEE Access 2018, 6, 35042–35056. [Google Scholar] [CrossRef]
- Li, H.; Hu, Y.; Li, F.; Meng, G. Succinct and fast empirical mode decomposition. Mech. Syst. Signal Proc. 2017, 85, 879–895. [Google Scholar] [CrossRef]
- Mohsen, A.K.A.; El-Yazeed, M.F.A. Selection of Input Stimulus for Fault Diagnosis of Analog Circuits Using ARMA Model. AEU-Int. J. Electron. Commun. 2004, 58, 212–217. [Google Scholar] [CrossRef]
- Liu, Z.; Jia, Z.; Vong, C.-M.; Bu, S.; Han, J.; Tang, X. Capturing High-Discriminative Fault Features for Electronics-Rich Analog System via Deep Learning. IEEE Trans. Ind. Inform. 2017, 13, 1213–1226. [Google Scholar] [CrossRef]
- Jia, Z.; Liu, Z.B.; Gan, Y.F.; Vong, C.M.; Pecht, M. A Deep Forest-Based Fault Diagnosis Scheme for Electronics-Rich Analog Circuit Systems. IEEE Trans. Ind. Electron. 2021, 68, 10087–10096. [Google Scholar] [CrossRef]
- Sai Sarathi Vasan, A.; Long, B.; Pecht, M. Diagnostics and Prognostics Method for Analog Electronic Circuits. IEEE Trans. Ind. Electron. 2013, 60, 5277–5291. [Google Scholar] [CrossRef]
- Slamani, M.; Kaminska, B. Multifrequency Analysis of Faults in Analog Circuits. IEEE Des. Test Comput. 1995, 12, 70–80. [Google Scholar] [CrossRef]
- Rao, S.; Sundari, K.S. Optimized multi frequency approach to analog fault diagnosis using Monte Carlo analysis. Electr. Electron. Eng. 2014, 4, 25–30. [Google Scholar]
- He, K.; Zhang, X.; Ren, S.; Sun, J. Deep residual learning for image recognition. In Proceedings of the IEEE Conference on Computer Vision and Pattern Recognition, Las Vegas, NV, USA, 27–30 June 2016; pp. 770–778. [Google Scholar]
- Zhang, C.; He, Y.; Yuan, L.; Xiang, S. Analog Circuit Incipient Fault Diagnosis Method Using DBN Based Features Extraction. IEEE Access 2018, 6, 23053–23064. [Google Scholar] [CrossRef]
- Gao, T.Y.; Yang, J.L.; Jiang, S.D. A Novel Incipient Fault Diagnosis Method for Analog Circuits Based on GMKL-SVM and Wavelet Fusion Features. IEEE Trans. Instrum. Meas. 2021, 70, 1–15. [Google Scholar] [CrossRef]
- Chen, P.; Yuan, L.F.; He, Y.G.; Luo, S. An improved SVM classifier based on double chains quantum genetic algorithm and its application in analogue circuit diagnosis. Neurocomputing 2016, 211, 202–211. [Google Scholar] [CrossRef]
- Gao, T.Y.; Yang, J.L.; Jiang, S.D. A novel fault diagnosis method for analog circuits with noise immunity and generalization ability. Neural Comput. Appl. 2021, 33, 10537–10550. [Google Scholar] [CrossRef]
- Shi, Y.; Deng, Y.; Zhang, W. Diagnosis of Incipient Faults in Weak Nonlinear Analog Circuits. Circuits Syst. Signal Process. 2013, 32, 2151–2170. [Google Scholar] [CrossRef]















| Fault Code | Fault Type | Nominal | Lower Limit | Upper Limit | Fault Value |
|---|---|---|---|---|---|
| F0 | NF | - | - | - | - |
| F1 | |||||
| F2 | |||||
| F3 | |||||
| F4 | |||||
| F5 | |||||
| F6 | |||||
| F7 | |||||
| F8 | |||||
| F9 | |||||
| F10 | |||||
| F11 | |||||
| F12 |
| Fault Code | Fault Type | Nominal | Lower Limit | Upper Limit | Fault Value |
|---|---|---|---|---|---|
| F0 | NF | - | - | - | - |
| F1 | |||||
| F2 | |||||
| F3 | |||||
| F4 | |||||
| F5 | |||||
| F6 | |||||
| F7 | |||||
| F8 | |||||
| F9 | |||||
| F10 | |||||
| F11 | |||||
| F12 | |||||
| F13 | |||||
| F14 |
| Fault Code | Fault Type | Nominal | Lower Limit | Upper Limit | Fault Value |
|---|---|---|---|---|---|
| F0 | NF | - | - | - | - |
| F1 | |||||
| F2 | |||||
| F3 | |||||
| F4 | |||||
| F5 | |||||
| F6 | |||||
| F7 | |||||
| F8 | |||||
| F9 | |||||
| F10 | |||||
| F11 | |||||
| F12 | |||||
| F13 | |||||
| F14 | |||||
| F15 | |||||
| F16 | |||||
| F17 | |||||
| F18 |
| Unit & Layer | Convolution Size | Stride | BN | Activation Function | |
|---|---|---|---|---|---|
| Single ResNet unit | convolution block | 5 * 16 | 2 | Y | Relu |
| average pooling layer | 3 | 2 | N | N | |
| ResNet block1 | 3 * 16 | 2 | Y | Relu | |
| 3 * 16 | 1 | Y | Relu | ||
| ResNet block2 | 3 * 32 | 2 | Y | Relu | |
| 3 * 32 | 1 | Y | Relu | ||
| ResNet block3 | 3 * 64 | 2 | Y | Relu | |
| 3 * 64 | 1 | Y | Relu | ||
| ResNet block4 | 3 * 128 | 2 | Y | Relu | |
| 3 * 128 | 1 | Y | Relu | ||
| average pooling layer | 7 | 1 | N | N | |
| Concat layer | 128 * 5 | - | - | - | |
| FC layer | N_class | - | - | Softmax | |
| Accuracy (%) | |||||
|---|---|---|---|---|---|
| Fault Code | Proposed Method | Traditional EWT + Multi-Input ResNet | [8] | [10] | [13] |
| F0 | 100.00 | 100.00 | 34.00 | 68.00 | 98.00 |
| F1 | 100.00 | 98.00 | 100.00 | 98.00 | 100.00 |
| F2 | 100.00 | 98.00 | 94.00 | 100.00 | 100.00 |
| F3 | 100.00 | 96.00 | 70.00 | 98.00 | 100.00 |
| F4 | 100.00 | 98.00 | 64.00 | 96.00 | 98.00 |
| F5 | 100.00 | 100.00 | 100.00 | 92.00 | 98.00 |
| F6 | 100.00 | 100.00 | 100.00 | 100.00 | 100.00 |
| F7 | 100.00 | 100.00 | 100.00 | 100.00 | 100.00 |
| F8 | 100.00 | 100.00 | 74.00 | 100.00 | 100.00 |
| F9 | 100.00 | 94.00 | 86.00 | 94.00 | 100.00 |
| F10 | 100.00 | 100.00 | 100.00 | 100.00 | 100.00 |
| F11 | 100.00 | 92.00 | 34.00 | 100.00 | 100.00 |
| F12 | 100.00 | 98.00 | 100.00 | 94.00 | 100.00 |
| Average accuracy | 100.00 | 98.00 | 81.23 | 95.38 | 99.54 |
| Accuracy (%) | |||||
|---|---|---|---|---|---|
| Fault Code | Proposed Method | Traditional EWT + Multi-Input ResNet | [8] | [10] | [13] |
| F0 | 100.00 | 100.00 | 100.00 | 100.00 | 100.00 |
| F1 | 100.00 | 100.00 | 100.00 | 100.00 | 100.00 |
| F2 | 100.00 | 100.00 | 100.00 | 100.00 | 100.00 |
| F3 | 100.00 | 100.00 | 100.00 | 98.00 | 100.00 |
| F4 | 100.00 | 92.00 | 100.00 | 96.00 | 100.00 |
| F5 | 98.00 | 100.00 | 82.00 | 96.00 | 98.00 |
| F6 | 100.00 | 96.00 | 98.00 | 98.00 | 82.00 |
| F7 | 100.00 | 100.00 | 100.00 | 100.00 | 98.00 |
| F8 | 100.00 | 100.00 | 100.00 | 100.00 | 98.00 |
| F9 | 100.00 | 100.00 | 100.00 | 100.00 | 100.00 |
| F10 | 100.00 | 100.00 | 100.00 | 100.00 | 100.00 |
| F11 | 100.00 | 100.00 | 100.00 | 98.00 | 98.00 |
| F12 | 98.00 | 96.00 | 98.00 | 98.00 | 80.00 |
| F13 | 100.00 | 100.00 | 100.00 | 100.00 | 96.00 |
| F14 | 100.00 | 100.00 | 100.00 | 98.00 | 98.00 |
| Average accuracy | 99.73 | 98.93 | 98.53 | 98.80 | 96.53 |
| Accuracy (%) | |||||
|---|---|---|---|---|---|
| Fault Code | Proposed Method | Traditional EWT + Multi-Input ResNet | [8] | [10] | [13] |
| F0 | 100.00 | 96.00 | 96.00 | 96.00 | 100.00 |
| F1 | 100.00 | 100.00 | 92.00 | 100.00 | 100.00 |
| F2 | 100.00 | 100.00 | 94.00 | 80.00 | 100.00 |
| F3 | 100.00 | 92.00 | 70.00 | 64.00 | 100.00 |
| F4 | 90.00 | 76.00 | 68.00 | 72.00 | 80.00 |
| F5 | 100.00 | 98.00 | 98.00 | 94.00 | 100.00 |
| F6 | 100.00 | 96.00 | 86.00 | 94.00 | 100.00 |
| F7 | 100.00 | 100.00 | 96.00 | 98.00 | 100.00 |
| F8 | 100.00 | 100.00 | 100.00 | 94.00 | 100.00 |
| F9 | 96.00 | 92.00 | 70.00 | 58.00 | 100.00 |
| F10 | 86.00 | 74.00 | 64.00 | 70.00 | 78.00 |
| F11 | 100.00 | 100.00 | 100.00 | 96.00 | 100.00 |
| F12 | 100.00 | 98.00 | 100.00 | 84.00 | 100.00 |
| F13 | 98.00 | 98.00 | 100.00 | 96.00 | 100.00 |
| F14 | 96.00 | 96.00 | 96.00 | 92.00 | 100.00 |
| F15 | 100.00 | 100.00 | 100.00 | 100.00 | 100.00 |
| F16 | 100.00 | 98.00 | 94.00 | 90.00 | 96.00 |
| F17 | 100.00 | 100.00 | 100.00 | 74.00 | 100.00 |
| F18 | 98.00 | 100.00 | 100.00 | 100.00 | 100.00 |
| Average accuracy | 98.11 | 95.47 | 90.74 | 86.95 | 97.58 |
Publisher’s Note: MDPI stays neutral with regard to jurisdictional claims in published maps and institutional affiliations. |
© 2022 by the authors. Licensee MDPI, Basel, Switzerland. This article is an open access article distributed under the terms and conditions of the Creative Commons Attribution (CC BY) license (https://creativecommons.org/licenses/by/4.0/).
Share and Cite
Liu, Z.; Liu, X.; Xie, S.; Wang, J.; Zhou, X. A Novel Fault Diagnosis Method for Analog Circuits Based on Multi-Input Deep Residual Networks with an Improved Empirical Wavelet Transform. Appl. Sci. 2022, 12, 1675. https://doi.org/10.3390/app12031675
Liu Z, Liu X, Xie S, Wang J, Zhou X. A Novel Fault Diagnosis Method for Analog Circuits Based on Multi-Input Deep Residual Networks with an Improved Empirical Wavelet Transform. Applied Sciences. 2022; 12(3):1675. https://doi.org/10.3390/app12031675
Chicago/Turabian StyleLiu, Zhen, Xuemei Liu, Songlin Xie, Junhai Wang, and Xiuyun Zhou. 2022. "A Novel Fault Diagnosis Method for Analog Circuits Based on Multi-Input Deep Residual Networks with an Improved Empirical Wavelet Transform" Applied Sciences 12, no. 3: 1675. https://doi.org/10.3390/app12031675
APA StyleLiu, Z., Liu, X., Xie, S., Wang, J., & Zhou, X. (2022). A Novel Fault Diagnosis Method for Analog Circuits Based on Multi-Input Deep Residual Networks with an Improved Empirical Wavelet Transform. Applied Sciences, 12(3), 1675. https://doi.org/10.3390/app12031675

