Next Article in Journal
Enlarged Head Pressure-Dispersed Anchor Cable for Foundation Pit Engineering Purposes
Next Article in Special Issue
Design and Validation of a U-Net-Based Algorithm for Star Sensor Image Segmentation
Previous Article in Journal
A Novel Two-Dimensional Dynamic Pseudo-Random Coupled Map Lattices System Based on Partitioned Elementary Cellular Automata
Previous Article in Special Issue
The AlfaCrux CubeSat Mission Description and Early Results
 
 
Font Type:
Arial Georgia Verdana
Font Size:
Aa Aa Aa
Line Spacing:
Column Width:
Background:
Article

Modelling the Stages of Pre-Project Preparation and Design Development in the Life-Cycle of an Investment and Construction Project

Department of Technology and Organization of Construction Production, Moscow State University of Civil Engineering (National Research University) (MGSU), 26 Yaroslavskoe Shosse, 129337 Moscow, Russia
*
Author to whom correspondence should be addressed.
Appl. Sci. 2022, 12(23), 12401; https://doi.org/10.3390/app122312401
Submission received: 11 November 2022 / Revised: 27 November 2022 / Accepted: 30 November 2022 / Published: 4 December 2022
(This article belongs to the Special Issue Small Satellites Missions and Applications)

Abstract

The stages of pre-project preparation and design development are the fundamentals to the further implementation of an investment and construction project. The success of construction and commissioning of facilities depends on the smooth completion of these stages. The duration of stages depends on the competence and coordination of interaction between participants of an investment and construction project, rational decision making by the project manager and a number of other factors. Identifying these factors and finding rational planning options in terms of the stages of pre-project preparation and design development is a highly relevant task. With this in mind, the authors have developed an organizational and management model of a rational procedure to be implemented by the project manager at the stages of pre-project preparation and design development for a facility to be constructed. The model takes into account the influence of negative factors. The authors have also developed a method for selecting rational solutions at the stages in question. The analysis of the research literature and regulatory documents was performed for this purpose. The method of expert evaluations, elements of numerical analysis, mathematical processing of practical results and methods of mathematical modeling were applied. As a result, the authors have developed an organizational and management model for a rational combination of procedures at the stages of pre-project preparation and design development for a facility to be constructed and derived a formula determining the duration of implementation of each stage and a technique designated for selecting rational solutions at the stages in question. The findings of this study can simplify project planning and process management at the stages of pre-project preparation and design development in terms of information modeling.

1. Introduction

A commissioned building is a finished product of the construction industry, characterized by the successful completion of the investment and construction project, which life cycle begins long before its construction.
Completion and commissioning of facilities within defined timeframes depends not only on the production of construction and installation works but, above all, on the duration of the stages of pre-project preparation and design development.
Currently, the analysis of statistical and reporting data and the effectiveness of the stages of pre-project preparation and design development are assessed by the authorities according to the number and timing of administrative procedures.
Reputable international rankings, such as the World Bank’s Doing Business ranking, play a key role for many businessmen and choosing a project and country for investment [1].
The World Bank’s Doing Business ranking was calculated according to the results of a survey of developers in 189 countries from 2002 to 2020. The countries were ranked by the number, duration and cost of procedures and required to obtain a construction permit, with account taken of the construction control quality index. At the moment, the evaluation is suspended, and the methodology is being updated.
Since 2012, the Russian Federation has participated in the World Bank’s Doing Business score, namely, in its “Dealing with Construction Permits” section. It enables to assess the results of measures taken to optimize procedures annually (Figure 1). Over 8 years, Russia has risen in the ranking from the 178 to the 26th position, which shows the positive dynamics of procedures and their optimization. It is noteworthy that, during this period, both the number of procedures and the time to execute them have decreased (more than twice) [1,2,3,4,5,6,7,8].
The task of reducing excessive administrative barriers and improving the entrepreneurial climate in construction is set not only by the Russian Federation but also by many countries. Figure 2 shows the ranking score of a number of countries, such as Bulgaria, the Czech Republic, China, Great Britain, India, Finland, France, Germany, Italy, Poland, Spain and the United States of America, in obtaining construction permits for 2020.
In addition to excessive administrative barriers, the duration of the stages of pre-project preparation and design development may be affected by many other factors, such as the diversity of interests of construction participants, incompetence of employees recruited by the project manager, poorly drafted design assignments and project designs, etc. [1,3,9,10,11,12].
Different authors have analyzed the factors that influence the implemented stages of investment and construction projects. For example, Soliman [13] conducted a study to identify the factors, including those dealing with communication issues, that affected the duration and quality of a state-funded investment and construction project in Kuwait and gave recommendations to eliminate a number of factors by introducing information technologies in construction and improving communication channels.
In their research paper, Fernando et al. [14] identified a number of factors that contribute to the introduction of innovations in the operations of project managers in Australian construction companies. Banihashemi et al. developed a multipurpose planning model to minimize the time, cost and environmental impacts and improve the implementation quality of an investment and construction project in Iran [15].
Shubham Sharma et al. [16] identified a number of factors that influence the time limit overrun and other costs of implementation of investment and construction projects in India. These authors substantiated the most important factors and proposed their classification. Bennett, Clough et al. and Selen Mubarak address the planning and control of investment and construction projects, taking into account information modeling in the United States and Canada [17,18,19].
Various scientists considered such an external factor as the COVID-19 pandemic [20]. The pandemic has had a major impact on the construction market. The activity of developers has decreased several times. Most companies have had to face the forced digitalization of many processes.
Additionally, our analysis of other works has shown that the study of the duration required for the procedures flow, the identification of factors affecting their flow and the possibility of combining the procedures flow in time during the stages of pre-project preparation and design development is relevant [13,14,15,16,21,22,23,24,25,26,27,28,29,30].
Therefore, the stages of pre-project preparation and design development were selected as the objects of the study.
At the stage of pre-project preparation, the main tasks include the building site approval, obtaining the title documents to the building site, conducting engineering surveys and collecting the initial permitting documentation.
The stage of design development includes the development and approval of design documentation and detailed engineering documents for capital construction projects.
The study of the stages of pre-project preparation and design development is necessary to generate a competent and clear algorithm for the project management system within the framework of information modeling in construction, contributing to effective scheduling and making organizational and managerial decisions [17,18,19,31]. It is at these stages that project decisions are made, and the implementation of an investment and construction project is scheduled. The quality of project development and the duration of the stages determine the overall duration and success of construction and commissioning.
At these stages, the project manager carries out the coordination of actions between design and survey organizations, external contractors (including executive authorities), support of design and the procedures flow for the implementation of investment and construction projects.
Purpose of the study—development of a method for choosing rational solutions at the stages of pre-project preparation and design development, ensuring a reduction in the time and quality of procedures for the project manager.
In this regard, the authors have considered the peculiarities of the flow of administrative procedures, tasks and functions performed by the project manager at the stages under study.
The list of tasks and functions performed by the project manager varies depending on the function of the facility. Therefore, within the framework of the study, it was decided to choose facilities with the same function. The authors have chosen residential houses, being part of residential complexes in the Russian Federation, as, for today, one of the main objectives of the country within the national development objectives is to increase the volume of housing construction at least up to 120 million square meters a year. According to the Federal State Statistics Service (Rosstat), 285,821 residential buildings with a total area of 111.6 million square meters were commissioned in 2019 [32].
In the course of the study, a number of methods were used, such as the method of expert assessment, elements of numerical analysis and mathematical processing of the experience results and the method of mathematical modeling. As a result, the main functions of the project manager are specified and grouped into a system of consolidated procedures.
Additionally, the authors have substantiated the boundary intervals of duration of procedures set by the project manager and identified the factors that influence the duration of stages of pre-project preparation and design development. This allowed developing an organizational and management model to combine procedures at the stages of pre-project preparation and design development of the facility for construction and to develop a method for selecting rational solutions at the stages under consideration.
The method simplifies the process of planning the stages of pre-project preparation and design development to identify and prevent, if possible, the influence of factors on the duration of stages and to simulate procedures within these stages and choose the most rational version of the model.

2. Methods of Research

Primarily, the authors implemented an analysis of the scientific and technical literature; technical standard documents and regulatory, legal, organizational and methodological documentation [9,10,11,33]. As a result of the analysis, the main functions performed by the project manager at the stages of pre-project preparation and design development were specified [34,35]. The authors have also made an initial list of factors influencing an increase in the duration of the stages.
Within the framework of the research, the term “Procedure” is defined. Procedure means any interaction between the project manager and external and internal contractors in order to obtain a document, permission, conclusion, seal, signature or other result necessary to implement the stages of pre-project preparation and design development. In addition, the authors have identified consolidated procedures within which the functions of the project manager are grouped.
Due to the lack of statistical data for determining the boundary intervals of procedures and factors affecting the duration of the stages of pre-project preparation and design development, the method of expert examination was selected.
A questionnaire was developed for the survey. The research was planned to have two stages. At the first stage, the authors identified boundary intervals of the duration of the project manager’s functions, performed during the flow of certain previously consolidated procedures at the stages under study, for which regulation terms are not developed or time consumption exceeds the standard ones due to a number of factors. Additionally, the authors determined the factors affecting the duration of the procedures.
At the second stage, the ranking of factors, obtained as a result of the first stage of the study, the weigh characteristics of the factors were determined.
The authors examined the implementation of the stages of pre-project preparation and design development for the housing facilities to be constructed as part of residential complexes.
To confirm the validity of the results of the expert examination, the requirements for the experts’ qualification were formulated [36,37]: representatives of the project manager (not less than 50% of the total number of experts), investor, designer and surveyor; general construction experience of more than 5 years and higher education. The sphere of project implementation—representatives of the state-owned enterprises (40–60% of the total number of experts) and commercial ones (40–60% of the total number of experts).
The first phase of the survey involved 121 experts, whereas the second phase involved 24 experts, correspondingly. The experts met the preset requirements, which was confirmed by the results of the processing of “Section 1. General Issues” of the questionnaire (Figure 3, Figure 4, Figure 5 and Figure 6).
The processing of the survey results was carried out in the following sequence:
  • Determination of the weighted mean values of the boundary intervals of the procedure duration and factors affecting the duration of the procedures at the considered stages:
    -
    determination of linear regression coefficients by the least squares method and the construction of linear regression equations (Equation (1));
    y = a + bx
    where:
    • y—dependent variable (effective feature);
    • x—independent variable (feature-factor);
    • a and b—linear regression coefficients.
    -
    determination of Pearson’s linear correlation coefficients (Equation (2)) and mean approximation errors (Equation (3));
    r xy =   b σ x σ y
    where:
    • r xy —Pearson’s correlation coefficient;
    • b —linear regression coefficient;
    • σ x —mean square deviation on x;
    • σ y —mean square deviation on y.
    A ¯ = 1 n | y y ^ y | × 100 %
    where:
    • A ¯ —mean approximation error; the permissible limit of the value does not exceed 8–10%.
    -
    evaluation of regression equation quality by means of Fisher’s criterion.
  • Ranking of the factors affecting the duration of the procedures:
    -
    forming a consolidated table containing the number of experts and the results of factor ranking;
    -
    determination of the sum of the ranks;
    -
    finding the arithmetic mean of the ranks;
    -
    detecting the deviation of the sum of ranks from the arithmetic mean sum of the ranks;
    -
    Kendall’s correlation coefficient determination (Equation (4));
    W = 12 × S m 2 ( n 3 n )
    where:
    • m—the number of experts;
    • n—ranks;
    • S—the sum of the squares of the deviations of the sums of ranks (n) from the average sum of ranks.
    -
    composing a transformed rank matrix;
    -
    compiling a matrix of normalized weights and determining individual and group ranks according to the weights of all factors;
    -
    establishing distances between individual preferences using the Spearman correlation coefficient (Equation (5)).
    p = 1 6 d 2 n 3 n
    where:
    • d2—the square of the differences between the ranks;
    • n—the number of ranked objects.
  • Conducting a multiple regression analysis to establish a mathematical relationship between the experts’ evaluation of the factors and the actual deviation of the planned duration of the stages of pre-project preparation and design development for the construction of facilities from the actual one.
The factors are independent variables of a multiple regression, the totality of which affects the total assessed dependent variable Y (the increment of the duration ∆T of pre-project preparation and design development).
The unknown regression coefficients and the shift (intercept term) were estimated by the least squares method using matrix calculus and determining the residual function from the original ranking matrix obtained from the expert survey.
The analysis was carried out in the following sequence:
-
compilation of the initial matrix X of independent regression variables (with the additionally entered column “δ1”) and the vector column of dependent variable Y (total increment of the duration of the stages of pre-project preparation and design development for the facilities to be constructed by respective construction organizations);
-
determining the product of the transposed and source matrices;
-
calculation of the inverse matrix;
-
determining the product of the transposed matrix X and matrix Y;
-
determination of regression equation coefficients.
Mathematical processing of the questioning results enabled to determine marginal intervals of procedure duration and deviation from the standard duration of design works to identify factors influencing the duration of procedures and to estimate the duration increment (∆T) of pre-project preparation and design development under the effect of these factors. The results of the study are presented in Section 3.

3. Results and Discussion

Based on the results of the analysis of the scientific and technical literature and current legislative regulations, the main functions of the project manager were specified and grouped into a system of consolidated procedures (Figure 7, Figure 8 and Figure 9) [38,39,40,41,42,43,44].
Mathematical processing of the results of the survey enabled to determine the weighted mean limit intervals of the procedures and deviations from the standard duration of design work (Table 1 and Table 2).
Sample calculations of the weighted average value of the boundary interval of the duration of the procedure “Development of the project management plan by the project manager together with the project owner” are provided in Appendix A. The algorithm can be applied to other procedures performed at other stages of an investment and construction project or when analyzing construction facilities that have other functions.
As a result of the first phase of the study, the authors substantiated 29 factors, affecting the duration of procedures performed by the project manager at the stages of pre-project preparation and design development. The experts have picked these factors from the original list made on the basis of an analysis of the research literature and current legislation. In the course of the questionnaire survey, the experts could formulate their own factors, influencing the duration of the stages. However, the experts picked the factors from the list. Alternatively, the experts formulated the factors which meanings are similar to those available in the initial list, although they were worded in a different way. The responses were processed using the method of least squares. The sequence is provided in Section 2 of this article.
The substantiated factors are systematized into four groups:
Organizational and managerial factors (δoy);
Procedural and executive factors (δΠи);
Economic factors (δэ);
Design factors (δΠ).
At the second stage of the study, as a result of ranking, the values of the factors’ affect the duration of the procedures at the stages of pre-project preparation and design development for the facilities to be constructed (Table 3).
The duration increment 𝑌 (ΔT) under the impact of the group of factors was determined with due account to the established dependencies (Equations (6) and (7)):
𝑌 = 𝐴0 + 𝐴1∙δoy + 𝐴2∙δΠи + 𝐴3∙δэ + 𝐴4∙δΠ
ΔT = 16 + 0.043δoy + 0.013δΠи + 0.042δэ + 0.027δΠ
  • Provided ΔT ≥ 0,
  • where:
    • δyo, δΠи, δэ and δΠ—point assessment of the impact of the group factors for the object in a given range of values from the minimum to maximum (dimensionless value). Conducted by a specialist who performs the functions of the developer (technical customer) for a private facility:
    • A0—shift value;
    • A1 and A2—multiple regression coefficients;
    • ΔT—increment of the duration under the influence of factors.
Various options for combining procedures in time at the stages of pre-project preparation and design development were analyzed, and the most rational sequence of stages was proposed.
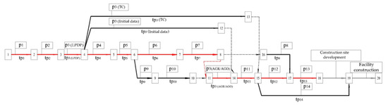
The organizational and management model of a rational combination of procedures by the project manager in the network (Figure 10) reflecting the sequence of stages of pre-project preparation and design development was developed, where: p1, p2, p3, …, p14—procedures’ cipher and tp1, tp2, tp3, …, tp14—the duration of the procedures.
Figure 11 shows a sample organizational and management model in the linear form, where the duration of procedures tp is taken as a share of the total duration of the stages of pre-project preparation and design development (Tp). Durations are the minimum durations of the procedures.
The combination of procedures at the stages of pre-project preparation and design development in time and between each other is performed as follows: The first procedure launched is developing a plan for project management in construction that is done in the collaboration of a project manager and a project owner.
After approval of the project management plan, the project owner, assisted by the project manager, selects a land plot for the construction site and draws it up in accordance with the established procedure. Having title documents for the land, the project manager proceeds to the collection of initial data for the design and obtaining primary permitting documentation.
Initially, the project manager obtains a land plot development plan. Then, he begins to collect background data: certificates of radiation, background pollution of the soil, the absence of state nature reserves near the projected buildings, etc. and permits to connect to facilities and existing utilities (technical conditions for connecting the object to cold water supply networks, for external firefighting, to networks of heat, water disposal, power supply, gas supply, telephone, radio, etc.). The processes of collecting various certificates go along with obtaining technical specifications [45].
Along with the collection of the initial data, immediately after receipt of the land plot development plan (LPDP), the development of cost estimate documentation for design and survey work (DSW) begins (initially consolidated costs for engineering survey are already laid in the plan of project management) by specialists of the service of the project manager. The next process is the development of a task on engineering survey, then there is the choice of organization, which conducts them, and then there is a control over their performance and presentation of the report within the specified period and its approval.
Along with selecting the organization and control of engineering surveys, the development of the assignment for the design of the facility and the selection of design organization is carried out [46]. By the completion of engineering surveys, the design organization is selected and the process of developing an album with materials for coordination of architectural and urban planning solutions (AUPS/AUPA) by the design organization (control and coordination of architectural solutions with the project owner is the responsibility of the project manager). Next, the process of coordination AUPS (AUPA) commences. Upon completion of coordination of architectural and urban solutions, the design organization begins to develop project documentation, and the control of development is carried out by the project manager.
Next, there are procedures for passing the examination of engineering surveys and design documentation. Reporting the documentation of engineering surveys can pass expertise earlier, immediately after its development.
The procedure for developing working documentation begins after the development of design documentation.
Planning permission is obtained upon the receipt of the positive expert opinion. Before applying for a planning permission, it is necessary to upload the project documentation and other necessary documents into the information system for urban planning.
The duration of the stages of pre-project preparation and design development, taking into account the influencing factors is determined (Equation (8)):
T = Tp + ΔT
where:
  • T—the duration of the stages of pre-project preparation and design development, taking into account the influencing factors;
  • Tp—estimated duration of the stages of pre-project preparation and design development, taken as a result of combining procedures in time and building a graphical model;
  • ΔT—increment of duration under the impact of factors.
The organizational and management model of the rational combination of procedures at the stages of pre-project preparation and design development can facilitate the transition to information modeling of construction at these stages.
The results, obtained in the course of the research, contributed to the development of a method for selecting rational solutions at the stages of pre-project preparation and design development. The proposed method contains general provisions and the procedure for selecting rational solutions at the stages of pre-project preparation and design development. Additionally, the new method establishes the procedure for selecting rational solutions at the stages of pre-project preparation and design development.
The new method focuses on residential buildings as part of residential complexes analyzed as capital construction facilities.
This method is applicable to construction facilities that have other functions or construction conditions. However, in this case, the operator in charge of scheduling should specify a list of functions and procedures depending on the conditions of construction in accordance with the characteristic.
If it is necessary to take into account additional destabilizing factors, the operator in charge of scheduling, acting independently or in cooperation with groups of experts, collects and processes initial data on destabilizing the factors and boundary intervals in the duration of procedures and performs a generalized evaluation of objects, identification of consistency of expert opinions, ranking of objects and assessment of the reliability of the data processing results.
The selection of rational solutions at the stages of pre-project preparation and design development has stages and steps (Figure 12) completed by the conventional operator of the organization performing the functions of the project manager.
Stage 1. Collection and processing of the initial data signifies identifies the main functions of the project manager and the formation of extensive procedures at the stages of pre-project preparation and design development based on the initial characteristics of the future facility, followed by the identification of factors affecting the duration of the procedures, the definition of limits on the duration of procedures and increments of duration ΔT.
Stage 2. Time modeling of the procedures at the stages of pre-project preparation and design development of the facility for construction includes the development of organizational and management model of rational combination of procedures at the stages of pre-project preparation and design developmentof the object for construction, which take into account the factors affecting the duration of the procedures.
Stage 3. Building up of an organizational and management model, factoring in the most rational combination and intensity of procedures, is carried out by assessing the increase in the durations of the stages’ development under the influence of factors and by selecting the most rational option of combining procedures in time.
Time modeling of the procedures at the stages of pre-project preparation and design development is based on the search of options for combined procedures, accounting for the impact on the duration of their implementation combinations of factors. As a result of the analysis of the obtained variants, the most rational combination of procedures in time is accepted.
The case of the use of stages 2 and 3 of the method is discussed in Appendix B.

4. Conclusions

For successful implementation of the considered stages, the project manager needs to ensure passing through a set of procedures. In this case, the functions and tasks of the project manager depend on the set of procedures required to implement these stages, depending on the established parameters, and the effectiveness of their passing determines the duration of the stages of pre-project preparation and design development.
In this article, there was proposed a method for selecting the most rational solutions when planning the stages of pre-project preparation and design development for the facilities to be constructed, accounting for the impact of factors on the duration of the stages’ development. The scientific and technical literature, standard technical, normative–legal and organizational–methodical documents in the sphere of development of the stages of pre-project preparation and design development were analyzed for the facilities to be constructed. The research was done by the method of expert estimates followed by mathematical processing of the questionnaire results and the use of mathematical modeling methods.
As the result, the following conclusion can be drawn:
  • Fourteen consolidated procedures, simplifying the planning process, were established by the project manager to obtain a construction permit.
  • The boundary intervals of the duration of the procedures to be passed by the project manager were defined, but no regulatory time limits were developed for these intervals or the time input exceeds the standard one due to a number of factors.
  • There were 29 identified factors affecting the duration of the stages of pre-project preparation and design development. The factors are classified into groups:
    Organizational and management factors (δoy)—the share of the impact on the duration of the stages is 17.71%;
    Procedural-executive factors (δΠи)—the share of the impact on the duration of the stages is 75.61%;
    Economic factors (δэ)—the share of the impact on the duration of the stages is 5.14%;
    Design factors (δΠ)—the share of the impact on the duration of the stages is 1.54%.
  • The dependence of the influence of groups of factors on the duration of the stages of pre-project preparation and design development (T) and an increment in duration (ΔT) were identified.
  • The authors developed linear and network versions of the organizational and management model for the rational combination of procedures at the stages of pre-project preparation and design development. The model takes into account the boundary intervals in the duration of procedures and, thereby, simplifies the task of planning.
  • The method for choosing rational solutions at the stages of pre-project preparation and design development was devised. These methods have general provisions, a procedure for planning the stages of pre-project preparation and design development, taking into account the influence of negative factors. Residential buildings, constructed as part of residential complexes, are considered as capital construction facilities.
This method encompasses a mathematical apparatus that allows, finding the boundary intervals for the duration of procedures, substantiating the factors affecting the duration of procedures and finding an increment in the duration of stages.
The method can be applied to construction facilities, with other functions or constructed under different conditions. However, in this case, the operator in charge of project planning should clarify a list of functions and procedures depending on the conditions of construction in accordance with the characteristic. An organizational and management model can be used for planning works at the stages of pre-project preparation and design development using information technologies.
Any further research might include amplifying the selection of rational solutions at the stages of pre-project preparation and design development for facilities to be constructed, depending on the natural and climatic conditions, function, space planning and structural solutions of capital construction facilities.

Author Contributions

Conceptualization, A.L.; methodology, A.L. and D.T.; software, P.B. data analysis, D.T.; investigation, P.B. and T.K.; data curation, D.T. and T.K.; writing—original draft preparation, P.B. and T.K.; writing—review and editing, P.B. and T.K. and final conclusions, P.B. and T.K. All authors have read and agreed to the published version of the manuscript.

Funding

The Moscow State University of Civil Engineering (National Research University) (MGSU) funded this research.

Institutional Review Board Statement

Not applicable.

Informed Consent Statement

Not applicable.

Data Availability Statement

Not applicable.

Conflicts of Interest

The authors declare no conflict of interest.

Appendix A

Let’s consider one of the questions in the second section of the research survey as an example. The purpose of the question is to identify the most appropriate boundary interval for the duration of the procedure “Development of a construction project management plan together with the project owner”. Table A1 shows the findings of the survey, conducted among the experts.
Table A1. Survey findings: identification of the interval for the duration of the procedure “Development of a construction project management plan together with the project owner”.
Table A1. Survey findings: identification of the interval for the duration of the procedure “Development of a construction project management plan together with the project owner”.
Answer OptionNumber of ExpertsShare
11–2 months129.9 %
21–3 months2319 %
32–3 months2319 %
43–4 months75.8 %
54–5 months75.8 %
65–6 months2520.7 %
71–6 months2218.2 %
8Your answer 21.6 %
Based on the survey findings, data ranking was performed and the results were obtained (Table A2). The results were used to calculate the initial statistical data (Table A3).
Table A2. Calculated ranked data of the survey results.
Table A2. Calculated ranked data of the survey results.
The Time Interval Defining the Duration of the ProcedureNumber of Experts Who Selected the Answer
1Your answer2
23–4 months7
34–5 months7
41–2 months12
51–6 months22
61–3 months23
72–3 months23
85–6 months25
Table A3. Source statistical data.
Table A3. Source statistical data.
xyyxx2y2yTeopy-yTeop A ¯
122142.666667−0.666670.333333
27144496.226190.773810.110544
37219499.785714−2.785710.397959
412481614413.34524−1.345240.112103
5221102548416.904765.0952380.231602
6231383652920.464292.5357140.110248
7231614952924.02381−1.023810.044513
8252006462527.58333−2.583330.103333
Total361216942042413 1.443637
Average 4.515.12586.7525.5301.625
σ25.2572.85938
Let’s make a linear regression equation. We will use the method of least squares to find coefficients a and b.
Coefficient a = −0.89; b = 3.56.
The equation of linear regression looks like: y = −0.89 + 3.56x.
The closeness of the relationship of the phenomenon under study is assessed by Pearson’s linear correlation coefficient rxy.
The average error of approximation (average deviation of calculated values from the actual ones) A ¯ gives an estimate of the quality of the model built.
Evaluation of the quality of the regression equation is performed using Fisher’s F-criterion. We compare actual Factual and critical (tabulated) Ftable values of F-criterion to test the hypothesis of statistical insignificance of the regression equation and the closeness of the relationship.
Using the formulas, presented in the second section of the article, we obtain the following results: rxy = 0.96, A ¯ = 9.03, Factual = 62.93, Ftable = 5.99.
According to the average error of approximation, the calculated values deviate from the actual values by 9.03%.
The correlation coefficient rxy = 0.96 means that the relationship is good and direct.
Since Factual > Ftable, the hypothesis H0 is rejected. Therefore, the parameters of the equation are statistically significant.
As a result, let’s plot the linear regression (Figure A1). The graph shows experimental and theoretical values.
Figure A1. Linear regression.
Figure A1. Linear regression.
Applsci 12 12401 g0a1
The weighted average value of the indicator y ¯ = 19.28. It follows from this that at the level of significance α = 0.05 the following answer is significant: “1–6 months”.

Appendix B

Let’s consider stages 2 and 3 of the method, using a combination of factors (Table A4) influencing the duration.
Table A4. The effect of a combination of factors on the duration of procedures at the stages of pre-project preparation and design development.
Table A4. The effect of a combination of factors on the duration of procedures at the stages of pre-project preparation and design development.
Procedure NumberProcedure NameFactor NumberFactor
1p3Obtaining initial approvals and initial data. Preparation of materials, approval of architectural and urban planning solutions of the facilityδΠи6Obtaining additional input data
δΠи7Increasing the time for the development of materials required for the approval of architectural and urban planning solutions/appearance (AGR/AGO)
δΠи8Correction of architectural and urban planning solutions
Let’s make a model reflecting the influence of factors on the duration of procedures, based on the organizational and management model with the minimum values of the duration of procedures (Figure A2).
Let’s add a column with values of durations of procedures, taking into account the influence of factors (t), to the tabular part of the model. In the graphical part of the model, let’s first display the motion of procedures in time, taking into account the influence of a combination of factors, linked to the sequence provided in the integrated model, and then we offer an option of the time optimization by changing sequence of links between procedures.
The following symbols have been introduced in the graphical part of the model:
blue bars: minimum values of duration of procedures on the critical path;
red bars: motion of procedures in time to the maximum values of procedures durations;
green bars: motion of procedures in time, taking into account the time optimization of the model by changing the sequence of links between procedures;
red dotted line: linking procedures on the critical path.
In the course of finding the duration of the stages of pre-project preparation and design development, the authors consider procedures, starting from the development of a plan for the management of the project and ending with obtaining a construction permit. Hence, the duration of the Control (supervision) procedure of development of detail documentation (p14) is partially taken into account.
When influenced by a combination of factors, the total duration of the stages of pre-project preparation and design development before obtaining a construction permit is 15.91 months.
The duration increment ΔT is 2 months.
Let’s consider a combination of factors affecting the duration of stages.
The factor “Obtaining additional initial data (δΠи6)” influences the duration of initial data collection. According to the network form of the organizational and management model (Figure 10 in the article), this function, which is a component of procedure p3, is not on the critical path and has time reserves. The execution of the function should be completed before the start of the procedure “Control (supervision) of the development of design documentation by the design organization (p11)”. Consequently, this factor does not affect the duration of the stages of pre-project preparation and design development.
The factors “Increasing the time for the development of materials required for the approval of architectural and urban planning solutions/appearance (AGR/AGO) (δΠи7)” and “Correction of architectural and urban planning solutions (δΠи8)” affect the duration of development of materials and approval of AGR/AGO, which is a function of the project manager in procedure p3. This function is on the critical path. Consequently, factors δΠи7 and δΠи8 influence the duration of the stages.
The model is corrected through the parallel performance of the functions of procedure p3 and the launch of the development of project documentation before obtaining a Certificate of Approval AGR/AGO, or from the time when the planned deadline for the procedure expires.
After correcting the model, the total duration of the stages of pre-project preparation and design development before obtaining a construction permit is 13.91 months, which corresponds to Tp. As a result, the duration of the stages after optimization was reduced by 13%.
Figure A2. Organizational and management model of procedures based on the minimum values of the duration of stages of pre-project preparation and design development (a combination of factors).
Figure A2. Organizational and management model of procedures based on the minimum values of the duration of stages of pre-project preparation and design development (a combination of factors).
Applsci 12 12401 g0a2

References

  1. Kuzmina, T.; Bolshakova, P.; Zueva, D. Completion of administrative procedures by the developer (technical customer). E3S Web Conf. 2021, 258, 09004. [Google Scholar] [CrossRef]
  2. Kostrikin, P.N. Changes in the organization of residential construction as a result of the introduction of a comprehensive list of administrative procedures. Real Estate Econ. Manag. 2017, 1, 12–18. [Google Scholar]
  3. Kuzmina, T.K. On some problems of the investment climate in the field of construction. Sci. Rev. 2016, 21, 192–195. [Google Scholar]
  4. Peshkov, A.V. Administrative procedures in the implementation of investment and construction projects: A management mechanism. Izv. Vuzov. Investig. Constr. Real Estate 2014, 6, 45–53. [Google Scholar]
  5. Galyamova, A.V.; Kuzmina, T.K. Analysis of procedures for obtaining permits for construction. Technol. Organ. Constr. Prod. 2018, 2, 6–9. [Google Scholar]
  6. Ginzburg, A.V. Information model of the life cycle of a construction project. Ind. Civ. Eng. 2016, 9, 61–65. [Google Scholar]
  7. Ginzburg, A.V. Technologies of information modeling of the life cycle of the object of capital construction. In Proceedings of the Actual Problems of the Construction Industry and Education, First National Conference, Moscow, Russia, 30 September 2020; pp. 936–939. [Google Scholar]
  8. Ginzburg, A.V. BIM-technologies during the life cycle of the construction facility. Inf. Resour. Russ. 2016, 5, 28–31. [Google Scholar]
  9. Zelentsov, L.B.; Kravchenko, A.I.; Pirko, D.V. The problems of organization and regulation of the relationship between participants of the investment and construction project. In Proceedings of the Construction and Architecture, International Scientific and Practical Conference, Rostov-on-Don, Russia, 19–31 October 2020; pp. 290–291. [Google Scholar]
  10. Zelentsov, L.B.; Mailyan, L.D.; Shogenov, M.S. Management of temporal parameters in complex dynamic building systems. Eng. Her. Don. 2018, 2. [Google Scholar]
  11. Zelentsov, L.B.; Shogenov, M.S.; Pirko, D.V.; Assaira, M.M. Dynamic methods of forecasting time and cost parameters of construction projects. Constr. Prod. 2020, 3, 61–64. [Google Scholar] [CrossRef]
  12. Chugunov, V.I. Attracting investment to the regions through public-private partnerships: Problems, status, prospects. Compet. Glob. World Econ. Sci. Technol. 2017, 3, 156–159. [Google Scholar]
  13. Soliman, E. Communication problems causing governmental projects delay–Kuwait case study. Int. J. Constr. Proj. Manag. 2017, 9, 1–18. [Google Scholar]
  14. Fernando, S.; Panuwatwanich, K.; Thorpe, D. Introducing an innovation promotion model for construction projects. Eng. Constr. Archit. Manag. 2021, 28, 728–746. [Google Scholar] [CrossRef]
  15. Banihashemi, S.A.; Mohammad, K.; Shahraki, A.; Rostami Malkhalifeh, M.; Ahmadizadeh, S.S.R. Optimization of environmental impacts of construction projects: A time–cost–quality trade-off approach. Int. J. Environ. Sci. Technol. 2021, 18, 631–646. [Google Scholar] [CrossRef]
  16. Sharma, S.; Gupta, A.K. Analysis of Factors Affecting Cost and Time Overruns in Construction Projects. Adv. Geotech. Struct. Eng. Lect. Notes Civ. Eng. 2021, 143, 55–63. [Google Scholar] [CrossRef]
  17. Kuzmina, T.K.; Bolshakova, P.V.; Ledovskikh, L.I.; Zueva, D.D. Features of the work of the technical customer with the use of BIM-technologies. In Proceedings of the Actual Problems of the Construction Industry and Education, First National Conference, Moscow, Russia, 30 September 2020; pp. 960–964. [Google Scholar]
  18. Bennett, F.L. The Management of Construction: A Project Life Cycle Approach; Butterworth-Heinemann: Boston, MA, USA, 2003; 316p. [Google Scholar]
  19. Clough, R.H.; Sears, G.A.; Sears, S.K.; Rounds, J.L.; Segner, R.O. Construction Project Management: A Practical Guide to Field Construction Management, 6th ed.; Wiley: Hoboken, NJ, USA, 2015; 419p. [Google Scholar]
  20. Gajić, T.; Petrović, M.D.; Blešić, I.; Vukolić, D.; Milovanović, I.; Radovanović, M.; Vuković, D.B.; Kostić, M.; Vuksanović, N.; Malinović Milićević, S. COVID-19 certificate as a cutting-edge issue in changing the perception of restaurants’ visitors-Illustrations from Serbian urban centers. Front. Psychol. 2022, 13, 914484. [Google Scholar] [CrossRef] [PubMed]
  21. Golotina, Y.I.; Ryzhkova, Y.I.; Arutyunyan, M.S. Factors affecting the timing of construction. Sci. Proc. Kuban State Tech. Univ. 2018, 9, 65–73. [Google Scholar]
  22. Kuzmina, T.K.; Bolshakova, P.V. Identification and systematization of factors in the preparation of facilities for construction by the technical customer (developer). Constr. Prod. 2020, 4, 38–43. [Google Scholar]
  23. Opekunov, V.A.; Shcherbinin, I.V. Research of influence of preparation of initial permissive documentation on terms of realization of investment-construction projects. Univ. Her. 2016, 12, 59–64. [Google Scholar]
  24. Opekunov, V.A.; Shcherbinin, I.V. The study of the existing system of development and implementation of investment and construction projects. Univ. Bull. 2018, 9, 122–126. [Google Scholar] [CrossRef]
  25. Abramov, I.L.; Lapidus, A.A. Implementing large-scale construction projects through application of the systematic and integrated method. Constr. Form. Living Environ. Conf. Proc. IOP Conf. Ser. Mater. Sci. Eng. 2018, 365, 062002. [Google Scholar] [CrossRef]
  26. Abramov, I.L.; Lapidus, A.A. Systemic integrated method for assessing factors affecting construction timelines. MATEC Web Conf. Int. Sci. Conf. Environ. Sci. Constr. Ind. ESCI 2018, 193, 05033. [Google Scholar] [CrossRef][Green Version]
  27. Yu, S.; Zhang, Q.; Hao, J.L.; Ma, W.; Sun, Y.; Wang, X.; Song, Y. Development of an extended STIRPAT model to assess the driving factors of household carbon dioxide emissions in China. J. Environ. Manag. 2023, 325, 116502. [Google Scholar] [CrossRef] [PubMed]
  28. Popescu, C.R.G. (Ed.) Measuring Progress towards Sustainable Development Goals: Creativity, Intellectual Capital and Innovation. In Handbook of Research on Novel Practices and Current Successes in Achieving the Sustainable Development Goals; University of Bucharest: Bucharest, Romania; IGI Global: Hershey, PA, USA, 2021; Chapter 6; pp. 125–136. [Google Scholar]
  29. Measuring the Impacts of Business on Well-Being and Sustainability. Available online: https://www.oecd.org/fr/investissement/measuring-business-impacts-on-peoples-well-being.htm (accessed on 26 November 2022).
  30. Toward Sustainable Economic Development through Promoting and Enabling Responsible Business Conduct. Available online: https://www.oecd-ilibrary.org/sites/f7813858-en/index.html?itemId=/content/component/f7813858-en (accessed on 26 November 2022).
  31. Mubarak, S. Construction Project Scheduling and Control; John Wiley & Sons: Toronto, ON, Canada, 2010; 480p. [Google Scholar]
  32. Federal Service State Statistics. Available online: https://rosstat.gov.ru/ (accessed on 29 June 2022).
  33. Kuzmina, T.K. Strengthening the functions of financing, accounting and reporting in the activities of the services of the developer (customer) with the transition to market relations. Technol. Organ. Build. Prod. 2012, 1, 50–53. [Google Scholar]
  34. Kuzmina, T.; Cherednichenko, N. Systematization of the major stages of the client in certain branches of construction production. MATEC Web Conf. 2016, 86, 05012. [Google Scholar] [CrossRef]
  35. Oleinik, P.; Kuzmina, T. Modelling the Reduction of Project Making Duration. MATEC Web Conf. 2017, 117, 00129. [Google Scholar] [CrossRef]
  36. Danelyan, T.Y. Methods of Expert Evaluations. Econ. Stat. Inform. 2015, 1, 183–187. [Google Scholar] [CrossRef]
  37. Zagorskya, A.V.; Lapidus, A.A. Application of methods of expert evaluation in scientific research. The required number of experts. Constr. Prod. 2020, 3, 21–34. [Google Scholar]
  38. Kuzmina, T.K.; Sinenko, S.A.; Slavin, A.M. Combining the functions of the main participants of investment and construction activities at the present stage. Ind. Civ. Eng. 2016, 6, 71–75. [Google Scholar]
  39. Morozenko, A.A. Peculiarities of the life cycle and stages of development of an investment and construction project. Vestn. MGSU 2013, 6, 223–228. [Google Scholar] [CrossRef]
  40. Oleynik, P.P. Organization of Construction Production; Scientific Publication, ASV: Moscow, Russia, 2010; 576p. [Google Scholar]
  41. Oleynik, P.P.; Brodsky, V.I. Organization of planning of building production. Technol. Organ. Build. Prod. 2013, 2, 40–43. [Google Scholar]
  42. Telichenko, V.I.; Korol, E.A.; Shirshikov, B.F.; Yarovenko, S.M.; Bachurina, S.S. Application of network planning in the design, preparation and construction of urban housing programs. Build. Mater. Equip. Technol. XXI Century 2004, 12, 40–41. [Google Scholar]
  43. Topchiy, D.V.; Yurgaytis, Y.S.; Popova, A.D. Optimization of planning processes of design works and approval of design estimates for capital construction, reconstruction and re-profiling facilities. Bull. Civ. Eng. 2019, 2, 93–98. [Google Scholar]
  44. Potkany, M.; Vetrakova, M.; Babiakova, M. Facility Management and Its Importance in the Analysis of Building Life Cycle. Procedia Econ. Financ. 2015, 26, 202–208. [Google Scholar] [CrossRef]
  45. Kuzmina, T.K.; Bolshakova, P.V.; Popova, A.D. Peculiarities of the initial data collection for non-productive objects in the technical customer’s activity at the stage of pre-project preparation. Sci. Bus. Ways Dev. 2019, 1, 31–35. [Google Scholar]
  46. Sinenko, S.A.; Ivanov, V.A.; Efimov, V.V. Features of the organization and conduct of competitive bidding for the implementation of investment and construction projects. Sci. Rev. 2017, 13, 104–107. [Google Scholar]
Figure 1. Russian Federation’s score in the World Bank’s Doing Business ranking titled “Dealing with Construction Permits” (2012–2020).
Figure 1. Russian Federation’s score in the World Bank’s Doing Business ranking titled “Dealing with Construction Permits” (2012–2020).
Applsci 12 12401 g001
Figure 2. The ranking scores of a number of countries in the World Bank’s Doing Business ranking of construction permits for 2020.
Figure 2. The ranking scores of a number of countries in the World Bank’s Doing Business ranking of construction permits for 2020.
Applsci 12 12401 g002
Figure 3. Processed results of Section 1 of the questionnaire. The question “Education of the experts”.
Figure 3. Processed results of Section 1 of the questionnaire. The question “Education of the experts”.
Applsci 12 12401 g003
Figure 4. Processed results of Section 1 of the questionnaire. The question “Types of projects implemented by the experts”.
Figure 4. Processed results of Section 1 of the questionnaire. The question “Types of projects implemented by the experts”.
Applsci 12 12401 g004
Figure 5. Processed results of Section 1 of the questionnaire. The question “Identification of involvement of experts in the construction process”.
Figure 5. Processed results of Section 1 of the questionnaire. The question “Identification of involvement of experts in the construction process”.
Applsci 12 12401 g005
Figure 6. Processed results of Section 1 of the questionnaire. The question “The general construction experience of experts”.
Figure 6. Processed results of Section 1 of the questionnaire. The question “The general construction experience of experts”.
Applsci 12 12401 g006
Figure 7. Consolidated procedures and functions of the project manager at the stage of pre-project preparation of a facility for construction. Part one.
Figure 7. Consolidated procedures and functions of the project manager at the stage of pre-project preparation of a facility for construction. Part one.
Applsci 12 12401 g007
Figure 8. Consolidated procedures and functions of the project manager at the stage of pre-project preparation of a facility for construction. Part two.
Figure 8. Consolidated procedures and functions of the project manager at the stage of pre-project preparation of a facility for construction. Part two.
Applsci 12 12401 g008
Figure 9. Consolidated procedures and functions of the project manager at the stage of design preparation for the facility to be constructed.
Figure 9. Consolidated procedures and functions of the project manager at the stage of design preparation for the facility to be constructed.
Applsci 12 12401 g009
Figure 10. Organizational and management model of the rational combination of procedures at the stages of pre-project preparation and design development in the network form.
Figure 10. Organizational and management model of the rational combination of procedures at the stages of pre-project preparation and design development in the network form.
Applsci 12 12401 g010
Figure 11. Organizational and management model of the rational combination of procedures at the stages of pre-project preparation and design development in linear form.
Figure 11. Organizational and management model of the rational combination of procedures at the stages of pre-project preparation and design development in linear form.
Applsci 12 12401 g011
Figure 12. Selection of rational solutions at the stages of pre-project preparation and design development for the facilities to be constructed (stages and steps of the method).
Figure 12. Selection of rational solutions at the stages of pre-project preparation and design development for the facilities to be constructed (stages and steps of the method).
Applsci 12 12401 g012
Table 1. Boundary intervals for the duration of procedures at the stages of pre-project preparation and design development for the facilities to be constructed.
Table 1. Boundary intervals for the duration of procedures at the stages of pre-project preparation and design development for the facilities to be constructed.
Procedures CipherProceduesBoundary Intervals of the Duration (Months)
p1Development of a construction project management plan together with the project owner1 ≤ t p 1 ≤ 6
p2Issuance of title documents for the land plot1 ≤ t p 2 ≤ 4
p3Obtaining initial approvals and initial data. Preparation of materials, approval of architectural and urban planning solutions of the facilityCalculation of loads on engineering networks; submitting applications and obtaining technical conditions for connecting the facility to the networks of cold water supply, external firefighting, heat supply, sewage, electricity, gas supply, telephony, radio, etc.1.5 ≤ t p 3 ≤ 3
Preparation (control over preparation) of materials of architectural and urban planning solution (AGR/AGO) of the capital construction facility (booklet); submission of application, documents and booklet to the Committee for Architecture and Urban Planning of Moscow (Moscow Region); receipt of a certificate of approval of AGR (AGO) of the capital construction facility.2 ≤ t p 3 ≤ 4
Obtaining certificates on radiation, background contamination in the soil, the absence of state nature reserves near the projected buildings, etc.1 ≤ t p 3 ≤ 3
p4Drafting a budget for for design and survey work0.5 ≤ t p 4 ≤ 1.5
p5Development of an assignment for engineering surveys0.25 ≤ t p 5 ≤ 2
p6Selection of an engineering survey organization (holding tenders) and entering into contracts for survey works0.5 ≤ t p 6 ≤ 3
p7Control (supervision) of engineering surveys1.5 ≤ t p 7 ≤ 4
p8Ensuring a positive opinion to be issued by state or non-state expert organizations in terms of engineering surveys1 ≤ t p 8 ≤ 3
p9Development of design assignment0.25 ≤ t p 9 ≤ 2
p10Selection of the design organization (tenders) and conclusion of agreements for design work1 ≤ t p 10 ≤ 3
p12Passing the state or non-state expertise in respect of design documents1 ≤ t p 12 ≤ 3
p13Obtaining a construction permit0.66 ≤ t p 13 ≤ 2
Table 2. Boundary intervals of deviations from the standard duration of design work.
Table 2. Boundary intervals of deviations from the standard duration of design work.
Procedure CipherProceduresBoundary Intervals of Duration Deviations (Months)
p11Control (supervision) of the project documentation development by the design organization1–3
p14Control (supervision) of the development of detailed engineering documents0.25–2
Table 3. Weighting characteristics of the factors affecting the duration of procedures at the stages of pre-project preparation and design development for facilities to be constructed.
Table 3. Weighting characteristics of the factors affecting the duration of procedures at the stages of pre-project preparation and design development for facilities to be constructed.
Factor Cipher FactorGroup of Factors with a Denomination in the Mathematical ModelDenomination of the Factor in the Mathematical ModelFactor’s Weight
%
X1Disaccord of interaction between the project manager and other participants in the creation of the objectOrganizational management δoyδoy16.22
X2Failure to comply with the procedure for developing, coordinating and approving documentsδoy26.27
X3Incompetence of employees of the project managerδoy35.22
X4Obtaining the right of limited use of neighboring land plots (easements) for the period of constructionProcedural-executive δΠиδΠи44.65
X5Complaints from other participants of the auction, tender about potentially illegal actions of the seller considered by the Office of the Federal Antimonopoly Service (FAS) in the course of the auction (tender) on the selection of a land plotδΠи54.65
X6Obtaining additional input dataδΠи65.53
X7Increasing the time for the development of materials required for the approval of architectural and urban planning solutions/appearance (AGR/AGO)δΠи75.04
X8Correction of architectural and urban planning solutionsδΠи84.80
X9Increasing the time frame for obtaining technical conditions for connecting to the existing utility networks, factoring in the excessive requirements of energy supplying organizationsδΠи95.10
X10Provision of technical specifications (TS) issued on the basis of outdated/unspecified data on networksδΠи104.63
X11Extending the duration of the development of an engineering survey task by the project managerδΠи114.19
X12Complaints from other bidders about potentially unlawful actions of the project manager considered by the FAS during tenders (competitions) for selection of a surveying organizationδΠи123.46
X13Extending period of the preparation of reporting documents on engineering surveys by the contractorδΠи133.71
X14Correction of reporting documentation of engineering survey results in case of deficiencies during the state or non-state expertiseδΠи143.52
X15Making corrections to the set of documentation of the results of engineering surveys, identified when submitting an application for expert reviewδΠи153.54
X16Increasing the duration of the development of the design assignment by the project managerδΠи163.01
X17Complaints from other bidders about potentially unlawful actions of the project manager considered by the FAS during tenders (competitions) for selection of a design organizationδΠи173.60
X18Revision of project documentation (the collection of additional initial data) in the case of deficiencies (insufficient initial data) in the course of passing the state or non-state expertiseδΠи183.60
X19Making corrections to the set of project documentation identified in the application for expert reviewδΠи192.66
X20Incorrect execution of the design assignment by the project managerδΠи202.17
X21Late submission of project documentation by the project organization within the time frame set in the contractδΠи212.68
X22Untimely correction of documentsδΠи222.23
X23Transfer of documentation is not completeδΠи232.01
X24Refinement (elimination of technical errors) when loading documentation into the ISUPP (information system for urban planning provision)δΠи241.54
X25Incorrect estimate of contract pricesEconomic δэδэ251.05
X26Failure to fulfill contractual obligations by contractorsδэ261.46
X27Failure to conclude contracts in a timely mannerδэ271.06
X28Instability of fundingδэ281.57
X29Poor quality of design solutions (volume-planning, structural, organizational and technological)Design-engineering δΠδΠ291.54
Publisher’s Note: MDPI stays neutral with regard to jurisdictional claims in published maps and institutional affiliations.

Share and Cite

MDPI and ACS Style

Lapidus, A.; Topchiy, D.; Kuzmina, T.; Bolshakova, P. Modelling the Stages of Pre-Project Preparation and Design Development in the Life-Cycle of an Investment and Construction Project. Appl. Sci. 2022, 12, 12401. https://doi.org/10.3390/app122312401

AMA Style

Lapidus A, Topchiy D, Kuzmina T, Bolshakova P. Modelling the Stages of Pre-Project Preparation and Design Development in the Life-Cycle of an Investment and Construction Project. Applied Sciences. 2022; 12(23):12401. https://doi.org/10.3390/app122312401

Chicago/Turabian Style

Lapidus, Azariy, Dmitriy Topchiy, Tatyana Kuzmina, and Polina Bolshakova. 2022. "Modelling the Stages of Pre-Project Preparation and Design Development in the Life-Cycle of an Investment and Construction Project" Applied Sciences 12, no. 23: 12401. https://doi.org/10.3390/app122312401

APA Style

Lapidus, A., Topchiy, D., Kuzmina, T., & Bolshakova, P. (2022). Modelling the Stages of Pre-Project Preparation and Design Development in the Life-Cycle of an Investment and Construction Project. Applied Sciences, 12(23), 12401. https://doi.org/10.3390/app122312401

Note that from the first issue of 2016, this journal uses article numbers instead of page numbers. See further details here.

Article Metrics

Back to TopTop