Numerical Investigation of Asphalt Concrete Fracture Based on Heterogeneous Structure and Cohesive Zone Model
Abstract
1. Introduction
2. Objective
3. Development of CZM-Based FE Model
3.1. Modeling 2-D Virtual Specimen of Asphalt Concrete
- (1)
- Scan the real aggregate particles to obtain the 2-D geometries of aggregates in the format of a binary image. Then convert the binary images to closed polygons.
- (2)
- Generate random points inside the 2-D polygons and assign random spatial coordinates to these points. Every three points could form a triangle. A closed polyhedron that represents the 3-D virtual aggregate could be generated by a series of triangles in the format of a stereolithography (STL) file.
- (3)
- Import the 3-D virtual aggregates into PFC software. With the assistance of PFC software, the aggregates were placed into a cylinder space based on the prescribed material composition without overlapping with each other. By this step, the 3-D virtual specimen of asphalt concrete has been developed. In this paper, the generated 3-D virtual specimen is a cylinder with 150 mm in diameter and 150 mm in height.
- (4)
- A series of 2-D cross sections were extracted from the 3-D virtual specimen. The aggregate contours (polygons) in each cross section were converted into a Drawing Exchange Format (DXF) file. These DXF files were imported into ABAQUS software to develop 2-D finite element models.
3.2. Cohesive Zone Model
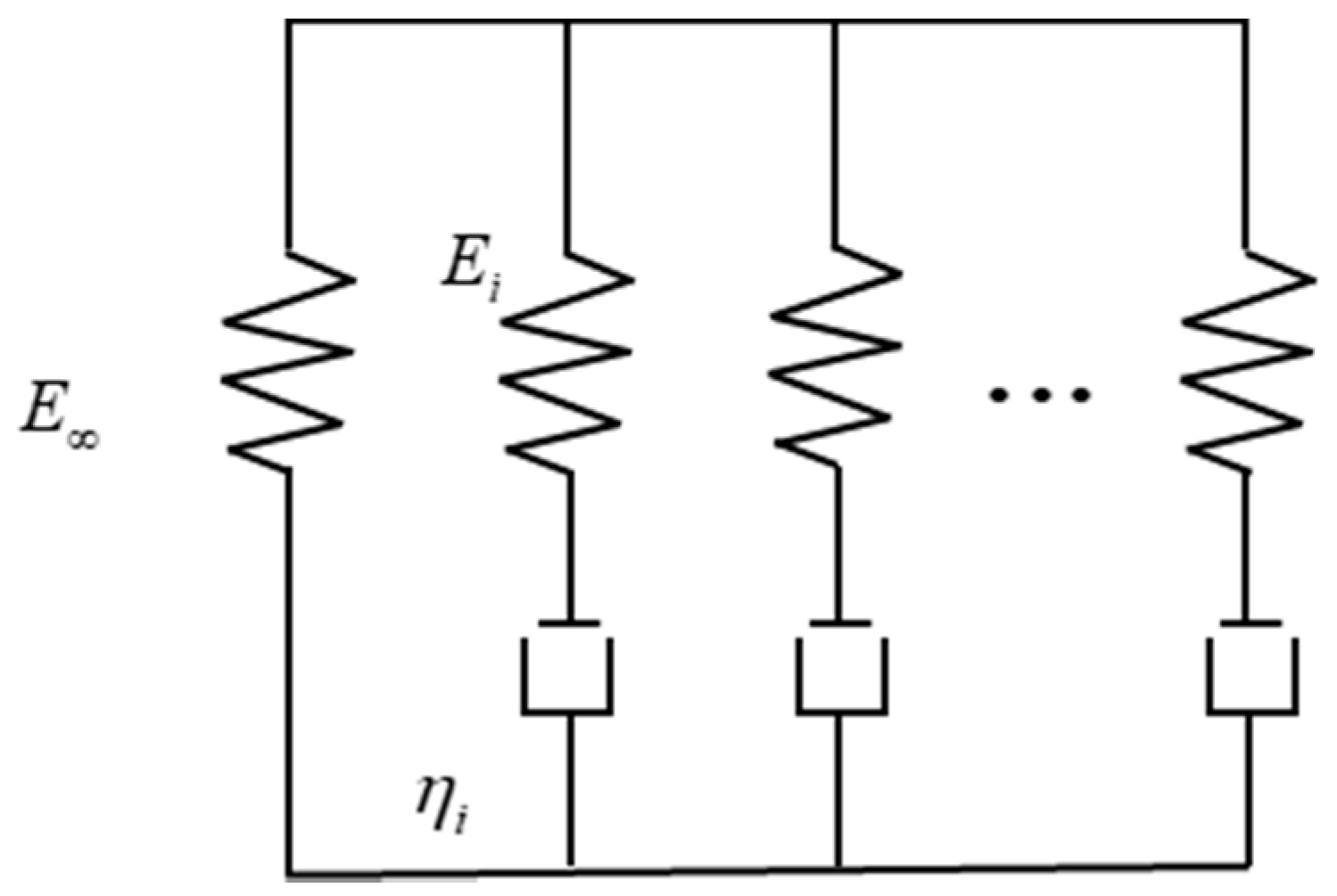
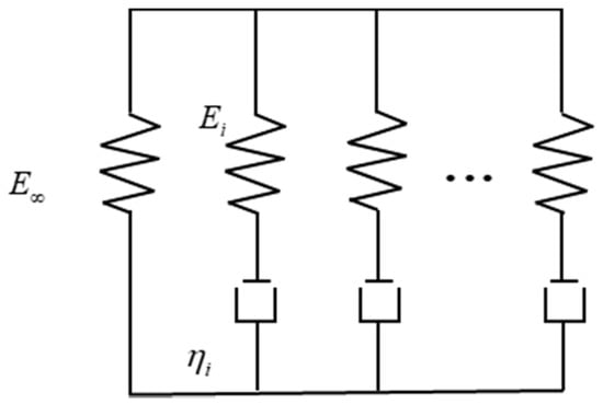
3.3. Definition of Materials
3.4. FE Model Paraments
4. Experiment and Model Validation
4.1. Experimental Setup
4.2. Model Validation
5. Fracture Analysis
5.1. Fracture Propagation Analysis
5.2. Effect of Temperature
5.3. Effect of Loading Rate
5.4. Effect of Aggregate Geometry
5.5. Effect of Adhesion Strength
5.6. Effect of Fracture Energy
5.7. Summary of Fracture Analysis
6. Conclusions
- (1)
- The damage of the specimens was divided into three stages according to the variation of crack length and load. At the peak load, the average damage of the adhesive elements was higher than that of the cohesive elements, indicating that the aggregate–asphalt interface is the weaker part.
- (2)
- At lower temperatures, asphalt concrete tends to crack earlier, and the cracking path tends to be marginally closer to the aggregates.
- (3)
- Since the stiffness of asphalt mortar is larger under a higher loading rate, the CZM elements in asphalt mortar cannot bear much more stress through deformation. Therefore, a higher loading rate may induce more, but minor, element damage.
- (4)
- Angular aggregates may induce stress concentration at the aggregate–asphalt interface and thus tend to induce a higher percentage of damaged elements, especially adhesive-damaged elements.
- (5)
- On average, each 10% increase in fracture energy allows the specimen to bear 2.31% more load and 2.82% more displacement. Sufficient fracture energy could improve the ability of asphalt concrete to resist fracture.
Author Contributions
Funding
Data Availability Statement
Conflicts of Interest
Nomenclature
| CZM | Cohesive zone model | δ | Separation displacement between interface |
| SCB | Semi-circular bending | δin | Separation displacement between interface at the initial damage point |
| XFEM | Extended finite element method | δfin | Separation displacement between interfaces when the cohesive element failed |
| FE | Finite element | σ | Cohesive strength |
| E∞ | Long-term equilibrium relaxation modulus | σmax | Cohesive strength at the initial damage point |
| Ei | Relaxation modulus of spring elements in the generalized Maxwell model | GI | Fracture energy |
| K | Initial stiffness | SDEG | Scalar stiffness degradation |
References
- Yang, Z.; Su, X.; Chen, J.; Liu, G. Monte Carlo simulation of complex cohesive fracture in random heterogeneous quasi-brittle materials. Int. J. Solids Struct. 2009, 46, 3222–3234. [Google Scholar] [CrossRef]
- Wang, Y.; Zhang, H.; Zhao, Q. Micro-structural analysis on stress displacement and crack evolution of porous asphalt mixture based on DEM. Mater. Res. Express 2021, 8, 065102. [Google Scholar] [CrossRef]
- Zhang, H.; Ding, H.; Rahman, A. Effect of Asphalt Mortar Viscoelasticity on Microstructural Fracture Behavior of Asphalt Mixture Based on Cohesive Zone Model. J. Mater. Civ. Eng. 2022, 34, 04022122. [Google Scholar] [CrossRef]
- Saed, S.A.; Karimi, H.R.; Rad, S.M.; Aliha, M.; Shi, X.; Haghighatpour, P.J. Full range I/II fracture behavior of asphalt mixtures containing RAP and rejuvenating agent using two different 3-point bend type configurations. Constr. Build. Mater. 2022, 314, 125590. [Google Scholar] [CrossRef]
- Lu, D.X.; Bui, H.H.; Saleh, M. Effects of specimen size and loading conditions on the fracture behaviour of asphalt concretes in the SCB test. Eng. Fract. Mech. 2021, 242, 107452. [Google Scholar] [CrossRef]
- Akhtari, M.R.P.E.; Kordani, A.A.; Zarei, M. Low-Temperature Fracture Toughness Study for Hot Mix Asphalt and Warm Mix Asphalt Under Pure Mode I and II Loading Condition. Int. J. Pavement Res. Technol. 2022, 15, 320–332. [Google Scholar] [CrossRef]
- Song, W.; Xu, Z.; Xu, F.; Wu, H.; Yin, J. Fracture investigation of asphalt mixtures containing reclaimed asphalt pavement using an equivalent energy approach. Eng. Fract. Mech. 2021, 253, 107892. [Google Scholar] [CrossRef]
- Daryaee, D.; Vamegh, M. Feasibility Study for Evaluating the Moisture Resistance of Asphalt Mixtures Containing RAP Using Pull-Off Test. J. Test. Eval. 2022, 50, 13. [Google Scholar] [CrossRef]
- Hou, Y.; Li, J.; Ji, X.; Zou, H.; Wang, C.; Fang, X. Moisture Damage of Asphalt Based on Adhesion, Microsurface Energy, and Nanosurface Roughness. J. Mater. Civ. Eng. 2022, 34, 04022249. [Google Scholar] [CrossRef]
- Guo, Q.; Li, G.; Gao, Y.; Wang, K.; Dong, Z.; Liu, F.; Zhu, H. Experimental investigation on bonding property of asphalt-aggregate interface under the actions of salt immersion and freeze-thaw cycles. Constr. Build. Mater. 2019, 206, 590–599. [Google Scholar] [CrossRef]
- Yee, T.S.; Hamzah, M.O.; Bergh, W.V.D. Evaluation of moisture susceptibility of asphalt-aggregate constituents subjected to direct tensile test using imaging technique. Constr. Build. Mater. 2019, 227, 116642. [Google Scholar] [CrossRef]
- Ning, Z.; Liu, Y.; Wang, W.; Dong, J.; Meng, X. Experimental Study on Effect of Temperature on Direct Tensile Behavior of Hydraulic Asphalt Concrete at Different Strain Rates. J. Mater. Civ. Eng. 2022, 34, 04022143. [Google Scholar] [CrossRef]
- EN12697-44:2010; Bituminous Mixtures—Test Methods for Hot Mix Asphalt. Part 44: Crack Propagation by Semi-Circular Bending Test. European Committee for Standardization: Brussels, Belgium, 2010.
- AASHTO TP 105-13; Standard Method of Test for Determining the Fracture Energy of Asphalt Mixtures Using the Semi-Circular Bend Geometry (SCB). American Association of State and Highway Transportation Officials: Washington, DC, USA, 2015.
- ASTM. D8044-16; Standard Test Method for Evaluation of Asphalt Mixture Cracking Resistance using the Semi-Circular Bend Test (SCB) at Intermediate Temperatures. ASTM International: West Conshohocken, PA, USA, 2016.
- AASHTO TP 124-18; Determining the Fracture Potential of Asphalt Mixtures Using the Flexibility Index Test (FIT). American Association of State and Highway Transportation Officials: Washington, DC, USA, 2018.
- AASHTO. T361-16; Determining Asphalt Binder Bond Strength by Means of the Binder Bond Strength (BBS) Test. American Association of State and Highway Transportation Officials: Washington, DC, USA, 2020.
- AASHTO. T369-17; Evaluation of the Low-Temperature Tensile Property of Hot-Poured Asphalt Crack Sealant by Direct Tension Test. American Association of State and Highway Transportation Officials: Washington, DC, USA, 2021.
- AASHTO. M320; Performance-Graded Asphalt Binder. American Association of State and Highway Transportation Officials: Washington, DC, USA, 2021.
- AASHTO. T314; Determining the Fracture Properties of Asphalt Binder in Direct Tension. American Association of State and Highway Transportation Officials: Washington, DC, USA, 2022.
- Wang, X.; Zhong, Y. Reflective crack in semi-rigid base asphalt pavement under temperature-traffic coupled dynamics using XFEM. Constr. Build. Mater. 2019, 214, 280–289. [Google Scholar] [CrossRef]
- Radeef, H.R.; Hassan, N.A.; Mahmud, M.Z.H.; Abidin, A.R.Z.; Jaya, R.P.; Ismail, C.R.; Abbas, H.F. Linear viscoelastic response of semi-circular asphalt sample based on digital image correlation and XFEM. Measurement 2022, 192, 110866. [Google Scholar] [CrossRef]
- Ban, H.; Im, S.; Kim, Y.-R. Mixed-mode fracture characterization of fine aggregate mixtures using semicircular bend fracture test and extended finite element modeling. Constr. Build. Mater. 2015, 101, 721–729. [Google Scholar] [CrossRef]
- Song, W.; Deng, Z.; Wu, H.; Zhan, Y. Extended finite element modeling of hot mix asphalt based on the semi-circular bending test. Constr. Build. Mater. 2022, 340, 127462. [Google Scholar] [CrossRef]
- Wang, H.; Wang, J.; Chen, J. Fracture simulation of asphalt concrete with randomly generated aggregate microstructure. Road Mater. Pavement Des. 2018, 19, 1674–1691. [Google Scholar] [CrossRef]
- Yin, A.; Yang, X.; Zeng, G.; Gao, H. Fracture simulation of pre-cracked heterogeneous asphalt mixture beam with movable three-point bending load. Constr. Build. Mater. 2014, 65, 232–242. [Google Scholar] [CrossRef]
- Azarhoosh, A.; Nejad, F.M.; Khodaii, A. The influence of cohesion and adhesion parameters on the fatigue life of hot mix asphalt. J. Adhes. 2017, 93, 1048–1067. [Google Scholar] [CrossRef]
- Ding, X.; Ma, T.; Gu, L.; Zhang, Y. Investigation of surface micro-crack growth behavior of asphalt mortar based on the designed innovative mesoscopic test. Mater. Des. 2020, 185, 108238. [Google Scholar] [CrossRef]
- Wang, H.; Wang, J.; Chen, J. Micromechanical analysis of asphalt mixture fracture with adhesive and cohesive failure. Eng. Fract. Mech. 2014, 132, 104–119. [Google Scholar] [CrossRef]
- Teng, G.; Zheng, C.; Chen, X.; Lan, X.; Zhu, Y.; Shan, C. Numerical fracture investigation of single-edge notched asphalt concrete beam based on random heterogeneous FEM model. Constr. Build. Mater. 2021, 304, 124581. [Google Scholar] [CrossRef]
- Chen, A.; Airey, G.D.; Thom, N.; Li, Y.; Wan, L. Simulation of micro-crack initiation and propagation under repeated load in asphalt concrete using zero-thickness cohesive elements. Constr. Build. Mater. 2022, 342, 127934. [Google Scholar] [CrossRef]
- Yin, A.; Yang, X.; Yang, Z. 2D and 3D Fracture Modeling of Asphalt Mixture with Randomly Distributed Aggregates and Embedded Cohesive Cracks. Procedia IUTAM 2013, 6, 114–122. [Google Scholar] [CrossRef]
- Kollmann, J.; Liu, P.; Lu, G.; Wang, D.; Oeser, M.; Leischner, S. Investigation of the microstructural fracture behaviour of asphalt mixtures using the finite element method. Constr. Build. Mater. 2019, 227, 117078. [Google Scholar] [CrossRef]
- Dong, Z.; Gong, X.; Zhao, L.; Zhang, L. Mesostructural damage simulation of asphalt mixture using microscopic interface contact models. Constr. Build. Mater. 2014, 53, 665–673. [Google Scholar] [CrossRef]
- Rami, K.Z.; Amelian, S.; Kim, Y.-R.; You, T.; Little, D.N. Modeling the 3D fracture-associated behavior of viscoelastic asphalt mixtures using 2D microstructures. Eng. Fract. Mech. 2017, 182, 86–99. [Google Scholar] [CrossRef]
- Yin, A.; Yang, X.; Zeng, G.; Gao, H. Experimental and numerical investigation of fracture behavior of asphalt mixture under direct shear loading. Constr. Build. Mater. 2015, 86, 21–32. [Google Scholar] [CrossRef]
- Li, F.; Yang, Y. Experimental investigation on the influence of interfacial effects of limestone and fly ash filler particles in asphalt binder on mastic aging behaviors. Constr. Build. Mater. 2021, 290, 123184. [Google Scholar] [CrossRef]
- Xing, B.; Du, Y.; Fang, C.; Sun, H.; Lyu, Y.; Fan, W. Particle morphology of mineral filler and its effects on the asphalt binder-filler interfacial interaction. Constr. Build. Mater. 2022, 321, 126292. [Google Scholar] [CrossRef]
- Castillo, D.; Caro, S.; Darabi, M.; Masad, E. Influence of aggregate morphology on the mechanical performance of asphalt mixtures. Road Mater. Pavement Des. 2017, 19, 972–991. [Google Scholar] [CrossRef]
- Chen, J.; Wang, H.; Dan, H.; Xie, Y. Random Modeling of Three-Dimensional Heterogeneous Microstructure of Asphalt Concrete for Mechanical Analysis. J. Eng. Mech. 2018, 144, 04018083. [Google Scholar] [CrossRef]
- Zhao, Y.; Jiang, L.; Jiang, J.; Ni, F. Accuracy Improvement for Two-Dimensional Finite-Element Modeling while Considering Asphalt Mixture Meso-Structure Characteristics in Indirect Tensile Test Simulation. J. Mater. Civ. Eng. 2020, 32, 04020275. [Google Scholar] [CrossRef]
- Sun, Y.; Du, C.; Gong, H.; Li, Y.; Chen, J. Effect of temperature field on damage initiation in asphalt pavement: A microstructure-based multiscale finite element method. Mech. Mater. 2020, 144, 103367. [Google Scholar] [CrossRef]
- Zhao, Y.; Jiang, J.; Zhou, L.; Ni, F. Improving the calculation accuracy of FEM for asphalt mixtures in simulation of SCB test considering the mesostructure characteristics. Int. J. Pavement Eng. 2022, 23, 80–94. [Google Scholar] [CrossRef]
- Liang, S.; Liao, M.; Tu, C.; Luo, R. Fabricating and determining representative volume elements of two-dimensional random aggregate numerical model for asphalt concrete without damage. Constr. Build. Mater. 2022, 357, 129339. [Google Scholar] [CrossRef]
- Kim, Y.-R.; Haft-Javaherian, M.; Castro, L.S. Two-Dimensional Virtual Microstructure Generation of Particle-Reinforced Composites. J. Comput. Civ. Eng. 2016, 30, 04014112. [Google Scholar] [CrossRef]
- Liang, S.; Luo, R. Fabrication and numerical verification of two-dimensional random aggregate virtual specimens for asphalt mixture. Constr. Build. Mater. 2021, 279, 122455. [Google Scholar] [CrossRef]
- Chen, J.; Zhang, L.; Du, Y.; Wang, H.; Dan, H. Three-dimensional microstructure based model for evaluating the coefficient of thermal expansion and contraction of asphalt concrete. Constr. Build. Mater. 2021, 284, 122764. [Google Scholar] [CrossRef]
- Wang, X.; Ren, J.; Gu, X.; Li, N.; Tian, Z.; Chen, H. Investigation of the adhesive and cohesive properties of asphalt, mastic, and mortar in porous asphalt mixtures. Constr. Build. Mater. 2021, 276, 122255. [Google Scholar] [CrossRef]
- Kim, H.; Buttlar, W.G. Finite element cohesive fracture modeling of airport pavements at low temperatures. Cold Reg. Sci. Technol. 2009, 57, 123–130. [Google Scholar] [CrossRef]
- Trawiński, W.; Bobiński, J.; Tejchman, J. Two-dimensional simulations of concrete fracture at aggregate level with cohesive elements based on X-ray μCT images. Eng. Fract. Mech. 2016, 168, 204–226. [Google Scholar] [CrossRef]
- Xiong, X.Y.; Xiao, Q.S. A unified meso-scale simulation method for concrete under both tension and compression based on Co-hesive Zone Model. J. Hydraul. Eng. 2019, 50, 448–462. (In Chinese) [Google Scholar] [CrossRef]

















| Method | Semi-Circular Bending | Pull-Off Tests | Direct Tensile Tests |
|---|---|---|---|
| Parameters | Fracture energy Fracture toughness Critical strain energy J-integra | Pull-off tensile strength Burst pressure Contact area of gasket with reaction plate Area of pull-off stub | Tensile strength Tensile stress Strain energy density Effective gauge length |
| Limitation | Only macro parameters can be explored | Complex experiments and demanding experimental setup | High requirements for experimental setup and operation |
| Specifications | [13,14,15,16] | [17] | [18,19,20] |
| Sieve Size (mm) | 16.0 | 13.2 | 9.5 | 4.75 | 2.36 | 1.18 | 0.6 | 0.3 | 0.15 | 0.07 |
|---|---|---|---|---|---|---|---|---|---|---|
| Passing percentage (%) | 100 | 96.0 | 82.1 | 52.2 | 30.9 | 23.0 | 16.9 | 11.0 | 8.4 | 6.8 |
| Temperature (°C) | g1 | τ1 | g2 | τ2 |
|---|---|---|---|---|
| −10 | 0.08586 | 5.1058 | 0.84331 | 74.371 |
| 0 | 0.11909 | 4.53336 | 0.86705 | 54.604 |
Publisher’s Note: MDPI stays neutral with regard to jurisdictional claims in published maps and institutional affiliations. |
© 2022 by the authors. Licensee MDPI, Basel, Switzerland. This article is an open access article distributed under the terms and conditions of the Creative Commons Attribution (CC BY) license (https://creativecommons.org/licenses/by/4.0/).
Share and Cite
Chen, J.; Ouyang, X.; Sun, X. Numerical Investigation of Asphalt Concrete Fracture Based on Heterogeneous Structure and Cohesive Zone Model. Appl. Sci. 2022, 12, 11150. https://doi.org/10.3390/app122111150
Chen J, Ouyang X, Sun X. Numerical Investigation of Asphalt Concrete Fracture Based on Heterogeneous Structure and Cohesive Zone Model. Applied Sciences. 2022; 12(21):11150. https://doi.org/10.3390/app122111150
Chicago/Turabian StyleChen, Jiaqi, Xu Ouyang, and Xiao Sun. 2022. "Numerical Investigation of Asphalt Concrete Fracture Based on Heterogeneous Structure and Cohesive Zone Model" Applied Sciences 12, no. 21: 11150. https://doi.org/10.3390/app122111150
APA StyleChen, J., Ouyang, X., & Sun, X. (2022). Numerical Investigation of Asphalt Concrete Fracture Based on Heterogeneous Structure and Cohesive Zone Model. Applied Sciences, 12(21), 11150. https://doi.org/10.3390/app122111150
