Research on a Novel Nanosecond Marx Generator and Its Efficiency Analysis
Abstract
:1. Introduction
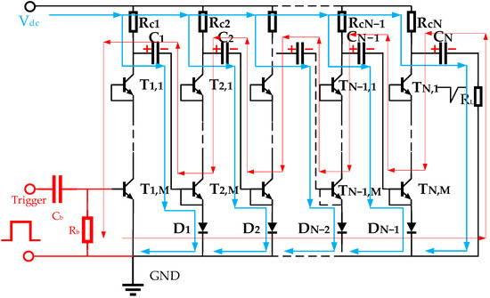
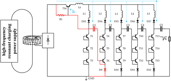
2. The Proposed Nanosecond Pulse Generator
2.1. The Series-Resonant Charging Power Supply
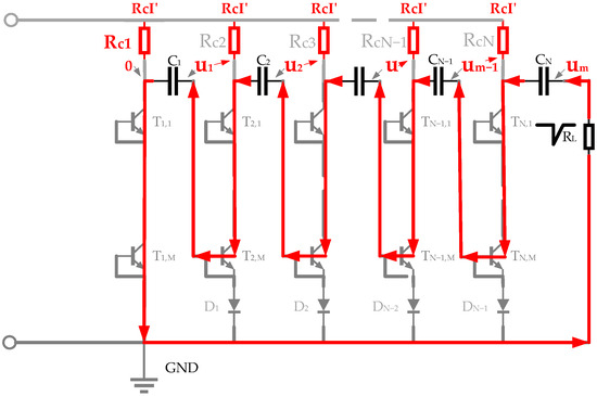
2.2. The 3 × 5 Stage Marx Generator Based on Avalanche BJTs
3. Energy Efficiency Analysis of the Proposed Nanosecond Marx Generator
3.1. Charging Loss
3.2. Discharging Loss
3.3. Efficiency Analysis
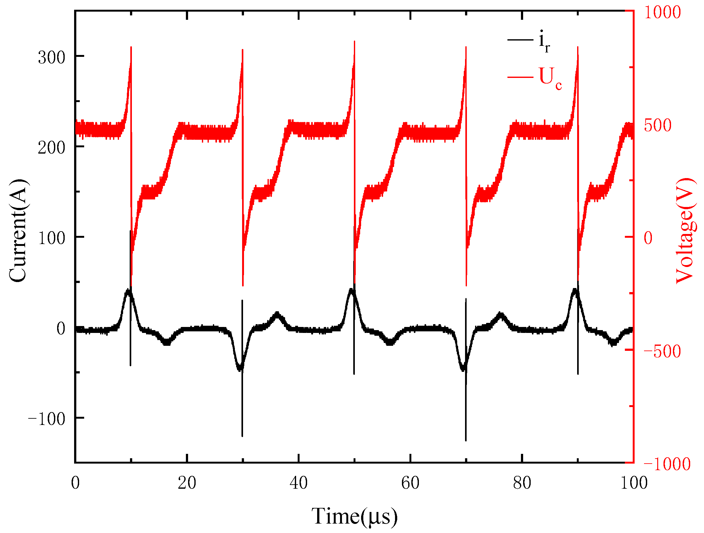
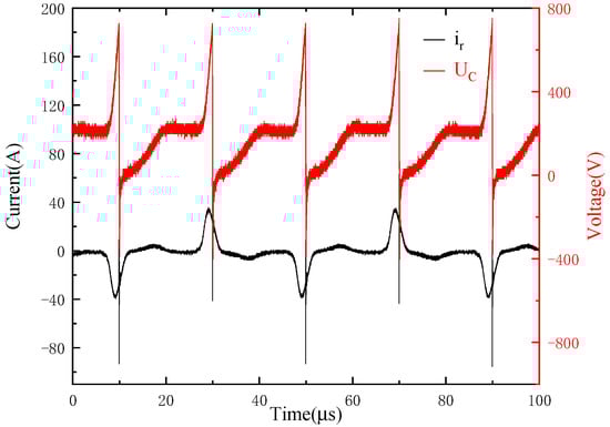
4. Experiments
5. Discussion
6. Conclusions
Author Contributions
Funding
Conflicts of Interest
References
- Krishnaswamy, P.; Kuthi, A.; Vernier, P.T.; Gundersen, M.A. Compact Subnanosecond Pulse Generator Using Avalanche Transistors for Cell Electroperturbation Studies. IEEE Trans. Dielectr. Electr. Insul. 2007, 14, 873–877. [Google Scholar] [CrossRef]
- Bishop, A.I.; Barker, P.F. Subnanosecond pockels cell switching using avalanche transistors. Rev. Sci. Instrum. 2006, 77, 3066. [Google Scholar] [CrossRef]
- Jiang, Z.; Zhang, S.; Liao, X.; Wang, W.; Liu, D.; Ding, T. Progress in the application of non-thermal plasma in degradation and modification of biopolymers. Food Sci. 2017, 38, 282–288. [Google Scholar]
- Gao, M.X.; Xie, Y.-Z.; Li, K.-J.; Qiu, Y.-X.; Wang, S.-F.; Wang, S.-Q.; Hu, Y.-H.; Du, Z.-W. Traveling-Wave Marx Circuit for Generating Repetitive Sub-Nanosecond Pulses. IEEE Trans. Electromagn. Compat. 2019, 61, 1271–1279. [Google Scholar] [CrossRef]
- Shen, S.; Yan, J.; Wang, Y.; Sun, G.; Ding, W. Further Investigations on a Modified Avalanche Transistor-Based Marx Bank Circuit. IEEE Trans. Instrum. Meas. 2020, 69, 8506–8513. [Google Scholar] [CrossRef]
- Li, Z.; Li, P.; Rao, J.; Jiang, S.; Sakugawa, T. Theoretical Analysis and Improvement on Pulse Generator Using BJTs as Switches. IEEE Trans. Plasma Sci. 2016, 44, 2053–2059. [Google Scholar] [CrossRef]
- He, R.; Li, Y.; Liu, Z.; Jin, J.; Sun, Z. Development of a High Peak Voltage Picoseconds Avalanche BJT Based Marx Bank Circuit. IEEE Access 2021, 9, 64844–64851. [Google Scholar] [CrossRef]
- Rao, J.; Pi, T.; Zi, L.; Song, J. Design on High-frequency Nanosecond Pulse Power Source with Truncated Switches. High Volt. Eng. 2017, 43, 1800–1807. [Google Scholar]
- Rao, J.; Zhang, W.; Jiang, S.; Li, Z. Nanosecond pulse generator based on cascaded avalanche BJTs and Marx circuits. IEEE Trans. Dielectr. Electr. Insul. 2019, 26, 374–380. [Google Scholar] [CrossRef]
- Yan, J.; Shen, S.; Ding, W. High-Power Nanosecond Pulse Generators with Improved Reliability by Adopting Auxiliary Triggering Topology. IEEE Trans. Power Electron. 2020, 35, 1353–1364. [Google Scholar] [CrossRef]
- Lippincott, A.C.; Nelms, R.M. A capacitor-charging power supply using a series-resonant topology, constant on-time/variable frequency control, and zero-current switching. IEEE Trans. Ind. Electron. 1991, 38, 438–447. [Google Scholar] [CrossRef]
- Nelms, R.M.; Schatz, J.E. A capacitor charging power supply utilizing a Ward converter. IEEE Trans. Ind. Electron. 1992, 39, 421–428. [Google Scholar] [CrossRef]
- Su, J.; Wang, L.; Ding, Y.; Song, X. Analysis and design of series resonant charging power supply. High Power Laser Part. Beams 2004, 16, 1611–1614. [Google Scholar]
- Zhong, H.; Xu, Z.; Zou, X.; Zou, Y.; Yang, L.; Chao, Z. Current characteristic of high voltage capacitor charging power supply using a series resonant topology. In Proceedings of the IECON’03 29th Annual Conference of the IEEE Industrial Electronics Society (IEEE Cat. No.03CH37468), Roanoke, VA, USA, 2–6 November 2003; pp. 373–377. [Google Scholar]
- Lin, L.; Zhong, H.; Deng, Y.; Gao, L.; Luo, X.; Li, A.; Liao, Y. Analysis and design of voltage maintaining method for series resonant capacitor charging power supply. In Proceedings of the 2014 IEEE Applied Power Electronics Conference and Exposition–APEC 2014, Worth, TX, USA, 16–20 March 2014; pp. 3249–3254. [Google Scholar]
- Li, P. Research on Pulsed Power Generator Using Avalanche BJTs as Switches. Master’s Thesis, The University of Shanghai For Science & Technology, Shanghai, China, 2016. [Google Scholar]
- Zhang, H. Electromagnetic Radiation and Suppression Based on Marx Circuit of Avalanche BJT. Master’s Thesis, University of Electronic Science and Technology of China, Chengdu, China, 2020. [Google Scholar]
- Zhang, M. Development of Sub-nanosecond Pulse Source Based on Marx Circuit. Master’s Thesis, University of Electronic Science and Technology of China, Chengdu, China, 2020. [Google Scholar]
- Cheng, L.; Chen, Z.; Wang, H.; Guo, F.; Wu, G.; Xie, L.; Xiao, J.; Wang, Y.; Shen, S.; Ding, W. A Novel Avalanche Transistor-Based Nanosecond Pulse Generator with a Wide Working Range and High Reliability. IEEE Trans. Instrum. Meas. 2021, 70, 1–14. [Google Scholar] [CrossRef]
- Yan, J.; Shen, S.; Wang, Y.; Zhang, S.; Cheng, L.; Ding, W. A novel trigger for pseudospark switch with high repetition rate, low jitter, and compact structure. Rev. Sci. Instrum. 2018, 89, 065102. [Google Scholar] [CrossRef] [PubMed]
- Heeren, T.; Ueno, T.; Wang, D.; Namihira, T.; Katsuki, S.; Akiyama, H. Novel dual Marx Generator for microplasma applications. IEEE Trans. Plasma Sci. 2005, 33, 1205–1209. [Google Scholar] [CrossRef]














| Reference [6] | Reference [8] | Circuit I | Circuit II | |
|---|---|---|---|---|
| η/% | 21.55 | 26.67 | 76.42 | 94.24 |
| ηc/% | 52.38 | 61.52 | 66.94 | 83.60 |
| Reference [10] | Reference [19] | Reference [20] | Reference [21] | Circuit I | Circuit II | |
|---|---|---|---|---|---|---|
| Amplitude/kV | 4.0 | 6.5 | 4.0 | 3.9 | 2.9 | 4.0 |
| Front edge time/ns | 6 | 3.65 | 0.24 | 0.3 | 7.7 | 5.7 |
| Pulse width/ns | 20 | / | 5.2 | 1.8 | 12.68 | 8.45 |
| Repetition frequency/kHz | 2 | 1 | 0.01 | 30 | 10~60 | 10~60 |
| Number of transistors | 36 | 60 | 24 | 80 | 15 | 16 |
| Load/Ω | 50 | 75 | 50 | 50 | 50 | 50 |
| Voltage efficiency/% | 37 | 56.5 | 55.6 | 16.3 | 77.33 | 94.12 |
Publisher’s Note: MDPI stays neutral with regard to jurisdictional claims in published maps and institutional affiliations. |
© 2022 by the authors. Licensee MDPI, Basel, Switzerland. This article is an open access article distributed under the terms and conditions of the Creative Commons Attribution (CC BY) license (https://creativecommons.org/licenses/by/4.0/).
Share and Cite
Li, Z.; Chai, Y.; Jiang, S.; Rao, J. Research on a Novel Nanosecond Marx Generator and Its Efficiency Analysis. Appl. Sci. 2022, 12, 9800. https://doi.org/10.3390/app12199800
Li Z, Chai Y, Jiang S, Rao J. Research on a Novel Nanosecond Marx Generator and Its Efficiency Analysis. Applied Sciences. 2022; 12(19):9800. https://doi.org/10.3390/app12199800
Chicago/Turabian StyleLi, Zi, Yuan Chai, Song Jiang, and Junfeng Rao. 2022. "Research on a Novel Nanosecond Marx Generator and Its Efficiency Analysis" Applied Sciences 12, no. 19: 9800. https://doi.org/10.3390/app12199800
APA StyleLi, Z., Chai, Y., Jiang, S., & Rao, J. (2022). Research on a Novel Nanosecond Marx Generator and Its Efficiency Analysis. Applied Sciences, 12(19), 9800. https://doi.org/10.3390/app12199800

