Location of Multiple Types of Faults in Active Distribution Networks Considering Synchronization of Power Supply Area Data
Abstract
1. Introduction
- The algorithm used in this paper is relatively simple to use. Additionally, the algorithm has a higher fault location accuracy in high-permeability distribution networks;
- The algorithm has a high utilization rate of measurement data, reduces the number of intelligent terminals, and has higher economic efficiency;
- The algorithm can discriminate different types of fault categories with high accuracy.
2. Observation Analysis of Distribution Network Fault States Based on Multi-Type Intelligent Terminals
2.1. Intelligent Terminal Measurement Time Synchronization
2.2. Failure State Observability
3. Three-Phase Unbalanced Distribution Network Fault Location Algorithm
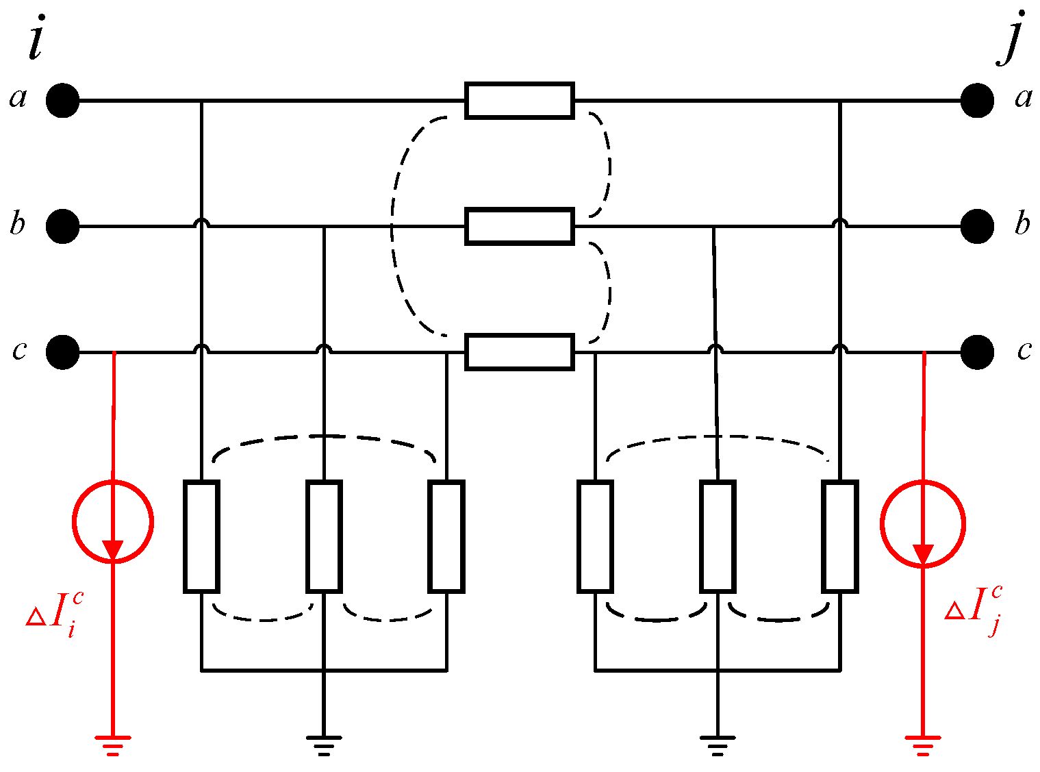
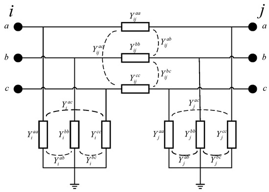
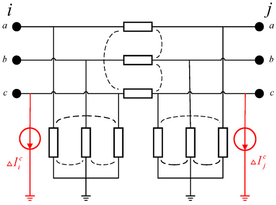
3.1. Distribution Network Model in Normal and Faulty Operating States
3.2. Fault Location Algorithm
- (1)
- Fault location start criterion
- (2)
- Fault location and fault phase identification criteria
- (1)
- The coefficient matrix of the state equation is determined according to the distribution network structure, line parameters, and the configuration of the intelligent terminal.
- (2)
- Using the fault detection algorithm to determine the moment of fault occurrence;
- (3)
- The fault injection current is then calculated using the voltage measurement values before and after the fault occurs;
- (4)
- Use the least squares method to calculate the residual error of the virtual fault state equation. Then, identify faulty segments based on residual size;
- (5)
- Determine the fault type according to the three-phase voltage change of the fault section.
4. Case Study
4.1. The Improved IEEE-37 Node Distribution Network
- (1)
- Introduction to the distribution network
- (2)
- Analysis of time synchronization of intelligent terminal measurement
- (3)
- Analysis of fault propagation characteristics in distribution power supply area
4.2. The Improved IEEE-123 Node Distribution Network
- (1)
- Introduction to the large-scale distribution network
- (2)
- Comparisons and analysis
4.3. Results
- (1)
- Results of the proposed method applied to IEEE-37 nodes
- (2)
- Results of the proposed method applied to IEEE-123 nodes
5. Conclusions
- (1)
- This paper analyzes the observability of faults in the distribution network. Intelligent terminals are installed at key nodes and low-voltage side nodes of transformers to measure the voltage drop value before and after the fault occurs. Additionally, the algorithm performs time synchronization processing on the measured data to provide data support for fault section location.
- (2)
- The linear least squares method is used to quickly solve the virtual fault state equation, which has high accuracy for various short-circuit fault types and fault impedances.
- (3)
- The proposed algorithm directly solves the voltage value of DG as the fault state quantity, which can remove the uncertainty of the power flow direction caused by the grid connection of DG, and has high applicability in the active distribution network with DG.
- (4)
- According to the application of the proposed method in IEEE-37 nodes and IEEE-8500 nodes, this method can complete the fast and accurate location of faults. At the same time, the algorithm is also very accurate in identifying fault types. In the case of high distributed power access, the accuracy of this algorithm will not be significantly affected.
- (5)
- The fault location method based on this algorithm also occasionally makes location errors. The general positioning failure is related to the special situation of the line model, such as the line length being too short and the node having no load. However, the wrong location is still close to the actual fault line.
Author Contributions
Funding
Institutional Review Board Statement
Informed Consent Statement
Data Availability Statement
Acknowledgments
Conflicts of Interest
References
- Mirshekali, H.; Dashti, R.; Handrup, K.; Shaker, H. Real Fault Location in a Distribution Network Using Smart Feeder Meter Data. Energies 2021, 14, 3242. [Google Scholar] [CrossRef]
- Xu, J.; Wu, Z.; Yu, X.; Zhu, Z. Robust faulted line identification in power distribution networks via hybrid state estimator. IEEE Trans. Ind. Inform. 2019, 15, 5365–5377. [Google Scholar] [CrossRef]
- Chiradeja, P.; Pothisarn, C.; Phannil, N.; Ananwattananporn, S.; Leelajindakrairerk, M.; Ngaopitakkul, A.; Thongsuk, S.; Pornpojratanakul, V.; Bunjongjit, S.; Yoomak, S. Application of Probabilistic Neural Networks Using High-Frequency Components’ Differential Current for Transformer Protection Schemes to Discriminate between External Faults and Internal Winding Faults in Power Transformers. Appl. Sci. 2021, 11, 10619. [Google Scholar] [CrossRef]
- Xu, J.; Wu, Z.; Yu, X.; Cheng, S.; Hu, Q.; Wu, Q. A dynamic robust restoration framework for unbalanced power distribution networks. IEEE Trans. Ind. Inform. 2020, 16, 6301–6312. [Google Scholar] [CrossRef]
- Tazky, M.; Regula, M.; Otcenasova, A. Impact of Changes in a Distribution Network Nature on the Capacitive Reactive Power Flow into the Transmission Network in Slovakia. Energies 2021, 14, 5321. [Google Scholar] [CrossRef]
- Chen, X.; Zhang, Z.; Wang, X.; Peng, L.; Wen, W.; Liang, W.; Lin, S. A distributionally robust optimal allocation method for distributed photovoltaic generation stations integrated into a distribution network. Power Syst. Prot. Control 2021, 49, 30–42. [Google Scholar]
- Ge, L.; Li, Y.; Chen, Y.; Cui, Q.; Ma, C. Key technologies of situation awareness and implementation effectiveness evaluation in smart distribution network. High Volt. Eng. 2021, 47, 2269–2280. [Google Scholar]
- Liu, J.; Dong, L.; Xue, C.; Xue, Y.; Li, J.; Chen, Y. Fault location of a small current grounding fault based on distribution characteristics of zero sequence voltage. Power Syst. Prot. Control 2022, 50, 59–67. [Google Scholar]
- Li, Z.; Wan, J.; Wang, P.; Weng, H.; Li, Z. A novel fault section locating method based on distance matching degree in distribution network. Prot. Control Mod. Power Syst. 2021, 6, 253–263. [Google Scholar] [CrossRef]
- Kang, Z.; Tian, A.; Feng, Y.; Li, W. Fault Section Locating Method Based on Zero Sequence Impedance Model Fault Feature in Distribution Network with Distributed Generators. Trans. China Electr. Technol. 2016, 31, 214–221. [Google Scholar]
- Dai, Z.; Wang, X. Impedance Method Based Fault Location Algorithm for Active Distribution System. Power Syst. Technol. 2017, 41, 2027–2034. [Google Scholar]
- Yang, F.; Liu, X.; Shen, Y.; Xue, Y.; Zhou, Z.; Xu, B. High Resistance Ground Fault Protection of Low Resistance Grounding System Based on Zero Sequence Current Projection Coefficient. Power Syst. Technol. 2020, 44, 1128–1133. [Google Scholar]
- Hossein, E.; Amin, E.; Teimourzadeh, S. An ENS-Oriented Voltage Protection Scheme for Inverter-Based Generators in Active Distribution Networks. IEEE Transction Smart Grid 2022, 13, 2639–2649. [Google Scholar]
- Lopes, F. Settings-free traveling-wave-based earth fault location using unsynchronized two-terminal data. IEEE Trans. Power Deliv. 2016, 31, 2296–2298. [Google Scholar] [CrossRef]
- Fan, X.; Zhu, Y. A Novel Fault Location Scheme for Multi-Terminal Transmission Lines Based on Principle of Double-Ended Traveling Wave. Power Syst. Technol. 2013, 37, 261–269. [Google Scholar]
- Deng, F.; Li, X.; Zeng, X.; Li, Z.; Guo, J.; Tang, X. A Novel Multi-terminal Fault Location Method Based on Traveling Wave Time Difference for Radial Distribution Systems With Distributed Generators. Proc. CSEE 2018, 38, 4399–4409+4640. [Google Scholar]
- Wang, P.; Xu, B.; Chen, H.; Li, F.; Wang, W.; Zhao, Y.; Sun, Z. Automatic calculation method for off-line fault location of overhead distribution line based on waveform comparison. Electr. Power Autom. Equip. 2021, 41, 73–97. [Google Scholar]
- Lu, F.; Niu, R.; Zhang, Z.; Guo, L.; Chen, J. A Generative Adversarial Network-Based Fault Detection Approach for Photovoltaic Panel. Appl. Sci. 2022, 12, 1789. [Google Scholar] [CrossRef]
- Jiang, Y. Data-driven fault location of electric power distribution systems with distributed generation. IEEE Trans. Smart Grid 2019, 11, 129–137. [Google Scholar] [CrossRef]
- Li, Z.; Wang, Z.; Zhang, Y.; Qiao, X. Fault section location method for active distribution network based on linear programming with ascending dimension. Autom. Electr. Power Syst. 2021, 45, 122–132. [Google Scholar]
- Rui, Z.; Li, X.; Chen, S.; Chen, Y. Multi-objective layout optimization model of distribution automation equipment based on the EPSILON constraint method. Power Syst. Prot. Control 2021, 49, 51–58. [Google Scholar]
- Pang, Q.; Ye, L.; Gao, H.; Li, X.; Wang, Y.; Cao, T. Multi-timescale-based fault section location in distribution networks. IEEE Access 2021, 9, 148698–148709. [Google Scholar] [CrossRef]
- Wang, H.; Ge, L.; Li, H.; Chi, F. A review on characteristic analysis and prediction method of distributed PV. Electr. Power Constr. 2017, 38, 1–9. [Google Scholar]
- Wang, C.; Yun, Z.; Zhang, H.; Shi, F.; Li, M.; Xie, P. Parameter-free fault location algorithm for multi-terminal overhead transmission line of distribution network based on μPMU. Power Syst. Technol. 2019, 43, 3202–3211. [Google Scholar]
- Zhang, J.; Gao, Z.; Wang, Z.; Sun, X.; Zhang, S.; Li, W.; Wei, Z. Fault location method for active distribution based on finite μPMU. Power Syst. Technol. 2020, 44, 2722–2731. [Google Scholar]
- Bayati, N.; Mortensen, L.K.; Savaghebi, M.; Shaker, H. A Localized Transient-Based Fault Location Scheme for Distribution Systems. Sensors 2022, 22, 2723. [Google Scholar] [CrossRef] [PubMed]
- Babu, R.; Raj, S.; Bhattacharyya, B. Weak bus-constrained PMU placement for complete observability of a connected power network considering voltage stability indices. Prot. Control Mod. Power Syst. 2020, 5, 1–14. [Google Scholar] [CrossRef]
- Appasani, B.; Jha, A.V.; Mishra, S.K.; Ghazali, A.N. Communication infrastructure for situational awareness enhancement in WAMS with optimal PMU placement. Prot. Control Mod. Power Syst. 2021, 6, 9. [Google Scholar] [CrossRef]
- Xiao, X.; Tao, S. Voltage sags types under different grounding modes of neutral and their propagation: Part I. Trans. China Electrotech. Soc. 2007, 09, 143–147+153. [Google Scholar]
- Fan, X.; Zhu, Y.; Lu, W. Fault location scheme for transmission lines using distributed current measurements and their phases comparison. High Volt. Eng. 2012, 38, 1341–1347. [Google Scholar]
- Usman, M.U.; Faruque, M. Validation of a PMU-based fault location identification method for smart distribution network with photovoltaics using real-time data. IET Gener. Transm. Distrib. 2018, 12, 5824–5833. [Google Scholar] [CrossRef]












| MV Side Fault Type | MV Side Voltage Characteristics | Whether LV Side Has Same Fault Characteristics as MV Side |
|---|---|---|
| Single-phase-to-ground | The voltage of fault phase is lowered and that of the non-fault phase is raised | No |
| Two-phase-short-circuit | The voltage of fault phase is lowered and that of the non-fault phase is raised | No |
| Three-phase-short-circuit | The voltages of all the phases are raised | Yes |
| Node No. | Complex Power/kV·A | ||
|---|---|---|---|
| A-Phase | B-Phase | C-Phase | |
| 13 | 0 | 140 + 70 j | 21 + 10 j |
| 36 | 0 | 0 | 42 + 21 j |
| FTU Sampling Time | Correlation Degree of Measurement Data of μPMU (ρFP) | |||||
|---|---|---|---|---|---|---|
| t = 0.02 s | t = 0.04 s | t = 0.06 s | t = 0.08 s | t = 0.1 s | t = 0.12 s | |
| 24 | 0.84 | 0.48 | 0.62 | 0.74 | 0.98 | 0.54 |
| 25.2 | 0.38 | 0.15 | 0.67 | 0.57 | 0.72 | 0.60 |
| 26.4 | 0.85 | 0.25 | 0.81 | 0.64 | 0.89 | 0.72 |
| 27.6 | 0.58 | 0.19 | 0.41 | 0.74 | 0.81 | 0.80 |
| 28.8 | 0.90 | 0.51 | 0.35 | 0.57 | 0.93 | 0.35 |
| Fault Line/Node | Pt | |||||||||
|---|---|---|---|---|---|---|---|---|---|---|
| Single-Phase-to-Ground Short Circuit | Interphase Short Circuit | Three-Phase Short Circuit | ||||||||
| 0 Ω | 100 Ω | 500 Ω | 0 Ω | 100 Ω | 1000 Ω | 0 Ω | 100 Ω | 1000 Ω | ||
| Fault Line | 11–15 | 100% | 100% | 100% | 100% | 100% | 100% | 100% | 100% | 100% |
| 17–22 | 100% | 100% | (725) | 100% | 100% | 100% | 100% | 100% | 100% | |
| 32–33 | 100% | 100% | 98% | 100% | 100% | 100% | 100% | 100% | 100% | |
| 34–35 | 100% | 100% | 100% | 100% | 100% | 100% | 100% | 100% | 100% | |
| Fault Node | Node 13 | 100% | 100% | 100% | 100% | 100% | 100% | 100% | 100% | 100% |
| Node 36 | 100% | 100% | 92% | 100% | 100% | 100% | 100% | 100% | 100% | |
| Fault Node | η | |||
|---|---|---|---|---|
| DG Permeability 25% | DG Permeability 100% | |||
| 300 Ω | 500 Ω | 300 Ω | 500 Ω | |
| Node (4, 5) | 100% | 100% | 100% | 100% |
| Node (7,8) | 100% | 100% | 100% | 100% |
| Node (11, 15) | 100% | 100% | 100% | 100% |
| Node (12, 13) | 100% | 100% | 100% | 100% |
| Node (17, 22) | 73% | 77% | 70% | 68% |
| Node (23, 25) | 100% | 100% | 100% | 100% |
| Node (29, 30) | 73% | 75% | 77% | 72% |
| Node (34, 35) | 100% | 100% | 100% | 100% |
| DG No. | Deploy Node | Deploy Phase | P/kW |
|---|---|---|---|
| DG1 | 3 | C | 10 |
| DG2 | 20 | A | 15 |
| DG3 | 38 | B | 5 |
| DG4 | 114 | A | 10 |
| DG5 | 88 | A | 10 |
| DG6 | 75 | C | 10 |
| DG7 | 85 | C | 10 |
| Fault Line | Pt | ||||||||||
|---|---|---|---|---|---|---|---|---|---|---|---|
| Single-Phase-to-Ground Short Circuit | Interphase Short Circuit | Three-Phase Short Circuit | |||||||||
| 0 Ω | 100 Ω | 500 Ω | 0 Ω | 100 Ω | 1 kΩ | 0 Ω | 100 Ω | 1 kΩ | |||
| Fault Line | 8–9 | A | 100% | 100% | 100% | 100% | 100% | 100% | 100% | 100% | 100% |
| B | 100% | 100% | 99% | 100% | 100% | 100% | 100% | 100% | 100% | ||
| 67–72 | A | 100% | 100% | 98% | 100% | 100% | 99% | 100% | 100% | 100% | |
| B | 100% | 100% | 99% | 100% | 100% | 99% | 100% | 100% | 99% | ||
| 49–50 | A | 100% | 100% | 98% | 100% | 100% | 100% | 100% | 100% | 100% | |
| B | 100% | 98% | 96% | 100% | 98% | 98% | 100% | 100% | 94% | ||
| 64–65 | A | 100% | 100% | 99% | 100% | 100% | 100% | 100% | 100% | 100% | |
| B | 100% | 94% | 92% | 100% | 96% | 94% | 100% | 98% | 94% | ||
| 105–108 | A | 100% | 100% | 91% | 95% | 90% | 85% | 98% | 95% | 93% | |
| B | 100% | 92% | 90% | 100% | 88% | 86% | 100% | 85% | 81% | ||
Publisher’s Note: MDPI stays neutral with regard to jurisdictional claims in published maps and institutional affiliations. |
© 2022 by the authors. Licensee MDPI, Basel, Switzerland. This article is an open access article distributed under the terms and conditions of the Creative Commons Attribution (CC BY) license (https://creativecommons.org/licenses/by/4.0/).
Share and Cite
Ren, G.; Zha, X.; Jiang, B.; Hu, X.; Xu, J.; Tao, K. Location of Multiple Types of Faults in Active Distribution Networks Considering Synchronization of Power Supply Area Data. Appl. Sci. 2022, 12, 10024. https://doi.org/10.3390/app121910024
Ren G, Zha X, Jiang B, Hu X, Xu J, Tao K. Location of Multiple Types of Faults in Active Distribution Networks Considering Synchronization of Power Supply Area Data. Applied Sciences. 2022; 12(19):10024. https://doi.org/10.3390/app121910024
Chicago/Turabian StyleRen, Gang, Xianguang Zha, Bing Jiang, Xiaoli Hu, Junjun Xu, and Kai Tao. 2022. "Location of Multiple Types of Faults in Active Distribution Networks Considering Synchronization of Power Supply Area Data" Applied Sciences 12, no. 19: 10024. https://doi.org/10.3390/app121910024
APA StyleRen, G., Zha, X., Jiang, B., Hu, X., Xu, J., & Tao, K. (2022). Location of Multiple Types of Faults in Active Distribution Networks Considering Synchronization of Power Supply Area Data. Applied Sciences, 12(19), 10024. https://doi.org/10.3390/app121910024
