Power Efficiency Improvement of a Boost Converter Using a Coupled Inductor with a Fuzzy Logic Controller: Application to a Photovoltaic System
Abstract
1. Introduction
2. Materials and Methods
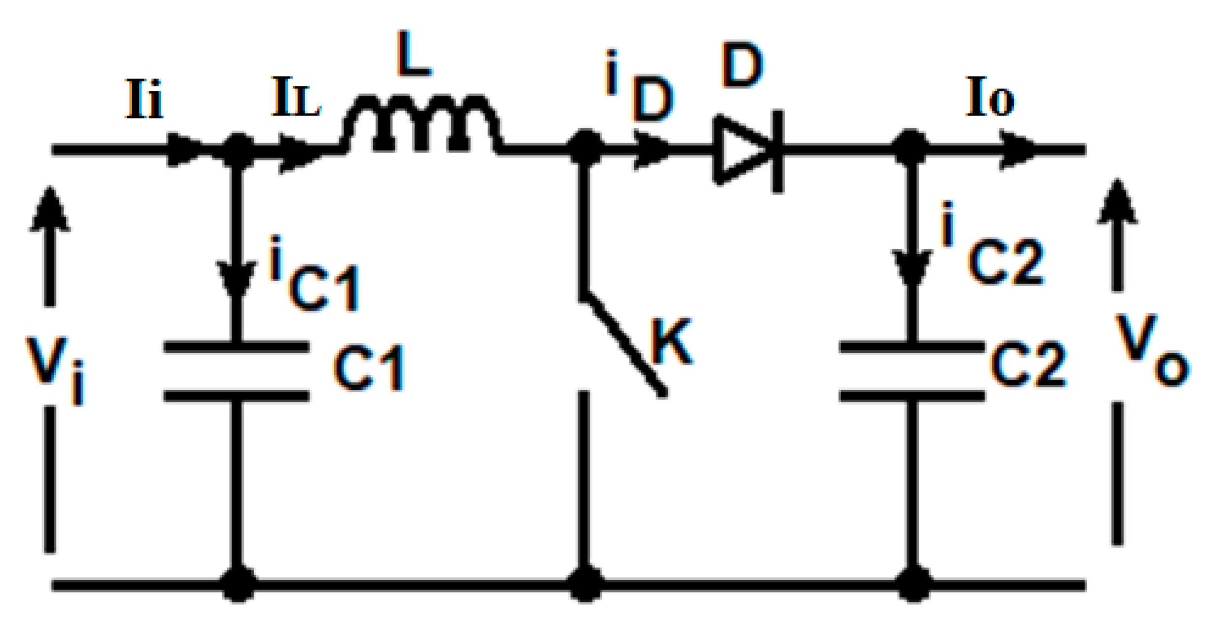
2.1. Inductor Sizing in a Conventional Boost Converter for PV Applications
2.2. Proposed DC/DC Converter
2.2.1. Coupled Inductor Analysis and Implementation
2.2.2. Design of the Fuzzy Controller
3. Results
3.1. Simulation Results
3.2. Experimental Results
4. Discussion
5. Conclusions
Author Contributions
Funding
Conflicts of Interest
Appendix A. Operation of the Converter in Continuous Conduction Mode


References
- Makbul, A.M.; Ramli, S.; Twaha, K.; Ishaque, Y.; Al-Turki, A. A review on maximum power point tracking for photovoltaic systems with and without shading conditions. Renew. Sustain. Energy Rev. 2017, 67, 144–159. [Google Scholar]
- Hernández-Callejo, L.; Gallardo-Saavedra, S.; Alonso-Gómez, V. A review of photovoltaic systems: Design, operation and maintenance. Sol. Energy 2019, 188, 426–440. [Google Scholar] [CrossRef]
- Verma, D.; Nema, S.; Shandilya, A.M.; Dash, S.K. Maximum power point tracking (MPPT) techniques: Recapitulation in solar photovoltaic systems. Renew. Sustain. Energy Rev. 2016, 54, 1018–1034. [Google Scholar] [CrossRef]
- Belkaid, A.; Colak, I.; Kayisli, K. Implementation of a modified P&O-MPPT algorithm adapted for varying solar radiation conditions. Electr. Eng. 2017, 99, 839–846. [Google Scholar]
- Graditi, G.; Adinolfi, G.; Tina, G.M. Photovoltaic optimizer boost converters: Temperature influence and electro-thermal design. Appl. Energy 2014, 115, 140–150. [Google Scholar] [CrossRef]
- Boehinger, A.F. Self-adaptive DC converter for solar spacecraft power supply. IEEE Trans. Aerosp. Electron. Syst. 1968, 1, 102–111. [Google Scholar] [CrossRef]
- Houssamo, I.; Locment, F.; Sechilariu, M. Experimental analysis of impact of MPPT methods on energy efficiency for photovoltaic power systems. Electr. Power Energy Syst. 2013, 46, 98–107. [Google Scholar] [CrossRef]
- Longlong, Z.; William, G.H.; Werner, H.W. A New Approach to Achieve Maximum power point tracking for PV system with a variable inductor. IEEE Trans. Power Electron. 2011, 26, 1031–1037. [Google Scholar]
- Kamarzaman, N.A.; WeiTan, C. A comprehensive review of maximum power point tracking algorithms for photovoltaic systems. Renew. Sustain. Energy Rev. 2014, 37, 585–598. [Google Scholar] [CrossRef]
- Sri Revathi, B.; Prabhakar, M. Non-isolated high gain DC-DC converter topologies for PV applications—A comprehensive review. Renew. Sustain. Energy Rev. 2016, 66, 920–933. [Google Scholar] [CrossRef]
- Da Rocha, M.V.; Sampaio, L.P.; da Silva, S.A.O. Comparative analysis of MPPT algorithms based on Bat algorithm for PV systems under partial shading condition. Sustain. Energy Technol. Assess. 2020, 40, 100761. [Google Scholar]
- Grasso, A.D.; Pennisi, S. A Micro-Scale Inductorless MPPT DC-DC Converter. IET Power Electron. 2013, 6, 1634–1639. [Google Scholar] [CrossRef]
- Grasso, A.D.; Pennisi, S.; Ragusa, M.; Tina, G.M.; Ventura, C. Performance evaluation of a multistring PV module with distributed DC-DC converters. IET Renew. Power Gener. 2015, 9, 935–942. [Google Scholar] [CrossRef]
- Woonki, N.; Pengyuan, C.; Jonghoon, K. An Improvement of a Fuzzy Logic-Controlled Maximum Power Point Tracking Algorithm for Photovoltic Applications. Appl. Sci. 2017, 7, 326. [Google Scholar] [CrossRef]
- Bastidas-Rodriguez, J.D.; Franco, E.; Petrone, G.; Ramos-Paja, C.A.; Spagnuolo, G. Maximum power point tracking architectures for photovoltaic systems in mismatching conditions: A review. IET Power Electron. 2014, 7, 1396–1413. [Google Scholar] [CrossRef]
- Aabouchabana, N.; Haddadi, M.; Rabhi, A.; El hadjjaji, A. Using a coupled inductor controlled by fuzzy logic to improve the efficiency of a Buck converter in a PV system. Proc. ASEE17 Web Conf. 2017, 22, 00001. [Google Scholar] [CrossRef]
- Colonel, W.T. McLyman. In Transformer and Inductor Design Handbook, 4th ed.; CRC Press: Boca Raton, FL, USA, 2011. [Google Scholar]
- Williams, B.W. Power Electronics, Devices, Drivers, Applications, and Passive Components, 2nd ed.; McGraw Hill: New York, NY, USA, 1992. [Google Scholar]
- Marina, S.P.; João Pedro, F.T.; Alonso, J.M.; Saraiva, E.S. Large-Signal Characterization of Power Inductors in EV Bidirectional DC-DC Converters Focused on Core Size Optimization. IEEE Trans. Ind. Electron. 2015, 62, 3042–3051. [Google Scholar]
- Imaoka, J.; Yamamoto, M.; Umetani, K.; Arimura, S.; Hirano, T. Characteristics Analysis and Performance Evaluation for Interleaved Boost Converter with Integrated Winding Coupled Inductor. In Proceedings of the 2013 IEEE Energy Conversion Congress and Exposition, Denver, CO, USA, 15–19 September 2013; pp. 3711–3718. [Google Scholar]
- Data Sheet of ETD 49 Magnetic Core. Available online: http://www.alldatasheet.com/datasheet-pdf/pdf/343540/FERROXCUBE/ETD49.html (accessed on 27 January 2020).
- Baek, J.; Park, M. Fuzzy bilinear state feedback control design based on TS fuzzy bilinear model for DC–DC converters. Electr. Power Energy Syst. 2012, 42, 710–720. [Google Scholar] [CrossRef]























| IL (A) | L (µH) | ||
|---|---|---|---|
| d = 0.1 | d = 0.5 | d = 0.9 | |
| 0.5 | 4200 | 21,000 | 37,800 |
| 1 | 2100 | 10,500 | 18,900 |
| 1.5 | 1400 | 7000 | 12,600 |
| 2 | 1100 | 5300 | 9500 |
| 2.5 | 800 | 4200 | 7600 |
| 3 | 700 | 3500 | 6300 |
| 3.5 | 600 | 3000 | 5400 |
| 4 | 525 | 2600 | 4700 |
| 4.5 | 466 | 2300 | 4200 |
| 5 | 400 | 2100 | 3800 |
| DE\E | NB | NS | Z | PS | PB |
| NB | PB | PS | PS | NS | NB |
| NS | PB | PS | Z | NS | NB |
| Z | PB | PS | Z | NS | NB |
| PS | PB | PS | Z | NS | NB |
| PB | PB | PS | PS | NS | NB |
Publisher’s Note: MDPI stays neutral with regard to jurisdictional claims in published maps and institutional affiliations. |
© 2021 by the authors. Licensee MDPI, Basel, Switzerland. This article is an open access article distributed under the terms and conditions of the Creative Commons Attribution (CC BY) license (http://creativecommons.org/licenses/by/4.0/).
Share and Cite
Abouchabana, N.; Haddadi, M.; Rabhi, A.; Grasso, A.D.; Tina, G.M. Power Efficiency Improvement of a Boost Converter Using a Coupled Inductor with a Fuzzy Logic Controller: Application to a Photovoltaic System. Appl. Sci. 2021, 11, 980. https://doi.org/10.3390/app11030980
Abouchabana N, Haddadi M, Rabhi A, Grasso AD, Tina GM. Power Efficiency Improvement of a Boost Converter Using a Coupled Inductor with a Fuzzy Logic Controller: Application to a Photovoltaic System. Applied Sciences. 2021; 11(3):980. https://doi.org/10.3390/app11030980
Chicago/Turabian StyleAbouchabana, Nabil, Mourad Haddadi, Abdelhamid Rabhi, Alfio Dario Grasso, and Giuseppe Marco Tina. 2021. "Power Efficiency Improvement of a Boost Converter Using a Coupled Inductor with a Fuzzy Logic Controller: Application to a Photovoltaic System" Applied Sciences 11, no. 3: 980. https://doi.org/10.3390/app11030980
APA StyleAbouchabana, N., Haddadi, M., Rabhi, A., Grasso, A. D., & Tina, G. M. (2021). Power Efficiency Improvement of a Boost Converter Using a Coupled Inductor with a Fuzzy Logic Controller: Application to a Photovoltaic System. Applied Sciences, 11(3), 980. https://doi.org/10.3390/app11030980

