Analysis and Optimization of the Robotic Mobile Fulfillment Systems Considering Congestion
Abstract
:1. Introduction
2. System Introduction and Scheduling Rules
2.1. Overview of the AGV Picking System
2.2. Modeling and Symbol Definition
- Only one operation platform is considered.
- The AGVs have different running speeds in the aisle, cross-aisle, and connecting sections. The speed in the aisle is faster, and other sections are driven at low speed, which is in line with the actual scene of AGV.
- Task instruction includes picking tasks and replenishment tasks. This paper only considers picking tasks. In addition, it is assumed that the storage area always contains enough materials to meet each entry task of the system.
- The time interval of task arrival obeys exponential distribution.
- The service of AGV in the cross-aisle and the operation station follows the principle of first come, first served (FCFS).
- The processing time at the operation station obeys the general distribution.
- Tasks are always assigned randomly, which means that if we partition the storage area, the location of each area is random. If there is no partition, the entire area follows random rules.
- AGV returns to the buffer position of the operation station after each task is completed, which is used as the parking space for the next task.
- The cross-aisle only allows one-way traffic, and the traffic congestion in the cross-aisle is not considered.
2.3. Congestion Factors and Scheduling Rules
3. Modeling and Solution
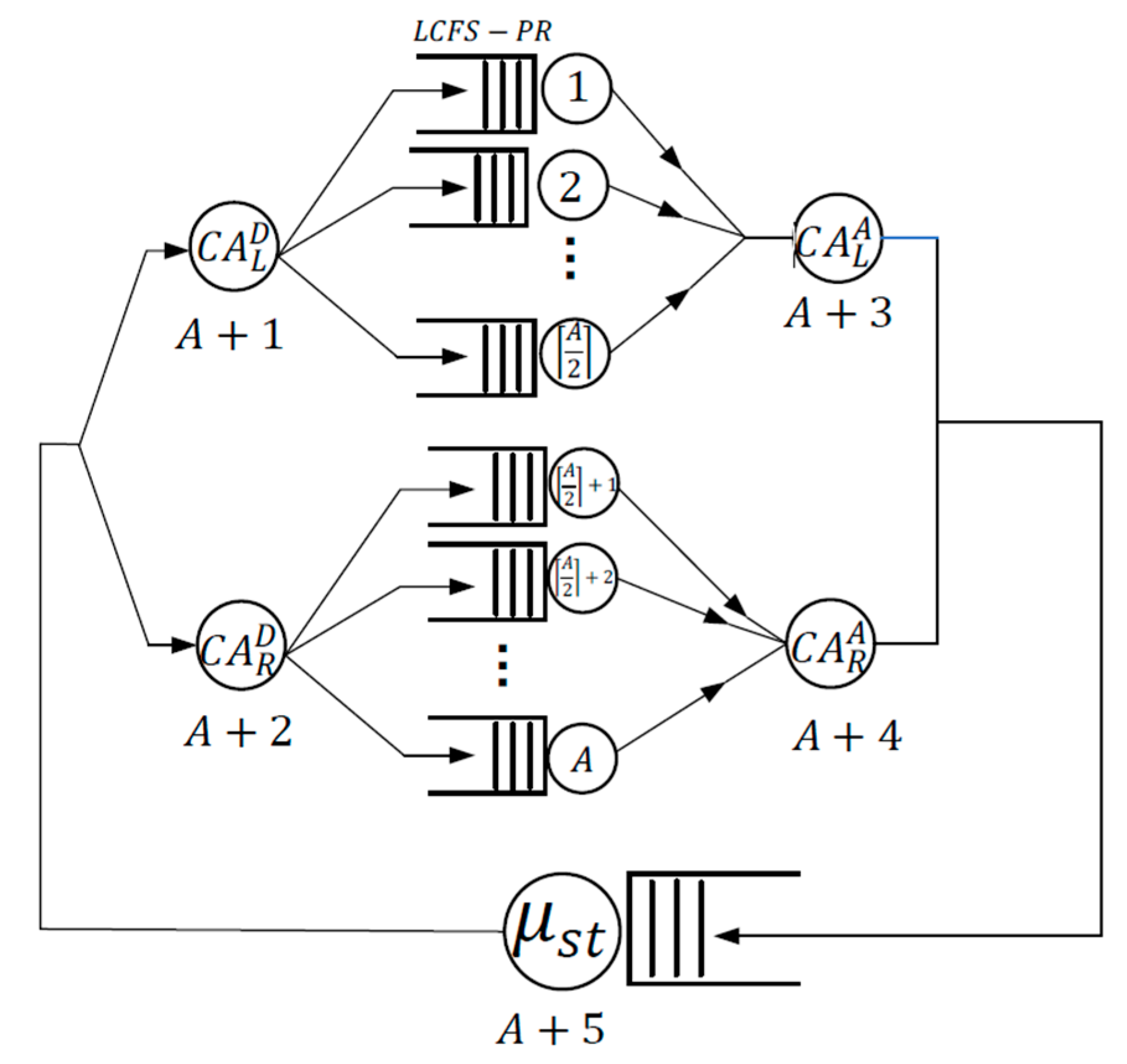
3.1. Semi-Open Loop Queuing Network Model (SOQN)
3.2. Service Time Expression of Each Node
3.2.1. The Service Rate and the Parameter Estimation in the Aisle
3.2.2. The Service Rate in the Cross-Aisle
3.2.3. The Service Rate of the Picking Station
3.3. Solution
3.3.1. Establishment and Solution of the Closed Queueing Network Model CQN1
3.3.2. The Second Closed-Loop Queuing Network Model CQN2
3.3.3. Establishing an Open-Loop Queuing Network OQN
3.3.4. Converged Network
3.3.5. Performance Index Estimation
4. Simulation and Result Analysis
4.1. Simulation
4.2. Result Analysis
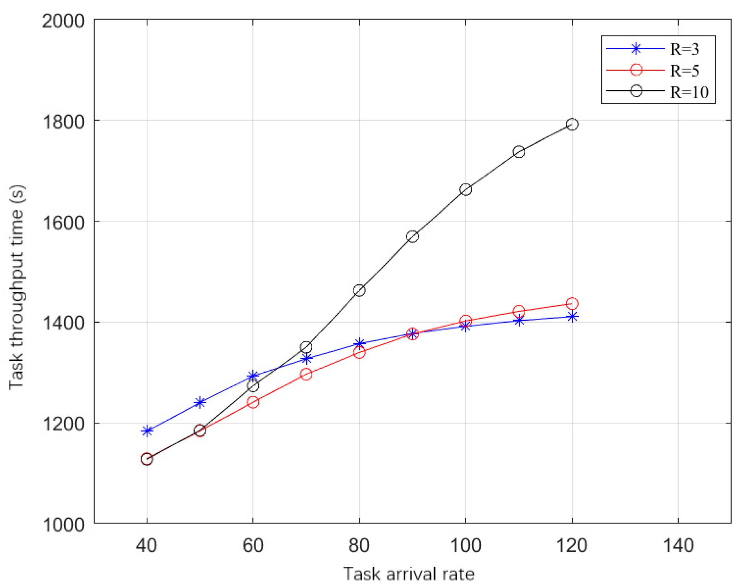
4.2.1. The Optimal Number of AGVs Configuration
4.2.2. Influence of System Structure Parameters
4.2.3. Influence of Congestion
5. Conclusions
Author Contributions
Funding
Conflicts of Interest
References
- Bartholdi, J.J., III; Hackman, S.T. Warehouse and Distribution Science; Georgia Institute of Technology: Atlanta, GA, USA, 2008. [Google Scholar]
- Wurman, P.R. Coordinating Hundreds of Cooperative, Autonomous Vehicles in Warehouses. Ai Mag. 2008, 29, 9. [Google Scholar]
- Mountz, M.C.; D’Andrea, R.; Laplante, J.A. Inventory System with Mobile Drive Unit and Inventory Holder. U.S. Patent 7402018 B2, 22 July 2008. [Google Scholar]
- Zou, B. Study on Operational Policies Optimization in Vehicle-Based Storage and Retrieval Systems; Huazhong University of Science and Technology: Wuhan, China, 2017. [Google Scholar]
- Zou, B.; Gong, Y.; Xu, X. Assignment rules in robotic mobile fulfilment systems for online retailers. Int. J. Prod. Res. 2017, 55, 6175–6192. [Google Scholar] [CrossRef]
- Xie, L.; Thieme, N.; Krenzler, R. Efficient order picking methods in robotic mobile fulfillment systems. arXiv Prepr. 2019, arXiv:1902.03092. [Google Scholar]
- Dou, J.; Chen, C.; Pei, Y. Genetic Scheduling and Reinforcement Learning in Multirobot Systems for Intelligent Warehouses. Math. Probl. Eng. Theory Methods Appl. 2015, 2015 Pt 25, 597956. [Google Scholar] [CrossRef] [Green Version]
- Zhang, J.; Yang, F.; Weng, X. A Building-Block-Based Genetic Algorithm for Solving the Robots Allocation Problem in a Robotic Mobile Fulfilment System. Math. Probl. Eng. 2019, 2019, 6153848. [Google Scholar] [CrossRef] [Green Version]
- Merschformann, M.; Lamballais, T.; Koster, M.D. Decision rules for robotic mobile fulfillment systems. Oper. Res. Perspect. 2019, 6, 100–128. [Google Scholar] [CrossRef]
- Roy, D.; Nigam, S.; Koster, R.D. Robot-storage zone assignment strategies in mobile fulfillment systems. Transp. Res. Part E Logist. Transp. Rev. 2019, 122, 119–142. [Google Scholar] [CrossRef]
- Zhe, Y.; Gong, Y.Y. Bot-In-Time Delivery for Robotic Mobile Fulfillment Systems. IEEE Trans. Eng. Manag. 2017, 64, 83–93. [Google Scholar]
- Lienert, T.; Staab, T.; Ludwig, C. Simulation-based Performance Analysis in Robotic Mobile Fulfilment Systems—Analyzing the Throughput of Different Layout Configurations. In Proceedings of the 8th International Conference on Simulation and Modeling Methodologies, Technologies and Applications—SIMULTECH, Porto, Portugal, 29–31 July 2018. [Google Scholar]
- Zi, L.; Gao, B. Performance Estimating in an Innovative AGVs-based Parcel Sorting System Considering the Distribution of Destinations. In Proceedings of the 2020 IEEE 16th International Conference on Automation Science and Engineering (CASE), Hong Kong, China, 20–21 August 2020. [Google Scholar]
- Koo, P.H.; Jang, J.; Suh, J. Estimation of part waiting time and fleet sizing in AGV systems. Int. J. Flex. Manuf. Syst. 2004, 16, 211–228. [Google Scholar] [CrossRef]
- Cui, W.; Wang, H.; Jan, B. Simulation Design of AGVS Operating Process in Manufacturing Workshop. In Proceedings of the 2019 34rd Youth Academic Annual Conference of Chinese Association of Automation (YAC), Jinzhou, China, 6–8 June 2019. [Google Scholar]
- Chen, C.; Lee, K.T. Using queuing theory and simulated annealing to design the facility layout in an AGV-based modular manufacturing system. Int. J. Prod. Res. 2019, 57, 5538–5555. [Google Scholar] [CrossRef]
- Azenha, A.; Carvalho, A. A neural network approach for AGV localization using trilateration. In Proceedings of the 35th Annual Conference of IEEE Industrial Electronics, Porto, Portugal, 3–5 November 2009. [Google Scholar]
- Kemény, Z. Human–robot collaboration in manufacturing: A multi-agent view. In Advanced Human-Robot. Collaboration in Manufacturing; Springer: Cham, Switzerland, 2021; pp. 3–41. [Google Scholar]
- Zacharaki, A.; Kostavelis, I.; Gasteratos, A.; Dokas, I. Safety bounds in human robot interaction: A survey. Saf. Sci. 2020, 127, 104667. [Google Scholar] [CrossRef]
- Pratama, P.S.; Setiawan, Y.D.; Kim, D.H. Fault detection algorithm for automatic guided vehicle based on multiple positioning modules. In Proceedings of the 2014 International Conference on Advances in Computing, Communications and Informatics (ICACCI), Delhi, India, 24–27 September 2014. [Google Scholar]
- Witczak, M.; Majdzik, P.; Stetter, R. Multiple AGV fault-tolerant within an agile manufacturing warehouse. IFAC-Pap. 2019, 52, 1914–1919. [Google Scholar] [CrossRef]
- Liu, Z.; Wang, Y.; Jin, M. Energy consumption model for shuttle-based Storage and Retrieval Systems. J. Clean. Prod. 2021, 282, 124480. [Google Scholar] [CrossRef]
- Wang, Y.; Liu, Z.; Huang, K. Model and solution approaches for retrieval operations in a multi-tier shuttle. Comput. Ind. Eng. 2020, 141, 106283. [Google Scholar] [CrossRef]
- Zou, B.; Xu, X.; Gong, Y.Y. Evaluating battery charging and swapping strategies in a robotic mobile fulfillment system. Eur. J. Oper. Res. 2018, 267, 733–753. [Google Scholar] [CrossRef]











| Symbols | Meanings | Symbols | Meanings |
|---|---|---|---|
| Number of aisles | Width of cross-aisle | ||
| Number of cross-aisle | Distance between station and storage edge in the X direction | ||
| Number of AGV | Distance between station and storage edge in the Y direction | ||
| Width of storage area | Distance between the adjacent station | ||
| Length of storage area | The side length of each storage location | ||
| The ratio of length to width of storage area | The side length of the station area | ||
| The average running speed of AGV in the aisle | The arrival rate of picking order entering system | ||
| Number of locations in the storage area | Time for an AGV to lift or drop the shelf | ||
| The average running speed of AGV in across-aisle | Time for a picker at the station to process a shelf | ||
| Width of shelf module | Time for AGV to return to stand by position from the station | ||
| Length of shelf module | Time for AGV to target shelf from stand by position | ||
| Width of the aisle | Time for AGV to move the target shelf to the station |
| No. | In | Out | ||||||||
|---|---|---|---|---|---|---|---|---|---|---|
| K | N | R | ||||||||
| A | S | A | S | |||||||
| 1 | 0.50 | 2690 | 3 | 40 | 7.19 | 6.84 | 5.00 | 70.84 | 70.70 | 0.20 |
| 2 | 50 | 11.24 | 11.80 | −4.70 | 81.64 | 81.40 | 0.30 | |||
| 3 | 60 | 18.62 | 17.90 | 4.00 | 90.04 | 89.50 | 0.60 | |||
| 4 | 5 | 70 | 9.36 | 9.03 | 3.60 | 80.07 | 80.80 | −0.90 | ||
| 5 | 80 | 13.92 | 13.17 | 5.70 | 85.97 | 87.10 | −1.30 | |||
| 6 | 90 | 18.95 | 17.83 | 6.30 | 90.77 | 91.50 | −0.80 | |||
| 7 | 10 | 100 | 6.53 | 6.25 | 4.50 | 81.73 | 81.00 | 0.90 | ||
| 8 | 110 | 9.11 | 9.58 | −4.90 | 87.55 | 87.20 | 0.40 | |||
| 9 | 120 | 12.86 | 13.28 | −3.20 | 91.67 | 91.40 | 0.30 | |||
| 10 | 0.50 | 4850 | 3 | 30 | 11.46 | 11.02 | 4.00 | 81.34 | 81.50 | −0.20 |
| 11 | 40 | 21.09 | 20.08 | 5.00 | 92.06 | 91.60 | 0.50 | |||
| 12 | 50 | 28.64 | 29.58 | −3.20 | 96.77 | 96.00 | 0.80 | |||
| 13 | 5 | 60 | 18.56 | 18.90 | −1.80 | 91.75 | 92.40 | −0.70 | ||
| 14 | 70 | 27.09 | 25.66 | 5.60 | 95.21 | 95.50 | −0.30 | |||
| 15 | 80 | 33.53 | 32.33 | 3.70 | 98.27 | 97.10 | 1.20 | |||
| 16 | 10 | 90 | 16.09 | 16.89 | −4.70 | 96.71 | 93.80 | 3.10 | ||
| 17 | 100 | 21.12 | 21.97 | −3.90 | 94.85 | 96.00 | −1.20 | |||
| 18 | 110 | 28.28 | 26.43 | 7.00 | 95.93 | 97.10 | −1.20 | |||
| 28 | 1.50 | 2690 | 3 | 30 | 3.54 | 3.29 | 7.60 | 58.87 | 58.00 | 1.50 |
| 29 | 40 | 7.55 | 7.23 | 4.50 | 72.34 | 73.00 | −0.90 | |||
| 30 | 50 | 13.03 | 12.51 | 4.20 | 86.11 | 83.60 | 3.00 | |||
| 31 | 5 | 60 | 4.73 | 4.92 | −3.80 | 72.91 | 71.20 | 2.40 | ||
| 32 | 70 | 7.42 | 8.09 | −8.30 | 80.34 | 79.70 | 0.80 | |||
| 33 | 80 | 11.26 | 11.67 | −3.50 | 85.36 | 85.70 | −0.40 | |||
| 34 | 10 | 90 | 1.52 | 1.44 | 5.60 | 63.59 | 62.90 | 1.10 | ||
| 35 | 100 | 2.86 | 2.65 | 7.80 | 70.96 | 70.40 | 0.80 | |||
| 36 | 110 | 3.89 | 4.13 | −5.60 | 75.32 | 76.00 | −0.90 | |||
| 46 | 1.50 | 4850 | 3 | 30 | 11.04 | 11.30 | −2.30 | 82.07 | 82.40 | −0.40 |
| 47 | 40 | 18.73 | 20.63 | −9.20 | 93.21 | 92.10 | 1.20 | |||
| 48 | 50 | 33.40 | 30.59 | 9.20 | 96.12 | 96.60 | −0.50 | |||
| 49 | 5 | 60 | 18.64 | 17.12 | 8.90 | 90.85 | 91.40 | −0.60 | ||
| 50 | 70 | 26.61 | 23.69 | 12.30 | 94.81 | 95.10 | −0.30 | |||
| 51 | 80 | 26.56 | 29.98 | −11.40 | 96.22 | 97.00 | −0.80 | |||
| 52 | 10 | 90 | 10.91 | 9.93 | 9.90 | 88.28 | 88.10 | 0.20 | ||
| 53 | 100 | 12.55 | 13.92 | −9.80 | 93.01 | 92.00 | 1.10 | |||
| 54 | 110 | 18.05 | 17.65 | 2.30 | 93.35 | 94.20 | −0.90 | |||
| No. | In | Out | |||||||||
|---|---|---|---|---|---|---|---|---|---|---|---|
| K | N | R | |||||||||
| A | S | A | S | ||||||||
| 1 | 0.50 | 2690 | 3 | 40 | 1223.22 | 1183.00 | 3.40 | 94.42 | 94.80 | −0.40 | 8.01 |
| 2 | 50 | 1236.38 | 1240.10 | −0.30 | 104.57 | 105.10 | −0.50 | 8.48 | |||
| 3 | 60 | 1281.26 | 1292.90 | −0.90 | 115.62 | 112.80 | 2.50 | 8.72 | |||
| 4 | 5 | 70 | 1312.06 | 1296.50 | 1.20 | 252.03 | 236.20 | 6.70 | 18.22 | ||
| 5 | 80 | 1357.12 | 1339.70 | 1.30 | 264.61 | 253.70 | 4.30 | 18.94 | |||
| 6 | 90 | 1365.19 | 1376.20 | −0.80 | 280.05 | 265.70 | 5.40 | 19.31 | |||
| 7 | 10 | 100 | 1659.47 | 1662.80 | −0.20 | 642.57 | 647.10 | −0.70 | 38.92 | ||
| 8 | 110 | 1725.54 | 1737.70 | −0.70 | 678.85 | 704.20 | −3.60 | 40.52 | |||
| 9 | 120 | 1812.22 | 1792.50 | 1.10 | 726.12 | 741.70 | −2.10 | 41.38 | |||
| 10 | 0.50 | 4850 | 3 | 30 | 2000.40 | 1972.78 | 1.40 | 136.06 | 137.30 | −0.90 | 6.96 |
| 11 | 40 | 2133.11 | 2081.08 | 2.50 | 151.81 | 148.40 | 2.30 | 7.13 | |||
| 12 | 50 | 2222.08 | 2153.18 | 3.20 | 162.81 | 155.80 | 4.50 | 7.24 | |||
| 13 | 5 | 60 | 2161.51 | 2135.88 | 1.20 | 324.14 | 335.90 | −3.50 | 15.73 | ||
| 14 | 70 | 2283.51 | 2185.18 | 4.50 | 362.30 | 347.70 | 4.20 | 15.91 | |||
| 15 | 80 | 2369.25 | 2220.48 | 6.70 | 347.52 | 355.70 | −2.30 | 16.02 | |||
| 16 | 10 | 90 | 2820.01 | 2657.88 | 6.10 | 978.58 | 946.40 | 3.40 | 35.61 | ||
| 17 | 100 | 2691.33 | 2707.58 | −0.60 | 931.85 | 972.70 | −4.20 | 35.93 | |||
| 18 | 110 | 2709.87 | 2734.48 | −0.90 | 929.27 | 984.40 | −5.60 | 36.00 | |||
| 28 | 1.50 | 2690 | 3 | 30 | 1112.50 | 1151.66 | −3.40 | 39.85 | 43.22 | −7.80 | 3.75 |
| 29 | 40 | 1142.94 | 1210.74 | −5.60 | 55.49 | 51.10 | 8.60 | 4.22 | |||
| 30 | 50 | 1292.32 | 1265.74 | 2.10 | 61.65 | 56.30 | 9.50 | 4.45 | |||
| 31 | 5 | 60 | 1252.79 | 1198.84 | 4.50 | 97.36 | 108.30 | −10.10 | 9.03 | ||
| 32 | 70 | 1283.19 | 1233.84 | 4.00 | 116.17 | 118.90 | −2.30 | 9.64 | |||
| 33 | 80 | 1329.56 | 1262.64 | 5.30 | 124.87 | 126.00 | −0.90 | 9.98 | |||
| 34 | 10 | 90 | 1317.03 | 1289.94 | 2.10 | 245.51 | 242.60 | 1.20 | 18.81 | ||
| 35 | 100 | 1360.22 | 1329.64 | 2.30 | 283.21 | 273.90 | 3.40 | 20.60 | |||
| 36 | 110 | 1418.10 | 1360.94 | 4.20 | 312.83 | 296.80 | 5.40 | 21.81 | |||
| 46 | 1.50 | 4850 | 3 | 30 | 2060.74 | 1996.84 | 3.20 | 68.23 | 68.50 | −0.40 | 3.43 |
| 47 | 40 | 2127.28 | 2102.06 | 1.20 | 73.13 | 73.50 | −0.50 | 3.50 | |||
| 48 | 50 | 2252.42 | 2174.15 | 3.60 | 78.39 | 76.40 | 2.60 | 3.51 | |||
| 49 | 5 | 60 | 1934.73 | 2025.90 | −4.50 | 161.05 | 161.70 | −0.40 | 7.98 | ||
| 50 | 70 | 1993.80 | 2070.40 | −3.70 | 166.96 | 167.80 | −0.50 | 8.10 | |||
| 51 | 80 | 2229.56 | 2099.40 | 6.20 | 168.45 | 170.50 | −1.20 | 8.12 | |||
| 52 | 10 | 90 | 2005.13 | 2160.70 | −7.20 | 382.36 | 418.80 | −8.70 | 19.38 | ||
| 53 | 100 | 2130.08 | 2200.50 | −3.20 | 448.44 | 437.50 | 2.50 | 19.88 | |||
| 54 | 110 | 2130.57 | 2226.30 | −4.30 | 475.22 | 447.90 | 6.10 | 20.12 | |||
Publisher’s Note: MDPI stays neutral with regard to jurisdictional claims in published maps and institutional affiliations. |
© 2021 by the authors. Licensee MDPI, Basel, Switzerland. This article is an open access article distributed under the terms and conditions of the Creative Commons Attribution (CC BY) license (https://creativecommons.org/licenses/by/4.0/).
Share and Cite
Chi, C.; Wang, Y.; Wu, S.; Zhang, J. Analysis and Optimization of the Robotic Mobile Fulfillment Systems Considering Congestion. Appl. Sci. 2021, 11, 10446. https://doi.org/10.3390/app112110446
Chi C, Wang Y, Wu S, Zhang J. Analysis and Optimization of the Robotic Mobile Fulfillment Systems Considering Congestion. Applied Sciences. 2021; 11(21):10446. https://doi.org/10.3390/app112110446
Chicago/Turabian StyleChi, Cheng, Yanyan Wang, Shasha Wu, and Jian Zhang. 2021. "Analysis and Optimization of the Robotic Mobile Fulfillment Systems Considering Congestion" Applied Sciences 11, no. 21: 10446. https://doi.org/10.3390/app112110446
APA StyleChi, C., Wang, Y., Wu, S., & Zhang, J. (2021). Analysis and Optimization of the Robotic Mobile Fulfillment Systems Considering Congestion. Applied Sciences, 11(21), 10446. https://doi.org/10.3390/app112110446
