Abstract
This research focused on the obtainment of sustainable lightweight aggregates (LWAs) for agronomic application. The cleaner production is based on saving matter through the valorization of waste available in industry as a substitute of clays into the formulation of the lightweight aggregates (LWAs). Three different types of clays (white, black, and red) and alternative raw materials were blended. Cattle bone flour ash (CBA) and a fertilizer glass (FG) were used to introduce K and P into the mixture in amounts suitable for fertilizer application, and a sewage sludge from a brewery wastewater treatment plant was used as pore forming agent. For the production of the LWAs, we mixed different percentage of waste in two different clay mixtures, which were thermally treated at 1000 °C for 1 h. Technological parameters such as loose bulk and oven dry density, total porosity, water absorption capacity, pH, and electrical conductivity were determined to evaluate the potential use of LWAs as a growing media. Moreover, scanning electron microscopy (SEM) and mercury intrusion porosimetry (MIP) techniques were used, and leaching tests were performed to complete the samples’ characterization. The results indicated the potential for manufacturing high-quality LWAs for the agronomic field by using energy-saving and matter-processing involving low temperatures with respect to the conventional process.
1. Introduction
Ceramics materials are extendedly studied as an alternative valorization of hazardous and non-hazardous waste and by-products for the production of sustainable construction materials to improve building energy savings [1] as an alternative to landfill disposal.
To deal with such problems, more attention has been paid to the development of sustainable clay bricks, such as those made from kindling from vine shoot [2], paper sludge [3], olive mill wastewater and spent coffee [4], grape and cherry seeds [5], sawdust and sugar cane ash [5], and textile laundry sludge [6]. Lightweight aggregates (LWAs) have also been extensively investigated through the addition of different organic and inorganic urban, industrial, and agro-waste, such as waste glass [7,8,9,10], bagasse, sludge and diatomaceous earth from the brewery industry [11], granite waste [12], fly ash [13,14], incinerator bottom ash [15,16], coal fly ash [17,18], waste engine [19,20,21], and sewage sludge [22,23,24,25,26]. The use of alternative energy sources for the production of lightweight aggregates has also begun to be studied. Franus et al. [27], in a recent research paper, used microwave radiation to produce lightweight aggregates from fly ash.
In terms of number of papers on this matter over past years, the publication rate has increased from 1 to 2 articles per year from the 1990s to 15–20 papers in recent years [28], demonstrating the great interest in this field; however, some topics are still open, such as the application lightweight aggregates (LWAs) in the agronomic field.
LWAs are characterized by a granular and porous structure with a loose bulk density no higher than 1.20 g/cm3 [29]. These characteristics are promoted by high-temperature heating treatment (1200–1400 °C), where clay pellets receive a thermal shock that causes the formation of a hard vitrified layer surface, preventing the run out of gases deriving from the combustion of different clay compounds. This behavior forces the material to swell. The vitreous phase plays a key role in bloating and in microstructural and physical properties of LWAs [25,28]. LWAs are generally composed of two types of materials that can produce glass phases and gases. To improve the inorganic oxide content in raw materials and control the viscosity of the glass phase, clay is still needed to produce satisfactory LWAs [25].
In this research, a sludge from a brewery wastewater treatment plant (BS) was incorporated as a pore forming agent in a clay formulation to reduce the sintering temperature using the exothermic reaction produced by the oxidation of organic matter within the clay matrix. The use of an energy-saving process (less than 200–300 °C) meant the possibility of obtaining materials with less environmental impact, boosting the local economy by offering innovative and sustainable materials.
LWAs are commonly used as hydroponic growth medium [30] or are mixed with other growth media such as soil and peat to improve drainage systems; moreover, they are also used as growing media/drainage layer for green roofing. The LWAs suitable for agricultural use would have specific physicochemical characteristics such as bulk density between 0.75 and 1.20 g/cm3, pH value in the range of 6.5–7.5, and electrical conductivity (EC) <2 mS/cm, as growing substrate conditions [31,32]. Therefore, this study was conducted to evaluate the feasibility of using different types of clays mixed with the above-mentioned BS as pore-forming agent, as well as cattle bone flour ash (CBA) and a fertilizer glass (FG) tailored by the authors bringing K and P to the mixture for the production of sustainable LWAs for sustainable construction. Moreover, we verified the chemical and physical properties of the materials, as the environmental characteristics have already been focused upon in a previous work [33], as well as the fertilizer capability of mixes containing ash or glass rich in P and K using mild conditions with respect to the current process.
2. Materials and Methods
2.1. Raw Materials Characterization
White (WC) and black (BC) clays were provided from a clay pit in Bailén, Jaen Province, Spain, and red clay (RC) came from a clay pit in Roncobotto, Modena province, Italy. The sludge from wastewater treatment plant (BS) was supplied by a brewery industry, Jaen province, Spain, and identified as non-hazardous waste (EWC 02-07-05). The cattle bone flour ash (CBA) and Glassy Sand (GS) were provided from local industries from Modena province, Italy. Calcined bone meal ash (CBA) was specially prepared for the experimental work by calcination of the flour (900 °C, 2h) and supplied by an Italian company that converts a wide range of meat industry by-products into protein flours for pet food. GS is a claimed glass derived from the secondary treatment, not classified as waste; it is a commercial product. Specific procedures are performed on the starting glass cullet to obtain shallow impurities (<0.068%), hence the fraction non-suitable for glassworks is submitted to a successive treatment to obtain two ends of waste: Glassy Sand (GS), with characteristics for glassworks, and ceramics sand, usually used in ceramic industry.
Raw materials were tested to determine their physical and chemical characteristics, as follows: total content of C, H, N, and S was determined by combustion in O2 atmosphere using the CHNS-O Thermo Finnigan Elementary Analyzer Flash EA 1112. The chemical composition was determined by X-ray fluorescence (XRF) using ARL-ADVANT`XP+ (THERMO equipment), Uniquant software. SiO2, Al2O3 percentages, and the flux elements (flux = K2O + Na2O + CaO + MgO + FeO + Fe2O3) were recalculated from the original chemical composition and the loss on ignition (LOI) results, and these oxides were plotted on the Riley Diagram [34] on the theoretical suitability for bloating. The SiO2/flux was also calculated for the same purpose, considering that a ratio >2 is typical for samples where suitable viscosity conditions are achieved [35,36].
X-ray diffractometry (XRD) was carried out using an automatic diffractometer PANalytical EMPYREAN, with radiation α1,2 (1.5406 Å) and slits (Soller) fixed at 1/4° and 0.04 rad. The measurements were performed from 5° to 80° 2 θ for approximately 1 h with a step size of 0.0167°. The tube operated at 45 kV and 40 mA. The identification of crystalline phases was made by High Score Plus PANalytical software comparing with data on the JCPDS files. The samples were dried for 24 h at 105 ºC and then pulverized in an agate mortar until the consistency of talc (<38.00 µm) was achieved.
A simultaneous differential scanning calorimetry and thermogravimetric analysis (DSC-TG) was performed with a Mettler Toledo TGA/DSC 1 Thermal Analyzer equipment coupled with a Pfeiffer Vacuum ThermoStar TM GSD 320 mass spectrometer—approximately 10 mg of sample was tested in an Al2O3 crucible, O2 atmosphere (80 ml/min), and a heating rate of 10 ºC/min up to 1000–1200 ºC.
2.2. Materials Preparation
Raw materials were dried in a stove at 105 °C for 24 h, after which they were pulverized with a ball mill until proper grain size (<0.10 mm).
The fertilizer glass (FG) was obtained by mixing the appropriates percentages of CBA, GS as a parent glass, and potassium carbonate (K2CO3). The glass mixture was placed inside a refractory alumina silicate crucible for the melting treatment in an electric furnace (Lenton EHF 1700). The thermal cycle for glass fusion was 10 °C/min up to 800 °C and 20 min of isotherm, 10 °C/min up to 900 °C and 20 min of isotherm, 10 °C/min up to 1000 °C and 60 min of isotherm, 10 °C/min up to 1300 °C and 30 min of isotherm, 10 °C/min up to 1450 °C and 120 min of isotherm. To obtain a glass frit, we poured the molten glass mass into cold water, resulting in non-homogeneous grain size by the temperature contrast. The glass was ground up to 100 μm.
The fertilizer glass manufacturing leads to an increment of the costs and energy consumption during production. For that reason, aggregates formulated with FG were compared to samples made with CBA as an alternative raw material with low-energy consumption.
2.3. LWA Formulation
Two different clay-based mixtures were used for the production of LWAs: WBC (30% white clay–70% black clay) and RC (100% red clay). Table 1 shows the dosage of the different mixtures and the nomenclature adopted:
Table 1.
The wt % components ratio in the studied aggregates.
- Clays without waste (WBC and RC);
- Clays containing 15 wt % BS (WBBS15 and RCBS15);
- Clays with 15 wt % of BS in addition to 10 wt % of glass (WBFG and RCFG);
- Clays with 15 wt % of BS in addition to 10 wt % of CBA (WBCBA and RCCBA).
The raw materials were mixed in the established proportions with 10–12% water. Then, spherical balls with diameters between 11.96 and 21.68 mm were manually formed. Samples were dried at 105 °C for 24 h to reduce their moisture content and fired in an electric kiln (Lenton AWF13/12) directly at a sintering temperature of 1000 °C for 1 h to simulate thermal shock. The samples were left to cool by natural convection. As demonstrated in a preliminary study [37], the optimal amount of pore forming 15 wt % and the Tmax = 1000 °C for the thermal treatment were used in this research. Moreover, preparation of LWAS followed the handmade pelletization procedure set up previously.
2.4. LWAS Chemical–Physical Characterization
The physical properties of the sintered materials were determined as follows. The oven dry density (ρrd) and water absorption (WA24) were determined by the established procedure described by EN-ISO 1097-6 standard (annex C) [38]. The loose bulk density (ρb) and void percentage (VP%) were determined according to EN-ISO 1097-3 standard [39].
pH (Digital pHmeter mod. PH6, XS/Eutech) and specific conductivity measures (E.C.) (Digital Conductimeter mod. COND6, XS/Eutech) were performed following the UNE-EN 13037 and UNE-EN 13038 standards [40,41].
The crushing strength of a single aggregate (S, in MPa) was determined in a series of 25 samples for each aggregate type so that each individual granule was crushed to failure using a Nannetti_FM 96 press, according to the following protocol: the distance between the aggregate loading points (D, in mm) was determined by measuring the diameter of the aggregate in the equilibrium position with a caliper. The pellet is then placed on the lower plate of the press, maintaining the initial position. The breaking load (Fc, in N) is recorded on the device. The value of S is determined by the following expression [42,43]:
The final result of S is the average of the 25 data obtained for each composition tested.
Microstructural analysis was performed using a scanning electron microscope SEM Quanta-200, coupled to a system for microanalysis X-EDS INCA-350 from Oxford Instruments. Samples were pasted it with epoxy resin on an aluminum sample holder and then metallized by sputter coating with a gold source (K550 Emitech).
Pore size distribution measurements were carried out by AutoPore IV Series (Intrusion Mercury Porosimeter) by Micromeritics (Norcross, GA, USA). Open porosity (Po) was evaluated using the set-time equilibrium (10 s) mode, pressure limits of 345 kPa and 228 MPa. This technique has already been used by numerous investigations to characterize the porosity of porous materials such as lightweight aggregates [44,45,46].
2.5. LWA Leaching Test
The leaching tests in water and citric acid medium were performed to evaluate the release capacity of nutrients (P and K) as well as of elements that for their quantity and type could be harmful for the environment. The tests were performed according to European regulations (Regulation EC 2003/2003 [47]; Legislative Decree 75/2010 [48]) in 2 different conditions: in water and citric acid (2% vol.) at 2 time intervals: 30 min to ensure the immediate release nutrients and 21 days to verify the slow release. The aggregates were tested in bulk and as powdered samples (<100 μm) in order to simulate the conditions in the soil. The samples were analyzed by inductively coupled plasma mass spectrometry (ICP-MS Agilent 7500a, Santa Clara, CA 95051, USA).
3. Results and Discussion
3.1. Materials Characterization
Elemental analysis (CNH-S) results of the three different types of clays are reported in Table 2. RC showed an almost complete absence of carbon while BC and WC contained low carbon content. Only black clay presented traces of sulfur. On the other hand, the wastewater sludge had a high carbon content, in line with other wastes of this type, and traces of S below those reported by other authors [49,50]; thus, the combustion process of BS will not generate SO2 formation, which is an environmental benefit.
Table 2.
Elementary CNH-S analysis of clay materials and wastewater sludge.
The chemical analysis (XRF) results reported in Table 3 show that white, black, and red clays contained high silica (SiO2) and alumina (Al2O3) quantities, typical for these minerals, as well as iron oxide (Fe2O3), with red clay being the one with the highest values of the three oxides mentioned. A high amount of calcium oxide (CaO) in WC and BC in comparison to RC was observed, being attributable to the presence of carbonates, with white clay being the one with the highest percentages (20%). BS and CBA showed high amounts of calcium oxide (CaO), 18.52% and 53.89%, respectively. Regarding the other raw materials, we found that BS showed a high LOI (53.80%), probably due to organic matter content and carbonates (18.52% de CaO), making it suitable as a poring agent, while CBA and FG had high P and K content, respectively, confirming their use as a nutrient source. The results of the XRF analysis showed the absence of toxic substances for possible agricultural use.
Table 3.
Chemical composition (∑Flux = K2O + Na2O + CaO + MgO + Fe2O3) and loss on ignition.
As far as the mineralogical composition of the clays is concerned, it is worth highlighting the enormous similarity between Spanish clays due to their common origin. They presented the same majority, minority, and trace phases, with the exception of the illite, which is the minority phase of the WC, with plagioclase being present in the case of the WC (Table 4). The different origin of RC, comprising one-third of the clays in this study, was evident in the majority phases present in this clay, illite and kaolinite. It should also be pointed out that this clay had chlorite as a minority phase.
Table 4.
Mineralogy composition of the clays under study.
The thermal behavior of the LWA raw materials (clays and BS) was analyzed by DSC-TG [37]. As can be seen in Figure 1, at up to 600 °C, no significant differences were observed between the clays studied in terms of weight loss. Up to this temperature, in all cases, there was a loss of mass of approximately 3–6% due to the following processes in ascending order of temperature:
Figure 1.
Differential scanning calorimetry and thermogravimetric analysis (DSC-TG) graphs of the clays (white clay (WC), black clay (BC), and red clay (RC)) and wastewater sludge (BS).
- hygroscopic water loss (up to 150 °C);
- interlayer water loss in illite and smectite (100–200 °C);
- organic matter decomposition (between 200–550 °C);
- dihydroxylation of illite (400–550 °C; [51]), kaolinite (530–590 °C), and/or chlorite (470–650 °C) [52];
- around 800 °C, endothermic event, decomposition of carbonates;
- between 900 and 1000 °C, exothermic event, peaks associated with the formation of calcium silicates;
- around 1200 °C, endothermic event corresponding to melting.
The endothermic processes are related to the typical loss of weight percentages according to the loss of moisture, dihydroxylation, and carbonate decomposition.
DSC-TG measurements in terms of BS showed that at up to 200 °C, there was a weight loss by the endothermic process due to the loss of moisture inherent in the material. In the range 200–600 °C, there were different exothermic peaks attributable to the combustion of organic matter, and we were able to distinguish between a first peak between 200 and 450 °C associated with the combustion of biodegradable materials, undigested organic material, dead bacteria, and semi-volatile compounds, and a second peak between 450 and 550 °C associated with the digestion of other materials. At around 700 °C, there was a small endothermic peak related to the decomposition of the carbonates present in the sludge (Table 3). From this temperature, the weight loss was stabilized. The total weight loss amounted to about 55% [49,53,54].
3.2. Sintered Materials
3.2.1. Chemical and Physical Properties
According to Fakhfakh et al. [36], if the SiO2/∑Flux ratio ≥ 2, the chemical composition of the sample is suitable to produce expansion when subjected to sudden heating at a high temperature. In Table 3, it can be seen how the RC met this condition, as well as the BC. However, the Spanish mixture of clay using WBC no longer complied with this condition as it had a value in the parameter of 1.9, slightly lower than 2.
Riley [34] and Ehlers [55] indicate in their works that lightweight aggregate is formed due to the development of a very viscous phase that is capable of trapping the gases released by the thermal alteration/decomposition of some mineral and/or organic species. Therefore, on the basis of the investigations of Riley [34] and Conley [56], we were able to determine a zone of chemical composition in a triangular diagram, which responded to the conditions of viscosity and bloating, i.e., to the conditions of expansion. In accordance with this, the sample located outside this region would in principle not be suitable for expansion. On the other hand, it is likely that mixtures located inside and therefore having the right chemical composition to form the necessary viscosity will not expand because the viscosity developed after the gases escaped to the outside. Therefore, Figure 2 shows how the RC clay and the RCB15 sample were located within the expansion area, while the rest remained outside it. Some of them, such as the RCFG and the RCCBA, were very close to the limits of the area.
Figure 2.
Representation of the aggregates studied in the Riley diagram [20].
Indicating the fact that the samples did not meet the Riley and Conley criteria or the SiO2/∑Flux condition is not a decisive process. Recent work indicates that these criteria are not totally reliable, and in many cases, it has been proven that lightweight aggregates are obtained from samples with compositions located outside the expansion zone [57,58].
The European standard EN-13055-1 [29] states that an aggregate is considered light if its ρb is <1.20 g/cm3 or its ρrd is <2.00 g/cm3. On this basis, only the WBFG and WBCBA aggregates complied with the standard (Table 5), and therefore the rest of the mixtures tested would not be suitable to obtain lightweight aggregates according to the protocol established in the present investigation. However, although the WBBS15 sample did not comply with the limit requirement for ρb and the RCCBA and RCFG with that of ρrd, the fact that their densities were very close to the established values allows these materials to continue to be considered interesting. The WBC, RC, and RCBS15 samples would not be suitable for the manufacture of lightweight aggregates under the conditions established in the study.
Table 5.
LWA total intrusion volume (TIV) and total pore area (TPA) by mercury intrusion porosimetry (MIP).
Dondi et al. [28], after examining the results published by different authors, proposed a standard classification of light aggregates on the basis of their ρb. Using this classification, it can be established that WBCBA, RC, and RCCBA aggregates showed a low density, while RCFG, RCBS15, WBC, WBBS15, and WBFG were classified in the medium density group. According to Dondi et al., low-density lightweight aggregates are the most common, representing about 40% of the aggregates considered in their study.
On the other hand, low-density values are related to high open porosity values (Table 6). As can be seen, the aggregates based on Italian red clay (RC) presented moderate porosities, which varied in the interval of 22.16–39.19%. These values were related to the WA24 values presented by these aggregates (Table 5), which ranged from 7.27% for RC to 19.46% for RCCBA. When analyzing this series, we were able to see how the addition of the pore-forming agent (BS) to the initial clay produced an increase in the porosity of the aggregate obtained (RCBS15) that was associated with an increase of WA24 (19.01%). However, the addition of 10% FG or CBA glass caused a slight decrease in the associated porosity values, which were in accordance with the WA24 values obtained. The decrease observed in the aggregate porosity may have been due to the glass phase provided by the FG or CBA, although the internal structure of open interconnected porosity was maintained.
Table 6.
Technological properties of the aggregates: ρB = loose bulk density; ρrd = oven dry density; WA24 = water absorption after 24 h immersion; VP = void percentage; S = single aggregate crushing strength.
In the case of the series of aggregates obtained from the Spanish clay mixture (WBC), although the values of Po and WA24 were higher (Po = 47.60–54.78%; WA24 = 29.20–40.29%), the trend commented on in the previous series was maintained by the addition of glass or ashes.
Finally, the high water absorption values that they presented together with the fact that the WBFG and WBCBA specimens complied with the limits established by the standard to be considered as light aggregates made these materials very interesting to be used for agronomic purposes. According to the results of Table 6, the highest value of crushing strength was presented by RC (9.6 MPa), followed by the aggregates of the same series RCBS15, RCFG, and RCCBA (5.4–6.2 MPa). This was directly related to its higher density and lower porosity. The rest of the aggregates presented low resistance values. In particular, the two materials mentioned above for their good aptitude for the use established in this investigation, WBCFG and WBCBA, had values of 1.3 and 0.8 MPa, respectively, for this property, of the order of that declared for ARLITA Leca L (a commercial aggregate used in gardening, horticulture, and roof insulation applications). The technical guide ARLITA Leca [59] attributes a value of fragmentation and crushing strength of 0.7 MPa for this material.
Regarding pH values, the range presented by the soils was approximately 4 to 9, with the most normal values being between 5.5 and 8 and the most desirable levels in general falling in the neutral interval between 6.5 and 7.5 (neutral interval). Therefore, only the WCB aggregate was outside this range. On the other hand, all the aggregates manufactured presented values of E.C. <4 mS/cm, which can be classified as “slightly saline” if they were soils (Table 7) [60].
Table 7.
Chemical properties of LWAs sintered at 1000 °C compared to WBC (30% white clay–70% black clay) and RC samples containing clays only.
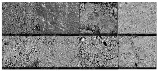
3.2.2. SEM Surface Analysis
Concerning the SEM analysis shown in Figure 3, the microstructure highlights two types of porosity that can be related to the clay material used. Samples made with red clay (RC) sintered almost completely at 1000 °C compared to the white–black mix of 30–70 wt % (WBC), confirming the differences in the water absorption values reported. From the SEM micrograph, we observed that the LWAs produced with WBC mix had more open porosity, and for this reason showed high water absorption percentage data. There was an increase of compactness related to the glass addition also in the less sintered samples constituted by WBC mixture. Otherwise, the addition of cattle bone flour ash (WBCBA and RCCBA) did not favor the sintering behavior, leading to less dense microstructure with respect to the glass addition. The cattle bone flour ash acted as an inert component into the mixture during the sintering process.
Figure 3.
LWAs—SEM micrographs (600×) of (a) WBC, (b) RC, (c) WBBS15, (d) RCBS15, (e) WBFG, (f) RCFG, (g) WBCBA, and (h) RCCBA fired at 1000 °C.
3.2.3. Mercury Intrusion Porosimetry (MIP)
The pore volume distribution as a function of their diameter for the aggregates obtained is shown in Figure 4 and Figure 5. The WBC aggregates obtained without the addition of waste were characterized by a multimodal pore diameter distribution with maxima between 1000 and 3000 nm. In contrary, RC-derived aggregates showed a monomodal pore diameter distribution with a maximum value at 438 nm. The addition of 15 wt % of BS generated greater porosity and a displacement of the size of the pore towards greater diameters [20,27]. It can be seen that the different pore diameters were in the interval of 100–30,000 nm for WBBS15 and 30–30,000 nm for RCBS15. The addition of FG glass or CBA ash did not show any variation in the range of pore diameters with respect to aggregates obtained exclusively with BS.
Figure 4.
Pore size distributions from mercury intrusion analysis for WBC, WBBS15, WBFG, and WBCBA aggregates.
Figure 5.
Pore size distributions from mercury intrusion analysis for RC, RCBS15, RCFG, and RCCBA aggregates.
According to those shown in Table 5 the values of open porosity (Po), total intrusion volume (TIV), and total pore area (TPA) of the manufactured aggregates. It can be seen how the volume of Hg introduced into the samples increased with the addition of BS, which once again highlights the pore-generating nature of the beer industry waste used. The trend observed in the TIV values was in accordance with the values obtained for the open porosity and WA24 of the aggregates.
Figure 6 shows the relationship between open porosity and water absorption for the two series of aggregates studied.
Figure 6.
Open porosity (Po) vs. WA24 representation for the series of aggregates studied.
The behavior of both series was similar. The addition of BS produced a considerable increase in the open porosity in the aggregate associated with an increase in the water absorption value. Both parameters acquired the highest values for aggregates manufactured only with clay and this waste (WA24 = 40.29% and Po = 54.78% for the WCB series; WA24 = 19.01% and Po = 39.19% for the RC series). However, the vitrification capacity of the mixtures with FG generated the sealing of the superficial material layer, favoring the capacity of swelling, and creating larger pores and lower water absorption capacity [9]. As has been previously observed, the addition of FG caused the descent of porosity in almost 10.00%, which was also related to the water absorption capacity.
It can also be seen that the differences in the WA24 and Po values of the two clay-based mixtures, WBC and RC, were very substantial. The mineralogical composition of the clays (Table 4) showed that WC and BC had calcite (CaCO3) as the majority phase and dolomite (CaMg(CO3)2) as the minority phase. These calcium and magnesium carbonates undergo a process of thermal decomposition. The temperature at which this phenomenon occurs depends on the chemical composition. Calcite decomposes at around 950 ºC, while dolomite decomposes at around 850 ºC, according to the following reactions:
The release of carbon dioxide during thermal decomposition reactions contributes to the appearance of porosity in these clays as the gases produced are trapped by the vitreous phase in formation. In addition, the formation of the vitreous phase is favored by the presence of the calcium and magnesium released, which can act as refractory elements, preventing the melting temperature from being reached and favoring the stabilization of the porosity before total melting is achieved. This would explain the high values of open porosity observed in the aggregates obtained from the WBC clay mix without additives (47.60%).
In contrast, the mineralogical composition of RC clay presents illite and kaolinite as its majority phases, minerals that present a high degree of vitrification. This, together with the absence of calcite and dolomite (the latter only appears as a minority phase), means that low porosity was generated in the aggregates obtained from RC (22.16%) [61,62]. This fact has been proven in previous studies [37].
3.2.4. LWA Leaching Test
The leaching test was performed following European regulation [47] in two different media, water (H2O) and citric acid (C6H8O7), in two time intervals in order to evaluate the released capacity of nutrients for samples with CBA (WBCBA and RCCBA) in comparison with samples with FG (WBFG and RCFG). Results are shown in Figure 7.
Figure 7.
LWA leaching test results (ppm) in water (H2O) 30 min for whole samples (WS) and 30 min and 21 days in citric acid (C6H8O7) for whole and powdered samples (PS).
The release of bulk aggregates in a water medium is negligible compared to in citric acid at 30 min. The effect of grain size is essential for comparing the release data (ppm) obtained in citric acid in whole and powdered samples.
The test in citric after 30 min showed high release of phosphorus for all the bulk aggregates with FG, with regards to potassium with the mixtures WBFG and RCCBA, were the best.
At longer times (21 days), WBFG released more amounts of P and K with respect to the RCFG, and the WB mixtures sintered less with high open porosity (WA24 = 38%), permitting exposure of a larger exchange surface to the acid medium, with this influencing the release results. Indeed, WBFG released potassium in higher proportions in almost all tests with respect to RCFG. These observations support the microstructure analysis that highlighted different sintering degree depending on the clay matrix.
In particular, WBFG and RCFG showed better phosphorus-controlled release capability in a 21-days period. This fact confirms the positive effect of the presence of glass within the aggregates. The samples obtained with RC clay mix, as observed in SEM analysis, presented a more compact structure that allows a slow release of elements. The presence of cattle bone ash in the mixture did not contribute to the sintering, but played the role of an inert material, resulting in aggregates being more porous in comparison to those containing glass.
4. Conclusions
In this research, lightweight aggregates were successfully manufactured from two different clay matrices using brewery wastewater sludge as a pore-forming agent, and fertilizer glass and cattle bone flour ash as a means to give the materials fertilizing properties, studying the physical and mechanical properties of the aggregates obtained. On the basis of the results of this study, the following specific conclusions can be drawn:
- MIP results showed how brewery sludge can be efficiently used as pore-forming agent for LWA manufacturing, representing savings in virgin raw materials and energy consumption, as well as an alternative to landfill disposal.
- The addition of FG or CBA produced a slight decrease in the open porosity and water absorption of the materials with respect to aggregates obtained only from BS. However, the open and interconnected porosity structure of the aggregates remained practically intact, as shown in the SEM images and the pore size distribution curves obtained by MIP.
- Although some other materials were close to the limits, only WCFG and WCCBA were light aggregates according to the standard UNE-EN-13055-1:2003. Furthermore, these products had high water absorption values and crushing strength of the same order as commercial products such as Arlita Leca L used in gardening, horticulture, and roof insulation applications. Furthermore, they presented adequate pH and E.C. values, indicating their potential use as growth substrates in agronomic applications.
- The results of the leaching tests showed the importance of grain size in the release of nutrients. For longer times (21 days) comparing clay aggregates with the same clay but containing FG instead of CBA, the former had a better capacity in the release of nutrients, showing the positive effect of the presence of the fertilizer glass.
- The results indicate that the different clay minerals and waste/by-products had the potential for manufacturing high-quality, lightweight aggregates for agronomic purposes using low sintering temperature with less environmental impact and higher economic savings.
- The use of brewery wastewater sludge and cattle bone flour ash for the production of lightweight aggregates brought about many environmental and economic benefits. Among the most important were the reduction of waste and energy savings. In addition, it allowed materials to be obtained that met the requirements set by the regulations to be declared as lightweight aggregates with new fertilizing properties. This approach to waste recovery makes it possible to reduce the consumption of non-renewable raw materials and the space allocated to waste disposal. This strategy is aligned with the principles of Circular Economy and Sustainable Development Goals.
Author Contributions
Conceptualization, C.M.-G. and M.T.C.-P.; methodology, M.T.C.-P., L.B., F.A. and I.L.; validation, M.T.C.-P., L.B.; formal analysis, C.M.-G., M.T.C.-P., L.B., F.A. and I.L.; investigation, C.M.-G., M.T.C.-P., L.B., F.A., I.L. and R.D.F.; data curation, M.T.C.-P.; writing—original draft preparation, C.M.-G., M.T.C.-P., L.B., F.A., I.L. and R.D.F. writing—review and editing, C.M.-G., M.T.C.-P., L.B., F.A. and I.L.; supervision, C.M.-G. and M.T.C.-P.; project administration, C.M.-G. All authors have read and agreed to the published version of the manuscript.
Funding
This research was conducted as a part of the SmartMats Project (MAT2015-70034-R), ‘‘Smart materials for sustainable construction”, funded by the Spanish Ministry of Economy and Competitiveness and FEDER (MINECO-FEDER).
Institutional Review Board Statement
Not applicable.
Informed Consent Statement
Not applicable.
Acknowledgments
The authors thank Escavazioni Industriali Baroni S.P.A. for collaborating with this research. R.D. Farias would like to express her gratitude to the University of Jaen and University of Modena and Reggio Emilia. The authors gratefully acknowledge this support. The authors also gratefully acknowledge the technical and human support provided by CICT of the University of Jaén and the University of Málaga (UJA, MINECO, Junta de Andalucía, FEDER).
Conflicts of Interest
The authors declare no conflict of interest.
References
- Sadineni, S.B.; Madala, S.; Boehm, R.F. Passive building energy savings: A review of building envelope components. Renew. Sustain. Energy Rev. 2011, 15, 3617–3631. [Google Scholar] [CrossRef]
- Muñoz, P.; Ortiz, M.P.M.; Giró, M.A.M.; Melia, D.M.; Rehbein, J.H. Development of sustainable fired clay bricks by adding kindling from vine shoot: Study of thermal and mechanical properties. Appl. Clay Sci. 2015, 107, 156–164. [Google Scholar] [CrossRef]
- Cusido, J.; Cremades, L.; Soriano, C.; Devant, M. Incorporation of paper sludge in clay brick formulation: Ten years of industrial experience. Appl. Clay Sci. 2015, 108, 191–198. [Google Scholar] [CrossRef]
- Aguilar-Peña, J.D.; Martínez-García, C.; Martínez-Cartas, M.; Cotes-Palomino, M.; Pérez-Villarejo, L.; Cruz-Pérez, N.; Corpas-Iglesias, F. The use of different forms of waste in the manufacture of ceramic bricks. Appl. Clay Sci. 2011, 52, 270–276. [Google Scholar] [CrossRef]
- Barbieri, L.; Andreola, F.; Lancellotti, I.; Taurino, R. Management of agricultural biomass wastes: Preliminary study on characterization and valorisation in clay matrix bricks. Waste Manag. 2013, 33, 2307–2315. [Google Scholar] [CrossRef]
- Herek, L.C.; Hori, C.E.; Reis, M.H.M.; Mora, N.D.; Tavares, C.R.G.; Bergamasco, R. Characterization of ceramic bricks incorporated with textile laundry sludge. Ceram. Int. 2012, 38, 951–959. [Google Scholar] [CrossRef]
- Ducman, V.; Mirtič, B. The applicability of different waste materials for the production of lightweight aggregates. Waste Manag. 2009, 29, 2361–2368. [Google Scholar] [CrossRef]
- Barbieri, L.; Andreola, F.; Bellucci, D.; Cannillo, V.; Lancellotti, I.; Lugari, A.; Rincón, J.; Romero, M.; Sola, A. Preliminary studies on the valorization of animal flour ash for the obtainment of active glasses. Ceram. Int. 2014, 40, 5619–5628. [Google Scholar] [CrossRef]
- Cicek, B.; Tucci, A.; Bernardo, E.; Will, J.; Boccaccini, A. Development of glass-ceramics from boron containing waste and meat bone ash combinations with addition of waste glass. Ceram. Int. 2014, 40, 6045–6051. [Google Scholar] [CrossRef]
- Bernardo, E.; Bonomo, E.; Dattoli, A. Optimisation of sintered glass–ceramics from an industrial waste glass. Ceram. Int. 2010, 36, 1675–1680. [Google Scholar] [CrossRef]
- Farías, R.D.; Martínez-García, C.; Cotes-Palomino, T.; Arellano, M.M. Effects of Wastes from the Brewing Industry in Lightweight Aggregates Manufactured with Clay for Green Roofs. Materials 2017, 10, 527. [Google Scholar] [CrossRef] [PubMed]
- Soltan, A.M.M.; Kahl, W.-A.; El-Raoof, F.A.; El-Kaliouby, B.A.-H.; Serry, M.A.-K.; Abdel-Kader, N.A. Lightweight aggregates from mixtures of granite wastes with clay. J. Clean. Prod. 2016, 117, 139–149. [Google Scholar] [CrossRef]
- González-Corrochano, B.; Alonso-Azcárate, J.; Rodas, M. Characterization of lightweight aggregates manufactured from washing aggregate sludge and fly ash. Resour. Conserv. Recycl. 2009, 53, 571–581. [Google Scholar] [CrossRef]
- Porcino, D.D.; Mauriello, F.; Bonaccorsi, L.; Tomasello, G.; Paone, E.; Malara, A. Recovery of Biomass Fly Ash and HDPE in Innovative Synthetic Lightweight Aggregates for Sustainable Geotechnical Applications. Sustainability 2020, 12, 6552. [Google Scholar] [CrossRef]
- Cheeseman, C.; Makinde, A.; Bethanis, S. Properties of lightweight aggregate produced by rapid sintering of incinerator bottom ash. Resour. Conserv. Recycl. 2005, 43, 147–162. [Google Scholar] [CrossRef]
- Bethanis, S.; Cheeseman, C.R. Manufacture of lightweight aggregate from incinerator bottom ash and pulverised fuel ash. In Proceedings of the Heleco Conference, Grete, Greece, 3–6 February 2005. [Google Scholar]
- Zorić, D.; Lazar, D.; Rudić, O.; Radeka, M.; Ranogajec, J.G.; Hiršenberger, H. Thermal conductivity of lightweight aggregate based on coal fly ash. J. Therm. Anal. Calorim. 2012, 110, 489–495. [Google Scholar] [CrossRef]
- Wei, Y.-L.; Cheng, S.-H.; Chen, W.-J.; Lu, Y.-H.; Chen, K.; Wu, P.-C. Influence of various sodium salt species on formation mechanism of lightweight aggregates made from coal fly ash-based material. Constr. Build. Mater. 2020, 239, 117890. [Google Scholar] [CrossRef]
- González-Corrochano, B.; Azcárate, J.A.; Rodas, M.; Luque, F.; Barrenechea, J.M.F. Microstructure and mineralogy of lightweight aggregates produced from washing aggregate sludge, fly ash and used motor oil. Cem. Concr. Compos. 2010, 32, 694–707. [Google Scholar] [CrossRef]
- Franus, M.; Jozefaciuk, G.; Bandura, L.; Lamorski, K.; Hajnos, M.; Franus, W. Modification of Lightweight Aggregates’ Microstructure by Used Motor Oil Addition. Materials 2016, 9, 845. [Google Scholar] [CrossRef]
- Burbano-Garcia, C.; Hurtado, A.; Silva, Y.F.; Delvasto, S.; Araya-Letelier, G. Utilization of waste engine oil for expanded clay aggregate production and assessment of its influence on lightweight concrete properties. Constr. Build. Mater. 2020, 121677. [Google Scholar] [CrossRef]
- Cusidó, J.A.; Soriano, C. Valorization of pellets from municipal WWTP sludge in lightweight clay ceramics. Waste Manag. 2011, 31, 1372–1380. [Google Scholar] [CrossRef] [PubMed]
- Tuan, B.L.A.; Hwang, C.-L.; Lin, K.-L.; Chen, Y.-Y.; Young, M.-P. Development of lightweight aggregate from sewage sludge and waste glass powder for concrete. Constr. Build. Mater. 2013, 47, 334–339. [Google Scholar] [CrossRef]
- Franus, M.; Barnat-Hunek, D.; Wdowin, M. Utilization of sewage sludge in the manufacture of lightweight aggregate. Environ. Monit. Assess. 2015, 188, 1–13. [Google Scholar] [CrossRef] [PubMed]
- Liu, M.; Liu, X.; Wang, W.; Guo, J.; Zhang, L.; Zhang, H. Effect of SiO2 and Al2O3 on characteristics of lightweight aggregate made from sewage sludge and river sediment. Ceram. Int. 2018, 44, 4313–4319. [Google Scholar] [CrossRef]
- Mañosa, J.; Formosa, J.; Giro-Paloma, J.; Maldonado-Alameda, A.; Quina, M.; Chimenos, J. Valorisation of water treatment sludge for lightweight aggregate production. Constr. Build. Mater. 2021, 269, 121335. [Google Scholar] [CrossRef]
- Franus, M.; Panek, R.; Madej, J.; Franus, W. The properties of fly ash derived lightweight aggregates obtained using microwave radiation. Constr. Build. Mater. 2019, 227, 116677. [Google Scholar] [CrossRef]
- Dondi, M.; Cappelletti, P.; D’Amore, M.; De Gennaro, R.; Graziano, S.; Langella, A.; Raimondo, C.Z.M.; Zanelli, C. Lightweight aggregates from waste materials: Reappraisal of expansion behavior and prediction schemes for bloating. Constr. Build. Mater. 2016, 127, 394–409. [Google Scholar] [CrossRef]
- EN-13055:2002-1, Lightweight Aggregates-Part 1: Lightweight Aggregates for Concrete, Mortar and Grout; European Commission: Brussels, Belgium, 2003.
- Molineux, C.J.; Fentiman, C.H.; Gange, A.C. Characterising alternative recycled waste materials for use as green roof growing media in the U.K. Ecol. Eng. 2009, 35, 1507–1513. [Google Scholar] [CrossRef]
- Martínez, P.F.; Roca, D. Sustratos para el cultivo sin suelo. Materiales, propiedades y manejo. In Sustratos, Manejo del Clima, Automatización y Control en Sistemas de Cultivo sin Suelo, 1st ed.; Flórez, V.J., Ed.; Colciencias: Bogotá, Colombia, 2011; pp. 37–77. [Google Scholar]
- Enzo, M.; Gianquinto, G.; Lazzarin, R.; Pimpini, F.; Sambo, P. Principi Técnico Agronomici della Fertirrigazione e del Fuori Suolo (Technical and Agronomic Principles of Fertigation and Soilless); Veneto Agricoltura: Padova, Italy, 2001. [Google Scholar]
- Barbieri, L.; Bigi, A.; Andreola, F.; Lancellotti, I.; Ghermandi, G.; Palomino, M.T.C.; García, C.M. Environmental impact estimation of ceramic lightweight aggregates production starting from residues. Int. J. Appl. Ceram. Technol. 2020. [Google Scholar] [CrossRef]
- Riley, C.M. Relation of Chemical Properties to the Bloating of Clays. J. Am. Ceram. Soc. 1951, 34, 121–128. [Google Scholar] [CrossRef]
- DeGennaro, R.; Cappelletti, P.; Cerri, G.; Dondi, M.; Langella, A. Zeolitic tuffs as raw materials for lightweight aggregates. Appl. Clay Sci. 2004, 25, 71–81. [Google Scholar] [CrossRef]
- Fakhfakh, E.; Hajjaji, W.; Medhioub, M.; Rocha, F.; Lopezgalindo, A.; Setti, M.; Kooli, F.; Zargouni, F.; Jamoussi, F. Effects of sand addition on production of lightweight aggregates from Tunisian smectite-rich clayey rocks. Appl. Clay Sci. 2007, 35, 228–237. [Google Scholar] [CrossRef]
- Farias, R.D.; Garcia, C.M.; Cotes-Palomino, T.; Andreola, F.; Lancellotti, I.; Barbieri, L. VALORIZATION OF AGRO-INDUSTRIAL WASTES IN LIGHTWEIGHT AGGREGATES FOR AGRONOMIC USE: PRELIMINARY STUDY. Environ. Eng. Manag. J. 2017, 16, 1691–1699. [Google Scholar] [CrossRef]
- UNE-EN-1097-6:2014, Tests for Mechanical and Physical Properties of Aggregates-Part 6: Determination of Particle Density and Water Absorption; Spanish Association for Standardisation and Certification: Madrid, Spain, 2014.
- UNE-EN-1097-3:1999, Tests for Mechanical and Physical Properties of Aggregates-Part 3: Determination of Loose Bulk Density and Voids; Spanish Association for Standardisation and Certification: Madrid, Spain, 1999.
- UNE-EN-13037:2012, Soil Improvers and Growing Substrates. pH Determination; Spanish Association for Standardisation and Certification: Madrid, Spain, 2012.
- UNE-EN-13038:2012, Soil Improvers and Growing Substrates. Electrical Conductivity Determination; Spanish Association for Standardisation and Certification: Madrid, Spain, 2012.
- Yashima, S.; Kanda, Y.; Sano, S. Relationships between particle size and fracture energy or impact velocity required to fracture as estimated from single particle crushing. Powder Technol. 1987, 51, 277–282. [Google Scholar] [CrossRef]
- Li, Y.; Wu, D.; Zhang, J.; Chang, L.; Wu, D.; Fang, Z.; Shi, Y. Measurement and statistics of single pellet mechanical strength of differently shaped catalysts. Powder Technol. 2000, 113, 176–184. [Google Scholar] [CrossRef]
- Korat, L.; Ducman, V.; Legat, A.; Mirtič, B. Characterisation of the pore-forming process in lightweight aggregate based on silica sludge by means of X-ray micro-tomography (micro-CT) and mercury intrusion porosimetry (MIP). Ceram. Int. 2013, 39, 6997–7005. [Google Scholar] [CrossRef]
- Gallé, C. Effect of drying on cement-based materials pore structure as identified by mercury intrusion porosimetry-A comparative study between oven-, vacuum-, and freeze-drying. Cem. Concr. Res. 2001, 31, 1467–1477. [Google Scholar] [CrossRef]
- Kockal, N.U.; Ozturan, T. Characteristics of lightweight fly ash aggregates produced with different binders and heat treatments. Cem. Concr. Compos. 2011, 33, 61–67. [Google Scholar] [CrossRef]
- CE-2003/2003: Relating to Fertilisers; European Parliament: Strasbourg, France, 2003.
- Legislative Decree 75/2010. Reorganize and Revise on Fertilizers; Italian Republic: Rome, Italy, 2010.
- Martínez García, C.; Cotes Palomino, M.T.; Corpas Iglesias, F.A. Recovering wastes from the paper industry: Development of ceramic materials. Fuel Process. Technol. 2012, 103, 117–124. [Google Scholar] [CrossRef]
- Martínez-García, C.; Cotes-Palomino, T.; Corpas-Iglesias, F.A.; Cartas, L.M.; Cruz, N.P.; Iglesias, F.A.C.; Martínez-Cartas, M.L. Study of Thermal Conductivity of Materials Made of Sludges Water Depuration of the Brewing Industry. Adv. Mater. Res. 2010, 107, 105–110. [Google Scholar] [CrossRef]
- Murad, E.; Wagner, U. The thermal behaviour of an Fe-rich illite. Clay Miner. 1996, 31, 45–52. [Google Scholar] [CrossRef]
- Földvári, M. Handbook of thermogravimetric system of minerals and its use in geological practice. In Occasional Papers of the Geological Institute of Hungary Vol. 213; Geological Institute of Hungary: Budapest, Hungary, 2011; ISBN 978-963-671-288-4. [Google Scholar]
- Martinez, M.L.; Aguilar-Peña, J.D.; Cruz, N.; Corpas, F.J. Utilización de bagazo de la industria cervecera para la producción de ladrillos para construcción. Materiales de Construcción 2012, 62, 199–212. [Google Scholar] [CrossRef]
- De la Casa, J.A.; Romero, I.; Jimenez, J.; Castro, E. Fired clay masonry units production incorporating two-phase olive mill waste (alpeorujo). Ceram. Int. 2012, 38, 5027–5037. [Google Scholar] [CrossRef]
- Ehlers, E.G. The mechanism of lightweight aggregate formation. Am. Ceram. Soc. Bull. 1958, 37, 95–99. [Google Scholar]
- Conley, J.E.; Wilson, H.; Klinefecter, T.A. Production of lightweight aggregates form clays, shales, slates and others materials. U.S. Bureau Mines. 1948, 4401, 121. [Google Scholar]
- Moreno-Maroto, J.M.; Cobo-Ceacero, C.J.; Uceda-Rodríguez, M.; Cotes-Palomino, T.; Martínez-García, C.; Alonso-Azcárate, J. Unraveling the expansion mechanism in lightweight aggregates: Demonstrating that bloating barely requires gas. Constr. Build. Mater. 2020, 247, 118583. [Google Scholar] [CrossRef]
- Moreno-Maroto, J.M.; Uceda-Rodríguez, M.; Cobo-Ceacero, C.J.; Cotes-Palomino, T.; Martínez-García, C.; Alonso-Azcárate, J. Studying the feasibility of a selection of Southern European ceramic clays for the production of lightweight aggregates. Constr. Build. Mater. 2020, 237, 117583. [Google Scholar] [CrossRef]
- Saint-Gobain Weber Cemarksa, S.A. Guía Técnica de Arlita Leca. Available online: https://issuu.com/e-weber/docs/weber_guia_tecnica_arlita_leca_7da653eee46fcc/5 (accessed on 1 December 2020).
- Fernández Fernández, M.M.; Aguilar Pérez, M.I.; Carrique Pérez, J.R.; Tortosa Domingo, J.; García García, C.; López Rodríguez, M.; Pérez Morales, J.M. Suelo y medioambiente en invernaderos 5ª edición. Instituto de Investigación y Formación Agraria y Pesquera. Consejería de Agricultura, Pesca y Desarrollo Rural. Junta de Andalucía, Reedición. 2017. Available online: https://www.juntadeandalucia.es/export/drupaljda/publicacion/17/07/3.%20Suelo%20y%20medio%20ambiente%20en%20invernaderos%202017%20BAJA.pdf (accessed on 1 December 2020).
- Linares González, J.; Huertas García, F.; Capel Martínez, J. La arcilla como material cerámico. Características y comportamiento. Cuad. Prehist. Arqueol. Univ. Granada 1983, 8, 479–490. [Google Scholar]
- Betancourt, D.; Martirena, F.; Day, R.; Díaz, Y. The influence of the addition of calcium carbonate on the energy efficiency of fired clay bricks manufacture. Rev. Constr. 2007, 22, 187–196. [Google Scholar]
Publisher’s Note: MDPI stays neutral with regard to jurisdictional claims in published maps and institutional affiliations. |
© 2021 by the authors. Licensee MDPI, Basel, Switzerland. This article is an open access article distributed under the terms and conditions of the Creative Commons Attribution (CC BY) license (http://creativecommons.org/licenses/by/4.0/).






