Optimal Design Analysis with Simulation and Experimental Performance Investigation of High-Power Density Telecom PFC Converters
Abstract
:1. Introduction
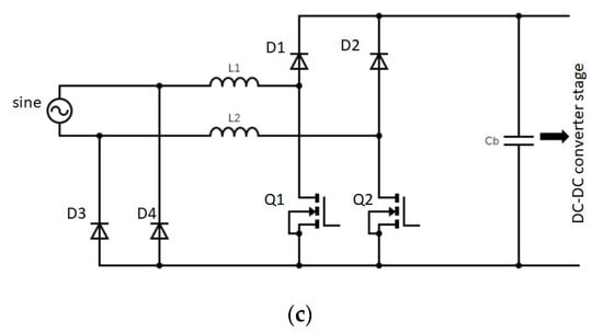
2. PFC Converters Power Components Design Analysis and Selection
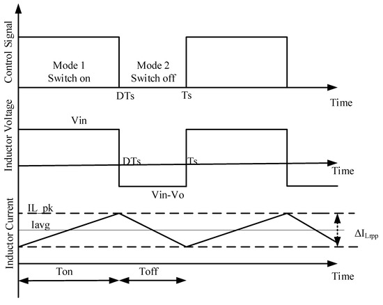
2.1. The Boost Inductor Design and Manufacturing
2.1.1. Conventional PFC Boost Inductor
2.1.2. Interleaved PFC Boost Inductor
2.2. Output Capacitor Selection
2.3. Switching Elements Selection
2.3.1. Power Mosfet Switches Selection
2.3.2. Fast Switching Boost Diode Selection
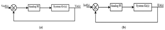
3. The Proposed Average Small Signal Modelling and Control Circuits Design
3.1. Conventional CCM PFC Topology
3.2. Interleaved CCM PFC Topology
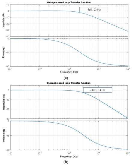
4. Simulation Results
5. Experimental Verification
6. Conclusions
Author Contributions
Funding
Data Availability Statement
Conflicts of Interest
References
- Kim, Y.; Sung, W.; Lee, B. Comparative Performance Analysis of High Density and Efficiency PFC Topologies. IEEE Trans. Power Electron. 2014, 29, 2666–2679. [Google Scholar] [CrossRef]
- Chen, Z.; Davari, P.; Wang, H. Single-phase bridgeless PFC topology derivation and performance benchmarking. IEEE Trans. Power Electron. 2020, 35, 9238–9250. [Google Scholar] [CrossRef]
- Kim, Y.S.; Lee, B.K.; Lee, J.W. Topology characteristics analysis and performance comparison for optimal design of high efficiency PFC circuit for telecom. In Proceedings of the 2011 IEEE 33rd International Telecommunications Energy Conference (INTELEC), Amsterdam, The Netherlands, 9–13 October 2011; pp. 1–7. [Google Scholar]
- Okilly, A.H.; Kim, N.; Baek, J. Inrush Current Control of High-Power Density DC–DC Converter. Energies 2020, 13, 4301. [Google Scholar] [CrossRef]
- Okilly, A.H.; Jeong, H.; Baek, J. Optimal IP Current Controller Design Based on Small Signal Stability for THD Reduction of a High-Power-Density PFC Boost Converter. Appl. Sci. 2021, 11, 539. [Google Scholar] [CrossRef]
- Xiong, Y.; Huang, Y.; Zhong, Z.; Zhang, T. Research and design on digital PFC of 2kW On-board charger. World Electr. Veh. J. 2010, 4, 202–207. [Google Scholar] [CrossRef] [Green Version]
- Basic Calculation of a Boost Converter’s Power Stage. Application Report, Texas Instruments. Dallas, TX, USA. January 2014. Available online: https://www.ti.com/lit/pdf/slva372 (accessed on 9 April 2021).
- Chitra, P.; Seyezhai, R. Basic design and review of two phase and three phase interleaved boost converter for renewable energy systems. Int. J. Appl. Sci. 2014, 1, 1–26. [Google Scholar]
- Yang, F.; Li, C.; Cao, Y.; Yao, K. Two-phase interleaved boost PFC converter with coupled inductor under single-phase operation. IEEE Trans. Power Electron. 2019, 35, 169–184. [Google Scholar] [CrossRef]
- Wu, H.; Pickert, V.; Giaouris, D.; Ji, B. Nonlinear analysis and control of interleaved boost converter using real-time cycle to cycle variable slope compensation. IEEE Trans. Power Electron. 2016, 32, 7256–7270. [Google Scholar] [CrossRef]
- Narula, S.; Singh, B.; Bhuvaneswari, G.; Pandey, R. An interleaved PFC converter-based welding power supply with improved power quality. In Proceedings of the 2016 IEEE 6th International Conference on Power Systems (ICPS), New Delhi, India, 4–6 March 2016; pp. 1–6. [Google Scholar]
- Huber, L.; Jang, Y.; Jovanovic, M.M. Performance Evaluation of Bridgeless PFC Boost Rectifiers. IEEE Trans. Power Electron. 2008, 23, 1381–1390. [Google Scholar] [CrossRef]
- Tseng, S.-Y.; Fan, J.-H. Bridgeless Boost Converter with an Interleaving Manner for PFC Applications. Electronics 2021, 10, 296. [Google Scholar] [CrossRef]
- Li, G.; Xia, J.; Wang, K.; Deng, Y.; He, X.; Wang, Y. A single-stage interleaved resonant bridgeless boost rectifier with high-frequency isolation. IEEE J. Emerg. Sel. Top. Power Electron. 2019, 8, 1767–1781. [Google Scholar] [CrossRef]
- Masresha, H.; Haile, T. Investigation of Optimized Topology for AC/DC Power Supply Unit in Telecom Industry. Master’s Thesis, Chalmers University of Technology, Göteborg, Sweden, 2019. [Google Scholar]
- Rosas-Caro, J.; Escobar, G.; Valdez-Resendiz, J.E.; Maldonado, J.C.; Beltran-Carbajal, F.; Del-Valle-Soto, C. Analysis of the Input Current-Ripple in the Series-Capacitor Boost Converter. IEEE Trans. Ind. Electron. 2020, 68, 10303–10308. [Google Scholar] [CrossRef]
- Ibarra-Nuño, C.; Rodríguez, A.; Alejo-Reyes, A.; Cuevas, E.; Ramirez, J.M.; Rosas-Caro, J.C.; Robles-Campos, H.R. Optimal Operation of the Voltage-Doubler Boost Converter through an Evolutionary Algorithm. Mathematics 2021, 9, 423. [Google Scholar] [CrossRef]
- Villarreal-Hernandez, C.A.; Loranca-Coutiño, J.; Mayo-Maldonado, J.C.; Valdez-Resendiz, J.E.; García-Vite, P.M.; Valderrabano-Gonzalez, A.; Rosas-Caro, J.C. A Double Dual Boost Converter with Switching Ripple Cancellation for PEMFC Systems. Electronics 2020, 9, 1592. [Google Scholar] [CrossRef]
- Kong, P.; Wang, S.; Lee, F.C. Common Mode EMI Noise Suppression for Bridgeless PFC Converters. IEEE Trans. Power Electron. 2008, 23, 291–297. [Google Scholar] [CrossRef]
- Nasir, J.C. Mitigation of Common Mode Noise for PFC Boost Converter by Balancing Technique. In Proceedings of the 8th IET International Conference on Power Electronics, Machines and Drives (PEMD), Glasgow, UK, 19–21 April 2016. [Google Scholar]
- Mathur, P.; Raman, S. Electromagnetic interference (EMI): Measurement and reduction techniques. J. Electron. Mater. 2020, 18, 1–24. [Google Scholar] [CrossRef] [Green Version]
- Frgal, P. Average Current Mode Interleaved PFC Control; Application Note, Rev. 0; Freescale Semiconductor, Inc.: Austin, TX, USA, 2016; p. 2016. [Google Scholar]
- Cao, G.; Kim, H.J. Improved bridgeless interleaved Boost PFC rectifier with optimized magnetic utilization and reduced sensing noise. J. Power Electron. 2014, 14, 815–826. [Google Scholar] [CrossRef] [Green Version]
- Rashmi, R.; Lembhe, A.; Kharade, P.A.; Uplane, M.D. Current controlled single-phase interleaved boost converter with power factor correction. Int. J. Adv. Res. Electr. Electron. Instrum. Eng. 2016, 5, 3007–3013. [Google Scholar]
- Baek, J.; Park, M.-H.; Kim, T.; Youn, H.-S. Modified Power Factor Correction (PFC) Control and Printed Circuit Board (PCB) Design for High-Efficiency and High-Power Density On-Board Charger. Energies 2021, 14, 605. [Google Scholar] [CrossRef]
- Rasoulinezhad, R.; Abosnina, A.A.; Khodabakhsh, J.; Moschopoulos, G. An AC-DC Interleaved ZCS-PWM Boost Converter with Reduced Auxiliary Switch RMS Current Stress. IEEE Access 2021, 9, 41320–41333, Losses calculation. [Google Scholar] [CrossRef]
- Nussbaumer, T.; Raggl, K.; Kolar, J.W. Design Guidelines for Interleaved Single-Phase Boost PFC Circuits. IEEE Trans. Ind. Electron. 2009, 56, 2559–2573. [Google Scholar] [CrossRef]
- Aiello, G.; Cacciato, M.; Messina, S.; Torrisi, M. A high efficiency interleaved PFC front–end converter for EV battery charger. Commun.-Sci. Lett. Univ. Zilina 2018, 20, 86–91. [Google Scholar]
- Power Factor Correction (PFC) Controllers—Products. Website. Available online: https://www.ti.com/power-management (accessed on 22 January 2021).
- Kanaan, H.Y.; Marquis, A.; Al-Haddad, K. Small-signal modeling and linear control of a dual boost power factor correction circuit. In Proceedings of the 2004 IEEE 35th Annual Power Electronics Specialists Conference (IEEE Cat. No. 04CH37551), Aachen, Germany, 20–25 June 2004; Volume 4, pp. 3127–3133. [Google Scholar]
- Barry, B.C.; Hayes, J.G.; Rylko, M.S.; Stala, R.; Penczek, A.; Mondzik, A.; Ryan, R.T. Small-signal model of the two-phase interleaved coupled-inductor boost converter. IEEE Trans. Power Electron. 2017, 33, 8052–8064. [Google Scholar] [CrossRef]
- Institute of Electrical and Electronics Engineers (IEEE). IEEE Recommended Practice and Requirements for Harmonic Control in Electric Power Systems, IEEE Standard 519, 2014; IEEE: Piscataway, NJ, USA, 2014. [Google Scholar]
- PFC Boost Design. Available online: https://www.mag-inc.com/Products/Powder-Cores/Kool-Mu-Cores/PFC-Boost-Design (accessed on 24 March 2021).
- 2015-Magnetics-Powder-Core-Catalog, Core Selector Charts. Available online: https://www.mag-inc.com/getattachment/Products/Powder-Cores/Learn-More-about-Powder-Cores/2015-Magnetics-Powder-Core-Catalog.pdf?lang=en-US (accessed on 19 April 2021).
- Magnetics Powder Cores Molypermalloy, High Flux, Kool Mµ, XFlux Selection Catalogues. Available online: https://www.mag-inc.com/getattachment/Products/Powder-Cores/Learn-More-about-Powder-Cores/2015-Magnetics-Powder-Core-Catalog.pdf?lang=en-US (accessed on 24 January 2021).
- Jang, J.; Pidaparthy, S.K.; Choi, B. Implementation and Evaluation of Interleaved Boundary Conduction Mode Boost PFC Converter with Wide Band-Gap Switching Devices. J. Power Electron. 2018, 18, 985–996. [Google Scholar]
- Gu, Y.; Zhang, D. Interleaved boost converter with ripple cancellation network. IEEE Trans. Power Electron. 2012, 28, 3860–3869. [Google Scholar] [CrossRef]
- Control Integrated Power System (CIPOS™) 2-Phase Interleaved PFC IPM (IFCMxxT65yz) Reference Board; Application Note; Infineon Company: Neubiberg, Germany, 6 June 2018.
- Xu, H.; Chen, D.; Xue, F.; Li, X. Optimal design method of interleaved boost PFC for improving efficiency from switching frequency, boost inductor, and output voltage. IEEE Trans. Power Electron. 2018, 34, 6088–6107. [Google Scholar] [CrossRef]
- UCC28070 300-W Interleaved PFC Pre-Regulator Design Review; Application Report; Texas Instruments: Dallas, TX, USA, 2010; Available online: https://www.ti.com/lit/an/slua479b/slua479b.pdf?ts=1613536856416&ref_url=https%253A%252F%252Fwww.google.com%252F (accessed on 20 August 2021).
- Understanding ESR in Electrolytic Capacitors. Available online: https://www.avnet.com (accessed on 15 April 2020).
- Mejía-Ruiz, G.E.; Muñoz-Galeano, N.; López-Lezama, J.M. Modeling and development of a bridgeless PFC Boost rectifier. Rev. Fac. De Ing. Univ. Antioq. 2017, 82, 9–21. [Google Scholar] [CrossRef] [Green Version]
- 5kW PFC Evaluation Board with CCM PFC Controller ICE3PCS01G; Design Report; Infineon Company: Neubiberg, Germany, 2015; Available online: https://www.infineon.com/cms/en/product/evaluation-boards/eval_2k5w_ccm_4p_v3/ (accessed on 9 April 2021).






























| Design Parameter | Value | Unit |
|---|---|---|
| Supply voltage (Vin) | 220 (85–265) | V |
| Supply Frequency (F) | 60 (47–63) | Hz |
| Output Voltage (Vo) | 400 (320–410) | V |
| Output Power (Po) | 2000 | W |
| Efficiency (η) | 95% | - |
| Switching Frequency (Fsw) | 100 | kHz |
| Hold Up Time (thold) | 10 | ms |
| Inductor ripple (%Ripple) | 20% | |
| voltage ripple (Vrpp) | 20 | Vpp |
| Current ripple | 5% |
| Conventional CCM PFC | Interleaved CCM PFC | |
|---|---|---|
| Inductor No. of units | 1 | 2 |
| Core type | Kool Mu (77083A7) | Kool Mu (77354A7) |
| Inductive factor (AL) | 81 ± 8% (nH/T2) | 76 ± 8% (nH/T2) |
| No. of Turns (N) | 60 | 65 |
| Winding wire | Cupper 1.15 mm | Cupper 0.75 mm |
| DC resistance (DCR) | 0.078 Ω | 0.055 Ω |
| Total Weight | 175 g | 95 g |
| Total cost | 17.00 USD | 11.00 USD |
| Conventional CCM PFC | Interleaved CCM PFC | |
|---|---|---|
| Bridge | GSIB2580 | GBJ3508 |
| Boost Inductor | 470 uH | 2× 300 uH |
| MOSFET | IPZ60R040C7 | 2× IPW60R099P6 |
| Boost Diode | IDH16G65C5 | 2× IDH16G65C5 |
| Bulk capacitor | 1120 uF (2× EKMR421VSN561MR50S) | 1120 uF (2× ALA7DA561DE450) |
| PFC Control IC | UCC 28180 | UCC 28070 |
| Gate driver | 1ED160N12AF | UCC27324D |
Publisher’s Note: MDPI stays neutral with regard to jurisdictional claims in published maps and institutional affiliations. |
© 2021 by the authors. Licensee MDPI, Basel, Switzerland. This article is an open access article distributed under the terms and conditions of the Creative Commons Attribution (CC BY) license (https://creativecommons.org/licenses/by/4.0/).
Share and Cite
Okilly, A.H.; Baek, J. Optimal Design Analysis with Simulation and Experimental Performance Investigation of High-Power Density Telecom PFC Converters. Appl. Sci. 2021, 11, 7911. https://doi.org/10.3390/app11177911
Okilly AH, Baek J. Optimal Design Analysis with Simulation and Experimental Performance Investigation of High-Power Density Telecom PFC Converters. Applied Sciences. 2021; 11(17):7911. https://doi.org/10.3390/app11177911
Chicago/Turabian StyleOkilly, Ahmed H., and Jeihoon Baek. 2021. "Optimal Design Analysis with Simulation and Experimental Performance Investigation of High-Power Density Telecom PFC Converters" Applied Sciences 11, no. 17: 7911. https://doi.org/10.3390/app11177911
APA StyleOkilly, A. H., & Baek, J. (2021). Optimal Design Analysis with Simulation and Experimental Performance Investigation of High-Power Density Telecom PFC Converters. Applied Sciences, 11(17), 7911. https://doi.org/10.3390/app11177911
