A Numerical Study of a Compressed Air Engine with Rotating Cylinders
Abstract
1. Introduction
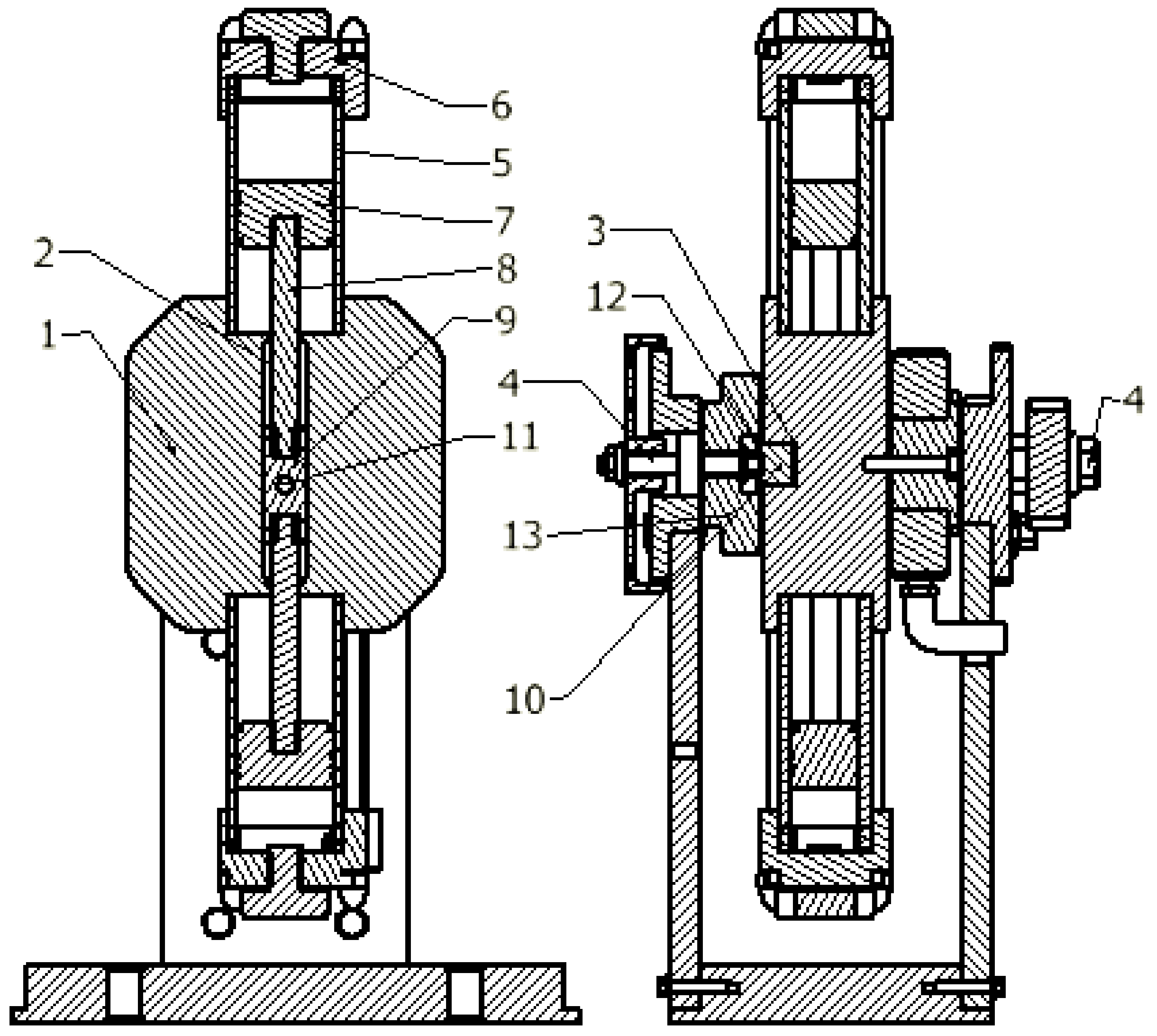
2. Materials and Methods
3. Derivation of a Mathematical Model
4. Results
- The mathematical model derived in Section 3 and solved in MATLAB (MathWorks, Natick, MA, USA);
- The numerical model is represented by the MBS model created in the Simpack software (Figure 8).
5. Discussion
6. Conclusions
- We designed and patented a technical solution for a new non-conventional engine; this solution could be applied to a wide range of mechanisms;
- We derived and created a mathematical model of the engine mechanism using Lagrange’s equations of motion of the second kind, as well as a numerical model in the Simpack commercial software. These mathematical models represent a very important development in the creation of more detailed models to describe the dependence of the driving medium pressure and the values of the maximal rotations. All presented data are necessary to regulate the engine for loading and use;
- We performed MBS simulations. The results of the chosen kinematic quantities for these numerical simulations demonstrated the relevant effects of the gear mechanism;
- Our results showed that the mathematical model of the engine mechanism described by the equations of motion and the multibody model created in the MBS software were very similar to each other. This indicates the correctness of the chosen procedure and the two models;
- A real prototype was also made in the laboratory conditions, and its functionality was verified, which can be considered as the greatest contribution of the possibility of commercial use;
- The created mathematical model and subsequent computational models and analyses have proven that the mathematical description of the engine mechanism is carried out correctly. As the engine design is still being developed, these materials will serve as the key background for further research. It will allow to predict dynamic properties of the engine under various operational conditions, to detect possible deficiencies at the extreme operational conditions, e.g., to high input pressure, high engine speed, to avoid excessive vibration, which could be caused by imbalances and other technical issues. Moreover, the virtual models allow to optimize the parameters of the engine without having a real product, i.e., this really saves production costs, shortens time of development as well as makes it easier to perform any modifications during the development process of the final engine prototype.
Author Contributions
Funding
Institutional Review Board Statement
Informed Consent Statement
Data Availability Statement
Conflicts of Interest
Nomenclature
| CAD | Computer-aided design |
| PA6G | Cast nylon |
| PMMA | Polymethyl methacrylate |
| PTFE | Polytetrafluoroethylene |
| B | Damping matrix |
| Bmod | Modified damping matrix |
| b1 | Damping coefficient of a first output |
| b2 | Damping coefficient of a second output |
| ED | Dissipative energy |
| EK | Kinetic energy |
| Modified kinetic energy | |
| Total kinetic energy | |
| EP | Potential energy |
| F | External load |
| fAp | Friction coefficient of plastic cylinders and pistons |
| fAs | Friction coefficient of steel cylinders and pistons |
| fBp | Friction coefficient of a plastic plate and stones |
| fBs | Friction coefficient of a steel plate and pistons |
| fC | Friction coefficient of bearings length |
| I1, I2, I3, I4, I5, I6 | Moments of inertia of individual bodies |
| I1red | Reduced moment of inertia |
| Is | Mutual moment of inertia |
| i | The number of degrees of freedom |
| ig | The gear ratio |
| K | Stiffness matrix |
| k1, k2, k3, k4 | Stiffness of individual components |
| Kmod | Modified stiffness matrix |
| M | Mass matrix |
| Mmod | Modified mass matrix |
| m1 | Mass of the body 1 |
| n | Number of bodies |
| n1 | Rotations of a first output |
| n2 | Rotations of a second output |
| Q | Sum of the external loads |
| x, , | Translational coordinate, velocity, acceleration |
| φ1, φ2 | Angular deflections |
| Total mechanical efficiency with steel components | |
| , | Mechanical efficiency of coupling steel cylinders—pistons, both sides |
| , | Mechanical efficiency of coupling steel plate—stones, both sides |
| , | Mechanical efficiency of bearings lengths—both sides |
References
- Van Basshuysen, R.; Schaefer, F. Internal Combustion Engine Handbook, 2nd ed.; SAE International: Warrendale, PA, USA, 2016. [Google Scholar]
- Stone, R. Introduction to Internal Combustion Engines, 4th ed.; SAE International and Macmillan Press: London, UK, 2012. [Google Scholar]
- Dobrodenka, P.; Lešinský, J. A Four-Stroke Engine with Opposite Pistons. Utility model SK3731 Y1, 21 January 2004. [Google Scholar]
- Baran, P.; Kukuca, P.; Barta, D.; Labuda, R.; Drozdiel, P.; Pukalskas, S. The issue of balancing internal combustion engines with non-conventional crank mechanism. Commun. Sci. Lett. Univ. Zilina 2017, 19, 36–41. [Google Scholar]
- Kukuca, P.; Barta, D.; Labuda, R.; Gechev, T. Engine with unconventional crank mechanism FIK1. In Proceedings of the 3rd International Scientific Conference on Innovative Technologies in Engineering Production (ITEP), Bojnice, Slovakia, 11–13 September 2018; Stancekova, D., Vasko, M., Rudawska, A., Cubonova, N., Sapietova, A., Mrazik, J., Szabelski, J., Tlach, V., Eds.; Édition Diffusion Presse Sciences: London, UK, 2018. [Google Scholar]
- Baran, P.; Stastniak, P.; Kukuca, P.; Brezani, M. Investigation of kinematic parameters of two nonconventional piston machines with wobble board. In Proceedings of the 22nd Slovak-Polish Scientific Conference on Machine Modelling and Simulations (MMS), Sklene Teplice, Slovakia, 5–8 September 2017; Vasko, M., Handrik, M., Jakubovicova, L., Kopas, P., Blatnicka, M., Stalmach, O., Sapietova, A., Saga, M., Eds.; Édition Diffusion Presse Sciences: London, UK, 2018. [Google Scholar]
- Kukuca, P.; Barta, D.; Dizo, J.; Caban, J. Piston kinematics of combustion engine with unconventional crank mechanism. In Proceedings of the 3rd International Scientific Conference on Innovative Technologies in Engineering Production (ITEP), Bojnice, Slovakia, 11–13 September 2018; Stancekova, D., Vasko, M., Rudawska, A., Cubonova, N., Sapietova, A., Mrazik, J., Szabelski, J., Tlach, V., Eds.; Édition Diffusion Presse Sciences: London, UK, 2018. [Google Scholar]
- Doric, J.Z.; Klinar, I.J. Efficiency of a new internal combustion engine concept with variable piston motion. Therm. Sci. 2014, 18, 113–127. [Google Scholar] [CrossRef]
- Drapal, L.; Voparil, J. Torsional vibration of unconventional crankshaft in four-cylinder passenger car engine. In Proceedings of the 21st International Scientific Conference on Transport Means (Transport Means), Juodkrante, Lithuania, 20–22 September 2017. [Google Scholar]
- Zhang, X.M.; Wang, Y.Q.; Fang, J. Dynamic simulation of crank-connecting rod-piston mechanism of internal combustion engine based on virtual prototype technology. In Proceedings of the International Conference on Electrical Information and Mechatronics (ICEIM), Jiaozuo, China, 23–25 December 2011. [Google Scholar]
- Itu, C.; Scutaru, M.L.; Pruncu, C.I.; Muntean, R. Kinematic and Dynamic Response of a Novel Engine Mechanism Design Driven by an Oscillation Arm. Appl. Sci. 2020, 10, 2733. [Google Scholar] [CrossRef]
- Petrescu, F.I.; Petrescu, R.V. An Otto engine dynamic model. Indep. J. Manag. Prod. 2016, 7, 38–48. [Google Scholar] [CrossRef][Green Version]
- Kaplan, H. Mathematical modeling and simulation of high-speed cam mechanisms to minimize residual vibrations. Proc. Inst. Mech. Eng. Part C J. Mech. Eng. Sci. 2014, 228, 2402–2415. [Google Scholar] [CrossRef]
- Rząsa, M.; Łukasiewicz, E.; Wójtowicz, D. Test of a new low-speed compressed air engine for energy recovery. Energies 2021, 14, 1179. [Google Scholar] [CrossRef]
- Tokhi, M.O.; Al-Miskiry, M.; Brisland, M. Real-time control of air motors using a pneumatic H-bridge. Control Eng. Pract. 2001, 9, 449–457. [Google Scholar] [CrossRef]
- Xu, Q.; Cai, M.; Shi, Y. Dynamic heat transfer model for temperature drop analysis and heat exchange system design of the air-powered engine system. Energy 2014, 68, 877–885. [Google Scholar] [CrossRef]
- Fang, Y.; Lu, Y.; Yu, X.; Roskilly, A.P. Experimental study of a pneumatic engine with heat supply to improve the overall performance. Appl. Therm. Eng. 2018, 137, 78–85. [Google Scholar] [CrossRef]
- Uszynski, S.; Ambroziak, L.; Kondratiuk, M.; Kulesza, Z. Air consumption analysis in compressed air powered vehicles. In Proceedings of the 23rd International Conference on Methods and Models in Automation and Robotics (MMAR), Miedzyzdroje, Poland, 27–30 August 2018. [Google Scholar]
- Fang, Y.; Lu, Y.; Roskilly, A.P.; Yu, X. A review of compressed air energy systems in vehicle transport. Energy Strategy Rev. 2021, 33, 100583. [Google Scholar] [CrossRef]
- Yu, Q.H.; Tan, X.; Meng, J.G.; Shang, F.; Hao, X.O. Performance characteristics research on power system of a four-valve compressed air engine. Stroj. Vestn. J. Mech. Eng. 2018, 64, 632–642. [Google Scholar]
- Huang, C.Y.; Hu, C.K.; Yu, C.J.; Sung, C.K. Experimental investigation on the performance of a compressed-air driven piston engine. Energies 2013, 6, 1731–1745. [Google Scholar] [CrossRef]
- Wang, Y.W.; You, J.J.; Sung, C.K.; Huang, C.Y. The applications of piston type compressed air engines on motor vehicles. In Proceedings of the 37th National Conference on Theoretical and Applied Mechanics (37th-NCTAM)/1st International Conference on Mechanics (1st-ICM), Hsinchu, Taiwan, 8–9 November 2013; Huang, C.Y., Tsai, H.Y., Chang, J.Y., Yeh, M.K., Lin, C.A., Eds.; Elsevier: Amsterdam, The Netherlands, 2014. [Google Scholar]
- Fang, Y.; Lu, Y.; Yu, X.; Su, L.; Fan, Z.; Huang, R.; Roskilly, A.P. Study of a hybrid pneumatic-combustion engine under steady-state and transient conditions for transport application. Int. J. Engine Res. 2021, 528–539. [Google Scholar] [CrossRef]
- Shi, Y.; Li, F.; Cai, M.; Yu, Q. Literature review: Present state and future trends of air-powered vehicles. J. Renew. Sustain. Energy 2016, 8, 025704. [Google Scholar] [CrossRef]
- A Pneumobil: An Air Car. (In Czech). Available online: https://www.abicko.cz/clanek/precti-si-technika-auta/22199/pneumobil-auto-na-vzduch.html (accessed on 22 May 2021).
- A Pneumobil from Brno Has Won a Race in Hungary. It Is Possible to Go Even Fifty on the Compressed Air. (In Czech). Available online: https://ct24.ceskatelevize.cz/regiony/2486113-pneumobil-z-brna-vyhral-zavody-v-madarsku-na-stlaceny-vzduch-se-da-jet-az-padesatkou (accessed on 23 May 2021).
- The First Car with a Pneumatic Engine in Slovakia. (In Slovak). Available online: https://www.sjf.tuke.sk/kr/katedra/aktuality/pneumobil (accessed on 21 May 2021).
- Zhai, X.; Yu, X.L.; Cai, J.L.; Shen, Y.M. Experimental study on performances of compressed-air engine. Zhejiang Daxue Xuebao (Gongxue Ban). J. Zhejiang Univ. Eng. Sci. 2006, 4, 135–138. [Google Scholar]
- Coldea, C. Technical University of Cluj-Napoca student’s involvement in international competitions. Ing. Automob. 2011, 18, 26. [Google Scholar]
- Pneumobiles of the Brno University of Technology Have Defeated European Elite (In Czech). Available online: https://www.novinky.cz/veda-skoly/clanek/pneumobily-studentu-brnenske-techniky-porazily-evropskou-elitu-14762 (accessed on 22 May 2021).
- Chen, P.T.; Nghia, D.D.; Yang, C.J.; Huang, K.D. Study of system integral energy efficiency of a hybrid pneumatic power system. Appl. Sci. 2019, 9, 2333. [Google Scholar] [CrossRef]
- BharatAutos. Report: Tata Nano Could Spawn Electric, Hybrid and Air-Powered Variants. Available online: https://bharathautos.com/tata-nano-petrol-diesel-electric-hybrid-air-power-cars.html (accessed on 29 July 2021).
- European Publication Server. Available online: https://data.epo.org/publication-server/document?iDocId=4033778&iFormat=0 (accessed on 2 August 2021).
- Creutzig, F.; Papson, A.; Schipper, L.; Kammen, D.M. Economic and environmental evaluation of compressed-air cars. Environ. Res. Lett. 2009, 4, 044011. [Google Scholar] [CrossRef]
- Dobrodenka, P.; Dobrodenka, A.; Dobrodenka, M.; Gerlici, J.; Lack, T.; Blatnický, M.; Dižo, J.; Harušinec, J. Kinematic Arrangement of the Mechanism with Rotating Cylinders. Patent SK 8035 Y1, 5 March 2018. [Google Scholar]
- Gerlici, J.; Sakhno, V.; Yefymenko, A.; Verbitskii, V.; Kravchenko, A.; Kravchenko, K. The stability analysis of two-wheeled vehicle model. In Proceedings of the 22nd Slovak-Polish Scientific Conference on Machine Modelling and Simulations (MMS), Sklene Teplice, Slovakia, 5–8 September 2017; Vasko, M., Handrik, M., Jakubovicova, L., Kopas, P., Blatnicka, M., Stalmach, O., Sapietova, A., Saga, M., Eds.; Édition Diffusion Presse Sciences: London, UK, 2018. [Google Scholar]
- Fomin, O.; Gerlici, J.; Lovskaya, A.; Kravchenko, K.; Burlutski, O.; Hauser, V. Peculiarities of the mathematical modelling of dynamic loading on containers in flat wagons transportation. In Proceedings of the 23rd Polish-Slovak Scientific Conference on Machine Modelling and Simulations (MMS), Rydzyna, Slovakia, 4–7 September 2018; Malujda, I., Dudziak, K., Krawiec, P., Talaska, K., Wilczynski, D., Berdychowski, M., Gorecki, J., Wargula, L., Wojtkowiak, D., Eds.; EDP Sciences: Youlis, France, 2019. [Google Scholar]
- Lack, T.; Gerlici, J. The assessment of the integration methods for the rail vehicle ride dynamics solution. In Proceedings of the 22nd Slovak-Polish Scientific Conference on Machine Modelling and Simulations (MMS), Sklene Teplice, Slovakia, 5–8 September 2017; Vasko, M., Handrik, M., Jakubovicova, L., Kopas, P., Blatnicka, M., Stalmach, O., Sapietova, A., Saga, M., Eds.; Édition Diffusion Presse Sciences: London, UK, 2018. [Google Scholar]
- Loveikin, V.S.; Pochka, K.I.; Romasevich, Y.O.; Pochka, O.B. Dynamic analysis of roller forming installation about a crank connecting rod the driving mechanism. Opir Mater. I Teor. Sporud-Strength Mater. Theory Struct. 2019, 102, 91–108. [Google Scholar] [CrossRef]
- Krawiec, P. Analysis of selected dynamic features of a two-wheeled transmission system. J. Theor. Appl. Mech. 2017, 55, 461–467. [Google Scholar] [CrossRef]
- Kujawski, M.; Krawiec, P. Analysis of generation capabilities of noncircular cogbelt pulleys on the example of a gear with an elliptical pitch line. J. Manuf. Sci. Eng. Trans. ASME 2011, 133, 051006. [Google Scholar] [CrossRef]
- Stoffels, H. Balancing driveability, NVH, and fuel consumption on automotive powertrains using integrated simulation techniques. Proc. Inst. Mech. Eng. Part K J. Multi Body Dyn. 2017, 231, 556–567. [Google Scholar] [CrossRef]
- Hauser, V.; Nozhenko, O.; Kravchenko, K.; Loulova, M.; Gerlici, J.; Lack, T. Proposal of a steering mechanism for tram bogie with three axle boxes. In Proceedings of the 12th International Scientific Conference of Young Scientists on Sustainable, Modern and Safe Transport, High Tatras, Slovakia, 31 May–2 June 2017; Bujnak, J., Guagliano, M., Eds.; Elsevier: Amsterdam, The Netherlands, 2014. [Google Scholar]
- Flizikowski, J.; Macko, M.; Czerniak, J.; Mroziński, A. Implementation of genetic algorithms into development of mechatronic multiedge’s grinder design. In Proceedings of the ASME International Mechanical Engineering Congress and Exposition (IMECE), Denver, CO, USA, 11–17 November 2011. [Google Scholar]
- Frankovský, P.; Hroncová, D.; Delyová, I.; Hudák, P. Inverse and forward dynamic analysis of two link manipulator. Procedia Eng. 2012, 48, 158–163. [Google Scholar] [CrossRef]
- Bajla, J.; Bronček, J.; Antala, J.; Sekerešová, D. Engineering Tables. Selection of Standards, 1st ed.; Slovak Office of Standards, Metrology and Testing: Bratislava, Slovak, 2014. (In Slovak) [Google Scholar]
- Hlavňa, V.; Kukuča, P.; Isteník, R.; Labuda, R.; Liščák, Š. A Transport Mean–Its Engine, 1st ed.; University of Žilina: Žilina, Slovak, 2007. (In Slovak) [Google Scholar]
- Noga, M. Selected issues of the indicating measurements in a spark ignition engine with an additional expansion process. Appl. Sci. 2017, 7, 295. [Google Scholar] [CrossRef]














Publisher’s Note: MDPI stays neutral with regard to jurisdictional claims in published maps and institutional affiliations. |
© 2021 by the authors. Licensee MDPI, Basel, Switzerland. This article is an open access article distributed under the terms and conditions of the Creative Commons Attribution (CC BY) license (https://creativecommons.org/licenses/by/4.0/).
Share and Cite
Dižo, J.; Blatnický, M.; Sága, M.; Šťastniak, P. A Numerical Study of a Compressed Air Engine with Rotating Cylinders. Appl. Sci. 2021, 11, 7504. https://doi.org/10.3390/app11167504
Dižo J, Blatnický M, Sága M, Šťastniak P. A Numerical Study of a Compressed Air Engine with Rotating Cylinders. Applied Sciences. 2021; 11(16):7504. https://doi.org/10.3390/app11167504
Chicago/Turabian StyleDižo, Ján, Miroslav Blatnický, Milan Sága, and Pavol Šťastniak. 2021. "A Numerical Study of a Compressed Air Engine with Rotating Cylinders" Applied Sciences 11, no. 16: 7504. https://doi.org/10.3390/app11167504
APA StyleDižo, J., Blatnický, M., Sága, M., & Šťastniak, P. (2021). A Numerical Study of a Compressed Air Engine with Rotating Cylinders. Applied Sciences, 11(16), 7504. https://doi.org/10.3390/app11167504

