AC Microgrids Protection: A Digital Coordinated Adaptive Scheme
Abstract
:1. Introduction
- A coordinated adaptive digital protection scheme is derived. The proposed scheme contains various protective modules such as DOCR, DOCR-NSC, DOCR-THD, DFRs and UVRs, which facilitate detecting various faults.
- Coordinated protection modules for different modes of an MG results in reliable, selective, and coordinated protection, which is appropriate to detect all types of faults.
- In addition to coordinate the DOCRs, coordination of the NSC, THD, and UVR modules have been conducted through appropriate time delays tuned by an adaptive algorithm.
- The coordination is performed through an adaptive scheme, which includes offline and online steps. In the offline step, as the first step of the proposed adaptive scheme, all the settings are adopted for a selective and coordinated scheme among proposed protective modules. Then, in the online procedure, after detection any change in the system topology, a new set of setting for proposed modules will be performed to adapt the settings accordingly.
- The proposed method is appropriate not only for the grid-connected mode, but also for the islanded-mode of the operation.
2. Proposed Protection Schemes
2.1. PCC Protection
2.1.1. Inverse Time DOCR
2.1.2. Instantaneous DOCR for Negative Sequence of Current
2.1.3. Directional UVR
2.2. Feeder Protection
2.2.1. Directional Inverse Time OCR
2.2.2. Directional Negative Sequence Current OCR
2.3. Line Protection
2.4. DGU Protection
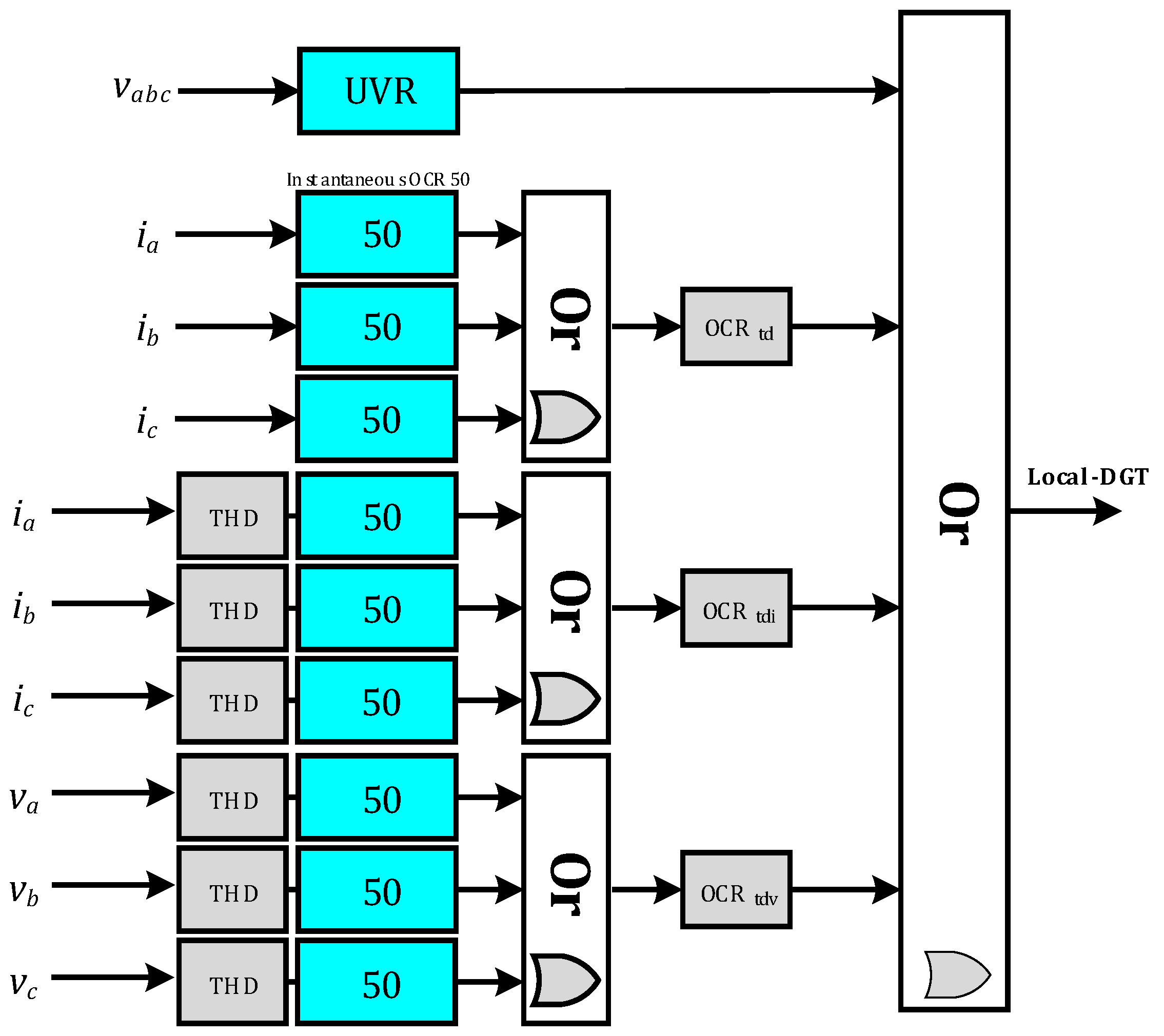
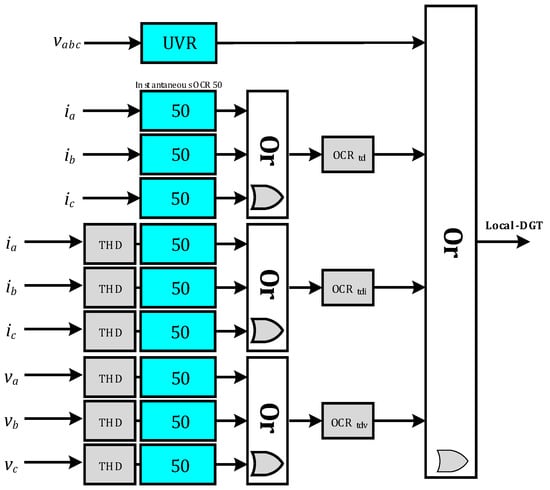
2.4.1. DGU External Trip Command
2.4.2. DGU Local Trip Command
3. Relays Coordination
3.1. Offline Analysis and Setting
3.2. Online Settings and Switching Mechanism
3.3. DOCR Principle and Setting
4. Case Studies and Simulation Results
4.1. Grid Connected Mode
4.2. Islanded Mode
5. Conclusions
Author Contributions
Funding
Institutional Review Board Statement
Informed Consent Statement
Data Availability Statement
Conflicts of Interest
Abbreviations
| CTI | Coordination time interval |
| DFR | Differential current-based relay |
| DGU | Distributed generation unit |
| DOCR | Directional over-current relay |
| DOCR-NSC | Directional over-current relay for negative sequence current |
| DOCR-THD | Directional over-current relay for total harmonic distortion |
| HIF | High impedance faults |
| ESSs | Energy storage systems |
| FRDFT | Fast recursive discrete Fourier transform |
| LVRT | low voltage ride-through. |
| MG | Microgrid |
| NSC | Negative sequence current |
| PMU | Micro-phasor measurement unit |
| OCR | Over-current relay |
| OT | Operating Time |
| PD | Protective device |
| PCC | Point of common coupling |
| PI | Proportional integral |
| PR | Proportional Resonant |
| PC | Primary control |
| RES | Renewable energy source |
| THD | Total harminc distortion |
| TMS | Time multiple settings |
| TMF | Transient monitoring function |
| UVR | Under voltage relay |
| VSC | Voltage source converter |
References
- Lasseter, R.H. Smart distribution: Coupled microgrids. Proc. IEEE 2011, 99, 1074–1082. [Google Scholar] [CrossRef]
- Olivares, D.E.; Mehrizi-Sani, A.; Etemadi, A.H.; Cañizares, C.A.; Iravani, R.; Kazerani, M.; Hajimiragha, A.H.; Gomis-Bellmunt, O.; Saeedifard, M.; Palma-Behnke, R.; et al. Trends in microgrid control. IEEE Trans. Smart Grid 2014, 5, 1905–1919. [Google Scholar] [CrossRef]
- Lin, H.; Sun, K.; Tan, Z.H.; Liu, C.; Guerrero, J.M.; Vasquez, J.C. Adaptive protection combined with machine learning for microgrids. IET Gener. Transm. Distrib. 2019, 13, 770–779. [Google Scholar] [CrossRef]
- Khayat, Y.; Shafiee, Q.; Heydari, R.; Naderi, M.; Dragičević, T.; Simpson-Porco, J.W.; Dörfler, F.; Fathi, M.; Blaabjerg, F.; Guerrero, J.M.; et al. On the secondary control architectures of AC microgrids: An overview. IEEE Trans. Power Electron. 2019, 35, 6482–6500. [Google Scholar] [CrossRef]
- Cintuglu, M.H.; Mohammed, O.A.; Akkaya, K.; Uluagac, A.S. A survey on smart grid cyber-physical system testbeds. IEEE Commun. Surv. Tutor. 2016, 19, 446–464. [Google Scholar] [CrossRef]
- Beheshtaein, S.; Cuzner, R.; Savaghebi, M.; Guerrero, J.M. Review on microgrids protection. IET Gener. Transm. Distrib. 2019, 13, 743–759. [Google Scholar] [CrossRef]
- Hooshyar, A.; Iravani, R. Microgrid protection. Proc. IEEE 2017, 105, 1332–1353. [Google Scholar] [CrossRef]
- Hussain, N.; Nasir, M.; Vasquez, J.C.; Guerrero, J.M. Recent developments and challenges on AC microgrids fault detection and protection systems—A review. Energies 2020, 13, 2149. [Google Scholar] [CrossRef]
- Memon, A.A.; Laaksonen, H.; Kauhaniemi, K. Microgrid Protection with Conventional and Adaptive Protection Schemes. In Microgrids: Advances in Operation, Control, and Protection; Springer: Berlin/Heidelberg, Germany, 2021; pp. 523–579. [Google Scholar]
- Sahebkar Farkhani, J.; Zareein, M.; Najafi, A.; Melicio, R.; Rodrigues, E.M.G. The Power System and Microgrid Protection—A Review. Appl. Sci. 2020, 10, 8271. [Google Scholar] [CrossRef]
- Telukunta, V.; Pradhan, J.; Agrawal, A.; Singh, M.; Srivani, S.G. Protection challenges under bulk penetration of renewable energy resources in power systems: A review. CSEE J. Power Energy Syst. 2017, 3, 365–379. [Google Scholar] [CrossRef]
- Abdali, A.; Mazlumi, K.; Guerrero, J.M. Integrated Control and Protection Architecture for Islanded PV-Battery DC Microgrids: Design, Analysis and Experimental Verification. Appl. Sci. 2020, 10, 8847. [Google Scholar] [CrossRef]
- Khayat, Y.; Golestan, S.; Guerrero, J.M.; Vasquez, J.C.; Bevrani, H. DC-Link Voltage Control Aided for the Inertial Support during Severe Faults in Weak Grids. IEEE J. Emerg. Sel. Top. Power Electron. 2020. [Google Scholar] [CrossRef]
- Yazdaninejadi, A.; Golshannavaz, S.; Nazarpour, D.; Teimourzadeh, S.; Aminifar, F. Dual-setting directional overcurrent relays for protecting automated distribution networks. IEEE Trans. Ind. Inform. 2018, 15, 730–740. [Google Scholar] [CrossRef]
- Sharaf, H.M.; Zeineldin, H.H.; El-Saadany, E. Protection coordination for microgrids with grid-connected and islanded capabilities using communication assisted dual setting directional overcurrent relays. IEEE Trans. Smart Grid 2016, 9, 143–151. [Google Scholar] [CrossRef]
- Saldarriaga-Zuluaga, S.D.; López-Lezama, J.M.; Muñoz-Galeano, N. Optimal coordination of over-current relays in microgrids using unsupervised learning techniques. Appl. Sci. 2021, 11, 1241. [Google Scholar] [CrossRef]
- Fani, B.; Bisheh, H.; Sadeghkhani, I. Protection coordination scheme for distribution networks with high penetration of photovoltaic generators. IET Gener. Transm. Distrib. 2017, 12, 1802–1814. [Google Scholar] [CrossRef]
- El-Khattam, W.; Sidhu, T.S. Restoration of directional overcurrent relay coordination in distributed generation systems utilizing fault current limiter. IEEE Trans. Power Deliv. 2008, 23, 576–585. [Google Scholar] [CrossRef]
- Jarrahi, M.A.; Samet, H.; Ghanbari, T. Novel change detection and fault classification scheme for ac microgrids. IEEE Syst. J. 2020, 14, 3987–3998. [Google Scholar] [CrossRef]
- Memon, A.A.; Kauhaniemi, K. An Adaptive Protection for Radial AC Microgrid Using IEC 61850 Communication Standard: Algorithm Proposal Using Offline Simulations. Energies 2020, 13, 5316. [Google Scholar] [CrossRef]
- Saleh, K.A.; Zeineldin, H.H.; Al-Hinai, A.; El-Saadany, E.F. Dual-setting characteristic for directional overcurrent relays considering multiple fault locations. IET Gener. Transm. Distrib. 2015, 9, 1332–1340. [Google Scholar] [CrossRef]
- Huchel, Ł.; Zeineldin, H.H. Planning the coordination of directional overcurrent relays for distribution systems considering DG. IEEE Trans. Smart Grid 2015, 7, 1642–1649. [Google Scholar]
- Alam, M.N.; Das, B.; Pant, V. A comparative study of metaheuristic optimization approaches for directional overcurrent relays coordination. Electr. Power Syst. Res. 2015, 128, 39–52. [Google Scholar] [CrossRef]
- Papaspiliotopoulos, V.A.; Korres, G.N.; Kleftakis, V.A.; Hatziargyriou, N.D. Hardware-in-the-loop design and optimal setting of adaptive protection schemes for distribution systems with distributed generation. IEEE Trans. Power Deliv. 2015, 32, 393–400. [Google Scholar] [CrossRef]
- Ahmadi, S.; Sadeghkhani, I.; Shahgholian, G.; Fani, B.; Guerrero, J.M. Protection of LVDC Microgrids in Grid-Connected and Islanded Modes Using Bifurcation Theory. IEEE J. Emerg. Sel. Top. Power Electron. 2019, 9, 2597–2604. [Google Scholar] [CrossRef]
- Saldarriaga-Zuluaga, S.D.; López-Lezama, J.M.; Muñoz-Galeano, N. An approach for optimal coordination of over-current Relays in Microgrids with distributed generation. Electronics 2020, 9, 1740. [Google Scholar] [CrossRef]
- Fatemi, S.S.; Samet, H. Considering DGs Voltage Protection in Optimal Coordination of Directional Overcurrent Relays to Minimize the Energy Not Supplied. IEEE Syst. J. 2020. [Google Scholar] [CrossRef]
- Mohanty, R.; Pradhan, A.K. A superimposed current based unit protection scheme for DC microgrid. IEEE Trans. Smart Grid 2018, 9, 3917–3919. [Google Scholar] [CrossRef]
- Salehi, M.; Taher, S.A.; Sadeghkhani, I.; Shahidehpour, M. A poverty severity index-based protection strategy for ring-bus low-voltage DC microgrids. IEEE Trans. Smart Grid 2019, 10, 6860–6869. [Google Scholar] [CrossRef]
- Ibrahim, D.K.; El Zahab, E.E.D.A.; Mostafa, S.A.E.A. New coordination approach to minimize the number of re-adjusted relays when adding DGs in interconnected power systems with a minimum value of fault current limiter. Int. J. Electr. Power Energy Syst. 2017, 85, 32–41. [Google Scholar] [CrossRef]
- Wang, B.; Jing, L. A protection method for inverter-based microgrid using current-only polarity comparison. J. Mod. Power Syst. Clean Energy 2019, 8, 446–453. [Google Scholar] [CrossRef]
- Baghaee, H.; Mirsalim, M.; Gharehpetian, G.; Talebi, H. OC/OL protection of droop-controlled and directly voltage-controlled microgrids using TMF/ANN-based fault detection and discrimination. IEEE J. Emerg. Sel. Top. Power Electron. 2019, 9, 3254–3265. [Google Scholar] [CrossRef]
- Zanjani, M.G.M.; Mazlumi, K.; Kamwa, I. Application of μPMUs for adaptive protection of overcurrent relays in microgrids. IET Gener. Transm. Distrib. 2018, 12, 4061–4068. [Google Scholar] [CrossRef]
- Orji, U.; Schantz, C.; Leeb, S.B.; Kirtley, J.L.; Sievenpiper, B.; Gerhard, K.; McCoy, T. Adaptive zonal protection for ring microgrids. IEEE Trans. Smart Grid 2015, 8, 1843–1851. [Google Scholar] [CrossRef]
- Momesso, A.E.; Bernardes, W.M.S.; Asada, E.N. Fuzzy adaptive setting for time-current-voltage based overcurrent relays in distribution systems. Int. J. Electr. Power Energy Syst. 2019, 108, 135–144. [Google Scholar] [CrossRef]
- Lai, K.; Illindala, M.S.; Haj-ahmed, M.A. Comprehensive protection strategy for an islanded microgrid using intelligent relays. In Proceedings of the 2015 IEEE Industry Applications Society Annual Meeting, Addison, TX, USA, 18–22 October 2015; pp. 1–11. [Google Scholar]
- Casagrande, E.; Woon, W.L.; Zeineldin, H.H.; Svetinovic, D. A differential sequence component protection scheme for microgrids with inverter-based distributed generators. IEEE Trans. Smart Grid 2013, 5, 29–37. [Google Scholar] [CrossRef]
- Zarei, S.F.; Mokhtari, H.; Blaabjerg, F. Fault detection and protection strategy for islanded inverter-based microgrids. IEEE J. Emerg. Sel. Top. Power Electron. 2019, 9, 472–484. [Google Scholar] [CrossRef]
- Mohamed, E.A.; Magdy, G.; Shabib, G.; Elbaset, A.A.; Mitani, Y. Digital coordination strategy of protection and frequency stability for an islanded microgrid. IET Gener. Transm. Distrib. 2018, 12, 3637–3646. [Google Scholar] [CrossRef]
- Zarei, S.F.; Parniani, M. A comprehensive digital protection scheme for low-voltage microgrids with inverter-based and conventional distributed generations. IEEE Trans. Power Deliv. 2016, 32, 441–452. [Google Scholar] [CrossRef]
- Habib, H.F.; Lashway, C.R.; Mohammed, O.A. A review of communication failure impacts on adaptive microgrid protection schemes and the use of energy storage as a contingency. IEEE Trans. Ind. Appl. 2017, 54, 1194–1207. [Google Scholar] [CrossRef]
- Dubey, K.; Jena, P. Impedance Angle-Based Differential Protection Scheme for Microgrid Feeders. IEEE Syst. J. 2020. [Google Scholar] [CrossRef]
- Beder, H.; Mohandes, B.; El Moursi, M.S.; Badran, E.A.; El Saadawi, M.M. A new communication-free dual setting protection coordination of microgrid. IEEE Trans. Power Deliv. 2020, 36, 2446–2458. [Google Scholar] [CrossRef]
- Mohammadi, J.; Ajaei, F.B.; Stevens, G. Grounding the AC microgrid. IEEE Trans. Ind. Appl. 2018, 55, 98–105. [Google Scholar] [CrossRef]










| Electrical Parameters | ||
|---|---|---|
| Parameters | Symbol | Value |
| DC Source Voltage | 650 V | |
| Nominal voltage magnitude | 325 V | |
| Nominal Frequency | f | 50 Hz |
| Switching Frequency | 10 kHz | |
| Capacitance of LCL filter | 25 F | |
| Inductances of LCL filter | / | 1.8 mH |
| Load 1 and Load 4 | and | 43 , 0.3 H |
| Load 2 and Load 3 | and | 124 , 0.1 H |
| Line 11 | 0.4 , 3.6 mH | |
| Line 12 | 0.8 , 1.8 mH | |
| Line 23 | 0.4 , 1.2 mH | |
| Line 34 | 0.8 , 3.6 mH | |
| Inner loop coefficients and other control parameters | ||
| Control Parameters | DGU: 1 and 3 | DGU: 2 |
| droop coefficient | 0.001 rad/W.s | 0.002 rad/W.s |
| droop coefficient | 0.005 V/VAr | 0.01 V/VAr |
| Current proportional/resonance terms | 1000/0.5 | 1000/0.5 |
| Voltage proportional/resonance terms | 120/0.05 | 120/0.05 |
| Protection Module | Parameter | Description | Value | |
|---|---|---|---|---|
| PCC | Time Delay (TD) | OCR | TD for NSC Instantaneous OCR 50 in forward direction | 0.035 s |
| OCR | TD for NSC Instantaneous OCR 50 in reverse direction | 0.350 s | ||
| UVR | TD for PCC UVR in forward direction | 0.005 s | ||
| UVR | TD for PCC UVR in reverse direction | 0.200 s | ||
| Current Settings | Ip | Pick-up current for OCR | 10 A | |
| I | Pick-up current for NSC-OCR | 1 A | ||
| TMS | OCR Time multiplier setting | 1.06 | ||
| (Feeder #1, Feeder #2, Bus #3) | Time Delay (TD) | OCR | TD for Inverse time OCR 51 in reverse direction | (0.3, 0.3, 0.5) s |
| OCR | TD for NSC Instantaneous OCR 50 in forward direction | (0.08, 0.12, 0.08) s | ||
| OCR | TD for NSC Instantaneous OCR 50 in reverse direction | (0.35, 0.35, 0.50) s | ||
| Current Settings | I | Pick-up current for OCR | (12, 10,9) A | |
| I | Pick-up current for NSC-OCR | (1.2, 1,1) A | ||
| TMS | OCR Time multiplier setting | (0.8, 0.93,0.86) | ||
| DGUs | Time Delay (TD) | OCR | TD for Instantaneous OCR 50 | 2.00 s |
| OCR | TD for Instantaneous current THD OCR 50 | 0.15 s | ||
| OCR | TD for Instantaneous voltage THD OCR 50 | 0.15 s | ||
| Current Settings | I | Pick-up current for OCR | 10 A | |
| I | Pick-up current for Instantaneous current THD OCR 50 | 1.1 A | ||
| I | Pick-up current for Instantaneous voltage THD OCR 50 | 1.1 A | ||
| Lines | Current Settings | I | Minimum differential current required to operate the DFR | (0.2, 0.15, 0.22, 015) A |
| Fault Location: | Fault #1 | Fault #2 | Fault #3 | |||
|---|---|---|---|---|---|---|
| Fault Type: | Main and Backup Relays | OT (s) | Main and Backup Relays | OT (s) | Main and Backup Relays | OT (s) |
| AG | PCC Trip (NSC Module) Feeder #2 Trip Feeder #1 Trip PCC Trip (UVR Module) Bus #3 Trip | 4.039 4.355 4.357 4.505 4.504 | DFR Line #11 Trip Feeder #1 DOCR Trip Feeder #1 NSC Trip DGU Trip #1 (OCR-THD) DGU Trip #1 (UVR) PCC Trip (DOCR) Feeder #2 Trip Bus #3 Trip | 4.003 4.035 4.085 4.150 4.185 4.245 4.353 4.535 | DFR Line #21 Trip Feeder #2 DOCR Trip Feeder #2 NSC Trip DGU Trip #1 (OCR-THD) PCC Trip (NSC) Feeder #2 Trip PCC Trip (DOCR) Bus #3 Trip | 4.003 4.055 4.123 4.179 4.355 4.367 4.393 4.505 |
| AB | PCC Trip (NSC Module) PCC Trip (UVR Module) Feeder #2 Trip Feeder #1 Trip Bus #3 Trip | 4.038 4.118 4.354 4.356 4.506 | DFR Line #11 Trip Feeder #1 DOCR Trip Feeder #1 NSC Trip DGU Trip #1 (UVR) DGU Trip #1 (OCR-THD) PCC Trip (DOCR) Feeder #2 Trip Bus #3 Trip | 4.003 4.056 4.086 4.112 4.150 4.308 4.350 4.530 | DFR Line #21 Trip Feeder #2 DOCR Trip Feeder #2 NSC Trip DGU Trip #2 (OCR-THD) PCC Trip (NSC) PCC Trip (DOCR) Feeder #1 Trip Bus #3 Trip | 4.003 4.062 4.123 4.225 4.353 4.358 4.363 4.504 |
| ABG | PCC Trip (NSC Module) PCC Trip (UVR Module) Feeder #2 Trip Feeder #1 Trip Bus #3 Trip | 4.037 4.117 4.355 4.359 4.508 | DFR Line #11 Trip Feeder #1 DOCR Trip Feeder #1 NSC Trip DGU Trip #1 (THD) PCC Trip (DOCR) DGU Trip #1 (UVR) PCC Trip (NSC) Feeder #2 Trip Bus #3Trip | 4.003 4.045 4.082 4.150 4.242 4.308 4.352 4.365 4.530 | DFR Line #21 Trip Feeder #2 DOCR Trip Feeder #2 NSC Trip DGU Trip #2 (OCR-THD) PCC Trip (NSC) Feeder #1 Trip PCC Trip (DOCR) Bus #3 Trip | 4.003 4.068 4.128 4.175 4.352 4.360 4.383 4.504 |
| ABC | PCC Trip (UVR Module) | 4.035 | DFR Line #11 Trip Feeder #1 DOCR Trip DGU Trip #1 (UVR) PCC Trip (DOCR) PCC Trip (UVR) | 0.003 4.045 4.116 4.235 4.705 | DFR Line #21 Trip Feeder #2 DOCR Trip DGU Trip #2 (OCR-THD) Feeder #1 Trip PCC Trip (DOCR) Bus #3 Trip | 4.003 4.058 4.175 4.360 4.383 4.504 |
| Fault Location: | Fault #1 | Fault #2 | Fault #3 | |||
|---|---|---|---|---|---|---|
| Fault Type | Main and Backup Relays | OT (s) | Main and Backup Relays | OT (s) | Main and Backup Relays | OT (s) |
| AG | DFR Line #11 Trip Feeder #1 NSC Trip DGU Trip #1 (OCR-THD) DGU Trip #1 (UVR) Feeder #2 Trip Bus #3 Trip Feeder #1 DOCR Trip | 4.003 4.073 4.150 4.185 4.353 4.503 6.325 | DFR Line #21 Trip Feeder #2 NSC Trip DGU Trip #1 (OCR) Feeder #2 Trip Bus #3 Trip | 4.003 4.124 4.181 4.361 4.505 | DFR Line #12 Trip Feeder #1 NSC Trip DGU Trip #1 (OCR-THD) Feeder #2 Trip Bus #3 Trip | 4.003 4.083 4.152 4.352 4.512 |
| AB | DFR Line #11 Trip Feeder #1 NSC Trip DGU Trip #1 (UVR) DGU Trip #1 (OCR-THD) Feeder #2 Trip Bus #3 Trip Feeder #1 DOCR Trip | 4.003 4.073 4.150 4.183 4.353 4.503 5.669 | DFR Line #21 Trip Feeder #2 NSC Trip DGU Trip #1 (OCR) Feeder #1 NSC Trip Bus #1 NSC Trip | 4.003 4.123 4.233 4.358 4.504 | DFR Line #12 Trip Feeder #1 NSC Trip DGU Trip #1 (OCR-THD) Feeder #2 Trip Bus #3 Trip | 4.003 4.083 4.150 4.352 4.510 |
| ABG | DFR Line #11 Trip Feeder #1 NSC Trip DGU Trip #1 (UVR) DGU Trip #1 (OCR-THD) Feeder #2 Trip Bus #3 Trip Feeder #1 DOCR Trip | 4.003 4.073 4.150 4.183 4.353 4.503 5.335 | DFR Line #21 Trip Feeder #2 NSC Trip DGU Trip #1 (OCR) Feeder #1 Trip Bus #1 Trip | 4.003 4.123 4.179 4.358 4.504 | DFR Line #12 Trip Feeder #1 NSC Trip DGU Trip #1 (OCR-THD) Bus #3 Trip Feeder #2 Trip | 4.003 4.083 4.163 4.510 4.523 |
Publisher’s Note: MDPI stays neutral with regard to jurisdictional claims in published maps and institutional affiliations. |
© 2021 by the authors. Licensee MDPI, Basel, Switzerland. This article is an open access article distributed under the terms and conditions of the Creative Commons Attribution (CC BY) license (https://creativecommons.org/licenses/by/4.0/).
Share and Cite
Hussain, N.; Khayat, Y.; Golestan, S.; Nasir, M.; Vasquez, J.C.; Guerrero, J.M.; Kauhaniemi, K. AC Microgrids Protection: A Digital Coordinated Adaptive Scheme. Appl. Sci. 2021, 11, 7066. https://doi.org/10.3390/app11157066
Hussain N, Khayat Y, Golestan S, Nasir M, Vasquez JC, Guerrero JM, Kauhaniemi K. AC Microgrids Protection: A Digital Coordinated Adaptive Scheme. Applied Sciences. 2021; 11(15):7066. https://doi.org/10.3390/app11157066
Chicago/Turabian StyleHussain, Noor, Yousef Khayat, Saeed Golestan, Mashood Nasir, Juan C. Vasquez, Josep M. Guerrero, and Kimmo Kauhaniemi. 2021. "AC Microgrids Protection: A Digital Coordinated Adaptive Scheme" Applied Sciences 11, no. 15: 7066. https://doi.org/10.3390/app11157066
APA StyleHussain, N., Khayat, Y., Golestan, S., Nasir, M., Vasquez, J. C., Guerrero, J. M., & Kauhaniemi, K. (2021). AC Microgrids Protection: A Digital Coordinated Adaptive Scheme. Applied Sciences, 11(15), 7066. https://doi.org/10.3390/app11157066

