You are currently viewing a new version of our website. To view the old version click .
Actuators
  • Review
  • Open Access

21 February 2025

Advances in Control Techniques for Rehabilitation Exoskeleton Robots: A Systematic Review

,
and
Department of Mechanical and Manufacturing Engineering, Miami University, Oxford, OH 45056, USA
*
Author to whom correspondence should be addressed.
This article belongs to the Section Actuators for Robotics

Abstract

This systematic review explores recent advancements in control methods for rehabilitation exoskeleton robots, which assist individuals with motor impairments through guided movement. As robotics technology progresses, precise, adaptable, and safe control techniques have become accessible for effective human–robot interaction in rehabilitation settings. Key control methods, including computed torque and adaptive control, excel in managing complex movements and adapting to diverse patient needs. Robust and sliding mode controls address stability under unpredictable conditions. Traditional approaches, like PD and PID control schemes, maintain stability, performance, and simplicity. In contrast, admittance control enhances user–robot interaction by balancing force and motion. Advanced methods, such as model predictive control (MPC) and Linear Quadratic Regulator (LQR), provide optimization-based solutions. Intelligent controls using neural networks, Deep Learning, and reinforcement learning offer adaptive, patient-specific solutions by learning over time. This review provides an in-depth analysis of these control strategies by examining advancements in recent scientific literature, highlighting their potential to improve rehabilitation exoskeletons, and offering future recommendations for greater efficiency, responsiveness, and patient-centered functionality.

1. Introduction

Exoskeleton robots are becoming essential tools in aiding patients with motor impairments. They offer support and guidance for physical rehabilitation throughout the various stages of physical recovery. With rapid advancements in control technologies, exoskeleton robots are now equipped with sophisticated control systems that enhance safety, flexibility, and adaptability to meet the unique user’s needs. Effective control of the exoskeleton systems is crucial, as it enables accurate trajectory tracking of desired motions, accommodates the dynamic nature of human–robot interaction, and ensures the comfort and safety of the user. This systematic review explores recent advances in control techniques for rehabilitation exoskeletons, focusing on their role in enhancing the physical recovery experience for users.
Robot dynamic modeling is a core component of any exoskeleton control system. The dynamic model provides a mathematical representation of the exoskeleton robot’s behavior. By nature, robot dynamics possess nonlinear behaviors. Most of the nonlinear controllers are model-based controllers which utilize the dynamic model of the robot as a part of the control algorithms. Dynamic models allow us to simulate controller performance before implementation. Accurate dynamic models enable controllers to anticipate and respond to changes in the exoskeleton’s environment or the user’s movements. With accurate models, controllers can manage the robot’s behavior, improving interaction and optimizing assistance for patients during rehabilitation exercises. Control systems typically comprise feedback loops, allowing real-time adjustments to enhance accuracy and safety. These systems ensure that exoskeletons can respond to the user’s needs and change conditions in the environment. As technology advances, control system architectures continue to evolve, incorporating newer, more efficient algorithms to manage complex interactions between robots and humans.
Computed torque control (CTC) is a widely used control technique that utilizes a model-based approach to linearize and control robots. CTC determines the exact torque needed for each movement and enables precise trajectory tracking, which makes it a crucial tool for patient-specific rehabilitation. Its effectiveness relies heavily on the accuracy of dynamic models. It may need adaptation to account for variations in the dynamic model.
Adaptive control dynamically responds to changes in system behavior or environmental conditions, which makes it ideal for rehabilitation exoskeletons. This strategy continuously adjusts control parameters in real time, effectively addressing variations in patient behavior and interaction forces during therapy. Its flexibility enables it to meet diverse patient needs and physical conditions. As a result, rehabilitation robotics widely adopts adaptive control that provides personalized and effective support throughout recovery.
Robust control techniques are developed to maintain performance despite unpredictable disturbances or modeling inaccuracies. This method provides consistent assistance across different usage scenarios and users. By counteracting uncertainties, robust control allows for stable and safe operation even when faced with unmodeled dynamics.
Sliding mode control (SMC) is another robust control approach known for its ability to handle system uncertainties and disturbances. SMC ensures stable control by forcing the system to “slide” along a predefined trajectory. This capability is particularly valuable in rehabilitation, where patient movements can be unpredictable. The control system must quickly adapt to maintain the desired performance.
Traditional techniques such as linear control techniques remain widely used due to their simplicity and reliability. PID control provides straightforward regulation of speed and position. This makes it useful in scenarios with relatively stable dynamics. However, these methods may struggle with more complex or nonlinear dynamics present in many exoskeleton applications.
Admittance control is designed to regulate how the robot responds to external forces, making it particularly suitable for exoskeletons. By controlling the relationship between force and motion, admittance control helps create a more natural and intuitive interaction between the user and the device.
Model predictive control (MPC) and Linear Quadratic Regulator (LQR) techniques provide optimal control solutions. It balances multiple performance criteria, such as energy consumption, precision, and stability. For example, model predictive control anticipates future states and adjusts control actions accordingly. LQR optimizes controller gains to minimize a given cost function. These approaches are highly adaptable to complex rehabilitation scenarios where fine control is required.
Recent advancements have brought in intelligent control systems, integrating machine learning and data-driven methods for better performance. Neural network-based control systems are dedicated to learning patterns from past interactions. It enables adaptive and personalized rehabilitation experiences. Similarly, Deep Learning-based control systems provide more advanced pattern recognition, helping the exoskeleton to predict and adjust to patient-specific movements.
This review explores these diverse control techniques in-depth, analyzing their benefits, limitations, and potential applications in rehabilitation robotics. Through a systematic examination of the literature, we aim to provide insights into how these control methods can be combined or improved to meet the growing demands of rehabilitation technology. The findings are intended to guide future developments in control systems which will help build more efficient rehabilitation exoskeletons capable of adapting to individual patient needs.
This article is organized into eight comprehensive sections, each addressing critical aspects of control techniques for rehabilitation exoskeleton robots. Section 1 introduces readers to a range of control methodologies that are commonly employed in rehabilitation exoskeletons, emphasizing their distinctive features and practical applications. Section 2 provides an overview of existing review articles, examining their focus on control strategies within the context of rehabilitation robotics and identifying gaps in the current body of knowledge. Section 3 explains the systematic review process in detail. It covers the formulation of research questions, literature search strategies, and criteria for inclusion and exclusion. It also describes the procedures for selecting studies, techniques for extracting data, and methods used to validate the selected articles. Section 4 explores dynamic modeling techniques, highlighting their importance in developing accurate control systems. Section 5 reviews the latest advancements in nonlinear control methods specifically utilized in exoskeleton robot control applications. These methods are categorized into computed torque control, adaptive control, robust control, optimal control, and intelligent control systems, with a focus on their roles in enhancing performance, stability, and user adaptability. Section 6 presents an intuitive discussion of the findings, analyzing the strengths and limitations of various control techniques. Section 7 outlines future directions, offering insights into potential advancements and research opportunities in light of the reviewed literature. Finally, Section 8 concludes the article, summarizing key takeaways and emphasizing the implications for the development of efficient, responsive, and patient-centered rehabilitation exoskeletons.

2. Current Reviews

The field of rehabilitation robotics has seen remarkable progress in recent years, particularly in developing control strategies for exoskeleton systems. Numerous studies offer diverse perspectives on methodologies, human–robot interaction principles, and clinical applications. These studies focus on areas such as lower-limb and upper-limb rehabilitation, wearable robotics, and the integration of intelligent control strategies. The articles provide insight into the advancements made in the field while also identifying key challenges and gaps that require further exploration.
Several studies focus on lower-limb rehabilitation, emphasizing control strategies aimed at gait recovery for motor-impaired users. Articles [1,2,3] highlight widely used techniques such as assist-as-needed (AAN), trajectory tracking, and adaptive control. AAN control adjusts robotic assistance dynamically based on the user’s needs, promoting motor learning and engagement. Article [2] discusses the integration of bioelectric signals, including electromyography (EMG) and electroencephalography (EEG), with biomechanical metrics to enhance user intent recognition and precision in control. Article [3] builds on this by combining trajectory tracking with compliant control methods, particularly for stroke rehabilitation, and highlights their effectiveness during acute and subacute recovery phases.
Upper-limb rehabilitation receives significant attention in articles [4,5] These studies explore strategies to enhance motion tracking, dynamic adjustments, and human–robot interaction. Article [4] categorizes control strategies into high-level modes such as passive, active, and AAN, as well as low-level controllers that ensure trajectory accuracy and safe interactions. Article [5] focuses on adaptive control methods, including impedance and admittance control, which facilitate effective human–robot cooperation and motor relearning. Article [4] emphasizes the application of machine learning techniques, such as sliding mode control and neural networks, to improve rehabilitation outcomes. These approaches enable upper-limb exoskeletons to provide personalized assistance tailored to the user’s progress and motion intentions.
The application of wearable robotics extends beyond rehabilitation to include industrial and task augmentation uses. Article [6] explores supernumerary robotic limbs (SRLs) and exoskeletons, emphasizing design principles, control methods, and human–machine interaction mechanisms. This study identifies innovations such as ergonomic designs, multimodal human–machine interfaces, and adaptive control strategies that enhance user comfort and system performance. However, challenges remain, such as balancing system weight and functionality while achieving compliance control for seamless interaction.
Patient-centric and adaptive control strategies are critical for effective rehabilitation. Articles [2,4,7] discuss adaptive control models that dynamically adjust assistance based on real-time user needs. These models integrate motion intention recognition using sensors such as inertial measurement units (IMUs), surface electromyography (sEMG), and EEG. Article [7] categorizes motion intention recognition techniques into kinematic, kinetic, and multimodal approaches. It highlights the use of machine learning algorithms to improve accuracy and responsiveness. Article [4] underscores the importance of multimodal data integration, which combines biomechanical and physiological signals to deliver personalized adjustments.
Machine learning techniques have become central to advancing control strategies in rehabilitation robotics. Articles [5,8] highlight their potential for refining motion tracking, improving system robustness, and enhancing real-time responsiveness. Neural networks and adaptive frequency oscillators are promising tools for optimizing patient-specific interventions. Article [5] explains how neural networks enhance control accuracy and personalization by adapting to individual variability. These methods address challenges in human–robot interaction, ensuring that rehabilitation devices are both effective and user-friendly.
The integration of multimodal sensing plays a crucial role in improving user intent recognition and system adaptability. Articles [2,9] emphasize the importance of combining bioelectric signals like EMG and EEG with additional metrics such as ground reaction forces and motion data. Article [9] highlights advancements in sensor integration and user-centered design, while also noting challenges such as stability and sensing accuracy. Article [2] discusses how multi-information fusion can improve control precision and enhance the overall user experience.
The referenced review articles provide detailed analyses and valuable insights into rehabilitation robotics. Articles [1,2,6] present comprehensive overviews of current control strategies, linking theoretical principles to practical applications. These studies establish a strong foundation for understanding the current state of the field and identifying areas for further research. Articles [3,9,10] emphasize the integration of bioelectric signals to enhance real-time interaction and personalization. Article [10] explores the role of EMG and EEG in predicting motor intentions and stimulating neuroplasticity. Articles [4,8] discuss emerging trends, such as embodied intelligence and patient-specific adaptation, which have the potential to revolutionize rehabilitation.
Despite these contributions, the reviews reveal several limitations. One common issue is the narrow focus of certain studies, which limits their applicability. Articles [1,3] primarily address specific patient populations, such as stroke survivors, or specific body parts, such as lower limbs. This restricted scope makes it difficult to apply findings to other rehabilitation contexts. Similarly, articles [4,5] focus mainly on upper-limb rehabilitation and overlook strategies for lower limbs or full-body systems.
Another limitation is the reliance on simulations and theoretical frameworks, with limited clinical validation. Articles [7,8] discuss advanced control strategies but lack experimental evidence involving impaired participants. Article [7] highlights motion intention recognition techniques but acknowledges that many validations involve healthy individuals rather than those with motor impairments.
Practical implementation challenges also persist. Articles [6,9] identify technological advancements but fail to address issues such as cost, feasibility, and standardization for clinical use. Article [9] explores sensor integration and advanced control algorithms but offers few solutions to challenges like force transmission, control, and ergonomics. Article [6] identifies the need for more affordable and accessible systems but does not provide specific strategies to achieve these goals.
Another recurring issue is the overemphasis on bioelectric signals like EMG and EEG, often at the expense of other control strategies. Articles [2,10] focus heavily on these signals but give limited attention to the control methods.
These limitations reveal several gaps in the literature. A significant gap is the lack of integration between conventional and intelligent control systems. Most articles focus on one or the other but rarely combine them. Integrating traditional trajectory tracking with machine learning-based adaptive control could enhance both precision and flexibility. Another gap is the absence of standardized evaluation metrics, which complicate comparisons across studies. Articles [1,3] highlight variability in clinical validation methods, making it difficult to draw definitive conclusions about the relative effectiveness of different strategies. Standardized protocols are needed to generalize findings and apply them to diverse settings.
Many studies also fail to address patient engagement, comfort, and long-term usability, which are essential for successful rehabilitation. Articles [1,2] focus on technical aspects but neglect motivational factors that influence adherence. Strategies to improve patient comfort and engagement should be incorporated into future research.
The reviewed articles provide valuable insights into advancements in control strategies, bioelectric signal integration, and emerging technologies. Articles [5,8] emphasize intelligent control systems but highlight the need for practical evaluations and long-term studies. Articles [4,6] explore trends like patient-specific adaptation and embodied intelligence, which require further validation.
A balanced approach combining technical sophistication with practical implementation is crucial for advancing rehabilitation robotics. Addressing gaps such as standardization, cost-effectiveness, and patient-centered design can lead to the development of effective, accessible, and user-friendly rehabilitation technologies. Future research should focus on integrating traditional and intelligent control systems, developing standardized metrics, and improving patient engagement to meet diverse clinical needs.
By reviewing the existing Review articles, it has been revealed that most of the existing review articles emphasize human–robot interfaces rather than the underlying control techniques implemented in rehabilitation exoskeletons. These articles frequently focus on interfacing mechanisms and the use of physiological signals, such as EMG, EEG, and ECG, to facilitate interaction. While some reviews explore intelligent control systems and others address rehabilitation-focused applications, limited attention has been given to conventional model-based control methods in conjunction with intelligent control systems. This research article aims to address this gap by systematically examining both conventional control techniques and intelligent control systems for rehabilitation exoskeleton robot control. A systematic review was conducted by collecting articles from multiple databases, and applying stringent inclusion and exclusion criteria to ensure relevance and quality. The selected articles were reviewed to provide a comprehensive analysis of advancements and challenges in this domain. The following section outlines the article selection methodology employed in this review.

3. Methodology

This systematic review followed a structured and comprehensive approach to examine the application of various neural network models in exoskeleton-based robot-assisted upper extremity rehabilitation. The review process was conducted in five distinct stages: defining the research questions, identifying relevant studies, selecting studies based on inclusion and exclusion criteria, extracting data, and analyzing the findings.

3.1. Research Question Formulation

The primary research question guiding this review was “How are various control systems utilized in exoskeleton-based rehabilitation robots?”. Sub-questions included examining the types of control systems used, their effectiveness, and the challenges they address in rehabilitation technologies.

3.2. Literature Search Strategy

A systematic search was conducted using several electronic databases, including PubMed, IEEE Xplore, Scopus, and Web of Science. The search terms included combinations of keywords such as “computed torque control”, “exoskeleton”, “robot-assisted rehabilitation”, “computed torque control”, “Robust Control”, “Sliding mode control”, and “Linear Control”. The search was limited to articles published in peer-reviewed journals and conference proceedings between 2014 and 2024. To ensure thorough coverage, both backward and forward citation tracking of selected articles was performed.

3.3. Inclusion and Exclusion Criteria

Studies were included if they met the following criteria:
-
Rehabilitation exoskeleton robots;
-
Proposed a novel control system;
-
Dynamic simulation or prototype testing on human subjects;
-
Published within the period of 2014–2024.
The exclusion criteria were as follows:
-
Soft robotics;
-
Papers not applying novel control systems in rehabilitation processes;
-
Reviews, editorials, or commentaries without empirical data.
Figure 1 summarizes the article selection process.
Figure 1. Flow chart of the search and inclusion process.

3.4. Study Selection

After conducting the database searches, duplicates were removed, and the titles and abstracts of the remaining studies were screened by two independent reviewers. Full-text articles were then assessed for eligibility based on the inclusion and exclusion criteria.
Disagreements between reviewers were resolved through discussion or a third reviewer when necessary.

3.5. Data Extraction and Synthesis

For the selected studies, data were extracted on the following parameters: type of control system, rehabilitation application, type of exoskeleton, advantages, key outcomes, and limitations. A qualitative synthesis was performed to analyze the findings and categorize the neural network applications based on their functionality and impact on rehabilitation.

3.6. Quality Assessment

The quality of the included studies was evaluated using a modified version of the Newcastle–Ottawa Scale, specifically adapted to assess the methodological rigor and relevance of the control system used in rehabilitation research.

3.7. Data Analysis

The findings were synthesized to provide a comprehensive overview of the advances in control techniques for rehabilitation exoskeleton robots.

4. Robot Dynamic Modeling

Robot dynamics are nonlinear, requiring nonlinear control systems for effective operation. Conventional nonlinear control algorithms often use a model-based approach, where the robot’s dynamic equations are integral to the control strategy. This approach allows the separation of key components of the dynamic model, simplifying control design and improving performance.
Two commonly used methods for developing dynamic models are the Newton–Euler and Lagrange methods. The Newton–Euler method derives equations using Newton’s second law of motion and Euler’s rotational dynamics, making it a classical approach for modeling. The Lagrange method, on the other hand, is based on energy conservation principles, offering an analytical way to derive equations of motion [11]. Robot dynamics include several components, such as the mass matrix, gravitational forces, Coriolis and centrifugal forces, and joint friction. Advanced friction models are often incorporated to predict joint friction phenomena accurately [12]. Separating components like gravitational forces and Coriolis and centrifugal forces enables the linearization of nonlinear dynamics, making the system more manageable for control design.
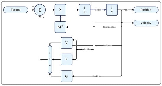
As shown in Figure 2, the torque needed to move a robotic manipulator is distributed among several factors. These include link acceleration ( M ( θ ) ) , compensation for gravitational forces (G(θ)), counteraction of Coriolis and centrifugal forces ( V ( θ , θ ˙ ) ) , and friction ( F ( θ ˙ ) ) at mechanical joints. Dynamic models facilitate the decomposition of these elements, enabling linearization and the development of linear control systems based on the simplified model.
Figure 2. Robot dynamics including the friction model.
Accurate dynamic models are crucial for accuracy and precision in model-based control systems. If the model is inaccurate, control systems lose precision and reliability. Even non-model-based systems benefit from dynamic models, which assist in controller tuning by selecting appropriate gains. Incorrect gain selection can destabilize the system, but simulations based on dynamic models help prevent instability and optimize control performance.

5. Overview of Robot Control System

A robot control system is the core mechanism responsible for regulating a robot’s actions and interactions with its environment. In rehabilitation robots, the control system is particularly vital as it ensures safe, responsive, and supportive interactions with human users. It manages key parameters such as speed, force, and trajectory to execute precise movements tailored to rehabilitation tasks. In exoskeleton robots, control systems are designed to align movements with the user’s needs, enabling safe and effective rehabilitation.
Control systems rely on feedback loops, using sensors to monitor the robot’s position, force, and environmental changes in real time. This allows continuous adjustments to ensure precise and stable movements. Modern control systems incorporate adaptive, robust, and intelligent controls to handle the complex demands of human–robot interaction. Adaptive control adjusts to changing user conditions, robust control maintains stability against disturbances, and machine learning enables robots to refine their assistance through experience, enhancing individualized rehabilitation support.

5.1. Nonlinear Control System

Nonlinear control systems play a crucial role in managing exoskeleton robots, especially given the complex, unpredictable nature of human movement. Unlike linear systems, which assume proportional responses, nonlinear control systems can handle the dynamic and variable forces involved in human–robot interaction, allowing the exoskeleton to respond more naturally and effectively to the user’s actions. This capability allows exoskeletons to adapt in real time to changes in movement and force. By accounting for these complexities, nonlinear control systems enable a smoother, more intuitive interaction between the exoskeleton and the user.
Nonlinear control techniques, such as sliding mode control and adaptive control, allow the exoskeleton to adjust its behavior based on real-time feedback and external disturbances, such as a sudden change in the user’s movement or strength. Sliding mode control, for example, is effective for maintaining stability despite external disruptions, helping the exoskeleton maintain precise support. Adaptive nonlinear control systems are also valuable, as they adjust to each user’s unique biomechanics and gradually refine assistance based on ongoing interactions. This adaptability enhances comfort, safety, and efficiency in rehabilitation exercises. By using nonlinear control, exoskeleton robots can provide a more intuitive and supportive experience, shaping assistance to each user’s needs and fostering better recovery outcomes. The following section will discuss the various types of nonlinear control schemes commonly used in exoskeleton robot control.

5.1.1. Computed Torque Control

Computed torque control (CTC) is a widely used model-based control method in exoskeleton robots. It is designed to achieve precise trajectory tracking and smooth, responsive movement. CTC uses the robot’s dynamic model to compute the exact torques required at each joint, enabling the robot to reach the desired positions and orientations. By effectively linearizing the nonlinear dynamics of the robot, CTC simplifies complex control challenges, transforming them into manageable linear problems. This approach is especially important in rehabilitation applications, where accurate and stable movements are essential to support users safely during exercises or mobility tasks.
The architecture of a CTC system is shown in Figure 3. CTC consists of two loops. The linearization loop removes nonlinear effects caused by gravity, Coriolis, and centrifugal forces. The control loop provides the input needed to achieve the desired performance while maintaining system stability.
Figure 3. Computed torque control architecture.
CTC heavily depends on the accuracy of the dynamic model. It calculates torques based on factors such as inertia, friction, and external forces acting on the exoskeleton. When the model closely matches real-world dynamics, CTC ensures smooth movement and consistent support. However, discrepancies between the model and actual conditions can degrade control performance. To mitigate this, CTC is often combined with adaptive or robust control techniques. These enhancements improve resilience to modeling inaccuracies, ensuring reliable operation in diverse rehabilitation scenarios [13].
The following referenced studies explore advancements in computed torque control (CTC) systems for rehabilitation exoskeletons. Each paper highlights unique control strategies tailored to specific needs, such as handling uncertainties, improving trajectory tracking, and enhancing user comfort. This section compares these studies based on control strategy, dynamic modeling, handling of uncertainties, experimental validation, and focus on user-specific requirements.
Control Strategies
The papers utilize various control approaches to enhance performance and robustness in rehabilitation robotics. The paper “Time-delay Estimation Based Computed Torque Control with Robust Adaptive RBF Neural Network Compensator” [13] integrates time-delay estimation (TDE) with CTC and radial basis function neural networks (RBFNN). This combination addresses time delays and compensates for unknown dynamics, resulting in improved trajectory tracking and stability. Similarly, the paper “Adaptive RBF Neural Network-Computed Torque Control for a Pediatric Gait Exoskeleton System” [14] employs an adaptive RBFNN-based CTC, which adjusts to dynamic uncertainties and enhances tracking accuracy for pediatric gait rehabilitation. Both approaches highlight the benefits of neural networks in approximating unknown dynamics and improving performance under varying conditions.
In contrast, the study “Modified Computed Torque Control of a Robotic Orthosis for Gait Rehabilitation” [15] incorporates fractional-order derivatives into the CTC framework to enhance performance during transient and steady-state conditions. This modification addresses the limitations of traditional proportional-derivative (PD) controllers, achieving faster stabilization and reduced tracking errors. The paper “Feedback Control Design for Robust Comfortable Sit-to-Stand Motions of 3D Lower-Limb Exoskeletons” [16] uses a quadratic programming (QP)-based CTC approach, emphasizing constrained optimization to ensure user comfort during sit-to-stand transitions. Meanwhile, “A Realistic Model Reference Computed Torque Control Strategy for Human Lower Limb Exoskeletons” [17] introduces a dual-loop control system to improve computational efficiency and precision, demonstrating an alternative approach to traditional CTC frameworks.
Dynamic Modeling
Dynamic modeling plays a central role in most studies. The paper “Time-delay Estimation Based Computed Torque Control with Robust Adaptive RBF Neural Network Compensator” [13] focuses on estimating time delays and unmodeled dynamics, allowing for compensation through TDE and neural networks. Similarly, “Adaptive Computed Torque Control Based on RBF Network for a Lower Limb Exoskeleton” [18] employs RBF networks to estimate and compensate for unmodeled dynamics, ensuring precise motion control.
The study “Computed Torque Control of the Stewart Platform with Uncertainty for Lower Extremity Robotic Rehabilitation” [19] incorporates Polynomial Chaos Expansion (PCE) into the CTC framework to handle parameter uncertainties. This method allows systematic evaluation of dynamic responses under stochastic conditions. In comparison, the paper “Modified Computed Torque Control of a Robotic Orthosis for Gait Rehabilitation” [15] develops a mathematical model that incorporates pneumatic artificial muscles (PAMs) to achieve smooth and responsive assistance. The paper “A Realistic Model Reference Computed Torque Control Strategy for Human Lower Limb Exoskeletons” [17] uses a 7-degree-of-freedom (DOF) model incorporating human biomechanics and friction effects, providing a realistic representation for more accurate simulations.
Handling of Uncertainties
Uncertainty management is a critical aspect of these studies. Papers such as [13,14] address uncertainties using RBF neural networks, which estimate and compensate for unknown dynamics in real time. This approach ensures robust performance even when the system encounters unmodeled disturbances or user-specific variations. Similarly, the study “Adaptive Computed Torque Control Based on RBF Network for a Lower Limb Exoskeleton” [18] extends this concept by integrating adaptive features into the neural network, further enhancing the system’s ability to handle dynamic uncertainties.
The paper “Computed Torque Control of the Stewart Platform with Uncertainty for Lower Extremity Robotic Rehabilitation” [19] uses PCE to model uncertainties, providing an efficient alternative to Monte Carlo simulations. This method improves computational efficiency while accurately accounting for stochastic variations. On the other hand, “A Realistic Model Reference Computed Torque Control Strategy for Human Lower Limb Exoskeletons” [17] excludes Coriolis and centrifugal forces from the model, treating them as disturbances. This simplification reduces computational load while maintaining control robustness.
Experimental Validation
Experimental validation varies across the studies. Papers like “Time-delay Estimation Based Computed Torque Control with Robust Adaptive RBF Neural Network Compensator” [13] and “Adaptive RBF Neural Network-Computed Torque Control for a Pediatric Gait Exoskeleton System” [14] validate their approaches through co-simulations and experiments, demonstrating improved tracking accuracy and robustness compared to traditional CTC methods. For example, ref. [14] reports a 37.5% to 40.98% improvement in tracking accuracy across pediatric exoskeleton joints.
The study “Modified Computed Torque Control of a Robotic Orthosis for Gait Rehabilitation” [15] uses experimental tests on multiple subjects to validate its fractional-order derivative approach, achieving reduced tracking errors and faster stabilization. “Feedback Control Design for Robust Comfortable Sit-to-Stand Motions of 3D Lower-Limb Exoskeletons” [16] focuses on simulations to test robustness against perturbations, including user-specific variations like spasticity. Similarly, “A Realistic Model Reference Computed Torque Control Strategy for Human Lower Limb Exoskeletons” [17] relies on simulations to demonstrate the effectiveness of its dual-loop design in achieving accurate trajectory tracking and robust performance.
User-Specific Requirements
User-specific needs are central to many studies. The paper “Adaptive RBF Neural Network-Computed Torque Control for a Pediatric Gait Exoskeleton System” [14] targets pediatric rehabilitation, focusing on personalized gait training for children aged 8–12. This study emphasizes the importance of safety and adaptability in exoskeleton design for young users. Similarly, “Feedback Control Design for Robust Comfortable Sit-to-Stand Motions of 3D Lower-Limb Exoskeletons” [16] addresses sit-to-stand transitions, optimizing control for user comfort through constraints on joint angles, motor torques, and contact forces.
The paper “A Realistic Model Reference Computed Torque Control Strategy for Human Lower Limb Exoskeletons” [17] incorporates user-specific parameters, such as weight and height, to ensure consistent performance across diverse rehabilitation scenarios. In contrast, the studies [13,18] focus more on robust control under general dynamic uncertainties, without explicitly tailoring systems to specific user populations.
Key Similarities and Differences
The studies share a common goal of improving the robustness, accuracy, and adaptability of CTC systems for rehabilitation robotics. Neural networks and adaptive strategies are recurring themes, particularly in [13,14,18], which leverage RBF networks for real-time compensation of unknown dynamics. Similarly, all studies emphasize stability, often validated through Lyapunov theory or experimental testing.
However, differences emerge in focus areas. Papers like [14,16] prioritize user-specific needs, targeting pediatric users and sit-to-stand transitions, respectively. In contrast, the authors of [13,18,19] emphasize robust handling of uncertainties and unmodeled dynamics, often through advanced estimation and compensation methods. Computational efficiency is another area of divergence, with [17,19] optimizing performance through PCE and simplified dynamic models.
The referenced studies present diverse approaches to computed torque control, addressing challenges such as nonlinear dynamics, uncertainties, and user-specific requirements. Neural network integration, adaptive features, and robust modeling techniques enhance system performance across different rehabilitation scenarios. While all studies contribute to advancing exoskeleton control, future research should aim to combine these approaches, integrating user-specific customization with robust uncertainty management to create versatile and efficient systems. Table 1 summarizes the articles discussed in this section:
Table 1. Summaries of articles which use computed torque control.
The next section will discuss the recent advancements in adaptive control systems for rehabilitation exoskeleton applications.

5.1.2. Adaptive Control

Adaptive control in exoskeleton robots is essential for providing personalized and responsive assistance to users. The adaptive control scheme adjusts its parameters in real time, accommodating changes in the user’s movements, strength, and interaction dynamics. This capability is critical in exoskeletons used for rehabilitation, where patients may exhibit varying levels of mobility, muscle tone, or fatigue during each session. Adaptive control enables the exoskeleton to customize its support, offering a seamless experience that aligns with the user’s current capabilities and needs.
The adaptive control system constantly monitors the user’s actions through sensors and modifies its response to match these inputs accurately. For instance, if a user unexpectedly changes speed or force, the adaptive control system can adjust the exoskeleton’s output to maintain stability and comfort. Additionally, adaptive control enhances safety by quickly responding to irregularities, reducing the risk of injury. Often, adaptive control is paired with machine learning techniques, allowing the exoskeleton to refine its responses based on accumulated data over multiple sessions. This adaptability not only improves the effectiveness of rehabilitation but also supports a more natural, intuitive interaction between the user and the exoskeleton, ultimately fostering more consistent and meaningful recovery progress.
The following referenced studies highlight diverse advancements in control strategies for rehabilitation robots, emphasizing solutions tailored to various challenges in human–robot interaction, dynamic uncertainties, and personalized therapy. This comparative analysis explores the contributions, methodologies, and limitations of these studies based on key criteria.
Control Approaches and Adaptability
The control strategies differ significantly in their methodologies for managing dynamic uncertainties and human interaction. The paper “Impedance Learning-Based Hybrid Adaptive Control of Upper Limb Rehabilitation Robots” [20] introduces a hybrid adaptive control (HAC) system that integrates impedance learning with adaptive control. This approach estimates parametric uncertainties and time-varying human impedance using differential and periodic adaptation mechanisms, achieving asymptotic stability and precise tracking. The HAC system stands out for not requiring force measurements and its ability to adapt to subtle changes in human impedance.
Similarly, Cai et al. [21] propose a compensation-corrective adaptive control (CCAC) system for upper-limb rehabilitation. Unlike HAC, which focuses on impedance learning, CCAC dynamically adjusts robotic assistance to minimize trunk compensation during rehabilitation tasks. By integrating an admittance model, human-intention estimators, and dynamic assistance adjustments, CCAC personalizes support to enhance motor performance. This system reduces trunk compensation by over 60% in various tasks, highlighting its adaptability to user-specific conditions.
For lower-limb rehabilitation, Han et al. [22] employ an adaptive control system based on interaction torque, inertia compensation, and an Adaptive Frequency Oscillator (AFO). This system synchronizes robotic assistance with the user’s natural gait, enabling dynamic frequency adjustments for tailored support. The lightweight design of the exoskeleton further enhances its usability, demonstrating adaptability in gait training.
Human–Robot Interaction (HRI)
Enhancing HRI is central to the effectiveness of rehabilitation robots. The study “A Muscle Synergy-Inspired Control Design to Coordinate Functional Electrical Stimulation and a Powered Exoskeleton” [23] addresses HRI challenges by combining functional electrical stimulation (FES) with powered exoskeletons. Its adaptive synergy-based controller simplifies complex movements by leveraging muscle synergies. This approach coordinates joint trajectories and muscle activation, optimizing locomotion for individuals with spinal cord injuries (SCIs). The integration of subject-specific gait trajectories further personalizes therapy, making it highly relevant for SCI rehabilitation.
Similarly, the study by Wang et al. [24] introduces the adaptive interaction torque-based assist-as-needed (AITAAN) control strategy. This system uses a Nonlinear Disturbance Observer (NDO) to estimate muscle torque, allowing the exoskeleton to provide assistance dynamically tailored to the user’s strength. By prioritizing precise trajectory tracking and interaction torque adjustments, AITAAN enhances HRI, improving both rehabilitation outcomes and user comfort.
In contrast, Pan et al. [25] emphasize multi-axis self-tuning control to improve gait patterns. The system dynamically adjusts controller gains based on motor current signals, optimizing performance during various walking conditions. While less focused on direct HRI, this approach improves gait stability and reduces errors, indirectly enhancing user experience.
Handling Dynamic Uncertainties
Dynamic uncertainties, including variations in human limb properties and external disturbances, are common challenges addressed in several studies. “An Adaptive Controller for Human Lower Extremity Exoskeleton Robot” [26] presents a direct adaptive controller for a 7-DOF exoskeleton, accounting for nonlinear dynamics and human variability. By leveraging a regressor matrix and real-time feedback, the controller adapts to changing parameters, ensuring precise trajectory tracking and stability even under disturbances.
The study “Switched Concurrent Learning Adaptive Control for Treadmill Walking Using a Lower Limb Hybrid Exoskeleton” [27] introduces a switched adaptive controller designed to manage nonlinear dynamics during treadmill walking. This controller combines cable-driven motors with FES to activate muscles, facilitating smooth phase transitions in gait. Its concurrent learning algorithm accelerates parameter convergence and reduces kinematic tracking errors by 22.6%, demonstrating robust performance in handling uncertainties.
The “Realistic Model Reference Computed Torque Control Strategy for Human Lower Limb Exoskeletons” [17] takes a computational approach to address uncertainties. By excluding Coriolis and centrifugal forces from the dynamic model, the controller reduces computational demands while maintaining trajectory accuracy. This trade-off between model complexity and efficiency ensures robust control despite parameter variations.
Control System Performance and Stability
The stability and performance of control systems are critical in rehabilitation scenarios. The HAC system in [20] ensures stability through a non-negative function analysis, keeping estimation and tracking errors bounded over time. Similarly, CCAC [21] uses statistical analyses to validate its effectiveness, achieving reduced trunk compensation and improved movement smoothness.
The direct adaptive controller in [26] employs Lyapunov stability theory, guaranteeing stable trajectory tracking under high-friction conditions. Its adaptive gains dynamically converge, maintaining performance across diverse scenarios. Likewise, the switched adaptive controller in [27] ensures stability during gait transitions using multiple Lyapunov functions, highlighting its reliability during complex movements.
Papers like [17,25] also emphasize performance optimization. The realistic model reference controller in [17] achieves excellent trajectory tracking by balancing model accuracy and computational efficiency. The self-tuning control system in [25] reduces hip and knee tracking errors through dynamic gain adjustments, ensuring consistent performance under varying conditions.
Personalization and User-Specific Design
Personalization is a recurring theme across studies. The CCAC system in [21] tailors assistance by interpreting user intentions and adjusting robotic support to reduce compensatory movements. Similarly, the synergy-inspired controller in [23] uses subject-specific gait trajectories, offering lightweight and personalized rehabilitation solutions for SCI patients.
The AITAAN strategy in [24] dynamically adapts assistance based on muscle torque estimations, ensuring user-specific support during rehabilitation. The multi-axis self-tuning controller in [25] accommodates users of different heights through stepless adjustments, enhancing comfort and usability.
Pan et al. [25] and Han et al. [22] also prioritize user-specific design. Han’s exoskeleton uses a cable-driven mechanism and lightweight materials to minimize physical strain, while Pan’s system optimizes motor operations for individual walking gaits.
Comparison of Experimental Validation
Experimental validation varies across studies, with some focusing on simulations and others incorporating human trials. The HAC system in [20] is validated through simulations on a five-bar planar mechanism, demonstrating improved tracking accuracy compared to traditional adaptive controls. Similarly, the direct adaptive controller in [26] relies on simulation results to validate trajectory tracking and stability.
In contrast, studies like CCAC [21] and AITAAN [24] include experiments with human participants. CCAC uses healthy subjects performing reaching tasks to measure improvements in trunk compensation, while AITAAN validates its control strategy through co-simulation experiments focused on interaction torque.
The synergy-inspired controller in [23] and the switched adaptive controller in [27] also incorporate human trials. These studies test their systems on SCI patients and treadmill walking scenarios, respectively, providing valuable insights into real-world applicability.
Despite their contributions, the studies have limitations. The HAC system in [20] does not involve human trials, limiting its validation to simulations. Similarly, Pan’s self-tuning controller [25] focuses primarily on mechanical aspects, with limited emphasis on HRI.
CCAC [21] and AITAAN [24], while effective in reducing compensation and improving torque assistance, have yet to be tested on clinical populations such as stroke or SCI patients. The synergy-inspired controller in [23] and the switched adaptive controller in [27] focus heavily on gait rehabilitation, leaving other rehabilitation tasks unexplored.
Future research across these studies emphasizes expanding experimental validation and refining user-centric designs. For example, ref. [21] calls for applications in stroke patients, while ref. [27] highlights the need to address muscle fatigue and external disturbances.
The referenced studies collectively advance the state of rehabilitation robotics by introducing diverse control strategies tailored to dynamic uncertainties, HRI, and user-specific needs. Methods like HAC [20], CCAC [21], and AITAAN [24] prioritize adaptability and personalized support, while synergy-inspired [23] and switched adaptive controllers [27] focus on efficient gait rehabilitation. However, many systems still require broader experimental validation, particularly on clinical populations, to enhance their real-world applicability. By addressing these gaps, future research can further refine control strategies, ensuring precise, adaptable, and user-centered rehabilitation technologies. Table 2 summarizes the articles discussed in this section:
Table 2. Summaries of the articles which use adaptive control method.
The next section will discuss the application of robust control in rehabilitation exoskeleton robots.

5.1.3. Robust Control

Robust control in exoskeleton robots is a powerful technique designed to maintain stability and performance despite uncertainties, disturbances, or changes in the interaction dynamics. This approach is crucial in rehabilitation, where the robot must adapt to diverse users and unpredictable forces, such as sudden shifts in the user’s movement or unexpected external loads. Unlike adaptive control, which adjusts parameters in real time, robust control is configured to handle a predefined range of uncertainties, ensuring that the exoskeleton can perform reliably even when faced with modeling inaccuracies or external disturbances.
The primary goal of robust control is to make the exoskeleton resilient to variations that could disrupt smooth operation or lead to safety concerns. For example, if a user with limited muscle strength suddenly leans into the exoskeleton, robust control can manage this extra force, maintaining balance and providing appropriate support without sudden jerks or movements. Common robust control methods, such as H-infinity control and sliding mode control, are particularly effective for ensuring stable performance across a range of challenging scenarios. By prioritizing stability and consistency, robust control enhances user safety and provides a reliable experience, making it an ideal choice for rehabilitation tasks where user movements are often variable and unpredictable.
The following referenced studies present a range of innovative control strategies for rehabilitation robotics, each addressing unique challenges such as nonlinear dynamics, uncertainties, human–robot interaction, and user-specific requirements. Below is a detailed comparison and contrast of these approaches based on various criteria, including control methodologies, system adaptability, experimental validation, and application scope.
Model-Based Control and Differential Flatness
Brahmi et al. [33] proposed a flatness-based control strategy for an upper-limb rehabilitation robot, leveraging the differential flatness property to simplify nonlinear system control. The transformation into a triangular flat canonical form allowed for efficient trajectory tracking with reduced control inputs compared to traditional computed torque control (CTC). Lyapunov stability ensured asymptotic stability, making it a reliable approach for precise rehabilitation tasks.
Similarly, Jiang et al. [34] employed an adaptive robust control strategy for a 3DOF lower-limb rehabilitation robot. By integrating kinematic, friction, and motor models, the system managed uncertainties and disturbances effectively. Unlike Brahmi et al. [33], this study included a proportional-integral (PI) sub-controller to enhance trajectory tracking accuracy, particularly for repetitive rehabilitation tasks.
Cable-Driven Systems
The cable-driven knee exoskeleton proposed by the authors in [35] introduced a switched systems approach for controlling cable tension and knee tracking. This two-layer control system included a high-level controller for periodic trajectory tracking and a low-level controller for maintaining cable tension. The incorporation of real-time tension feedback ensured precise control while minimizing slackness, setting it apart from rigid-link control methods like those in [33,34].
Nonlinear and Robust Control
Several papers emphasized nonlinear and robust control strategies. The work in [36] used adaptive central pattern generators (ACPGs) and nonlinear disturbance observers to adjust gait frequency and amplitude dynamically. This real-time adaptability addressed human–robot interaction challenges, ensuring smooth locomotion transitions. Similarly, ref. [37] applied Generalized proportional integral (GPI) controllers for hip-joint rehabilitation, focusing on robust trajectory tracking under parametric uncertainties. Both studies validated stability using Lyapunov theory, though [36] concentrated on gait adaptability while [37] prioritized trajectory precision.
Fuzzy Logic and Fractional Control
In [38], a deterministic adaptive robust control strategy for a 2DOF lower-limb exoskeleton employed fuzzy set theory to address system uncertainties. Cooperative game theory optimized control gains, improving tracking and reducing input fluctuations. This approach contrasts with the fractional multi-loop active disturbance rejection control (FADRC) used in [39], which integrated fractional calculus into feedback loops for smoother control and better disturbance rejection. Both methods achieved robust performance but differed in their mathematical frameworks.
User-Specific Adaptations
Several studies prioritized adaptability for diverse users. The control framework in [35] dynamically adjusted cable tension, improving comfort and safety during knee rehabilitation. Similarly, the SEAC system in [40] used a clutch mechanism to manage torque delivery precisely, ensuring mechanical safety during walking phases. Adaptive control methods in [34,41] tailored rehabilitation exercises to user-specific parameters such as weight, height, and muscle strength, promoting personalized therapy.
Handling Uncertainties
The studies in [18,19,42] focused on managing uncertainties in robotic systems. Polynomial Chaos Expansion (PCE) in [19] modeled stochastic responses to handle patient-specific parameter variations, while [18] used RBF neural networks to compensate for unmodeled dynamics in a 12DOF exoskeleton. The leakage-type adaptive mechanism in [42] estimated uncertainties without requiring prior bounds, ensuring robust control even under varying conditions. These methods enhanced system resilience but differed in their computational complexity and application focus.
Human Subject Testing
Many studies validated their approaches using human subjects. Brahmi et al. [33] demonstrated improved trajectory tracking in flatness-based control compared to CTC, while [35] tested the cable-driven exoskeleton with six able-bodied participants, showing significant reductions in slackness and control variability. In contrast, refs. [34,40] included preliminary trials with healthy subjects to validate torque tracking and gait training effectiveness, emphasizing system safety and user comfort.
Simulation-Based Validation
Some studies relied primarily on simulations for validation. For example, the robust control strategy in [37] was tested using numerical simulations and Bezier polynomial trajectories. Similarly, refs. [39,42] evaluated fractional and leakage-type adaptive controls through MATLAB /Simulink, showcasing their effectiveness in rejecting disturbances and maintaining stability. While simulations provided valuable insights, real-world testing would strengthen the reliability of these findings.
Upper-Limb vs. Lower-Limb Rehabilitation
Upper-limb rehabilitation was the focus of Brahmi et al. [33], which targeted stroke recovery with a smart robotic exoskeleton. This contrasts with the lower-limb systems in [34,35,36], which emphasized gait training and mobility improvements. Each approach tailored control strategies to specific joint dynamics, whether for the knee, hip, or ankle.
Rehabilitation Context
The SEAC system in [40] and the multi-level control strategy in [41] targeted walking assistance, emphasizing locomotion phase transitions. In contrast, refs. [37,39] focused on repetitive task-specific exercises for stroke recovery. These differences highlight the diverse rehabilitation goals addressed by robotic systems, from mobility enhancement to passive movement training.
Safety and Comfort
Safety and comfort were recurring themes across studies. For example, refs. [35,40] incorporated real-time feedback mechanisms to minimize tension and torque fluctuations, reducing strain on users. The leakage-type adaptive mechanism in [42] ensured bounded gait trajectories, enhancing physiological safety during rehabilitation. These approaches underscore the importance of user-centric design in robotic rehabilitation.
Tracking Accuracy
All studies demonstrated significant improvements in trajectory tracking, with specific methods excelling under certain conditions. For example, refs. [33,42] achieved precise control through differential flatness and fuzzy logic, respectively. Meanwhile, refs. [42,43] showcased the advantages of fractional and leakage-type adaptive control in reducing tracking errors.
Robustness
Robustness against disturbances was a critical feature in [36,37,42]. These studies used adaptive components and advanced estimation techniques to maintain stability and performance under varying conditions. The robustness of these methods makes them particularly suitable for unpredictable human–robot interactions.
Computational Efficiency
Efficiency varied across approaches. PCE in [19] and dual-loop control in [17] reduced computational demands, enabling real-time performance. In contrast, adaptive robust controls in [34,42] required more computational resources due to their complexity but delivered enhanced precision.
The referenced studies collectively advance control strategies for rehabilitation robotics, addressing key challenges like nonlinear dynamics, system uncertainties, and user-specific adaptability. While flatness-based control in [33] simplifies upper-limb rehabilitation, cable-driven and multi-level strategies in [35,41] enhance lower-limb mobility. Robust methods like those in [36,37,42] ensure stability under diverse conditions, while safety-focused designs in [34,40] prioritize user comfort. Although all methods contribute significantly, further experimental validation and comparative analysis in real-world settings remain essential to optimize rehabilitation technologies. Table 3 summarizes the articles discussed in this section:
Table 3. Summaries of the articles which use robust control methods.
The next section will discuss the recent advancements of sliding mode control systems for rehabilitation exoskeleton applications.

5.1.4. Sliding Mode Control

Sliding mode control (SMC) is a robust and nonlinear control strategy widely used in engineering and scientific applications due to its effectiveness in handling system uncertainties and external disturbances. This method is based on driving the system state trajectories onto a predefined sliding surface and maintaining them there for the remainder of the control process. The sliding surface is designed to achieve the desired system dynamics, ensuring stability and performance. SMC is characterized by its ability to switch control actions at high frequency, creating a discontinuous control signal that enforces the sliding motion. This switching mechanism makes SMC inherently robust to modeling inaccuracies and external perturbations, as it forces the system to “slide” along the surface where these effects are minimized. One of the key challenges associated with SMC is the chattering phenomenon, a high-frequency oscillation caused by the finite bandwidth of actuators and measurement noise. To mitigate chattering, various techniques have been developed, including boundary layer approaches, adaptive sliding surfaces, and higher-order sliding mode controllers. These advancements extend the applicability of SMC to systems with practical constraints. Due to its simplicity in design and strong robustness properties, SMC continues to be a focal area in control research, particularly in robotics, automotive systems, and power electronics.
Figure 4 shows the architecture of the sliding mode controller for robotics applications. The major limitation of the sliding mode control is the issue of chattering. An additional chattering suppressor is required to remove chattering effects. Figure 5 shows the sliding mode controller with a chattering suppressor. The following section will cover the recent advancement of the sliding mode controller for robotics applications.
Figure 4. Architecture of a sliding mode controller.
Figure 5. Architecture of a sliding mode controller with chattering suppressor.
The referenced studies below present diverse advancements in sliding mode control strategies for rehabilitation exoskeletons, focusing on aspects such as trajectory tracking, robustness to uncertainties, user-specific adaptability, and the reduction in chattering. Each paper offers a unique approach to addressing the challenges of human–robot interaction in rehabilitation scenarios, with distinct strengths and limitations.
Handling Model Uncertainties and External Disturbances
The paper “Adaptive Neural Network-Based Practical Predefined-Time Nonsingular Terminal Sliding Mode Control for Upper Limb Rehabilitation Robots” [44] proposes a robust method to address uncertainties and disturbances in upper-limb rehabilitation robots. By integrating radial basis function neural networks (RBFNNs), the strategy compensates for unknown dynamics and minimizes chattering, enhancing trajectory tracking and responsiveness. Similarly, “Extended State Observer-Based Nonlinear Terminal Sliding Mode Control with Feedforward Compensation for Lower Extremity Exoskeleton” [45] introduces ESO-F-NTSMC, which leverages disturbance estimation capabilities of Extended State Observers (ESOs) and robust sliding mode control. Both strategies emphasize adaptability to dynamic uncertainties, with [45] validated through experimental tests showing significant improvements in root mean square error (RMSE).
In contrast, “Design and Implementation of a Robotic Hip Exoskeleton for Gait Rehabilitation” [46] employs a Linear Extended State Observer (LESO) combined with sliding mode controllers. This method effectively manages dynamic uncertainties without additional torque sensors, demonstrating strong tracking performance during slow and moderate walking speeds. Unlike [44,45], which focus on algorithmic precision, this study prioritizes hardware simplicity by excluding torque sensors while maintaining robustness through advanced control.
Sliding Mode Control Enhancements
Several studies highlight the utility of sliding mode control (SMC) for its robustness to disturbances. The paper “Study on the Control Algorithm for Lower Limb Exoskeleton Based on ADAMS/Simulink Co-Simulation” [47] uses SMC for lower-limb gait rehabilitation. The approach improves trajectory tracking and system stability over traditional PID control, showing resilience to system nonlinearities. However, chattering remains a challenge, as it can cause mechanical wear and user discomfort. To address this, “Biomechanical Design and Control of an Eight DOF Human Lower Extremity Rehabilitation Exoskeleton Robot” [48] incorporates a super-twisting algorithm to suppress chattering. This enhancement ensures smooth trajectory tracking while maintaining SMC’s robustness. The integration of a detailed friction model in [48] further improves control accuracy, highlighting its practical application in rehabilitation therapy.
Similarly, “Development of a Sliding Mode Controller with Chattering Suppressor for Human Lower Extremity Exoskeleton Robot” [49] focuses on minimizing chattering effects in SMC by introducing a continuous mode chattering suppressor. This addition enhances user comfort and reduces actuator wear, addressing the limitations of traditional SMC. Comparatively, “Model-Free Finite-Time Robust Control Using Fractional-Order Ultra-Local Model and Prescribed Performance Sliding Surface for Upper-Limb Rehabilitation Exoskeleton” [50] adopts a model-free approach to SMC. By using fractional-order dynamics and a prescribed performance sliding surface, this method ensures finite-time convergence and robustness without requiring an accurate dynamic model, a key advantage over model-dependent strategies in [47,49,50].
Trajectory Tracking and User-Specific Adaptability
The referenced studies emphasize precise trajectory tracking as a critical aspect of rehabilitation robotics. For example, “Human Gait Tracking for Rehabilitation Exoskeleton: Adaptive Fractional Order Sliding Mode Control Approach” [51] introduces AFOFTSMC, which offers high precision and robustness in tracking hemiplegic patients’ gaits. This controller adjusts parameters adaptively to handle uncertainties, outperforming conventional sliding mode controllers in simulations.
“Design, Development and Control of a 2PRP-2PPR Planar Parallel Manipulator for Lower Limb Rehabilitation Therapies” [52] focuses on improving user-specific adaptability through the non-singular fast terminal sliding mode control (NSTSMC). This strategy ensures finite-time convergence with reduced chattering, validated by successful tracking of clinical gait trajectories within ±1° error. By combining safety protocols and adjustable components, this system ensures user-specific adaptability while maintaining control precision.
Control Strategies for Upper and Lower-Limb Rehabilitation
The studies also differ in their focus on upper or lower-limb rehabilitation. For upper-limb applications, “Adaptive Neural Network-Based Practical Predefined-Time Nonsingular Terminal Sliding Mode Control for Upper Limb Rehabilitation Robots” [44] and “Model-Free Finite-Time Robust Control Using Fractional-Order Ultra-Local Model and Prescribed Performance Sliding Surface for Upper-Limb Rehabilitation Exoskeleton” [50] prioritize robust control under dynamic uncertainties. Both integrate advanced features like RBFNNs and fractional-order dynamics to achieve accurate and responsive upper-limb movements. However, ref. [50] adopts a model-free approach, offering greater flexibility compared to the model-dependent strategy in ref. [44].
Lower-limb rehabilitation is extensively explored in studies such as “Extended State Observer-Based Nonlinear Terminal Sliding Mode Control with Feedforward Compensation for Lower Extremity Exoskeleton” [45], “Biomechanical Design and Control of an Eight DOF Human Lower Extremity Rehabilitation Exoskeleton Robot” [48,51], and “Human Gait Tracking for Rehabilitation Exoskeleton: Adaptive Fractional Order Sliding Mode Control Approach” [51]. These papers emphasize robustness and precision in gait tracking, with [48] focusing on ergonomics and user comfort through a detailed friction model. The studies also highlight varying degrees of adaptability to user-specific conditions, such as hemiplegic gait compensation in ref. [51].
Experimental Validation and Simulation Approaches
The methods for validating control strategies differ across studies. Papers like “Study on the Control Algorithm for Lower Limb Exoskeleton Based on ADAMS/Simulink Co-Simulation” [47] and “Design, Development and Control of a 2PRP-2PPR Planar Parallel Manipulator for Lower Limb Rehabilitation Therapies” [52] emphasize co-simulation environments. By integrating ADAMS and Simulink, these studies optimize the design and testing process. In contrast, “Biomechanical Design and Control of an Eight DOF Human Lower Extremity Rehabilitation Exoskeleton Robot” [48] and “Development of a Sliding Mode Controller with Chattering Suppressor for Human Lower Extremity Exoskeleton Robot” [49] rely on MATLAB simulations to evaluate performance under dynamic conditions.
Some studies combine simulation with experimental validation. For example, “Extended State Observer-Based Nonlinear Terminal Sliding Mode Control with Feedforward Compensation for Lower Extremity Exoskeleton” [45] validates its approach with human volunteers, demonstrating improvements in RMSE and gait tracking. Similarly, “Design and Implementation of a Robotic Hip Exoskeleton for Gait Rehabilitation” [46] conducts experiments at different walking speeds and during stair ascension, confirming the robustness of its LESO-based control strategies.
The integration of advanced neural networks in [44,50] enhances system adaptability and robustness, but these methods rely on extensive parameter tuning, which may limit their practical application. Studies such as [47,49] demonstrate the effectiveness of sliding mode control but must address chattering to improve comfort and efficiency. The LESO-based approach in [46] achieves robustness without additional sensors, but its effectiveness at higher walking speeds remains a challenge.
The referenced studies collectively highlight advancements in rehabilitation exoskeleton control systems, focusing on robustness, precision, and adaptability. Sliding mode control emerges as a common approach due to its resilience to disturbances, while strategies like RBFNN integration and fractional-order dynamics enhance system performance. Despite their strengths, challenges such as parameter tuning, chattering, and real-world validation remain. Future research should emphasize clinical trials and dynamic adaptability to diverse patient needs, ensuring these innovations translate effectively into rehabilitation technologies. Table 4 summarizes the articles discussed in this section:
Table 4. Summaries of the articles which use the sliding mode control system.
The next section will discuss the application of fuzzy logic-based control methods in rehabilitation exoskeleton robots.
Fuzzy Logic-based Control System
A fuzzy logic-based control system is an intelligent control strategy that mimics human reasoning by employing a rule-based approach to handle imprecise, uncertain, or nonlinear systems. Unlike conventional control methods that require precise mathematical models, fuzzy logic control relies on linguistic rules and fuzzy sets to represent and process data. These systems interpret inputs using fuzzy membership functions, applying a set of “if-then” rules to determine outputs. The following section will introduce the recent advancements of Fuzzy Logic-based control systems in exoskeleton robot-assisted rehabilitation applications.
The referenced studies by Abdallah et al. [53], the twin-double pendulum exoskeleton system [54], and the fuzzy radial-based impedance controller (RBF-FVI) [55] all focus on advancing fuzzy logic-based control systems in rehabilitation robotics. These papers explore different applications of fuzzy logic control (FLC) in upper and lower-limb exoskeletons, emphasizing precision, adaptability, and patient-centered design. This analysis compares and contrasts these systems based on criteria such as application focus, control architecture, adaptability, experimental validation, and real-world applicability.
Application Focus
Each study focuses on different rehabilitation needs. Abdallah et al. [53] developed a fuzzy logic-based optimized stimulation control system (OSCS) for upper-limb rehabilitation. This system integrates a robotic exoskeleton and functional electrical stimulation (FES) to improve the range of motion for patients with motor impairments. The fuzzy logic controller adjusts muscle stimulation parameters based on real-time pain and muscle activity monitoring, enhancing therapy precision.
The twin-double pendulum exoskeleton system [54] addresses lower-limb rehabilitation and mobility assistance. It uses fuzzy logic control to manage joint movements in a twin-double pendulum model of human legs. This study targets cost-effective and simplified designs, making it suitable for widespread rehabilitation use.
In contrast, the fuzzy radial-based impedance controller (RBF-FVI) [55] supports patients with movement disorders using a six-degree-of-freedom (6-DOF) lower-limb exoskeleton. Its focus is on trajectory tracking, dynamic force adaptation, and improving human–machine coupling during gait rehabilitation. Unlike the other two studies, the RBF-FVI controller combines fuzzy logic with neural networks to enhance impedance control for smoother movement adaptation.
Control Architecture and Methods
Abdallah et al. [53] designed a fuzzy logic-based control system with five membership functions for input parameters and three for muscle contractions. These allow precise adjustments to FES parameters like pulse amplitude and rate. The integration of fuzzy logic with FES enhances therapeutic outcomes by balancing muscle stimulation and patient comfort.
The twin-double pendulum exoskeleton system [54] uses a simpler FLC architecture, relying on fuzzification, inference, and defuzzification to generate control signals for actuators. This approach processes error and error derivation inputs to ensure accurate joint movement control. The minimalist architecture, supported by one encoder and one potentiometer per joint, achieves cost-efficiency without compromising reliability.
The RBF-FVI controller [55] features a more sophisticated architecture. It combines an inner-loop fuzzy position controller with an outer-loop impedance controller. The radial basis function neural network (RBFNN) in the outer loop dynamically adjusts impedance parameters, enabling real-time adaptation to system uncertainties and improving performance during therapy. This dual-loop design integrates force-position adjustments for improved trajectory tracking and compliance.
Adaptability and Robustness
Adaptability is a critical feature across all studies. Abdallah et al. [53] focused on real-time adaptation through fuzzy logic, enabling dynamic pain assessment and rehabilitation adjustments. This adaptability ensures that therapy is personalized and minimizes patient discomfort.
The twin-double pendulum system [54] prioritizes robustness and simplicity, demonstrating consistent performance under varying conditions, including different load weights and limb sizes. Its ability to adapt to external changes with minimal sensors highlights its efficiency in cost-sensitive environments.
The RBF-FVI controller [55] stands out for its high adaptability due to the RBFNN. This neural network allows the system to handle dynamic uncertainties and real-time force variations during human–robot interaction. However, sudden torque changes during gait transitions suggest further refinement is needed to enhance system responsiveness and stability.
Experimental Validation
Each study validates its control system using simulations and experiments. Abdallah et al. [53] conducted clinical trials that demonstrated significant improvements in patients’ range of motion. These trials confirm the system’s effectiveness in real-world applications, emphasizing its therapeutic potential.
The twin-double pendulum system [54] underwent MATLAB/Simulink simulations to evaluate tracking errors and robustness. Results showed low hip and knee joint tracking errors, ranging from 1.73 to 3.47 degrees, validating its reliability. While cost-effective and robust, this system lacks extensive real-world testing on diverse patient populations.
The RBF-FVI controller [55] underwent both simulations and hardware tests. It achieved minimal joint angle errors and superior trajectory tracking compared to traditional impedance control methods. Compliance control ensured safe interaction forces during rehabilitation, although sudden torque changes during gait phase transitions highlighted areas for improvement. The study suggests future tests on stroke patients to further validate its efficiency in clinical settings.
Real-World Applicability
The real-world applicability of each system varies. Abdallah et al. [53] demonstrated strong clinical relevance by integrating fuzzy logic with FES in upper-limb exoskeletons. The LabVIEW interface ensures precise control and real-time adjustments, making it suitable for practical rehabilitation scenarios. However, the focus on upper limbs limits its applicability to other rehabilitation needs.
The twin-double pendulum exoskeleton [54] emphasizes simplicity and cost-effectiveness. Its minimalist design reduces manufacturing costs, making it accessible for widespread use in rehabilitation settings. However, its reliance on simulations limits the demonstration of real-world benefits, and further clinical testing is necessary to confirm its effectiveness across diverse patient groups.
The RBF-FVI controller [55] offers significant potential for real-world use due to its advanced architecture. It combines fuzzy logic, impedance control, and RBFNN to deliver smooth and adaptive rehabilitation movements. However, the complexity of this system may pose challenges in cost-sensitive or resource-limited settings. Future clinical trials on patients with neurological impairments are needed to assess its practical impact comprehensively.
Performance Metrics
In terms of performance, Abdallah et al. [53] achieved significant improvements in the patient range of motion by dynamically adjusting muscle stimulation based on real-time pain assessment. This approach prioritizes patient comfort while ensuring effective rehabilitation.
The twin-double pendulum system [54] demonstrated low tracking errors for hip and knee joints in simulations. While its cost-effective design makes it appealing, further improvements in accuracy and clinical testing are needed to strengthen its case for rehabilitation use.
The RBF-FVI controller [55] excelled in trajectory tracking, outperforming conventional impedance control systems. Its ability to adapt to dynamic uncertainties ensures precise and stable movement. However, the system requires optimization to handle sudden torque changes during gait transitions, highlighting a trade-off between complexity and responsiveness.
Each study has unique strengths and limitations. Abdallah et al. [53] effectively combined fuzzy logic and FES for upper-limb rehabilitation, achieving precise and adaptive control. However, its narrow focus on upper limbs limits its broader applicability.
The twin-double pendulum system [54] excels in simplicity, cost-efficiency, and robust control under varying conditions. Its minimal sensor setup reduces costs, but the lack of extensive clinical validation limits its demonstrated impact in practical rehabilitation scenarios.
The RBF-FVI controller [55] stands out for its advanced architecture and adaptability. By integrating RBFNN, it addresses system uncertainties and enhances trajectory tracking. However, its complexity and reliance on expensive components may limit accessibility in low-resource settings. The need for further optimization and testing with diverse patient groups also highlights areas for improvement.
The referenced studies illustrate the potential of fuzzy logic control systems in rehabilitation robotics. Abdallah et al. [53] highlight the benefits of integrating fuzzy logic with FES for adaptive and patient-specific upper-limb rehabilitation. The twin-double pendulum system [54] demonstrates the feasibility of cost-effective and robust control for lower-limb exoskeletons, focusing on simplicity and affordability. The RBF-FVI controller [55] showcases the power of combining fuzzy logic, impedance control, and neural networks to deliver adaptive and precise rehabilitation movements for lower-limb exoskeletons.
Each study contributes valuable insights, but further clinical testing and optimization are needed to address limitations and enhance real-world applicability. Combining the strengths of these approaches such as the simplicity of [54] with the advanced adaptability of [55] could lead to more effective and accessible rehabilitation systems. These advancements underscore the growing role of fuzzy logic control in creating intelligent, patient-centered rehabilitation technologies. Table 5 summarizes the articles discussed in this section:
Table 5. Summaries of the articles which use the fuzzy logic-based control system.

5.2. Linear Control

Using linear control systems on nonlinear systems is a common practice in control engineering, often motivated by the simplicity and well-established design methods of linear controllers. This approach typically involves linearizing the nonlinear system. Model-based linearization techniques are commonly used to derive the linear model, enabling the application of traditional control strategies like PID, state feedback, or Linear Quadratic Regulators (LQRs). Using the Gravity ( G θ ) and Coriolis and centrifugal model ( V θ ,   θ ˙ ) , the torque required to remove nonlinearities is calculated and supplied to the robot to remove nonlinearities. Figure 6 shows the example of model-based linearization and LQR-based control schemes.
Figure 6. Architecture of a Linear Quadratic Regulator.
Linear control systems in exoskeleton robots provide a straightforward approach to managing movement and support functions, relying on linear relationships between inputs and outputs. In this setup, control responses are directly proportional to the input signals, which simplifies the control process and makes it easier to implement and tune. Linear control systems, like proportional-derivative (PD) and proportional-integral-derivative (PID) control, are commonly used in exoskeleton applications where movements are relatively predictable and stable, such as assisting with walking or providing steady joint support. These controllers adjust force and position based on predefined proportional gains, allowing for smooth and steady movements.
One advantage of linear control in exoskeletons is its computational efficiency. Linear control algorithms are less complex than nonlinear or adaptive controls, allowing them to run with minimal processing power, which is beneficial in real-time applications. However, linear control systems may struggle with more complex, nonlinear dynamics often present in human–robot interactions. When dealing with irregular or unpredictable movements, linear control might not provide the required adaptability, potentially leading to reduced accuracy or stability. Linear control is often used in combination with more advanced control methods to enhance its performance in diverse and dynamic rehabilitation scenarios, providing a reliable foundation for basic, stable control. The following section will introduce readers to the recent advancements of linear control schemes in controlling rehabilitation exoskeleton robots.

5.2.1. Linear Quadratic Regulator

The Linear Quadratic Regulator (LQR) is a powerful optimal control strategy used to achieve precise and stable motion in robotic systems. It minimizes a cost function that balances system performance (e.g., trajectory tracking or posture stability) against control effort, ensuring efficient and effective operation. The cost function is typically quadratic in terms of the system state and control input, penalizing large deviations from desired states and excessive actuator usage. To calculate the LQR controller gains, the process begins by defining the system dynamics in state-space form, x ˙ = A x + B u , where x represents the state vector, u the control input, and A as well as B the system matrices. The cost function of the form J = ( x T Q x + u T R u ) d t is specified, where Q is the state weighting matrix and R the control effort weighting matrix. These matrices are chosen to reflect the desired trade-off between performance and effort. The LQR gains are then computed by solving the algebraic Riccati equation to find the optimal feedback matrix K . The control law u = K x uses K to regulate the robot’s motion effectively. LQR is widely applied in robotics for tasks such as balancing, trajectory tracking, and stabilization of complex systems like manipulators or autonomous vehicles. Figure 7 shows the architecture of an LQR control system. The following section will explain the recent applications of the LQR controller in robotics.
Figure 7. Simplified control architecture of a PD controller.
The referenced studies discuss innovative approaches to control systems for rehabilitation exoskeletons. They explore various strategies, such as trajectory tracking, adaptive control, human–robot interaction, and energy efficiency, tailored to improve mobility, safety, and rehabilitation outcomes for users with lower-limb impairments. This analysis compares and contrasts the studies based on key criteria: control strategies, modeling techniques, user interaction, adaptability, energy efficiency, and experimental validation.
  • Control Strategies
Control strategies play a central role in determining the precision, robustness, and adaptability of rehabilitation exoskeletons.
The paper “Development of a novel autonomous lower extremity exoskeleton robot for walking assistance” [56] employs a Zero Moment Point (ZMP) preview control method for walking pattern generation. This approach focuses on real-time trajectory planning and stability, enabling the exoskeleton to adapt to dynamic walking conditions. The system’s ability to generate continuous, real-time walking patterns makes it effective for balance and natural gait restoration.
Similarly, the study “Lower Limb Exoskeleton with Compliant Actuators” [57] utilizes a Linear Quadratic Gaussian (LQG) regulator with an Unscented Kalman Filter (UKF) for managing interaction torques and estimating internal states. The LQG framework, combined with compliant actuators, ensures smooth and safe human–robot interaction, particularly during the swing phase of walking.
The research “Trajectory tracking using online learning LQR with adaptive learning control of a leg-exoskeleton” [58] introduces an Online Learning Linear Quadratic Regulator (OILLQR) integrated with iterative learning control (ILC). This hybrid approach dynamically adjusts controller gains during gait, reducing tracking errors by 50% compared to traditional methods. Adaptive ILC refines learning rates in real time, further enhancing performance.
In contrast, “Developing a Linear Quadratic Regulator for Human Lower Extremity Exoskeleton Robot” [59] focuses on a standalone LQR strategy optimized for trajectory tracking and energy efficiency. Feedback linearization compensates for nonlinear dynamics, enabling the LQR to operate effectively even in the presence of joint friction.
  • Modeling Techniques
Accurate dynamic modeling is critical for ensuring control systems operate effectively.
The paper [56] models the dynamics of the 10-degree-of-freedom (DOF) Auto-LEE exoskeleton using a three-dimensional inverted pendulum, cart-table models, and ZMP algorithms. These models focus on balance and stability during walking.
In [57], the dynamics of the exoskeleton and human leg are represented as a double pendulum using Lagrange formalism. The study includes serial elasticity to estimate joint torques in real time. This approach enhances the system’s ability to predict user motion intentions, critical for compliant interaction.
The study [58] models the exoskeleton using Euler–Lagrange equations, emphasizing the swing phase of motion. By focusing on this phase, the dynamic model enables precise trajectory tracking while managing disturbances.
In [59], a 7-DOF model incorporating realistic human biomechanics is developed. The model includes a LuGre friction model, capturing Coulomb friction, viscous effects, and the Stribeck phenomenon. This detailed representation ensures accurate simulation of exoskeleton behavior, improving control precision and energy efficiency.
  • Human–Robot Interaction
The ability to facilitate seamless human–robot interaction is a major focus of these studies.
In [56], the Auto-LEE system incorporates EEG and EMG interfaces, along with force sensors and IMUs, to monitor user intentions and maintain balance. These multimodal interfaces enhance adaptability and expand the range of applications, particularly in rehabilitation scenarios.
The study [57] emphasizes safety and compliance by using variable stiffness actuators (VSAs) at the hip and knee joints. These actuators, combined with the LQG controller, provide smooth and natural assistance, reducing interaction torques and improving user comfort.
In [58], the integration of a weight support system addresses the needs of patients unable to bear their own weight. This ensures safe and effective rehabilitation, especially for individuals with severe mobility impairments.
The paper [59] does not focus explicitly on human–robot interaction interfaces but ensures stability and user comfort through the LQR control strategy. Virtual constraints dynamically adjust movements to align with user characteristics, such as weight and limb dynamics.
  • Adaptability
Adaptability to dynamic conditions, uncertainties, and user-specific needs is a key performance indicator for exoskeleton control systems.
The system in [56] demonstrates adaptability through the ZMP preview control method, which ensures stable walking patterns even under changing conditions. Future improvements aim to enhance stability on uneven terrain.
In [57], the combination of LQG and UKF enables real-time adjustments to interaction torques and internal states. This adaptability ensures precise assistance despite fast dynamics or noise in measurements.
The adaptive ILC in [58] refines controller gains based on real-time data, accelerating the learning process and enabling the system to quickly adapt to gait changes. This ensures effective rehabilitation across diverse patient conditions.
The system in [59] achieves adaptability by compensating for gravitational, Coriolis, and centrifugal forces during motion. The LQR’s stability analysis ensures robust performance under varying conditions, including user-specific parameters like weight and joint dynamics.
  • Energy Efficiency
Energy efficiency is crucial for ensuring the long-term usability of exoskeleton systems.
The study [56] focuses on reducing the weight of the exoskeleton (42 kg) to improve portability and efficiency. However, it does not explicitly address energy consumption in its control strategy.
In [57], VSAs reduce energy consumption by providing compliant interaction without unnecessary rigidity. This makes the exoskeleton more efficient during rehabilitation tasks.
The OILLQR framework in [58] does not emphasize energy efficiency directly but indirectly contributes by reducing control errors and improving learning rates, thereby optimizing the overall control effort.
The LQR in [59] explicitly minimizes energy consumption by balancing tracking accuracy with control effort. Simulations show that it outperforms alternative methods like PID and sliding mode control, requiring less torque and power for trajectory tracking tasks.
  • Experimental Validation
Experimental validation is essential to confirm the effectiveness of control systems.
The study [56] validates the Auto-LEE exoskeleton through simulations and tests with a 20 kg dummy. The results demonstrate self-balanced walking and adaptability to diverse conditions. Future work will focus on testing with human users.
In [57], experiments validate the system’s ability to achieve smooth gait patterns and maintain low interaction torques. The UKF’s effectiveness is confirmed by its robust performance compared to inverse dynamics methods.
The system in [58] is validated through simulations and physical prototype experiments. Results show significant improvements in tracking performance and faster adaptation to desired gait patterns, confirming the system’s effectiveness.
Simulations in [59] confirm the LQR’s trajectory tracking accuracy and energy efficiency. Errors are kept within one degree, even with joint friction. However, physical testing is needed to fully validate the controller’s performance in real-world scenarios.
The referenced studies collectively highlight advancements in rehabilitation robotics, with each system addressing unique challenges and criteria. Ref. [56] focuses on a modular design, multimodal human–robot interfaces, and ZMP-based balance control, offering a versatile solution for autonomous walking assistance. Ref. [57] emphasizes compliance, safety, and real-time adaptability through VSAs, LQG control, and UKF-based torque estimation. Ref. [58] integrates online learning and adaptive control for precise trajectory tracking and efficient rehabilitation, prioritizing adaptability and rapid learning. Ref. [59] optimizes trajectory tracking and energy efficiency using LQR with detailed biomechanical modeling.
Each approach offers valuable contributions, but further integration of advanced energy optimization, adaptive control, and robust testing with diverse patient populations is needed. Together, these studies advance the field of rehabilitation robotics, paving the way for more effective and accessible solutions for individuals with lower-limb impairments. Table 6 summarizes the articles discussed in this section.
Table 6. Summaries of the articles which use Linear Quadratic Regulator.
The next section will discuss the application of proportional-derivative (PD) control methods in rehabilitation exoskeleton robots.

5.2.2. PD Control

Proportional-derivative (PD) controllers are widely used in robotics applications due to their simplicity and effectiveness in achieving precise motion control and stability. The PD controller combines two components: the proportional term, which scales the control action based on the current error, and the derivative term, which predicts system behavior by considering the rate of change in the error. Together, these terms enable the robot to respond quickly to deviations from desired positions or trajectories while minimizing overshoot and oscillations. In robotics, PD controllers are commonly applied to tasks such as joint control in manipulators, balancing in bipedal robots, and trajectory tracking in mobile robots. Their computational efficiency makes them suitable for real-time control in systems with limited processing power. However, PD controllers may struggle with unmodeled dynamics, disturbances, or varying system parameters, which can limit their performance in complex or nonlinear robotic applications. To address these challenges, PD controllers are often augmented with adaptive or feedforward strategies to enhance robustness and adaptability. Figure 7 shows the simplified PD control architecture for robotics applications. Often a low pass filter is added after derivative gain to reduce the sensitivity. The following section will discuss some recent uses of PD controllers for rehabilitation robotics applications.
The paper “A Method for Obtaining the Parameters for Changing the Settings of the Control System of a Rehabilitation Device” [60] focuses on a proportional-derivative (PD) control system for lower-limb exoskeletons. The system calculates errors between desired and actual positions, applying corrective actions to mimic natural human walking with high precision. In contrast, Orekhov et al. [61] introduce open-loop motor controllers, eliminating torque sensors to simplify control design and reduce complexity. These controllers use predictive models to adjust motor currents during walking. The paper “Modelling and Analysis of Coupling Dynamics of Swinging a Lower Limb Exoskeleton” [62] also employs a PD feedback control mechanism but includes gravity compensation to enhance trajectory tracking while analyzing human–exoskeleton coupling dynamics. While [60,62] rely on closed-loop PD systems, Ref. [61] explores open-loop approaches for greater efficiency.
Modeling and Dynamics
The studies differ in their approach to modeling. The method in [60] approximates walking trajectories using polynomial functions derived from gait data, focusing on replicating natural walking patterns. Orekhov et al. [61] develop regression-based models to predict motor behavior, focusing on torque and velocity inputs for optimizing motor current adjustments. The paper in [62] presents a detailed dynamic model incorporating damped springs to represent the elastic and viscous properties of human tissue during swing motions. This model addresses the limitations of earlier methods, offering improved predictions of interactive forces. While [60] simplifies modeling for practical gait replication, ref. [62] provides a more sophisticated dynamic analysis of interaction forces.
System Design and Complexity
The control system in [60] integrates angle sensors and DC motor drivers to achieve real-time trajectory adjustments, maintaining a maximum deviation of 8.1% and a mean error of 2.3%. Orekhov et al. [61] prioritize reduced complexity by using open-loop controllers, which eliminate torque sensors and achieve comparable torque tracking performance with lower power consumption and noise. The study in [62] emphasizes lightweight exoskeleton designs to minimize forces and power requirements, alongside improved alignment to optimize user comfort. While [61] focuses on simplicity and efficiency, refs. [60,62] incorporate more advanced feedback mechanisms for precision.
User Adaptation and Comfort
User experience varies across the studies. The PD system in [60] ensures precise gait tracking, making it suitable for rehabilitation. Orekhov et al. [61] report that participants perceive open-loop controllers as more consistent and assistive, though some stiffness issues need refinement. The findings in [62] emphasize the importance of alignment, coupling tightness, and lightweight designs for reducing forces and enhancing user comfort. Gravity compensation in [62] improves tracking accuracy without affecting coupling forces. Together, these studies highlight the need to balance precision, simplicity, and user comfort in control systems.
Applications and Future Directions
All three studies focus on rehabilitation but differ in scope and application. The system in [60] aims to replicate natural gait for general rehabilitation. Orekhov et al. [61] target cost-effective, efficient exoskeleton designs for long-term use. The research in [62] emphasizes swing motions, with plans to extend the analysis to complex movements. While refs. [60,62] explore precise trajectory tracking, ref. [61] suggests practical, simplified solutions for commercialization. Future work in all three papers involves addressing current limitations, such as refining stiffness in [61], extending modeling to broader movements in [62], and expanding the application to diverse user groups in [60].
The studies demonstrate varied approaches to exoskeleton control, each with unique strengths. PD systems in [60,62] offer precise control and detailed modeling but come with higher complexity. The open-loop approach in [61] simplifies design while maintaining efficiency, showing promise for practical applications. Together, these works highlight the trade-offs between precision, simplicity, and user comfort, advancing the field of rehabilitation robotics. Table 7 summarizes the articles discussed in this section:
Table 7. Summaries of the articles which use the PD control method.
The next section will discuss the application of proportional-integral-derivative (PID) control methods in rehabilitation exoskeleton robots.

5.2.3. PID Control

The proportional-integral-derivative (PID) controller is widely used in robotics due to its simplicity, effectiveness, and ease of implementation. It offers a robust solution for managing robotic system dynamics, ensuring accurate and stable control. PID controllers are commonly employed for tasks such as trajectory tracking, speed regulation, and balance maintenance.
The proportional term addresses the current error by generating a control effort proportional to the difference between the desired and actual states. The integral term eliminates steady-state errors by summing past errors, while the derivative term predicts future errors by considering the error’s rate of change. These three components work together to handle a variety of dynamic behaviors in robots.
Tuning the PID parameters—proportional, integral, and derivative gains—is critical for achieving optimal performance. This process can be challenging in systems with high nonlinearity or significant external disturbances. An accurate dynamic model is essential for setting these gains to ensure stability and desired performance.
Despite its limitations, the PID controller remains a foundational element in robotic control systems. It is often combined with advanced strategies to enhance performance. Figure 8 illustrates the architecture of a PID controller for robotics applications. The next section will explore recent applications of PID controllers in rehabilitation robotics.
Figure 8. Robot control architecture of a PID controller.
The referenced papers explore various exoskeleton designs and control strategies for rehabilitation robotics. These studies target different limbs, user needs, and control techniques, showcasing the diversity and innovation in exoskeleton technology. Below is a comparative analysis based on key criteria, including the targeted application, control methodologies, adaptability, user interaction, and experimental validation.
Targeted Applications
The papers address rehabilitation for both upper and lower limbs, with designs tailored to specific mobility impairments. For lower-limb rehabilitation, Yu et al. [63,64] introduce an omnidirectional mobile exoskeleton that combines active and passive training modes, catering to diverse rehabilitation needs. Similarly, the work by Tanyıldızı et al. [64] and Valdivia et al. [65] focuses on hip and shoulder rehabilitation, targeting patients with limited mobility due to injury or surgery. The lower-limb exoskeleton by [66] and the energy-storing exoskeleton for spinal cord injury (SCI) patients by [67] aim to restore locomotion, with emphasis on gait improvement.
In contrast, studies like NESM-γ [68] and the fractional PID-controlled exoskeleton [64] focus on upper-limb rehabilitation, addressing issues like post-stroke recovery and precise motor assistance. These designs prioritize restoring dexterity and enabling specific movements. The study by [69] optimizes control for a 2-DOF upper-limb exoskeleton, demonstrating its suitability for repetitive therapeutic tasks.
Control Methodologies
Control system design is a critical differentiator among the studies. Most papers employ PID-based controllers, with enhancements tailored to specific needs. For example, Yu et al. [63,70] implement PID controllers with interaction force feedback to ensure smooth and precise motion. However, the optimization of PID controllers using nature-inspired algorithms, as in [69], highlights the potential for achieving lower overshoot and improved performance.
Several papers incorporate advanced techniques to enhance traditional control methods. Yu et al. [63] integrate PID with a mass-spring-damping system for interaction control, enabling adaptive responses to user movements. The refs. [68,70] studies use hierarchical control structures, combining high- and low-level controllers for accurate torque management and real-time responsiveness. Notably, the NESM-γ system employs gravity compensation and feed-forward control for smooth operation during dynamic tasks.
The papers also explore innovative approaches to address modeling uncertainties and improve robustness. For instance, ref. [66] integrates robust controllers to manage variability in patient dynamics, while ref. [67] introduces an energy-storage mechanism to reduce motor load. Differential inverse kinematics (IK), as in [71], addresses redundancy and collision avoidance in upper-limb systems, offering enhanced adaptability compared to traditional methods.
User Interaction and Adaptability to User Needs
Adaptability is central to effective rehabilitation, and many papers emphasize user-specific designs. The exoskeleton in [63] supports active and passive training modes, allowing it to adapt to varying patient capabilities. Similarly, the energy-storing exoskeleton in [67] accommodates user-specific intentions by incorporating EEG and EOG signals into its control system.
Studies like [64,65] align their designs with human anatomy to ensure ergonomic integration and user comfort. For example, the fractional PID-controlled exoskeleton in [64] uses IMU-based measurements to estimate joint angles, maintaining precision across different loads. The HipBot [65] combines PID and impedance control to achieve accurate trajectory tracking while adapting to external forces, ensuring both safety and effectiveness.
User-specific optimization is also highlighted in [16,68], which implement constrained optimization to personalize movements. These systems adjust based on user characteristics like weight and height, improving comfort and efficiency during rehabilitation tasks.
Effective rehabilitation requires seamless interaction between the exoskeleton and the user. The force-feedback-based control framework in [70] excels in enhancing physical interaction, maintaining a light operational feel and robustness against disturbances. This approach ensures that the exoskeleton adapts to user inputs without disrupting natural movements.
Similarly, the exoskeleton in [66] employs high-level gait control to interpret user intentions, enabling intuitive operation. Motion capture and graphical user interfaces (GUI), as seen in [14,65], further improve interaction by allowing therapists to guide or monitor exercises.
The differential IK algorithm in [71] enhances interaction by preventing collisions and avoiding singularities during shoulder joint movements. This ensures safe and effective operation, even in complex tasks. For lower-limb systems, ref. [67] integrates EEG and EOG signals to interpret user intentions, providing a more intuitive interface for SCI patients.
Experimental Validation
Experimental validation is crucial to assess the feasibility and effectiveness of exoskeleton systems. Yu et al. [63] validate their omnidirectional robot through simulations and experiments with healthy subjects, analyzing damping behaviors and trajectory tracking. Results demonstrate effective assistance in both active and passive modes, though hardware improvements are needed for enhanced performance.
The fractional PID-controlled system in [64] undergoes performance tests under varying loads, with results showing lower tracking errors than existing methods. Similarly, ref. [69] evaluates the optimized PID controllers through human trials, demonstrating smoother responses and minimal steady-state errors during rehabilitation exercises.
Studies like [66,67,68] emphasize real-world applicability by including tests with paraplegic or post-stroke patients. The modular lower-limb exoskeleton in [66] undergoes benchtop tests and human trials, achieving smooth and symmetrical gait cycles. Laboratory tests for the energy-storing exoskeleton in [67] confirm its ability to reduce motor torque and improve mobility for SCI patients.
In upper-limb systems, ref. [71] uses real-time testing and analytical benchmarks to validate the performance of the 4R exoskeleton, highlighting its superiority over traditional designs. The HipBot [65] demonstrates accurate reproduction of therapeutic movements through tests with healthy volunteers, confirming its potential for physiotherapy.
  • Strengths and Limitations Across Studies
Each study contributes unique strengths and faces specific limitations. For example, Yu et al. [63] emphasize adaptability and versatility through their omnidirectional design, but hardware improvements are required to enhance control responsiveness. The differential IK algorithm in [71] offers advanced redundancy management, but its application is limited to upper-limb systems.
The energy-storing exoskeleton in [67] introduces an innovative mechanism to reduce motor load, but further customization and validation with larger subject pools are necessary. Similarly, ref. [69] demonstrates the effectiveness of nature-inspired optimization for PID controllers but focuses primarily on shoulder rehabilitation, limiting its scope.
Studies like [66,68] emphasize modularity and real-time responsiveness, making them suitable for dynamic rehabilitation tasks. However, these designs require additional validation to address broader user groups and more complex scenarios.
The referenced studies highlight significant advancements in rehabilitation robotics, showcasing diverse designs and control strategies for upper- and lower-limb exoskeletons. Key innovations include interaction force feedback [70,71], differential IK [71], and energy-storing mechanisms [67], which improve adaptability, robustness, and user comfort. Advanced control methods, such as optimized PID controllers [69], hierarchical control structures [68], and redundancy management [71], enhance tracking precision and stability.
While each study contributes valuable insights, further experimental validation and optimization are necessary to address real-world challenges. Future research should focus on improving hardware, expanding user-specific customization, and integrating advanced technologies like machine learning for enhanced adaptability. Together, these efforts will advance the field of rehabilitation robotics, offering safer, more effective solutions for diverse user needs.
Table 8 summarizes the articles discussed in this section:
Table 8. Summaries of the articles which use the PID control method.
The next section will discuss the application of admittance control methods in rehabilitation exoskeleton robots.

5.3. Admittance Control

Admittance control in exoskeleton robots enables intuitive and responsive interaction by managing the robot’s response to external forces exerted by the user. Unlike traditional position-based systems, it adjusts movement based on sensed forces, making the exoskeleton feel like a natural extension of the body. This approach is especially useful in rehabilitation, where patients may apply varying forces due to fluctuations in strength, stability, or motor control. By regulating the force–motion relationship, admittance control allows the exoskeleton to respond dynamically, and provide assistance tailored to the user’s needs and intentions.
Admittance control works by continuously measuring the forces and torques applied by the user and adjusting the exoskeleton’s response accordingly. For instance, gentle pushes from the user result in minimal assistance, while stronger forces prompt greater support. This adaptability creates more comfortable and cooperative interaction. It improves the user’s sense of control and reduces the mental effort needed to operate the device. Although this approach relies on precise force sensors and high responsiveness, it offers a smoother and more personalized experience. This makes it particularly suited for rehabilitation, where user comfort and natural movement are crucial. The next section of the article highlights recent applications of admittance control in rehabilitation exoskeletons. The referenced studies present various approaches to admittance control for rehabilitation robots and physical human–robot interaction (pHRI). They explore how adaptive and robust control strategies can enhance user experience, improve task execution, and address individual user needs. Below is a comparative analysis based on criteria such as adaptability, user-centric design, control architecture, experimental validation, and application scope.
Adaptability and User-Centric Design
The paper “A Variable-Admittance Assist-As-Needed Controller for Upper-Limb Rehabilitation Exoskeletons” [72] focuses on tailoring rehabilitation support to individual user needs. Its variable admittance control dynamically adjusts stiffness and damping based on user performance and intention, unlike traditional fixed-model controllers. This enables personalized rehabilitation by accommodating different levels of disability, promoting both hand motion and arm posture alignment. Similarly, “Adaptive Gait Training of a Lower Limb Rehabilitation Robot” [73] adapts to patients’ residual muscle strength and movement patterns. By measuring interaction forces using cantilever beam sensors, the system adjusts its gait training parameters, offering personalized support.
The study “Physical Human–Robot Interaction of a Robotic Exoskeleton by Admittance Control” [74] takes a broader approach by emphasizing compliance. It dynamically reshapes trajectories and adjusts stiffness to respond to human force levels, ensuring better interaction. Likewise, “Adaptive Admittance Control for Human–Robot Interaction Using Model Reference Design and Adaptive Inverse Filtering” [75] incorporates a two-loop architecture that separates robot control requirements from task-specific objectives, enabling the system to adapt to varying user skills and task demands. These systems emphasize user comfort, reduced effort, and responsive adjustments, highlighting their user-centric nature.
Control Architecture
The control architectures across the studies reflect different levels of complexity. The variable admittance control in [72] uses a single-loop architecture with a low-level position control loop to align robot movements with user intentions. In contrast, ref. [75] employs a two-loop system, with an inner loop managing robot-specific control and an outer loop dedicated to task-specific adaptations. This dual architecture provides greater flexibility by separating robot dynamics from user interaction objectives.
The adaptive gait training system in [73] adopts a dynamic model based on Lagrange equations to calculate interaction forces, integrating them into its admittance control framework. This approach ensures real-time adaptation to patient movements. Similarly, the framework in [74] features inner and outer control loops, where the inner loop handles unknown robotic dynamics, and the outer loop aligns with human motion intentions. This design balances robustness with adaptability, ensuring precise execution even under dynamic conditions.
Experimental Validation
All studies provide experimental validation, but their approaches differ. The variable admittance controller in [72] was tested on healthy participants in simulations and pilot studies, demonstrating feasibility and effectiveness. The gait training robot in [73] validated its approach through experimental trials, showcasing its ability to measure and respond to interaction forces. These results underline its capability to offer personalized support and improve rehabilitation outcomes.
The pHRI system in [74] was evaluated in diverse interaction tasks, including trajectory tracking and force minimization. Experimental results confirmed its superior compliance and reduced human effort compared to traditional methods. Similarly, the model reference-based admittance control system in [75] was tested with a PR2 robot performing point-to-point tasks. This study highlighted significant reductions in human effort and improvements in task performance, supported by stability analysis through theoretical proofs.
Application Scope
The application scope varies across the studies, reflecting their targeted use cases. The variable admittance controller in [72] is tailored for upper-limb rehabilitation, emphasizing simultaneous regulation of hand and arm movements. The system’s adaptability makes it suitable for addressing different levels of disability, enhancing user engagement in rehabilitation.
The adaptive gait training robot in [73] focuses on lower-limb rehabilitation, providing personalized gait support for patients with varying residual muscle strength. Its reliance on interaction force measurements ensures that the robot responds effectively to individual movement patterns. Similarly, the study in [74] explores a broader range of pHRI tasks, highlighting its potential for both rehabilitation and cooperative manipulation applications.
The two-loop adaptive admittance control system in [75] is designed for pHRI in general, with applications extending to rehabilitation and other cooperative tasks. By integrating task-specific learning with robust robot control, it balances adaptability and stability, making it versatile for diverse scenarios.
Innovations and Limitations
The innovations across the studies highlight their contributions to advancing rehabilitation robotics and pHRI. The variable admittance controller in [72] excels in personalizing support and promoting user engagement. However, its validation on healthy participants limits insights into its performance with patients. The adaptive gait training system in [73] introduces cantilever beam sensors for force measurement and cubic spline interpolation for smooth gait generation. While effective, the assumption of a fixed stiffness connection between the robot and the user may limit its adaptability to varying physiological conditions.
The system in [74] offers robust trajectory tracking and compliance through adaptive stiffness estimation and trajectory reshaping. However, its dependence on accurate force sensing and dynamic parameter estimation could challenge scalability. The model reference-based system in [75] introduces a unique two-loop structure that decouples robot control from task dynamics. This improves robustness but requires additional computational resources for real-time operation.
These studies collectively advance the field of rehabilitation robotics and pHRI by emphasizing adaptability, user-centric design, and robust control mechanisms. Variable admittance control in [72,73] focuses on rehabilitation-specific tasks, while refs. [74,75] extend their applications to broader pHRI scenarios. Experimental validations confirm the efficacy of these systems, but further testing on diverse populations is essential to establish their clinical utility. By integrating adaptive mechanisms, these studies pave the way for more responsive and personalized robotic systems in rehabilitation and beyond. Table 9 summarizes the articles discussed in this section:
Table 9. Summaries of the articles which use the admittance control method.
The next section will discuss the application of model predictive control (MPC) control methods in rehabilitation exoskeleton robots.

5.4. Model Predictive Control

Model predictive control (MPC) is an advanced control technique used in exoskeleton robots to achieve optimal movement by predicting and adjusting the robot’s actions based on a model of dynamics. MPC works by predicting future states of the exoskeleton over a set time horizon and determining the control actions needed to meet a specific objective, such as maintaining stability or following a desired path. MPC optimizes each step, enabling the exoskeleton to respond proactively to anticipated changes. This makes it highly effective in scenarios that require precise and adaptable assistance, such as rehabilitation exercises.
A key benefit of model predictive control (MPC) is its ability to manage constraints, such as joint limits and force thresholds. This ensures the exoskeleton operates safely while maintaining performance. MPC is particularly useful for complex rehabilitation tasks where safety and comfort are essential.
The iterative optimization process of MPC is computationally demanding. However, advancements in processing power and algorithm efficiency now make real-time applications feasible. By continuously optimizing future movements, MPC adds a predictive and adaptive layer of control. This improves the smoothness and responsiveness of exoskeleton-assisted rehabilitation.
The three referenced studies by Yan et al. [76], Bao et al. [77], and a study on Adaptive Neuro-Fuzzy Inference System (ANFIS) and model predictive control (MPC) [78] explore innovative control strategies for rehabilitation robots. These approaches target challenges such as computational efficiency, modeling uncertainties, user-specific adaptations, and the need for precise and stable trajectory tracking. Below is a comparison and contrast of these methods based on various criteria.
Control Approach
Yan et al. [76] propose a Laguerre function-based model predictive control (LF-MPC) system that simplifies the trajectory tracking problem by reducing optimization parameters through Laguerre function approximations. This method transforms the control problem into one of solving a parameter vector, which reduces computational load while maintaining high performance. Bao et al. [77] introduce a tube-based nonlinear MPC (NMPC) for regulating knee joint angles in a hybrid neuro-prosthesis system. Their method integrates functional electrical stimulation (FES) with powered exoskeletons, addressing modeling uncertainties and disturbances. By incorporating a terminal cost approach, Bao et al. [77] ensure real-time feasibility without sacrificing performance. Meanwhile, the study on ANFIS and MPC [78] evaluates these advanced controllers as alternatives to proportional-derivative (PD) controllers. ANFIS leverages neural networks and fuzzy logic for adaptability, while MPC optimizes control actions in multivariable, constrained systems.
System Modeling and Dynamics
Yan et al. [76] dynamically model the rehabilitation robot, incorporating joint position, velocity, torque, mass inertia, centripetal, Coriolis, and gravitational forces. Their extended state-space model with pseudo-linearization improves control accuracy. Similarly, Bao et al. [77] develop a state-space model that includes muscle activation, fatigue dynamics, and bounded disturbances. The tube-based NMPC ensures robust performance under uncertainties. The ANFIS and MPC study [78] models the lower-limb exoskeleton as a two-link planar rotational robot manipulator. While simpler, this approach focuses on error indices to evaluate performance rather than addressing complex dynamics like muscle fatigue.
Adaptability and Robustness
Yan et al. [76] enhance robustness by incorporating a disturbance observer, ensuring precise control under varying conditions. The Lyapunov-based analysis further validates system stability. Bao et al. [77] address robustness by designing a tube-based NMPC that ensures recursive feasibility and stability under disturbances. This is achieved by bounding uncertainties and maintaining desired state trajectories. The ANFIS and MPC study [78] emphasizes adaptability through ANFIS, which combines fuzzy logic and neural networks to adapt to nonlinear dynamics. MPC further strengthens robustness by optimizing control actions in the presence of constraints.
Computational Efficiency
All three studies emphasize computational efficiency. Yan et al. [76] reduce optimization parameters by using Laguerre functions, simplifying the control problem. Bao et al. [77] adopt a terminal cost approach in their NMPC to reduce computational demands while achieving performance comparable to terminal constraint methods. The ANFIS and MPC study [78] highlights the computational efficiency of MPC compared to PD controllers, with simulations confirming faster and more precise performance.
Evaluation and Validation
Yan et al. [76] validate their LF-MPC system through simulations, demonstrating superior accuracy and stability over Generalized Predictive Control (GPC) and PID-computed torque control (PID-CTC). Bao et al. [77] validate their tube-based NMPC using parameter estimation experiments, confirming effective knee angle regulation and robustness against fatigue dynamics. The ANFIS and MPC study [78] relies on simulations, showing that MPC achieves the best tracking performance, followed by ANFIS, while PD controllers are less effective.
Applications
Yan et al. [76] focus on wearable upper-limb rehabilitation robots, optimizing trajectory tracking for precise arm movements. Bao et al. [77] target hybrid neuro-prosthesis systems, combining FES and powered exoskeletons for knee joint control in individuals with lower-limb impairments. The ANFIS and MPC study [78] explores reconfigurable lower-limb exoskeletons for gait stability and user comfort, emphasizing adaptability to varying conditions.
Yan et al. [76], Bao et al. [77], and the ANFIS and MPC study [78] offer innovative control strategies tailored to different rehabilitation applications. Yan et al. [76] focus on optimizing upper-limb trajectory tracking through LF-MPC, achieving computational efficiency and robustness. Bao et al. [77] address knee joint control in hybrid neuro-prosthesis systems, using tube-based NMPC to handle uncertainties and muscle dynamics. The ANFIS and MPC study explores alternatives for lower-limb exoskeletons, highlighting the adaptability of advanced controllers. While all approaches demonstrate effectiveness in simulations or experiments, future work should prioritize real-world testing with diverse patient groups to further validate these methods. Table 10 summarizes the articles discussed in this section:
Table 10. Summaries of the articles which use the model predictive control method.
The next section will discuss the application of intelligent control methods in rehabilitation exoskeleton robots.

5.5. Intelligent Control System

Intelligent control systems in exoskeleton robots enhance rehabilitation by using AI techniques including different forms of neural networks and fuzzy logic. These systems learn from user data, allowing the exoskeleton to adapt to each individual’s movement patterns, needs, and progress. For example, a neural network-based controller can analyze past interactions, identify movement patterns or preferences, and adjust the exoskeleton’s responses to offer tailored assistance.
This learning process makes these systems highly adaptable, refining their actions through continuous feedback for smoother and more effective rehabilitation sessions. They effectively address the nonlinear and unpredictable aspects of human movement, which are often challenging for traditional methods to manage. Using AI, these systems make real-time decisions based on sensor data, adjusting to changes in a user’s physical condition, strength, or motor control abilities.
This adaptability is essential for rehabilitation, where progress varies between patients. While intelligent control systems can be computationally demanding, improvements in processing power are making them more practical. They promise a more intuitive, responsive, and user-focused rehabilitation experience, contributing to better recovery outcomes.
Intelligent systems are often used to interpret physiological signals and utilize them for control purposes. These systems can also predict joint torque requirements for tracking specific trajectories. In most cases, a PD controller is placed alongside the AI-based prediction system. This setup helps reduce prediction errors and improves trajectory tracking performance. Figure 9 shows the generalized control architecture using artificial intelligence for trajectory tracking. From the figure, we can see that joint torque predictors predict the required torque based on the trajectory. The PD controller is placed in parallel with the joint torque predictor to correct the prediction error and together they run the robot [79,80]. The following section will introduce readers to some recent uses of Intelligent control systems for rehabilitation robotics applications.
Figure 9. Generalized control architecture of an AI-based controller.
The referenced papers explore diverse advancements in exoskeleton control strategies for rehabilitation, each emphasizing different methodologies and use cases. This comparative analysis evaluates these studies based on control methodologies, adaptability, computational efficiency, user-specific customization, and real-world validation.
Control Methodologies
Most papers employ advanced control strategies that integrate neural networks or machine learning with traditional control methods to handle nonlinear dynamics and uncertainties. Huang et al. [81] introduce a neural network-based sliding mode control (NNPSMC) for robotic orthoses powered by pneumatic artificial muscles (PAMs). This system uses neural networks for real-time tuning of PID gains, enhancing adaptability to varying loads and patient-specific dynamics. Similarly, the “Human-Gait-Based Tracking Control” [82] study combines an adaptive radial basis function network (ARBFN) controller with a feed-forward mechanism to improve trajectory tracking and robustness.
Other approaches, such as the RBF-based exoskeleton robot controller in [79], use radial basis function neural networks to address nonlinear dynamics. These methods focus on predicting joint torques and reducing computational demands. In contrast, “Deep Learning Technology-Based Exoskeleton Robot Controller Development” [80] integrates deep neural networks (DNNs) with proportional-derivative (PD) controllers for trajectory tracking, offering high precision and computational efficiency.
Papers like [83,84] explore hybrid control strategies. For instance, ref. [85] introduces an Echo State Network (ESN) integrated with a super-twisting controller (STC), leveraging ESNs for handling uncertainties and disturbances. Similarly, ref. [84] employs a neural-network-based nonlinear model predictive control (NN-NMPC) for pneumatic muscle actuator-driven exoskeletons, addressing the unique challenges of PMA systems.
In summary, while most papers utilize neural networks or hybrid systems to address dynamic uncertainties, the choice of network type (e.g., RBF, DNN, or ESN) and the integration method varies significantly based on the specific application and control requirements.
Adaptability and Robustness
Adaptability to external disturbances and patient-specific dynamics is critical for rehabilitation applications. The NNPSMC system [81] excels in managing disturbances like friction while adapting to individual gait patterns through real-time PID gain adjustments. Similarly, the ARBFN controller in [82] effectively predicts and compensates for uncertain parameters, ensuring precise trajectory tracking.
The RBF-based controller in [79] stands out for its adaptability to nonlinear dynamics and varying operating conditions, using a hybrid feed-forward and feedback mechanism. Likewise, the DNN-based controller in [80] adapts well to changes in user weight and height by incorporating user-specific parameters into the neural network’s inputs.
Other systems, such as the ESN-STC [85], demonstrate exceptional robustness by rejecting disturbances and maintaining stability in dynamic conditions. Similarly, the adaptive control system in [83] compensates for structural errors and external disturbances using RBF neural networks. The NN-NMPC system in [84] also shows strong adaptability to the nonlinear behavior of PMAs, ensuring stable gait training under varying input conditions.
While all the systems are designed for adaptability, those integrating real-time feedback loops (e.g., [79,81,82]) are particularly effective at adjusting to rapid changes in dynamics.
Computational Efficiency
Computational efficiency is a recurring focus, as exoskeletons often have high degrees of freedom, making real-time control computationally intensive. The RBF-based controller in [79] reduces the computational burden by leveraging the parallel processing capabilities of RBF networks, making it suitable for high-speed applications. Similarly, the DNN-based controller in [80] enhances efficiency by using a feed-forward structure for torque estimation, while the PD controller handles error corrections.
The study in [85] highlights the computational advantages of Echo State Networks, which are simpler and faster to train compared to conventional recurrent neural networks. Similarly, the NN-NMPC system in [84] optimizes control signals through predictive modeling, achieving high accuracy without excessive computational demands.
In contrast, traditional computed torque controllers (CTCs) or sliding mode controllers, as referenced in several studies, are noted for their higher computational requirements. Hybrid systems, such as those in [80,81] strike a balance by offloading computationally intensive tasks to neural networks while using simpler controllers for error correction.
User-Specific Customization
Personalization is crucial for rehabilitation applications, where user needs vary significantly. Huang et al. [81] address this by enabling real-time adjustment of control parameters to match individual gait patterns and varying loads. Similarly, ref. [82] focuses on replicating human gait patterns by collecting motion data from healthy subjects and incorporating it into the control design.
The studies in [79,80] further emphasize customization by including user-specific parameters, such as weight and height, in their neural network models. This allows the control systems to adapt torque requirements and trajectory tracking to individual users.
Papers like [83,86] delve deeper into tailoring assistance. For instance, the TPAVAAN controller in [86] adjusts assistive forces based on the user’s motor abilities, promoting active engagement and minimizing injury risk. The hierarchical control system in [87] also uses motion intent detection to customize assistive torque for various gait modes, enhancing mobility for stroke patients.
Despite these advancements, user-specific customization often relies on initial data collection or parameter estimation, which may not always account for long-term changes in patient conditions.
Real-World Validation
Real-world validation ensures the effectiveness of control systems beyond simulations. Huang et al. [81] conducted experiments with human subjects to demonstrate the NNPSMC system’s ability to reduce tracking errors and adapt to dynamic conditions. Similarly, ref. [82] validates the ARBFN controller through simulations and motion data from healthy individuals.
The RBF-based controller in [79] is primarily validated through simulations, highlighting its computational efficiency and tracking accuracy. In contrast, the DNN-based controller in [80] includes extensive simulation results but lacks experimental validation with human subjects.
Some papers, such as [84,85], combine simulations with experimental testing. For example, the ESN-STC system in [85] demonstrates effectiveness in rejecting disturbances during passive gait training, while [84] validates its NN-NMPC system with healthy subjects.
The TPAVAAN controller in [86] and the hierarchical control system in [87] focus on real-world applications for stroke rehabilitation. These studies include experiments with stroke patients, demonstrating improvements in mobility and engagement. However, broader clinical trials are often lacking, limiting the generalizability of these findings.
Key Similarities Across Studies
The studies share several key similarities in their approaches to exoskeleton control strategies. A prominent feature is the integration of neural networks, such as radial basis function (RBF), deep neural networks (DNNs), or Echo State Networks (ESNs), to address nonlinear dynamics and uncertainties. This incorporation of neural networks significantly enhances the adaptability and precision of the control systems. Another commonality is the adoption of hybrid approaches, where feed-forward mechanisms are combined with feedback controllers. This combination strikes a balance between computational efficiency and robustness, ensuring reliable performance in complex scenarios. Additionally, all studies place a strong emphasis on rehabilitation goals, prioritizing trajectory tracking and stability as essential factors for safe and effective rehabilitation outcomes. To ensure the robustness of their control strategies, most studies rely on stability analysis using Lyapunov theory. This theoretical validation confirms the ability of the control systems to maintain performance under dynamic and uncertain conditions.
Key Differences Across Studies
The studies differ in their focus and approach across several key aspects. In terms of control focus, papers such as refs. [79,81] emphasize adaptability to individual gait patterns, tailoring their systems to accommodate variations in patient movement. In contrast, studies like refs. [84,85] prioritize disturbance rejection and robustness to uncertainties, ensuring stable performance under dynamic conditions. Computational approaches also vary, with studies such as [79,85] focusing on computational efficiency by leveraging streamlined algorithms and neural networks. Meanwhile, refs. [86,87] place greater emphasis on user-specific customization and real-world applicability, aiming to enhance the relevance and usability of their systems in practical rehabilitation settings. Regarding target users, studies like [81,82] cater to general rehabilitation needs, whereas refs. [86,87] specifically address the requirements of stroke rehabilitation, providing tailored solutions for this population. Validation levels further distinguish the studies, with some relying solely on simulations to demonstrate effectiveness, such as [79,80]. Others, like [81,87], incorporate experimental testing with human subjects, adding an essential layer of real-world validation to their findings.
The referenced studies collectively advance exoskeleton control strategies by addressing nonlinear dynamics, uncertainties, and user-specific needs. Neural network-based approaches dominate, with variations in their application depending on the desired outcomes, such as computational efficiency, robustness, or user customization. Hybrid systems integrating feed-forward and feedback control mechanisms strike a balance between adaptability and computational demands.
While significant progress has been made, challenges remain in achieving broader clinical validation, improving long-term adaptability, and ensuring user comfort in diverse rehabilitation scenarios. Future research should focus on optimizing control strategies for real-world deployment and expanding experimental validation with diverse patient populations. Table 11 summarizes the articles discussed in this section:
Table 11. Summaries of the articles which use an intelligent control system.
The next section will discuss the application of hybrid control methods in rehabilitation exoskeleton robots.

5.6. Hybrid Control System

Intelligent hybrid control systems in exoskeleton robots combine traditional control methods with advanced artificial intelligence (AI) techniques to offer both stability and adaptability in rehabilitation. By blending established controls like PID or model predictive control (MPC) with intelligent components, such as neural networks or fuzzy logic, hybrid systems can benefit from the strengths of each approach. The traditional control elements provide a reliable, stable foundation for basic movement control, while the AI components enable real-time adaptability, learning from user interactions to tailor responses based on individual needs or changing conditions. For example, a hybrid system may use MPC to plan optimal trajectories while relying on a neural network to adapt these trajectories to specific user feedback or unexpected disturbances.
This layered approach allows hybrid systems to address the nonlinear and dynamic nature of human movement, managing complex variations that might otherwise challenge single-method controllers. Through intelligent adaptation, the system can adjust to each user’s physical capabilities, motor control level, and rehabilitation progress. The AI elements of a hybrid control system learn from continuous sensor data, allowing the exoskeleton to improve over time without the need for manual reprogramming. Although intelligent hybrid control systems may require substantial computational resources, they hold great potential for enhancing the safety, efficiency, and personalization of rehabilitation exoskeletons, ultimately promoting more effective recovery outcomes for diverse user populations.
Comparative and Contrasting Analysis of the Referenced Studies
The referenced studies present a range of advancements in control systems for rehabilitation exoskeletons, highlighting distinct strategies and methodologies to address challenges such as nonlinear dynamics, uncertainties, and user-specific needs. Each study proposes unique solutions tailored to different rehabilitation scenarios, with varying degrees of innovation, application, and focus.
Adaptive and Fuzzy-Based Controllers
Aliman et al. [92] introduced an adaptive-fuzzy-proportional-derivative (Adaptive-FLC-PD) controller for a lower-limb rehabilitation exoskeleton. This control system integrates fuzzy logic, adaptive control, and proportional-derivative elements to tackle challenges in multi-joint actuation and nonlinear dynamics. Parameters are optimized using Particle Swarm Optimization (PSO), ensuring precise trajectory tracking and reducing errors. The online tuning capability via model reference adaptive control (MRAC) allows real-time adjustments, improving responsiveness. In contrast, Giovacchini et al. [93] propose a hybrid control system for a bilateral active pelvis exoskeleton (APO), combining low-level PID control with adaptive oscillators for assistive torque. The APO prioritizes usability and comfort, focusing on reducing energy expenditure for users with mobility impairments.
Similarly, a fuzzy logic-enhanced admittance control system is discussed in [94], which dynamically adapts to user forces and intentions. This hybrid approach shapes step trajectories based on user-applied forces, improving natural interaction. Fuzzy logic approximates nonlinear functions, while an admittance model enables precise tracking. Compared to [92], which relies on MRAC for tuning, ref. [94] integrates adaptive elements directly into the control logic for enhanced stability.
Neural Network and Sliding Mode Controllers
The study by Giovacchini et al. [93] contrasts with the paper by [95], which uses a sliding mode neural network for humanoid lower-limb exoskeletons. The latter relies on human gait data and a radial basis function (RBF) neural network to manage uncertainties and replicate human motion. While ref. [93] focuses on assistive applications, ref. [95] emphasizes rehabilitation by simulating human biomechanics for natural motion. The sliding mode control enhances response speed and trajectory tracking, validated through Lyapunov stability analysis and comfort evaluation.
Probabilistic and Observer-Based Controllers
A distinct probabilistic control strategy is proposed in [96], which combines a Sparse Gaussian Process (SGP) with a Finite-Time Extended State Observer (FESO) for lower-limb exoskeletons. Unlike [92,95], this study focuses on creating probabilistic models of knee motion based on hip data. FESO compensates for unmeasured velocities and system uncertainties, improving state estimation and safety. In comparison, the work by Giovacchini et al. [93] employs deterministic control without addressing probabilistic uncertainties, making it less suited for highly variable scenarios.
Robust Control Approaches
The HF-DOB framework discussed in [97] addresses disturbances and uncertainties in powered exoskeletons for paraplegic users. By adaptively identifying system dynamics and filtering disturbances, the HF-DOB ensures precise control and stable motion transitions during gait. In contrast, the adaptive fuzzy controllers in refs. [92,94] focus on reducing uncertainties through parameter tuning and dynamic adaptation. While HF-DOB achieves robustness through disturbance rejection, ref. [92] relies on fuzzy logic to manage nonlinearities, and ref. [94] incorporates adaptive admittance control for interaction forces.
Magnetorheological Actuators and Damping Control
The study in [98] introduces a fuzzy switch damping control strategy using magnetorheological (MR) technology to optimize stiffness and damping. This approach enhances stability during impact forces and vibrations, focusing on walking comfort and safety. Compared to [96], which uses probabilistic models for gait safety, ref. [98] emphasizes mechanical and damping characteristics to minimize user discomfort.
Personalization and Adaptive Control
Both [94,96] prioritize user comfort and adaptation. The fuzzy admittance control in [94] shapes step trajectories based on user force inputs, aligning robot movements with user intentions. Similarly, the probabilistic approach in ref. [96] tailors knee joint control to individual gait patterns. However, ref. [96] explicitly models motion boundaries to ensure safety, while ref. [94] focuses on intuitive interaction without constraints.
Ergonomic and Efficient Designs
Giovacchini et al. [93] emphasize the lightweight design and usability of the APO, which supports hip movements with minimal energy expenditure. This contrasts with the more complex designs in [97,98], which include MR actuators and hybrid control frameworks for stability and precision. The APO’s focus on comfort and simplicity makes it more suited for assistive walking, whereas ref. [97] targets high-precision rehabilitation scenarios.
Simulation-Driven Validation
Several studies rely on simulations to validate their proposed methods. For example, ref. [96] validates its probabilistic approach using root-mean-square error (RMSE) and Pinball loss metrics, demonstrating high accuracy. Similarly, ref. [95] uses simulations to confirm trajectory tracking effectiveness, with a focus on humanoid gait replication. However, these approaches lack extensive testing on real subjects, limiting their applicability in clinical settings.
Experimental Validation with Users
In contrast, refs. [93,97] validate their systems through experiments with users. The HF-DOB framework in [97] achieves an 80.74% reduction in RMSE during paraplegic gait tests, while [93] tests the APO with healthy subjects, focusing on energy efficiency and usability. These experimental validations provide stronger evidence of real-world applicability compared to simulation-based studies like [95,96].
Advanced Actuator and Control Integration
The use of magnetorheological actuators in [98] introduces a novel way to control stiffness and damping dynamically, addressing challenges in walking comfort and safety. This contrasts with [94], which focuses on fuzzy logic for trajectory shaping without advanced actuator technologies. Similarly, the hybrid disturbance observer in [97] incorporates novel filtering mechanisms to improve stability, offering a more robust solution than traditional fuzzy and neural network approaches.
Real-Time Human–Machine Interaction
The EEG-EMG interface in [99] enables real-time exoskeleton control based on brain and muscle activity, providing a unique multimodal approach. This contrasts with the gait-based approaches in [95,96], which rely on joint trajectories and motion models. By integrating neural and muscular signals, ref. [99] enhances adaptability across different rehabilitation stages, offering a distinct advantage for patients with limited muscle activity.
Strengths Across Studies
Each study introduces strengths suited to specific scenarios. For example, ref. [92] excels in addressing multi-joint nonlinear dynamics, while ref. [94,96] focus on user-specific adaptation and probabilistic safety modeling, respectively. The APO in [93] stands out for its ergonomic design and usability, whereas the HF-DOB in [97] achieves exceptional precision in paraplegic gait control. The MR-based actuator in [98] offers a unique approach to stability, and ref. [99] provides groundbreaking insights into neural-muscular integration.
Limitations and Gaps
Despite their contributions, many studies share limitations. Simulation-based validation in [95,96] limits real-world applicability, while experimental studies like [93,97] focus on specific user groups, reducing generalizability. Systems like [92,94] rely on computationally intensive fuzzy and adaptive methods, which may challenge scalability. The actuator-based design in [98] prioritizes mechanical features but lacks extensive user testing, and ref. [99] depends on sophisticated signal processing, which could complicate practical implementation.
The referenced studies collectively advance rehabilitation robotics by addressing nonlinear dynamics, uncertainties, and user-specific needs through diverse control strategies. Adaptive and fuzzy controllers (e.g., [92,94]) excel in managing uncertainties and providing personalized interaction, while neural network and observer-based approaches ([95,97]) enhance robustness and precision. Probabilistic models ([96]) and actuator innovations ([98]) offer unique solutions for safety and stability. Experimental studies ([93,97]) demonstrate real-world feasibility, but broader clinical testing is essential for wider adoption. These studies highlight the importance of integrating adaptive, robust, and user-centered approaches to develop effective rehabilitation technologies. Table 12 summarizes the articles discussed in this section:
Table 12. Summaries of the articles which use a hybrid control system.

6. Discussion

The advances in control techniques for rehabilitation exoskeleton robots have transformed how these systems support individuals with mobility impairments. This discussion explores the effectiveness, limitations, and future potential of various control methods used in rehabilitation exoskeletons, highlighting their contributions to safety, adaptability, and precision.
Robot dynamic modeling is foundational to all control strategies, as it defines the behavior and motion characteristics of the exoskeleton. Accurate modeling is essential for designing control algorithms that manage complex human–robot interactions. However, creating precise models remains challenging due to the diversity in patient physiology and unpredictable human movement. Consequently, adaptive control techniques have been developed to address some of these variations, adjusting in real time to account for individual user dynamics and unexpected changes.
An overview of control systems reveals the growing complexity of exoskeleton architecture. Integrating various control types allows systems to enhance real-time response, improve interaction quality, and ensure safety during rehabilitation exercises. Often, these systems are designed with feedback mechanisms that make immediate adjustments based on user input or changes in the environment. This adaptability is crucial for maintaining user safety and comfort, as it enables the system to respond promptly and accurately to evolving needs and conditions during rehabilitation.
Computed torque control (CTC) is particularly useful in achieving precise trajectory tracking by directly computing the required torques based on dynamic models. However, CTC’s reliance on accurate models can be a limitation, especially when interacting with diverse users who introduce variability in movement. The need for model precision means CTC may perform inconsistently when faced with deviations from the assumed dynamic model, which can be a drawback in real-world applications.
Adaptive control addresses some limitations of CTC by adjusting parameters to accommodate system and user changes. This adaptability makes it well suited for rehabilitation settings where patients exhibit varied and evolving movement patterns. While adaptive control enhances flexibility, it may struggle in environments where rapid and unpredictable changes occur, as adaptation can be slower than real-time demands. Nonetheless, adaptive control remains a promising approach, particularly for systems focused on personalization.
Robust control techniques focus on maintaining system stability under uncertain conditions, which is invaluable in exoskeletons dealing with unpredictable external forces or inaccuracies in modeling. This type of control is particularly beneficial for users with fluctuating levels of mobility or strength. However, robust control methods can be conservative, prioritizing stability over responsiveness. For applications requiring fine-tuned, precise movements, robust control might limit flexibility.
Sliding mode control (SMC) combines robustness with responsiveness, allowing the system to “slide” along a predetermined trajectory even when disturbances occur. SMC’s ability to handle uncertainties and maintain stability makes it ideal for rehabilitation, where patients’ movements can be unpredictable. However, one drawback of SMC is “chattering” small oscillations around the trajectory which can affect user comfort and system wear.
Linear control and PID control are traditional methods still prevalent due to their simplicity and reliability. While PID control provides effective regulation of speed and position, it may be less suitable for handling nonlinear dynamics common in human–robot interactions. For stable scenarios, PID remains a strong choice, but it can be limited when higher adaptability or complex motion is required.
Admittance control plays a unique role in defining how the exoskeleton responds to external forces, creating a more intuitive and natural user experience. By allowing adjustments based on force, admittance control supports smoother human–robot interaction, which can be crucial for patient engagement and comfort during rehabilitation. However, admittance control is less effective in environments where sudden force changes occur, as it can lead to delays in response.
Model predictive control (MPC) and Linear Quadratic Regulator (LQR) offer predictive and optimized solutions. It balances criteria like precision, energy efficiency, and stability. MPC, by predicting future states, is beneficial in scenarios requiring anticipatory control, although its computational demands may limit real-time applications. LQR’s optimization of control actions supports smooth, efficient movement, although it is best suited for linear systems, limiting its use in highly dynamic, nonlinear settings.
PD control provides a simple, effective solution for controlling position and velocity. Its ease of implementation and tuning make it valuable in many exoskeleton systems, though it lacks the complexity needed for complex or unpredictable motions.
Intelligent control systems incorporating Neural Network and Deep Learning-based controls have introduced adaptive learning capabilities. By analyzing patterns in movement, these systems offer tailored assistance, adjusting to patient-specific needs. However, their dependency on training data and computational complexity can be limiting. Similarly, reinforcement learning-based systems learn from trial and error, enabling personalized control. While promising, reinforcement learning requires extensive interaction data and has a slower learning curve, which may delay immediate application.
This review of control methods also underscores the importance of hybrid systems that integrate different techniques to maximize performance. Future advancements will likely focus on combining model-based, adaptive, and intelligent methods to create systems capable of providing personalized, responsive, and safe support. As technology progresses, further research into real-time adaptability, computational efficiency, and seamless human–robot interaction will continue to enhance rehabilitation exoskeleton capabilities.

7. Future Directions

The rapid advancements in control techniques for rehabilitation exoskeleton robots emphasize key areas for future research. These include enhancing adaptability, improving user interaction, and refining control accuracy. Building on existing methods offers the potential to develop more personalized, responsive, and efficient exoskeletons tailored to individual needs.
Future research should prioritize improvements in dynamic modeling and the integration of intelligent systems. Dynamic modeling remains a critical area for advancement, as current models often fail to accurately represent the complex physical interactions between humans and robots. Enhancing these methods could lead to more realistic depictions of human biomechanics, particularly for users with unique motor impairments. Additionally, developing adaptive models capable of learning from real-time data may enable continuous adjustments based on patient-specific movement and interaction patterns.
The overview of control systems suggests a future need for hybrid and flexible architectures. Control systems in exoskeletons will likely evolve toward frameworks that can incorporate multiple control methods. This allows the robot to switch between them based on the user’s condition or specific task requirements. Modular control system architectures could also enable easy adjustments, making it simpler to implement upgrades or customizations that meet the evolving needs of individual patients.
Computed torque control (CTC), although precise, can benefit from advancements in model precision. Researchers could focus on reducing the model dependency of CTC through hybrid methods that combine CTC with adaptive or robust controls, making it more resilient to unmodeled dynamics. This hybrid approach would enhance trajectory tracking while reducing the risks associated with modeling errors, resulting in safer interactions for users.
Adaptive control will continue to be valuable, particularly if improved to handle faster and more unpredictable changes in patient behavior. Developing adaptive systems that can better anticipate user actions and make quicker adjustments would allow exoskeletons to accommodate a wider range of users, including those with highly variable movements. Further research in combining adaptive control with learning-based approaches could create systems capable of continuous refinement based on individual user progress.
Robust control techniques could be expanded to handle increasingly complex and variable patient scenarios. Future research might focus on achieving a balance between robustness and responsiveness. It allows the system to handle uncertainties without compromising on user comfort. Exploring robust control methods that can maintain stable operations even with significant variability in user input will be essential for broadening exoskeleton applications.
Sliding mode control (SMC) presents a promising area for refinement, especially in minimizing chattering, a known limitation in user comfort. Future directions could focus on reducing chattering through advanced filtering techniques or hybrid methods, blending SMC with other control types for smoother operations. Additionally, using SMC in combination with adaptive or intelligent controls might further reduce oscillations, enhancing both stability and user comfort.
Linear control and PID control remain simple and effective but may benefit from more research in hybrid configurations. As foundational control methods, they can be combined with more sophisticated techniques to handle nonlinear dynamics. This offers an accessible yet adaptable solution for many rehabilitation scenarios.
PD control has potential in hybrid systems where its simplicity can complement more advanced methods, offering control stability in less demanding scenarios. Future research could investigate combining PD control with intelligent systems to enhance stability and adaptiveness for diverse movement patterns.
Admittance control could be enhanced to offer more dynamic force–response behaviors. It allows for smoother and more natural interaction. Future research might focus on creating adaptive admittance control systems that automatically adjust based on the user’s strength and movement needs. By improving real-time force responsiveness, admittance control can provide a more intuitive experience. It will enable patients to feel more in control of the exoskeleton.
Model predictive control (MPC) and Linear Quadratic Regulator (LQR) techniques show promise for high-precision control, though computational demands are a current limitation. Future work may explore lightweight versions of these algorithms or leverage faster computing hardware to make MPC and LQR viable in real-time applications. Integrating MPC with machine learning algorithms could allow it to predict user actions more accurately, further enhancing rehabilitation exercises.
The integration of intelligent control systems, including neural network and Deep Learning-based controls, will likely shape the future of rehabilitation exoskeletons. By enabling real-time pattern recognition, these systems allow for highly personalized assistance. Future research might explore reducing their dependency on extensive data and computational resources to enable faster learning.
In summary, future research should focus on hybrid and adaptive systems that combine the strengths of multiple control techniques, which can make exoskeletons operate safely, responsively, and effectively across diverse rehabilitation scenarios. By increasing adaptability, improving computational efficiency, and advancing intelligent control integration, rehabilitation exoskeletons can become more tailored to individual patient needs, promoting effective and engaging rehabilitation experiences.

8. Conclusions

This review explored recent advancements in control techniques for rehabilitation exoskeleton robots. The study highlights how these developments contribute to safe, adaptable, and precise assistance for individuals with mobility impairments. Robot dynamic modeling is essential in creating accurate representations of the exoskeleton’s behavior, which supports the development of effective control strategies. An overview of robot control systems showed that hybrid and flexible architectures are crucial for adapting to various patient needs.
Among the discussed control methods, computed torque control and adaptive control enable precise and personalized movements by accommodating complex dynamics and individual variations. Robust control and sliding mode control (SMC) enhance system stability under uncertainty, although SMC could benefit from further refinement to minimize chattering and improve comfort.
Traditional methods, such as PID control and linear control, remain valuable for their simplicity and reliability, while admittance control enhances the naturalness of human–robot interactions by regulating the response to external forces. Control techniques like model predictive control (MPC) and Linear Quadratic Regulator (LQR) offer optimal solutions, though computational demands currently limit their real-time use. Future research should focus on developing more personalized, efficient, and accessible control systems, incorporating advanced technologies like neural networks and reinforcement learning for enhanced adaptability. This review lays a strong foundation for advancing rehabilitation, aiming to improve mobility and the quality of life for individuals with motor impairments.

Author Contributions

G.M.: literature review, methodology design, data curation, data analysis, manuscript drafting, revision, and rewriting. S.H.: conceptualization, manuscript drafting, figure preparation, and revision and rewriting. N.A.: revision and rewriting. All authors have read and agreed to the published version of the manuscript.

Funding

This research received no external funding.

Acknowledgments

The authors would like to express their gratitude to the Mechanical and Manufacturing Engineering Department, College of Engineering and Computing, Miami University for providing the resources and facilities necessary for this research.

Conflicts of Interest

The authors declare that they have no known competing financial interests or personal relationships that could have appeared to influence the work reported in this manuscript.

References

  1. Cao, J.; Xie, S.Q.; Das, R.; Zhu, G.L. Control strategies for effective robot assisted gait rehabilitation: The state of art and future prospects. Med. Eng. Phys. 2014, 36, 1555–1566. [Google Scholar] [CrossRef]
  2. Baud, R.; Manzoori, A.R.; Ijspeert, A.; Bouri, M. Review of control strategies for lower-limb exoskeletons to assist gait. J. Neuroeng. Rehabil. 2021, 18, 119. [Google Scholar] [CrossRef] [PubMed]
  3. de Miguel-Fernández, J.; Lobo-Prat, J.; Prinsen, E.; Font-Llagunes, J.M.; Marchal-Crespo, L. Control strategies used in lower limb exoskeletons for gait rehabilitation after brain injury: A systematic review and analysis of clinical effectiveness. J. Neuroeng. Rehabil. 2023, 20, 23. [Google Scholar] [CrossRef] [PubMed]
  4. Wang, W.; Ren, H.; Ci, Z.; Yuan, X.; Zhang, P.; Wang, C. Control Method of Upper Limb Rehabilitation Exoskeleton for Better Assistance: A Comprehensive Review. J. Field Robot. 2024. [Google Scholar] [CrossRef]
  5. Gasperina, S.D.; Roveda, L.; Pedrocchi, A.; Braghin, F.; Gandolla, M. Review on Patient-Cooperative Control Strategies for Upper-Limb Rehabilitation Exoskeletons. Front. Robot. AI 2021, 8, 745018. [Google Scholar] [CrossRef] [PubMed]
  6. Chen, L.; Xie, H.; Liu, Z.; Li, B.; Cheng, H. Exploring Challenges and Opportunities of Wearable Robots: A Comprehensive Review of Design, Human-Robot Interaction and Control Strategy. APSIPA Trans. Signal Inf. Process. 2023, 12, e47. [Google Scholar] [CrossRef]
  7. Su, D.; Hu, Z.; Wu, J.; Shang, P.; Luo, Z. Review of adaptive control for stroke lower limb exoskeleton rehabilitation robot based on motion intention recognition. Front. Neurorobot. 2023, 17, 1186175. [Google Scholar] [CrossRef]
  8. Brown, D.F.; Xie, S.Q. Effectiveness of Intelligent Control Strategies in Robot-Assisted Rehabilitation—A Systematic Review. IEEE Trans. Neural Syst. Rehabil. Eng. 2024, 32, 1828–1840. [Google Scholar] [CrossRef] [PubMed]
  9. Yao, Y.; Shao, D.; Tarabini, M.; Moezi, S.A.; Li, K.; Saccomandi, P. Advancements in Sensor Technologies and Control Strategies for Lower-Limb Rehabilitation Exoskeletons: A Comprehensive Review. Micromachines 2024, 15, 489. [Google Scholar] [CrossRef] [PubMed]
  10. Liu, C.; Guo, K.; Lu, J.; Yang, H. A review on the application of intelligent control strategies for post-stroke hand rehabilitation machines. Adv. Mech. Eng. 2023, 15, 16878132221148018. [Google Scholar] [CrossRef]
  11. Craig, J.J. Introduction to Robotics: Mechanics and Control, 2022. Available online: https://books.google.com/books/about/Introduction_to_Robotics_Global_Edition.html?id=Bjw1EAAAQBAJ (accessed on 29 November 2024).
  12. Hasan, S.; Dhingra, A.K. Development of a model reference computed torque controller for a human lower extremity exoskeleton robot. Proc. Inst. Mech. Eng. Part I J. Syst. Control Eng. 2021, 235, 1615–1637. [Google Scholar] [CrossRef]
  13. Han, S.; Wang, H.; Tian, Y.; Christov, N. Time-delay estimation based computed torque control with robust adaptive RBF neural network compensator for a rehabilitation exoskeleton. ISA Trans. 2020, 97, 171–181. [Google Scholar] [CrossRef]
  14. Narayan, J.; Abbas, M.; Patel, B.; Dwivedy, S.K. Adaptive RBF neural network-computed torque control for a pediatric gait exoskeleton system: An experimental study. Intell. Serv. Robot. 2023, 16, 549–564. [Google Scholar] [CrossRef]
  15. Dao, Q.-T.; Yamamoto, S.-I. Modified Computed Torque Control of a Robotic Orthosis for Gait Rehabilitation. In Proceedings of the 2018 40th Annual International Conference of the IEEE Engineering in Medicine and Biology Society (EMBC), Honolulu, HI, USA, 18–21 July 2018; pp. 1719–1722. [Google Scholar]
  16. Mungai, M.E.; Grizzle, J.W. Feedback Control Design for Robust Comfortable Sit-to-Stand Motions of 3D Lower-Limb Exoskeletons. IEEE Access 2020, 9, 122–161. [Google Scholar] [CrossRef]
  17. Hasan, S.K. A Realistic Model Reference Computed Torque Control Strategy for Human Lower Limb Exoskeletons. Actuators 2024, 13, 445. [Google Scholar] [CrossRef]
  18. Han, S.; Wang, H.; Tian, Y. Adaptive computed torque control based on RBF network for a lower limb exoskeleton. In Proceedings of the 2018 15th International Workshop on Advanced Motion Control (AMC), Tokyo, Japan, 9–11 March 2018; pp. 35–40. [Google Scholar]
  19. Sabet, S.; Dabiri, A.; Armstrong, D.G.; Poursina, M. Computed Torque Control of the Stewart platform with uncertainty for lower extremity robotic rehabilitation. In Proceedings of the 2017 American Control Conference (ACC), Seattle, WA, USA, 24–26 May 2017; pp. 5058–5064. [Google Scholar]
  20. Jiang, Z.; Wang, Z.; Lv, Q.; Yang, J. Impedance Learning-Based Hybrid Adaptive Control of Upper Limb Rehabilitation Robots. Actuators 2024, 13, 220. [Google Scholar] [CrossRef]
  21. Cai, S.; Xie, P.; Li, G.; Xie, L. Compensation-corrective adaptive control strategy for upper-limb rehabilitation robots. Robot. Auton. Syst. 2024, 177, 104701. [Google Scholar] [CrossRef]
  22. Han, Y.; Zhu, S.; Zhou, Y.; Gao, H. An admittance controller based on assistive torque estimation for a rehabilitation leg exo-skeleton. Intell. Serv. Robot. 2019, 12, 381–391. [Google Scholar] [CrossRef]
  23. Alibeji, N.A.; Molazadeh, V.; Moore-Clingenpeel, F.; Sharma, N. A Muscle Synergy-Inspired Control Design to Coordinate Functional Electrical Stimulation and a Powered Exoskeleton artificial generation of synergies to reduce input dimensionality. IEEE Control Syst. 2018, 38, 35–60. [Google Scholar] [CrossRef]
  24. Wang, Y.; Wang, H.; Tian, Y. Adaptive interaction torque-based AAN control for lower limb rehabilitation exoskeleton. ISA Trans. 2021, 128, 184–197. [Google Scholar] [CrossRef]
  25. Pan, C.-T.; Lee, M.-C.; Huang, J.-S.; Chang, C.-C.; Hoe, Z.-Y.; Li, K.-M. Active Assistive Design and Multiaxis Self-Tuning Control of a Novel Lower Limb Rehabilitation Exoskeleton. Machines 2022, 10, 318. [Google Scholar] [CrossRef]
  26. Hasan, S.K.; Dhingra, A.K. An adaptive controller for human lower extremity exoskeleton robot. Microsyst. Technol. 2021, 27, 2829–2846. [Google Scholar] [CrossRef]
  27. Casas, J.; Chang, C.-H.; Duenas, V.H. Switched Concurrent Learning Adaptive Control for Treadmill Walking Using a Lower Limb Hybrid Exoskeleton. IEEE Trans. Control Syst. Technol. 2023, 32, 174–188. [Google Scholar] [CrossRef]
  28. Kagirov, I.; Kapustin, A.; Kipyatkova, I.; Klyuzhev, K.; Kudryavcev, A.; Kudryavcev, I.; Loskutov, Y.; Ryumin, D.; Karpov, A. Medical exoskeleton “Remotion” with an intelligent control system: Modeling, implementation, and testing. Simul. Model. Pract. Theory 2020, 107, 102200. [Google Scholar] [CrossRef]
  29. Zhang, S.; Guan, X.; Ye, J.; Chen, G.; Zhang, Z.; Leng, Y. Gait Deviation Correction Method for Gait Rehabilitation with a Lower Limb Exoskeleton Robot. IEEE Trans. Med. Robot. Bionics 2022, 4, 754–763. [Google Scholar] [CrossRef]
  30. Amiri, M.S.; Ramli, R.; Ibrahim, M.F. Genetically optimized parameter estimation of mathematical model for multi-joints hip–knee exoskeleton. Robot. Auton. Syst. 2020, 125, 103425. [Google Scholar] [CrossRef]
  31. Amiri, M.S.; Ramli, R.; Barari, A. Optimally Initialized Model Reference Adaptive Controller of Wearable Lower Limb Rehabilitation Exoskeleton. Mathematics 2023, 11, 1564. [Google Scholar] [CrossRef]
  32. Chen, C.; Huang, J.; Tu, X. Design and single-parameter adaptive fuzzy control of pneumatic lower limb exoskeleton with full state constraints. Robotica 2022, 41, 995–1014. [Google Scholar] [CrossRef]
  33. Brahmi, B.; Ahmed, T.; El Bojairami, I.; Swapnil, A.A.Z.; Zaman, A.U.; Schultz, K.; McGonigle, E.; Rahman, M.H. Flatness Based Control of a Novel Smart Exoskeleton Robot. IEEE/ASME Trans. Mechatron. 2021, 27, 974–984. [Google Scholar] [CrossRef]
  34. Wu, J.; Gao, J.; Song, R.; Li, R.; Li, Y.; Jiang, L. The design and control of a 3DOF lower limb rehabilitation robot. Mechatronics 2016, 33, 13–22. [Google Scholar] [CrossRef]
  35. Chang, C.-H.; Casas, J.; Duenas, V.H. Closed-Loop Kinematic and Indirect Force Control of a Cable-Driven Knee Exoskeleton: A Lyapunov-Based Switched Systems Approach. IEEE Open J. Ultrason. Ferroelectr. Freq. Control 2023, 2, 171–184. [Google Scholar] [CrossRef]
  36. Sharifi, M.; Mehr, J.K.; Mushahwar, V.K.; Tavakoli, M. Autonomous Locomotion Trajectory Shaping and Nonlinear Control for Lower Limb Exoskeletons. IEEE/ASME Trans. Mechatron. 2022, 27, 645–655. [Google Scholar] [CrossRef]
  37. Guzmán, C.H.; Blanco, A.; Brizuela, J.A.; Gómez, F.A. Robust control of a hip–joint rehabilitation robot. Biomed. Signal Process. Control 2017, 35, 100–109. [Google Scholar] [CrossRef]
  38. Han, J.; Yang, S.; Xia, L.; Chen, Y.-H. Deterministic Adaptive Robust Control with a Novel Optimal Gain Design Approach for a Fuzzy 2-DOF Lower Limb Exoskeleton Robot System. IEEE Trans. Fuzzy Syst. 2020, 29, 2373–2387. [Google Scholar] [CrossRef]
  39. Al-Awad, N.A.; Humaidi, A.J.; Al-Araji, A.S. Fractional multi-loop active disturbance rejection control for a lower knee exoskeleton system. Acta Polytech. 2023, 63, 158–170. [Google Scholar] [CrossRef]
  40. Zhang, T.; Huang, H. Design and Control of a Series Elastic Actuator with Clutch for Hip Exoskeleton for Precise Assistive Magnitude and Timing Control and Improved Mechanical Safety. IEEE/ASME Trans. Mechatron. 2019, 24, 2215–2226. [Google Scholar] [CrossRef]
  41. Wang, Y.; Tian, Y.; Guo, Y.; Wang, H. Active torque-based gait adjustment multi-level control strategy for lower limb patient–exoskeleton coupling system in rehabilitation training. Math. Comput. Simul. 2023, 215, 357–381. [Google Scholar] [CrossRef]
  42. Yang, S.; Pei, J.; Liu, Y.; Chen, Y.-H. Robust tracking control design with a novel leakage-type adaptive mechanism for an uncertain lower limb exoskeleton robot. J. Vib. Control 2022, 29, 2681–2695. [Google Scholar] [CrossRef]
  43. Long, Y.; Du, Z.; Cong, L.; Wang, W.; Zhang, Z.; Dong, W. Active disturbance rejection control based human gait tracking for lower extremity rehabilitation exoskeleton. ISA Trans. 2017, 67, 389–397. [Google Scholar] [CrossRef] [PubMed]
  44. Li, J.; Wang, Q.; Fang, Y. Adaptive neural network-based practical predefined-time nonsingular terminal sliding mode control for upper limb rehabilitation robots. Commun. Nonlinear Sci. Numer. Simul. 2024, 136, 108085. [Google Scholar] [CrossRef]
  45. Long, Y.; Peng, Y. Extended State Observer-Based Nonlinear Terminal Sliding Mode Control with Feedforward Compensation for Lower Extremity Exoskeleton. IEEE Access 2022, 10, 8643–8652. [Google Scholar] [CrossRef]
  46. Hsu, S.-H.; Changcheng, C.; Lee, H.-J.; Chen, C.-T. Design and Implementation of a Robotic Hip Exoskeleton for Gait Rehabilitation. Actuators 2021, 10, 212. [Google Scholar] [CrossRef]
  47. Wu, H.; Jia, T.; Li, N.; Wu, J.; Yan, L. Study on the control algorithm for lower limb exoskeleton based on ADAMS/Simulink co-simulation. J. Vibroeng. 2017, 19, 2976–2986. [Google Scholar] [CrossRef]
  48. Hasan, S.; Dhingra, A.K. Biomechanical design and control of an eight DOF human lower extremity rehabilitation exoskeleton robot. Results Control Optim. 2022, 7, 100107. [Google Scholar] [CrossRef]
  49. Hasan, S.; Dhingra, A.K. Development of a sliding mode controller with chattering suppressor for human lower extremity exoskeleton robot. Results Control Optim. 2022, 7, 100123. [Google Scholar] [CrossRef]
  50. He, D.; Wang, H.; Tian, Y.; Ma, X. Model-free finite-time robust control using fractional-order ultra-local model and prescribed performance sliding surface for upper-limb rehabilitation exoskeleton. ISA Trans. 2024, 147, 511–526. [Google Scholar] [CrossRef]
  51. Zhou, Y.; Sun, Z.; Chen, B.; Huang, G.; Wu, X.; Wang, T. Human gait tracking for rehabilitation exoskeleton: Adaptive fractional order sliding mode control approach. Intell. Robot. 2023, 3, 95–112. [Google Scholar] [CrossRef]
  52. Mohan, S.; Mohanta, J.; Kurtenbach, S.; Paris, J.; Corves, B.; Huesing, M. Design, development and control of a 2PRP-2PPR planar parallel manipulator for lower limb rehabilitation therapies. Mech. Mach. Theory 2017, 112, 272–294. [Google Scholar] [CrossRef]
  53. Ben Abdallah, I.; Bouteraa, Y. An Optimized Stimulation Control System for Upper Limb Exoskeleton Robot-Assisted Rehabilitation Using a Fuzzy Logic-Based Pain Detection Approach. Sensors 2024, 24, 1047. [Google Scholar] [CrossRef]
  54. Tanyildizi, A.K.; Yakut, O.; Taşar, B.; Tatar, A.B. Control of twin-double pendulum lower extremity exoskeleton system with fuzzy logic control method. Neural Comput. Appl. 2021, 33, 8089–8103. [Google Scholar] [CrossRef]
  55. Zhang, P.; Zhang, J.; Elsabbagh, A. Fuzzy radial-based impedance controller design for lower limb exoskeleton robot. Robotica 2022, 41, 326–345. [Google Scholar] [CrossRef]
  56. He, Y.; Li, N.; Wang, C.; Xia, L.-Q.; Yong, X.; Wu, X.-Y. Development of a novel autonomous lower extremity exoskeleton robot for walking assistance. Front. Inf. Technol. Electron. Eng. 2019, 20, 318–329. [Google Scholar] [CrossRef]
  57. Bergmann, L.; Lück, O.; Voss, D.; Buschermöhle, P.; Liu, L.; Leonhardt, S.; Ngo, C. Lower Limb Exoskeleton with Compliant Actuators: Design, Modeling, and Human Torque Estimation. IEEE/ASME Trans. Mechatron. 2022, 28, 758–769. [Google Scholar] [CrossRef]
  58. Ajjanaromvat, N.; Parnichkun, M. Trajectory tracking using online learning LQR with adaptive learning control of a leg-exoskeleton for disorder gait rehabilitation. Mechatronics 2018, 51, 85–96. [Google Scholar] [CrossRef]
  59. Hasan, S.K.; Dhingra, A. Developing a Linear Quadratic Regulator for Human Lower Extremity Exoskeleton Robot. J. Mechatron. Robot. 2022, 6, 28–46. [Google Scholar] [CrossRef]
  60. Yatsun, S.F.; Mal’chikov, A.V.; Yatsun, A.S. A Method for Obtaining the Parameters for Changing the Settings of the Control System of a Rehabilitation Device. Biomed. Eng. 2023, 57, 107–111. [Google Scholar] [CrossRef]
  61. Orekhov, G.; Luque, J.; Lerner, Z.F. Closing the Loop on Exoskeleton Motor Controllers: Benefits of Regression-Based Open-Loop Control. IEEE Robot. Autom. Lett. 2020, 5, 6025–6032. [Google Scholar] [CrossRef] [PubMed]
  62. Yan, Y.; Chen, Z.; Huang, C.; Guo, Q. Modelling and analysis of coupling dynamics of swinging a lower limb exoskeleton. Nonlinear Dyn. 2022, 111, 1213–1234. [Google Scholar] [CrossRef]
  63. Yu, S.; Liu, C.; Ye, C.; Fu, R. Passive and Active Training Control of an Omnidirectional Mobile Exoskeleton Robot for Lower Limb Rehabilitation. Actuators 2024, 13, 202. [Google Scholar] [CrossRef]
  64. Tanyıldızı, A.K. A three-DoF upper limb exoskeleton’s design, modeling, and interaction-based control. J. Braz. Soc. Mech. Sci. Eng. 2023, 45, 476. [Google Scholar] [CrossRef]
  65. Guzmán-Valdivia, C.; Blanco-Ortega, A.; Oliver-Salazar, M.; Gómez-Becerra, F.; Carrera-Escobedo, J. HipBot—The design, development and control of a therapeutic robot for hip rehabilitation. Mechatronics 2015, 30, 55–64. [Google Scholar] [CrossRef]
  66. Li, Y.; Guan, X.; Han, X.; Tang, Z.; Meng, K.; Shi, Z.; Penzlin, B.; Yang, Y.; Ren, J.; Yang, Z.; et al. Design and Preliminary Validation of a Lower Limb Exoskeleton with Compact and Modular Actuation. IEEE Access 2020, 8, 66338–66352. [Google Scholar] [CrossRef]
  67. Pillai, B.M.; Owatchaiyapong, P.; Treratanakulchai, S.; Sivaraman, D.; Ongwattanakul, S.; Suthakorn, J. Lower Limb Exoskeleton with Energy-Storing Mechanism for Spinal Cord Injury Rehabilitation. IEEE Access 2023, 11, 133850–133866. [Google Scholar] [CrossRef]
  68. Pan, J.; Astarita, D.; Baldoni, A.; Dell’Agnello, F.; Crea, S.; Vitiello, N.; Trigili, E. NESM-γ: An Upper-Limb Exoskeleton with Compliant Actuators for Clinical Deployment. IEEE Robot. Autom. Lett. 2022, 7, 7708–7715. [Google Scholar] [CrossRef]
  69. Joyo, M.K.; Raza, Y.; Ahmed, S.F.; Billah, M.M.; Kadir, K.; Naidu, K.; Ali, A.; Yusof, Z.M. Optimized Proportional-Integral-Derivative Controller for Upper Limb Rehabilitation Robot. Electronics 2019, 8, 826. [Google Scholar] [CrossRef]
  70. Lee, H.J.; Kim, K.-S.; Kim, S. Generalized Control Framework for Exoskeleton Robots by Interaction Force Feedback Control. Int. J. Control Autom. Syst. 2021, 19, 3419–3427. [Google Scholar] [CrossRef]
  71. Keemink, A.Q.L.; van Oort, G.; Wessels, M.; Stienen, A.H.A. Differential Inverse Kinematics of a Redundant 4R Exoskeleton Shoulder Joint. IEEE Trans. Neural Syst. Rehabil. Eng. 2018, 26, 817–829. [Google Scholar] [CrossRef]
  72. Zarrin, R.S.; Zeiaee, A.; Langari, R. A Variable-Admittance Assist-As-Needed Controller for Upper-Limb Rehabilitation Exoskeletons. IEEE Robot. Autom. Lett. 2024, 9, 5903–5910. [Google Scholar] [CrossRef]
  73. Yu, F.; Liu, Y.; Wu, Z.; Tan, M.; Yu, J. Adaptive Gait Training of a Lower Limb Rehabilitation Robot Based on Human–Robot Interaction Force Measurement. Think. Ski. Creat. 2024, 5, 0115. [Google Scholar] [CrossRef] [PubMed]
  74. Li, Z.; Huang, B.; Ye, Z.; Deng, M.; Yang, C. Physical Human–Robot Interaction of a Robotic Exoskeleton by Admittance Control. IEEE Trans. Ind. Electron. 2018, 65, 9614–9624. [Google Scholar] [CrossRef]
  75. Ranatunga, I.; Lewis, F.L.; Popa, D.O.; Tousif, S.M. Adaptive Admittance Control for Human–Robot Interaction Using Model Reference Design and Adaptive Inverse Filtering. IEEE Trans. Control Syst. Technol. 2016, 25, 278–285. [Google Scholar] [CrossRef]
  76. Yan, Y.; Tang, M.; Wang, W.; Zhang, Y.; An, B. Trajectory tracking control of wearable upper limb rehabilitation robot based on Laguerre model predictive control. Robot. Auton. Syst. 2024, 179, 104745. [Google Scholar] [CrossRef]
  77. Bao, X.; Sheng, Z.; Dicianno, B.E.; Sharma, N. A Tube-Based Model Predictive Control Method to Regulate a Knee Joint with Functional Electrical Stimulation and Electric Motor Assist. IEEE Trans. Control Syst. Technol. 2020, 29, 2180–2191. [Google Scholar] [CrossRef] [PubMed]
  78. Rodriguez, C.A.; Ponce, P.; Molina, A. ANFIS and MPC controllers for a reconfigurable lower limb exoskeleton. Soft Comput. 2016, 21, 571–584. [Google Scholar] [CrossRef]
  79. Hasan, S. Radial basis function-based exoskeleton robot controller development. IET Cyber-Syst. Robot. 2022, 4, 228–250. [Google Scholar] [CrossRef]
  80. Hasan, S. Deep Learning Technology-Based Exoskeleton Robot Controller Development. arXiv 2022, arXiv:2209.12133v2. [Google Scholar]
  81. Huang, M.; Huang, X.; Tu, X.; Li, Z.; Wen, Y. An online gain tuning proxy-based sliding mode control using neural network for a gait training robotic orthosis. Clust. Comput. 2016, 19, 1987–2000. [Google Scholar] [CrossRef]
  82. Dan, Y.; Ge, Y.; Wang, A.; Li, Z. Human-Gait-Based Tracking Control for Lower Limb Exoskeleton Robot. J. Robot. Mechatron. 2022, 34, 615–621. [Google Scholar] [CrossRef]
  83. Shi, D.; Zhang, W.; Wang, L.; Zhang, W.; Feng, Y.; Ding, X. Joint-Angle Adaptive Coordination Control of a Serial-Parallel Lower Limb Rehabilitation Exoskeleton. IEEE Trans. Med. Robot. Bionics 2022, 4, 775–784. [Google Scholar] [CrossRef]
  84. Cao, Y.; Huang, J. Neural-network-based nonlinear model predictive tracking control of a pneumatic muscle actuator-driven exoskeleton. IEEE/CAA J. Autom. Sin. 2020, 7, 1478–1488. [Google Scholar] [CrossRef]
  85. Zhang, M.; Huang, J.; Cao, Y.; Xiong, C.-H.; Mohammed, S. Echo State Network-Enhanced Super-Twisting Control of Passive Gait Training Exoskeleton Driven by Pneumatic Muscles. IEEE/ASME Trans. Mechatron. 2022, 27, 5107–5118. [Google Scholar] [CrossRef]
  86. Guo, Y.; Wang, H.; Tian, Y.; Caldwell, D.G. Task performance-based adaptive velocity assist-as-needed control for an upper limb exoskeleton. Biomed. Signal Process. Control 2022, 73, 103474. [Google Scholar] [CrossRef]
  87. Liu, X.; Wang, Q. Real-Time Locomotion Mode Recognition and Assistive Torque Control for Unilateral Knee Exoskeleton on Different Terrains. IEEE/ASME Trans. Mechatron. 2020, 25, 2722–2732. [Google Scholar] [CrossRef]
  88. Wu, Q.; Wang, X.; Chen, B.; Wu, H. Development of an RBFN-based neural-fuzzy adaptive control strategy for an upper limb rehabilitation exoskeleton. Mechatronics 2018, 53, 85–94. [Google Scholar] [CrossRef]
  89. Asl, H.J.; Narikiyo, T.; Kawanishi, M. Neural network-based bounded control of robotic exoskeletons without velocity measurements. Control Eng. Pract. 2018, 80, 94–104. [Google Scholar] [CrossRef]
  90. Yang, Y.; Huang, D.; Dong, X. Enhanced neural network control of lower limb rehabilitation exoskeleton by add-on repetitive learning. Neurocomputing 2018, 323, 256–264. [Google Scholar] [CrossRef]
  91. Cao, Y.; Huang, J.; Xiong, C. Single-Layer Learning-Based Predictive Control with Echo State Network for Pneumatic-Muscle-Actuators-Driven Exoskeleton. IEEE Trans. Cogn. Dev. Syst. 2020, 13, 80–90. [Google Scholar] [CrossRef]
  92. Aliman, N.; Ramli, R.; Haris, S.M.; Amiri, M.S.; Van, M. A robust adaptive-fuzzy-proportional-derivative controller for a rehabilitation lower limb exoskeleton. Eng. Sci. Technol. Int. J. 2022, 35, 101097. [Google Scholar] [CrossRef]
  93. Giovacchini, F.; Vannetti, F.; Fantozzi, M.; Cempini, M.; Cortese, M.; Parri, A.; Yan, T.; Lefeber, D.; Vitiello, N. A light-weight active orthosis for hip movement assistance. Robot. Auton. Syst. 2015, 73, 123–134. [Google Scholar] [CrossRef]
  94. Huang, P.; Li, Z.; Zhou, M.; Li, X.; Cheng, M. Fuzzy Enhanced Adaptive Admittance Control of a Wearable Walking Exoskeleton with Step Trajectory Shaping. IEEE Trans. Fuzzy Syst. 2022, 30, 1541–1552. [Google Scholar] [CrossRef]
  95. Yu, J.; Zhang, S.; Wang, A.; Li, W.; Ma, Z.; Yue, X. Humanoid control of lower limb exoskeleton robot based on human gait data with sliding mode neural network. CAAI Trans. Intell. Technol. 2022, 7, 606–616. [Google Scholar] [CrossRef]
  96. Chen, Z.; Guo, Q.; Li, T.; Yan, Y. Output Constrained Control of Lower Limb Exoskeleton Based on Knee Motion Probabilistic Model with Finite-Time Extended State Observer. IEEE/ASME Trans. Mechatron. 2023, 28, 2305–2316. [Google Scholar] [CrossRef]
  97. Park, K.-W.; Choi, J.; Kong, K. Hybrid Filtered Disturbance Observer for Precise Motion Generation of a Powered Exoskeleton. IEEE Trans. Ind. Electron. 2022, 70, 646–656. [Google Scholar] [CrossRef]
  98. Zhao, C.; Liu, Z.; Zheng, C.; Zhu, L.; Wang, Y. Research on Mechanical Leg Structure Design and Control System of Lower Limb Exoskeleton Rehabilitation Robot Based on Magnetorheological Variable Stiffness and Damping Actuator. Actuators 2024, 13, 132. [Google Scholar] [CrossRef]
  99. Gordleeva, S.Y.; Lobov, S.A.; Grigorev, N.A.; Savosenkov, A.O.; Shamshin, M.O.; Lukoyanov, M.V.; Khoruzhko, M.A.; Kazantsev, V.B. Real-Time EEG–EMG Human–Machine Interface-Based Control System for a Lower-Limb Exoskeleton. IEEE Access 2020, 8, 84070–84081. [Google Scholar] [CrossRef]
  100. Villa-Parra, A.C.; Delisle-Rodriguez, D.; Botelho, T.; Mayor, J.J.V.; Delis, A.L.; Carelli, R.; Neto, A.F.; Bastos, T.F. Control of a robotic knee exoskeleton for assistance and rehabilitation based on motion intention from sEMG. Res. Biomed. Eng. 2018, 34, 198–210. [Google Scholar] [CrossRef]
  101. Li, X.; Pan, Y.; Chen, G.; Yu, H. Multi-modal control scheme for rehabilitation robotic exoskeletons. Int. J. Robot. Res. 2017, 36, 759–777. [Google Scholar] [CrossRef]
  102. Kumar, S.; Wöhrle, H.; Trampler, M.; Simnofske, M.; Peters, H.; Mallwitz, M.; Kirchner, E.A.; Kirchner, F. Modular Design and Decentralized Control of the Recupera Exoskeleton for Stroke Rehabilitation. Appl. Sci. 2019, 9, 626. [Google Scholar] [CrossRef]
Disclaimer/Publisher’s Note: The statements, opinions and data contained in all publications are solely those of the individual author(s) and contributor(s) and not of MDPI and/or the editor(s). MDPI and/or the editor(s) disclaim responsibility for any injury to people or property resulting from any ideas, methods, instructions or products referred to in the content.

Article Metrics

Citations

Article Access Statistics

Multiple requests from the same IP address are counted as one view.