Impedance Force Control of Manipulator Based on Variable Universe Fuzzy Control
Abstract
1. Introduction
2. Description of the Model
2.1. Model of Manipulator and Environment
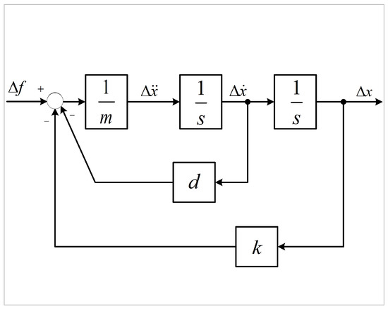
2.2. Position-Based Impedance Control for Force Tracking
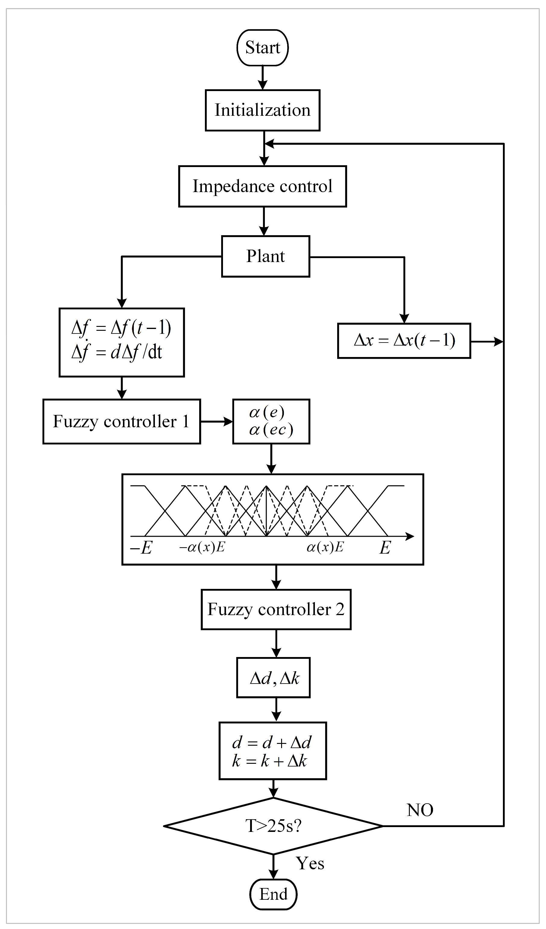
3. Adaptive Controller
3.1. Model Reference Adaptive Controller
3.2. Variable Universe Fuzzy Controller
3.2.1. The Principles of the Variable Universe Fuzzy Controller
3.2.2. Design of the Variable Universe Fuzzy Controller
3.3. Proof of System Stability Conditions
4. Dynamic Description of the Controlled System
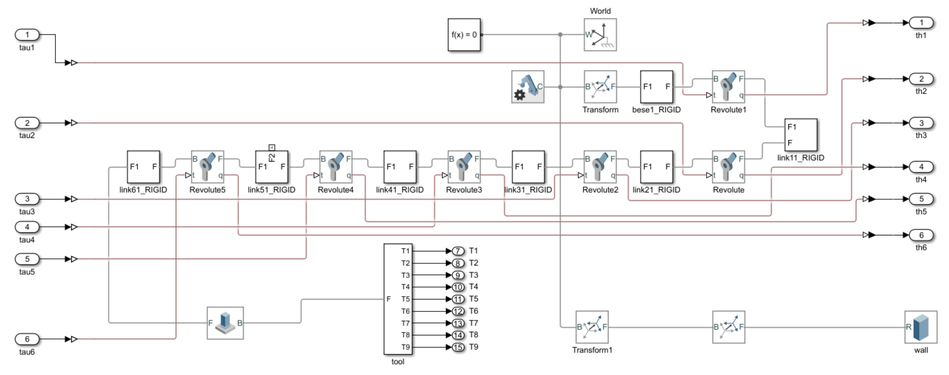
5. Simulation
5.1. Planar Environment
5.2. Inclined Plane Environment
5.3. Sinusoidal Surface Environment
6. Conclusions
Author Contributions
Funding
Institutional Review Board Statement
Informed Consent Statement
Data Availability Statement
Conflicts of Interest
References
- Abu-Dakka, F.J.; Saveriano, M. Variable impedance control and learning—A review. Front. Robot. AI 2020, 7, 590681. [Google Scholar] [CrossRef] [PubMed]
- Hogan, N. Impedance control: An approach to manipulation: Part III—Applications. J. Dyn. Syst. Meas. Control 1985, 107, 17–24. [Google Scholar] [CrossRef]
- Ding, Y.; Zhao, J.C.; Min, X. Impedance control and parameter optimization of surface polishing robot based on reinforcement learning. Proc. Inst. Mech. Eng. Part B J. Eng. Manuf. 2023, 237, 216–228. [Google Scholar] [CrossRef]
- Li, G.; Chen, X.; Yu, J.; Liu, J. Adaptive neural network-based finite-time impedance control of constrained robotic manipulators with disturbance observer. IEEE Trans. Circuits Syst. II Express Briefs 2021, 69, 1412–1416. [Google Scholar] [CrossRef]
- Peng, J.; Ding, S.; Yang, Z.; Xin, J. Adaptive neural impedance control for electrically driven robotic systems based on a neuro-adaptive observer. Nonlinear Dyn. 2020, 100, 1359–1378. [Google Scholar] [CrossRef]
- Kang, E.; Qiao, H.; Gao, J.; Yang, W. Neural network-based model predictive tracking control of an uncertain robotic manipulator with input constraints. ISA Trans. 2021, 109, 89–101. [Google Scholar] [CrossRef]
- Nazmara, G.; Fateh, M.M.; Ahmadi, S.M. Exponentially convergence for the regressor-free adaptive fuzzy impedance control of robots by gradient descent algorithm. Int. J. Syst. Sci. 2020, 51, 1883–1904. [Google Scholar] [CrossRef]
- Izadbakhsh, A.; Khorashadizadeh, S.; Ghandali, S. Robust adaptive impedance control of robot manipulators using Szász–Mirakyan operator as universal approximator. ISA Trans. 2020, 106, 1–11. [Google Scholar] [CrossRef]
- Bitz, T.; Zahedi, F.; Lee, H. Variable damping control of a robotic arm to improve trade-off between agility and stability and reduce user effort. In Proceedings of the 2020 IEEE International Conference on Robotics and Automation (ICRA), Paris, France, 31 May–31 August 2020; pp. 11259–11265. [Google Scholar]
- Zheng, K.; Zhang, Q.; Hu, Y.; Wu, B. Design of fuzzy system-fuzzy neural network-backstepping control for complex robot system. Inf. Sci. 2021, 546, 1230–1255. [Google Scholar] [CrossRef]
- Liu, A.; Chen, T.; Zhu, H.; Fu, M.; Xu, J. Fuzzy variable impedance-based adaptive neural network control in physical human–robot interaction. Proc. Inst. Mech. Eng. Part I J. Syst. Control Eng. 2023, 237, 220–230. [Google Scholar] [CrossRef]
- Huang, H.; Yang, C.; Chen, C.L.P. Optimal robot–environment interaction under broad fuzzy neural adaptive control. IEEE Trans. Cybern. 2020, 51, 3824–3835. [Google Scholar] [CrossRef]
- Ba, D.X. An intelligent sliding mode controller of robotic manipulators with output constraints and high-level adaptation. Int. J. Robust Nonlinear Control 2022, 32, 6888–6912. [Google Scholar] [CrossRef]
- Liu, H.; Sun, J.; Nie, J.; Zou, L. Observer-based adaptive second-order non-singular fast terminal sliding mode controller for robotic manipulators. Asian J. Control 2021, 23, 1845–1854. [Google Scholar] [CrossRef]
- Ozguney, O.C.; Burkan, R. Fuzzy-terminal sliding mode control of a flexible link manipulator. Acta Polytech. Hung. 2021, 18, 179–195. [Google Scholar] [CrossRef]
- Rojas-García, L.; Bonilla-Gutiérrez, I.; Mendoza-Gutiérrez, M.; Chávez-Olivares, C. Adaptive force/position control of robot manipulators with bounded inputs. J. Mech. Sci. Technol. 2022, 36, 1497–1509. [Google Scholar] [CrossRef]
- Chen, J.; Tao, G. Adaptive Control of Robot Manipulators in Varying Environments. In Proceedings of the 2022 Systems and Information Engineering Design Symposium (SIEDS), Charlottesville, VA, USA, 28–29 April 2022; pp. 211–216. [Google Scholar]
- Cao, F.; Docherty, P.D.; Ni, S.; Chen, X. Contact force and torque sensing for serial manipulator based on an adaptive Kalman filter with variable time period. Robot. Comput.-Integr. Manuf. 2021, 72, 102210. [Google Scholar] [CrossRef]
- Mazare, M.; Tolu, S.; Taghizadeh, M. Adaptive variable impedance control for a modular soft robot manipulator in configuration space. Meccanica 2022, 57, 1–15. [Google Scholar] [CrossRef]
- Xu, K.; Wang, S.; Yue, B.; Wang, J.; Peng, H.; Liu, D.; Chen, Z.; Shi, M. Adaptive impedance control with variable target stiffness for wheel-legged robot on complex unknown terrain. Mechatronics 2020, 69, 102388. [Google Scholar] [CrossRef]
- Wei, J.; Yi, D.; Bo, X.; Guangyu, C.; Dean, Z. Adaptive variable parameter impedance control for apple harvesting robot compliant picking. Complexity 2020, 2020, 4812657. [Google Scholar] [CrossRef]
- Ajani, O.S.; Assal, S.F.M. Development of an autonomous robotic system for beard shaving assistance of disabled people based on an adaptive force tracking impedance control. Proc. Inst. Mech. Eng. Part C J. Mech. Eng. Sci. 2021, 235, 5758–5775. [Google Scholar] [CrossRef]
- Jiao, C.; Yu, L.; Su, X.; Wen, Y.; Dai, X. Adaptive hybrid impedance control for dual-arm cooperative manipulation with object uncertainties. Automatica 2022, 140, 110232. [Google Scholar] [CrossRef]
- Fereydooni, R.H.; Siahkali, H.; Shayanfar, H.A.; Mazinan, A.H. sEMG-based variable impedance control of lower-limb rehabilitation robot using wavelet neural network and model reference adaptive control. Ind. Robot Int. J. Robot. Res. Appl. 2020, 47, 349–358. [Google Scholar] [CrossRef]
- Zhang, J.; Li, H.; Liu, Q.; Li, S. The model reference adaptive impedance control for underwater manipulator compliant operation. Trans. Inst. Meas. Control 2023, 45, 2135–2148. [Google Scholar] [CrossRef]
- Omrani, J.; Moghaddam, M.M. Nonlinear time delay estimation based model reference adaptive impedance control for an upper-limb human-robot interaction. Proc. Inst. Mech. Eng. Part H J. Eng. Med. 2022, 236, 385–398. [Google Scholar] [CrossRef]
- Weinschenk, J.J.; Weinschenk, J.; Combs, W.E.; Marks, R.J. Avoidance of rule explosion by mapping fuzzy systems to a union rule configuration. In Proceedings of the 12th IEEE International Conference on Fuzzy Systems, 2003, FUZZ ‘03, St. Louis, MO, USA, 25–28 May 2003; Volume 1, pp. 43–48. [Google Scholar]
- Li, H. Adaptive fuzzy controllers based on variable universe. Sci. China Ser. E Technol. Sci. 1999, 42, 10–20. [Google Scholar] [CrossRef]


















| NB | NM | NS | ZO | PS | PM | PB | |
|---|---|---|---|---|---|---|---|
| NB | PB/NB | PB/NB | PM/NM | PM/NM | PS/NS | ZO/ZO | ZO/ZO |
| NM | PB/NB | PB/NB | PM/NM | PS/NS | PS/NS | ZO/ZO | NS/ZO |
| NS | PM/NB | PM/NM | PM/NS | PS/NS | ZO/ZO | NS/PS | NS/PS |
| ZO | PM/NM | PM/NM | PS/NS | ZO/ZO | NS/PS | NM/PM | NM/PM |
| PS | PS/NM | PS/NS | ZO/ZO | NS/PS | NS/PS | NM/PM | NM/PB |
| PM | PS/ZO | ZO/ZO | NS/PS | NM/PS | NM/PM | NM/PB | NB/PB |
| PB | ZO/ZO | ZO/ZO | NM/PS | NM/PM | NM/PM | NB/PB | NB/PB |
| Link | Length (m) | Weight (kg) | Initial Joint Angle (deg) | Angle Range (deg) |
|---|---|---|---|---|
| 0.28 | 3.0 | 0 | −160∼160 | |
| 0.34 | 1.7 | −110.0859 | −225∼45 | |
| 0.21 | 2.5 | 220.4351 | −45∼225 | |
| 0.30 | 0.9 | 5.5720 | −110∼170 | |
| 0.15 | 1.0 | 97.0640 | −100∼100 | |
| 0.21 | 2.5 | 52.6857 | −266∼266 |
Disclaimer/Publisher’s Note: The statements, opinions and data contained in all publications are solely those of the individual author(s) and contributor(s) and not of MDPI and/or the editor(s). MDPI and/or the editor(s) disclaim responsibility for any injury to people or property resulting from any ideas, methods, instructions or products referred to in the content. |
© 2023 by the authors. Licensee MDPI, Basel, Switzerland. This article is an open access article distributed under the terms and conditions of the Creative Commons Attribution (CC BY) license (https://creativecommons.org/licenses/by/4.0/).
Share and Cite
Kong, D.; Huang, Q. Impedance Force Control of Manipulator Based on Variable Universe Fuzzy Control. Actuators 2023, 12, 305. https://doi.org/10.3390/act12080305
Kong D, Huang Q. Impedance Force Control of Manipulator Based on Variable Universe Fuzzy Control. Actuators. 2023; 12(8):305. https://doi.org/10.3390/act12080305
Chicago/Turabian StyleKong, Dexin, and Qingjiu Huang. 2023. "Impedance Force Control of Manipulator Based on Variable Universe Fuzzy Control" Actuators 12, no. 8: 305. https://doi.org/10.3390/act12080305
APA StyleKong, D., & Huang, Q. (2023). Impedance Force Control of Manipulator Based on Variable Universe Fuzzy Control. Actuators, 12(8), 305. https://doi.org/10.3390/act12080305
