Research on Dynamic Performance of Independent Metering Valves Controlling Concrete-Placing Booms Based on Fuzzy-LADRC Controller
Abstract
1. Introduction
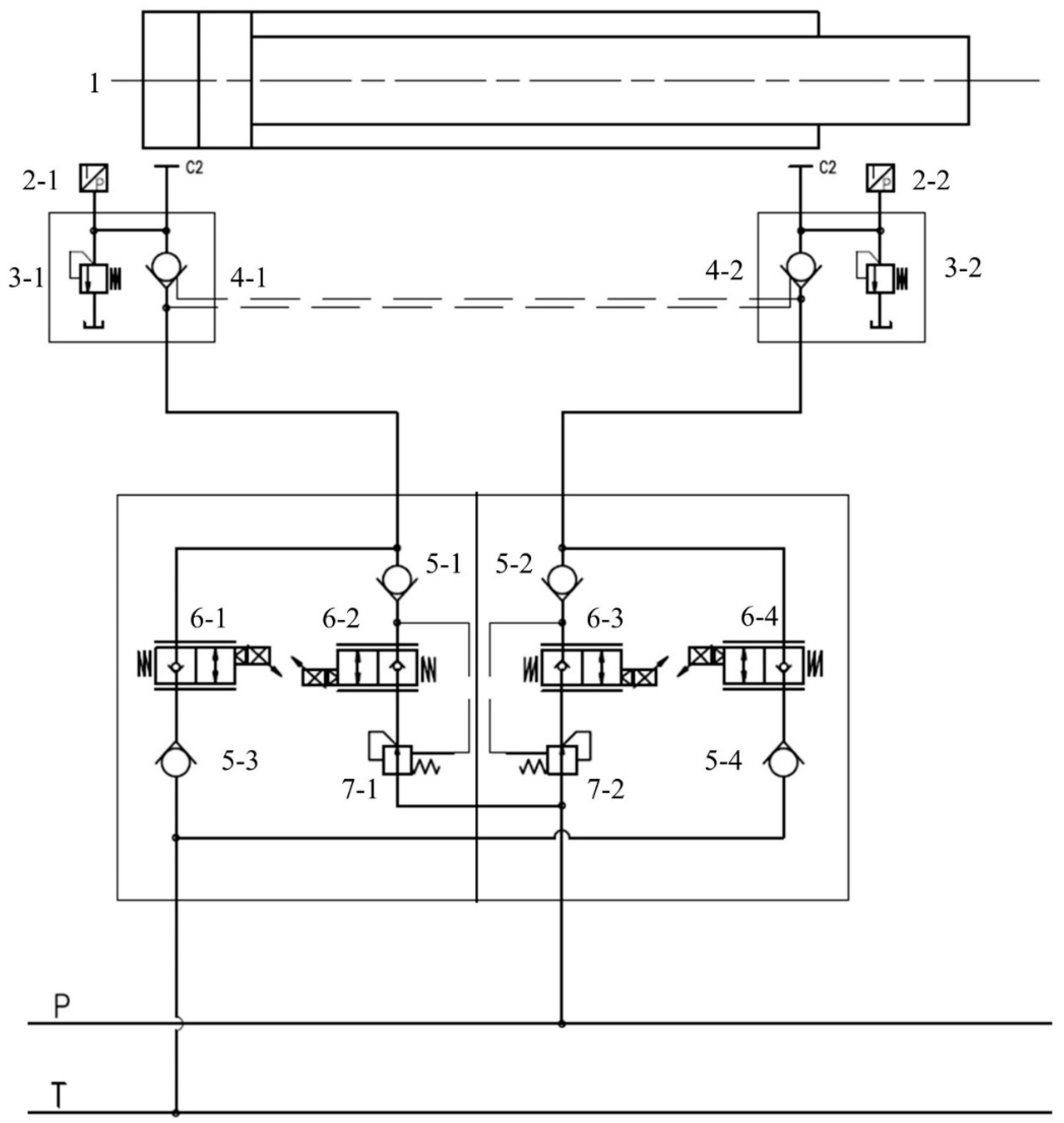
2. System Configuration
2.1. The Test Rig
2.2. The Numerical Model
2.2.1. Modelling of Hydraulic System
2.2.2. Modelling of External Forces
3. Control
3.1. LADRC Algorithm
3.2. Control System Design
3.3. Speed Controller Design
3.4. Pressure Controller Design
4. Experiment Setup
4.1. Hydraulic System Retrofit
4.2. Electronic Control System
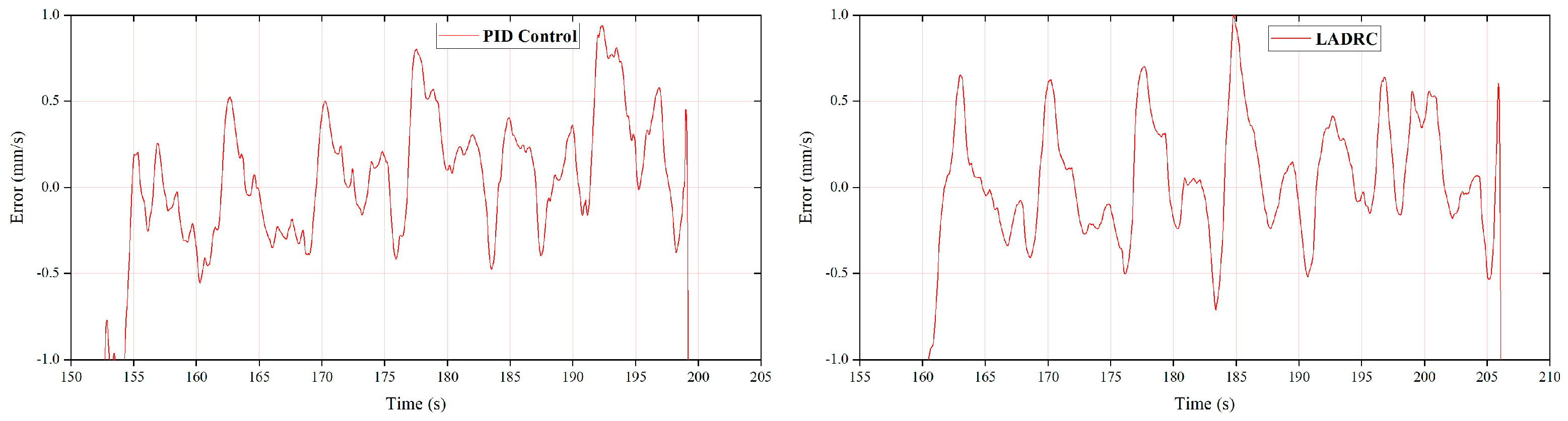
5. Experiment Results
5.1. Experiment with Boom Section 1
5.2. Experiment with Boom Section 2
5.3. Experiment with Boom Section 4
5.4. Experiment with Boom Section 6
6. Discussion
7. Conclusions
Author Contributions
Funding
Data Availability Statement
Acknowledgments
Conflicts of Interest
References
- Nariman, N.A. Sensitivity Indices of a Reinforced Concrete Beam Exposed to Explosions. Int. J. Hydromechatronics 2022, 5, 92–108. [Google Scholar] [CrossRef]
- Weber, J. Independent Metering Systems. Int. J. Hydromechatronics 2018, 1, 91–106. [Google Scholar] [CrossRef]
- Eriksson, B.; Palmberg, J.-O. Individual Metering Fluid Power Systems: Challenges and Opportunities. Proc. Inst. Mech. Eng. Part I J. Syst. Control Eng. 2011, 225, 196–211. [Google Scholar] [CrossRef]
- Hu, H.; Zhang, Q. Realization of Programmable Control Using a Set of Individually Controlled Electrohydraulic Valves. Int. J. Fluid Power 2002, 3, 29–34. [Google Scholar] [CrossRef]
- Hu, H.; Zhang, Q. Multi-Function Realization Using an Integrated Programmable E/H Control Valve. Appl. Eng. Agric. 2003, 19, 283. [Google Scholar] [CrossRef]
- Yao, B.; DeBoer, C. Energy-Saving Adaptive Robust Motion Control of Single-Rod Hydraulic Cylinders with Programmable Valves. In Proceedings of the 2002 American Control Conference (IEEE Cat. No.CH37301), Anchorage, AK, USA, 8–10 May 2002; IEEE: Anchorage, AK, USA, 2002; Volume 6, pp. 4819–4824. [Google Scholar]
- Yao, B.; Liu, S. Energy-Saving Control of Hydraulic Systems with Novel Programmable Valves. In Proceedings of the 4th World Congress on Intelligent Control and Automation (Cat. No.02EX527), Shanghai, China, 10–14 June 2002; IEEE: Shanghai, China, 2002; Volume 4, pp. 3219–3223. [Google Scholar]
- Liu, S.; Yao, B. Coordinate Control of Energy Saving Programmable Valves. IEEE Trans. Contr. Syst. Technol. 2008, 16, 34–45. [Google Scholar] [CrossRef]
- Lu, L.; Yao, B.; Liu, Z. Energy Saving Control of a Hydraulic Manipulator Using Five Cartridge Valves and One Accumulator. IFAC Proc. Vol. 2013, 46, 84–90. [Google Scholar] [CrossRef]
- Lu, L.; Yao, B. Energy-Saving Adaptive Robust Control of a Hydraulic Manipulator Using Five Cartridge Valves with an Accumulator. IEEE Trans. Ind. Electron. 2014, 61, 7046–7054. [Google Scholar] [CrossRef]
- Shenouda, A. Quasi-Static Hydraulic Control Systems and Energy Savings Potential Using Independent Metering Four-Valve Assembly Configuration; Georgia Institute of Technology: Atlanta, GA, USA, 2006. [Google Scholar]
- Shenouda, A.; Book, W. Energy Saving Analysis Using a Four-Valve Independent Metering Configuration Controlling a Hydraulic Cylinder; SAE International: Warrendale, PA, USA, 2005. [Google Scholar]
- Shenouda, A.; Book, W. Optimal Mode Switching for a Hydraulic Actuator Controlled With Four-Valve Independent Metering Configuration. Int. J. Fluid Power 2008, 9, 35–43. [Google Scholar] [CrossRef]
- Ghini, Y.; Vacca, A. A Method to Perform Prognostics in Electro-Hydraulic Machines: The Case of an Independent Metering Controlled Hydraulic Crane. Int. J. Hydromechatronics 2018, 1, 197–221. [Google Scholar] [CrossRef]
- Choi, K.; Seo, J.; Nam, Y.; Kim, K.U. Energy-Saving in Excavators with Application of Independent Metering Valve. J. Mech. Sci. Technol. 2015, 29, 387–395. [Google Scholar] [CrossRef]
- Lee, J.-C.; Jin, K.-C.; Kwon, Y.-M.; Choi, L.-G.; Choi, J.-Y.; Lee, B.-K. Development of the Independent Metering Valve Control System and Analysis of Its Performance for an Excavator. In Proceedings of the BATH/ASME 2016 Symposium on Fluid Power and Motion Control, Bath, UK, 7–9 September 2016; American Society of Mechanical Engineers: New York, NY, USA, 2016; p. V001T01A021. [Google Scholar]
- Liu, K.; Gao, Y.; Tu, Z.; Lin, P. Energy-Saving Analysis of the Independent Metering System with Pressure Compensation for Excavator’s Manipulator. Proc. Inst. Mech. Eng. Part I J. Syst. Control Eng. 2016, 230, 905–920. [Google Scholar] [CrossRef]
- Vukovic, M.; Murrenhoff, H. The Next Generation of Fluid Power Systems. Procedia Eng. 2015, 106, 2–7. [Google Scholar] [CrossRef]
- Linjama, M.; Vilenius, M. Energy-efficient motion control of a digital hydraulic joint actuator. Proc. JFPS Int. Symp. Fluid Power 2005, 2005, 640–645. [Google Scholar] [CrossRef]
- Han, J. From PID to Active Disturbance Rejection Control. IEEE Trans. Ind. Electron. 2009, 56, 900–906. [Google Scholar] [CrossRef]
- Gao, B.; Shao, J.; Yang, X. A Compound Control Strategy Combining Velocity Compensation with ADRC of Electro-Hydraulic Position Servo Control System. ISA Trans. 2014, 53, 1910–1918. [Google Scholar] [CrossRef] [PubMed]
- Liu, C.; Luo, G.; Chen, Z.; Tu, W.; Qiu, C. A Linear ADRC-Based Robust High-Dynamic Double-Loop Servo System for Aircraft Electro-Mechanical Actuators. Chin. J. Aeronaut. 2019, 32, 2174–2187. [Google Scholar] [CrossRef]
- Fan, Y.; Shao, J.; Sun, G.; Shao, X. Active Disturbance Rejection Control Design Using the Optimization Algorithm for a Hydraulic Quadruped Robot. Comput. Intell. Neurosci. 2021, 2021, e6683584. [Google Scholar] [CrossRef]
- Li, Z.; Ma, X.; Li, Y.; Meng, Q.; Li, J. ADRC-ESMPC Active Heave Compensation Control Strategy for Offshore Cranes. Ships Offshore Struct. 2020, 15, 1098–1106. [Google Scholar] [CrossRef]
- Xun, W.Q.; Yu, Z.K.; Dong, D.X. An Exoskeleton Joint Output Force Control Technology Based on Improved ADRC. In Proceedings of the 2017 2nd International Conference on Robotics and Automation Engineering (ICRAE), Shanghai, China, 29–31 December 2017; pp. 146–150. [Google Scholar]
- Miao, J.; Yao, X.; Zhang, J.; Yang, S. Application of ADRC in Hydraulic AGC System. In Proceedings of the 33rd Chinese Control Conference, Nanjing, China, 28–30 July 2014; pp. 6283–6286. [Google Scholar]
- Shi, M.; Liu, X.; Shi, Y.; Chen, W.; Zhao, Q. Research on the Sliding Mode Based ADRC for Hydraulic Active Suspension of a Six-Wheel off-Road Vehicle. In Proceedings of the 2011 International Conference on Electronic Mechanical Engineering and Information Technology, Harbin, China, 12–14 August 2011; Volume 2, pp. 1066–1069. [Google Scholar]
- Shi, M.; Liu, X.; Shi, Y. Research n Enhanced ADRC Algorithm for Hydraulic Active Suspension. In Proceedings of the 2011 International Conference on Transportation, Mechanical, and Electrical Engineering (TMEE), Changchun, China, 16–18 December 2011; pp. 1539–1543. [Google Scholar]
- Chen, H.; Qi, X.; Chen, J.; Fu, Y. Research on Anti-Control of Missile Electro-Hydraulic Actuator Using Active Disturbance Rejection Control Method. In Proceedings of the 2009 Fourth International Conference on Innovative Computing, Information and Control (ICICIC), Kaohsiung, Taiwan, 7–9 December 2009; pp. 1443–1446. [Google Scholar]
- Gao, Z. Scaling and Bandwidth-Parameterization Based Controller-Tuning”, to Be Presented at the 2003 American Control Conference. In Proceedings of the American Control Conference, Denver, CO, USA, 4 June 2003; pp. 4–6. [Google Scholar]
- Wang, C.; Quan, L.; Zhang, S.; Meng, H.; Lan, Y. Reduced-Order Model Based Active Disturbance Rejection Control of Hydraulic Servo System with Singular Value Perturbation Theory. ISA Trans. 2017, 67, 455–465. [Google Scholar] [CrossRef]
- Huang, J.; Cen, Y. Research on Variable Mass Control of Series Manipulator Based on Linear Active Disturbance Rejection Control. Meas. Control 2020, 53, 1194–1202. [Google Scholar] [CrossRef]
- Wang, L.; Zhao, D.; Zhang, Z.; Liu, Q.; Meng, F. Linear Active Disturbance Rejection Control for Hydraulic Position Servo System. In Proceedings of the 2020 39th Chinese Control Conference (CCC), Shenyang, China, 27–29 July 2020; pp. 2522–2527. [Google Scholar]
- Jin, K.; Song, J.; Li, Y.; Zhang, Z.; Zhou, H.; Chang, X. Linear Active Disturbance Rejection Control for the Electro-Hydraulic Position Servo System. Sci. Prog. 2021, 104, 00368504211000907. [Google Scholar] [CrossRef]
- Liu, F.; Yang, Y.; Wang, L. Active Disturbance Rejection Control Design for the Hydraulic Actuator on Weeding Machine. In Proceedings of the 2021 40th Chinese Control Conference (CCC), Shanghai, China, 26-28 July 2021; pp. 3822–3827. [Google Scholar]
- Zhou, X.; Cui, Y.; Ma, Y. Fuzzy Linear Active Disturbance Rejection Control of Injection Hybrid Active Power Filter for Medium and High Voltage Distribution Network. IEEE Access 2021, 9, 8421–8432. [Google Scholar] [CrossRef]
- Sun, C.; Liu, M.; Liu, C.; Feng, X.; Wu, H. An Industrial Quadrotor UAV Control Method Based on Fuzzy Adaptive Linear Active Disturbance Rejection Control. Electronics 2021, 10, 376. [Google Scholar] [CrossRef]
- Sun, C.; Liu, C.; Feng, X.; Jiao, X. Visual Servoing of Flying Robot Based on Fuzzy Adaptive Linear Active Disturbance Rejection Control. IEEE Trans. Circuits Syst. II Express Briefs 2021, 68, 2558–2562. [Google Scholar] [CrossRef]
- Zhang, F.; Hou, J.; Ning, D.; Gong, Y. Depth Control of an Oil Bladder Type Deep-Sea AUV Based on Fuzzy Adaptive Linear Active Disturbance Rejection Control. Machines 2022, 10, 163. [Google Scholar] [CrossRef]
- Han, D.; Li, C.; Shi, Z. Attitude Autopilot Design Based on Fuzzy Linear Active Disturbance Rejection Control. Aerospace 2022, 9, 429. [Google Scholar] [CrossRef]
- Feng, X.; Xie, S.; Zhang, Z.; Chen, Y.; Qin, H.; Zhao, C. Research on Speed Loop Control of IPMSM Based on Fuzzy Linear Active Disturbance Rejection Control. Energy Rep. 2022, 8, 804–812. [Google Scholar] [CrossRef]
- Qin, Y.; Yang, J.; Guo, H.; Wang, Y. Fuzzy Linear Active Disturbance Rejection Control Method for Permanent Magnet Electromagnetic Hybrid Suspension Platform. Appl. Sci. 2023, 13, 2631. [Google Scholar] [CrossRef]
- Danes, L.; Vacca, A. A Frequency Domain-Based Study for Fluid-Borne Noise Reduction in Hydraulic System with Simple Passive Elements. Int. J. Hydromechatronics 2021, 4, 203–229. [Google Scholar] [CrossRef]
- Xie, M.; Zhu, C.; Xie, X. Visual Tracking Control of SCARA Robot System Based on Deep Learning and Kalman Prediction Method. Int. J. Hydromechatronics 2022, 4, 384–396. [Google Scholar] [CrossRef]

































| NB | NM | NS | Z | PS | PM | PB | ||
|---|---|---|---|---|---|---|---|---|
| NB | M, Z | VB, S | VB, VB | B, VB | B, M | M, Z | S, Z | |
| NM | M, Z | B, VS | B, VB | M, VB | M, M | M, Z | S, Z | |
| NS | S, Z | M, VS | M, B | S, B | M, B | M, Z | S, Z | |
| Z | S, Z | M, Z | M, B | Z, M | M, B | M, Z | S, Z | |
| PS | S, Z | M, Z | M, B | S, B | M, B | M, VS | S, Z | |
| PM | S, Z | M, Z | M, M | M, VB | B, VB | B, VS | M, Z | |
| PB | S, Z | M, Z | B, M | B, VB | VB, VB | VB, S | M, Z | |
| NB | NM | NS | Z | PS | PM | PB | ||
|---|---|---|---|---|---|---|---|---|
| NB | M, Z | VB, Z | VB, VB | B, VB | B, B | M, Z | S, Z | |
| NM | M, Z | B, Z | B, M | M, B | M, M | M, Z | S, Z | |
| NS | S, Z | M, Z | M, M | S, M | M, S | M, Z | S, Z | |
| Z | S, Z | M, Z | M, Z | Z, Z | M, Z | M, Z | S, Z | |
| PS | S, Z | M, Z | M, S | S, M | M, M | M, Z | S, Z | |
| PM | S, Z | M, Z | M, M | M, B | B, B | B, Z | M, Z | |
| PB | S, Z | M, Z | B, B | B, VB | VB, VB | VB, Z | M, Z | |
| Unfolding | Folding | |||
|---|---|---|---|---|
| PID | FLADRC | PID | FLADRC | |
| Startup time(s) | 9.6 | 6.3 | 3.6 | 3.6 |
| Fluctuation range | 7.3% | 7.4% | 9.0% | 6.2% |
| Unfolding | Folding | |||
|---|---|---|---|---|
| PID | FLADRC | PID | FLADRC | |
| Startup time(s) | 3.3 | 3.4 | 4.2 | 2.2 |
| Fluctuation range | 10.0% | 9.0% | 10.7% | 7.8% |
| Unfolding | Folding | |||
|---|---|---|---|---|
| PID | FLADRC | PID | FLADRC | |
| Startup time(s) | 6.0 | 2.0 | 0.5 | 0.5 |
| Fluctuation range | 12% | 7.0% | 13% | 11% |
| Unfolding | Folding | |||
|---|---|---|---|---|
| PID | FLADRC | PID | FLADRC | |
| Startup time(s) | 6.2 | 3.7 | 3.3 | 3.4 |
| Fluctuation range | 15.4% | 12.3% | 13.8% | 12.3% |
Disclaimer/Publisher’s Note: The statements, opinions and data contained in all publications are solely those of the individual author(s) and contributor(s) and not of MDPI and/or the editor(s). MDPI and/or the editor(s) disclaim responsibility for any injury to people or property resulting from any ideas, methods, instructions or products referred to in the content. |
© 2023 by the authors. Licensee MDPI, Basel, Switzerland. This article is an open access article distributed under the terms and conditions of the Creative Commons Attribution (CC BY) license (https://creativecommons.org/licenses/by/4.0/).
Share and Cite
Bao, H.; He, D.; Zhang, B.; Zhong, Q.; Hong, H.; Yang, H. Research on Dynamic Performance of Independent Metering Valves Controlling Concrete-Placing Booms Based on Fuzzy-LADRC Controller. Actuators 2023, 12, 139. https://doi.org/10.3390/act12040139
Bao H, He D, Zhang B, Zhong Q, Hong H, Yang H. Research on Dynamic Performance of Independent Metering Valves Controlling Concrete-Placing Booms Based on Fuzzy-LADRC Controller. Actuators. 2023; 12(4):139. https://doi.org/10.3390/act12040139
Chicago/Turabian StyleBao, Huiming, Dian He, Bin Zhang, Qi Zhong, Haocen Hong, and Huayong Yang. 2023. "Research on Dynamic Performance of Independent Metering Valves Controlling Concrete-Placing Booms Based on Fuzzy-LADRC Controller" Actuators 12, no. 4: 139. https://doi.org/10.3390/act12040139
APA StyleBao, H., He, D., Zhang, B., Zhong, Q., Hong, H., & Yang, H. (2023). Research on Dynamic Performance of Independent Metering Valves Controlling Concrete-Placing Booms Based on Fuzzy-LADRC Controller. Actuators, 12(4), 139. https://doi.org/10.3390/act12040139

