Abstract
The energy efficiency of data centers has become an urgent problem as it is enjoying rapid development. This study proposes an integrated energy system involving a data center with different renewable energy sources and waste heat recovery, which can consider the partial and unsteady working load of data center. A dynamic and sophisticated system simulation model is established, which can provide both reliable and fast evaluations but also allow flexible extension of additional components. It is found that the free natural resource cooling system can cover about 28% of cooling demand. Compared to the reference condition, the proposed energy system achieves significant energy-saving benefits, with an energy-saving rate of 16.4%. The system COP increases from 3.88 to 4.64, and the PUE decreases from 1.36 to 1.30, resulting in a 23.45% reduction in electricity expenses. By integrating a waste heat recovery system, the heat pump can absorb approximately 3.57 million kWh of heat from the data center, providing approximately 4.587 million kWh of heating energy for users. The rooftop PV system generates approximately 370,000 kWh of electricity annually, covering approximately 8% of the total electricity consumption of the data center. This study can offer a new channel for the energy efficiency enhancement of data centers.
1. Introduction
Digitalization is expanding its settlement in nearly every field nowadays, especially for building and machine digitalization [1]. Since the birth of AlphaGo, Artificial Intelligence (AI) has entered a fast-developing channel. This growing momentum is even higher after the release of ChatGPT and some related products, which totally changed our life and work fields. The supports for those AI products are data centers located around the world, which are also enjoying a fast growth rate [2]. Significant energy is necessary to sustain the continuous operation of these data centers. Energy consumption has been increasing markedly in recent years, and the energy consumed by data centers per square meter exceeds that of typical office buildings by over 100 times [3]. Therefore, the development of renewable technologies is crucial for enhancing energy efficiency and decreasing the electricity consumption of data centers.
1.1. Literature Reviews
The energy consumed in data centers is mainly used to power CPUs for computing and to power air-conditioning systems for space cooling. Basically, for data centers, there are three major channels for energy performance enhancement: advanced spacing cooling, waste heat recovery, and integration with renewable energy sources. Those three methods are explained well in a study by Huang et al. [4].
First, spacing cooling by advanced air conditioning system is important for data centers because the room temperature will influence the operation of CPUs in servers. The best way is by using free cooling, which is also widely applied in many data centers in the world. Previously, Zhang et al. [5] made a complete review study on free cooling technologies in which they generalized several effective methods, including airside free cooling using outdoor air directly and waterside free cooling using nature cooling sources. In order to reduce energy costs in data centers, some studies are investigating seawater cooling energy sources for their infrastructure. A data center located in Stockholm has cut about 80% of their energy bill by deploying an innovative seawater cooling system. The Power Usage Effectiveness (PUE) value of the data center has been decreased to an ultra-efficient 1.09 through waste heat recovery. Some data centers are located near lakes and rivers. These natural water systems can be used as a cold source for free cooling of data centers to save energy. For data centers with rack and room levels using lake water cooling, the effectiveness of energy-saving was investigated. When the racks operated with 1 to 4 kW of electric power, the Power Usage Effectiveness ranged between 1.11 and 1.15 [6]. The reduction in life cycle costs and energy savings for equipment incorporating the lake water source free cooling system were 22.06–36.45% and 34.9–52.4%, respectively [7]. Further, in practice, the hot–cold aisle containment method is mostly used. By doing so, it avoids mixing the cooled air with heated air, so that the energy efficiency is improved. Even if the cooling energy is sufficient, the management of those energies is also important. If advanced control is to be used in cooling energy management, a variable air flow system is one of the options [8]. The cooling load in the rack can be met by adjusting the airflow rate considering also the partial load of the servers in real situations. Various methods exist for implementing a variable airflow strategy, such as monitoring the return air temperature, evaluating the actual IT load, and maintaining a pressure difference between the supply and return vents.
Secondly, waste heat is a kind of thermal energy source for data center, which could be re-used by a waste heat recovery system [9,10]. In general, such waste heat can be utilized in district heating networks or directly provided for heating other building [11]. The air-side cooling system can reliably supply low-temperature, high-capacity waste heat [12]. If the temperature is not enough, a heat pump could help elevate the grade. Waste heat can be recovered by the air-source heat pump system and applied to heating nearby office buildings. It could significantly reduce operational costs, carbon emissions, and electricity consumption, with a payback period of about 2.5 years [13]. Furthermore, Lin et al. [14] utilized the CO2 heat pump in a data center to recover the waste heat. This system upgraded the low-temperature waste heat to meet various heat demands. Depending on the working fluids used in the cooling cycle, the system’s payback period varies between 2.04 and 2.46 years.
Thirdly, for data centers, the application of renewable energy can make a further improvement in energy efficiency. The use of renewable energy, including solar [15,16], wind, and hydropower, among others, can replace the electricity consumed by data centers, reduce dependence on fossil fuels, reduce carbon emissions, help protect the environment and mitigate climate change, and help data centers reduce energy costs. For improving the consumption of renewable energy, operators of large data centers around the world have set up renewable energy power generation devices [17]. Malkamäki and Ovaska [18] conducted research on the solar energy and free cooling potential for data centers located in Europe. Meanwhile, the fundamental correlations between cooling requirements, air temperature, and solar energy were investigated. The efficiency of employing on-site renewable energy systems and free cooling was evaluated in different configurations, considering factors such as emission levels, net present value costs and water, and energy savings [19]. For a combined cooling, heat, and power (CHP) system utilizing fuel cells, the energy and economic performance were analyzed. For data centers, the results revealed that advanced energy management technology can lead to significant reductions in CO2 emissions, operational costs, and energy consumption. The application of the CHP system could result in an annual decrease in energy costs of over 47% [20]. Little and Garimella [21] proposed a new paradigm that integrates waste heat recovery, cooling mechanisms, power supplies, and upgrading systems to significantly reduce the data center’s energy consumption. This paradigm enables a reduction in the data center’s overall primary energy usage by as much as 23%, while simultaneously generating an additional revenue stream through the sale of upgraded thermal energy. Zachary Woodruff et al. [22] proposed a strategy called Environmentally Opportunistic Computing (EOC), which can enhance the energy efficiency of buildings and data centers through distributed waste heat reuse.
The coordination of data center load dispatching and renewable energy consumption is also very important [23]. Xu and Buyya [24] proposed an algorithm for workload transfer to reduce carbon footprint and manage renewable energy utilization in data centers. The evaluation also includes the impact of distributing and processing requests across various time zones when utilizing renewable energy. For distributed data centers, prioritizing the use of renewable energy was investigated. After predicting the local renewable energy shortage, three scenarios of energy consumption were analyzed: (1) when renewable energy alone can meet the load transfer demand, (2) when both renewable energy and municipal power jointly supply the load transfer and migration consumption, and (3) when municipal electricity solely provides for the load transfer and migration consumption [25]. Obviously, for data centers, the utilization of renewable energy presents promising opportunities and significant challenges, indicating that there is still a long way to go.
1.2. Research Gaps and New Contribution of This Study
We have found that, in previous studies, many proposals have been made to promote the data centers’ energy efficiency through renewable energy integration, waste energy recovery methods, or cooling systems, while few considered the integration of advanced treatments. To bridge the research gaps and advance the energy utilization of the data center, this study contributes to the following aspects:
- (1)
- For data centers, many studies only postulated the servers working under a constant load level; however, in a real situation, the working loads of servers are not a constant in time series, which poses a chance for optimized control of both thermal and electrical power management systems. In this paper, a consideration of partial load status is involved in the system dynamic simulation, which can offer a more realistic result.
- (2)
- A complete and sophisticated multiple energy sources integrated model for data centers is established, which can offer free cooling using energy from lakes or rivers, PV power generation from solar energy, and waste heat recovery for building heating.
- (3)
- Detailed analyses that are conducted with quantitative estimation of energy saving potentials of the proposed system are presented, which can provide a solid guide for the future design and operation of a greener data center in the age of AI.
2. Methodology and Model
2.1. Model of Data Center
A data center located in Guangzhou, Guangdong Province, China is simulated in this study, comprising 4 computer rooms and 2 equipment rooms. The total area of the computer rooms is 1867.4 m2, including 740 server racks. The size and maximum power of rack are 0.6 × 1.2 × 2.2 m3 and 4 kW, respectively. The detailed parameters and layout of the data center are shown in Table 1 and Figure 1, respectively. To delve deeply into the energy utilization of data center under specific load fluctuation scenarios, the load rate variation of a typical day was chosen and is shown in Figure 2.
Table 1.
Parameters for data center load simulation.
Figure 1.
Layout of the data center.
Figure 2.
Distribution of server load rate.
The meteorological parameters used in the simulation are exported from the software named Meteonorm V8, consisting of temperature data from 2000 to 2019 and solar radiation data from 1996 to 2015, compiled by the World Meteorological Organization (WMO). Figure 3 displays the meteorological parameters for Guangzhou.
Figure 3.
Meteorological parameters in Guangzhou.
In this simulation, the designed supply/return air temperature for the data center is 22 °C/37 °C, and the designed return and supply chilled water temperatures are 20 and 15 °C, separately. The data center cooling load includes IT equipment, building envelope, occupancy, ventilation, lighting, infiltration, etc. Compared to the cooling load caused by IT equipment, the heat from occupancy and infiltration is negligible and will be ignored in simulation. Hourly load calculations are performed using TRNSYS, and Table 2 shows the calculated results. The results indicate a relatively constant cooling load throughout the year in the data center, ranging from 1680 to 2695 kW due to changes in server load rate. Therefore, when selecting cooling equipment, consideration should be given to the performance of the equipment under partial load conditions.
Table 2.
Statistical summary of cooling load.
2.2. Multi-Energy Source Integration System Structure
In this study, the hybrid renewable energy system is employed in the data center. The energy-saving technologies involved include natural cooling technology of cooling towers, waste heat recovery technology for data centers, water source heat pump technology, and solar photovoltaic (PV) technology. As shown in Figure 4, the data center is cooled by the chiller and the heat pump is applied to recover waste heat. Meanwhile, the PV system generates electric, thus saving energy.
Figure 4.
The hybrid renewable energy system in a data center.
The cooling system has two sets of cold sources: chiller for mechanical refrigeration and lake water for the natural cold source. The latter exchanges heat with return chilled water by the plate heat exchanger to cool the data center. The cold source system operates in three modes: fully natural cooling, partial natural cooling, and fully mechanical refrigeration. When the temperature of the lake water is at least 3 °C cooler than the local wet bulb temperature, lake water cooling is employed; otherwise, cooling towers are used. The operation strategy consists of three modes. (1) Fully natural cooling mode: when the temperature of the lake water is below 12 °C, using natural cold source cools the chilled water in the plate heat exchanger. (2) Partial natural cooling mode: when the temperature of lake water falls within the range of 12 to 18 °C, the plate heat exchanger operates in series with the chiller, utilizing natural cold source to pre-cool the chilled water. (3) Mechanical cooling mode: the mechanical refrigeration system is activated when the temperature of the lake water exceeds 18 °C.
In winter, the data center’s waste heat recovery system is activated to capture residual thermal energy from the return chilled water. This heat is then used to provide domestic hot water. This system is managed by an additional water source heat pump system. On the evaporator side, the temperature for 50% of the return chilled water dropped by 5 °C from 20 °C, while on the condenser side, it heats auxiliary rooms and supplies domestic hot water. The system principle is illustrated in Figure 5.
Figure 5.
The principle of the waste heat recovery system.
A rooftop PV power generation system is installed in the data center, consisting of 714 monocrystalline silicon solar panels with a total area of 1845.26 m2. The rated power generation efficiency is 21.3%, with an installed capacity of 392.7 kW. The PV power generation system can be activated by solar radiation in any season.
2.3. Sub-Models of the System
- (1)
- Chiller
The chiller selected for this study is the GREE CT series high-temperature centrifugal chiller. Modeling is founded on the component of steam compression water-cooled chiller, Type 666 in TRNSYS. The principle is shown in Figure 6.
Figure 6.
The principle of the chiller.
At actual running conditions, the current Coefficient of Performance (COP), COPnom, and cooling capacity, Capacity, are related with chilled water leaving temperature and cooling water inlet temperature. The COP and cooling capacity of the chiller at current conditions are calculated using the following equations:
where is the COP of the chiller under actual operating conditions; is the rated COP of the chiller; denotes the proportion of actual COP to rated COP; indicates the chiller’s cooling capacity under actual operating conditions (kJ/h); and and represent the rated cooling capacity of the chiller (kJ/h) and the proportion of actual cooling capacity to rated cooling capacity, respectively. The COP ratio and capacity ratio are determined by current cooling water temperature and chilled water in TRNSYS.
- (2)
- Cooling Tower
The cooling tower employs a counterflow design and is modeled using the cooling tower component Type162d in TRNSYS. As shown in Figure 7, hot water directly contacts with air, cooling down due to sensible heat transfer driven by the temperature difference between the air. Meanwhile, evaporation occurs, leading to mass transfer into the air. This process facilitates the exchange of heat from the cooling water to the air, which is then released into the surrounding environment. In Figure 7, ma,i, ma,o, mw,i, and mw,o mean the inlet and outlet mass flow rate of dry air and water, respectively; Ta,i, Ta,o, Tw,i, and Tw,o represent the inlet and outlet temperature of dry air and water, respectively; ωa,i and ωa,o are air humidity ratio of inlet air and outlet air, respectively; and Tsump indicates fully mixed sump temperature.
Figure 7.
The counterflow cooling tower.
The total heat exchange for a single cooling tower is calculated as follows:
where and denote the mass flow rate of dry air in kg/s and the air-side heat transfer efficiency, respectively, and and indicate the enthalpy of moist air at the air inlet and the enthalpy of moist air at the cooling water inlet, kJ/kg.
- (3)
- Heat Exchanger
The water-to-water plate heat exchanger is used in this study, with counter flow inside. As shown in Figure 8, thermal energy is transferred from the high-temperature side to the low-temperature side. The heat exchanger model is established by the effectiveness-NTU (ε-NTU) method. Firstly, the smaller heat capacity is identified for both fluids. Then, the effectiveness is calculated based on the flow arrangement and overall heat transfer performance of the exchanger. Finally, the fluids’ outlet states are determined.
Figure 8.
The plate heat exchanger working principle.
The heat exchange is given by the following equation:
where and represent the efficiency for the counterflow heat exchanger and the heat capacity of the fluid with smaller heat capacity, kJ/(kg·K), respectively; and denote the inlet temperature of the high-temperature fluid and the low-temperature fluid, °C, respectively.
- (4)
- Water Source Heat Pump
The water source heat pump model is based on the heat pump component Type927 in TRNSYS. The heat pump mainly consists of four components: expansion valve, compressor, condenser, and evaporator. The basic principle follows the reverse Carnot cycle. Unlike pure refrigeration cycles, heat pumps can serve both heating and cooling purposes, depending on the direction of refrigerant flow. The heat pump system is illustrated in Figure 6, Figure 7, Figure 8 and Figure 9.
Figure 9.
The heat pump system.
The operating modes (heating or cooling) of the heat pump are determined by the control signal. The COP is calculated by the following formula for heating mode:
where and indicate the heat output and the power consumption for heating mode, kJ/h, respectively.
The COP can be calculated by the following equation for cooling mode:
where and denote the cooling capacity and the power consumption for cooling mode, kJ/h, respectively.
- (5)
- Pump and Fan
The pump and fan can run at speeds ranging from 0 to rated speed, when they are under the variable frequency mode. The equipment’s flow rate varies linearly with the control signal. At any given flow rate, power consumption follows a polynomial pattern based on the control signal, which is as follows:
where is the rated power, kW; is the control signal, which ranges from 0 to 1; and , , and are coefficients related to the control signal and the power consumption.
- (6)
- Photovoltaic System
The PV module is based on the Type 103 PV generator component in TRNSYS. The component can accurately simulate the electrical behavior of both monocrystalline and polycrystalline PV panels. The current–voltage properties can be predicted using the empirical equivalent circuit model (ECM, including a DC power source, a diode, and a resistor). The solar radiation has an impact on the power source’s power intensity, and the temperature affects the diode’s IV characteristics. The predictions for the behavior of a multi-module array are based on the results obtained from a single module’s ECM. The ratio of the PV system’s output power to the solar radiation is the conversion efficiency.
- (7)
- Hot Water Tank
There are two hot water tanks with a volume of 500 m3 in this model. The hot water tank (constant volume liquid storage tank component, Type 158 in TRNSYS) was modeled in the simulation model to store the heat recovered from return chilled water by the water source heat pump. The heat water tank model is a cylindrical tank and has up to two inlets and two outlets. The heat dissipation through tank boundaries (top, bottom, and edges of tank) was calculated in this model. The tank is divided into several isothermal nodes in vertical direction to simulate the stratification caused by density difference of water in hot water tank.
The water temperature in tank can be calculated by
where Qin represents the heat carried by inlet fluid, which is related to inlet fluid temperature and flow rate, kW; Qout is the heat carried out by fluid and heat dissipated to environment through tank boundaries, kW; and Ctank is the specific heat capacity of liquid in the tank, J/kg/K.
2.4. Simulation Model
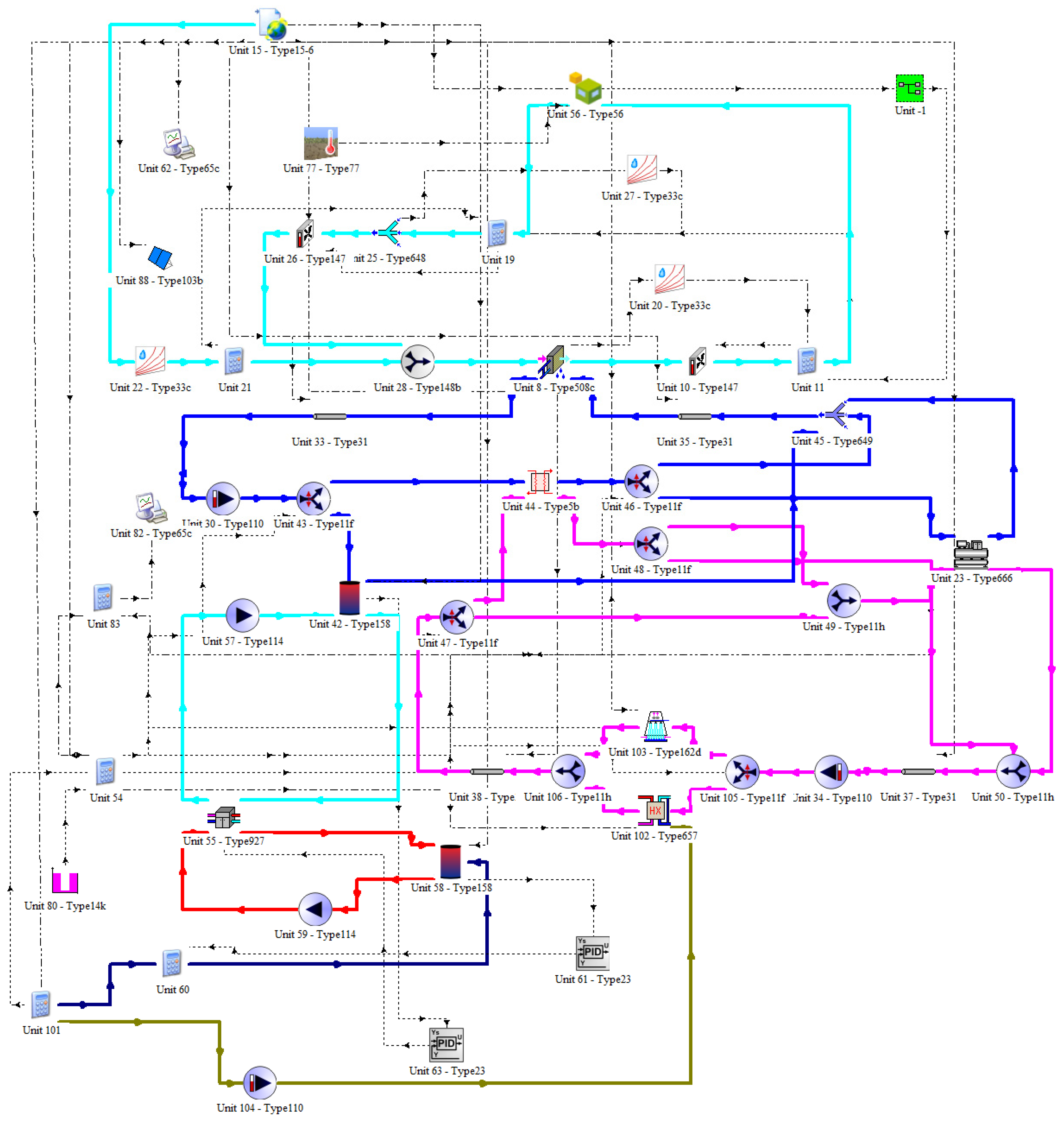
According to the system principles and operation strategies, the simulation platform for the data center energy system is built by various equipment modules mentioned before, along with the system control logic through TRNSYS [26]. The operational characteristics of various energy-saving technologies can be mirrored. Meanwhile, the energy consumption can be simulated. The time step of simulation is 5 min. As shown in Figure 10, the dotted lines indicate the control logic and the dashed lines mean the output. The solid lines represent the real fluid path, where light blue represents indoor air circulation, dark blue represents chilled water circulation, and purple represents cooling water circulation. The main equipment and TRNSYS types of simulation model in Figure 10 are shown in Table 3.
Figure 10.
Simulation model of hybrid renewable energy system in a data center.
Table 3.
Main equipment and TRNSYS types of simulation model.
2.5. Model Validation
After establishing a simulation model, it is critical to ensure its reliability and accuracy. Since measured data are difficult to obtain, an effective approach is to validate at the component level, especially for data centers where core components such as chillers and cooling towers have a decisive impact on overall performance. In this paper, the experimental data from Ref. [27] are used to perform the validation, and the validation results of cooling tower and chiller are shown in Table 4 and Table 5, respectively. For the chiller validation, the chilled water setting temperature, the chilled water flow rate, and the cooling water flow rate are 7 °C, 201.1 L/s, and 234.2 L/s, respectively. The maximum relative error is 7.32%, and the average relative error is 3.02%. Therefore, the simulation model established in this paper can be used with confidence. In Table 4 and Table 5, Tch_in, Tco_in, Twet_bulb, and Ttower_in, respectively, represent chilled water inlet temperature, cooling water inlet temperature, wet bulb temperature, and cooling tower inlet temperature, °C; qtower is flow rate of cooling tower, m3/s; and Er is relative error, %.
Table 4.
Validation results for cooling tower.
Table 5.
Validation results for chiller.
3. Results and Discussion
3.1. System Energy Consumption
The energy consumption statistics in the system are shown in Figure 11. It can be observed that the total annual energy consumption of the data center cooling system is 4,774,289.60 kWh. It is noted that the energy consumption is lower in winter compared to summer, and both winter and summer energy consumptions remain relatively stable. The main factor is the energy consumption of the chiller. In winter, when the outdoor temperature is low, the system operates in fully natural cooling mode or partial natural cooling mode, significantly reducing the operating energy consumption of the chiller, which achieves energy savings for the system.
Figure 11.
Monthly energy consumption.
Among the components in the system, the chiller and fans are the most energy-consuming parts. The fan consumption is correlated with the cooling load in the data center. Given a constant heat dissipation from internal equipment in the data center, the fan energy consumption remains relatively stable throughout the year. However, the energy consumption of the chiller exhibits a clear seasonal trend. In winter, when natural cooling sources can be utilized, the energy consumption of the chiller significantly decreases, leading to a reduction in overall system energy consumption.
The system employs variable frequency control for both water pumps and fans. When using fixed frequency water pumps and fans, the system’s energy consumption is 5,709,714.145 kW. Compared to this, the energy-saving rate of the variable frequency system reaches 16.38%.
The operation hours in different modes are shown in Figure 12. Throughout the year, the fully natural cooling mode runs for 813.45 h, accounting for 9% of the total annual operating time. The partial natural cooling mode runs for 1585.3 h, representing 18% of the total annual operating time. Meanwhile, the mechanical cooling mode operates for 6361.25 h, constituting 73% of the total annual operating time. Influenced by the climate conditions in Guangzhou, the time available for using natural cooling sources is concentrated in winter, leading to significantly lower system energy consumption during winter compared to summer.
Figure 12.
Operating hours in different modes.
3.2. System Cooling Capacity
The cooling capacity of the system is illustrated in Figure 13. The required cooling capacity of the system is provided through three different methods: mechanical cooling by chiller, natural cooling system through plate heat exchangers, and the winter waste heat recovery system. The total annual cooling capacity of the system is 22,155,355.77 kWh. Among these, the cooling capacity provided by the natural cooling system is 2,596,604.95 kWh, accounting for 12% of the total cooling capacity. The cooling capacity absorbed by the waste heat recovery system is 3,576,348.14 kWh, representing 16% of the total cooling capacity. The remaining 72% cooling capacity is provided by the mechanical cooling system, which is 16,017,008.91 kWh. It was found that by using the natural cooling system and the data center waste heat recovery system, a total of 28% free cooling is achieved, thereby reducing the energy consumption.
Figure 13.
Monthly cooling capacity.
3.3. Waste Heat Recovery System
The waste heat recovery system operates only during winter, recovering part of the heat from the data center to meet the heating needs of auxiliary rooms and supply domestic hot water. During the operation of the waste heat recovery system, the heat pump absorbs a total of 3,575,709.597 kWh of heat from the data center. This recovered heat can provide available heating energy of 4,587,711.45 kWh. The temperature variation in the thermal storage tank throughout the year is shown in Figure 14. During winter, it can consistently provide hot water at 45 °C. In summer, when the heat pump is turned off, the temperature in the thermal storage tank gradually decreases, but it can still maintain the outlet water temperature at around 30 °C.
Figure 14.
Temperature of the waste heat recovery water tank.
3.4. System Electricity Balance
The electricity generation statistics for the PV system are shown in Figure 15. The electricity generation of the PV system remains relatively consistent across different months. The total annual electricity consumption of the system is 4,774,289.60 kWh, and the distribution corresponds to the energy consumption pattern. The PV electricity generation is 368,712.07 kWh, accounting for 7.72% of the total electricity consumption. The remaining electricity is supplemented by the municipal power grid. The electricity generation of the PV system is constrained by the area of the PV panels. In this study, a rooftop PV system is employed, consisting of 714 monocrystalline silicon PV panels with a total area of 1845.26 m2. The peak efficiency of the panels is 21%, and the installed capacity is 392.7 kW. The data center operates as a load-type virtual power plant. PV electricity generation is solely used for its own electricity consumption and is not sold to the grid.
Figure 15.
Hourly electricity consumption and PV generation. (a) Hourly statistics. (b) Monthly statistics.
According to the electricity consumption in the municipal power grid and based on the commercial electricity price in Guangzhou, the electricity expenses of the system are calculated, as shown in Figure 16. The results indicate that the total annual electricity expenses of the system are CNY (Chinese Yuan) 3.638 million. In comparison, for a data center that uses fixed-frequency fans and pumps without a PV system, the annual electricity expenses are CNY 4.752 million. This represents a saving of CNY 1.114 million in electricity expenses, accounting for 23.45% of the original electricity expenses.
Figure 16.
Daily and monthly electricity expenses. (a) Daily statistics. (b) Monthly statistics.
3.5. System Energy Efficiency
The energy efficiency is shown in Figure 17. The average COP of the chiller throughout the year is 9.75. The overall average COP of the system for the entire year is 4.64. In contrast, when using fixed-frequency pumps, the annual system COP is only 3.88.
Figure 17.
Monthly energy efficiency.
The cooling load factor (CLF) of the system is calculated by the following formula:
The formula for calculating the Power Usage Effectiveness (PUE) of a data center is as follows:
where is the energy consumption of computers in cooling system; is the total electrical energy consumption of the data center; is the electrical energy consumption of the IT equipment; PLF is the power load factor.
It is found that compared to the data center using fixed-frequency fans and pumps without a PV system, the CLF decreases from 0.26 to 0.22. After removing the energy saved by the PV system, the PUE declines from 1.36 to 1.30 (with a PLF of 0.1).
4. Conclusions
The data center is a notable energy consumer in the power grid. However, the integration of hybrid renewable energy systems has improved the energy structure of data centers. In this study, the energy consumption of the hybrid renewable energy system in a data center is modeled and analyzed. The following are the main conclusions:
- (1)
- In terms of energy consumption, the use of a natural cooling system and waste heat recovery system enables a portion of the required cooling for data centers to be obtained for free. This proportion is closely related to outdoor meteorological parameters, and it will further decrease when the outdoor air temperature or the water temperature is lower.
- (2)
- Compared to the reference condition, the proposed hybrid renewable energy system achieves significant energy-saving benefits. The system COP increases, and the PUE decreases, resulting in the reduction in electricity expenses. Efficient cooling equipment under partial loads is required to reduce the energy consumption of the cooling system. In addition to the cooling system and IT equipment, data center energy consumption also includes auxiliary facilities such as the power supply and distribution system and the lighting system. Improving the energy efficiency of those facilities and reducing their proportion in the total energy consumption can further reduce the PUE.
- (3)
- During the operation of the waste heat recovery system, the heat pump can absorb heat from the data center and provide heating energy for users. As the demand for heating increases, more heat can be recovered from the data center.
- (4)
- The rooftop PV system can generate electricity to supply the data center. The area of the PV system in the study is limited by the roof area. In actual projects, measures such as increasing the scale of PV systems—and coupling with wind power, hydropower, etc.—can be taken to increase the proportion of renewable energy in the energy consumption, thereby achieving further energy savings.
Author Contributions
Methodology, C.Z., H.L. and Z.T.; Software, Y.L. and M.W.; Validation, Y.H.; Investigation, Y.H., R.L. and Y.L.; Resources, R.L., Y.L., H.L. and Z.T.; Data curation, M.W.; Writing—original draft, C.Z., Y.H., R.L. and Z.T.; Writing—review & editing, M.W. All authors have read and agreed to the published version of the manuscript.
Funding
This study is funded by China Yangtze Power Co., Ltd. under the contract Z342302009.
Data Availability Statement
The data presented in this study are available on request from the corresponding author. The data are not publicly available due to privacy concerns.
Conflicts of Interest
Authors Chaohui Zhou, Yue Hu, Yuce Liu, Meng Wang and Huiheng Luo was employed by the company CTG Wuhan Science and Technology Innovation Park, China Three Gorges Corporation. Author Rujie Liuwas employed by the company China Yangtze Power Co., Ltd. and Three Gorges Electric Energy Co, Ltd. The remaining authors declare that the research was conducted in the absence of any commercial or financial relationships that could be construed as a potential conflict of interest.
References
- Ma, Z.; Clausen, A.; Lin, Y.; Jørgensen, B.N. An overview of digitalization for the building-to-grid ecosystem. Energy Inform. 2021, 4, 36. [Google Scholar] [CrossRef]
- Zhang, Y.; Shan, K.; Li, X.; Li, H.; Wang, S. Research and Technologies for next-generation high-temperature data centers—State-of-the-arts and future perspectives. Renew. Sustain. Energy Rev. 2023, 171, 112991. [Google Scholar] [CrossRef]
- Masanet, E.; Shehabi, A.; Lei, N.; Smith, S.; Koomey, J. Recalibrating global data center energy-use estimates. Science 2020, 367, 984–986. [Google Scholar] [CrossRef]
- Huang, P.; Copertaro, B.; Zhang, X.; Shen, J.; Löfgren, I.; Rönnelid, M.; Fahlen, J.; Andersson, D.; Svanfeldt, M. A review of data centers as prosumers in district energy systems: Renewable energy integration and waste heat reuse for district heating. Appl. Energy 2020, 258, 114109. [Google Scholar] [CrossRef]
- Zhang, H.; Shao, S.; Xu, H.; Zou, H.; Tian, C. Free cooling of data centers: A review. Renew. Sustain. Energy Rev. 2014, 35, 171–182. [Google Scholar] [CrossRef]
- Ling, L.; Zhang, Q.; Zeng, L. Performance and energy efficiency analysis of data center cooling plant by using lake water source. Procedia Eng. 2017, 205, 3096–3103. [Google Scholar] [CrossRef]
- Du, S.; Zhang, Q.; Zou, S.; Meng, F.; Liu, L. Simulation analysis on energy consumption and economy of CPU cooling system based on loop heat pipe for data center. Therm. Sci. Eng. Prog. 2023, 45, 102115. [Google Scholar] [CrossRef]
- Xu, S.; Zhang, H.; Wang, Z. Thermal Management and Energy Consumption in Air, Liquid, and Free Cooling Systems for Data Centers: A Review. Energies 2023, 16, 1279. [Google Scholar] [CrossRef]
- Zhou, X.; Xin, Z.; Tang, W.; Sheng, K.; Wu, Z. Comparative study for waste heat recovery in immersion cooling data centers with district heating and organic Rankine cycle (ORC). Appl. Therm. Eng. 2024, 242, 122479. [Google Scholar] [CrossRef]
- Zhang, C.; Han, Z.; Dong, J.; Li, M.; Zhang, Y.; Li, X.; Wen, Z.; Wang, Q. A novel data center air conditioner and its application scheme balancing high-efficiency cooling and waste heat recovery: Environmental and economic analysis. Energy 2024, 291, 130294. [Google Scholar] [CrossRef]
- Lu, T.; Lü, X.; Välisuo, P.; Zhang, Q.; Clements-Croome, D. Innovative approaches for deep decarbonization of data centers and building space heating networks: Modeling and comparison of novel waste heat recovery systems for liquid cooling systems. Appl. Energy 2024, 357, 122473. [Google Scholar] [CrossRef]
- Ebrahimi, K.; Jones, G.F.; Fleischer, A.S. A review of data center cooling technology, operating conditions and the corresponding low-grade waste heat recovery opportunities. Renew. Sustain. Energy Rev. 2014, 31, 622–638. [Google Scholar] [CrossRef]
- Deymi-Dashtebayaz, M.; Valipour-Namanlo, S. Thermoeconomic and environmental feasibility of waste heat recovery of a data center using air source heat pump. J. Clean. Prod. 2019, 219, 117–126. [Google Scholar] [CrossRef]
- Lin, X.; Zuo, L.; Yin, L.; Su, W.; Ou, S. An idea to efficiently recover the waste heat of Data Centers by constructing an integrated system with carbon dioxide heat pump, mechanical subcooling cycle and lithium bromide-water absorption refrigeration cycle. Energy Convers. Manag. 2022, 256, 115398. [Google Scholar] [CrossRef]
- Perdigones, A.; García, J.L.; García, I.; Baptista, F.; Mazarrón, F.R. Economic Feasibility of PV Mounting Structures on Industrial Roofs. Buildings 2023, 13, 2834. [Google Scholar] [CrossRef]
- Xie, C.; Mao, H.; Cheng, N.; Ma, L.; Tian, Z.; Luo, Y.; Zhou, C.; Li, H.; Wang, Q.; Kong, W.; et al. Climate change impacts on global photovoltaic variability. Appl. Energy 2024, 374, 124087. [Google Scholar] [CrossRef]
- Deng, W.; Liu, F.; Jin, H.; Li, B.; Li, D. Harnessing renewable energy in cloud datacenters: Opportunities and challenges. IEEE Netw. 2014, 28, 48–55. [Google Scholar] [CrossRef]
- Malkamäki, T.; Ovaska, S.J. Solar Energy and Free Cooling Potential in European Data Centers. Procedia Comput. Sci. 2012, 10, 1004–1009. [Google Scholar] [CrossRef]
- Jahangir, M.H.; Mokhtari, R.; Mousavi, S.A. Performance evaluation and financial analysis of applying hybrid renewable systems in cooling unit of data centers—A case study. Sustain. Energy Technol. Assess. 2021, 46, 101220. [Google Scholar] [CrossRef]
- Guizzi, G.L.; Manno, M. Fuel cell-based cogeneration system covering data centers’ energy needs. Energy 2012, 41, 56–64. [Google Scholar] [CrossRef]
- Little, A.B.; Garimella, S. Waste Heat Recovery in Data Centers Using Sorption Systems. J. Therm. Sci. Eng. Appl. 2012, 4, 021007. [Google Scholar] [CrossRef]
- Zachary Woodruff, J.; Brenner, P.; Buccellato, A.P.C.; Go, D.B. Environmentally opportunistic computing: A distributed waste heat reutilization approach to energy-efficient buildings and data centers. Energy Build. 2014, 69, 41–50. [Google Scholar] [CrossRef]
- Chen, D.; Ma, Y.; Zou, A. A survey of data center load scheduling based on renewable energy consumption. Comput. Eng. Sci. 2023, 45, 790–801. [Google Scholar]
- Xu, M.; Buyya, R. Managing renewable energy and carbon footprint in multi-cloud computing environments. J. Parallel Distrib. Comput. 2020, 135, 191–202. [Google Scholar] [CrossRef]
- Khosravi, A.; Nadjaran Toosi, A.; Buyya, R. Online virtual machine migration for renewable energy usage maximization in geographically distributed cloud data centers. Concurr. Comput. Pract. Exp. 2017, 29, e4125. [Google Scholar] [CrossRef]
- Zeng, Q.; Li, L.; Chen, X.; Tian, Z.; Mao, H.; Luo, Y.; Zhou, C.; Fan, J. Techno-economic performance and optimization of a large solar district heating system with pit storage under Tibetan Plateau climate conditions. Energy 2025, 315, 134449. [Google Scholar] [CrossRef]
- Hui, T. Simulation and Parameter Analysis of Water-Side Free Cooling system in Data Center. Master’s Thesis, Hunan University, Changsha, China, 2018. (In Chinese). [Google Scholar]
Disclaimer/Publisher’s Note: The statements, opinions and data contained in all publications are solely those of the individual author(s) and contributor(s) and not of MDPI and/or the editor(s). MDPI and/or the editor(s) disclaim responsibility for any injury to people or property resulting from any ideas, methods, instructions or products referred to in the content. |
© 2025 by the authors. Licensee MDPI, Basel, Switzerland. This article is an open access article distributed under the terms and conditions of the Creative Commons Attribution (CC BY) license (https://creativecommons.org/licenses/by/4.0/).
















