Next Article in Journal
Thermal Performance Improvement of Foam Mortar with Calcined Marl Blended Cement
Previous Article in Journal
Drop Hammer Impact Test on Concrete Well Walls After Combined Action of Compressive Load and Sulfate Erosion
 
 
Font Type:
Arial Georgia Verdana
Font Size:
Aa Aa Aa
Line Spacing:
Column Width:
Background:
Article

Experimental Study on Seismic Behavior of Novel Prefabricated RC Joints with Welded Cover-Plate Steel Sleeve and Bolted Splice

1
Institute of High Performance Engineering Structure, Wuhan University of Science and Technology, Wuhan 430065, China
2
School of Civil Engineering, Wuhan University, Wuhan 430072, China
*
Authors to whom correspondence should be addressed.
These authors contributed equally to this work.
Buildings 2025, 15(24), 4579; https://doi.org/10.3390/buildings15244579
Submission received: 10 November 2025 / Revised: 10 December 2025 / Accepted: 13 December 2025 / Published: 18 December 2025
(This article belongs to the Section Building Structures)

Abstract

In order to ensure the structural safety and serviceability of existing reinforced concrete (RC) structures, there is a compelling need to develop efficient techniques for the rapid replacement of damaged RC beams within strong-column–weak-beam structural systems. This study introduces a novel prefabricated RC beam with welded cover-plate steel sleeve and bolted splice designed to facilitate accelerated replacement and enhance construction efficiency. The proposed beam is connected to cast-in-place RC columns, forming a prefabricated novel prefabricated RC joint with a welded cover-plate steel sleeve and a bolted splice; this configuration contrasts with conventional monolithic RC joints, which are formed by integrally casting beams and columns. The assembly speed of the prefabricated system markedly surpasses that of its cast-in-place counterpart, and the resulting beam–column system is fully demountable. Finite element simulations of the novel prefabricated RC joint with welded cover-plate steel sleeve and bolted splice, performed using ABAQUS, identified the thickness of the welded end-plate as a pivotal parameter influencing the joint’s mechanical behavior. Accordingly, quasi-static tests were carried out on three novel prefabricated RC joints with welded cover-plate steel sleeves and bolted splices and one cast-in-place RC joint, with the welded end-plate thickness serving as the primary test variable. The failure patterns, hysteretic responses, energy dissipation capacity, ductility, and stiffness degradation were systematically analyzed. Experimental findings indicate that increasing the end-plate thickness effectively improves both the peak load-bearing capacity and the ductility of the joint. All prefabricated specimens exhibited fully developed spindle-shaped hysteresis loops, with ductility coefficients ranging from 3.47 to 3.64 and equivalent viscous damping ratios exceeding 0.13. All critical seismic performance metrics either met or exceeded those of the reference cast-in-place RC joint, affirming the reliability and superior behavior of the proposed novel prefabricated RC joints with welded cover-plate steel sleeves.

1. Introduction

The seismic performance of reinforced concrete (RC) structures largely depends on the effective implementation of the strong-column–weak-beam structural system [1]. This design philosophy aims to concentrate nonlinear deformations and energy dissipation in the beams [2], thereby protecting vertical load-bearing components and maintaining overall structural stability [3]. However, post-earthquake observations reveal that under severe seismic actions [4], RC beams often suffer significant damage first [5], leading to loss of structural functionality [6]. In conventional cast-in-place systems, repairing damaged beam components typically requires extensive removal and recasting—a process that is not only time-consuming and costly but also severely disrupts building occupancy [7]. Therefore, the development of new structural systems that combine excellent seismic resistance with rapid reparability has become an important research direction for enhancing structural resilience.
In addition, prefabricated demountable structural systems have shown considerable promise. The bolted connections have gained widespread attention due to their ease of construction and disassembly. Ertas et al. [8] demonstrated through comparative studies that bolted connections outperform welded ones in terms of strength, ductility, and energy dissipation. Abidelah et al. [9] revealed that stiffeners enhance the flexural capacity and initial stiffness of connections, though often at the expense of ductility. Ding et al. [10] systematically examined the sensitivity of joint behavior to parameters such as bolt strength and axial compression ratio. Furthermore, Wang et al. [11] developed an innovative joint configuration, Nzabonimpa et al. [12] proposed end-plate strengthening strategies, Wu et al. [13] investigated hybrid connection systems, and Li et al. [14] explored reinforcement optimization techniques. Despite these advances, existing solutions often struggle to balance constructability with structural performance when pursuing full prefabrication [15,16,17]. In particular, systematic investigations that organically integrate the robustness of welded components with the assembly efficiency of bolted connections remain scarce [18,19], which considerably limits their application in high-seismic regions. Compared to traditional connection designs in the literature, the differences between the typical designs of the cover plate-sleeve bolt connection joints proposed in this paper—such as fully bolted, wet-connected, or socket-type joints—are shown in Table 1.
Therefore, this study proposes a novel prefabricated RC joint with a welded cover-plate steel sleeve and a bolted splice. The system enables rapid assembly and disassembly of the beam–column system by connecting a cover-plate steel sleeve pre-welded to the beam end with embedded components in the column using a bolted splice [20,21]. It is noteworthy that the welded cover-plate not only enhances the stiffness of the connection zone but also provides an effective path for force transfer. Liu et al. [22,23] confirmed that bolted connections can effectively improve joint ductility. Previous numerical studies have provided valuable insights for the joint design [24]. Zhu et al. [25] developed hysteretic models that offer a theoretical basis for performance evaluation, and parametric studies by Wang et al. [26]. Rumman et al. [27] identified the influential role of design parameters such as end-plate thickness. Based on these foundations, this study identifies the thickness of the welded end-plate as a key design parameter governing the mechanical behavior of the proposed joint.
To systematically validate the proposed concept and thoroughly investigate the seismic performance of the novel prefabricated RC joint with welded cover-plate steel sleeve and bolted splice, an integrated research program combining numerical simulation and experimental testing was implemented. First, a finite element model developed in ABAQUS was employed for preliminary parametric analysis, which confirmed the thickness of the welded end-plate as the primary variable. Subsequently, quasi-static tests were conducted on three novel prefabricated RC joints with welded cover-plate steel sleeves and bolted splices with varying end-plate thicknesses, along with one cast-in-place RC joint. The experimental study focused on a comprehensive analysis of failure mechanisms, hysteretic behavior, energy dissipation capacity, ductility, and stiffness degradation. The results verify whether the comprehensive performance of the proposed joint meets or exceeds that of cast-in-place RC systems and provide design recommendations to support practical engineering applications.

2. Experimental Progress

2.1. Specimens Designed

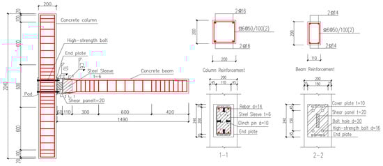
This study designed a novel prefabricated RC joint with a welded cover-plate steel sleeve and bolted splice, and systematically evaluated its seismic performance. As illustrated in Figure 1, the joint was fabricated and assembled in two distinct stages. During the prefabrication phase, the steel sleeve, end plate, connection plate, and studs were welded into an integral steel skeleton under factory conditions [28]. To ensure composite action between the steel sleeve and RC, longitudinal beam rebars were bent and welded to the inner wall of the sleeve before the beam concrete was cast. In the column, a positioning plate guaranteed the accurate alignment of PVC tubes, forming precise bolt channels [20]. During on-site assembly, the precast beam and column were connected using high-strength bolts and washer plates, with a torque wrench applied to induce pretension in the bolts, thereby enhancing the interface pressure [18]. Finally, two 10 mm thick cover plates were symmetrically welded to the end plate and steel sleeve to improve the flexural capacity and structural integrity of the joint.

2.2. Theoretical Design

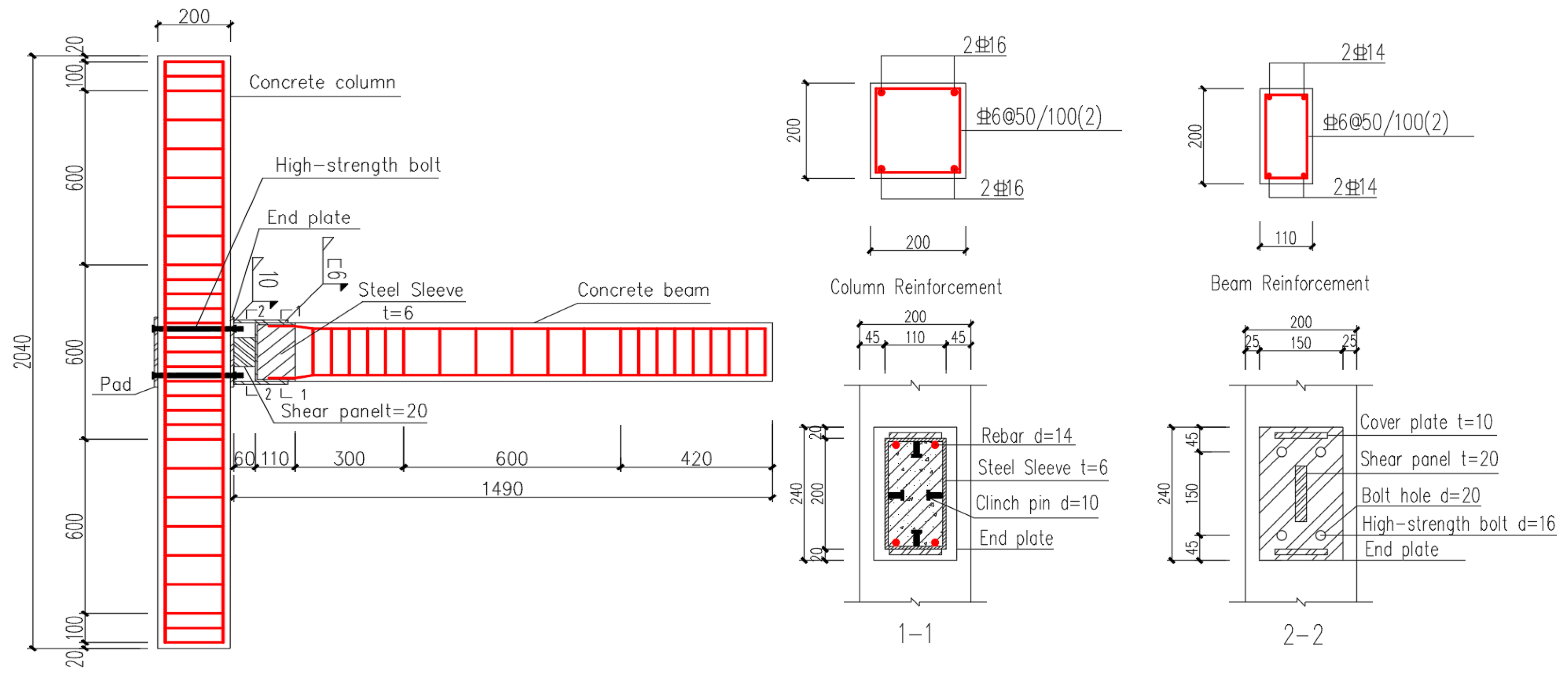
This investigation examines a typical intermediate-story exterior joint representative of moment-resisting frame structures. Four large-scale specimens were designed and fabricated, comprising three novel prefabricated RC joints with welded cover-plate steel sleeve and bolted splice and one cast-in-place RC joint. All specimens maintained identical longitudinal reinforcement configurations and were constructed at a geometric scale of 0.5:1 [12]. The experimental model in this study was designed based on the Cauchy scaling method, which is central to seismic testing. However, it must be clarified that scaled models inevitably possess inherent constraints related to scaling: On the one hand, local core components at joints (such as high-strength bolts and reinforcement anchorage segments) are constrained by the dimensional limitations of engineering materials and manufacturing processes, making it difficult to achieve exact geometric scaling. On the other hand, concrete itself exhibits significant size effects, with its strength, ductility, and fracture characteristics showing systematic variations with member dimensions. This may consequently affect the consistency of mechanical responses between the model and the prototype. The beam and column cross-sections measured 110 mm × 200 mm and 200 mm × 200 mm, respectively. The concrete mixture targeted the C30 strength grade, while HRB400-grade steel served as longitudinal reinforcement [12]. Transverse reinforcement consisted of 6 mm diameter two-legged stirrups, with all structural steel components fabricated from S355JR-grade material [17]. The effective length of the beam was set to 1400 mm.
The beam reinforcement and bolted connections were designed in accordance with Chinese design codes. Specifically, the beam reinforcement was calculated following the Code for Design of Concrete Structures (GB/T 50010-2010) [28], and the bolted connections were designed based on the Code for Design of Steel Structures (GB 50017-2017) [29]. For the beam reinforcement design, the balanced reinforcement condition corresponding to ξ = ξb = 0.518 was adopted [30]. The required area of reinforcement was then determined using Equation (1), derived from the force equilibrium conditions of the beam cross-section.
α 1 f c b x b = f y A s x b = ξ b h 0
where α1 denotes the equivalent rectangular stress block factor; fc represents the design value of concrete axial compressive strength; b refers to the beam section width; xb is the depth of the balanced compression zone; fy indicates the design tensile strength of reinforcement; As stands for the cross-sectional area of longitudinal tensile reinforcement; ξb refers to the relative depth of the balanced compression zone; and h0 designates the effective depth of the section.
According to the Code for Design of Concrete Structures (GB/T 50010-2010) [28], the following design values were adopted: α1 = 1.0 was used for concrete with strength grade not exceeding C50; the design compressive strength of C30 concrete was taken as fc = 14.3 MPa; and the design tensile strength of HRB400 reinforcement was specified as fy = 360 MPa. The beam width was b = 110 mm, and the relative depth of the balanced compression zone was ξb = 0.518. The effective depth was calculated as h0 = 200 − ax, where ax represents the distance from the centroid of tensile reinforcement to the extreme tensile fiber of the section.
Based on the above parameters, the required theoretical area of longitudinal tensile reinforcement was calculated as As = 373.5 mm2. In the final design, two 14 mm diameter HRB400 bars were selected, providing a total area of As = 307.8 mm2. The corresponding reinforcement ratio was subsequently evaluated using Equation (2).
ρ = A s b h 0 ρ > ρ min h h 0
where ρ represents the reinforcement ratio and ρmin denotes the minimum reinforcement ratio specified by the design code. The calculated reinforcement ratio is ρ = 1.68%, which exceeds the required minimum value of ρmin = 0.2%. This result confirms that the theoretical design satisfies the requirements of the beam section.
The shear force in the beam was determined based on the flexural capacity derived from Equations (1) and (2), using the moment equilibrium theory expressed in Equation (3).
M u = f y A s ( h 0 x b / 2 ) α 1 f c b x b = f y A s M u = P L
where Mu denotes the flexural capacity of the normal section, P represents the resulting shear force, and L refers to the effective span of the beam. Hence, the calculated shear force was P = 13.1 kN.
The theoretical design for the maximum bolt tension, as well as the design shear and tensile resistances of individual friction-type bolts, was conducted in accordance with the Code for Design of Steel Structures (GB 50017-2017) [29], as specified in Equations (4)–(6). The capacity of the entire bolt group was then evaluated using the linear interaction formula given in Equation (7).
N 1 M u = M y 1 m y i 2
N v b = 0.9 κ n f μ P
N t b = 0.8 P
N v N v b + N t N t b 1
where M denotes the design bending moment acting on the centroid of the bolt group; yi represents the distance from any bolt to the center of rotation of the bolt group; κ is the hole type coefficient, typically taken as 1.0 for standard holes; nf refers to the number of friction surfaces; μ is the slip factor of the friction interface, the value of which depends on the surface treatment method; P indicates the design preload of a high-strength bolt; Nv is the design shear force acting on a single bolt; and Nt represents the design tensile force carried by an individual bolt.
The novel prefabricated RC joints with welded cover-plate steel sleeves and bolted splices were designed using four M16-Grade 10.9 high-strength friction-grip bolts, as determined by Equations (4)–(7). Figure 2 shows the geometry and configuration of the specimen.

2.3. A Pivotal Parameter Selected Based on ABAQUS Software

In recent years, the pivotal parameters influencing the behavior of prefabricated beam-column joints have been extensively investigated. Brunesi et al. [30] elaborated on the modeling of bolt heads and seat angle components, whereas Zhou et al. [31] proposed several prestressed concrete joint configurations and performed parametric studies on joint detailing. These studies offer valuable references for implementing finite element analysis in this context.
In this article, simulation modeling and analysis were carried out using ABAQUS 2024 software. Concrete employs a plastic damage model, while steel utilizes a double-bend stress–strain model. Concrete, bolts, and steel connectors were discretized using C3D8R solid elements [32], and reinforcing bars were modeled with T3D2 truss elements, which were embedded into the concrete via the built-in “embedded” constraint. For contact interactions between components, surface-to-surface contact was adopted, with a “hard contact” formulation in the normal direction and a “penalty” friction formulation in the tangential direction, assuming a friction coefficient of 0.4 [29]. Components welded at the joints were connected using the “tie” constraint. Establish reference points RP-1, RP-2, and RP-3 in the finite element model, and establish coupling constraints with the loading surfaces at the column base, column top, and beam end, respectively. Specifically: Coupling reference point RP-1 at the column base releases only the in-plane rotational degrees of freedom, with all other degrees of freedom constrained. Coupling reference point RP-2 at the column top applies a constant axial pressure, with constraints allowing only vertical displacement and in-plane rotation. Coupling reference point RP-3 at the beam end applies a reciprocating load, releasing only the in-plane rotational degrees of freedom while keeping all others fixed. The obtained finite element boundary conditions and model are shown in Figure 3. Given that end plates play a critical role in governing joint rotational stiffness and cover plates enhance joint strength, the end plate thickness was chosen as the primary simulation variable. The correlation between reinforcement yield displacement and end plate thickness is presented in Figure 3. The yield displacement of test specimens and simulated specimens is shown in Table 2. Set the mesh size of beam-column members to 40 mm, keeping all other variables constant. With the mesh size of steel joints as the sole variable, the variation pattern of load-bearing capacity with changes in steel joint mesh size is shown in Figure 4. The curve exhibits a rapid rise followed by a gradual approach to stability. When the grid size ranges between 7 and 3 mm, the process enters a stable convergence phase where the curve flattens out. All computational results meet the convergence criteria. After balancing computational accuracy and numerical simulation efficiency, a grid size of 5 mm was ultimately selected.
Specimens with varying end-plate thicknesses exhibited comparable load levels at reinforcement yielding. However, differences in end-plate thickness led to notable variations in the corresponding yield displacements. As illustrated in Figure 3, the 8 mm end plate corresponds to a stage where yield displacement is relatively sensitive to thickness change. The 10 mm thickness marks a critical transition in structural behavior, whereas the 12 mm end plate represents a stabilized phase in which performance plateaus following stiffness saturation. Increasing the end-plate thickness improves the initial linear stiffness of the joint, reduces the rotation angle of the core region, and enhances overall deformation capacity. Based on these observations, joints with end-plate thicknesses of 8 mm, 10 mm, and 12 mm were selected as experimental specimens. Comparative tests on these configurations elucidate the influence of end-plate thickness on joint performance. The pivotal parameters of the test specimens are summarized in Table 3.

2.4. Material Properties

C30 concrete was specified for all specimens. The material properties of the concrete were evaluated in compliance with the Standard for Test Methods of Concrete Physical and Mechanical Properties (GBT50081-2019) [33]. Three 150 mm × 150 mm × 150 mm concrete cubes were tested under uniaxial compression, yielding an average compressive strength of 31.6 MPa. The reinforcing bars and steel plates were subjected to uniaxial tension following the Tensile Testing Method for Metallic Materials (GB/T 228.1-2021) [34]. The resulting mechanical properties are provided in Table 4.

2.5. Loading Setup and Protocol

The test utilized a horizontal column loading scheme, in which quasi-statically applied cyclic loads were imposed on the specimens. The overall experimental setup is illustrated in Figure 5. After the prefabricated beams and columns were assembled on the foundation beam, they were securely fastened using anchor bolts and clamps, resulting in a pinned connection condition at the column ends. The servo actuator and clamping devices were anchored to both ends of the beam via anchor bolts, forming an integrated loading system. The total beam length was 1500 mm, with the loading point located 1300 mm from the beam-column joint, thereby simulating a flexural failure mechanism at the node.
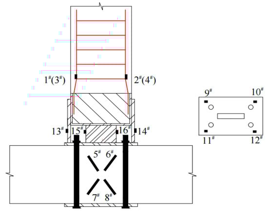
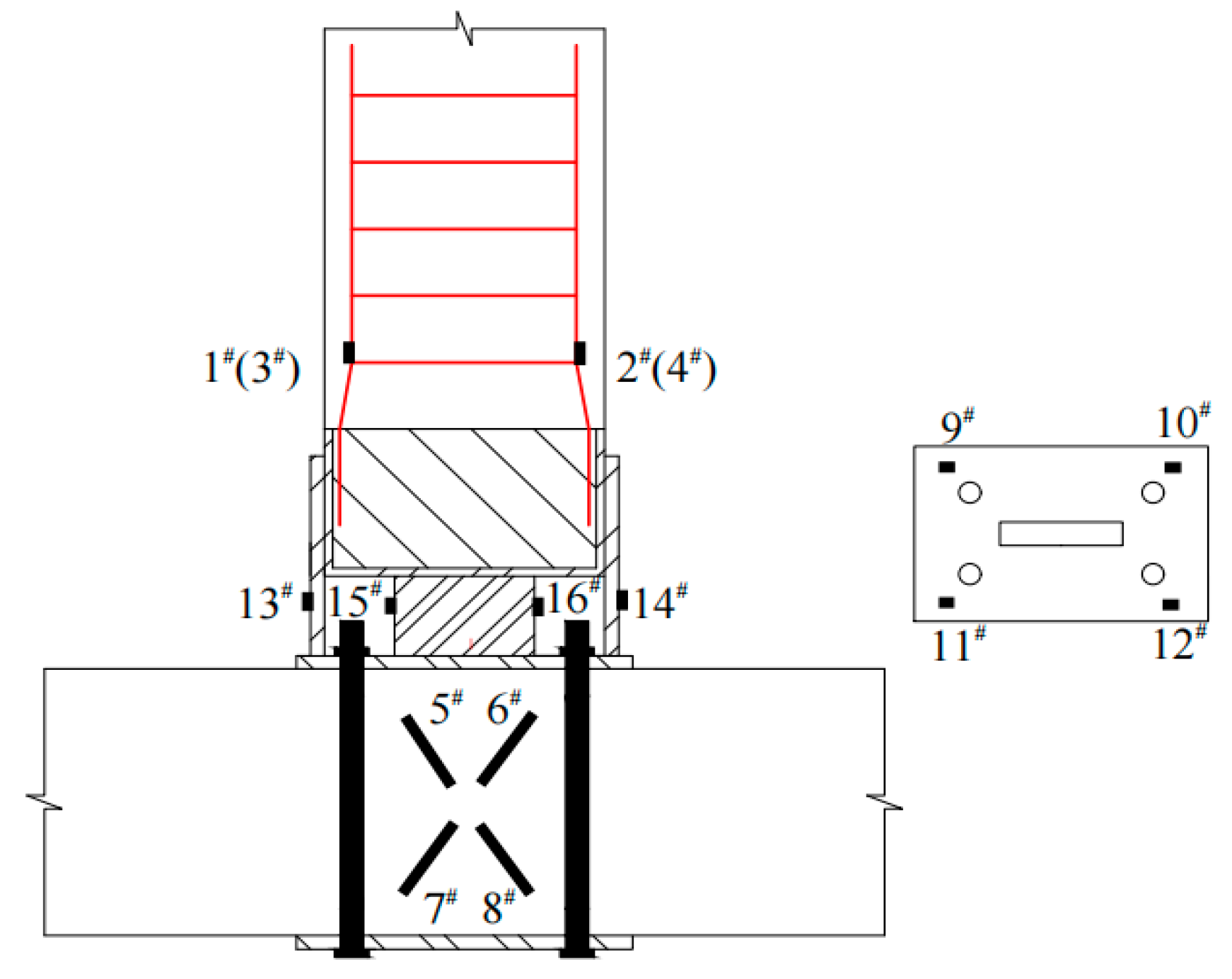
A hydraulic jack applied a constant axial force of 171.6 kN at the center of the left column end, corresponding to an axial compression ratio of 0.3. The loading protocol followed the Specification for Seismic Test of Buildings (JGJ/T 101-2015) [35]. A displacement-controlled horizontal reciprocating load, based on inter-story drift angle, was applied to the right end of the beam through an actuator. Each displacement level was repeated for three cycles, as detailed in the loading history shown in Figure 6. The test was terminated when either of the following criteria was met: (1) the load-carrying capacity of the specimen dropped to 85% of its peak value, or (2) significant concrete spalling or reinforcement exposure occurred. In addition, strain gauges were installed on the beam reinforcement, steel sleeves, and column surfaces to monitor strain evolution in the joint region. Specific instrumentation layouts are provided in Figure 7.

3. Analysis of Experimental Results

3.1. Failure Phenomena

A 40 mm × 40 mm grid was marked on the novel prefabricated RC beams of all four specimen groups using a chalk line to facilitate observation of crack development. In this test, compression applied by the servo actuator was defined as “positive” and tension as “negative.” Strain data analyzed in this study were obtained from the right end face of the beam, as summarized in Table 4. Strain points 2# and 4# correspond to the reinforcement at the right end, while point 14# is located on the cover plate. Based on actual mechanical tests of the steel materials, the yield stress of the reinforcing bars was determined to be 410 MPa, and that of the steel plate was 361 MPa.
For specimen XJ, fine cracks initiated near the beam-column joint during the first cycle at +3.5 mm displacement. Under ±14 mm loading, transverse flexural cracks continued to develop on the right surface of the beam, and existing cracks at the joint widened progressively. At 14.6 mm displacement, longitudinal reinforcement bars 2# and 4# reached yield strains of 2073 με and 2042 με, respectively, marking the yielding of the specimen. During the first cycle at ±56 mm, the load-bearing capacity began to decline. By the second cycle under −56 mm loading, the capacity dropped below 85% of the ultimate value, leading to termination of the test. The failure pattern of specimen XJ is illustrated in Figure 8a.
During the initial loading stage, the crack initiation and propagation behavior of the prefabricated joint specimens were consistent with that of the cast-in-place specimen. This was primarily characterized by fine flexural cracks in the tension zone near the beam ends. At this stage, the specimens remained in the elastic range, with no significant damage observed in the steel end plates, steel sleeves, or welds. At ±14 mm loading, slight warping was observed in the end plate of specimen JD-1. In specimen JD-2, curved diagonal cracks developed and extended downward from existing cracks, eventually forming intersecting crack patterns. Multiple transverse cracks appeared at the interface between the steel sleeve and the beam.
Specimen JD-1 reached a displacement of 15.7 mm, at which longitudinal reinforcement bars 2# and 4# attained strains of 2059 με and 2083 με, respectively. For JD-2, the corresponding reinforcement yields occurred at 14.9 mm, with strains of 2067 με and 2034 με for bars 2# and 4#, respectively. In JD-3, yielding was observed at 14.5 mm, with strains of 2058 με and 2072 με in bars 2# and 4#, respectively. All three specimens thus reached their yield strain and entered the yielding phase. At ±21 mm loading, cracks initiated in the weld between the end plate and the rectangular steel plate in specimen JD-1. In JD-3, cracks above the steel sleeve propagated upward along the longitudinal reinforcement, forming parallel cracks and resulting in splitting failure. At ±35 mm displacement, concrete near the right steel sleeve in JD-2 began to crush and partially spall. End plate warping became more pronounced, and cracks appeared at the weld connection with the cover plate.
Under ±42 mm loading, the surface of the weld between the end plate and cover plate in JD-1 began to peel off. During the third cycle, a loud sound accompanied the fracture of the weld between the end plate and the left cover plate. In JD-3, concrete rapidly spalled on both sides of the steel sleeve, exhibiting a plastic hinge failure mechanism. During the first cycle at ±56 mm, the center of the end plate in JD-1 bulged upward, and another loud sound was heard as the weld between the right end plate and the rectangular steel plate fractured, leading to joint failure. In JD-2, concrete on both sides above the steel sleeve was crushed and detached. The failure patterns of the prefabricated joint specimens are shown in Figure 8b–d.
As presented in Table 5, the three sets of bending moments obtained from actuator thrust measurements, reinforcement stress conversion, and theoretical calculations during the elastic stage show close agreement, confirming the high reliability of both the experimental method and the theoretical model. In Table 5, 14# demonstrates that the steel sleeve remained elastic when failure occurred at the beam end, satisfying the design principle of “strong joint, weak member.” Figure 9 reveals that all specimens exhibited similar load-bearing capacities prior to yielding. After yielding, however, specimens JD-2 and JD-3 sustained higher load-bearing capacities than specimen XJ, further highlighting the advantage of the optimized end-plate design in the plastic stage.

3.2. Hysteresis Curves

Figure 10 presents the load–displacement hysteresis curves measured at the beam ends for the cast-in-place specimen and the three prefabricated specimens. The following observations can be drawn from the figure:
(1) All four specimen groups share several common characteristics. In the initial loading stage, the hysteresis loops exhibit relatively full spindle shapes with small enclosed areas and negligible residual deformation. With increasing displacement, the specimens enter the elastoplastic stage, where the hysteresis loop area expands significantly and the shape transitions from spindle-like to bow-shaped. In the later loading phase, residual deformation accumulates. Slip between reinforcement and concrete in the beam, combined with cracking in the welds connecting the end plates and cover plates, leads to noticeable pinching of the hysteresis loops. Despite this, the specimens maintain satisfactory energy dissipation capacity.
(2) During early loading, the hysteresis loops for each cycle at a given displacement level nearly coincide. As the specimens enter the elastoplastic stage, the peak load in the second and third cycles at the same displacement level becomes lower than that in the first cycle, reflecting stiffness degradation in the joint region.
(3) Compared with the prefabricated specimens, specimen XJ shows more pronounced pinching in its hysteresis loops, indicating that the prefabricated joints offer superior energy dissipation and seismic performance relative to the cast-in-place joint. Among the prefabricated specimens JD-1, which was fitted with thinner end plates than JD-2 and JD-3, exhibited a plateau in load capacity after yielding of the beam reinforcement, attributable to buckling deformation of the end plates. In contrast, JD-2 and JD-3 continued to sustain increasing load with displacement. The load capacity of JD-1 began to decline only after weld cracking and end plate failure. The thicker end plates in JD-2 and JD-3 effectively restrained local buckling, allowing a stable increase in load capacity until final failure occurred by plastic hinge formation at the beam ends. These results underscore the crucial role of end plate thickness in governing both the load-bearing behavior and failure mode of the joints.

3.3. Skeleton Curves

Figure 11 displays the skeleton curves for all specimens. Under incremental displacement loading, the load–displacement curves of all four specimen groups displayed a characteristic sigmoidal profile. Prior to reaching 14 mm displacement, the load-bearing capacity curves of all specimens were nearly identical. Beyond this point, however, their mechanical behaviors diverged markedly: JD-1, equipped with thinner end plates, experienced significant buckling deformation and weld cracking under flexural action, resulting in an average peak load 6.9% lower than that of the cast-in-place specimen XJ. In contrast, JD-2 and JD-3, which featured thicker end plates, demonstrated substantially improved deformation resistance. Both specimens maintained stable load growth under increasing displacement, achieving average peak loads that exceeded the cast-in-place specimen by 3.3% and 7.2%, respectively.
Increasing the end plate thickness enhances the displacement ductility coefficient of the prefabricated specimens. This improvement is attributed primarily to the ability of thicker plates to suppress local buckling deformation during loading, thereby reducing the occurrence of weld cracking and enhancing the overall deformability of the joint. Nevertheless, the ductility coefficients of all three prefabricated specimens remained slightly lower than those of the cast-in-place specimen XJ. Specifically, JD-1, JD-2, and JD-3 exhibited reductions in ductility coefficient of 6.5%, 3.8%, and 1.9%, respectively, relative to the cast-in-place specimen.
When subjected to negative loading up to the ultimate displacement, specimens JD-2 and JD-3 exhibited ultimate loads comparable to those of specimen XJ. This finding underscores a key practical advantage: unlike conventional cast-in-place beams, which are challenging to replace after seismic damage, the proposed prefabricated beam components offer a viable and efficient solution for post-earthquake structural replacement, providing valuable practical insights for the restoration of damaged structural elements.

3.4. Ductility

The corresponding load and displacement values at key characteristic points, as well as the displacement ductility coefficients, are summarized in Table 6. The yield displacement is defined as the beam-end displacement at the onset of reinforcement yielding, while the displacement ductility coefficient is calculated as the ratio of the ultimate displacement to the yield displacement [32], according to Equation (8). The ultimate displacement is taken as the displacement corresponding to a drop in the load-carrying capacity to 85% of the peak value.
μ = Δ μ Δ y
where μ is the ductility coefficient. Δy is the yield displacement. Δμ is the ultimate displacement.
As demonstrated in the preceding analysis, the displacement ductility coefficients of all prefabricated specimens were greater than 3.0. According to the Code for Design of Concrete Structures (GB/T 50010-2010) [28], the ductility performance of the prefabricated specimens fully complies with the code requirements and in some instances even surpasses them, which reflects their excellent deformation capacity and superior seismic behavior. With the exception of specimen JD-1, which exhibited buckling deformation and weld cracking resulting from insufficient end plate thickness, the load-carrying capacities of the remaining prefabricated specimens exceeded those of the cast-in-place specimens.

3.5. Dissipation Capacity

This study utilizes the equivalent viscous damping coefficient as the core indicator to assess and compare the energy dissipation capacity of each specimen. This coefficient is defined as a key parameter reflecting the energy dissipation capability of structural members under seismic conditions. To enhance data reliability, the first hysteresis loop at each displacement level was employed for analysis, considering the limited damage accumulation during initial cycles [35]. The computational method for the equivalent viscous damping coefficient he is depicted in Figure 12 and expressed in the accompanying Equation (9). A comparison of the equivalent viscous damping coefficient curves for all specimens is provided in Figure 13.
h e = 1 2 π S A B C D S Δ O B E + S Δ O D F
As shown in Figure 13, specimen XJ exhibits lower he values than the prefabricated specimens JD-2 and JD-3 across all displacement levels, indicating its relatively weaker energy dissipation capacity. During the early loading phase, the he values of all specimens initially decreased. After the displacement reached 14 mm, plastic damage began to develop to varying degrees in the concrete regions near the beam ends. Specifically, the steel joint in specimen JD-1 started to buckle earlier and contributed to energy dissipation, which accelerated its he growth rate and temporarily exceeded that of JD-2. As loading continued, the steel joint in JD-2 also gradually entered a buckling stage and participated in energy dissipation, eventually leading to a higher he value than JD-1. These results demonstrate that reducing the end plate thickness can induce weld cracking, which significantly impairs energy dissipation capacity. In contrast, a moderate increase in end plate thickness promotes the full development of plastic hinges at the beam ends, thereby ensuring efficient seismic energy dissipation prior to structural failure. The equivalent viscous damping coefficients of all prefabricated specimens exceeded 0.13. According to the seismic performance evaluation requirements for concrete structures specified in the Code for Seismic Design of Buildings (GB/T 50011-2010) [36], an equivalent viscous damping coefficient greater than 0.1 satisfies the fundamental technical criteria for seismic energy dissipation. The equivalent viscous damping coefficients of specimens in this study significantly exceed this threshold, indicating that such prefabricated specimens possess outstanding seismic energy dissipation capabilities. They can effectively dissipate input energy under seismic loading, demonstrating stable and superior energy dissipation performance. The energy dissipation index of the test specimen is shown in Table 7.

3.6. Stiffness Degradation

This study characterizes stiffness degradation using the tangent stiffness at the vertex of the first-cycle hysteresis loop under identical displacement levels [35], defined by Equation (10).
K i = + P i + P i + Δ i + Δ i
where Ki denotes the tangential stiffness of the specimen loaded at the i-th cycle; +Pi and −Pi represent the positive and negative peak loads in the i-th cycle, respectively; +Δi and −Δi are the displacements corresponding to the positive and negative peak loads in the i-th cycle, respectively.
The stiffness degradation behavior of all specimens is summarized in Figure 14. As shown in Figure 14, the prefabricated specimens generally exhibited superior initial stiffness compared to the cast-in-place specimen XJ. This enhancement is primarily due to the rigid constraints provided by the end plates and steel sleeves in the prefabricated joints, which effectively increase the initial lateral stiffness of the assembly. The stiffness degradation trends across all specimens followed a broadly similar pattern: during early loading, stiffness decreased rapidly owing to fine concrete cracking at the beam ends and slight bond–slip between the reinforcement and concrete. After the displacement reached 14 mm, as the specimens entered the yielding stage, the widespread yielding of internal reinforcement and progressive plastic deformation gradually decelerated the stiffness degradation rate. Throughout the loading process, specimens JD-2 and JD-3 maintained higher stiffness than specimen XJ. In contrast, JD-1, fabricated with thinner end plates, underwent pronounced local buckling. Cracking in the welds connecting the end plates and cover plates impaired the load transfer mechanism, leading to markedly accelerated stiffness degradation and ultimately resulting in overall stiffness lower than that of the cast-in-place specimen XJ.
Based on the core seismic performance characteristics revealed in this study, including joint ductility and equivalent viscous damping coefficient, this paper conducts a comparative analysis with existing research on similar prefabricated joints. Compared with the experimental test results of Zhang et al. [15], the displacement ductility coefficients of the JD-2 and JD-3 joints developed in this study both exceed 3.5, and their equivalent viscous damping coefficients both surpass 0.13. This result confirms that the joints proposed in this study significantly outperform the average level of existing similar prefabricated joint systems in terms of core seismic performance indicators.

4. Conclusions

This study has systematically investigated the seismic performance of a novel prefabricated RC beam-column joint with bolted end-plate connections, focusing on the critical role of end-plate thickness. Through integrated experimental and numerical investigations, the following principal conclusions are established.
(1) The seismic performance of the joint is critically governed by the end-plate thickness. Increasing the thickness from 8 mm to 10 mm produces substantial improvements in load-carrying capacity, ductility, and energy dissipation, primarily by suppressing local buckling and delaying weld fracture. However, further increasing the thickness from 10 mm to 12 mm yields only marginal performance gains, indicating the existence of an economically optimal design threshold.
(2) All specimens exhibited ductile beam-end flexural failure. Notably, in the prefabricated specimens, the plastic hinge formed away from the column face, located specifically above the steel sleeve, which effectively protected the joint core region. Specimens with optimized end-plate thickness (JD-2 and JD-3) achieved equivalent viscous damping coefficients of 0.137 to 0.144 and ductility coefficients of 3.57 to 3.64. These values not only satisfy standard seismic design requirements but also match or exceed the performance benchmarks set by the cast-in-place specimen. The prefabricated joints also maintained higher initial stiffness and more favorable stiffness degradation characteristics throughout the loading history.
(3) From a construction perspective, the dry-connected assembly eliminates in situ wet operations, significantly accelerates construction, and facilitates rapid post-earthquake component replacement. This constructability advantage, combined with the demonstrated structural reliability, presents a compelling solution for advancing modern seismic-resistant RC construction.
(4) This research delivers both theoretical insight and practical validation for designing high-performance prefabricated joints, confirming that a rationally selected end-plate thickness is essential for balancing structural performance, economic efficiency, and construction practicality. Subsequent research will focus on dynamic load effects, bolt grades, and axial compression ratios to further refine the design methodology.
(5) All experiments conducted at each parameter level in this study were performed using a single sample without parallel replicates. Consequently, the stability of core mechanical properties such as stiffness and ductility under identical parameter conditions could not be verified. Furthermore, no quantitative analysis or reporting of data dispersion and measurement uncertainty was performed, leaving uncertainties in the results.

Author Contributions

D.-P.W. and K.R.: Writing—original draft, Visualization, Validation, Software, Methodology, Investigation, Formal analysis, Data curation, Conceptualization. F.H. and S.P.: Writing—review and editing, Supervision, Resources, Project administration, Methodology, Investigation, Funding acquisition, Formal analysis, Conceptualization. W.W.: Software, Formal analysis. All authors have read and agreed to the published version of the manuscript.

Funding

The authors would like to acknowledge the financial support provided by the Natural Science Foundation of Hubei Province (No. 2022CFB662), State Key Laboratory of Precision Blasting and Hubei Key Laboratory of Blasting Engineering of China (No. PBSKL2022D05), Wuhan Knowledge Innovation Special Dawn Plan Project of China (No. 2023020201020403).

Data Availability Statement

The original contributions presented in this study are included in the article. Further inquiries can be directed to the corresponding authors.

Conflicts of Interest

The authors declare no conflicts of interest.

References

  1. Yu, Z.C.; Yu, B.; Li, B. Hybrid conformal prediction framework for reliable seismic failure mode identification in reinforced concrete columns. Eng. Struct. 2026, 346, 121617. [Google Scholar] [CrossRef]
  2. Jiang, L.X.; Lin, X.S.; Wu, Y.F. Numerical study of FRP-reinforced compression yielding beams with perforated and confined compression cast concrete. Structures 2025, 80, 109943. [Google Scholar] [CrossRef]
  3. Jia, S.; Zhan, D.J.; Jiang, H.; Ye, S.-D. Life-cycle seismic resilience and sustainability assessment method of reinforced concrete buildings. Structures 2025, 80, 109919. [Google Scholar] [CrossRef]
  4. Chen, W.Q.; Yang, T.; Huang, J.R.; Zhao, K. Show more. Collapse performance of composite frames utilizing perfobond rib shear connectors in frame beams. J. Build. Eng. 2025, 111, 113209. [Google Scholar] [CrossRef]
  5. Liu, Y.B.; Guo, Z.; Ding, J.H.; Wang, X.; Liu, Y. Experimental study on seismic behaviour of plug-in assembly concrete beam-column connections. Eng. Struct. 2020, 221, 111049. [Google Scholar] [CrossRef]
  6. Zhao, Z.D.; Cheng, X.W.; Li, Y.; Diao, M.; An, Y. Progressive collapse analysis of precast reinforced concrete beam-column assemblies’ with different dry connections. Eng. Struct. 2023, 287, 116174. [Google Scholar] [CrossRef]
  7. Lago, B.D.; Negro, P.; Lago, A.D. Seismic design and performance of dry-assembled precast structures with adaptable joints. Soil Dyn. Earthq. Eng. 2018, 106, 182–195. [Google Scholar] [CrossRef]
  8. Ertas, O.; Ozden, S.; Ozturan, T. Ductile connections in precast concrete moment resisting frames. PCI J. 2006, 51, 66–76. [Google Scholar] [CrossRef]
  9. Aydın, A.C.T.; Kılıç, M.; Maali, M.; Sağıroğlu, M. Experimental assessment of the semi-rigid connections behavior with angles and stiffeners. J. Constr. Steel Res. 2015, 114, 338–348. [Google Scholar] [CrossRef]
  10. Ding, K.W.; Ye, Y.; Ma, W. Seismic performance of precast concrete beam-column joint based on the bolt connection. Eng. Struct. 2021, 232, 111884. [Google Scholar] [CrossRef]
  11. Wang, H.S.; Marino, E.M.; Pan, P.; Liu, H.; Nie, X. Experimental study of a novel precast prestressed reinforced concrete beam-to-column joint. Eng. Struct. 2018, 156, 68–81. [Google Scholar] [CrossRef]
  12. Nzabonimpa, J.D.; Hong, W.K.; Park, S.C. Experimental investigation of dry mechanical beam–column joints for precast concrete based frames. Struct. Des. Tall Spec. Build. 2017, 26, e1302. [Google Scholar] [CrossRef]
  13. Wu, C.L.; Yu, S.J.; Liu, J.M.; Chen, G. Development and testing of hybrid precast steel-reinforced concrete column-to-H shape steel beam connections under cyclic loading. Eng. Struct. 2020, 211, 110460. [Google Scholar] [CrossRef]
  14. Li, S.F.; Li, Q.N.; Jiang, H.T.; Zhang, H.; Zhang, L. Experimental research on seismic performance of a new-type of R/C beam-column joints with end plates. Shock Vib. 2017, 11, 3823469. [Google Scholar] [CrossRef]
  15. Zhang, R.J.; Zhang, Y.; Li, A.Q.; Yang, T. Experimental study on a new type of precast beam-column joint. J. Build. Eng. 2022, 51, 104252. [Google Scholar] [CrossRef]
  16. Li, Z.H.; Qi, Y.H.; Teng, J. Experimental investigation of prefabricated beam-to-column steel joints for precast concrete structures under cyclic loading. Eng. Struct. 2020, 209, 110217. [Google Scholar] [CrossRef]
  17. Zhang, W.; Kim, S.; Lee, D.; Ju, H.; Dai, L.; Wang, L. Seismic performance of innovative precast dry and strong beam-column connection. J. Build. Eng. 2025, 106, 112711. [Google Scholar] [CrossRef]
  18. Elsayed, M.; Mohamed, E.H.; Hamdy, A.E.; Osman, M. Finite element analysis of beam-to-column joints in steel frames under cyclic loading. Alex. Eng. J. 2011, 50, 91–104. [Google Scholar]
  19. Elsayed, M.; Mohamed, E.H.; Hamdy, A.E.; Osman, M. Behavior of four-bolt extended end-plate connection subjected to lateral loading. Alex. Eng. J. 2011, 50, 79–90. [Google Scholar]
  20. Nzabonimpa, J.D.; Hong, W.K.; Kim, J. Nonlinear finite element model for the novel mechanical beam-column joints of precast concrete-based frames. Comput. Struct. 2017, 189, 31–48. [Google Scholar] [CrossRef]
  21. Díaz, C.; Victoria, M.; Martí, P.; Querin, O.M. FE model of beam-to-column extended end-plate joints. J. Constr. Steel Res. 2011, 67, 1578–1590. [Google Scholar] [CrossRef]
  22. Liu, X.C.; Cui, F.Y.; Zhan, X.X.; Yu, C.; Jiang, Z.Q. Seismic performance of bolted connection of H-beam to HSS-column with web end-plate. J. Constr. Steel Res. 2019, 156, 167–181. [Google Scholar] [CrossRef]
  23. Liu, X.C.; Li, B.Z.; Chen, X.S.; Zhang, Y.X.; Zhang, A.L. Seismic performance of bolted middle joint for modular steel structure. J. Constr. Steel Res. 2024, 220, 108861. [Google Scholar] [CrossRef]
  24. Wu, C.L.; Liu, X.; Pan, W.; Mou, B. Restoring force model for modular prefabricated steel-reinforced concrete column to H-shaped steel beam composite joints. J. Build. Eng. 2021, 42, 102845. [Google Scholar] [CrossRef]
  25. Zhu, Z.X.; Zhang, G.D.; Han, Q.; Li, Z.; Xu, L.; Du, X. Nonlinear hysteretic model of prefabricated pier-cap beam joint with CFST socket connection. Eng. Struct. 2025, 330, 119908. [Google Scholar] [CrossRef]
  26. Wang, J.F.; Hu, Z.H.; Guo, L.; Wang, B.; Yang, Y. Analytical performance and design of CECFST column assembled to PEC beam joint. KSCE J. Civ. Eng. 2021, 25, 2567–2586. [Google Scholar] [CrossRef]
  27. Rumman, W.; Brian, U.; Thai, H.T. Experimental and numerical behavior of blind bolted flush endplate composite connections. J. Constr. Steel Res. 2019, 153, 179–195. [Google Scholar]
  28. GB/T 50010-2010; Code for Design of Concrete Structures. National Standard of the People’s Republic of China: Beijing, China, 2024.
  29. GB 50017-2017; Code for Design of Steel Structures. National Standard of the People’s Republic of China: Beijing, China, 2017.
  30. Brunesi, E.; Nascimbene, R.; Rassati, G.A. Response of partially-restrained bolted beam-to-column connections under cyclic loads. J. Constr. Steel Res. 2014, 97, 24–38. [Google Scholar] [CrossRef]
  31. Zhou, Y.; Chen, T.P.; Pei, Y.L.; Hwang, H.-J.; Hu, X.; Yi, W.; Deng, L. Static load test on progressive collapse resistance of fully assembled precast concrete frame structure. Eng. Struct. 2019, 200, 109719. [Google Scholar] [CrossRef]
  32. Bursi, O.S.; Jaspart, J.P. Benchmarks for finite element modeling of bolted steel connections. J. Constr. Steel Res. 1997, 43, 17–42. [Google Scholar] [CrossRef]
  33. GB/T 50081-2019; Standard for Test Methods of Concrete Physical and Mechanical Properties. National Standard of the People’s Republic of China: Beijing, China, 2019.
  34. GB/T 228.1-2021; Tensile Testing Method for Metallic Materials. National Standard of the People’s Republic of China: Beijing, China, 2021.
  35. JGJ/T 101-2015; Specification for Seismic Test of Buildings. National Standard of the People’s Republic of China: Beijing, China, 2015.
  36. GB/T 50011-2010; Code for Seismic Design of Buildings. National Standard of the People’s Republic of China: Beijing, China, 2024.
Figure 1. Diagram of a novel prefabricated RC joint with welded cover-plate steel sleeve and bolted splice.
Figure 1. Diagram of a novel prefabricated RC joint with welded cover-plate steel sleeve and bolted splice.
Buildings 15 04579 g001
Figure 2. The geometry and configuration of the specimen (unit: mm).
Figure 2. The geometry and configuration of the specimen (unit: mm).
Buildings 15 04579 g002
Figure 3. Finite element model and yield displacement variation with end-plate thickness.
Figure 3. Finite element model and yield displacement variation with end-plate thickness.
Buildings 15 04579 g003
Figure 4. Convergence Curve of Load-Carrying Capacity with Variation in Mesh Size.
Figure 4. Convergence Curve of Load-Carrying Capacity with Variation in Mesh Size.
Buildings 15 04579 g004
Figure 5. Loading device and site.
Figure 5. Loading device and site.
Buildings 15 04579 g005
Figure 6. Loading protocol.
Figure 6. Loading protocol.
Buildings 15 04579 g006
Figure 7. Measurement Points.
Figure 7. Measurement Points.
Buildings 15 04579 g007
Figure 8. Diagram of crack and failure modes.
Figure 8. Diagram of crack and failure modes.
Buildings 15 04579 g008
Figure 9. End load of beam.
Figure 9. End load of beam.
Buildings 15 04579 g009
Figure 10. Hysteretic curves.
Figure 10. Hysteretic curves.
Buildings 15 04579 g010
Figure 11. Skeleton curves.
Figure 11. Skeleton curves.
Buildings 15 04579 g011
Figure 12. Load–displacement hysteresis loop.
Figure 12. Load–displacement hysteresis loop.
Buildings 15 04579 g012
Figure 13. Equivalent viscosity damping coefficient.
Figure 13. Equivalent viscosity damping coefficient.
Buildings 15 04579 g013
Figure 14. Stiffness degradation curves.
Figure 14. Stiffness degradation curves.
Buildings 15 04579 g014
Table 1. Comparison of Bolted-Welded Joints with Typical Connections.
Table 1. Comparison of Bolted-Welded Joints with Typical Connections.
Connection TypeConnection PrincipleLoad Transfer CharacteristicsEase of Disassembly
Bolt-WeldedEmploying a composite mode of bolt positioning, weld load-bearing, and cover plate sleeve stress dispersion.The synergistic load transfer mechanism—combining bolt shear capacity, weld tensile and compressive strength, and cover plate sleeve stress dispersion—effectively reduces localized stress concentration at the joint.Using a wrench to loosen the bolts allows for quick separation and replacement of components.
Fully boltedLoad transfer occurs through the shear action of high-strength bolts and the friction at the contact surfaces.The load is primarily borne by bolt shear and friction at the component contact surfaces, with a single load transfer path.Simply remove the bolts to separate the components, facilitating future maintenance, replacement, and structural modifications.
wet-connectedCast-in-place concrete transfers loads through the bonded interaction between concrete and reinforcing steel.Transferred to concrete through lap splicing and anchoring, relying on the adhesive properties of the material.Disassembly requires destructive cutting, and components cannot be reused.
socket-typeLoad transfer is achieved through the compression interlocking of sleeves and structural members, threaded wedging, or grouting bonding.The load is transmitted from one end member to the sleeve, then transferred to the other end member through the contact between the sleeve and the member.Threaded sleeves can be removed without damage. Compression-type and grout-filled sleeves require destructive removal of the sleeve and structural member.
Table 2. Yield Displacement of Test Specimens and Simulated Specimens.
Table 2. Yield Displacement of Test Specimens and Simulated Specimens.
SpecimenTest Yield Displacement Δ/mmSimulated Yield Displacement Δ/mm
JD-115.716.2
JD-214.915.6
JD-314.515.3
Table 3. Main Parameters of Specimens.
Table 3. Main Parameters of Specimens.
SpecimenJoint Connection TypeBolt SpecificationEnd Plate Thickness t/mmAxial Compression Ratio
XJCast-in-place 0.3
JD-1Prefabricated10.9M1680.3
JD-2Prefabricated10.9M16100.3
JD-3Prefabricated10.9M16120.3
Table 4. Steel properties.
Table 4. Steel properties.
CategoryDiameter (d)/Thickness (t)
(mm)
Yield Strength fy
(MPa)
Tensile Strength fu
(MPa)
Modulus of Elasticity E
(N/mm2)
HRB400144105822.00 × 105
HRB400164155902.00 × 105
S355JR63714782.02 × 105
S355JR83654942.02 × 105
S355JR103615132.02 × 105
S355JR123595262.02 × 105
S355JR203895312.02 × 105
Table 5. Main internal forces.
Table 5. Main internal forces.
IndicatorΔ/(mm)P/(kN)Strain ε
(10−6)
Stress σ
(MPa)
Bending Moment Mσ (Derived from Stress Calculation)
(kN·m)
Bending Moment Mp (Derived from Thrust Calculation)
(kN·m)
Strain Point
XJ-2#, 4#2.85.1575115.05.515.61
14.014.31937387.415.3915.73
21.017.22417410.016.0418.92
42.020.23281--22.22
54.117.83532--19.58
JD1-2#, 4#2.85.2589117.85.645.72
14.014.11917383.415.2915.51
21.017.12337410.016.0418.81
42.018.63071--20.46
55.715.23164--16.72
JD1-14#2.85.215932.126.346.50
14.014.143287.2617.2317.63
21.017.1524105.8520.8921.38
42.018.6568114.7422.6523.25
55.715.246994.7318.7019.00
JD2-2#, 4#2.85.4604120.85.775.94
14.014.71986397.215.6716.17
21.017.52513410.016.0419.25
41.920.63348--22.66
54.618.33692--20.13
JD2-14#2.85.416733.736.666.75
14.014.745692.1118.1818.38
21.017.5536108.2721.3721.88
41.920.6631127.4625.1625.75
54.618.3558112.7222.2522.88
JD3-2#, 4#2.85.7617123.45.896.27
14.014.92035407.015.9516.39
21.018.92621410.016.0420.79
41.821.53467--23.65
54.219.33847--21.23
JD3-14#2.85.716934.146.747.13
14.014.947896.5619.0619.37
21.018.9581117.3623.1823.63
41.821.5673134.626.5726.88
54.219.3589118.9823.4924.13
# Indicates a strain gauge.
Table 6. Load and ductility coefficients of each feature point.
Table 6. Load and ductility coefficients of each feature point.
SpecimenDirectionYield LoadYield DisplacementPeak LoadPeak DisplacementUltimate LoadUltimate DisplacementDuctility Coefficient
Py/kNΔy/mmPm/kNΔm/mmPu/kNΔu/mmμ
XJPositive14.814.620.142.017.854.13.71
Negative14.515.119.041.916.556.0
JD-1Positive14.715.718.642.015.255.73.47
Negative14.316.517.835.014.256.0
JD-2Positive14.914.920.641.918.354.63.57
Negative14.715.819.842.016.955.0
JD-3Positive15.114.521.541.819.354.23.64
Negative14.815.220.441.317.653.8
Table 7. Equivalent viscous damping coefficient of specimens with different displacement ratios.
Table 7. Equivalent viscous damping coefficient of specimens with different displacement ratios.
SpecimenXJJD-1JD-2JD-3
Displacement Ratio Δ/Δy
0.2%0.1120.1100.1150.124
1%0.0730.0710.0740.077
3%0.1060.1120.1180.127
4%0.1200.1310.1370.144
Disclaimer/Publisher’s Note: The statements, opinions and data contained in all publications are solely those of the individual author(s) and contributor(s) and not of MDPI and/or the editor(s). MDPI and/or the editor(s) disclaim responsibility for any injury to people or property resulting from any ideas, methods, instructions or products referred to in the content.

Share and Cite

MDPI and ACS Style

Wu, D.-P.; Rao, K.; Wei, W.; Han, F.; Peng, S. Experimental Study on Seismic Behavior of Novel Prefabricated RC Joints with Welded Cover-Plate Steel Sleeve and Bolted Splice. Buildings 2025, 15, 4579. https://doi.org/10.3390/buildings15244579

AMA Style

Wu D-P, Rao K, Wei W, Han F, Peng S. Experimental Study on Seismic Behavior of Novel Prefabricated RC Joints with Welded Cover-Plate Steel Sleeve and Bolted Splice. Buildings. 2025; 15(24):4579. https://doi.org/10.3390/buildings15244579

Chicago/Turabian Style

Wu, Dong-Ping, Kang Rao, Wei Wei, Fei Han, and Sheng Peng. 2025. "Experimental Study on Seismic Behavior of Novel Prefabricated RC Joints with Welded Cover-Plate Steel Sleeve and Bolted Splice" Buildings 15, no. 24: 4579. https://doi.org/10.3390/buildings15244579

APA Style

Wu, D.-P., Rao, K., Wei, W., Han, F., & Peng, S. (2025). Experimental Study on Seismic Behavior of Novel Prefabricated RC Joints with Welded Cover-Plate Steel Sleeve and Bolted Splice. Buildings, 15(24), 4579. https://doi.org/10.3390/buildings15244579

Note that from the first issue of 2016, this journal uses article numbers instead of page numbers. See further details here.

Article Metrics

Back to TopTop