Next Article in Journal
Analytical Solution for Rayleigh Wave-Induced Dynamic Response of Shallow Grouted Tunnels in Saturated Soil
Previous Article in Journal
Three Decades of Innovation: A Critical Bibliometric Analysis of BIM, HBIM, Digital Twins, and IoT in the AEC Industry (1993–2024)
 
 
Font Type:
Arial Georgia Verdana
Font Size:
Aa Aa Aa
Line Spacing:
Column Width:
Background:
Article

Evaluation of Hexagonal Surface Model for Seismic Response Analysis of Multi-Story Structure

Department of Architectural Engineering, Chosun University, Gwangju 501-759, Republic of Korea
*
Author to whom correspondence should be addressed.
Buildings 2025, 15(10), 1588; https://doi.org/10.3390/buildings15101588
Submission received: 31 March 2025 / Revised: 5 May 2025 / Accepted: 7 May 2025 / Published: 8 May 2025
(This article belongs to the Section Building Structures)

Abstract

The hexagonal plastic collapse surface model has been explored as an effective approach for seismic response analysis in multi-degree-of-freedom (MDOF) structures. This study establishes the theoretical background of hexagonal analysis for multistory structures, emphasizing the consistency between experimental and analytical results. A simplified nonlinear dynamic analysis (SNDA) is introduced, integrating limit analysis with static proportional loading and a hexagonal plastic collapse surface model to define the internal safety zone within the mode restoring force space. The approach considers multiple vibration modes, which significantly impact elastic–plastic behavior in seismic conditions. To validate its effectiveness, a comparative evaluation is conducted between experimental data and SAP2000 dynamic time history analysis, showing strong alignment in deformation response trends. The results confirm that the hexagonal model accurately predicts failure mechanisms while improving computational efficiency, providing a practical framework for collapse prediction in structural engineering applications.

1. Introduction

Seismic response analysis is fundamental in structural engineering, ensuring the stability and resilience of buildings under seismic forces. Conventional methods such as Modal Response Spectrum Analysis (RSA) and Nonlinear Response History Analysis (NRHA) have been widely applied to predict structural behavior during seismic events [1,2,3]. These approaches often rely on single-degree-of-freedom (SDOF) models, which often simplify complex multi-degree-of-freedom (MDOF) behavior, due to simplifications. Recent developments in seismic codes, such as ASCE/SEI 41-17, Eurocode 8, and TBEC-2018, emphasize the implementation of advanced dynamic analysis methods, including nonlinear time history analysis, to improve the accuracy of structural behavior assessment under seismic loading. These codes recommend the consideration of higher-mode effects and multi-modal responses, particularly in the design and retrofitting of complex structures [4,5,6].
Recent study also emphasizes the importance of using real earthquake records that are compatible with recent code for seismic displacement analysis, particularly for SDOF systems [7].
On the other hand, the dynamic analysis of multi-degree-of-freedom (MDOF) structures is more accurate compared with SDOF models since they are inherently higher-order vibration modes [8,9]. To improve predictive accuracy, nonlinear dynamic analysis techniques, including plastic failure surface models, have been explored to account for failure mechanisms in complex structural systems [10,11].
A key advancement in this domain is the hexagonal plastic failure surface model, which provides a more refined representation of seismic response characteristics in MDOF structures. This model, developed through limit analysis-based proportional loading and higher-mode response considerations, defines an internal safety zone, effectively capturing multi-mode interactions and plastic failure behavior under seismic loading [8,9]. While the hexagonal model has previously been validated through both theoretical and numerical studies [10,11], further investigations are needed to confirm its applicability across different structural configurations, where experimental verification remains limited.
While traditional methods, such as pushover analysis, typically assume single-mode behavior, studies have shown that including higher modes improves accuracy, particularly in structures where higher-order modes significantly influence the failure mechanism [4,12,13]. Previous research has also proposed an improved lateral load distribution factor for pushover analysis by incorporating higher-mode effects [14], which further enhance the precision of the procedures. Additionally, the emphasized integration of higher-mode effects revealed that modal pushover analysis and time history analysis are fundamental for structures subjected to near-fault or complex ground motions [15,16]. In fact, incorporating multi-modal considerations into seismic design has evidently improved the accuracy of response predictions, particularly for irregular and high-rise buildings [12].
The role of higher-order mode consideration in seismic design has been a subject of ongoing debate. Previous studies argue that simplified models like pushover analysis, which often assume the response is dominated by the fundamental mode, sufficiently approximate seismic demands for design applications [2,17]. In structures with short periods, higher-mode effects have also been reported to have minimal impact on the seismic response [18,19]. These findings suggest that while higher-mode effects are important in some contexts, their inclusion may not always be critical in enhancing seismic predictions.
However, recent studies emphasize that the integration of multi-mode response is crucial for a more accurate representation of failure mechanisms, especially in complex multi-degree-of-freedom (MDOF) structures subjected to seismic loads [12,20]. Higher modes significantly affect the structural behavior of irregular or tall buildings, which cannot be fully captured by traditional methods like pushover analysis [21,22]. Multi-mode considerations are particularly important in structures subjected to complex ground motions or near-fault effects, where lower modes alone may fail to represent the true seismic response [23,24]. In fact, the inclusion of higher modes is reportedly leading to more precise predictions in seismic performance assessments, addressing the limitations of simplified methods that typically rely on single-mode behavior [25,26]. These findings reinforce the necessity of advanced methodologies, such as the hexagonal plastic collapse surface model, which accounts for multi-modal interactions and plastic failure under seismic loading.
This study develops the theoretical foundation of hexagonal analysis for multistory structures, implemented in Visual Basic 6.0, and assesses its validity by comparing experimental findings with numerical simulations using SAP2000. The findings offer insight into the failure mechanisms of two-story frames, highlighting the practical advantages of the hexagonal plastic collapse surface model in improving seismic response predictions while maintaining computational efficiency. The results contribute to refining simplified nonlinear dynamic analysis (SNDA) techniques and optimizing seismic performance evaluation for MDOF structures.

2. Methods

This section outlines the methodologies of the formation of hexagonal plastic failure surfaces for multistory structures, ensuring consistency between experimental and analytical results. The framework consists of vibration mode shape analysis, natural period and effective mass calculations, limit analysis under proportional loading, and the implementation of simplified nonlinear dynamic analysis (SNDA). The proposed methodology is validated by comparing the analytical predictions with experimental findings and numerical simulations in SAP2000.

2.1. Preliminary Analysis

2.1.1. Vibration Mode Shape

To define the first and second mode shapes, the frame stiffness distributions K is first determined by Equation (1) [27]. Here, k represents the inter-story stiffness ratio, i is the story number, and N is the total number of stories. The first mode shape is obtained using an iterative mode convergence method based on the eigenvalue problem presented in Equation (2), following the standard eigenvalue approach in structural dynamics [28].
K i = k ( ( k 1 ) / ( N 1 ) ) × ( i 1 )
ω 2 M u = K u
Here, ω is the natural angular frequency, M is the mass matrix, K is the stiffness matrix, and {u} is the mode shape vector. To isolate the first mode, the transformation K 1 M is applied repeatedly to an initial mode shape vector u . Each iteration amplifies the contribution of the fundamental mode, which corresponds to the lowest natural frequency:
u n e w = K 1 M u
An initial mode shape is assumed as a linearly increasing displacement shape with respect to story number, normalized such that the top story has a unit value:
x i = i / N
Using this assumed shape, story shear forces are computed, followed by inter-story displacements based on previously defined story stiffness values. The resulting lateral displacements are then normalized by the displacement at the top story. This process is repeated until the mode shape converges.
The second mode shape is obtained using an iterative process that removes the influence of the first mode. First, the second mode shape is represented as a linear combination of the fundamental mode shapes, with each coefficient q i indicating the contribution of the corresponding mode shape i to the overall vector shown in Equation (5).
u = q 1 u 1 + q 2 u 2 + + q n u n
Here, the coefficient is calculated by multiplying both sides of the expression by the transpose of the first mode:
q 1 = u 1 T u / u 1 T u 1
Then, the new vector u is defined by subtracting the first mode component q 1 u 1 from u , effectively isolating the second mode:
u = u u 1 T u u 1 T u 1 u 1
Orthogonalization is applied using the previously computed first mode shape, followed by shear force calculation, inter-story displacement computation, and normalization. This sequence is repeated until the second mode shape converges.
Then, assuming constant mass and height per story, different inter-story stiffness ratio k values ( k = 5, 6, 7) were considered in a comparative analysis conducted for 9-story, 15-story, and 30-story frames to assess the sensitivity of the assumed initial shape to changes in stiffness irregularity.
The results show that the first mode shape follows a linear distribution pattern, while the second mode shape displays a parabolic form, as shown in Figure 1. To characterize both mode shapes, Equations (8) and (9) (referred to as Model 1 hereafter) are derived and validated as illustrated in Figure 2. Here, N represents the total number of stories, and u i , j denotes the mode shape for the i-th story and the j-th vibration mode.
u i , 1 = i / N
u i , 2 = ( 4 N + 2 ) / ( N 1 ) · i / N ( i / N 3 / 2 · ( N + 1 ) / ( 2 N + 1 ) )

2.1.2. Natural Period and Effective Mass

The first and second natural period T i and effective masses M i corresponding to the i-th vibration mode were then determined using Equations (10) and (11), respectively. Here, h represents the damping constant (set to h = 0.02), ω i is the i-th natural angular frequency, u i is the mode shape vector for the i-th vibration mode, and M is the mass matrix. β i represents the effective mass coefficient for the i-th vibration mode and is calculated using Equation (13), where m i denotes the lumped mass at the i-th degree of freedom. The index n represents the total number of vibration modes considered in the analysis, where i spans from 1 to n .
T i = 2 π / ( ω i 1 h 2 )
M i = β i { u i } T [ M ] β i { u i }
The natural angular frequency, denoted as ω i , is computed using Equation (12), where u i represents the mode shape for the i-th mode, while K and M are the stiffness and mass matrices, respectively.
ω i 2 = u i T K u i / u i T M u i
β i = i = 1 , 2 n m i u i / i = 1 , 2 n m i u i 2

2.1.3. Simplified Response Analysis Technique

Limit analysis with static proportional loading in three directions, considering up to the second vibration mode, is performed to identify critical failure mechanisms where multiple independent variables reach their maximum values simultaneously, as described by Turkstra’s rule [29]. The collapse form at the minimum load is considered the true collapse mode, with the corresponding load defined as the collapse load. The three load distribution patterns are presented in Equations (14)–(16). Here, λ multiplier is used to scale the load distribution vector f , { ψ j } denotes the j-th load basis vector, while the value of the mode contribution ratio a is determined by ( M 2 · S A ( T 2 ) ) / ( M 1 · S A   ( T 1 ) ), where S A   ( T j ) corresponds to the acceleration response spectrum value for the j-th natural period.
λ · f = λ · ψ 1
λ · f = λ · ψ 1 + λ · a ψ 2
λ · f = λ · ψ 1 λ · a ψ 2
For low-rise frames with shorter natural periods, it is assumed that they fall within a region of constant acceleration response, as indicated by the design acceleration response spectrum curve in Figure 3, where S A T 1 = S A T 2 . In contrast, for high-rise frames with longer natural periods, the velocity response is assumed to remain constant, with S A ( T 2 ) / S A ( T 1 ) equal to 1/( T 2 / T 1 ).
By analyzing the three load points from limit analysis with proportional loading in three directions, the failure surface model of the frame is developed, defining the safety region. When failure forms coincide, the safety region takes the shape of a parallelogram or parallel lines, ultimately forming a hexagonal configuration in the 2D mode restoring space. If a load point lies on the plastic collapse surface, the collapse mode of the frame is determined. Within this region, the frame remains stable under applied loads, with the inner zone designated as the safe region against plastic collapse. This relationship is expressed in the mode coordinate system as a T r = ± R y . Here, a represents the vector of modal contribution factors, r is the modal restoring force vector, while R y denotes the plastic collapse load. Figure 4 illustrates the formation of a hexagonal plastic collapse surface model.
To calculate the partial mode displacement increment for the framework, its elastic–plastic restoring forces are monitored and updated within the partial mode restoring force space. The mode displacement increment is derived using the central difference method, as defined by Equation (17), where Δ q j represents the j-th mode displacement increment in mode coordinates, r j is the j-th mode restoring force, h j is the damping constant, ω j is the angular frequency for the j-th mode, M j is the effective mass for the j-th mode, y ¨ 0 is the ground acceleration, and Δt is the time increment.
Δ q j k + 1 = 1 h j ω j Δ t Δ q j k Δ t 2 y ¨ 0 k + r j k / M j 1 + h j ω j Δ t
Transformations between displacement and force coordinates from the normal to the modal coordinate system are applied using the normalized modal participation matrix [Φ], as defined in Equations (18) and (19). In these equations, {q} represents the modal displacement vector, {f} is the original restoring force vector, and {r} is the modal restoring force vector. Each load basis vector [ Φ T ] 1 corresponds to the lateral load pattern for each mode of vibration.
{ x } = [ Φ ] · { q }
{ f } = [ Φ T ] 1 · { r }
Once the mode displacement increments are determined, the modal restoring force increment can be computed using Equation (20), where K i denotes the modal stiffness. Assuming the system is in an elastic state, the modal restoring forces can be written as in Equation (21).
Δ r e = d i a g K i · Δ q k + 1
r = r k + Δ r e
The position of the mode restoring force r relative to the hexagonal model, whether it falls within or beyond the boundary, is determined by Equation (22). Based on this, the excess coefficient E x c j is subsequently calculated as follows:
R j = a j T + r
  • R j R y j : Inside the hexagonal model, E x c j = 0 ;
  • R j R y j : Outside the hexagonal model, E x c j = R j R Y j ;
  • R j < R y j : Outside the hexagonal model, E x c j = R j + R Y j .
When the load point lies within the hexagonal plastic collapse boundary, the modal restoring force is in an elastic state, whereby r k + 1 = r . However, all the modal restoring force which exceeds the boundary lines are to be corrected using Equation (23) so that the mode restoring force r at time ( k + 1 ) Δ t stays within the hexagonal surface model. The same operations are to be repeated until all the restoring forces end up within the boundary lines.
r k + 1 = r d i a g ( k i ) A λ
Figure 5 illustrates the process of updating modal restoring forces in simplified response analysis, with E x c j representing the excess coefficient.

3. Evaluation of the Simplified Response Analysis Method

To assess the applicability of the proposed simplified response analysis, a comparative analysis was conducted. The primary objective was to validate its accuracy by comparing the results with detailed seismic response analysis performed using SAP2000 v23.

3.1. Simplified Response Analysis on a Multistory Frame

Description of the Test Frame

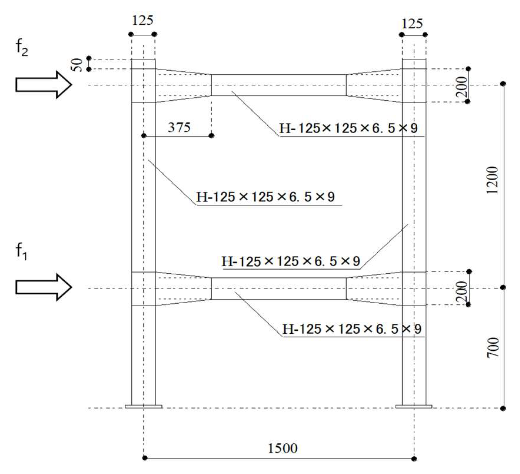
The test structure used in the seismic response experiment is a two-story one-span frame that utilizes SS400 steel with a yield strength of 348 N/mm2, and the column-to-beam joints are considered rigid. Assuming each floor has a mass of 20,000 kg, the El Centro NS ground motion, with a peak ground acceleration of 10 m/s2 and a duration of 10 s, is used as the input seismic excitation, with a response time also set to 10 s. Figure 6 illustrates the two-story, one-bay frame test structure used in the seismic response test, providing the cross-sectional dimensions and measurements of its structural components, while Table 1 presents the elastic properties of the test structure.
In the response analysis, the three collapse forms of the two-story frame are represented in Figure 7, with corresponding virtual work equations as follows:
  • Single-story collapse: 4 M p θ = 600 f 1 θ + 600 f 2 θ ;
  • Two-story collapse: 4 M p θ = 1000 f 2 θ ;
  • Total collapse: 8 M p θ = 700 f 1 θ + 1800 f 2 θ .
Here, M p represents the plastic moment capacity, f i denotes the lateral forces acting on the i-th story, and θ is the story drift angle.
The collapse form remains consistent, but the collapse surface in the secondary mode restoring space changes depending on mass distribution and vibration mode type. In the case where the story mass ratio (M1/M2) equals 1 (uniform load distribution), the acceleration response spectrum assumes constant acceleration response for both the first and second natural periods, which equates to S A   ( T 1 ) = S A   ( T 2 ) . Given that the ratio of the second effective mass to the first effective mass is M 2 / M 1 = 0.36 , the resulting lateral load distribution patterns are as follows:
  • Primary load pattern: f 1 f 2 = ψ 1 , i = 0.19 0.81 ;
  • Primary + secondary load pattern: f 1 f 2 = ψ 1 , i + 0.36 ψ 2 , i = 0.67 0.69 ;
  • Primary − secondary load pattern: f 1 f 2 = ψ 1 , i 0.36 ψ 2 , i = 0.29 0.92 .
Here, ψ j , i represents the j-th mode shape vector corresponding to the i-th story.
The limit analysis results indicate that the primary load pattern leads to the collapse of the first story, the primary + secondary load pattern results in the collapse of the second floor, and the primary + secondary load pattern leads to total collapse. The yield surfaces obtained from the limit analysis overlap, forming a hexagonal-shaped safe region, as shown in Figure 8, along with its corresponding collapse forms. Additionally, the mode restoring force trajectory is presented.

4. Results

The results of the simplified response analysis using the hexagonal model were compared with data obtained from a detailed seismic response numerical experiment using SAP2000, to assess the accuracy and applicability of the method. Figure 9 compares story drift, while Figure 10 presents the time history of the story drift between the simplified analysis using the proposed simplified technique and SAP2000 nonlinear time–history analysis.

Story Drift and Time History Comparison

The comparison result of story drift shows that the simplified response analysis corresponds well with the collapse mechanism observed in the numerical experimental results. The results from both the simplified response analysis and the detailed experimental results closely match, confirming the method’s effectiveness in capturing the seismic behavior of the structure. However, simplified response analysis assumes elastic behavior within the safe region, resulting in slightly smaller response values compared to the experimental results.
The simplified response analysis successfully predicts the time of plasticization, which was observed at approximately 1.4 s in the hexagonal model. The comparison results show that the simplified response analysis predicts the time at which each story undergoes plasticization, and the results are in good agreement with the numerical experimental results.

5. Comparative Analysis Between Simplified and Detailed Response Analysis on Mid-Rise Frame

To examine the consistency of the proposed SNDA technique, a detailed seismic response analysis was performed using SAP2000 on a realistic multi-story framework comprising a total of a nine-story three-bay frame structure (Figure 11).

5.1. Description of the Test Structure

The H-125 × 125 × 6.5 × 9.0 structural members of the modeled frame use SS400 steel, with a yield strength of 348 N/mm2. Assuming all the member joints are rigid, the height and mass of each story are kept constant.
To investigate the effects of different ground motions with varying periods on the consistency of the SDNA method, three seismic waves were utilized, each with a different duration of ground motion: El Centro 1940 NS (53 s), Hachinohe 1968 EW (60 s), and Kobe 1995 NS (20 s). Figure 12 illustrates the ground acceleration time history, while Figure 13 shows the corresponding acceleration response spectra with a 2% damping ratio h.

5.2. Results of the Story Drift and Time History Comparision

Figure 14 demonstrates the comparison between the maximum story drift in simplified and detailed response analyses, while the comparisons of the time history of story drift using the three ground motion inputs are illustrated in Figure 15, Figure 16 and Figure 17. Overall, the simplified method demonstrated a good ability to capture the general seismic behavior of the structure. The global trends in dynamic response, including the timing and shape of the drift profiles, closely aligned with those from the detailed analysis. However, the simplified approach tended to slightly overestimate displacements, particularly in the upper stories.
Figure 18 illustrates the variation in the restoring force trajectories under different ground motions input, plotted against the hexagonal model, which represents the plastic collapse surface derived from limit analysis. The space within the hexagonal yield surface defines the elastic domain—when the restoring force remains within this region, the structure is assumed to behave elastically. However, once the trajectory reaches or lies along any of the boundary lines, the structure yields and enters a plastic state.
Each line of the hexagonal model corresponds to one of the three load patterns discussed previously in Section 2.1.3. Therefore, the specific boundary that the trajectory intersects provides insight into which load combination is contributing to the plastic deformation. By observing the points at which the trajectory touches or follows a particular edge, it becomes possible to identify the governing collapse mechanism of the frame.

6. Discussion

The results of this study provide valuable insights into the application of the hexagonal plastic collapse surface model for simplified seismic response analysis in multi-story structures. The comparison with detailed seismic response experiments using SAP2000 shows that the simplified response analysis method performs well, closely matching experimental data in terms of story drift and time history response. This alignment suggests that the hexagonal model offers a robust approximation for predicting seismic behavior, confirming its relevance in structural engineering applications.
Table 2 shows the comparison of story drift values obtained from the simplified and detailed analysis (SAP2000) under three different ground motions: El Centro NS, Hachinohe EW, and Kobe NS. The table also presents the absolute and percentage differences between the two methods at each story level, highlighting the accuracy and limitations of the simplified approach.
However, the simplified approach shows slight overestimation in terms of displacements, particularly in the upper stories. The overestimation is attributed to the assumption of fully elastic behavior within the defined safe region, without accounting for localized plastic deformations prior to the formation of a collapse mechanism.
The SNDA method presented in this study, which considers only the first two modes of vibration, is proven effective for low- to mid-rise structures, where higher modes have a minimal impact on the overall seismic response. This approach provides a computationally efficient and accurate means of capturing the initial seismic behavior and collapse mechanisms within its intended scope. Table 3 presents the computation time required for each analysis method. SNDA significantly reduced the analysis time from approximately 2 h, required by the detailed SAP2000 analysis, to only 30 min, demonstrating its efficiency for preliminary seismic evaluations.
While the simplified approach may have limitations due to partial consideration of vibration modes, the response to shorter-period ground motion (El Centro NS) demonstrates that the method can provide accurate predictions, even when higher modes are neglected. This is because the simplified model captures the predominant energy in the lower modes, which are more influential for shorter-period motions. The overall deformation pattern, energy dissipation characteristics, and drift distribution are more reliably captured, although slight overestimations in upper-story displacements may still occur due to the assumption of elastic behavior up to the defined yield surface.
Moreover, for ground motions that exhibit a broader frequency range (Kobe NS), the simplified method demonstrated an increase in upper-story response discrepancies. Although relatively short in duration, the high-amplitude Kobe NS earthquake’s ground motion has significant energy concentrated in both low and high frequencies, which demonstrates a very complex frequency characteristic. The inconsistencies may result from the model’s limited ability to reflect higher-mode contributions, which is captured more precisely in the detailed SAP2000 simulations. The simplified model’s assumption of partial mode elastic behavior likely limits its precision when more complex, localized inelastic responses occur.
Additionally, the bilinear model in detailed analysis can better absorb and distribute seismic energy, leading to more restrained displacements. While SNDA captures overall collapse mechanisms and yielding sequences, the differences in hysteresis modeling can lead to overestimated drifts and understated energy dissipation, especially in complex seismic scenarios.
Furthermore, the material modeling differences between detailed and SDNA notably affect seismic response results. In SAP2000, a bilinear hysteresis model with post-yield stiffness is used, leading to limited strain hardening behavior in the plastic domain. This approach allows for a gradual transition from elastic to plastic behavior and more accurate energy dissipation during cyclic loading, leading to a more distributed and progressive yielding pattern across the structure. In contrast, SNDA employs a nonlinear yield surface model assuming perfectly plastic behavior once the yield surface is reached, without post-yield stiffness or hysteretic degradation. This idealization simplifies the modeling process but may lead to a more concentrated distribution of plasticity.
Despite these limitations, the simplified response analysis successfully predicted the timing of plasticization, which was observed in the comparative analysis results. This finding aligns well with the experimental results, showing that the method can provide reliable predictions in terms of when the structure reaches its plastic state. This result further reinforces the practicality of the model in real-world applications, where time-sensitive decision-making is often required during seismic events.
While the hexagonal model performs well in capturing the overall collapse mechanism, further refinement is needed to improve its accuracy in capturing localized plasticization. Ground motion like Kobe’s earthquake highlighted the importance of considering multi-mode vibration and nonlinear effects in the seismic design of structures. The earthquake’s behavior challenged the traditional single-mode assumption often used in early seismic design methods and reinforced the need for more accurate models that consider higher-mode effects, plastic deformation, and dynamic interaction between different structural components.
Based on the formation of hexagonal models, the SDNA method not only helps confirm whether the structural behavior aligns with the predicted collapse modes but also offers a practical way to interpret complex inelastic behavior under dynamic loading. The proposed analysis demonstrates that the simplified response approach can effectively trace and reflect the plastic response patterns observed in more detailed simulations.

7. Conclusions

This study demonstrates the effectiveness of the hexagonal plastic collapse surface model for seismic response analysis of multi-degree-of-freedom (MDOF) structures, providing a comprehensive approach to evaluating seismic performance in multistory frames. The simplified nonlinear dynamic analysis (SNDA) proposed herein integrates limit analysis with static proportional loading, enabling the definition of an internal safety zone within the mode restoring force space. By incorporating multiple vibration modes, the model enhances the accuracy of elastic–plastic behavior predictions under seismic conditions, especially for complex structural systems.
Previous studies have demonstrated the effectiveness of simplified models for seismic analysis, yet most of these models have been limited by assumptions of single-mode behavior or elastic responses. The approach presented in this study expands on these methods by incorporating higher vibration modes and allowing for multi-mode collapse mechanisms. This advancement addresses a critical gap in the analysis of MDOF structures, as the consideration of higher modes is essential for accurately modeling seismic responses, especially in buildings where higher-order modes significantly influence the response.
Comparative evaluations between experimental data and SAP2000 dynamic time-history analysis validate the model’s predictive capabilities, with results showing strong alignment in deformation response trends. The results of the comparative analysis showed that simplified response analysis tends to generate a slightly larger value compared to detailed analysis, mainly due to the simplified response analysis’s consideration of the partial vibration mode.
Although some discrepancies in the upper stories’ response were noted, the hexagonal model successfully predicted failure mechanisms and provided a practical, computationally efficient framework for collapse prediction. In principle, the comparative analysis justified the practicality of the proposed simplified seismic response analysis in addition to highlighting its possible advancement in effectively capturing higher modes of failure. By employing the simplified plastic collapse surface model, we compared the detailed results of the seismic response analysis at the member level, establishing that the elasto-plastic behavior of global displacement and resilience can be accurately traced. These findings are instrumental in the ongoing pursuit of innovative and reliable analysis methods for multi-story steel frame structures under seismic conditions.
These findings highlight the potential of the hexagonal plastic collapse surface model to improve seismic analysis for MDOF structures, offering a promising tool for optimizing structural design and resilience against seismic events. Further research should focus on expanding the model to address its limitations in presenting local failure mechanisms and interactions between multiple modes, particularly for structures with irregular geometry or complex characteristics. Future studies could also explore the hexagonal model’s applicability to irregular structures to evaluate its performance in capturing the unique seismic behaviors of various configurations. Moreover, the observed variations in story drift results indicate the potential for identifying the model’s limitations and enhancing its accuracy, notably with respect to various ground motion characteristics. Furthermore, the proposed method was validated using a widely recognized nonlinear analysis tool, and while the results may vary with other tools such as OpenSees and ETABS, future research could further strengthen the findings by comparing the performance of the method across a broader range of analysis platforms.

Author Contributions

Conceptualization, V.J. and J.-H.C.; methodology, V.J.; software, V.J.; validation, V.J. and J.-H.C.; formal analysis, V.J.; investigation, V.J.; resources, V.J. and J.-H.C.; data curation, V.J.; writing—original draft preparation, V.J.; writing—review and editing, V.J. and J.-H.C.; supervision, J.-H.C.; project administration, J.-H.C.; funding acquisition, J.-H.C. All authors have read and agreed to the published version of the manuscript.

Funding

This research was funded by the National Research Foundation of Korea (NRF), grant number RS-2020-NR048018, and research fund from Chosun University, South Korea (2022).

Data Availability Statement

The original contributions presented in the study are included in the article, further inquiries can be directed to the corresponding author.

Conflicts of Interest

The authors declare no conflict of interest.

Abbreviations

The following abbreviations are used in this manuscript:
MDOFMulti-Degree-of-Freedom
NRHANonlinear Response History Analysis
RSAModal Response Spectrum Analysis
SDOFSingle-Degree-of-Freedom
SNDASimplified Nonlinear Dynamic Analysis

References

  1. FEMA. NEHRP Guidelines for the Seismic Rehabilitation of Buildings; FEMA-273; Federal Emergency Management Agency: Washington, DC, USA, 1997.
  2. FEMA. Prestandard and Commentary for the Seismic Rehabilitation of Buildings; FEMA-356; Federal Emergency Management Agency: Washington, DC, USA, 2000.
  3. FEMA. Improvement of Nonlinear Static Seismic Analysis Procedures; FEMA-440; Federal Emergency Management Agency: Washington, DC, USA, 2005.
  4. ASCE. Seismic Evaluation and Retrofit of Existing Buildings; ASCE/SEI 41-17; American Society of Civil Engineers: Reston, VA, USA, 2017. [Google Scholar]
  5. European Committee for Standardization (CEN). Eurocode 8: Design of Structures for Earthquake Resistance-Part 1: General Rules, Seismic Actions and Rules for Buildings; CEN: Brussels, Belgium, 2004. [Google Scholar]
  6. Ministry of Environment and Urbanization, Turkey. Turkish Earthquake Building Code (TBEC-2018); Ministry of Environment and Urbanization: Ankara, Turkey, 2018.
  7. Palancı, M.; Demir, N.; Kayhan, I. The Investigation of Displacement Demands of Single Degree of Freedom Models Using Real Earthquake Records Compatible with TBEC-2018. Pamukkale Univ. J. Eng. Sci. 2021, 27, 251–263. [Google Scholar] [CrossRef]
  8. Ito, T.; Ohi, K. Nonlinear Dynamic Response Analysis Using a Simplified Plastic Failure Surface Model of a Multistory Ramen Frame with Steel Structure. J. Struct. Eng. Inst. Jpn. Build. Eng. 2002, 48, 219–226. [Google Scholar]
  9. Ito, T.; Ohi, K.; Mori, Y. Online Seismic Response Experiment of Steel Ramen Frame and Nonlinear Dynamic Response Analysis Using Simplified Plastic Failure Surfaces. In Proceedings of the 11th Japan Symposium on Earthquake Engineering, Tokyo, Japan, 11 November 2002; pp. 1589–1592. [Google Scholar]
  10. Kuwamura, H.; Tamura, K. Modal Damage to Structures Caused by Earthquakes—Generalization of Damage Distribution Rules. J. Archit. Struct. Eng. 1998, 64, 79–86. [Google Scholar]
  11. Khandelwal, P.; Ohi, K. Effect of Randomness in Member Strengths on Seismic Performance of Moment Resisting Steel Frames. In Proceedings of the 17th World Conference on Earthquake Engineering (17WCEE), Kobe, Japan, 13–18 September 2001. [Google Scholar]
  12. Roussis, C. Dynamic Response of Steel Frames Under Seismic Loads Using the Modal Pushover Analysis. Eng. Struct. 2020, 212, 110470. [Google Scholar]
  13. Alavi, B.; Krawinkler, H. Performance-Based Seismic Design and Evaluation of Buildings. Earthq. Eng. Struct. Dyn. 2018, 47, 32–48. [Google Scholar]
  14. Kim, G.W.; Song, J.G.; Lee, C.H. Lateral Load Distribution Factor for Pushover Analysis Including Higher Mode Effects. J. Korea Inst. Struct. Maint. Insp. 2006, 10, 203–210. [Google Scholar]
  15. Li, S.; Tian, J.; Liu, Y. Performance-Based Seismic Design of Eccentrically Braced Steel Frames Using Target Drift and Failure Mode. Earthq. Struct. 2017, 13, 443–454. [Google Scholar]
  16. Cabrera, C.; D’Andrea, P. Seismic Analysis of RC Frame Structures Using Nonlinear Time History Simulation. Comput. Struct. 2021, 250, 106525. [Google Scholar]
  17. Chopra, A.K.; Goel, R.K. A Modal Pushover Analysis Procedure to Estimate Seismic Demands for Buildings: Theory and Preliminary Evaluation; Report No. 2002/08; Pacific Earthquake Engineering Research Center (PEER): Berkeley, CA, USA, 2002. [Google Scholar]
  18. Mazzolani, F.M.; Manfredi, G.; Piluso, V. Seismic Design and Assessment of Buildings Using the Plastic Collapse Surface Model. Struct. Eng. J. Inst. Jpn. 2011, 66, 278–290. [Google Scholar]
  19. Vaziri, M.; Krawinkler, H. Development of a Performance-Based Design Method for Steel Moment-Resisting Frames. J. Struct. Eng. Inst. Jpn. Build. Eng. 2004, 49, 219–226. [Google Scholar]
  20. Kim, J.; Lee, S.; Lee, Y. Seismic Performance of Steel Buildings Using Multi-Mode Pushover Analysis and Nonlinear Time History Analysis. J. Constr. Steel Res. 2021, 173, 106238. [Google Scholar]
  21. Taghavi, S.; Miranda, E. Seismic Performance of Buildings Using Modal Pushover Analysis and Incremental Dynamic Analysis: A Comparison Study. Earthq. Eng. Struct. Dyn. 2020, 49, 300–318. [Google Scholar]
  22. Sadeghi, M.; Vafa, S. Seismic Vulnerability of Multi-Story Buildings Using Nonlinear Dynamic Analysis and Ground Motion Records. Soil Dyn. Earthq. Eng. 2020, 135, 106163. [Google Scholar]
  23. Montuori, R.; Nastri, E.; Tagliafierro, B. An Optimal Seismic Force Pattern for Uniform Drift Distribution. Buildings 2019, 9, 231. [Google Scholar] [CrossRef]
  24. Arias, A.; Duenas-Osorio, L.; Wang, Y.; Simiu, E. Multi-Mode Pushover Analysis for Seismic Evaluation of MDOF Structures. J. Struct. Eng. 2021, 147, 04021083. [Google Scholar]
  25. Simpson, B.G.; Rivera Torres, D. Simplified Modal Pushover Analysis to Estimate First and Higher-Mode Force Demands for the Design of Strongback-Braced Frames. J. Struct. Eng. 2021, 147, 04021196. [Google Scholar] [CrossRef]
  26. Gunes, O.; Ercan, H. Seismic Performance Assessment of High-Rise Buildings Using Nonlinear Time History Analysis. Eng. Struct. 2020, 204, 111578. [Google Scholar]
  27. Oi, K.; Takanashi, K. Hysteresis Behavior in Seismic Response Experiments of Steel Frame Models—Predictive Accuracy of Elastic-Plastic Seismic Response in Steel Structures (Report No. 1). J. Struct. Eng. Inst. Jpn. 1987, 71–82. [Google Scholar]
  28. Chopra, A.K. Dynamics of Structures: Theory and Applications to Earthquake Engineering, 5th ed.; Pearson Education: Boston, MA, USA, 2017. [Google Scholar]
  29. Turkstra, J. Proportional Loading and Its Application in Structural Analysis. J. Struct. Eng. 1989, 115, 1127–1140. [Google Scholar]
Figure 1. (a) First mode shapes for multistory frames with varying number of stories and k values; (b) second mode shapes for multistory frames with varying number of stories and k values.
Figure 1. (a) First mode shapes for multistory frames with varying number of stories and k values; (b) second mode shapes for multistory frames with varying number of stories and k values.
Buildings 15 01588 g001
Figure 2. (a) First mode shapes for multistory frames with varying number of stories; (b) second mode shapes for multistory frames with varying number of stories.
Figure 2. (a) First mode shapes for multistory frames with varying number of stories; (b) second mode shapes for multistory frames with varying number of stories.
Buildings 15 01588 g002
Figure 3. Design spectral acceleration for the ground motions used in this study.
Figure 3. Design spectral acceleration for the ground motions used in this study.
Buildings 15 01588 g003
Figure 4. Hexagonal plastic collapse surface model.
Figure 4. Hexagonal plastic collapse surface model.
Buildings 15 01588 g004
Figure 5. Flowchart of modal restoring force update process in simplified response analysis.
Figure 5. Flowchart of modal restoring force update process in simplified response analysis.
Buildings 15 01588 g005
Figure 6. Two-story one-bay frame test structure.
Figure 6. Two-story one-bay frame test structure.
Buildings 15 01588 g006
Figure 7. (a) First story collapse form; (b) second story collapse form; (c) total story collapse form.
Figure 7. (a) First story collapse form; (b) second story collapse form; (c) total story collapse form.
Buildings 15 01588 g007
Figure 8. Hexagonal plastic collapse surface model and mode restoring force trajectory.
Figure 8. Hexagonal plastic collapse surface model and mode restoring force trajectory.
Buildings 15 01588 g008
Figure 9. Drift angle comparison.
Figure 9. Drift angle comparison.
Buildings 15 01588 g009
Figure 10. (a) Time history of the 1st story drift comparison; (b) time history of the 2nd story drift comparison.
Figure 10. (a) Time history of the 1st story drift comparison; (b) time history of the 2nd story drift comparison.
Buildings 15 01588 g010
Figure 11. The 9-story 3-bay frame.
Figure 11. The 9-story 3-bay frame.
Buildings 15 01588 g011
Figure 12. Acceleration time history of (a) El Centro NS; (b) Hachinohe EW; (c) Kobe NS.
Figure 12. Acceleration time history of (a) El Centro NS; (b) Hachinohe EW; (c) Kobe NS.
Buildings 15 01588 g012
Figure 13. Acceleration response spectra of the ground motion input (h = 0.02).
Figure 13. Acceleration response spectra of the ground motion input (h = 0.02).
Buildings 15 01588 g013
Figure 14. Maximum story drift of the 9-story 3-bay frame using under (a) El Centro NS; (b) Hachinohe EW; (c) Kobe NS.
Figure 14. Maximum story drift of the 9-story 3-bay frame using under (a) El Centro NS; (b) Hachinohe EW; (c) Kobe NS.
Buildings 15 01588 g014
Figure 15. Time history of story drift (El Centro NS).
Figure 15. Time history of story drift (El Centro NS).
Buildings 15 01588 g015
Figure 16. Time history of story drift (Hachinohe EW).
Figure 16. Time history of story drift (Hachinohe EW).
Buildings 15 01588 g016
Figure 17. Time history of story drift (Kobe NS).
Figure 17. Time history of story drift (Kobe NS).
Buildings 15 01588 g017
Figure 18. Hexagonal models and the restoring force trajectory under (a) El Centro NS; (b) Hachinohe EW; (c) Kobe NS.
Figure 18. Hexagonal models and the restoring force trajectory under (a) El Centro NS; (b) Hachinohe EW; (c) Kobe NS.
Buildings 15 01588 g018
Table 1. Elastic properties of the test structure.
Table 1. Elastic properties of the test structure.
Vibration ModeFirstSecond
Natural period (s)0.270.09
Effective mass (kg)14,7005300
Mode shape vector0.290.71
1.17−0.17
Table 2. Story drift comparison between simplified and detailed analyses for three ground motions.
Table 2. Story drift comparison between simplified and detailed analyses for three ground motions.
Ground MotionEl Centro NSHachinohe EWKobe NS
Story Drift Difference(rad)%(rad)%(rad)%
10.00083.3806 0.007711.0064 0.003610.8603
20.00154.1112 0.00606.7973 0.00123.0171
30.00297.3780 0.00121.4495 0.00164.2528
40.00246.5027 0.00567.1855 0.00030.8028
50.00133.6181 0.008711.3353 0.00163.2887
60.00154.4723 0.014417.6979 0.006011.4858
70.00010.3366 0.014214.7915 0.010917.9404
80.002711.3883 0.023224.1118 0.019831.8639
90.004025.8120 0.025932.4797 0.025851.9688
Table 3. Comparison of computation time between detailed and simplified analyses.
Table 3. Comparison of computation time between detailed and simplified analyses.
Analysis TypeComputation Time
Detailed analysis by SAP20002 h
SNDA with hexagonal plastic collapse surface model30 min
Disclaimer/Publisher’s Note: The statements, opinions and data contained in all publications are solely those of the individual author(s) and contributor(s) and not of MDPI and/or the editor(s). MDPI and/or the editor(s) disclaim responsibility for any injury to people or property resulting from any ideas, methods, instructions or products referred to in the content.

Share and Cite

MDPI and ACS Style

Jainih, V.; Choi, J.-H. Evaluation of Hexagonal Surface Model for Seismic Response Analysis of Multi-Story Structure. Buildings 2025, 15, 1588. https://doi.org/10.3390/buildings15101588

AMA Style

Jainih V, Choi J-H. Evaluation of Hexagonal Surface Model for Seismic Response Analysis of Multi-Story Structure. Buildings. 2025; 15(10):1588. https://doi.org/10.3390/buildings15101588

Chicago/Turabian Style

Jainih, Viliana, and Jae-Hyouk Choi. 2025. "Evaluation of Hexagonal Surface Model for Seismic Response Analysis of Multi-Story Structure" Buildings 15, no. 10: 1588. https://doi.org/10.3390/buildings15101588

APA Style

Jainih, V., & Choi, J.-H. (2025). Evaluation of Hexagonal Surface Model for Seismic Response Analysis of Multi-Story Structure. Buildings, 15(10), 1588. https://doi.org/10.3390/buildings15101588

Note that from the first issue of 2016, this journal uses article numbers instead of page numbers. See further details here.

Article Metrics

Back to TopTop