The Hysteresis Behavior of Steel Beam–Column Joint with the Load Bearing-Energy Dissipation Connection for Converter Station Building
Abstract
1. Introduction
2. The Test Program
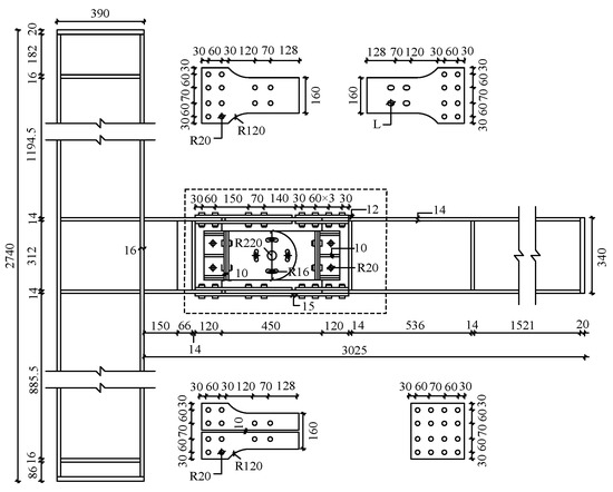
2.1. The Tested Specimens
2.2. The Test Scheme
3. Results and Discussion
3.1. The Test Phenomena
3.2. The Test Results
3.2.1. Hysteresis Curves
3.2.2. Skeleton Curves
3.2.3. Primary Performance Results
3.2.4. Energy Dissipation
4. Finite Element Analysis
4.1. Finite Element Model
4.2. Model Validation
4.3. Parametric Study
4.3.1. The Slip Length
4.3.2. The Width of the Sliding Steel Fuse
4.4. Mechanical Mechanism Analysis
5. Conclusions
- (1)
- The beam–column joint with the load bearing-energy dissipation connection could develop two-stage load–deformation characteristics, featuring a friction mechanism and bearing mechanism. The hysteresis behavior of the BCJ-BEDC was stable without obvious degradation, and the maximum drift could exceed 1/30.
- (2)
- The friction mechanism caused by the slipping behavior could improve the stress development of the framing components, and it also improved the energy dissipation behavior. The bearing mechanism was conducive to the bearing capacity, while it resulted in more serious development of the plastic behavior of the BEDC.
- (3)
- The slip length greatly influenced the load–deformation behavior of the BCJ-BEDC. A shorter slip length led to a higher bearing capacity, while it might reduce the energy dissipation capacity. The bolt distance primarily affected the ductility and the bearing capacity, which were improved through a larger bolt distance. The width of the sliding steel fuse primarily affected the bearing behavior and the degradation behavior.
- (4)
- The stress development of the BEDC was more serious than the framing components, and the Mises stress in the framing component did not exceed the yield strength during the whole loading process. The stress of the BEDC developed more quickly in the bearing stage, and the stress development was more adequate. The plastic behavior of the BCJ-BEDC was concentrated on the BEDC, especially on the sliding steel fuse.
Author Contributions
Funding
Data Availability Statement
Acknowledgments
Conflicts of Interest
References
- Dubina, D.; Stratan, A. Behaviour of welded connections of moment resisting frames beam-to-column joints. Eng. Struct. 2002, 24, 1431–1440. [Google Scholar] [CrossRef]
- Abdoh, D. Three-dimensional peridynamic modeling of deformations and fractures in steel beam-column welded connections. Eng. Fail. Anal. 2024, 160, 108155. [Google Scholar] [CrossRef]
- Vacev, T.; Paunović, S.; Nešović, I.; Zorić, A.; Milić, M. Plasticization conditions and strength of a welded beam-to-column connection in case of various detailing. Eng. Struct. 2018, 165, 11–26. [Google Scholar] [CrossRef]
- Lu, L.W.; Ricles, J.M.; Mao, C.; Fisher, J.W. Critical issues in achieving ductile behaviour of welded moment connections. J. Constr. Steel Res. 2000, 55, 325–341. [Google Scholar] [CrossRef]
- Jannesari, Z.; Tasnimi, A.A. Investigating seismic behavior of a modified widened flange beam-column connection in SMRF utilizing experimental, numerical and hybrid simulation. J. Constr. Steel Res. 2023, 207, 107971. [Google Scholar] [CrossRef]
- Sofias, C.; Pachoumis, D. Assessment of reduced beam section (RBS) moment connections subjected to cyclic loading. J. Constr. Steel Res. 2020, 171, 106151. [Google Scholar] [CrossRef]
- Sophianopoulos, D.S.; Deri, A.E. Steel beam-to-column RBS connections with European profiles: I. Static optimization. J. Constr. Steel Res. 2017, 139, 101–109. [Google Scholar] [CrossRef]
- Horton, T.A.; Hajirasouliha, I.; Davison, B.; Ozdemir, Z. More efficient design of reduced beam sections (RBS) for maximum seismic per-formance. J. Constr. Steel Res. 2021, 183, 106728. [Google Scholar] [CrossRef]
- Ohsaki, M.; Tagawa, H.; Pan, P. Shape optimization of reduced beam section under cyclic loads. J. Constr. Steel Res. 2009, 65, 1511–1519. [Google Scholar] [CrossRef]
- Atashzaban, A.; Hajirasouliha, I.; Jazany, R.A.; Izadinia, M. Optimum drilled flange moment resisting connections for seismic regions. J. Constr. Steel Res. 2015, 112, 325–338. [Google Scholar] [CrossRef]
- Shi, G.; Chen, X.; Wang, D. Experimental study of ultra-large capacity end-plate joints. J. Constr. Steel Res. 2017, 128, 354–361. [Google Scholar] [CrossRef]
- Lee, C.H.; Jung, J.H.; Oh, M.H.; Koo, E.S. Cyclic seismic testing of steel moment connections reinforced with welded straight haunch. Eng. Struct. 2003, 25, 1743–1753. [Google Scholar] [CrossRef]
- Tartaglia, R.; D’Aniello, M.; Zimbru, M.; Landolfo, R. Finite element simulations on the ultimate response of extended stiffened end-plate joints. Steel Compos. Struct. 2018, 27, 727–745. [Google Scholar]
- Zkılıç, Y.O. Cyclic and monotonic performance of unstiffened extended end-plate connections having thin end-plates and large-bolts. Eng. Struct. 2023, 281, 115794. [Google Scholar] [CrossRef]
- Munkhunur, T.; Hiroshi Tagawa, H.; Xingchen Chen, X.C. Steel rigid beam-to-column connections strengthened by buck-ling-restrained knee braces using round steel core bar dampers. Eng. Struct. 2022, 250, 113431. [Google Scholar] [CrossRef]
- Yu, Q.S.; Uang, C.M.; Gross, J. Seismic Rehabilitation Design of Steel Moment Connection with Welded Haunch. J. Struct. Eng. 2000, 126, 69–78. [Google Scholar] [CrossRef]
- Wang, M.; Ke, X.G. Seismic design of widening flange connection with fuses based on energy dissipation. J. Construc-Tional Steel Res. 2020, 170, 106076. [Google Scholar] [CrossRef]
- GB 50011-2010; Code for Seismic Design of Buildings. National Standard of the People’s Republic of China (NSPRC): Beijing, China, 2008.
- Hamburger, R.O. Prequalified connections for special and intermediate steel moment frames for seismic applications, ANSI/AISC 358-05. In Proceedings of the Structures Congress 2006, St Louis, MO, USA, 18–21 May 2006. [Google Scholar]
- Liu, X.C.; Wang, Y.; Cui, X.X.; Yu, C.; Bai, Z.X. Seismic performance of bolted beam-to-column connection with rib-stiffened splicing plate. J. Constr. Steel Res. 2020, 174, 106300. [Google Scholar] [CrossRef]
- Mou, B.; Liu, Y.; Wei, P.; Zhao, F.; Chenglong, W.; Ning, N. Numerical investigation and design method of bolted beam-column joint panel with eccentricity in beam depths. J. Constr. Steel Res. 2021, 180, 106568. [Google Scholar] [CrossRef]
- Zhang, A.L.; Qiu, P.; Guo, K.; Jiang, Z. Experimental study of earthquake-resilient end-plate type prefabricated steel frame beam-column joint. J. Constr. Steel Res. 2020, 166, 105927. [Google Scholar] [CrossRef]
- Chung, Y.L.; Chuang, C.H. Performance recovery of locally buckled reduced beam section connections by attaching buck-ling-restrained components. J. Constr. Steel Res. 2023, 210, 108122. [Google Scholar] [CrossRef]
- Xu, Y.; Su, Y.; Shang, Y.; Tian, L.-M. Seismic performance of earthquake-resilient prefabricated corrugated web beam-column connection with buckling-restrained plates. J. Constr. Steel Res. 2022, 194, 107327. [Google Scholar] [CrossRef]
- Feng, Y.; Wen, H.; Jiang, Q.; Chong, X. Experimental and numerical investigations of beam-to-column joints with a double-core buck-ling-restrained connector. J. Build. Eng. 2022, 51, 104225. [Google Scholar] [CrossRef]
- Liu, C.; Wu, J.; Xie, L. Seismic performance of buckling-restrained reduced beam section connection for steel frames. J. Constr. Steel Res. 2021, 181, 106622. [Google Scholar] [CrossRef]
- Lu, Y.; Guo, Z.; Basha, S.H.; Liu, Y. Performance of steel beams with replaceable buckling restrained fuses under cyclic loading. J. Constr. Steel Res. 2022, 194, 107310. [Google Scholar] [CrossRef]
- Chen, P.; Pan, J.; Hu, F.; Wang, Z. Experimental investigation on earthquake-resilient steel beam-to-column joints with replaceable buckling-restrained fuses. J. Constr. Steel Res. 2022, 196, 107413. [Google Scholar] [CrossRef]
- Chen, P.; Pan, J.; Hu, F.; Wang, Z. Numerical investigation on seismic resilient steel beam-to-column connections with replaceable buckling-restrained fuses. J. Constr. Steel Res. 2022, 199, 107598. [Google Scholar] [CrossRef]
- GB/T228.1; Metallic Materials-Tensile Testing at Ambient Temperature. China Standard Press: Beijing, China, 2010.
- ANSI/AISC 360-14; Seismic Provisions for Structural Steel Buildings. AISC: Chicago, IL, USA, 2016.
- Feng, P.; Qiang, H.L.; Ye, L.P. Discussion and definition on yield points of materials, members and structures. Eng. Mech. 2017, 34, 36–46. (In Chinese) [Google Scholar]
- GB 50017-2017; Standard for Design of Steel Structures. China Architecture & Building Press: Beijing, China, 2017.



















| Specimen No. | t/mm | d/mm | Ls/mm | D/mm |
|---|---|---|---|---|
| BCJ-BEDC 1 | 14 | 160 | 4 | 70 |
| BCJ-BEDC 2 | 14 | 160 | 2 | 70 |
| BCJ-BEDC 3 | 14 | 160 | 4 | 128 |
| BCJ-BEDC 4 | 14 | 160 | 2 | 128 |
| Member | Grade | t/mm | fy/MPa | fu/MPa | εy/με |
|---|---|---|---|---|---|
| Column flange | Q345 | 16 | 391 | 560 | 2519 |
| Beam flange | 14 | 400 | 561 | 2540 | |
| Flange cover plate | 12 | 387 | 554 | 2579 | |
| Steel plate damper | Q235B | 14 | 284 | 391 | 1759 |
| Specimen No. | Δy/mm | Py/mm | Δu/mm | Pmax/kN | μ | μ |
|---|---|---|---|---|---|---|
| BCJ-BEDC 1 | 39.4 | 76.6 | 117.2 | 82.2 | 2.97 | 3.47 |
| −30.5 | −77.5 | −121 | −81.9 | 3.97 | ||
| BCJ-BEDC 2 | 44.8 | 88.3 | 117.8 | 104.2 | 2.63 | 3.35 |
| −29.6 | −85.8 | −120.3 | −82.3 | 4.06 | ||
| BCJ-BEDC 3 | 51.9 | 78.1 | 115.7 | 92.1 | 2.23 | 2.36 |
| −48.6 | −63.2 | −121 | −78.9 | 2.49 | ||
| BCJ-BEDC 4 | 58.8 | 98.3 | 115.1 | 121.1 | 1.96 | 2.67 |
| −35.4 | −96.5 | −119.5 | −103.5 | 3.38 |
Disclaimer/Publisher’s Note: The statements, opinions and data contained in all publications are solely those of the individual author(s) and contributor(s) and not of MDPI and/or the editor(s). MDPI and/or the editor(s) disclaim responsibility for any injury to people or property resulting from any ideas, methods, instructions or products referred to in the content. |
© 2024 by the authors. Licensee MDPI, Basel, Switzerland. This article is an open access article distributed under the terms and conditions of the Creative Commons Attribution (CC BY) license (https://creativecommons.org/licenses/by/4.0/).
Share and Cite
Gao, X.; Lin, S.; Liu, R.; Chen, X. The Hysteresis Behavior of Steel Beam–Column Joint with the Load Bearing-Energy Dissipation Connection for Converter Station Building. Buildings 2024, 14, 2424. https://doi.org/10.3390/buildings14082424
Gao X, Lin S, Liu R, Chen X. The Hysteresis Behavior of Steel Beam–Column Joint with the Load Bearing-Energy Dissipation Connection for Converter Station Building. Buildings. 2024; 14(8):2424. https://doi.org/10.3390/buildings14082424
Chicago/Turabian StyleGao, Xian, Shaoyuan Lin, Ruyue Liu, and Xilong Chen. 2024. "The Hysteresis Behavior of Steel Beam–Column Joint with the Load Bearing-Energy Dissipation Connection for Converter Station Building" Buildings 14, no. 8: 2424. https://doi.org/10.3390/buildings14082424
APA StyleGao, X., Lin, S., Liu, R., & Chen, X. (2024). The Hysteresis Behavior of Steel Beam–Column Joint with the Load Bearing-Energy Dissipation Connection for Converter Station Building. Buildings, 14(8), 2424. https://doi.org/10.3390/buildings14082424
