Next Article in Journal
Multi-Criteria Assessment of Timber-Based Structural Systems for a Grocery Store
Next Article in Special Issue
Numerical Simulation on Aftershock Fragility of Low-Ductility RC Frames under Different Mainshock-Induced Damage Conditions
Previous Article in Journal
Design Method for Low-Carbon Fly Ash Concrete Considering Strength, Form Removal Time, and Carbonation Durability Life
Previous Article in Special Issue
A Three-Dimensional Seismic Damage Assessment Method for RC Structures Based on Multi-Mode Damage Model
 
 
Font Type:
Arial Georgia Verdana
Font Size:
Aa Aa Aa
Line Spacing:
Column Width:
Background:
Article

Seismic Performance of Full-Scale Autoclaved Aerated Concrete Panel-Assembled Walls: Experimental Study and Numerical Modeling

1
School of Civil Engineering and Architecture, Southwest University of Science and Technology, Mianyang 621010, China
2
China Railway Eryuan Engineering Group Co., Ltd., Chengdu 610031, China
*
Authors to whom correspondence should be addressed.
Buildings 2024, 14(5), 1333; https://doi.org/10.3390/buildings14051333
Submission received: 7 April 2024 / Revised: 30 April 2024 / Accepted: 3 May 2024 / Published: 8 May 2024
(This article belongs to the Special Issue Recent Study on Seismic Performance of Building Structures)

Abstract

Prefabricated panel-assembled wall systems, comprising a confining frame and infill lightweight panels of autoclaved aerated concrete (AAC), are widely employed in framed structures. Different from studies on a main frame with infill walls, this study aimed to explore the seismic performance of partition walls, which were fabricated with AAC panel-assembled walls and located outside of the main frames. Two full-scale specimens, one with a door opening and the other without, were constructed and cyclic loading tests were executed to examine the failure modes, hysteresis characteristics, envelope curves, ductility, strength and stiffness degradation, as well as energy dissipation capacity of the AAC panel-assembled walls. Additionally, a restoring-force model for the panel-assembled walls was developed and a method for predicting the lateral load-bearing capacity of the AAC panel-assembled walls was proposed. The findings indicated that the panels enhanced the system’s lateral resistance, energy dissipation capacity, and deformation capability. The door frame increased the initial stiffness, peak lateral load and energy dissipation capacity of the AAC panel-assembled wall compared to the wall without a door frame. Compared to the specimen without a door frame, the peak lateral load of the specimen with a door frame increased by 19.7–30.1%. The deformation capacity of the panel-assembled walls aligned with the requirements for concrete framed structures.

1. Introduction

Traditionally, infill walls are constructed using bricks or concrete blocks. Nevertheless, with the construction industry increasingly embracing sustainability and witnessing a rise in prefabricated buildings, materials for infill walls are progressively shifting toward autoclaved aerated concrete (AAC) blocks and panels. Due to its merits of light weight and thermal and sound insulation efficiency, AAC has been widely used in the interior and exterior walls of buildings.
Infill walls have been commonly employed to segment the internal space of buildings into individual rooms. Research has shown that infill walls between frames not only influence the dynamic characteristics, lateral resistance, and lateral stiffness of frame structures but also undergo damage during seismic events [1].
There are two kinds of seismic design philosophies for infilled frames in view of the diagonal strut effect of infill walls: one is improvement of the overall integrity and strength of infill walls, and the other is the isolation of infill walls from structural systems through gaps set between the infill walls and the main frames [2,3]. In recent years, numerous researchers have explored the seismic performance of framed structures with AAC infill walls. Sucuoğlu et al. (2014) conducted pseudo-dynamic testing and presented an analytical modeling of AAC infilled RC frames, drawing a conclusion that AAC infill panels do not modify the deformation response of the RC frame, and the diagonal strut effect of AAC infill panels must be considered in confining column design [4]. Schwarz et al. (2015) exploded the influence of AAC masonry infill walls on concrete frames, and pointed out that as compared with a frame without infill walls, a frame with masonry infill walls has a larger lateral load bearing capacity and lower ductility, and that openings in masonry infill walls produce capacity and ductility values that are intermediate between those of the frame with full infill and the frame without infill [5]. Wang et al. (2017) studied frames with autoclaved lightweight concrete (ALC) walls and indicated that embedded ALC walls can improve the rigidity and strength of frames, and that a frame with ALC walls displays good cooperative behavior and safety reliability [6]. Xu et al. (2021) analyzed the seismic behavior of AAC prefabricated panel walls and indicated that AAC panel-walls have higher seismic shear capacity as compared with block walls, and that using constructional columns can enhance the ultimate load-bearing capacity of the wall [7].
In order to limit infill frame interaction, Jin et al. (2021) presented a new type of wall configuration to isolate infill walls from the surrounding RC frames, conducted cyclic tests on RC frames with isolated infill, and found that frame-isolated infill can effectively reduce infill wall damage and undesirable infill–frame interactions [8]. Ding et al. (2022) carried out a cyclic test of a steel frame with ALC panels, proposed a novel pendulous Z-plate connector, and indicated that the new connector can reduce the damage of ALC panels and maintain the safety of the steel frames [9]. Li et al. (2023) carried out experiments on steel frames with an infill ALC wall, and indicated that the infill ALC wall panels greatly enhance the seismic performance of the frames. A steel frame with infill wall panels has better ductility and energy-dissipating capacity than a bare frame, and that the panels delay the buckling and in-plane deformation of the frame due to cooperation with the steel frame [10]. Wang et al. (2024) studied the influence of embedded prefabricated ALC wall panels on the seismic performance of assembled partially encased concrete T-shaped column frames, and indicated that the stiffness contribution of infill walls is primarily affected by local compression, and that the presence of ALC walls can significantly increase the initial stiffness of the assembled frame [11].
Previous studies primarily concentrated on infill walls constructed from materials such as bricks, concrete blocks, AAC blocks, and AAC panels. Bricks, concrete blocks, and AAC blocks were affixed to the columns of framed structures using horizontal reinforcement, while panels were attached through connectors such as T-shaped or U-shaped connectors, or L-shaped bolts. These studies typically focused on scaled frame specimens with infill walls, without considering the size effects.
This study aimed to explore the seismic performance of independent partition walls, which are fabricated with AAC panel-assembled walls and located outside of the main frames. A fabrication method for panel-assembled walls was introduced, and two full-scale specimens, one with a door opening and one without, were assembled. Cyclic loading tests were then conducted to study the seismic performance of the AAC panel-assembled walls. Furthermore, the stress distribution characteristics of the AAC panel-assembled walls were examined using the finite element (FE) method, a restoring-force model for such walls was subsequently proposed, and a method for predicting the lateral load-bearing capacity of AAC panel-assembled walls was proposed.
This study consists of nine sections. The first section introduces the research background and objectives for the AAC panel-assembled partition walls. Section 2, Section 3, Section 4 and Section 5 cover the experiment preparation and results, encompassing material properties, test setup, instrument arrangement, loading procedure, and results and analyses. In the “Results and Analyses” section, detailed experimental results are provided for both AAC panel-assembled walls with and without door openings, focusing on failure phenomena, hysteresis curves, envelope curves, ductility index, inter-story drift rotation, strength degradation, stiffness degradation, energy dissipation, and shear angle. In Section 6, a recovery force model is established, where the recovery force model is divided into two parts: the envelope model and the hysteresis rule. Section 7 discusses the material models used in FE analyses, boundary conditions, meshing, contact, connection, loading procedure, and stress distribution. It also includes a comparison of the results of the hysteresis curves and envelope curves obtained from the tests and FE analyses. In Section 8, a calculation model for the lateral load-bearing capacity of AAC panel-assembled walls is proposed, including methods to calculate the failure load of a single diagonal brace and the yielding resistance of a confining frame. Section 9 summarizes the entire study and provides the conclusions. The research framework is illustrated in Figure 1.

2. Design of Specimens

In large-span framed structures, due to the need for spatial division, walls are not necessarily placed entirely within the frames; instead, lightweight partition walls are often directly installed on the floor outside of the frames. As depicted in Figure 2, the partition wall ‘P’ is not directly connected to the structural columns and beams. According to the Chinese standard of Code for Seismic Design of Buildings (GB 50011-2010) [12], tie columns need to be appropriately placed in the partition wall, with a spacing not exceeding 4 m. To enhance the entirety of the partition wall, connecting beams are intentionally positioned at the top and bottom of the wall. Through this arrangement, nonstructural columns and beams can collaboratively form a confining frame, strengthening the partition wall. Additionally, the nonstructural beam located at the base of the partition wall serves to impede the transmission of floor moisture along the AAC panels.
According to Figure 2, two AAC panel-assembled walls were designed. Specimen W1, presented in Figure 3a, measured 3.4 m in width and height, with an opening of 1 m × 2.3 m (width × height). W1 included a confining frame, a door frame, three vertical panels and one horizontal panel. The confining frame was made of two prefabricated columns (labeled as C1) and two prefabricated beams (labeled as B1 and B2). The door frame was made of two door columns (labeled as C2 and C3) and a door beam (labeled as B3). The width of the two vertical panels and the horizontal panels was 0.6 m (labeled as P1 or P3), and the wide of one vertical panel was 0.5 m (labeled as P2). In Figure 3b, specimen W2, also measuring 3.4 m in width and height, incorporated a confining frame and five vertical panels. The confining frame of W2 consisted of two prefabricated columns (labeled as C1) and two prefabricated beams (labeled as B1). The panels of W2 were arranged vertically, and the width of the panels was 0.6 m (labeled as P1).
In Figure 3, the panels and the prefabricated components were connected through mortise and tenon and L-shaped connectors (represented as ‘L’ in the Figure 3). The L-shaped connectors were constructed by welding a 1.5 mm thick steel pipe with a diameter of 15 mm and a 3 mm thick steel plate, as depicted in Figure 4a. Prefabricated components were connected by cast-in-place concrete (as shown in Figure 4b) and represented as ‘J’ in Figure 3. After the prefabricated components were installed, stirrups were welded onto the reserved longitudinal steel bars at the ends of the components. Subsequently, molding boards were installed, and concrete was poured in the joint regions.
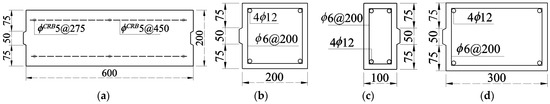
The reinforcement and cross-sectional dimensions of the AAC panels are depicted in Figure 5a. The cross-sections and reinforcement details of the prefabricated components can be found in Figure 5b–d. The dimensions of the prefabricated components and AAC panels are provided in Table 1.
In the prefabricated components, the stirrup had a diameter of 6 mm and a grade of HPB300, while the longitudinal reinforcement had a diameter of 12 mm and a grade of HRB400. The AAC panels had a density of 0.8 kN/m³ and a designed compressive strength of 5.0 N/mm². The panels were internally reinforced with a double layer of welded web, featuring 5 mm diameter steel rod.
The installation sequence for the AAC panel-assembled wall was as follows:
  • Install the prefabricated components;
  • Pour cast-in-place joints;
  • Install panels after the concrete in the joints reaches the design strength;
  • Hammer the steel pipe of the L-shaped connector into the end of the panels;
  • Align the panel with the confining frame;
  • Move the panel into the intended position;
  • Fasten the L-shaped connectors to the confining beam using explosive pins.

3. Material Properties

The prefabricated components employed commercial concrete with a design strength of C30 (Mianyang Chielong Concrete Co., LTD., Mianyang, China). Concrete with grade of C30 was utilized for the cast-in-place joints and the mix ratios of the cast-in-place concrete are outlined in Table 2.
The designated concrete grade for both the prefabricated components and joints was C30. In accordance with the literature [13], the parameters of the mechanical performance for the concrete were tested. The standard compressive strength for the concrete cubes with sizes of 150 mm × 150 mm × 150 mm was 32.41 N/mm2 for both the prefabricated components and cast-in-place joints. Additional mechanical parameters of the concrete were derived from the Chinese standard of the Code for design of concrete structures (GB 50010-2010) [14] and are given in Table 3. The standard compressive strength for the AAC cubes was 5.17 N/mm2.
The diameter of the stirrups was 6 mm, with a grade of HPB300. The diameter of longitudinal reinforcements was 12 mm, with a grade of HRB400. And the diameter of cold-rolled ribbed steel bars used in AAC panels was 5 mm, with a grade of CRB 550. According to the Chinese standard of Cold Rolled Ribbed Steel Wires and Bars (GB/T 123788-2017) [15], the yield tensile strength of CRB 550 was 500 N/mm2. The mechanical parameters of the reinforcement bars are given in Table 3.

4. Experimental Program

4.1. Test Setup

The specimens were affixed to the base through embedded steel plates, and the horizontal loading equipment used was an electro-hydraulic servo loading system manufactured by the corporation of Mechanical Testing & Simulation, Eden Prairie, MN, USA. To prevent out-of-plane displacement during the experiment, two lateral support beams were strategically installed on both the front and back sides at the top of the specimens, as depicted in Figure 6.

4.2. Arrangement of Instruments

The configuration of the instruments and gauges is depicted in Figure 6. To capture the true drift of the specimens, LVDT-1 was positioned on the top right of the specimen, while LVDT-4 was placed at the bottom. LVDT-2 and LVDT-3 were strategically located on both sides of the foundation’s top. To measure the shear deformation in the specimens, two diagonal wire displacement gauges, L-1 and L-2, were installed. Four displacement gauges, namely G-1, G-2, G-3, and G-4, were arranged to assess the relative sliding between the wall panels and the prefabricated columns. To detect the concrete strain, five 100 mm-long strain gauges were positioned along the surface of the prefabricated components at each section 100 mm from every joint. Furthermore, for monitoring the rebar strain, 10 mm-long strain gauges were applied to longitudinal bars located 100 mm from each joint.

4.3. Loading Procedure

In accordance with literature [16,17,18,19,20], the predetermined loading procedure is depicted in Figure 7. The specimen’s rightward movement was considered positive, while leftward movement was negative, corresponding to the actuator’s push and pull directions. The loading method was displacement-controlled, where each level cycled once at intended drifts of 10 mm, 20 mm, and 30 mm. At the intended drifts range from 40 mm and 120 mm, each level cycled thrice, increasing the intended drift by 20 mm. Starting from 120 mm, each level repeated thrice, incrementing the intended drift by 30 mm per level. The cycling continued until the lateral load decreased to 85% of the maximum load, at which point the test stopped.

4.4. Results and Analyses

4.4.1. Failure Phenomenon

During the experimental process, as the drift increased, cracks initially appeared on the prefabricated column C1, followed by the occurrence of cracks on the upper prefabricated beam B1. When the drift became significant, inclined cracks appeared at the cast-in-place joints and localized shear failure occurred at the corner of the AAC panels and at the cast-in-place joints. The ultimate final failure modes are illustrated in Figure 8.
When the drift was less than 20 mm, the lateral load was borne by the confining frame due to a 20 mm installation gap on both sides of the wall panels. The interaction force between the AAC panels and the confining frame was relatively small, but due to the presence of L-shaped connectors and mortise-tenon joints, the panels moved along with the confining frame. As drift increased, the interaction between the panels and the frame gradually strengthened, primarily manifested in the upward bending of the top beam of the confining frame due to the uplift of the corners of the panels. At a drift of 10 mm, horizontal flexural cracks initiated in the prefabricated column C1, at heights ranging from 0.85 m to 1.12 m (see Figure 9a).
In the drift range of 20–80 mm, under cyclic loading, the lateral load was mainly borne by the confining frame and shared by the panels through their interaction. When the drift reached 20–30 mm, the longitudinal steel bar yielded, and vertical flexural cracks emerged in the prefabricated beam B1 due to the uplift rotation of the AAC panels (see Figure 9b). In the range of 50 mm to 60 mm drift, inclined cracks initiated at the upper joints of the door frame and the upper joints of the confining frame. At 80 mm drift, the lateral force reached its maximum, leading to concrete spalling at the joints of the door frame (see Figure 9c).
When the drift was larger than 80 mm, severe damage occurred at the corners of the confining frame, forming ‘joint hinges’ (see Figure 9d,e). The lateral load borne by the confining frame gradually decreased. Due to the inclination and uplift of the AAC panels, the diagram strut effect of the AAC panels on the confining frame strengthened, and the lateral load was primarily borne by the panels. This increased support enhanced the ductility, energy dissipation, and deformation capability of the panel-assembled wall system.
With increasing drift, the corners of the AAC panels rotated and uplifted, resulting in shear failure at the corners of the panels (see Figure 10a,b).
At a drift of 210 mm, the weld seam of the embedded steel plate in the left prefabricated column C1 of specimen W1 fractured (see Figure 10c). With increasing drift, the gap between the panels and the top beam of the confining frame became wider, and the L-shaped connectors between the panels and the top beam deformed with the rotation of the panels, as shown in the Figure 10d.
At a drift of 250 mm, a significant amount of concrete spalling occurred at the cast-in-place joints of the specimens, causing a rapid decrease in lateral load-bearing capacity. Throughout the experimental process, careful observation of crack development on the specimen’s surfaces was conducted. The maximum crack lengths and widths on the specimen’s surfaces at yield, peak, and ultimate states are detailed in Table 4. The rotational uplift of concrete panels was observed during the experimental process, and the uplift heights are also provided in Table 4.

4.4.2. Hysteresis Curves

The hysteresis curves are shown in Figure 11. When the drift was less than 30 mm, the hysteresis curves exhibited a ‘spindle’ shape, and at this moment, cracks primarily appeared on the prefabricated columns and beams, with minimal residual deformation after unloading. As the drift increased from 30 mm to 80 mm, the hysteresis curves gradually transformed into an ‘S’ shape, leading to the initiation of cracks in the joints of the confining frame. When the drift exceeded 80 mm, the hysteresis curves gradually transformed into a ‘Z’ shape. With increasing drift, cracks in the cast-in-place joints gradually extended, with their width gradually increasing, forming a ‘joint hinge.’ In the range of 80 mm to 150 mm drift, the concrete in the joint region gradually peeled off, resulting in a gradual reduction in lateral load-bearing capacity. When the drift reached 100 mm to 120 mm, the lateral load-bearing capacity dropped to a minimum value. At this stage, the rotation angle of the AAC panels gradually increased, and the interaction between the AAC panels and the confining frame increased. With a drift of 120 mm to 150 mm, due to the enhanced interaction between the AAC panels and the confining frame, the lateral load-bearing capacity recovered from the minimum value. Continuing to increase the drift, the corners of AAC panels gradually underwent damage, and the interaction between the AAC panels and the confining frame began to decrease, leading to a gradual reduction in lateral load-bearing capacity.

4.4.3. Envelope Curves

The geometric plotting method was used to determine the key points. The force–drift envelope curves are illustrated in Figure 12. From the graph, it is evident that the envelope curves for panel-assembled wall W1 and the specimen W2 exhibited similar shapes and development trends. The cracking loads and cracking drifts were close. Under the same intended drift, the positive lateral load of the envelope curves was greater than the corresponding negative. The panels played a crucial role in supporting the confining frame, thereby enhancing the lateral load-bearing capacity and the ductility of the panel-assembled walls.
The interaction between panels and the confining frame led to a ‘decreasing—increasing—decreasing’ process in the descending segment of the envelope curves. In this process, ‘joint hinges’ formed, reducing the lateral load-bearing capacity of the confining frame. As drift continued to increase, the panels rotated and uplifted, increasing their support to the frame. After the shear failure of the corners of the panels, their supporting effect decreased.
Table 5 illustrates the key points of the envelope curves. The door frame could enhance the initial stiffness and peak load of the panel-assembled wall. Compared to specimen W2, in the positive direction, the yield load, peak load, and ultimate load of specimen W1 with a door frame increased by 18.9%, 19.7%, and 19.7%, respectively, while in the negative direction, the yield load, peak load, and ultimate load of specimen W1 increased by 9.8%, 30.1%, and 30.1%. The negative yield load of specimen W1 was about 0.48 times its positive yield load, whereas for specimen W2, it was 0.52 times its positive yield load.

4.4.4. Ductility Index and Inter-Story Drift Rotation

The ductility is typically expressed using a ductility index. The ductility index β is the ratio of the ultimate drift Δu to the yield drift Δy of the envelope curve [8].
β = Δ u / Δ y
Table 5 indicates that the ductility index for panel-assembled walls ranges from 8.55 to 14.01, significantly exceeding the ductility index of 2.8 for concrete frames. This suggested that panel-assembled walls remained in a safe state before the main frame structure failed. The door frame could lead to a reduction in the ductility of the panel-assembled walls. The average ductility index of specimen W2 was 20.64% higher than that of specimen W1.
According to the Chinese standard of Code for Seismic Design of Buildings (GB 50011-2010) [12], the limit value of elastic inter-story drift rotation for the R.C. frame is 1/550, and the limit value of elastic–plastic inter-story drift rotation of the R.C. frame is 1/50. Based on Table 5, the values of the elastic inter-story drift rotation of the panel-assembled walls ranged from 1/200 to 1/147, which was greater than 1/550. The values of elastic–plastic inter-story drift rotation, 1/17 to 1/14, were greater than 1/50, meeting the code requirements. Furthermore, it was important to note that the values of the cracking inter-story drift rotation of panel-assembled walls was 1/330, exceeding 1/550, and the values of the peak inter-story drift rotation were 1/41 to 1/27, exceeding 1/50. These findings suggest that the panel-assembled walls retained their elasticity during frequent earthquake activity. Additionally, under rare earthquake conditions, they had not yet reached their peak state, indicating a substantial safety margin.

4.4.5. Strength Degradation

Strength degradation corresponds to the strength decrease induced by the subsequent cycle for a given displacement [8]. The strength degradation factor is given as:
λ i j = F j 2 / F j 1
where λij is the strength degradation factor for the cycle ‘i’ with the intended displacement ‘j’, Fj1 is the load (in kN) undertaken by the structure at the first cycle with the intended displacement ‘j’, and Fj2 is the load (in kN) undertaken by the structure at the cycle ‘2’ with the intended displacement ‘j’.
As depicted in Figure 13, the strength degradation factor remained relatively high with an increase in the ductility ratio Δ/Δy, indicating a robust load-bearing capacity for the specimens. The positive strength degradation factor varied within the range of 0.71 to 0.98. For specimen W1, when the ductility ratio was less than 0.45 (corresponding to a displacement of 10 mm), the negative strength degradation factor was 0.68. Similarly, for specimen W2, when the ductility ratio was less than 1.80 (displacement less than 30 mm), the negative strength degradation factor ranged from 0.68 to 0.78. Furthermore, within the drift range of 40 mm to 150 mm, the negative strength degradation factor exceeded 0.82.

4.4.6. Stiffness Degradation

The stiffness of a structure is referred to as the secant stiffness (or effective stiffness) corresponding to a pair of displacement and force at a given cyclic amplitude [8]. The effective stiffness is justified as:
k   j i = i = 1 n F j i / j n Δ j i
in which kji is the secant stiffness (in kN/mm) for the cycle ‘i’ with the intended displacement ‘j’. Fji is the lateral loads (in kN) for the cycle ‘i’ with the intended displacement ‘j’. And Δji is the drift (in mm) for the cycle ‘i’ with the intended drift ‘j’.
As shown in Figure 14, there was minimal difference between the positive effective stiffness of specimen W1 and W2, as well as between their respective negative effective stiffness. This suggested that the door frame could enhance the lateral stiffness of the AAC panel walls, although its impact was relatively small.
As illustrated in Figure 14, the positive effective stiffness of the specimen exceeded its negative counterpart, and the effective stiffness decreased with an increase in the ductility ratio. When the ductility ratio was less than 2 (corresponding to a displacement of less than 30–40 mm), the positive effective stiffness decreased rapidly with an increasing ductility ratio. For specimen W1, the positive effective stiffness dropped from 3.3 kN/mm to 0.88 kN/mm, and for specimen W2, it decreased from 2.9 kN/mm to 0.95 kN/mm. When the ductility ratio was less than 1 (displacement less than 20 mm), the negative effective stiffness decreased rapidly with an increasing ductility ratio. For specimen W1, the negative effective stiffness decreased from 1.63 kN/mm to 0.58 kN/mm, and for specimen W2, it decreased from 1.43 kN/mm to 0.58 kN/mm. As the ductility ratio increased from 2 to 6, the effective stiffness gradually decreased. When the ductility ratio exceeded 6, the effective stiffness was close to a constant value of 0.14 kN/mm.
The relationship between the effective stiffness of specimens and the ductility ratio is represented by the fitting formula of Equation (4). The fitting curves are depicted in Figure 14, and it can be observed from the figure that the fitting curves align well with the experimental curves. The correlation coefficient (R2) for the fitted Equation (4) is 0.98, indicating that the chosen curve model is well-suited:
k + = 1.331 Δ / Δ y 0.809 k = 0.665 Δ / Δ y 0.600
where k+ is the positive effective stiffness, and k is the negative effective stiffness.

4.4.7. Energy Dissipation

Energy dissipation is measured by the area enclosed by the load-drift hysteretic loop (shown in Figure 15). The area of hysteretic loops reflects the amount of energy dissipation. The larger the hysteretic loop, the better the energy dissipation capacity of a structure [8]. The energy dissipation capacity, which is denoted by the energy dissipation factor, is an important index to evaluate the structural seismic-resistance capacity. The energy dissipation factor is expressed as:
h e = 1 2 π . S a b c + S c d a S o b e + S o d f
where he is the energy dissipation factor, Sabc + Scda is the area (in kN·mm) enclosed by the curves of ab-bc-cd-da. Sobe + Sodf is the area (in kN·mm) enclosed by the polyline of o-b-e and o-d-f.
The energy dissipation factors for the specimens are depicted in Figure 16, and it can be observed from the figure that the energy dissipation factor varies within the range of 0.075 to 0.128, and the energy dissipation factor of specimen W1 was greater than that of specimen W2, indicating that the door frame could improve the energy dissipation capacity of the panel-assembled walls.

5. Shear Angle

As depicted in Figure 6, the diagonal displacements of the assembled panels were measured using wire displacement gauges L-1 and L-2 [8]. As indicated in Figure 17, the shear deformation Δs in the assembled panels can be calculated using Equation (6). The shear angle is determined by Equation (7).
Δ s = 1 2 ( d 1 + D 1 2 h 2 d 2 + D 2 2 h 2 )
γ = Δ s / h
where, h represents the initial vertical distance between the ends of the wire displacement gauges, and L is the initial horizontal distance between these ends. Δs denotes the shear deformation, and γ is the shear angle. Additionally, d1 and d2 are the initial lengths of the diagonal lines, while D1 and D2 represent the measured values obtained from wire displacement gauges L-2 and L-1, respectively.
The correlation between the shear angle (γ) and the inter-story drift rotation (θ) is illustrated in Figure 18. It can be observed from the graph that the shear angle increased with the increase of inter-story drift rotation. The experimental data were fitted using a linear function, given by Equation (8), with a high correlation coefficient (R2) of 0.99. The fitting results are depicted in Figure 18.
γ = 0.954 θ
where θ is the inter-story drift rotation.

6. Recovery Force Model

6.1. Envelope Model

Utilizing the methodologies from the hysteresis model discussed in references [21,22], this research employed a fitting approach and relied on experimental results to derive the normal envelope curve suitable for panel-assembled walls, as depicted in Figure 19. The expression for this curve is provided below:
y = α 1 x α 2                       x 1 y = x η ( x 1 ) 2 + x           x > 1
where y = F/Fp, x = Δ/Δp, Δ is the drift, Δp is the peak drift, F is the horizontal load, and Fp is the peak horizontal load. The parameters α1, α2, and η are given in Table 6.

6.2. Hysteresis Rule

The pivotal point model has exhibited extensive adaptability to various hysteresis models [23,24]. Drawing upon the features of the pivotal point model and the hysteresis loops of panel-assembled walls obtained, an eight-line-segment hysteresis rule is introduced, as depicted in Figure 20.
In Figure 20, the points pv+ and pv represent pivot points situated on the skeleton curve. The relationship between the ordinate ypv of the pivot point and the peak normal lateral load value yp is illustrated by:
y p v = β p v y p
where ypv is the vertical coordinate of pivotal point, yp is the peak point, and is equal to 1. And βpv is a parameter, which is given in Table 6.
In Figure 20, the segments pv+-ptn+ and pv-ptn represent turning lines, and the points ptn+ and ptn on these lines serve as turning points for the unloading curves. The unloading curve undergoes a directional shift upon intersecting the turning line. The expression for the turning line is detailed in Equation (11):
y t n = β t n x t n + c t n
where βtn and ctn are the parameters given in Table 6.
The curves ptn-pv+-pts+-p+ and ptn+-pv-pts-p are the loading curves, while p+-ptn+ and p-ptn represent the unloading curves. The unloading stiffness for segment p+-ptn+ is denoted as k1, and for segment p-ptn, it is represented as k3:
k i = ( 1 D ) k i n i
where ki represents both k1 and k3, with k1 denoting the stiffness during positive unloading and k3 representing the stiffness during negative unloading. kini signifies the stiffness at the pivotal points pv+ and pv. D stands for the damage factor, and its expression is defined as follows:
D = β D x + c D
where βD and cD are parameters, which are given in Table 6.
The points pts+ and pts denote the turning points of the loading curves, with coordinates (xts, yts). The coordinate expressions for the turning points of the loading curves are as follows:
x t s = μ t s x x i y t s = μ t s y y i
where xi is normal intended drift, yi is normal intended horizontal load, and μtsx and μtsx are parameters given in Table 6.
To validate the accuracy of the proposed recovery force model, a hysteresis model generation program was developed. Through comparison, it was found that the generated hysteresis curve aligns well with the loading and unloading curves, turning points, and other key features of the specimen’s hysteresis curves.

7. Finite Element Analysis

The finite element (FE) analysis of specimens was conducted using the commercial software ABAQUS of the version number 6.10 (Dassault Systems Simulia Corp., Providence, RI, USA). Solid elements of C3D8R were employed for the confining frame and AAC panels [25]. Concrete and AAC instances were modeled using a concrete damage constitutive model.
The stress–strain curve of concrete under uniaxial compression is as follows:
σ = ( 1 d c ) E c ε
where dc is the compressive damage factor and can be determined according to literature [14].
The stress–strain curve of concrete under uniaxial tension is as follows:
σ = ( 1 d t ) E t ε
where dt is the tensile damage factor and can be determined according to literature [14].
Plastic damage parameters of concrete are shown in Table 7. In Table 7, fb0/fc0 is the ratio of biaxial ultimate compressive strength to uniaxial ultimate compressive strength.
Steel bars in prefabricated components and panels were simulated using truss elements, and the constitutive model for steel reinforcement employed a bilinear hardening model. In the elastic range, the modulus of elasticity for the steel reinforcement is Es = 210,000 MPa, and the hardening modulus for the steel reinforcement is Es = αEs, where α = 0.01. The stress–strain relationship for the steel reinforcement is as follows:
σ = E s ε                                                       0 ε ε y f y + ( ε ε y ) α E s           ε y ε ε u
The connection between steel reinforcements and concrete was modeled using an embedded contact relationship.
The connection between AAC panels was simulated using a face-to-face contact relationship with a friction coefficient of 0.35. Similarly, the connection between AAC panels and prefabricated components also utilized a face-to-face contact relationship with a friction coefficient of 0.45.
The L-shaped connectors between the AAC panels and the confining frame were modeled using three-directional spring elements. The bottom boundary conditions of the specimen were set as fixed boundaries. Cyclic loading was applied to the coupling nodes at the top of the specimen. The installation gap between the AAC panels and prefabricated components was set at 20 mm. The fixed boundary was applied to the bottom of the base of the models.
The concrete components and AAC panels were modeled using solid elements, with the element type of C3D8R. The rebar was modeled using three-dimensional truss elements of T3D2. The element size for the concrete components was 50 mm, while for the AAC panels it was 100 mm. The rebar element size was 50 mm. This mesh division balanced the computation speed and accuracy in the Abaqus numerical simulation software.
Through FE analysis, it was observed that between the yield load and the peak load, the specimen had undergone damage in the confining frame, with no failure observed in the AAC panels. With an increase in drift, the interaction between the panels and the confining frame strengthened, causing the top beam of the confining frame to bend upward, generating tensile stress at the upper part of the top beam.
At a drift of 210 mm, the maximum principal stress in the frame of specimens W1 and W2 is shown in Figure 21a and Figure 21b, respectively. The Mises stress in the AAC panels of specimens W1 and W2 is shown in Figure 21c and Figure 21d, respectively.
A comparison between Figure 8 and Figure 21 indicated that the deformation patterns derived from FE analysis for the confining frames and AAC panels aligned with those observed in experiments, confirming an interaction between the wall panels and the frames. Stress concentrated at the corners of the confining frames and the AAC panels. When the diagonal strut effect of the AAC panels reached its critical limit, shear failure occurred at the corners of the panels. Furthermore, the specimen without a door frame primarily transmitted pressure from the confining frame to the AAC panels, while the specimen with a door frame could transmit pressure through the door frame to the AAC panels.
The hysteresis curves obtained from the simulation and tests for specimens W1 and W2 are shown in Figure 22a and Figure 22b, respectively. The envelope curves from both the simulation and tests for specimens W1 and W2 are presented in Figure 22c and Figure 22d, respectively.
A comparison between the simulated and experimental hysteresis and envelope curves revealed the following: FE analysis could capture the pinching effect in the hysteresis curves of the AAC panel-assembled walls. In the positive direction, the FE generated hysteresis and envelope curves closely matched the experimental results. In the negative direction, when the drift exceeded the peak drift, the agreement between the simulated and experimental curves was also strong. However, when the drift in the negative direction was below the peak drift, deviations arose between the simulation and experimental outcomes.
The reason for this inconsistency was that when the drift was small, the lateral force was primarily borne by the confining frames, made of precast concrete, while the joints were cast-in-place; a discontinuity existed between the cast-in-place joints and the precast components. At a given drift, when the specimen experienced a drift in the positive direction, it could cause damage at the discontinuity, reducing the specimen’s capacity to resist lateral force in the negative direction. This discontinuity effect was difficult to simulate accurately with FE analysis.

8. Analytical Method of AAC Panel-Assembled Walls

8.1. Calculation Model

Based on the experimental results and finite element analyses, the failure sequence of AAC panel-assembled walls was as follows: firstly, the confining frames developed joints hinges; after that, the corners of AAC panels experienced shear failure sequentially from both sides toward the center.
For calculating the internal forces of confined AAC panel-assembled walls, the following assumptions were taken:
  • The lateral load-bearing capacity of the confining frame follows an ideal elastic–plastic constitutive model;
  • The failure load of AAC panels adopts a brittle fracture model;
  • The diagonal strut effect of confined AAC panels is modeled using a single diagonal brace model, where each brace can only withstand compression, as shown in Figure 23a;
  • The connections between the confining frame and AAC panels are hinged and the braces fail one after another, as shown in Figure 23a.
The calculation for shear failure at the corner of the diagonal brace is depicted in Figure 23b. In the process of the experiment, the lengths of the failure corners of the AAC panels were measured. After counting the geometrical dimensions of the 11 destroyed wedges, it was found that the average length of the side BC of the triangle ABC was 270 mm, and the average angle α in Figure 23b was 21.75°.
From Figure 23b, it is evident that when AAC panels undergo rotation along the lower right corner, the angle γ between the diagonal line AD and the inclined side BC of the triangle ABC remains constant at 33.06°. In the event of shear failure at the panel corner, the shear force T on the inclined side BC of right-angled triangle ABC is determined by:
T = τ × t × l B C
where τ is the shear strength of AAC and is 0.5 N/mm2 (shown in Table 3), t is the thickness of AAC panels and is 200 mm (shown in Table 1), and lBC is the average length of the side BC and is 270 mm.
During the rotational motion of the panel, the component force Td along the diagonal line AD of the resultant force T remains constant. During the occurrence of shear failure at the corner of the panel, the critical limit value Td for the AAC panel failure can be derived according to the following formula:
T d = T × c o s γ
In the single brace model, the horizontal force corresponding to the failure of diagonal brace D is calculated using the formula:
F d = T x = T × s i n ( θ )
As the angle θ increases from 0 °C to 5 °C, the drift increases from 0 mm to 263.75 mm, and the horizontal force Fd increases from 10 kN to 12.15 kN; the average force Fd is 11.08 kN. In engineering applications, taking the Fd as 11.08 kN cannot introduce too much error. The shear failure parameters of an AAC panel are given in Table 8.

8.2. D-Value Method

The calculation diagram of specimen W1 using the D-value method is illustrated in Figure 24a. In Figure 24a, the beam at the upper part of the door frame is connected to the confining frame through two fictitious members, assuming a hinged connection at the joints. The calculation diagram of specimen W2 using the D-value method is illustrated in Figure 24b.
The initial stiffness of the confining frame was calculated using the D-value method [26], and the results were compared with experimental findings. The experimental initial stiffness values in Table 9 represent the average of positive and negative initial stiffness (shown in Figure 14).
As shown in Table 9, the calculated initial stiffness of the confining frame of the specimen W1 (W2) using the D-value method exhibiting a 16.75% (−10.93%) deviation with the average experimental initial stiffness in the positive and negative direction (shown in Figure 14). This value falls below the 20% threshold, making it acceptable from an engineering application perspective. This suggests that when displacements are small, the external forces acting on confined AAC panel-assembled walls are predominantly borne by the confining frame.

8.3. Yielding Resistance of Confining Frame

In accordance with the Chinese Code for Design of Concrete Structures (GB 50010-2010) [14], the calculation diagram for the yielding moment of the components in the confining frame is depicted in Figure 25a. When a column yields, the corresponding shear force at the flexure point of the column can be calculated based on moment equilibrium. The calculation diagram is illustrated in Figure 25b. The calculation diagram of shear force for a joint is presented in Figure 25c.
The formula for calculating the yielding moment is as follows:
M y = f y A s ( h 0 a s )
where fy is the yield tensile strength of reinforcements (shown in Table 3), As is the area of the reinforcements in the tensile region, and h0 and as′ are the effective height and the distance from the center of the bar to the tension face of the cross section of a concrete member, respectively.
The shear force corresponding to the yielding of the column is:
V y = M y / ( h i / 2 )
where hi is the length of the column.
The shear force sustained by a joint is calculated as:
V j = f y A s V y
The horizontal force corresponding to the yielding of the confining frame is:
F y = i = 1 n V y i
where Vyi is the yielding shear force of the column i and n is the number of columns.
The shear bearing capacity of a joint is:
V c s = 0.7 f t b h 0 + f y v A s v h 0 / s
where fyv is the yield tensile strength of stirrups, ft is the tensile strength for concrete (shown in Table 3), Asv is the gross area of the multiple legs of stirrup, and s is the interval between stirrups. The parameters can refer to Table 3 and Figure 5.
The yielding force of columns Fy, the shear force Vj and the shear bearing capacity Vcs of the joints calculated according to Equations (23)–(25) are given in Table 10. At yielding, the shear force of the joints is relatively high, approaching the shear resistance capacity of the joints. When the AAC panels interact with the confining frame, the actual shear force at the joints will be even higher. This provides a force−based explanation for the formation mechanism of the joint hinges observed in the experimental process.

8.4. Lateral Load-Bearing Capacity of AAC Panel-Assembled Walls

The formula for calculating the peak load of the AAC panel-assembled walls is presented below:
F w = F y + F d + F p
where Fy is the yielding force of the confining frame, Fd is the ultimate support force of the diagonal brace, and Fp is the horizontal force needed to initiate panel rotation, overcoming the self−weight of the panels:
F p = i = 1 n G p i W p i / 2 h p i
where n represents the number of panels, Wpi is the width of the wall panel, Gpi is the self-weight of the panel i, calculated as Gpi = Vpi × ρ in kN, Vpi is the volume of the panel i, and ρ is the bulk density of the AAC panel and is equal to 0.8 kN/m³.
Table 11 presents the calculated peak load of the AAC panel-assembled walls based on Equation (26). Fave in Table 11 represents the average values of the experimental positive and negative peak loads (refer to Table 5). The maximum error between the calculated and the experimental average peak load is 9.65%, less than 20%, which is deemed acceptable in engineering applications.

9. Conclusions

In this study, two full-scale specimens, one with a door opening and the other without, were fabricated and tested. The seismic performance of the panel-assembled walls was studied by experiments and FE analyses. Based on the test results and the FE analyses, the following conclusions could be developed:
  • The panels in the panel-assembled walls system played a crucial role in contributing to the lateral resistance. The diagonal strut effect of AAC panels further enhanced the system’s ductility, energy dissipation capacity, and deformation capability.
  • The lateral load was initially borne by the frame when the drift was less than 20 mm, but as the drift increased, the interaction between the frame and panels intensified. After reaching the peak load, severe damage occurred at the corners of the frame, leading to the formation of ‘joint hinges’. Subsequently, the primary responsibility for bearing the lateral load shifted to the panels.
  • The value of elastic inter-story drift rotation of the panel-assembled walls ranged from 1/200 to 1/147, which was greater than 1/550. The values of elastic-plastic inter−story drift rotation, 1/17 to 1/14, were greater than 1/50, not only meeting the requirements outlined in the Chinese building code but also demonstrating a substantial safety margin. Notably, the panel-assembled walls maintained a secure state even after the main frame structure reached failure.
  • The door frame was found to enhance the initial stiffness, peak load and energy dissipation capacity of the panel-assembled wall, but could lead to a small reduction in ductility. Compared to the specimen without the door frame, the peak lateral load of the specimen with the door frame increased by 19.7–30.1%.
  • Cracks were observed initially on the prefabricated columns, followed by the upper prefabricated beam and at the cast-in-place joints and corners of the AAC panels.
  • The effective stiffness of specimens with and without a door opening was close. The positive effective stiffness of panel-assembled walls exceeded its negative, decreasing with an increase in drift.
  • The developed restoring-force model and the method presented for predicting the lateral load-bearing capacity of confined AAC panel walls were acceptable in engineering applications.
Unlike infill walls between frames, this study examined the lateral load resistance and deformation capacity of AAC panel−assembled partition walls that were directly installed on the floor outside the frames. The findings from this research are not suitable for direct application to infill walls between frames. Additionally, if the tie columns in the partition walls do not meet the requirements of relevant seismic codes, directly applying the results and conclusions from this study could lead to significant errors.

Author Contributions

Conceptualization, X.L., Q.Z. and Z.Z.; Methodology, X.L., Q.Z. and Z.Z.; Software and validation, D.M.; Formal analysis, X.L. and D.M.; Investigation, Q.Z., Z.Z., H.B. and Y.Y.; Writing—original draft and writing—review and editing, X.L.; Resources, supervision and project administration, H.B. and Y.Y. All authors have read and agreed to the published version of the manuscript.

Funding

This research was funded by the Natural Science Foundation of Sichuan Province, grant numbers 2022NSFSC0095 & 2022NSFSC0319; Natural Science Foundation of Southwest University of Science and Technology, grant number 21zx7121; and Science and Technology Planning Project of Ningbo City, grant number 2022T003.

Data Availability Statement

The data presented in this study are available on request from the corresponding author.

Conflicts of Interest

Authors Qidi Zhang and Han Bao were employed by the company of China Railway Eryuan Engineering Group Co., Ltd. The remaining authors declare that the research was conducted in the absence of any commercial or financial relationships that could be construed as a potential conflict of interest.

References

  1. Tong, X.; Hajjar, J.F.; Schultz, A.E.; Shield, C.K. Cyclic behavior of steel frame structures with composite reinforced concrete infill walls and partially-restrained connections. J. Constr. Steel Res. 2005, 61, 531–552. [Google Scholar] [CrossRef]
  2. Penna, A.; Mandirola, M.; Rota, M.; Magenes, G. Experimental assessment of the in-plane lateral capacity of autoclaved aerated concrete (AAC) masonry walls with flat-truss bed-joint reinforcement. Constr. Build. Mater. 2015, 82, 155–166. [Google Scholar] [CrossRef]
  3. Du, Y.; Mohammed, A.; Chen, Z.; Mohammed, A.H.; Huang, J. Seismic behaviors of CFT-column frame-four-corner bolted connected buckling-restrained steel plate shear walls using ALC/RAC panels. Thin-Walled Struct. 2024, 195, 111365. [Google Scholar] [CrossRef]
  4. Sucuoğlu, H.; Siddiqui, U. Pseudo-dynamic testing and analytical modeling of AAC infilled RC frames. J. Earthq. Eng. 2014, 18, 1281–1301. [Google Scholar] [CrossRef]
  5. Schwarz, S.; Hanaor, A.; Yankelevsky, D.Z. Experimental response of reinforced concrete frames with AAC masonry infill walls to in-plane cyclic loading. Structures 2015, 3, 306–319. [Google Scholar] [CrossRef]
  6. Wang, J.; Li, B. Cyclic testing of square CFST frames with ALC panel or block walls. J. Constr. Steel Res. 2017, 130, 264–279. [Google Scholar] [CrossRef]
  7. Xu, C.; Nehdi, M.L.; Wang, K.; Guo, Y. Experimental study on seismic behavior of novel AAC prefabricated panel walls. J. Build. Eng. 2021, 44, 103390. [Google Scholar] [CrossRef]
  8. Jin, W.; Zhai, C.; Kong, J.; Liu, W.; Zhang, M. In-plane and out-of-plane quasi-static tests on RC frames with a new type of frame-isolated infills. Eng. Struct. 2021, 246, 113079. [Google Scholar] [CrossRef]
  9. Ding, K.; Kong, X.; He, S.; Zong, D. Experimental and parametric study on seismic behavior of steel Frame with ALC panels. Buildings 2022, 12, 2070. [Google Scholar] [CrossRef]
  10. Li, Y.; Gao, C.; Li, X.; Yan, Y.; Ning, Z. Experimental study on the seismic performance of steel frames with infill ALC wall panels. J. Build. Eng. 2023, 65, 105739. [Google Scholar] [CrossRef]
  11. Wang, B.; Jiang, W.; Wang, J.; Sun, J.; Hu, C.; Gao, X. The influence of infill ALC walls on the seismic performance of prefabricated PEC T-column frames. Structures 2024, 63, 106364. [Google Scholar] [CrossRef]
  12. GB 50011-2010; Code for Seismic Design of Buildings. Standards China: Beijing, China, 2010.
  13. GB/T 50081-2019; Standard for Test Methods of Concrete Physical and Mechanical Properties. Standards China: Beijing, China, 2019.
  14. GB 50010-2010; Code for Design of Concrete Structures. Standards China: Beijing, China, 2010.
  15. GB/T 123788-2017; Cold Rolled Ribbed Steel Bars. Standards China: Beijing, China, 2017.
  16. ATC-24; Guidelines for Cyclic Seismic Testing of Components of Steel Structures. Standards United States of America: Redwood, CA, USA, 1992.
  17. Cao, X.; Feng, D.; Wu, G. Seismic performance upgrade of RC frame buildings using precast bolt-connected steel-plate reinforced concrete frame-braces. Eng. Struct. 2019, 195, 382–399. [Google Scholar] [CrossRef]
  18. Silvia, M.; Sergio, R.; Fabio, F.; Giuseppina, U.; Ignacio, L. Energetic and structural retrofit of existing RC buildings through precast concrete panels: Proposal of a new technology and explorative performance simulation. J. Archit. Eng. (ASCE) 2022, 29, 04022045. [Google Scholar] [CrossRef]
  19. Cao, X.; Feng, D.; Wang, Z.; Shen, D.; Wu, G. Parametric investigation of the assembled bolt-connected buckling-restrained brace and performance evaluation of its application into structural retrofit. J. Build. Eng. 2022, 48, 103988. [Google Scholar] [CrossRef]
  20. Cao, X.; Feng, D.; Wang, C.; Shen, D.; Wu, G. A stochastic CSM-based displacement-oriented design strategy for the novel precast SRC-UHPC composite braced-frame in the externally attached seismic retrofitting. Compos. Struct. 2023, 321, 117308. [Google Scholar] [CrossRef]
  21. Li, X.; Zhang, J.; Cao, W. Hysteretic behavior of high-strength concrete shear walls with high-strength steel bars: Experimental study and modelling. Eng. Struct. 2020, 214, 110600. [Google Scholar] [CrossRef]
  22. Wang, W.; Wang, J.; Guo, L.; Hu, P. Development of hysteretic model for LEM-filled CFS shear walls under cyclic loading. Eng. Struct. 2023, 280, 115651. [Google Scholar] [CrossRef]
  23. Dowell, O.K.; Seible, F.; Wilson, E.L. Pivot hysteresis model for reinforced concrete members. ACI Struct. J. 1998, 95, 607–617. [Google Scholar] [CrossRef]
  24. Zhao, F.; Xiong, F.; Cai, G.; Ge, Q.; Larbi, A.S. Seismic behavior and simplified hysteretic model of precast concrete wall panels with bolted connections under cyclic loading. Eng. Struct. 2023, 292, 116562. [Google Scholar] [CrossRef]
  25. Dassault Systems Simulia Corp. Abaqus 6.10 Analysis User’s Manual; Dassault Systems Simulia Corp.: Providence, RI, USA, 2010. [Google Scholar]
  26. Jack, M. Seismic Design of Reinforced Concrete Buildings; McGraw Hill Education: New York, NY, USA, 2015. [Google Scholar]
Figure 1. Research framework.
Figure 1. Research framework.
Buildings 14 01333 g001
Figure 2. Partition walls in framed buildings.
Figure 2. Partition walls in framed buildings.
Buildings 14 01333 g002
Figure 3. Specimens. (a) W1, (b) W2 (in mm).
Figure 3. Specimens. (a) W1, (b) W2 (in mm).
Buildings 14 01333 g003
Figure 4. Configurations. (a) L-shaped connector, (b) details of cast-in-place joints.
Figure 4. Configurations. (a) L-shaped connector, (b) details of cast-in-place joints.
Buildings 14 01333 g004
Figure 5. Sizes and reinforcement of components. (a) P1; (b) C1, C2, B1 and B2; (c) C3; (d) B3 (in mm).
Figure 5. Sizes and reinforcement of components. (a) P1; (b) C1, C2, B1 and B2; (c) C3; (d) B3 (in mm).
Buildings 14 01333 g005
Figure 6. Setup and arrangement of instruments.
Figure 6. Setup and arrangement of instruments.
Buildings 14 01333 g006
Figure 7. Loading procedure.
Figure 7. Loading procedure.
Buildings 14 01333 g007
Figure 8. Failure of specimens. (a) W1, (b) W2.
Figure 8. Failure of specimens. (a) W1, (b) W2.
Buildings 14 01333 g008
Figure 9. Cracks. (a) Cracks on the column, (b) cracks on the beam, (c) cracks on the upper right joint of the door frame, (d) cracks on the lower left joint, (e) cracks on the lower right joint of the confining frame.
Figure 9. Cracks. (a) Cracks on the column, (b) cracks on the beam, (c) cracks on the upper right joint of the door frame, (d) cracks on the lower left joint, (e) cracks on the lower right joint of the confining frame.
Buildings 14 01333 g009
Figure 10. Failure. (a) Cracks on the lower corners, (b) cracks on the upper corners of the panels, (c) failure of the weld seam, (d) deformation of the L-shaped connecters.
Figure 10. Failure. (a) Cracks on the lower corners, (b) cracks on the upper corners of the panels, (c) failure of the weld seam, (d) deformation of the L-shaped connecters.
Buildings 14 01333 g010
Figure 11. Hysteresis curves. (a) W1, (b) W2.
Figure 11. Hysteresis curves. (a) W1, (b) W2.
Buildings 14 01333 g011
Figure 12. Envelope curves.
Figure 12. Envelope curves.
Buildings 14 01333 g012
Figure 13. Strength degradation curves.
Figure 13. Strength degradation curves.
Buildings 14 01333 g013
Figure 14. Stiffness degradation curves.
Figure 14. Stiffness degradation curves.
Buildings 14 01333 g014
Figure 15. Hysteretic loop.
Figure 15. Hysteretic loop.
Buildings 14 01333 g015
Figure 16. Energy dissipation factors.
Figure 16. Energy dissipation factors.
Buildings 14 01333 g016
Figure 17. Shear deformation.
Figure 17. Shear deformation.
Buildings 14 01333 g017
Figure 18. Shear angel.
Figure 18. Shear angel.
Buildings 14 01333 g018
Figure 19. Theoretical envelope curve.
Figure 19. Theoretical envelope curve.
Buildings 14 01333 g019
Figure 20. Hysteresis rule.
Figure 20. Hysteresis rule.
Buildings 14 01333 g020
Figure 21. Stress distribution. (a) Confining frame of W1, (b) Confining frame of W2, (c) Panels of W1, (d) Panels of W2.
Figure 21. Stress distribution. (a) Confining frame of W1, (b) Confining frame of W2, (c) Panels of W1, (d) Panels of W2.
Buildings 14 01333 g021aBuildings 14 01333 g021b
Figure 22. Comparisons of simulation and test results. (a) Hysteresis curves of W1, (b) hysteresis curves of W2, (c) envelope curves of W1, (d) envelope curves of W2.
Figure 22. Comparisons of simulation and test results. (a) Hysteresis curves of W1, (b) hysteresis curves of W2, (c) envelope curves of W1, (d) envelope curves of W2.
Buildings 14 01333 g022
Figure 23. Diagonal strut effect. (a) Diagonal strut model, (b) corner failure analysis.
Figure 23. Diagonal strut effect. (a) Diagonal strut model, (b) corner failure analysis.
Buildings 14 01333 g023
Figure 24. Calculation diagram. (a) W1 for D-value method, (b) W2 for D-value method.
Figure 24. Calculation diagram. (a) W1 for D-value method, (b) W2 for D-value method.
Buildings 14 01333 g024
Figure 25. Calculation diagram. (a) Yielding moment, (b) shear force of column, (c) shear force of joint.
Figure 25. Calculation diagram. (a) Yielding moment, (b) shear force of column, (c) shear force of joint.
Buildings 14 01333 g025
Table 1. Sizes of prefabrication components.
Table 1. Sizes of prefabrication components.
NamesLabelsWidthDepthLength
mmmmmm
ColumnsC12002003000
C22002002100
C31002002100
BeamsB12002003000
B22002001700
B32003001300
PanelsP16002003000
P25003000
P36001300
Table 2. Mix ratios of concrete for joints in 1 m3.
Table 2. Mix ratios of concrete for joints in 1 m3.
CementCoarse AggregatesSandFly AshWater ReducerWater
kgkgkgkgkgkg
37190175225022153
Table 3. Mechanical parameters of concrete and steel bars.
Table 3. Mechanical parameters of concrete and steel bars.
ConcreteSteel
PC aJointsAAC HPB300HRB400CRB550
fcu,ave b1N/mm233.0034.635.30Diametermm6125
C.V. c0.0110.0390.015fy f1N/mm2410407500
fcu,k b2N/mm232.4132.415.17
fck b3N/mm221.6821.68--
ftk d1N/mm22.102.06--fuf2N/mm2511592550
fc b4N/mm215.4815.48--
ft d2N/mm21.501.470.5
Ec e1N/mm230,57630,5762100E e2103 × N/mm2193205200
a Precast concrete; b1 Average compressive strength of concrete cubes; b2 Standard compressive strength for the concrete cubes; b3 Standard compressive strength for concrete prisms; b4 Design compressive strength for concrete prisms; c Coefficient of variation; d1 Standard tensile strength for concrete; d2 Design tensile strength for concrete; e1 Elastic modulus of concrete; e2 Elastic modulus of steel reinforcements; f1 Yield tensile strength of reinforcements; f2 Maximum tensile strength of reinforcements.
Table 4. Cracks and uplift of AAC panels.
Table 4. Cracks and uplift of AAC panels.
SpecimensW1W2
StatesYieldingPeakUltimateYieldingPeakUltimate
L aW bLWLWLWLWLW
(mm)(mm)(mm)(mm)(mm)(mm)(mm)(mm)(mm)(mm)(mm)(mm)
Prefabricated columns2000.552001.752003.22000.652001.52003.3
Prefabricated beams----2001.52002.4----2001.32002.5
Joints2100.652383.52825.5----2433.22654.6
AAC panels842.52502.83205.6361.652623.52854.5
Uplift of panels3.2613.524.63.0311.4522.4
a Maximum length of the cracks; b Maximum width of the cracks.
Table 5. Key points.
Table 5. Key points.
Key PointsSymbolW1W2
Push (+)Pull (−)Push (+)Pull (−)
CrackΔcr a1 mm10.0010.0010.0010.00
Fcr b1 kN20.7010.4818.719.48
θcr c1 Rad1/3301/3301/3301/330
YieldΔy a2 mm20.9022.4022.4016.50
Fy b2 kN26.4012.6322.2011.50
θy c2 Rad1/1581/1471/1471/200
PeakΔp a3 mm80.20100.0082.50121.30
Fp b3 kN41.4035.4034.6027.20
θp c3 Rad1/411/331/401/27
UltimateΔu a4 mm206.36197.77191.52231.20
Fu b4 kN35.2030.0929.4123.12
θu c4 Rad1/161/171/171/14
DI eβ9.878.838.5514.01
ADI fβave9.3511.28
a1 Cracking drift; a2 Yield drift; a3 Peak drift; a4 Ultimate drift; b1 Cracking load; b2 Yield load; b3 Peak load; b4 Ultimate load; c1 Cracking inter-story drift rotation of Δcr/hf; c2 Yield inter-story drift rotation of Δy/hf; c3 Peak inter-story drift rotation of Δp/hf; c4 Ultimate inter-story drift rotation of Δu/hf. hf is the floor height. e Abbreviation of the ductility index; f Abbreviation of the average ductility index of both the positive and negative ductility index.
Table 6. Parameters for hysteresis curves.
Table 6. Parameters for hysteresis curves.
ParameterValue
PositiveNegative
α11.0400.930
α20.3020.448
βtn−0.0035−0.011
ctn0.105−0.11
βD0.2830.118
cD0.0190.077
μtsx0.4210.624
μtsy0.3490.367
kini22.2 kN/mm5.6 kN/mm
η0.400
βpv0.111
Table 7. Plastic damage parameters of concrete.
Table 7. Plastic damage parameters of concrete.
Dilation AngleEccentricityfb0/fc0Viscosity Parameter
30°0.11.6670.005
Table 8. Shear failure parameters.
Table 8. Shear failure parameters.
τtlBCαγθTTdFd
N/mm2mmmm°°°kNkNkN
0.520027021.7533.0611.312722.6311.08
Table 9. Calculated initial stiffness.
Table 9. Calculated initial stiffness.
Dave aDcal bError
kN/mkN/m%
W13098372216.75
W215251375−10.93
a Average experimental initial stiffness in the positive and negative direction; b Calculation of the initial stiffness using the D-value method.
Table 10. Yielding resistance of confining frame.
Table 10. Yielding resistance of confining frame.
W1W2
Myhi/2FyVjVcsMyhi/2FyVjVcs
kN × mmkNkNkNkN × mmkNkNkN
Cdl a13.51.2252.8611.8436.80----------
Cdr a212.71.22510.3743.0189.37----------
C1l a312.71.6507.7084.3689.3712.71.6507.7084.3689.37
C1r a412.71.6507.7084.3689.3712.71.6507.7084.3689.37
Sum----28.63--------15.40----
a1 Left column of the door frame; a2 Right column of the door frame; a3 Left column of the confining frame; a4 Right column of the confining frame.
Table 11. Calculated bearing capacity.
Table 11. Calculated bearing capacity.
FyDcal ΔyFpFdFwFaveError
%
Fp3 cFp2 bn × Fp1 a
kNkN/mmmkNkNkNkNkNkN
W128.6337227.691.350.202 × 0.288 = 0.5811.0841.8338.408.94
W215.40137511.2----5 × 0.288 = 1.4411.0827.9230.90−9.65
a Horizontal force needed to overcome the self-weight of the panel P1; b horizontal force needed to overcome the self-weight of the panel P2; c horizontal force needed to overcome the self-weight of the panel P3 (as shown in Figure 3).
Disclaimer/Publisher’s Note: The statements, opinions and data contained in all publications are solely those of the individual author(s) and contributor(s) and not of MDPI and/or the editor(s). MDPI and/or the editor(s) disclaim responsibility for any injury to people or property resulting from any ideas, methods, instructions or products referred to in the content.

Share and Cite

MDPI and ACS Style

Li, X.; Ma, D.; Zhang, Q.; Zhang, Z.; Bao, H.; Yao, Y. Seismic Performance of Full-Scale Autoclaved Aerated Concrete Panel-Assembled Walls: Experimental Study and Numerical Modeling. Buildings 2024, 14, 1333. https://doi.org/10.3390/buildings14051333

AMA Style

Li X, Ma D, Zhang Q, Zhang Z, Bao H, Yao Y. Seismic Performance of Full-Scale Autoclaved Aerated Concrete Panel-Assembled Walls: Experimental Study and Numerical Modeling. Buildings. 2024; 14(5):1333. https://doi.org/10.3390/buildings14051333

Chicago/Turabian Style

Li, Xiaowei, Dongwen Ma, Qidi Zhang, Zhaoqiang Zhang, Han Bao, and Yong Yao. 2024. "Seismic Performance of Full-Scale Autoclaved Aerated Concrete Panel-Assembled Walls: Experimental Study and Numerical Modeling" Buildings 14, no. 5: 1333. https://doi.org/10.3390/buildings14051333

APA Style

Li, X., Ma, D., Zhang, Q., Zhang, Z., Bao, H., & Yao, Y. (2024). Seismic Performance of Full-Scale Autoclaved Aerated Concrete Panel-Assembled Walls: Experimental Study and Numerical Modeling. Buildings, 14(5), 1333. https://doi.org/10.3390/buildings14051333

Note that from the first issue of 2016, this journal uses article numbers instead of page numbers. See further details here.

Article Metrics

Back to TopTop